网络设备统计表
- 格式:xls
- 大小:17.50 KB
- 文档页数:1
序号项目网络设备端口统计品牌数量单位产权备注接入网关路由 型号WAN口:˅1 □2 □其他 口LAN口:□1 □2 □4 □其他 口核心交换机型号电口:□5 □8 □12 □16 □24 □48光口:□无 □1 □2 □4 □8 □24接入交换机1 型号电口:□5 □8 □12 □16 ˅24 □48□学校光口:□无 □1 □2 □4 □8 □24˅运营商接入交换机2 型号电口:□5 □8 □12 □16 □24 □48□学校光口:□无 □1 □2 □4 □8 □24˅运营商接入交换机3 型号电口:□5 □8 □12 □16 □24 □48□学校光口:□无 □1 □2 □4 □8 □24˅运营商1、2、3、4、5、6、填表说明11台□学校˅运营商本表格请打印后根据学校现场实际和填表说明要求据实填写,如有弄虚作假,造成后果由填表人负责。
45台填表时间:2015年5月 21 日台□学校˅运营商台WAN口指接运营商的接口,电口指接电脑用网线连接的端口,光口指用光跳线连接的端口,如不清楚,请拍照后参会请在上半部分拓扑图左下方加盖学校公章或清晰填写学校行政单位名称(需要确认与公章名称相同);台3TPLINK 不清楚本表填写方法或对现有结构不明确的,请对每个正在使用的校内网络设备进行拍照后通过U盘带来参会,在会细讲解统计方法,在会议结束返回学校后3个工作日内再行根据会议要求和讲解方法填写后将电子版报送教育局信推校园网网络拓扑结构描述安化县智慧城市建设项目一期 学校校园网络统计表出现有多级交换机下级级联的情况,请在设备描述上备注内注明;本表中系统拓扑图上按照实际中填写设备型号和对应的数字,如果拓扑结构与本表有不符,请另附拓扑图和统计表填表人无23。
所属 区域联网单位名称(①老单位②计划单位③新单位 ¥财政已付费)消控室控制编码传输装置消防控制室电话系统硬件系统资料、图消防监督责任在线情况(×消防控制室值报警故障情况联网单位其它情况(无★代表中心无视开发区①开发区台橡(南通)实业有限公32060321210005185999026■★@资料图纸姚 峰单位反馈控制室保安值班,人员不会操开发区②开发区南通荒川化学工业有限公32060321210006285996396■★@资料蔡亮亮×25日20时开发区②开发区三洋化成精细化学品(南32060341210003385960216■★@资料图纸姚 峰×25日20时开发区③开发区南通帝人有限公司32060321210002683599841■★@资料图纸姚 峰消管丁军:138********,控制室在隔间如东县①如东新碧霞大酒店有限公司3206091384866999(电话■@资料李玉东×2月24日消管胡海鹏:139********,单位反馈2崇川区①崇川区星光灿烂娱乐会所(原皇3206011485111111(电话■★@资料图纸张小飞无★,2月26日中心收不到现场报警信号开发区①开发区南通紫阳假日卧室用品有3206031581012130■★@资料图纸姚 峰×2月24日无★崇川区①崇川区1895红街区3206011689000114■★@图纸乔 炀×2月24日无★A防火处①崇川区近代第一城3206001985118229■★@资料图纸洪建华2月25日中心测试现场手报正常,但中心开发区①开发区南通三瑞家用纺织品有限3206032080115159■★@资料图纸姚 峰启东市①启东中煤商务酒店3206052183652199(常无■★@资料图纸陈 辉×24日21时、25日9时通州区①通州阳光新城3206042286122868■@资料图纸程天牧×2月24日海门市①海门龙信大厦3206062382187215■★@资料图纸王子宁A防火处①崇川区银座花园酒店3206002480200000■★@资料图纸周晓祥通州区①通州市猫空餐饮娱乐3206042586029395■★@资料图纸宗露锋中心收不到现场报警信号,视频模糊A防火处①崇川区南通康公馆假日酒店3206002668595555-103■★@资料图纸周晓祥港闸区①崇川区尚美佳国际3206012768580329■★@资料图纸许 凯(所属区域存疑)崇川区①崇川区南通瑞盛电子有限公司3206002885109839■@资料图纸杨 勇×2月24日崇川区①崇川区樱花公寓3206012985288222(电话■★@资料图纸周 炜视频延迟,(人员经常不在岗,拨打前A防火处①崇川区南通市第三人民医院320600111000423089093911■★@资料图纸韩公博误报31起视频无法转动3206023168308516■★@资料图纸许 凯×2月24日防损部金经理:137********;新消管葛港闸区①港闸区苏果超市(南通)有限公如皋市①如皋南通佩尔斯大酒店3206083287223580■★@资料高申忠×25日16时视频延时,消管雷:130********■★@资料图纸高申忠中心收不到现场报警信号,宽带不通,如皋市①如皋钻石时尚会所3206083388566888(门卫启东市①启东丽晶国际商务会所3206053483906845■★@资料图纸陈 辉×24日21时无★港闸区①崇川区鸿运装饰城3206023589022010■★@资料图纸张 于(所属区域存疑)如皋市①如皋市博爱医院3206083668169775■★@资料图纸高申忠×2月24日无★,消管:朱开华139********,倪铭开发区①开发区江海风情街-星湖街区A区3206033789057956■★@资料图纸姚 峰视频摄像不能转动。
多媒体教室设备情况统计表关键信息项:1、多媒体教室编号:____________________________2、投影仪品牌及型号:____________________________3、投影仪亮度:____________________________4、投影仪分辨率:____________________________5、投影屏幕尺寸:____________________________6、电脑品牌及型号:____________________________7、电脑处理器型号:____________________________8、电脑内存容量:____________________________9、电脑硬盘容量:____________________________10、音响系统品牌及型号:____________________________11、音响系统功率:____________________________12、麦克风类型及数量:____________________________13、中控系统品牌及型号:____________________________14、网络连接方式:____________________________15、摄像头品牌及型号:____________________________16、摄像头分辨率:____________________________11 协议目的本协议旨在对多媒体教室设备的情况进行详细统计和记录,以便于学校或相关机构对多媒体教室的设备进行有效的管理、维护和更新。
111 适用范围本协议适用于所有被标记为多媒体教室的场所,包括但不限于学校内的教学楼、实验楼、图书馆等建筑内的多媒体教室。
112 统计周期多媒体教室设备情况的统计将按学期进行,每学期开学后的第一个月内完成对上一学期末设备情况的统计。
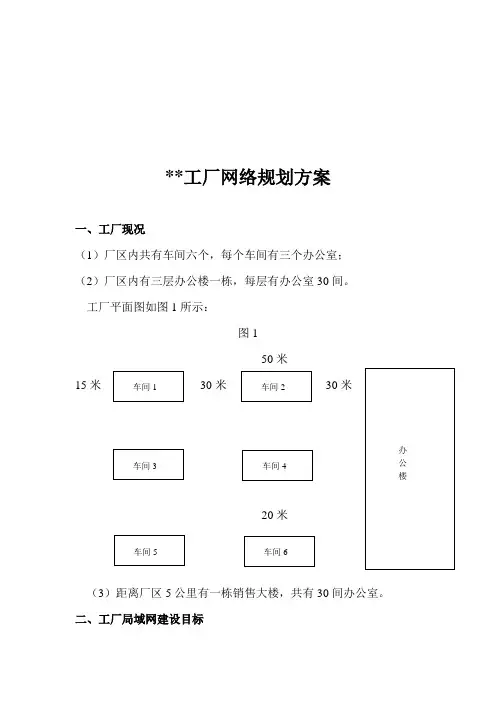
**工厂网络规划方案一、工厂现况(1)厂区内共有车间六个,每个车间有三个办公室; (2)厂区内有三层办公楼一栋,每层有办公室30间。
工厂平面图如图1所示:图150米15米 30米 30米20米(3)距离厂区5公里有一栋销售大楼,共有30间办公室。
二、工厂局域网建设目标车间1 车间2 车间3车间4车间5车间6办公 楼1、根据工厂对信息点的安排和网络应用的需求制定合理的局域网总体建设规划和实施方案;2、对工厂办公楼、生产车间、销售大楼等几座主要建筑物实施局域网结构化布线;3、实现工厂核心交换机与二级交换机的连接、安装、配置和调试。
三、需求分析1、信息点分布厂区内共有车间六个、办公楼一栋、销售楼一栋,共有办公室138间。
办公室按每个房间2个信息点计算。
需要接入网络的房间及信息点分布情况如下。
1)车间共六个,有办公室18个,信息点总数为36个。
2)办公楼共3层,每层有办公室30间,共90间办公室,信息点总数为180个。
3)销售大楼共有30间办公室,信息点总数为60个。
信息点汇总情况见表1。
表1 **工厂局域网信息点分布统计表建筑物名称信息点总数建筑物接入局域网位置车间36 车间中部办公楼180 一层中部销售大楼60 一层中部合计2762、网络建设的功能与技术需求根据工厂现有规模,业务需要及发展范围建立的网络,提出以下技术需求:(1)工厂内部网络实现资源共享,以提高工作效率。
(2)局域网上应提供生产管理、销售管理、人员管理功能,并建立单位网站。
(3)局域网通过10M光纤接入Internet。
(4)建立网络时应注意网络的扩展性,以方便日后的网络升级和增加计算机。
(5)在工厂内部建立自己的数据库,能够支持分布式应用的要求。
系统除了拥有一个集中管理的工厂产品数据仓库之外,在一些下级加工处理中心也将建立规模相对小一些的数据中心,它与数据仓库之间通过同步/复制机制完成数据的双向更新过程。
(6)局域网必须提供DNS、WWW、FTP、E-mail等Internet服务。
1.勘察内容熟悉机房建筑物的结构并绘制《机房位置标识图》,主要包括机房的位置、结构、面积等(可以的话,让客户提供建筑结构图作为参考和留档)。
做好相关准备后,进入机房,熟悉并填写《机房环境统计图》,反映的信息尽量详尽,可以按服务系统功能来分别统计,主要包括UPS、空调、PC服务器、小型机、网络设备等的摆放位置和布局结构,机柜的摆放顺序,机柜间线缆走线情况等(在客户许可的情况下,可以拍照)。
按照设备功能划分或者机柜排列顺序进行机柜内设备信息统计。
按照从上到下的顺序依次统计机柜内设备的安放位置,接口连线等。
对于不同类型的设备统计信息分别概述如下:(1)UPS统计信息包括:UPS主机品牌、类型、规格型号、启用时间和保期、工作方式、额定容量、整机效率、输入和输出电压范围、输出频率、超载能力、充电和备用时间、电池管理软件、电池类型、直流电压、输出插座、控制面板、报警系统、可处接其他端口、尺寸和重量、噪音、操作环境、重大事件维修记录等;(2)空调系统统计信息包括:品牌、规格型号、启用时间和保期、制冷量、压缩机工作形式、工作功率、蒸发器风机风量和功率、冷凝器风机风量和功率、制冷剂、供电电压、供电电缆、重大事件维修记录等。
(3)PC服务器系统统计信息包括:设备名称、品牌、规格型号、序列号(SN)、功能用途、启用时间和保期、操作系统、CPU的类型、内存的类型和大小、硬盘个数和大小、电源冗余、IP地址、重大事件维护记录等。
(4)小型机统计信息包括:设备名称、品牌型号、序列号(SN)、功能用途、启用时间和保期、操作系统、CPU类型、内存的类型和大小、硬盘大小、接口槽数量、电源冗余、IP地址、重大事件维护记录等。
(5)网络设备统计信息包括:设备名称、品牌型号、序列号、功能用途、启用时间和保期、系统版本、接口槽数量、接口类型、接口速率、IP地址、内存和FLASH大小及使用量、设备模块种类、模块型号、模块序列号、电源、风扇、指示灯是否报警、设备使用情况、重大事件维护记录等。
表1:
盐池县第三中学“宽带网络校校通”统计表
2.不具备建设条件学校是指不具备宽带网络接入的地理环境及安装多媒体设备的校舍安全环境等外部条件的学校
3.具备建设条件学校数=学校总数-不具备建设条件学校
4.校内网络设施齐备是指所有普通教室、教师备课室和行政办公用房已接入宽带网络
5.教职工办公和备课用计算机数不包括各类教室配备的计算机
6.属于城市的填在城市行,属于农村的填在农村行,最后两列填具体数字外,其它的填“是”或“否”。
7.一个学校一份(中心校请将管辖学校分开填写)。
表2:
盐池县第三中学“优质资源班班通”统计表
注:从二行三列开始填写。
(填写内容为是或否)
附表3:
盐池县第三中学“网络学习空间人人班通”统计表
注:二行三列至三行八列填是或否,后面的填数字。
机房搬迁作为一项非常重要的工作,涉及许多设备、重要数据、核心资产等,对企业来说,机房搬迁可以说是一项细致而精密且头等重要的大事。
机房搬迁不仅仅是把机房的设备迁移到新机房那么简单,而是要求网络系统的迁移和集中存储系统的迁移必须安全平稳,不能过长时间影响生产应用。
表面上就是几个IT 民工的搬运,但实际是一项目高度集中的体力与脑力的综合项目。
一、新机房的准备工作1.1、确认设备的布局新机房的基本设计(如:墙面的设计、专用空调的安装等)完成后,我们需要提前规划各个机柜、各个网络设备的摆放位置。
可以事先量好机器的具体尺寸,之后到现场规划机器的具体摆放位置,力争最合理、最充分地利用机房的有效空间。
此处需要注意的问题:如果需要扩展机柜,则提前将综合布线的数据信息点打在配线架上,这样,等把交换机路由器等网络设备搬迁过来,安装好跳线,则网络就可以正常使用。
1.2、设计综合布线为保证业务的正常运行,我们应该提前设计新机房的综合布线、配线系统等准备工作,并和电信部门协调光纤接入,保证搬迁之前对外线路的畅通,确保不因线路问题影响搬迁的进度。
1.3、设置正确的物理环境正确的物理环境应该对场地的封闭、防火、防盗、防静电、适当的通风、温度的控制以及电源的安全等提供符合网络设备要求的安全保证。
1.4、设计合理的网络结构考虑新的机房时继续沿用现在的拓扑结构、还是重新设计,设计时考虑和旧系统之间的对应关系。
二、搬迁规划机房的搬迁,一般都会涉及到服务器、交换机、路由器、工作站等大量的设备,很多软件的问题,以及新机房IP的分配问题等。
因而如果不提前进行详细的规划,匆匆上马进行机房服务器等设备的搬迁,势必会造成工作的混乱。
所以在搬迁前,一个完整合理的机房搬迁规划是必需的。
在进行详细的规划时,需要提供如下的材料:机房的网络拓扑图机房的设备连接图和线路分布图(细到每个设备的每条线路的连接)设备等IP地址分配表应用描述应用的描述也是一个重要的方面。
大连民族大学1号至10号公寓楼共计10栋学生公寓楼,69台交换机和2662个网络信息点分布在13个机房内。
目前,机房线路老化和技术升级,需要重新整理13个机房内网络跳线,进一步提高网络的稳定性,同时,更换机柜内已经陈旧的电源插排,增加环境的安全性。
虽然,13个机房都分布在10栋公寓楼内,但是,大部分时间都运行在无人值守的状态下,环境各异并且复杂,需要对机房内环境温度、湿度、火灾、水侵等进行遥测、遥感、遥控等,实现安全,稳定,可靠地使用设备,达到防范于未然。
网络机柜及线缆整理目前状况1、机房空间本身狭窄,网络机柜内跳线交叉错乱,增高故障发生率,增加了维护难度。
现场图片:2、网络跳线直接覆盖于交换机表面,以及交换机之间过于紧凑,都会影响到设备散热,增加了设备故障率和火灾的发生率。
现场图片:3、部分旧跳线由于自然氧化以及自重下垂,水晶头根部和触针已经损坏,增加了维修的频率和难度。
4、机柜内电源插排随意放置,插排间串联,存在安全隐患。
现场图片:5、6号和7号等公寓楼机房空间狭小,不利于日常维护,并且大部分主干线缆已无余量。
现场图片:6、部分机房在公寓楼的走廊尽头,并且机柜紧挨窗户,容易造成水侵灾害,引起严重后果。
现场图片:三、整改方案如下方案说明:针对大连民资大学公寓楼内网络机房的现状,估计更换10%左右的网络跳线约300条,更换所有的电源插排约20个,最终以实际更换量为准。
1、重新整理机柜内网络跳线,使用理线器进行规整,给网络跳线两头粘贴标签。
标签效果如图:2、重新调整交换机的位置,增加设备之间的间距,提高通风散热效率。
3、在调整网络跳线过程中,针对水晶头氧化情况,破损等进行检查,并用新跳线替换已损坏跳线。
4、使用功率更大自带防雷模块的PDU电源插排替换原有的普通电源插排。
PDU图示:5、针对上述5和6条问题,目前线缆紧凑的机柜,无法调整其内大部分主干线缆,建议重新扩建装修机房或换址,并且,增设环境监控,提高防范。