维修工程派工单完整版
- 格式:docx
- 大小:90.60 KB
- 文档页数:2
工程派工单模板全文共四篇示例,供读者参考第一篇示例:工程派工单模板,是指在工程施工或维修过程中,为了更好地进行任务分配和工作安排而制作的一种文档。
它包括了工程项目的相关信息,工作内容的详细描述以及工作人员的分配情况等内容。
使用工程派工单模板能够帮助管理人员更好地监控和管理工程项目,提高工作效率,确保工程质量。
一、工程派工单模板的基本内容:1. 项目信息:包括工程项目的名称、地点、时间、负责人等基本信息。
2. 工程内容:详细描述工程项目的具体内容,包括施工步骤、材料使用、工期等。
3. 工作人员分配:列出参与工程项目的各个工作人员的姓名、职位,以及各自负责的工作内容。
4. 工作安排:明确工程项目的工作安排时间表,包括开始时间、结束时间,每个工作人员的工作时间等。
5. 安全措施:列出工程项目施工过程中需要遵守的安全措施,以确保工程施工过程的安全性。
6. 联系方式:提供工作人员之间的联系方式,以便协调工作和解决问题。
1. 任务分配:通过工程派工单模板,管理人员可以清楚地将工程项目的任务分配给不同的工作人员,避免工作任务重叠或漏掉。
2. 工作安排:工程派工单模板能够帮助管理人员合理安排工程项目的施工时间表,确保工程项目按时完成。
3. 资源调配:通过工程派工单模板,管理人员可以合理调配人力、物力和时间资源,为工程项目提供充足的支持。
4. 信息共享:工程派工单模板可以将工程项目的相关信息一目了然地呈现在管理人员和工作人员面前,促进信息的共享和沟通。
5. 效率提高:通过工程派工单模板,管理人员可以更好地监控和管理工程项目的进度和质量,提高工作效率,确保工程项目顺利进行。
1. 确定模板格式:确定工程派工单模板的基本格式,包括各个内容的排版和格式设置。
7. 保存和备份:完成工程派工单模板后,保存并备份模板文件,以便随时查阅和使用。
1. 确保准确性:制作工程派工单模板时,要确保所填写的信息准确无误,避免出现误导性信息。
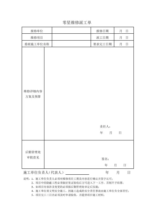
维修派工单
说明:
1. 此单为设备维修唯一凭据,所有人员必须如实填写。
2. 上述各项由相关部门人员详细填写,以便维修人员准确判断故障,及时到达派工地点开展工作。
3. 上述签名栏由各部门相关人员签名后可作为日志文件存档,以便管理备案。
维修派工单
说明:
4. 此单为设备维修唯一凭据,所有人员必须如实填写。
5. 上述各项由相关部门人员详细填写,以便维修人员准确判断故障,及时到达派工地点开展工作。
6. 上述签名栏由各部门相关人员签名后可作为日志文件存档,以便管理备案。
建筑专用维修派工单1. 概述本文档旨在指导和记录建筑维修派工流程和要求。
2. 背景建筑维修是建筑物维护和保养的重要组成部分。
及时维修可以确保建筑物的正常运行和延长使用寿命。
3. 维修派工流程3.1 提交维修申请建筑维修需要租户或负责人提交维修申请。
申请中应包括以下信息:- 建筑物名称和地址- 维修项目的具体描述- 紧急程度(可选)- 联系人信息(姓名、电话、邮箱等)3.2 申请审批维修申请将由相应的审批人员进行审批,以确保所提出的维修项目符合维修政策和预算要求。
审批结果将及时通知申请人。
3.3 派工一旦维修申请获得批准,维修派工单将被创建,并将包括以下信息:- 维修项目的详细描述- 派工日期和时间- 负责执行维修的工作人员信息(姓名、联系方式等)- 维修工具和材料清单3.4 维修执行工作人员根据派工单上的要求和维修计划进行维修工作。
他们应确保按照标准操作流程和安全要求进行工作,并及时报告维修进展。
3.5 维修验收维修完成后,工作人员将通知申请人进行维修验收。
申请人将检查维修项目的质量和完成情况,并确认维修满意度。
3.6 维修记录维修完成后,维修派工单将被归档存档,以备将来参考和审计。
4. 注意事项- 紧急情况下应立即报修,以确保维修的及时性。
- 工作人员应遵循安全操作规程,确保维修期间的安全。
- 所有申请和派工信息应妥善保存,并定期进行备份。
以上为建筑专用维修派工单的文档内容,旨在帮助管理建筑维修流程,确保维修能够高效地进行。
如有疑问,请及时与相关人员联系。