入侵报警系统标准
- 格式:doc
- 大小:134.00 KB
- 文档页数:8
入侵报警系统技术要求一、背景介绍随着信息技术的不断发展,入侵报警系统已成为各种机构和单位的必备设备。
入侵报警系统主要用于监控和警报,确保机构和单位的安全。
技术的持续进步使得入侵报警系统具备更高的可靠性、精确性和智能化的特点。
在设计和建造入侵报警系统时,技术要求必须考虑到相关法规和标准要求,并结合实际需求和环境特点来确定。
二、技术要求1.监控摄像头(1)清晰度要求高:监控摄像头应具备高清晰度的功能,能够清晰反映监控区域的细节,确保图像质量的清晰可见。
(2)全方位覆盖:摄像头布置应遵循全方位监控的原则,能够覆盖需要监控的区域,避免监控死角。
(3)夜视功能:监控摄像头应具备夜视功能,能够在光线较暗的环境下仍然保证图像质量。
2.监控中心(1)实时监控:监控中心应能够实现对整个系统的实时监控与管理,可以随时查看不同区域的监控画面。
(2)报警管理:监控中心应能够接收并及时响应来自各个传感器的报警信息,并能够有效地处理和应对报警事件。
(3)多操作平台:监控中心应具备在不同的操作平台上进行实时监控的能力,比如PC、手机、平板电脑等。
(4)图像存储:监控中心应具备图像存储的能力,能够存储大量的监控资料,为后续的调查和分析提供依据。
3.传感器(1)侦测能力:传感器应能够准确侦测和感知入侵行为,包括声音、光线、温度、火焰等多种参数。
(2)防拆功能:传感器应具备防拆功能,当有人故意破坏或拆除传感器时,立即发出报警信号。
(3)耐用性和稳定性:传感器应具备较强的耐用性和稳定性,能够适应各种复杂环境,并能长时间稳定运行。
4.报警装置(1)报警方式:报警装置应具备多种报警方式,比如声音报警、光线报警、短信报警等,以提高报警的效果和及时性。
(2)分级响应:报警装置应具备分级响应的能力,不同级别的报警应采取不同的应急响应措施。
(3)自动复位:报警装置应具备自动复位的功能,当报警条件消失时能够自动取消报警状态。
5.系统集成与管理(1)系统集成:入侵报警系统应能够与其他安全设备进行集成,包括门禁系统、视频监控系统等,形成一个完整的安全防范体系。
入侵报警系统设置和日常使用、维护管理规定万达集团股份二〇一五年十一月目录一、系统技术要求 (1)1.1 系统概述 (1)1.2 系统基本要求 (1)1.3 联动兼容性 (2)1.4 接入要求 (2)1.5 紧急报警装置 (2)二、安装要求 (2)2.1 通用要求 (2)2.2 点位设置要求 (3)2.2.1 商管 (3)2.2.2 酒店 (3)2.2.3 影城 (4)2.2.4 儿童乐园 (5)2.2.5 文旅营运项目 (5)2.3 安装、验收流程 (6)2.3.1 设备安装 (6)2.3.2 集团检查 (6)三、使用管理要求 (6)3.1 防护区设置及撤布防时间要求 (6)3.2 入侵报警系统运行情况检查、维护保养要求 (7)四、考核 (9)4.1 设备故障、布防考核 (9)4.2 故意损坏、谎报考核 (9)入侵报警系统设置和日常使用、维护管理规定入侵报警系统的建设、使用和运维,除满足国家、地方有关技术标准、规和规定外,还须严格执行本规定要求。
一、系统技术要求1.1 系统概述入侵报警系统(intrusion alarm system)是用于探测设防区域的非法入侵行为并发出报警信号的电子系统或网络。
入侵报警系统应包括前端设备、传输设备和控制/显示/处理/记录设备。
前端设备包括一个或多个探测器;传输设备包括电缆或数据采集和处理器(或地址编解码器/发射接收装置);控制设备包括控制器或中央控制台,控制器/中央控制台包含控制主板、电源、声光指示、编程、记录装置以及信号通信接口等。
1.2 系统基本要求(1)入侵报警系统中探测器与控制器之间的信号传输采用有线传输方式(特殊情况可用无线传输方式)。
(2)入侵报警系统的设计在技术上有适度超前性和互换性,为系统的增容和/或改装留有余地。
(3)入侵报警系统应能准确及时地探测入侵行为、发出报警信号;对入侵报警信号、防拆报警信号(可与入侵报警信号共用)、故障信号的来源有清楚和明显的指示,在入侵报警系统的电子地图上准确显示报警信息。
入侵报警系统设置和日常使用、维护管理规定大连万达集团股份有限公司二〇一五年十一月目录一、系统技术要求 (1)1.1 系统概述 (1)1.2 系统基本要求 (1)1.3 联动兼容性 (2)1.4 接入要求 (2)1.5 紧急报警装置 (2)二、安装要求 (2)2.1 通用要求 (2)2.2 点位设置要求 (3)2.2.1 商管 (3)2.2.2 酒店 (3)2.2.3 影城 (4)2.2.4 儿童乐园 (5)2.2.5 文旅营运项目 (5)2.3 安装、验收流程 (6)2.3.1 设备安装 (6)2.3.2 集团检查 (6)三、使用管理要求 (6)3.1 防护区设置及撤布防时间要求 (6)3.2 入侵报警系统运行情况检查、维护保养要求 (8)四、考核 (9)4.1 设备故障、布防考核 (9)4.2 故意损坏、谎报考核 (9)入侵报警系统设置和日常使用、维护管理规定入侵报警系统的建设、使用和运维,除满足国家、地方有关技术标准、规范和规定外,还须严格执行本规定要求。
一、系统技术要求1.1 系统概述入侵报警系统(intrusion alarm system)是用于探测设防区域的非法入侵行为并发出报警信号的电子系统或网络。
入侵报警系统应包括前端设备、传输设备和控制/显示/处理/记录设备。
前端设备包括一个或多个探测器;传输设备包括电缆或数据采集和处理器(或地址编解码器/发射接收装置);控制设备包括控制器或中央控制台,控制器/中央控制台包含控制主板、电源、声光指示、编程、记录装置以及信号通信接口等。
1.2 系统基本要求(1)入侵报警系统中探测器与控制器之间的信号传输采用有线传输方式(特殊情况可用无线传输方式)。
(2)入侵报警系统的设计在技术上有适度超前性和互换性,为系统的增容和/或改装留有余地。
(3)入侵报警系统应能准确及时地探测入侵行为、发出报警信号;对入侵报警信号、防拆报警信号(可与入侵报警信号共用)、故障信号的来源有清楚和明显的指示,在入侵报警系统的电子地图上准确显示报警信息。
保安报警系统第一节总则1.1.1.说明系统应采用网络形式与外界多个收集器联结﹐通过数码通讯直接由系统中央管理及处理收集之报警及连动讯号在中央以彩色中文仿真图表示﹐反应出现场之报警﹑信息。
所有设备应在可能情况下使用属于同一个制造厂的成品。
整个系统应遵守国内及国际有关标准和实施守则在建造﹑隔离﹑绝缘﹑接地﹑过载与短路保护﹑闪电脉冲电流与电弧保护等方面的规定。
所有材料及附件应由信誉好﹑有被证实的经验﹑有技术证明书的制造厂供应。
所有部件在遇到错误操作与/或在正常运行情况下可能由于机械振动而导致失灵时应不会受损。
图像及声响报警的回路应相互间不受另一个线路故障的影响。
一旦报警发生﹐图标与声响报警信号应继续存在直到被确认。
解除声响报警信号后,图标信号须继续保留﹐直到报警点受理及报警装置开关被复位为止。
所有保安报警系统的电源应由设置在保安监控中心的不间断供电系统提供。
在正常供电中止时,应由不间断供电系统保持供电。
系统设备应有钥匙开关。
只有被认可的系统管理人员可以关闭或接近电子线路。
为加强保安程度及系统的灵活性,系统须能够随意按用户要求增加报警点及采集器,而无须更改现有系统配置及电缆布线。
本承包商负责供应及安装系统设备、线缆及相应电线管。
1.1.2.送审时的要求在正式书面获知中标后四星期内,订货和安装前提交下列各项供批准用:A.设备与部件的详细清单,制造厂的数据与样品。
B.接线系统图和详细的接线图。
C.控制/指示屏之详细结构图、屏面布置和标签之名称。
D.施工图。
E.对建筑的要求。
F.对运行与试验步骤的建议。
G.提供所选设备对应型号的生产商印刷资料,包括安装、运行与维修指示,详述安装与运行的步骤、接线细节、线路详图、零件清单、建议的备件清单、提供的备件清单、所有设备的完整维修步骤以及建议的维修范围与维修频率。
H.下列的样品:a.手动报警按钮(残疾人卫生间用)b.红外微波双鉴探测器c.手动报警按钮(非残疾人卫生间用)d.脚挑式报警按钮e.门磁开关在提交上述样品的同时,需提交设备材料彩色图片供确认,要求承包商必须在彩色图片上加盖公司印章,彩色图片必须能够清晰的分辨出设备的型号及外形样式。
入侵紧急报警系统的设计原则入侵紧急报警系统设计原则:1. 安全性优先:在设计入侵紧急报警系统时,安全性应是首要考虑的因素。
系统应设计为具有多层级的安全措施,包括强大的身份验证机制、访问控制和加密技术,以阻止未经授权的访问和操纵。
2. 高可靠性:入侵紧急报警系统必须保持高可靠性,以确保在任何紧急情况下都能快速响应。
系统应设计为具有冗余和备份机制,以防止单点故障,并确保系统的持续运行和数据的完整性。
3. 实时监控:系统应具备实时监控功能,能够实时检测和报告潜在的入侵事件。
为了提高监控效率,可采用智能化算法和机器学习技术来对入侵行为进行分析和识别,以减少误报率和提高准确性。
4. 快速响应:在接收到入侵报警后,系统应能快速响应,并采取适当的措施应对紧急情况。
警报应及时通知相关人员,如安防人员、管理人员和应急部门,并提供详细的报警信息和定位信息,以确保能够在最短时间内采取适当的行动和应对措施。
5. 易于管理和维护:系统应设计为易于管理和维护,包括用户管理、设备管理和日志管理等功能。
管理员应能够方便地对系统进行配置和监控,并能够从日志中查看历史记录和相关报警事件,以便进行分析和改进。
6. 可扩展性:入侵紧急报警系统应具备良好的可扩展性,以适应不同规模和需求的场景。
系统应能够方便地添加和移除传感器设备,并支持与其他安防设备的集成,以提供更全面和综合的安全防护解决方案。
7. 隐私保护:在设计入侵紧急报警系统时,应充分考虑用户隐私保护的问题。
系统应采取合适的隐私保护措施,如数据加密和访问权限控制,以保护用户个人信息和其它敏感数据的安全。
8. 用户友好性:系统的界面和操作应简单直观,使用户易于使用和操作。
此外,系统还应提供培训和技术支持,以帮助用户熟悉系统的功能和操作方式,确保系统能够被广泛应用和有效使用。
这些设计原则的目的是确保入侵紧急报警系统具备高效、准确、可靠和安全的功能,以帮助保护人们的财产和生命安全,并最大程度地减少入侵事件对个人、家庭和组织的潜在风险和损失。
入侵报警系统方案介绍概述入侵报警系统是一种用于检测和报警潜在入侵行为的安全系统。
它利用传感器和监控设备来监测特定区域的活动,并在发现异常情况时发出警报。
本文将介绍一种常见的入侵报警系统方案,并详细描述其组成部分和工作原理。
组成部分入侵报警系统主要由以下几个组成部分组成:1.传感器:用于监测特定区域的活动。
常见的传感器包括红外线传感器、微波传感器和磁力传感器等。
这些传感器能够检测到人体的热量、移动或磁场变化,并将这些信号转化为电信号发送给控制中心。
2.控制中心:负责接收传感器发送的信号,并处理这些信号。
控制中心通常由控制主机和报警显示器组成。
控制主机用于接收和解析传感器信号,并根据预设的规则进行判断,确定是否发出报警信号。
报警显示器则用于显示报警信息,并提供相应的操作界面。
3.报警设备:负责在发生入侵行为时发出警报信号。
常见的报警设备包括声光报警器和短信报警器等。
声光报警器通常会同时发出声音和闪光信号,以引起周围人员的注意;而短信报警器则会向预设的手机发送报警信息。
4.监控设备:用于实时监视被保护区域的状态。
常见的监控设备包括摄像头和监控显示器等。
这些设备能够提供实时视频流,并通过监控显示器进行观看。
工作原理入侵报警系统的工作原理如下:1.传感器监测:传感器通过感知周围环境,检测特定区域的活动。
例如,红外线传感器可以检测人体的热量,而磁力传感器可以检测门窗的开闭状态。
2.信号传输:当传感器检测到异常活动时,会将检测到的信号转化为电信号,并发送给控制中心。
这些信号可以通过有线或无线方式传输。
3.信号处理:控制中心接收到传感器发送的信号后,会对信号进行处理和解析。
它会根据预设的规则和阈值进行判断,确定是否发出报警信号。
4.报警触发:当控制中心判断发生了入侵行为时,会触发报警设备发出警报信号。
声光报警器会发出大声的警报声和闪光信号,而短信报警器则会向预设的手机发送报警信息。
5.实时监控:监控设备能够提供实时视频流,用于监视被保护区域的状态。
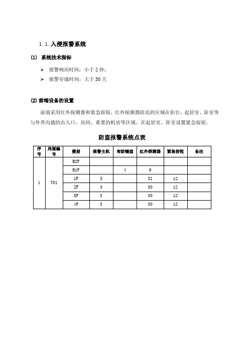
1.1.入侵报警系统(1)系统技术指标报警响应时间:小于2秒;报警存储时间:大于30天(2)前端设备的设置前端采用红外探测器和紧急按钮,红外探测器防范的区域在阳台、起居室、卧室等与外界沟通的出入口、房间、重要的机房等区域,在起居室、卧室设置紧急按钮。
防盗报警系统点表(3)系统的组成及主要设备I.系统组成本系统主要由前端报警探测器、防区扩充模块、报警控制/通讯主机及管理计算机组成。
前端报警探测器前端报警探测器主要为红外探测器、紧急报警按钮。
✓红外探测器:松本 K835 , 7042 套;✓紧急报警按钮: 松本 SV-88, 2911 套。
防区扩充模块单/双防区扩充模块用于前端报警探测器的报警信号输入。
报警主机用于控制系统中的其它模块的运作并负责系统向外通讯。
可对系统中的各种状态进行监控。
✓松本 8防区报警主机 K504R8-1 ,757 台;✓松本紧急报警主机 K504R2,209台。
管理计算机配备入侵报警软件,对系统进行可视化的人机界面管理。
II.主要设备1.有线红外探测器 K8351、技术参数:☆供电电源:DC12V±10%☆工作电流:5mA☆重量:72g☆工作温度:0℃~50℃☆外形尺寸:115mm*65mm*53mm☆探测范围:8m*8m ;角度110☆抗射频干扰:30V/m,10MHz-1GHz☆抗灯光干扰:6500Lux☆防拆开关:常闭2、产品功能:☆被动红外与微处理器双鉴技术☆独特防宠物功能,高质量表面贴片技术☆抗干扰气流补偿;抗向光干扰;抗电磁干扰☆自动温度补偿,灵敏度可调,反板性接线保护2.紧急报警按钮 SV-88技术参数:☆报警输出:常闭/常开触点☆工作温度:0℃~50℃☆外形尺寸:89mm*89mm*10mm2、产品功能:☆遇紧急事件时按下按钮则无条件报警(24小时防区),报警解除后用钥匙恢复☆报警输出:常闭/常开触点3.八防区有线报警主机 K504R8技术参数:☆外形尺寸:118*100*30mm☆供电电压:DC12V±10%☆工作电流:〈40mA☆工作温度:-10℃~55℃☆重量:0.2KG产品功能:☆ 8个可编程有线防区,每个防区均可单独布防,并在中心有防区状态信息显示;可选配8个可编程无线学习型防区☆数据均储存在EEPROM记忆元件中,停电均不丢失☆在别墅中每户键盘最多可支持4台联接,扩展到32个防区,实现联动控制,同布同撤,符合上海技防的最新规定☆ 具有“看门狗”功能,防止死机 ☆ 内置高响度蜂鸣器现场报警☆ 有5组可编程密码:主码、客码、防劫持码、门锁码、复位码 ☆ 与中心之间采用RS485方式进行通讯。
是设计、安装、验收入侵报警系统的基本依据。
本标准适用于建筑物内、外部的入侵报警系统。
本标准不涉及远程中心,也不包括入侵报警系统与远程中心之间通信数据的加载和卸载。
2规范性引用文件下列文件中的条款通过本标准的引用而成为本标准的条款。
凡是注日期的引用文件,其随后所有的修改单(不包括勘误的内容)或修订版均不适用于本标准,然而,鼓励根据本标准达成协议的各方研究是否可使用这些文件的最新版本。
凡是不注日期的引用文件,其最新版本适用于本标准。
GB 10408.1入侵探测器第1部分:通用要求(idt IEC 60839-2-2)GB 10408.2入侵探测器第2部分:室内用超声波多普勒探测器(idt IEC 60839-2-4)GB 10408.3入侵探测器第3部分:室内用微波多普勒探测器(idt IEC 60839-2-5)GB 10408.4入侵探测器第5部分:室内用被动红外探测器(idt IEC 60839-2-3) GB 10408.5入侵探测器第4部分:主动红外入侵探测器(idt IEC 60839-2-6)GB 10408.6微波和被动红外复合入侵探测器GB 12663防盗报警控制器通用技术条件GB 15207视频入侵报警器GB 15209磁开关入侵探测器GB/T 15211报警系统环境试验GB 15407遮挡式微波入侵探测器技术要求和试验规范(idt IEC 60839-1-2) GB/T 15408报警系统电源装置、测试方法和性能规范(idt IEC 60839-1-2)GB/T 16572防盗报警中心控制台GB 16796安全防范报警设备安全要求和试验方法GB/T 17626.2-1998电磁兼容试验与测量技术静电放电抗扰度试验GB/T 17626.3-1998电磁兼容试验与测量技术射频电磁场辐射抗扰度试验GB/T 17626.4-1998电磁兼容试验与测量技术电快速瞬变脉冲群抗扰度试验GB/T 17626.5-1999电磁兼容试验与测量技术浪涌抗扰度试验GB/T 17626.11-1999电磁兼容试验与测量技术电压暂降、短时中断及电压变化抗扰度试验GA/T 74安全防范系统通用图形符号GA/T 75安全防范工程程序与要求IEC 60839-5报警系统第5部分:报警信号传输系统技术要求IEC 60839-7报警系统第7部分:报警传输系统中串行数据接口信息格式和协议3术语和定义下列术语和定义适用于本标准3.1报警alarm生命、财产或环境面临严重威胁时的警告。
建筑行业验收标准中的安防系统要求在建筑行业中,安防系统的要求在项目验收中占据着重要的地位。
安防系统作为建筑物的重要组成部分,不仅关乎建筑的安全性,还直接关系到人员的生命财产安全。
因此,在建筑行业的验收标准中,对安防系统的要求非常严格和具体。
一、视频监控系统要求视频监控系统是安防系统中的重要组成部分。
在建筑行业的验收标准中,针对视频监控系统提出了以下要求。
1.安装位置:视频监控摄像头的安装位置应覆盖建筑物的重要区域,包括出入口、走廊、停车场等。
每个监控区域应有清晰度可调、安装稳固的摄像头。
2.视频存储:建筑行业的验收标准要求,视频监控系统应能将监控画面进行实时录像,并对录像进行周期性备份。
备份的视频存储时间要满足法律法规的要求。
3.监控画面质量:视频监控系统应确保监控画面的清晰度,以便能够准确辨识出人脸、车牌等重要信息。
同时,监控画面的颜色、对比度等参数也应保持合适,以确保画面质量的准确性。
二、入侵报警系统要求入侵报警系统是安防系统中的另一重要组成部分。
建筑行业的验收标准对入侵报警系统的要求主要有以下几个方面。
1.探测器布置:入侵报警系统中的红外探测器、门磁等设备的布置应覆盖建筑物的主要入口、窗户等潜在的安全隐患区域。
同时,设备的安装位置应合理,确保能够及时准确地检测到入侵行为。
2.报警信号输出:入侵报警系统应具备报警信号的输出功能,将报警信息及时发送给相关人员。
同时,建筑行业的验收标准要求报警系统还需配备备用电源,以应对断电等情况下的紧急情况。
3.系统集成性:入侵报警系统还需要具备与其他安防设备的集成性,如与视频监控系统、门禁系统等的无缝对接,实现联动报警。
三、门禁系统要求门禁系统是建筑行业中必不可少的一环,也是安防系统的核心部分之一。
在验收标准中,对门禁系统的要求如下:1.门禁卡管理:门禁系统应具备门禁卡的发放与管理功能,确保只有授权人员才能进入相应区域。
2.门禁记录存储:门禁系统应及时、准确地记录人员出入信息,并对记录进行存储,以备查验。
GB50394-2007入侵报警系统工程设计规范序言??2007年3月21日由公安部主编、建设部批准、建设部和国家质检总局联合发布的GB 50394-2007《入侵报警系统工程设计规范》以建设部第586号公告的形式颁布并于2007年8月1日实施。
本标准作为指导安全防范工程设计的技术规范是GB 50348—2004《安全防范工程技术规范》的配套标准也是安全防范系统工程建设的国家基础性强制标准是对GB 50348—2004标准的细化和补充。
??GB50348-2004《安全防范工程技术规范》明确了安防工程设计应遵从的基本原则、基本程序、基本内容对系统设计中所涉及的主要技术内容如系统功能性能、设备选型与安装、线缆敷设与布线等提出了具体的要求内容更加系统、全面、协调具有较强的指导意义和实用价值。
??为了更有效的指导和实施对入侵报警系统工程的检测与验收有必要对本规范进行深入细致的学习和理解只有熟知了本规范的具体内容对实际工作才能有指导意义。
总则??概述:本规范的指导思想和编写原则共有5条无强制性条文。
??1.0.1 为了规范入侵报警系统工程的设计提高入侵报警系统工程的质量保护公民人身安全和国家、集体、个人财产安全制定本规范。
解释为了适应入侵报警系统工程设计的需要规范设计行为保障我国安全防范工程领域工程设计的质量有必要制定本规范。
??1.0.2 本规范适用于以安全防范为目的的新建、改建、扩建的各类建筑物构筑物及其群体的入侵报警系统工程的设计。
解释本规范是《安全防范工程技术规范》GB50348的配套标准是对GB50348中关于入侵报警系统工程通用性设计的补充和细化。
总则??1.0.3 入侵报警系统工程的建设应与建筑及其强弱电系统的设计统一规划根据实际情况可一次建成也可分步实施。
解释由于入侵报警系统属于安全防范系统的一个子系统因此入侵报警系统工程的规划、设计、施工、检测、验收应与安全防范工程同步实施。
??1.0.4 入侵报警系统工程应具有安全性、可靠性、开放性、可扩充性和使用灵活性做到技术先进经济合理实用可靠。
入侵报警系统设置和日常使用、维护管理规定
大连万达集团股份有限公司
二〇一五年十一月
目录
一、系统技术要求错误!未定义书签。
系统概述错误!未定义书签。
系统基本要求错误!未定义书签。
联动兼容性错误!未定义书签。
接入要求错误!未定义书签。
紧急报警装置错误!未定义书签。
二、安装要求错误!未定义书签。
通用要求错误!未定义书签。
点位设置要求错误!未定义书签。
商管错误!未定义书签。
酒店错误!未定义书签。
影城错误!未定义书签。
儿童乐园错误!未定义书签。
文旅营运项目错误!未定义书签。
安装、验收流程错误!未定义书签。
设备安装错误!未定义书签。
集团检查错误!未定义书签。
三、使用管理要求错误!未定义书签。
防护区设置及撤布防时间要求错误!未定义书签。
入侵报警系统运行情况检查、维护保养要求错误!未定义书签。
四、考核错误!未定义书签。
设备故障、布防考核错误!未定义书签。
故意损坏、谎报考核错误!未定义书签。
入侵报警系统设置和日常使用、维护管理规定
入侵报警系统的建设、使用和运维,除满足国家、地方有关技术标准、规范和规定外,还须严格执行本规定要求。
一、系统技术要求
系统概述
入侵报警系统(intrusion alarm system)是用于探测设防区域的非法入侵行为并发出报警信号的电子系统或网络。
入侵报警系统应包括前端设备、传输设备和控制/显示/处理/记录设备。
前端设备包括一个或多个探测器;传输设备包括电缆或数据采集和处理器(或地址编解码器/发射接收装置);控制设备包括控制器或中央控制台,控制器/中央控制台包含控制主板、电源、声光指示、编程、记录装置以及信号通信接口等。
系统基本要求
(1)入侵报警系统中探测器与控制器之间的信号传输采用有线传输方式(特殊情况可用无线传输方式)。
(2)入侵报警系统的设计在技术上有适度超前性和互换性,为系统的增容和/或改装留有余地。
(3)入侵报警系统应能准确及时地探测入侵行为、发出报警信号;对入侵报警信号、防拆报警信号(可与入侵报警信号共用)、故障信号的来源有清楚和明显的指示,在入侵报警系统的电子地图上准确显示报警信息。
(4)入侵报警系统的响应时间应符合下列要求:任一防区报警到控制器接收到该信息并发出报警信号所需的时间不大于2s。
(5)入侵报警系统应能对下列功能进行编程设置:
a) 瞬时防区和延时防区;
b) 全部或部分防护区设置布防与撤防。
(6)系统须有备用电源,其容量至少保证系统正常工作时间大于8h。
(7)入侵报警系统有防雷击措施;系统等电位接地;单独接地电阻不大于1Ω,联合接地不大于4Ω。
(8)入侵报警系统所使用的设备,其平均无故障间隔时间(MTBF)不应小于5000 h。
联动兼容性
入侵报警系统须能与视频监控系统联动。
当与其他系统联合设计时,进行系统集成设计,各系统之间相互兼容又能独立工作。
入侵报警的优先权仅次于火警。
接入要求
(1)商管、酒店、影城、文旅营运项目各业态分别单独设置入侵报警系统。
(2)儿童乐园业态内设置的入侵报警前端设备接入商管入侵报警系统。
紧急报警装置
(1)紧急报警装置安装在隐蔽、便于操作的部位,相同区域的报警按钮及玻璃破碎可共用防区。
(2)紧急报警装置设置为不可撤防模式,并具有防误触发措施,触发报警后应能立即发出紧急报警信号并自锁,复位须采用人工操作方式。
(3)残疾人卫生间紧急报警装置应现场设有声光报警。
二、安装要求
通用要求
前端设备安装牢固,不影响美观;所防护目标的5m范围内应无盲区。
点位设置要求
酒店群内别墅型或独立别墅型建筑
安装、验收流程
设备安装
各项目公司应按模块化节点时间要求完成入侵报警系统的安装、调试及与慧云系统的对接。
项目公司组织填写《入侵报警系统验收确认表》,并经营运系统各公司(影城除外)签确。
集团检查
集团安全监督部、系统总部安全监督部门在开业日/试营业/排练日前、日常检查时,对入侵报警系统进行检查。
三、使用管理要求
防护区设置及撤布防时间要求
(1)地方公司根据本规定,结合物业特点进行防护区设置;室内步行街公共区域防护区设置应按区域划分,不得因为闭店后施工造成整个公共区无法布防。
(2)地方公司应针对每个防护区制定明确的撤布防时间表,并严格按时间表要求对各个防护区进行撤布防操作。
入侵报警系统运行情况检查、维护保养要求
(1)地方公司工程管理部门应定期对入侵报警控制器及图文系统进行检查,查看报警、撤布防功能、提示音、提示灯、电子地图显示等功能是否正常,是否存在故障点位(检查内容详见表1:入侵报警系统运行情况检查要求);发现问题应立即组织维修,并主动填报安全管理信息系统,故障修复不得超过15天。
(2)地方公司应定期组织对入侵报警系统前端点位进行报警功能抽测,并确保每季度全覆盖检测一遍。
(3)地方公司应定期组织对入侵报警系统进行维护保养,维护保养内容参见但不限于表2(入侵报警系统维护保养要求)的各项内容。
设备故障、布防考核
故意损坏、谎报考核
故意损坏入侵报警设备、谎报设备故障的,一经发现,对地方公司按照重大隐患进行处罚,对当事人解除劳动关系处理。