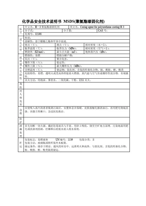
固化剂(MSDS)
- 格式:doc
- 大小:93.00 KB
- 文档页数:3
急救电话门卫厂内急救EHS当心火灾—易燃物质紧急联系电话皮肤接触: 先脱去污染衣物,用大量水冲洗,至少 15 分钟,就医。
眼睛接触: 用大量水冲洗并就医诊治。
吸入: 迅速脱离现场至空气新鲜处。
保持呼吸道通畅。
如呼吸困难,给输氧。
就医。
食入: 如果进入口内,应立即漱口,饮大量牛奶或鸡蛋清,严禁催吐,急送医院救治。
危险特性:受高热分解产生有毒烟气。
有害燃烧产物:一氧化碳、二氧化碳、硫化物。
灭火方法:消防人员须戴好防毒面具,在安全距离以外,在上风向灭火。
灭火剂:雾状水、泡沫、干粉、二氧化碳、砂土。
DANGER OF FIRE-HIGHLY FLAMMABLEMATERALS危险性类别及标志应急处理防护措施消防措施危险性类别: 8.1侵入途径: 吸入、食入、经皮肤吸入。
健康危害: 能刺激眼、皮肤、黏膜造成腐蚀性灼伤。
吸入后,可引起喉、支气管的痉挛、水肿,化学性肺炎或肺水肿。
中毒表现有烧灼感、咳嗽、喘息、喉炎、气短、头痛、恶心和呕吐。
中毒表现有烧灼感,可有畏光、流泪、结膜充血,眼睑水肿或痉挛,咳嗽、喘息、喉炎、气短、头痛、恶心和呕吐。
环境危害: 该物质可能对环境有危害,应特别注意对水体的污染。
燃爆危险: 本品可燃,具腐蚀性、刺激性,可致人体灼伤。
化 学 品 危 害 告 知 卡(MSDS简化学品名称注意防护固化剂CATALYSTHARDENER 危险性概述SDS简化板)保障健康理化特性外观与性状: 浅黄色至棕红色透明液体 相对密度(水=1): 0.9-1.4 闪点(℃): 小于60°C (闭口) 溶解性: 溶于水 主要用途: 铸造用型(芯)砂粘结剂的固化剂操作处置与储存操作注意事项:操作人员必须经过专门培训,严格遵守操作规程。
建议操作人员佩戴自吸过滤式防毒面具(全面罩),穿橡胶耐酸碱服,戴橡胶耐酸碱手套。
工作现场禁止进食和饮水。
工作完毕,彻底清洗。
单独存放工作时间穿戴的工作服,洗后备用。
储存注意事项:使用塑料桶包装,要求密封,须存放在阴凉、通风良好的库房内。
第一部分 化学品及企业标识化学品中文名称: 异氰酸脂 化学品俗名或商品名: 固化剂化学品英文名称:Aliphatic polyisocyanate第二部分 成份/组成信息□ 纯品确 ■ 混合物 化学品名称:异氰酸脂主要成份 分子式分子量 含量(成分百分比)CAS NO. HDI C23H38N3O3 2W-4W 78% 28182-81-2 BACCH3COOC4H9100-20022%123-86-4第三部分 危险性概述1.危险性类别(8 大类):第 3.2 类中闪点易燃液体。
2.危害标签:3.侵入途径: 吸入、食入及经皮肤接触吸收。
4.健康危害: 会刺激黏膜, 特别是呼吸器官, 且会造成过敏反应。
吸入挥发气体与喷雾会造成敏感。
患有过敏、气喘及其它呼吸器官疾病者,不可从事与其相关之工作。
5.环境危害: 对水体和大气可造成污染。
6.燃爆危险:易燃第四部分 急救措施1.皮肤接触: 脱支污染的衣着,用肥皂及流动清水彻底洗皮肤。
2.眼睛接触: 提起眼睑,用流动清水冲洗耳恭听并就医。
3.吸入: 迅速脱离现场至空气新鲜处并保持呼吸道通畅,如出现呼吸困难及时输氧,如呼吸停止,立即进行人工呼吸并就医。
4.食入:饮足量温水,催吐并就医。
第五部分:消防措施1、危险物性 挥发物与空气可形成爆炸性混合物,遇明火、高温或与强氧化剂接触,有引起燃烧 及爆炸的危险。
2、有害燃烧产物一氧化碳、一氧化氮、异氰酸化合物气体及少量氰化氢。
灭火方法:尽可能将容器从火场移至空旷处,喷水促使火场容器冷却,直至灭火结3、灭火方法与灭火剂灭火方法:尽可能将容器从火从中移至空旷处,喷水促使火场容器冷却,灭直至火结束,处在火场中的容器若已变色或从安全泄压装置中产生声音,则必须马上撤离。
灭火剂:水雾、泡沫、干粉、二氧化碳。
4、灭火注意事项4.灭火注意事项: 救火人员需配带自携式呼吸设备。
第六部分 泄漏应急处理1.个人注意事项: 应急处理人员应戴自给正压式呼吸器,穿防静电工作服,不可直接接触泄漏物。
聚氨酯漆固化剂
1成分/组成
有害物成分:二甲苯(20-30%)、醋酸丁酯(10-30%)、异氰酸盐(30-50%)、苯(≤0.3%)2、危险性概述
危险性类别:第3.3类中闪点易燃液体
侵入途径:吸入、食入,经皮肤吸收
健康危害:高浓度挥发气体对中枢神经具有麻醉作用,可引起急性中毒,长期接触高浓度挥发气体对造血系统有损害,引起慢性中毒,对皮肤有轻微刺激。
环境危害:该物质对环境有危害,应注意对水体的污染。
燃爆危害:易燃,其蒸气与空气可形成爆炸性混合物,遇明火,高温有燃烧爆炸危险。
3、急救措施
通常情况下:在不明原因的情况下,或者患者症状持续不退,应及时就医,切忌使昏迷不醒的患者服用任何东西。
皮肤接触:脱去污染的衣着,用肥皂水及清水彻底清洗皮肤。
切忌用溶剂或稀释剂清洗。
眼睛接触:立即提起眼睑,用流动清水或生理盐水冲洗,就医。
吸入:迅速离开现场至新鲜空气处,保持呼吸畅通。
呼吸困难时给输氧,如呼吸及心跳停止,立即进行人工呼吸和心脏按摩术,就医。
食入:催吐,就医。
4、消防措施
危险特性:其蒸气与空气形成爆炸混合物,遇明火高热能引起燃烧爆炸,其蒸气比空气重,能在较低处扩散,遇火源引着回燃。
若遇高热,容器内压增大,有开裂和爆炸
的危险。
有害燃烧物:CO
灭火方法及灭火剂:二氧化碳、泡沫、干粉、沙土扑救。
(1211、1301已列入淘汰)
5、泄露危害处理
应急处理:切断火源,尽可能将泄露液收集密闭容器内,用沙土或其它惰性材料吸收残液,收集泄露物送至废物处理场所处理。
切勿使其流入下水道和水源。
6、操作处置及储存。
安全技术说明书第一部分化学品及企业标识GHS产品标识符:固化剂产品类型:液体推荐用途和限制用途:仅用于专业的车辆油漆。
供应商的详细情况:增城市瀛泽化学工业有限公司地址:增城市石滩镇长江岭边邮编:511330电话:传真:国家应急电话:0营运时间:24H第二部分危险性概述物质或混合物的分类:易燃液体 - 3急性毒性: 皮肤 - 5急性毒性: 吸入 - 4皮肤腐蚀/刺激 - 2严重眼睛损伤/眼睛刺激性- 2A呼吸或皮肤过敏——皮肤- 1危害水生环境—急性危险- 2特异性靶器官系统毒性一次接触[麻醉效应]- 3化学品分类和标记全球协调体系(GHS)标签要素危险象形标记:警示词:警告危险性说明:易燃液体和蒸气。
吸入有害。
造成皮肤刺激。
造成严重眼刺激。
可能引起昏昏欲睡或眩晕。
对水生生物有毒。
防范说明预防措施:戴防护手套。
戴防护眼镜、防护面罩。
远离热源,火花,明火,热表面。
-- 禁止吸烟。
使用防爆电气、通风、照明和所有的物料操作设备。
禁止排入环境。
事故响应:如吸入:将患者转移到空气新鲜处,休息,保持利于呼吸的体位。
如皮肤(或头发)接触:立即脱掉所有被污染的衣服。
用水冲洗皮肤或淋浴。
贮存:保持阴凉。
废弃处置:不适用不导致分类的其他危险:无资料第三部分成分/组成信息的添加剂。
职业暴露限制, 如果有的话, 列在第 8 节中。
第四部分急救措施注明必要的措施眼睛接触:立即用大量水冲洗眼睛,并不时提起上下眼睑。
检查和取出任何隐形眼镜。
冲洗至少十分钟。
寻求医疗救护。
吸入:将患者转移到空气新鲜处,休息,保持利于呼吸的体位。
如果仍怀疑有烟存在,救助者应当戴适当的面罩或独立的呼吸装置。
如沒有呼吸,呼吸不规则或呼吸停止,由受过训练的人员进行人工呼吸或给氧。
如使用嘴对嘴呼吸方法进行救助,可能会对救助者造成危险。
如有害的健康影响持续存在或加重,应寻求医疗救治。
如有必要,呼叫中毒控制中心或就医。
如失去知觉,应置于康复位置并立即寻求医疗救治。
聚氨酯固化剂-MSDS资料
一、基本信息
产品名称:聚氨酯固化剂
CAS 号:xxx
分子式:xxx
分子量:xxx
外观:液体
二、物质和成分
本品主要成分及含量:聚氨酯
三、伤害和毒性资料
1.急性毒性资料
口服毒性:本品口服毒性低,LD50值>5000mg/kg。
皮肤毒性:本品在体外实验中对水蚤具有一定的毒性,致病效应分级为II:有毒,并可能引起轻度皮肤损伤,没有慢性毒性。
眼毒性:本品进入眼睛可能引起急性致眼痛反应,可能会有轻度水肿和红肿发生,如果进一步接触可能会有轻度灼热感发生,造成眼睛的炎症和痛苦。
呼吸毒性:本品在体外实验中可能具有一定的呼吸毒性,但在实际应用过程中不易造成对呼吸道的损害,但个体可能会有过敏反应发生。
慢性毒性:本品短期内暴露聚氨酯固化剂可能导致局部皮肤刺激,长期暴露可能会引起皮肤衰老,皮肤可能会变色,出现脱屑现象,甚至出现皮肤癌。
细菌和真菌毒性:本品对细菌和真菌具有一定的抑菌作用,因此,在正确使用聚氨酯固化剂时,可以有效地降低细菌和真菌的滋生。
2.其他毒性
中毒性:本品中毒性低,即使摄入过量也不会造成中毒。
固化剂安全技术说明书MSDS安全技术说明书第一部分化学品及企业标识GHS产品标识符:固化剂产品类型:液体推荐用途和限制用途:仅用于专业的车辆油漆。
供应商的详细情况:增城市瀛泽化学工业有限公司地址:增城市石滩镇长江岭边邮编:511330电话:传真:国家应急电话:营运时间:24H第二部分危险性概述物质或混合物的分类:易燃液体 - 3急性毒性: 皮肤 - 5急性毒性: 吸入- 4皮肤腐蚀/刺激 - 2严重眼睛损伤/眼睛刺激性 - 2A呼吸或皮肤过敏——皮肤 - 1危害水生环境—急性危险 - 2特异性靶器官系统毒性一次接触 [麻醉效应]- 3化学品分类和标记全球协调体系(GHS)标签要素危险象形标记:警示词:警告危险性说明:易燃液体和蒸气。
吸入有害。
造成皮肤刺激。
造成严重眼刺激。
可能引起昏昏欲睡或眩晕。
对水生生物有毒。
防范说明预防措施:戴防护眼镜、防护面罩。
远离热源,火花,明火,热表面。
-- 禁止吸烟。
使用防爆电气、禁止排入环境。
事故响应:如吸入:将患者转移到空气新鲜处,休息,保持利于呼吸的体位。
如皮肤(或头发)接触:立即脱掉所有被污染的衣服。
用水冲洗皮肤或淋浴。
贮存:保持阴凉。
废弃处理:不适用不导致分类的其它危险:无资料第三部分成分/组成信息物质/制剂:混合物没有出现就供应商当前所知可应用的浓度,被分类为对健康或环境有害及因此需要在本节报告的添加剂。
职业暴露限制, 如果有的话, 列在第 8 节中。
第四部分急救措施注明必要的措施眼睛接触:立即用大量水冲洗眼睛,并不时提起上下眼睑。
检查和取出任何隐形眼镜。
冲洗至少十分钟。
寻求医疗救护。
吸入:将患者转移到空气新鲜处,休息,保持利于呼吸的体位。
如果仍怀疑有烟存在,救助者应当戴适当的面罩或独立的呼吸装置。
如沒有呼吸,呼吸不规则或呼吸停止,由受过训练的人员进行人工呼吸或给氧。
如使用嘴对嘴呼吸方法进行救助,可能会对救助者造成危险。
如有害的健康影响持续存在或加重,应寻求医疗救治。
1、产品鉴定产品名称:固化剂溶剂2、原料组份编号1 异氰酸2 溶剂重量(%) 50—70 40-303、危险识别有害。
易燃。
4、急救方法吸入溶剂汽体接触皮肤溅入眼睛不慎入口:将患者转移到空气新鲜处,並保持温暖和安静。
情況严重者应立即求医治疗。
:使用专用清洁布,以肥皂水沖洗。
不要使用溶剂。
污染的衣物清洗后方可使用。
如果出現不良症状,应求医治疗。
:以大量清水沖洗,如疼痛不止,应立即求医治疗。
:不要引处嘔吐,要用清水沖冼口腔,並立即求医治疗。
5、消防措施灭火器特殊危险情況消防保护設备:泡沫、二氧化碳、干粉等灭火器均可使用,除冷卻密封容器外,不要使用水。
:當温度升到一定程度或因暴露在外而接觸到火苗和火星,可能会引起爆炸。
燃烧过程可能会产生有害人体健康的分解物质。
:建议使用自带氧气呼吸装置。
6、意外泄漏防护措施人员預防环境預防清除方法:去除火源。
在转移泄出來的液体時,确保空气流通和适当的人身保护。
避免皮肤及眼睛接触。
:未经处理的物料不能排放,以免污染环境,如流入下水道或阴沟,需通知政府有关部門协助处理。
:用沙子,泥土或其他有吸收能力的物质,將泄漏物吸收,然后裝入适当的容器中,按照当地的規章制度进行处理。
操作时需使用不产生火花的工具。
7、搬運和儲存搬运储存:在搬运时,不要破坏容器。
确保储存所用之容器和运送設备接地。
杜绝火焰和任何火源。
确保处理现场通风良好。
:罐蓋要盖紧,存放在涼爽干燥处。
同時本产品应放在小孩接触不到的地方。
8、暴露控制/人身防護职业暴露限度(OEL) 呼吸保护手防护皮肤防护眼睛防护:8小時內允許空气浓度– 100ppm,10分钟內最高– 150ppm。
:正常的工作环境应有适当的空气流通和能及時排出的溶劑蒸汽,如果蒸汽浓度超过规定限度,使用呼吸裝置提供适当的新鮮空气。
:配戴聚氯乙烯、丁睛橡膠、聚氨脂或其它适宜材料制成的手套。
:穿着适当的防护服裝,脫去已污染的衣服,以避免接触到皮肤。
:配戴护目镜或有側面保护的安全镜。
聚氨酯固化剂MSDS第一部分化学品及企业标识化学品中文名:聚氨酯固化剂化学品英文名:PU-Curing agent生产企业名称:地址: 邮编:电子邮件地址:技术说明书编码: 登记号:生效日期: 传真号码:企业应急电话:第二部分成分/组成信息纯品混合物有害物成分浓度CAS No.甲苯-2,4-二异氰酸酯<0.5% 584-84-9乙酯40-60% 141-78-6第三部分危险性概述危险性类别:第6.1类毒害品侵入途径:吸入、食入、经皮吸收健康危害:本品具有明显的刺激和致敏作用。
高浓度接触直接损害呼吸道粘膜,发生喘息性支气管炎,表现有咽喉干燥、剧咳、胸痛、呼吸困难等。
重者缺氧、紫绀、昏迷。
可引起肺炎和肺水肿。
蒸气或雾对眼有刺激性;液体溅入眼内,可能引起角膜损伤。
液体对皮肤有刺激作用,引起皮炎。
口服能引起消化道的刺激和腐蚀。
慢性影响:反复接触本品,能引起过敏性哮喘。
长期低浓度接触,呼吸功能可受到影响。
环境危害:燃爆危险:本品可燃,有毒,具刺激性,具致敏性。
第四部分急救措施皮肤接触:脱去污染的衣着,用大量流动清水冲洗。
眼睛接触:立即提起眼睑,用大量流动清水或生理盐水彻底冲洗至少15分钟。
就医。
吸入:迅速脱离现场至空气新鲜处。
保持呼吸道通畅。
如呼吸困难,给输氧。
如呼吸停止,立即进行人工呼吸。
就医。
食入:用水漱口,给饮牛奶或蛋清。
就医。
第五部分消防措施危险特性:遇明火、高热可燃。
与氧化剂可发生反应。
与胺类、醇、碱类和温水反应剧烈,能引起燃烧或爆炸。
加热或燃烧时可分解生成有毒气体。
其蒸气比空气重,能在较低处扩散到相当远的地方,遇火源会着火回燃。
若遇高热,容器内压增大,有开裂和爆炸的危险。
有害燃烧产物:一氧化碳、二氧化碳、氧化氮、氰化氢。
灭火方法:消防人员须佩戴防毒面具、穿全身消防服,在上风向灭火。
尽可能将容器从火场移至空旷处。
喷水保持火场容器冷却,直至灭火结束。
处在火场中的容器若已变色或从安全泄压装置中产生声音,必须马上撤离。
NO: MSDS-T019-I化学品中文名称化学品俗名或商品名化学品英文名称企业名称地址企业应急信息技术说明书编码生效日期纯品混合物化学品名称有害成分浓度 / 浓度范围甲基四氢苯酐分子量甲基四氢苯酐分子式含量侵入途径健康危害环境危害燃爆危险眼睛接触皮肤接触吸入食入危险特性有害燃烧产物灭火方法及灭火剂应急处理固化剂 8203B( 甲基四氢邻苯二甲酸酐)甲基四氢苯酐Methylt etrahydropthalic anhydride广州市中国 . 广东省广州市电话: 0086-20-NN/QY/MSDS0022010年9月 1日不是是甲基四氢邻苯二甲酸酐无标准甲基四氢: 43%SiO2:57%166.17C9H1003CAS No.吸入、食入、眼睛、皮肤接触。
对皮肤有腐蚀作用,对眼膜、呼吸道有刺激作用。
低毒,对环境危害不大。
高热有燃烧危险。
立即翻开眼睑,用流动的清水或生理盐水冲洗,至少15 分钟,就医。
立即脱去污染的衣着,用肥皂水及清水彻底冲洗皮肤,至少15分钟,就医。
迅速脱离现场至空气新鲜处。
严重时进行人工呼吸。
就医。
立及催吐,立即就医。
高热能引起燃烧一氧化碳( CO)。
使用个人防护装备;灭火剂:可用泡沫、水、二氧化碳、干粉灭火器扑救。
灭火注意事项:未佩戴防护用品不得进入火灾区域。
人员安全防护:可能燃烧,防止原料溅出过程中的一切与身体接触的情况;清理大量泄漏物时,要仔细分析;在安全情况下,切断泄漏源。
环境保护措施:用沙子、泥土和其它不燃的物质覆盖统一处理,以防产品流入下水道、水沟和河流;禁止污染土壤和水体。
泄漏处理:小量泄漏:穿戴规定的防护服,正常操作,用沙子、泥土或溢出吸收物吸收或取出液体;放置于有标签的密封容器中,以备以后的安全处理;大量泄漏时,构筑围堤,挖坑收容后处理掉。
操作处置注意事项操作人员必须严格遵守操作规程,建议操作人员戴防腐手套、穿工作服、防止皮肤接触。
远离火种、热源、工作场所严禁吸烟。
聚氨酯固化剂MSDS第一部分化学品及企业标识化学品中文名:聚氨酯固化剂化学品英文名:PU-Curing agent生产企业名称:地址: 邮编:电子地址:技术说明书编码: 登记号:生效日期: 传真:企业应急:第二部分成分/组成信息纯品混合物有害物成分浓度CAS No.甲苯-2,4-二异氰酸酯<0.5% 584-84-9乙酯40-60% 141-78-6第三部分危险性概述危险性类别:第6.1类毒害品侵入途径:吸入、食入、经皮吸收健康危害:本品具有明显的刺激和致敏作用。
高浓度接触直接损害呼吸道粘膜,发生喘息性支气管炎,表现有咽喉干燥、剧咳、胸痛、呼吸困难等。
重者缺氧、紫绀、昏迷。
可引起肺炎和肺水肿。
蒸气或雾对眼有刺激性;液体溅入眼,可能引起角膜损伤。
液体对皮肤有刺激作用,引起皮炎。
口服能引起消化道的刺激和腐蚀。
慢性影响:反复接触本品,能引起过敏性哮喘。
长期低浓度接触,呼吸功能可受到影响。
环境危害:燃爆危险:本品可燃,有毒,具刺激性,具致敏性。
第四部分急救措施皮肤接触:脱去污染的衣着,用大量流动清水冲洗。
眼睛接触:立即提起眼睑,用大量流动清水或生理盐水彻底冲洗至少15分钟。
就医。
吸入:迅速脱离现场至空气新鲜处。
保持呼吸道通畅。
如呼吸困难,给输氧。
如呼吸停止,立即进行人工呼吸。
就医。
食入:用水漱口,给饮牛奶或蛋清。
就医。
第五部分消防措施危险特性:遇明火、高热可燃。
与氧化剂可发生反应。
与胺类、醇、碱类和温水反应剧烈,能引起燃烧或爆炸。
加热或燃烧时可分解生成有毒气体。
其蒸气比空气重,能在较低处扩散到相当远的地方,遇火源会着火回燃。
若遇高热,容器压增大,有开裂和爆炸的危险。
有害燃烧产物:一氧化碳、二氧化碳、氧化氮、氰化氢。
灭火方法:消防人员须佩戴防毒面具、穿全身消防服,在上风向灭火。
尽可能将容器从火场移至空旷处。
喷水保持火场容器冷却,直至灭火结束。
处在火场中的容器若已变色或从安全泄压装置中产生声音,必须马上撤离。