光伏电站基础选型比较
- 格式:pdf
- 大小:348.18 KB
- 文档页数:5
地面光伏电站支架基础选型与设计摘要:支护基础设计时,应根据上部支架结构形式及地质条件,结合施工条件合理选型。
还需考虑现场实际情况,根据支架基础实际受力状态确定计算模型,在保证安全的同时合理优化设计。
关键词:光伏电站;支架基础;选型;设计光伏支架基础是将安装光伏组件的支架结构所承受作用转移到地基结构组成部分。
与建筑结构基础相比,光伏电站支架基础承受荷载小,设计和施工难度不大。
然而,数量大,安全性和经济性对整个项目有着重大影响。
支架基础的选型和设计应考虑工程地质条件、水文条件、上部支架结构类型、荷载条件、施工工艺,并根据工期要求及当地经验优化调整。
一、光伏支架基础受力特性光伏支架基础所承受力因不同环境条件而有所不同,一般通过上部光伏支架传导到基础上,光伏支架作为光伏组件中主要结构支撑,其本身及组件自重小,但组件面积却较大,承受大部分风雪荷载,且载荷作用方向因环境改变而不断变化,所以支架传至基础反作用力在面对顺风及逆风作用时方向相反,支架基础在设计时需结合实际状况来满足不同环境下支架传至基础的作用力与反作用力。
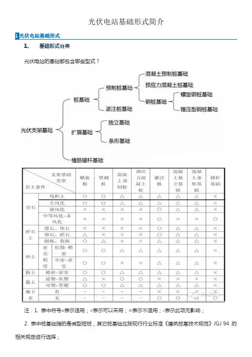
二、光伏支架基础形式1、扩展式基础。
扩展式基础有两种类型:独立、条形基础。
通常使用现浇混凝土,若现场浇筑不便或在冬季施工期间,也可考虑工厂预制,减少现场湿作业及养护。
其底面积大、基底压力小、刚度大、整体性好,对地基沉降变形具有良好适应性,适用于压缩模量小、承载力低的软弱土地区、采煤塌陷区、湿陷性黄土地区、新回填的欠固结土等特殊地质条件。
然而,扩展式基础需开挖土方,工程量大,造价高;破坏地表植被与形貌,不利于生态环保;地下水位高的地区施工困难,所以在地面光伏电站的使用较少。
2、桩基础。
其包括混凝土灌注桩、混凝土预制桩、钢桩等基础,是应用最广泛支架基础形式。
光伏支架采用桩基架时,一般不设承台,支撑立柱通过插接、焊接、预埋螺栓、法兰盘等形式与基础连接,或直接采用桩柱一体化形式。
灌注桩基础采用机械成孔,施工方便,人工少,对地表土破坏和扰动小,可穿透坚硬土层。
光伏电站设备选型标准光伏电站是利用光能将其转化为电能的设施,其核心设备是太阳能电池板。
然而,光伏电站不仅仅包含太阳能电池板,还需要一系列的辅助设备来确保光伏系统的高效运行和可靠性。
在进行光伏电站设备选型时,我们需要考虑一系列的因素和标准。
以下是一些相关参考内容。
1. 输出功率:光伏电站的输出功率是一个重要的指标。
输出功率直接关系到光伏电站的发电能力和收益。
因此,我们需要选取具有高效率的太阳能电池板来确保光伏电站的高出力。
2. 组件寿命和可靠性:光伏电站需要长期运行,因此组件的寿命和可靠性非常重要。
我们需要选择那些具有较长寿命和良好可靠性的太阳能电池板。
此外,其他辅助设备如逆变器、电池储能系统和传输线路等也需要具有高可靠性,以确保光伏电站的稳定运行。
3. 效率:选取高效的设备对于提高光伏电站的发电效率至关重要。
太阳能电池板的转换效率越高,光能转化为电能的效率就越高。
同样地,其他辅助设备的效率也应该尽可能高,以减少能量损失。
4. 逆变器效能:逆变器是光伏电站中的一个重要设备,负责将太阳能电池板产生的直流电转化为交流电。
逆变器的效能直接关系到光伏电站的发电效率和稳定性。
因此,我们需要选择具有高效能和稳定性的逆变器。
5. 环境影响:光伏电站应该能够对环境产生最小的负面影响。
在设备选型时,我们需要考虑各个设备的环境友好程度,例如,材料的可再生性、降解速率以及废弃物处理等。
6. 适应性:光伏电站设备应能适应各种场地环境、天气条件和电力需求。
设备应该具备防尘、防水、防腐蚀和耐候性等特性,能够在不同的气候和环境条件下保持较好的运行表现。
7. 维护和管理:光伏电站的设备需要进行定期维护和管理来保持其高效运行。
因此,我们需要选择易于维护和管理的设备,以减少维护成本和时间。
8. 价格和性价比:设备的价格是影响选型的一个重要考虑因素。
我们需要综合考虑设备的价格、性能和质量,以选择价格合理且性价比较高的设备。
综上所述,光伏电站设备的选型需要考虑输出功率、组件寿命和可靠性、效率、逆变器效能、环境影响、适应性、维护和管理以及价格和性价比等因素。
山地光伏电站支架基础类型分析及选型分析摘要:近些年来说我国的光伏行业有了飞速房发展,山地光伏电站建设规模不断增加,山地光伏电站支架基础情况直接影响着整个光伏电站的施工进度、施工成本以及整体稳定性等,所以需要加强山地光伏电站支架基础的分析,选择出最合适的类型,确保光伏电站的顺利建设。
本文主要分析了山地光伏电站支架基础类型,同时以某案例分析了其选型方式,希望能够对相关人士有所帮助。
关键词:山地光伏电站;支架;选型1山地光伏电站支架基础类型分析(1)钢制螺旋地锚基础第一,基础型式以及尺寸。
在钢制地锚钢管上按照相应螺距以及倾角焊接叶片而形成螺旋状的桩体。
为了确保基础的有效性,要确保地锚钢管壁厚在4mm 以上,并且螺旋叶片厚度要在5mm以上,外伸宽度要在20mm以上。
第二,所用材料以及制造工艺。
为了有效延长螺旋桩使用寿命,对桩身实施热镀锌防腐。
另外,桩身需要经过多重工序(包括切割—加热—缩管—螺旋片焊接—冲孔—镀锌等)施工,具有较高可靠性。
第三,适用范围。
主要利用打桩机对桩头施加扭矩来形成向下的成桩力,能够大大提升单桩承载力。
压桩之后能够形成非常强的稳定性和高负荷性,同时具有较强抗拉拔性。
此种桩体比较适合用于砂土、砂砾、粘土等等表层土,并且含有30%岩屑,砾石直径在60mm以下。
第四,此种基础施工速度较快,并且噪音较低,施工较为方便,随时按照施工进程进行人员的增减。
由于直接和地基土进行接触,需要较强的防腐性,所以桩身价格相对较高。
但是此种基础机械化施工成本相对较小,无需现场进行混凝土浇筑,人工成本相对较低。
(2)机械成孔钢管地锚基础第一,基础型式以及尺寸。
机械成孔钢管地锚的形式如图1所示,受到成孔设备的影响,桩芯的直径一般控制在90-150mm范围内,一般情况下桩身的成孔深度都在2m以内。
图1 机械成孔钢管地锚基础示意图第二,材料以及制造工艺分析。
该桩身通过素混凝土浇筑而成,并且在桩身内部设置镀锌钢管,确保其和桩身进行有效锚固。
光伏电站支架基础型式对比分析及选型探讨摘要:随着光伏电站建设数量的增多与建设速度的加快,光伏电站的建设用地也不再局限于荒漠地区,在沿海区域的滩涂鱼塘、各大型煤矿的废弃矿场、高山山地及石漠化地区,也建有多座并网光伏电站。
然而光伏电站占地面积大,在同一场区内,地形、地质条件也具有多样性及复杂性。
我国光伏电站建设初期主要集中在荒漠地区,因此,光伏支架的基础主要参照建筑相关规范进行设计,主要采用独立基础及条形基础。
本文对光伏电站建设中不同光伏支架基础形式进行技术对比分析。
关键词:光伏;支架基础;对比分析在全球能源供应紧张和环境保护压力日益加大的情况下,人类社会的可持续发展受到了巨大挑战,尽快改变过度依赖化石燃料的能源结构,发展和利用清洁而安全的太阳能、风能、生物质能等可再生能源成为经济和社会发展的必由之路。
同时光伏发电应用模式也不断创新,除传统的大型地面光伏电站、分布式光伏、屋顶光伏外,水光互补、风光互补等新型复合电站,探索了水电、风电和光伏电站协调运行、联合调度的创新模式;与生态农业相结合的光伏农业大棚、渔光互补电站逐渐成为市场热点;集荒山荒坡治理、煤矿采空区治理和沙漠化治理等于一体,把生态恢复与光伏发电相结合的项目也不断推陈出新。
一、光伏支架基础受力特性光伏支架基础所承受的力是由上部光伏支架传到基础上,而光伏支架是光伏组件的支撑结构,支架及组件本身自重很小;但因组件面积较大,其承受的主要荷载为风、雪荷载,且风荷载作用方向不断变化,因此,支架传至基础的反作用力在顺风和逆风的条件下作用方向相反,基础设计时需考虑满足不同工况下支架传至基础的反作用力。
二、不同支架基础形式特点及适用条件对比分析对光伏支架基础的受力特点,采用不同的基础形式其设计计算方法与施工工艺不同。
对同一场址而言,地质条件的差异对基础设计参数的选取影响很大。
以下介绍几种常用的支架基础形式的特点及使用条件。
1、混凝土独立基础。
混凝土独立基础因其结构形式简单、受力明确,在早期光伏电站建设过程中被广泛使用。
农光互补光伏电站支架基础结构选型对比分析“农光互补”光伏电站以其特有的结构和功能正逐步成为国内光电新能源项目的重要组成部分。
本文以广西某150MWp农光互补光伏项目为例,对常用桩基础结构的承载力、地质条件适用性、桩身质量控制、运维需求、施工工序、施工成本等因素进行了比较分析;结合项目特点,通过对比分析选择了最优的结构型式。
本方法可为类似的工程项目结构选型提供参考。
在当前“碳达峰、碳中和”大背景下,积极推动以光伏发电为代表的绿色能源对于调整能源结构具有积极的意义。
随着光伏技术的不断提高以及土地政策性的调控紧缩,近年来以“农光互补”为代表的新型光伏电站逐步成为国内光伏发电市场的主力军。
“农光互补”光伏电站兼具了光伏发电与农业种植的需求,其工程结构与常规光伏电站相比有较大的区别,其中光伏立柱基础的合理选型是“农光互补”光伏电站成功的标志之一,也是承载力、农业种植条件及施工可行性的焦点内容。
“农光互补”光伏电站具有占地面积大,地质结构复杂的特点,合理进行桩基础结构选型对于项目实施及成本管理具有决定性的作用。
为此,本文通过具体项目案例,结合不同桩基础结构特点进行分析,为“农光互补”桩基础结构选型提供一种思路。
1.工程概况某150MWp农光互补项目位于广西,工程占地面积190.5万m²,光伏支架采用单立柱(桩基础+固定支架)结构形式(见图1),光伏系统最低点距离地面高度不小于2.5m,设计桩基础数量约8.4万根。
项目建成后,在25年寿命周期内,每年年均发电量约为183608.03MWh,相当于每年节约标准煤消耗5.06万t,减排碳排放13.5万t,是中国西南地区较大的光伏电站。
本项目属孤峰平原地貌,自然边坡坡度在5°~30°,场地上部覆盖土层主要为耕土,地表普遍可见石灰岩出露,局部地段出露密集成片分布。
地勘资料显示,本项目各土层分布如下:第一层是耕土,成分主要为黏性土,层厚0.20m~0.50m;第二层为局部红黏土,零星分布于拟建项目地表;大部分为较完整灰岩,样品抗压强度平均值39.1MPa,岩体基本质量等级为Ⅲ级,岩体完整程度属较完整。
根据当地的地质情况判断地下水对钢筋混泥土结构的腐蚀程度。
对弱腐蚀地区,地下水位以下采用表面涂刷防腐蚀涂层等措施;对高腐蚀地区,地下水位以下采用抗硫酸盐硅酸盐水泥、掺入抗硫酸盐的外加剂、掺入钢筋阻锈剂、掺入矿物掺合料,表面涂刷防腐蚀涂层等措施。
(二)支架系统的选择目前,国内光伏电站主要采用最佳倾角固定式、水平单轴跟踪式、斜单轴跟踪式及双轴跟踪式等支架系统。
固定式安装支架成本相对较低,制造工艺简单、生产周期短,安装难度小,且支架系统基本免维护。
固定式支架系统占地面积相对较小,且支架系统基本免维护。
固定式支架系统占地面积相对较小;自动跟踪式成本较高,制造工艺较高,跟踪电机易损坏,运行不稳定,特别是湿度较大的场所维护、维修量较大。
为避免遮挡,跟踪式支架系统阵列之间前后左右的间距较大,约提高了50%的占地面积,加大了投资成本,但发电量较最佳倾角固定式相比有较大的提高,理论计算在20%~30%左右。
目前,某地已投入运行的跟踪式支架系统逻辑运行更简单,更可靠,是值得借鉴的。
因此,应从地形条件、占地面积、运行可靠性、设备价格、建成后维护费用、故障率以及发电效益等方面综合分析。
对“渔光互补”、沿海滩涂等湿度较大的地方不建议采用自动跟踪式系统,因为自动跟踪式系统支架基础主要为钢筋混泥土条形基础,在鱼塘、藕塘、滩涂上不易施工,而且湿度大,电机容易受潮烧毁,且维修不方便。
四、汇流箱设计及安装大、中型并网光伏电站,通常根据阵列的排布选用两种规格的汇流箱,即12进1出和16进1出或者两种规格搭配。
设计时应优先选用回路多的。
汇流箱应具有切除故障电流的功能,进线侧采用光伏专用直流熔断器保护,出线侧一般采用直流低压塑壳开关保护,出线侧不建议采用熔断器保护。
汇流箱应配有光伏专用浪涌保护器,正负极应有具备防雷功能。
汇流箱内应配有监测装置,具有通信接口,可以实时监测并上传各进线分支的直流电流、输出总电流、母线电压及总输出功率、各分支熔断器与直流低压塑壳开关的状态,及各进线分支异常报警灯。
光伏发电站设计规范组件选型与布局原则光伏发电站的设计规范是确保光伏发电系统能够正常运行和高效发电的关键因素之一。
在光伏发电站的设计中,组件的选型和布局原则至关重要。
本文将详细介绍光伏发电站设计中组件选型与布局的相关原则。
一、组件选型1. 高效率组件选型在光伏发电站设计中,应优先选用高效率的组件。
组件的效率直接影响到整个发电系统的发电量。
选择高效率的组件不仅可以提高光伏发电系统的发电效率,还可以降低系统建设和运维成本。
因此,在选型过程中应该比较不同品牌和型号的组件,选择效率最高的组件。
2. 质量可靠组件选型光伏发电站建设是长期投资,因此在组件选型中要考虑质量可靠性。
应选择经过长期运行验证且有较好口碑的厂商和品牌,确保组件的质量可靠,降低故障发生的可能性。
此外,还应结合供应商的售后服务能力进行综合评估。
3. 适应性强的组件选型光伏发电站通常会面临各种不同的环境条件,如高温、低温、高海拔、风沙等。
在组件选型时,要选择适应性强的组件,能够在不同环境条件下稳定运行并保持较高的发电效率。
一般来说,应选择通过相关环境测试认证和具有良好抗压、防水、防尘性能的组件。
二、组件布局原则1. 布局方向一致性光伏发电站中的组件布局应保持方向一致性,即组件的朝向应一致。
这样可以最大程度地利用太阳能资源,提高光伏发电系统的发电效率。
在布局时要考虑站址的地形、建筑物遮挡等因素,合理安排组件的布局方向。
2. 避免阴影遮挡阴影遮挡会降低光伏组件的发电效率,因此在组件的布局中要避免阴影遮挡。
可以采用合理的间距和高度安排来减少组件之间的相互遮挡,提高整个发电系统的发电效率。
3. 布局密度合理组件布局的密度会影响到光伏发电系统的发电量和功率密度。
在组件布局中,要根据光伏电池板的尺寸、最佳太阳照度、安全间距等因素,合理安排组件的布局密度,以获得最大的发电量和功率密度。
4. 电缆布线规范在组件布局中,电缆布线也非常重要。
应采用符合规范的电缆布线方式,避免电缆的交叉和错综复杂,减少线损和故障发生的可能性。
光伏电站设备选型与配置方案声明:本文内容信息来源于公开渠道,对文中内容的准确性、完整性、及时性或可靠性不作任何保证。
本文内容仅供参考与学习交流使用,不构成相关领域的建议和依据。
一、关键设备性能参数比较与选择在光伏电站项目中,设备选型与配置方案是项目成功的关键因素之一。
特别是关键设备的性能参数比较与选择,对于电站的长期稳定运行、发电效率及投资回报具有重要影响。
(一)光伏组件性能参数比较与选择光伏组件是光伏电站的核心设备,其性能参数直接影响电站的发电效率。
在选择光伏组件时,应重点关注以下几个性能参数:1、转换效率:即光伏组件将太阳能转换为电能的效率。
高效率的组件可以在相同的日照条件下产生更多的电能。
2、温度系数:光伏组件的发电效率受温度影响,温度系数反映了组件在不同温度下的性能表现。
选择温度系数较低的组件有助于减少高温环境下的性能损失。
3、耐候性:光伏组件应具有良好的耐候性,能够在各种恶劣环境条件下保持稳定的性能。
(二)逆变器性能参数比较与选择逆变器是将光伏组件产生的直流电转换为交流电的关键设备。
在选择逆变器时,应关注以下性能参数:1、转换效率:逆变器的转换效率直接影响电站的整体发电效率。
高效率的逆变器可以减少能量转换过程中的损失。
2、最大功率点跟踪(MPPT)范围:MPPT是逆变器优化光伏组件发电效率的关键技术。
选择具有宽MPpT范围的逆变器可以适应不同光照和温度条件下的组件性能变化。
3、可靠性:逆变器是光伏电站中的关键设备,其可靠性对于电站的长期稳定运行至关重要。
应选择经过严格测试和验证的高可靠性逆变器产品。
(三)支架系统性能参数比较与选择支架系统是支撑光伏组件并使其保持最佳倾角和朝向的重要设备。
在选择支架系统时,应关注以下性能参数:1、结构强度:支架系统应具有足够的结构强度,以承受风、雪等外力作用,确保光伏组件的安全和稳定。
2、耐候性:支架系统应具有良好的耐候性,能够抵抗紫外线、氧化等环境因素的影响,保持长期的稳定性和安全性。
光伏桩基础选用依据
选择光伏桩基础的依据涉及多方面因素,包括地质条件、气候
环境、工程要求和经济成本等。
以下是一些主要的选用依据:
1. 地质条件,地质勘察是选择光伏桩基础的首要依据。
地质勘
察包括地层、土质、地下水位等信息的调查,这些信息对于确定桩
基的类型和长度至关重要。
例如,软土地区可能需要较长的桩基来
承受荷载,而岩石地区可能需要特殊的桩基设计来应对岩石的特性。
2. 气候环境,气候条件对于光伏桩基础的选用也有重要影响。
例如,在台风频发的地区,需要考虑风荷载对桩基的影响;在寒冷
地区,需要考虑地基冻胀对桩基的影响。
3. 工程要求,包括建筑物的荷载要求、变形要求等。
根据光伏
设备的重量和布置方式,以及建筑物的使用要求,确定桩基的承载
能力和变形限制。
4. 经济成本,桩基的选用还需要考虑经济成本。
不同类型的桩
基造价不同,需要综合考虑工程投资和后期维护成本,选择经济合
理的桩基类型。
总的来说,选择光伏桩基础的依据是综合考虑地质条件、气候环境、工程要求和经济成本等多方面因素,以确保桩基在使用过程中具有良好的稳定性和经济性。
光伏电站设备选型标准应考虑多个因素,包括电站规模、地理位置、气候条件、电网要求、经济性等。
以下是一些关键的设备选型标准:1. 光伏电池板(PVC):电池板是光伏电站的核心设备,其性能直接影响电站的发电效率和寿命。
在选择电池板时,应考虑制造商的声誉、产品质量、质保期限、生产工艺、功率输出、转换效率、耐候性、颜色等因素。
一般来说,晶体硅电池板在性能和性价比方面表现较好,而薄膜电池板在小型户用光伏系统中应用较多。
根据电站的地理位置和气候条件,应选择适合当地环境条件的电池板,例如在高纬度地区应选择抗冰雹等自然灾害能力较强的电池板。
2. 逆变器(Inverter):逆变器是将直流电转换为交流电的设备,是光伏电站的重要控制和保护设备。
在选择逆变器时,应考虑功率等级、转换效率、噪声水平、热管理、体积、可靠性、认证等因素。
此外,还应考虑逆变器的输入特性,即电池板的最大功率输出特性,选择合适的逆变器以充分利用电站的发电潜力。
在选择逆变器品牌时,应考虑其市场份额、技术实力、售后服务等因素。
3. 配电柜(Distribution Cabinet):配电柜是光伏电站的电能分配和保护设备,包括直流汇流箱、交流配电柜等。
应根据电站的规模和需求选择合适的配电设备,确保电能分配的合理性和安全性。
在选择配电设备时,应考虑其结构、电气性能、防护等级、噪声水平等因素。
此外,还应考虑设备的兼容性,确保电站系统稳定运行。
4. 电缆(Cables):电缆是光伏电站的传输介质,包括直流电缆和交流电缆。
在选择电缆时,应考虑电缆的规格、绝缘材料、线径、耐压等级、温度等级等因素。
此外,还应考虑电缆的敷设方式,如架空或地下敷设,以确保电缆的安全和稳定运行。
5. 监控系统(Monitoring System):监控系统是光伏电站的重要辅助设备,用于实时监测电站的运行状态和发电数据。
在选择监控系统时,应考虑其功能、稳定性、可靠性、易用性等因素。
此外,还应考虑系统的安全性,确保电站数据的安全性和保密性。
光伏阵列选型与布局设计光伏阵列选型与布局设计是在光伏电站建设过程中非常重要的一环。
正确的选型和布局设计可以最大化光伏系统的发电效率,并且确保系统的可靠性和可持续性。
本文将介绍光伏阵列的选型和布局设计的主要考虑因素,并给出一些建议。
一、光伏阵列选型1. 光伏电池类型:在光伏电池的选择过程中,常见的有单晶硅、多晶硅和薄膜太阳能电池。
单晶硅具有较高的转换效率和较低的温度系数,适用于高温环境;多晶硅的成本相对较低,适合大规模应用;薄膜太阳能电池适用于柔性光伏系统。
根据项目的需求和预算,选择合适的光伏电池类型。
2. 安装方式:主要有固定式安装和可调式安装两种方式。
固定式安装适用于安装面积相对稳定的光伏电站,简单经济;可调式安装适用于山地、水体等复杂地形,可根据太阳光的角度进行调整,提高发电效率。
3. 接地方式:选用合适的接地方式有助于减少火灾等安全事故的发生。
一般可选择通过垂直接地或水平接地两种方式进行接地,根据项目所在地的地质条件和电网规定,选择适合的接地方式。
4. 支架类型:光伏电池的支架类型有固定支架和追踪支架两种。
固定支架适用于固定安装的光伏电站,成本较低;追踪支架根据太阳位置变化实时调整光伏板的角度,提高发电效率,但成本相对较高。
二、光伏阵列布局设计1. 天象条件与地理位置:首先需要确定项目所在地的经纬度、海拔高度、气象条件等天文地理数据。
这些信息对光伏阵列的布局设计非常重要,包括确定光伏板的倾角、朝向和间距等。
2. 遮挡物分析:在光伏阵列布局设计过程中,遮挡物的存在会降低太阳光到达光伏板的能量,进而影响发电效率。
因此,需要对周围现有建筑、树木、山体等进行遮挡物分析,并在布局设计中避免或减少遮挡物的影响。
3. 布局设计优化:通过合理的布局设计,可以提高光伏系统的发电效率。
优化布局设计可包括确定最佳的光伏板朝向、间距和倾角,确保光伏板能够最大限度地接收太阳光能,并避免相互阴影。
4. 电网连接和输电线路设计:考虑到光伏电站的发电功率,需要合理规划电网连接和输电线路的设计。
戈壁滩地区某光伏电站支架基础方案选型及分析摘要:结合戈壁滩地区某光伏电站项目建设场址的岩土工程地质条件和地理环境,提出了螺旋钢管桩、混凝土灌注桩、和钢筋混凝土条形基础等多种光伏支架基础设计方案,通过比选分析各方案的适用条件和优缺点,最终选取螺旋钢管桩基础方案,促使该项目支架基础投资达到既经济又安全的目标。
关键词:戈壁滩;光伏电站;支架基础;螺旋钢管桩0 引言光伏电站的建设替代燃煤电厂的建设,可达到充分利用可再生能源、节约不再生化石资源的目的,将大大减少对环境的污染,同时还可节约大量淡水资源,对改善大气环境有积极的作用。
国家能源局统计数据显示,2017年中国光伏发电新增装机53.06GW,其中,光伏电站33.62GW,同比增长11%。
截至2017年12月底,全国光伏发电累计装机达到130.25GW。
2017年的新增装机还是2016年的1.5倍、2015年的3.5倍、2014年的5陪和2013年的4倍,由此可见2017年光伏新增装机出现了大幅快速增长。
随着我国光伏电站装机容量的持续快速增长和西北部地区的光伏限电问题日益突出,地理位置和地形条件较好土地资源正在逐年减少,可供光伏电站使用的建设场地一般都是戈壁滩、山地等特殊复杂地形,这种情况下对支架结构及其基础的设计要求越来越高。
本文以戈壁滩地形条件下某大型光伏电站基础设计为例,选取单个光伏支架分别按螺旋钢管桩、钢筋混凝土灌注桩和钢筋混凝土条形基础进行方案分析比选。
1 项目概况本光伏电站项目场址区位于张掖市甘州区,距张掖市区20km,海拔高程约1700m,项目总装机容量30MWp,太阳能电池阵列由28个1.1MWp子方阵组成,每个子方阵均由若干路太阳能电池组串并联而成。
1.1 站址地理环境拟建场址区场地开阔,总体地势平坦,略微从西南向东北倾斜,倾角约1°。
场地地貌单元属洪积堆积的荒漠戈壁,地表分布少量冲沟,一般深度0.2~1.0m不等,宽度0.5~10.0m之间,整体地形完整。
光伏基础选型综述摘要:本文针对屋顶、地面、水面等多种光伏形式特点,结合作者参与的多个实际项目方案编制中的经验,对光伏支架基础的选型流程进行总结与综述,为后续相关项目提供参考。
1 引言近年来,随着技术成熟、成本降低以及国家“双碳”政策的落地,各地光伏项目逐渐增多。
针对项目场址形式,光伏支架基础形式主要包括屋面连接固定、混凝土配重块基础、漂浮式基础、桩基础等几种。
2直接连接或配重块基础屋面光伏的固定形式分为连接件固定、附加结构固定、混凝土配重块等。
对于采用直立锁边或角驰型压型钢板的轻钢屋面、预留埋件的混凝土平屋面,或承载力较低的屋面,如轻钢结构屋面或采用预制板作为屋面的民用房屋,可采用连接件固定方式,具体措施包括铝合金夹具固定、膨胀螺栓固定、胶粘固定等。
此方式具有成本低、施工快捷、荷载小、不影响屋面使用等优点,是优先采用的光伏固定方式。
夹具安装方式利用特定的光伏系统夹具,在原屋面板波峰上方放置金属夹具,金属夹具夹持于屋面波峰上,不破坏原有的彩钢瓦及防水层,保证屋面的防水性。
安装光伏组件后对厂房的通风、采光、防水、排水无影响。
对于瓦屋面,若屋面檩条较为坚固且便于施工,可采用夹具与檩条连接,夹具上部从瓦片缝隙中外伸以固定光伏导轨。
彩钢围护式采用镀锌钢构件搭建支架,基础采用植筋、膨胀螺栓固定,南坡铺设光伏板,其余三面用彩钢板板围护形成封闭空间。
优点是能充分利用屋顶空间,缺点是相较于支架固定方式造价较高。
我国北方民居中单层平屋顶房屋较多,老百姓有储藏粮食、杂物的需求,故此形式在北方农村较受欢迎。
屋顶阳光房式采用镀锌钢构件搭建支架,高1.8m~2.5m左右,在顶部铺设光伏板,基础采用膨胀螺栓、植筋等形式固定。
优点是不占用屋顶空间,缺点是钢材用量大,相比支架固定形式造价高。
我国南方省份民居中多层建筑较多,老百姓有在顶层休闲乘凉的需求,故此形式在南方农村较受欢迎。
对于混凝土平屋面、无法直接固定光伏板的钢结构屋面、规模较小的地面光伏等,常采用混凝土配重块基础。
光伏发电充电站的光伏组件选型与性能评估方法比较随着环境保护意识的增强和清洁能源的发展,光伏发电充电站成为一种备受关注的能源供应方式。
在光伏发电充电站建设中,光伏组件的选型与性能评估是至关重要的环节。
本文将比较不同光伏组件选型与性能评估方法,以期为光伏发电充电站的建设提供参考。
**一、光伏组件选型方法比较**在光伏组件的选型中,一般会考虑以下几个方面的因素:1. **光伏组件的类型**:目前市面上主要有单晶硅、多晶硅和薄膜光伏组件等类型,不同类型的光伏组件具有不同的性能参数和适用场景。
2. **光伏组件的转换效率**:转换效率是衡量光伏组件性能的重要指标,通常情况下,转换效率越高的光伏组件发电效率越高。
3. **光伏组件的耐久性**:耐候性和抗压性是评估光伏组件寿命和稳定性的关键指标,选择具有良好耐久性的光伏组件能够减少后期维护成本。
4. **光伏组件的温度特性**:温度对光伏组件的发电效率有一定影响,因此应该选择在高温环境下具有稳定性能的光伏组件。
综上所述,光伏组件选型应综合考虑以上因素,并根据具体情况做出合理选择。
**二、光伏组件性能评估方法比较**在光伏组件性能评估中,常用的方法包括:1. **IV曲线测试**:IV曲线测试是评估光伏组件性能的重要手段,通过测试光伏组件在不同光照强度和温度下的电流-电压曲线,可以了解其性能表现。
2. **热耦合试验**:热耦合试验是评估光伏组件在高温环境下性能的方法,通过模拟高温条件下光伏组件的工作状态,检测其电性能参数的变化。
3. **长期稳定性测试**:长期稳定性测试是评估光伏组件寿命和稳定性的方法,通过长时间的实地监测和数据分析,了解光伏组件在实际运行中的性能表现。
以上方法各有优劣,根据实际需求和条件选择合适的方法进行光伏组件性能评估,以保障光伏发电充电站的长期运行。
**三、结论**通过比较不同光伏组件选型与性能评估方法,我们可以得出以下结论:1. 光伏组件选型需综合考虑类型、转换效率、耐候性和温度特性等因素,选择适合具体应用场景的光伏组件。
某复杂山地光伏支架基础选型的分析一、考虑因素在进行山地光伏支架基础选型时,需要综合考虑以下因素:1. 地形特点:山地地形复杂,具有起伏、陡峭等特点,需要根据实际地形进行光伏支架的选型和基础设计。
2. 地基条件:山地地基条件通常较差,可能存在土壤松软、岩层暴露等情况,需要采用适当的基础形式来满足光伏支架的承载要求。
3. 气候环境:山地气候条件多变,风力较大、降雨较多,需要考虑光伏支架基础的抗风、抗水能力。
二、选型分析在复杂山地光伏支架基础选型中,一般可以考虑以下几种类型的支架基础:1. 桩基础:适用于土壤松软,承载能力较差的山地地基条件,可采用预制桩或打桩机进行桩基础的施工,提高支架的承载能力。
2. 岩锚基础:适用于岩层暴露的山地地基条件,可以利用岩锚进行支架的固定,提高支架的稳定性。
3. 砼基础:适用于地基条件较好的山地地形,可采用现浇或预制混凝土基础进行支架的固定,提高支架的承载能力和稳定性。
在选型时,需要综合考虑地形特点、地基条件、气候环境等因素,结合支架结构类型和安装要求,选择合适的基础形式来满足光伏支架的使用要求。
三、应用实例以某个山地地区的光伏项目为例,该地区地形起伏较大,地基条件较差,气候条件多变。
在进行光伏支架基础选型时,结合实际情况,采用了桩基础和岩锚基础相结合的方式。
在地形起伏较大的地区,采用了预制桩基础来提高支架的承载能力。
通过现场勘察和土质测试,确定了桩基础的种类和数量,并采用挖掘机和打桩机进行桩基础的施工,确保支架在山地地形中的稳定性。
在岩层暴露的区域,采用了岩锚基础来固定支架。
根据岩层的特点和支架的安装要求,选择了合适的岩锚形式,并采用专业的固定设备进行岩锚基础的施工,确保支架在山地地基条件中的稳定性。
通过以上的选型和应用实例,证明了在复杂山地环境中进行光伏支架基础选型的重要性和必要性。
合理选择基础形式,结合实际情况进行施工,可以保证光伏支架在山地地形中的稳定性和安全性,最大限度地发挥光伏发电技术的效益。
光伏支架的基础选型
一. 钢筋混凝土独立基础:
1.定义:
在光伏支架的前后立柱下面分别设置钢筋混凝土独立基础,由基础底板(垫层)与底板上面的基础短柱组成。
短柱顶部设置预埋件(钢板或地脚螺栓)与上部的光伏支架相连,需要一定的埋深和一定的基础底面积;基础地板上覆土,用基础自重和基础覆土重力共同抵抗环境荷载导致的上拔力,用较大的基础底面积来分散光伏支架向下的垂直荷载,用基础底面和土壤之间的摩擦力以及基础侧面与土壤的阻力来抵挡水平荷载。
2.优点:
传力途径明确,受力可靠,适用范围广,施工无需专门的施工机械,抗水平荷载的能力最强,抗洪抗风。
3. 缺点:
所需的钢筋混凝土工程量大,人工多,土方开挖及回填量大,施工周期长,对环境的破坏力大。
这种基础的局限性太大,在当今的光伏发电站已经很少使用。
4. 备注图片:
二. 钢筋混凝土条形基础:
1. 定义
通过在光伏支架前后立柱之间设置基础梁,从而将基础重心移至前后立柱之间,增大了基础的抗倾覆力臂,可以仅通过自重抵抗风载荷造成的光伏支架倾覆力矩;条形基础与地基土的接触面积较大,适用于场地较为平坦、地下水位较低的地区。
因为基础的表面积相对较大,所以一般埋深在200至300mm之间。
2. 优点:
土方开挖量小,不需要专门的施工工具,施工工艺简单。
3. 缺点:
需要大面积的场平,对环境影响较大,混凝土需求量大,且养护周期长,所需人工多。
基础埋深不够抗洪水能力差。
4. 备注图片:
三.螺旋钢桩基础:
1. 定义:
在光伏支架的前后立柱下面采用带螺旋叶片的热镀锌钢管桩,旋转叶片可大可小、可连续可间断,旋转叶片与钢管之间采用连续焊接。
施工过程中采用专业机械将其旋入土体中。
螺旋桩基础上部露出地面,与上部支架之间采用螺杆连接。
通过钢管桩桩侧与土壤之间的侧摩阻力,尤其是旋转叶片与土体之间的咬合力抵挡上拔力及承受垂直载荷,利用桩体、螺旋叶片与土体之间桩土相互作用抵抗水平荷载。
2. 优点:
施工速度快,无需场地整平,无土方开挖量,最大限度的保护场区植被,且场地易恢复原貌,方便调节上部支架,可随地势调节支架高度。
对环境的影响小,所需人工少,螺旋桩可以进行二次利用。
3. 缺点:
造价相对较高,且需要专门的施工机械,最重要的是基础水平承载能力与土层的密实度密切相关,螺旋桩基础要求土层具有一定的密实性,特别是接近地面的浅土层不能够太松散;螺旋桩基础的耐腐蚀性较差,尽管可以采用加厚热镀锌,但难适应较强的腐蚀性环境。
4. 备注照片:
四. 钢筋混凝土桩基础:
现浇钢筋混凝土桩
1.定义:
采用直径约300mm的圆形现场灌注短桩作为支架生根的基础,桩入土长度约2m,露出地面300-500mm,桩入土的长度可根据土层力学性质决定,顶部预埋钢板或螺旋与前、后立柱相连。
这种基础施工过程简单,速度较快,现在土层中成孔,然后插入钢筋,再向孔内灌注混凝土即可。
2. 优点:
节约材料、造价较低、施工速度快。
3. 缺点:
对土层的要求较高,适用于有一定密实度的粉土或可塑、硬塑的粉质粘土中,不适用于松散的砂性土层中,松散的砂性土层易造成塌孔,土质较硬的鹅卵石或碎石可能存在不易成孔的问题。
4. 备注图片:
预制钢筋混凝土桩:
1. 定义:
预制钢筋混凝土桩采用直径约为300mm的预应力混凝土管桩或截面尺寸约
200*200mm预制钢筋混凝土方桩打入土中,顶部预留钢板或螺栓与上部支架前后立柱连接。
其受力原理与现浇钢筋混凝土桩相同,造价比现浇钢筋混凝土桩稍高。
2. 优点:
施工更为简单、快捷。
3. 缺点:
造价相对较高。
4. 备注图片:。