发电机转子接地保护
- 格式:doc
- 大小:758.00 KB
- 文档页数:6
发电机转子接地保护动作情况及故障分析摘要:本文介绍了某火力发电厂发电机转子一点接地故障的现象及处理过程。
通过对转子接地保护原理及保护动作行为的分析,并结合故障录波波形图,对接地点进行了定位。
同时根据发电机转子检查情况及发现的问题,指出了该故障的可能原因,提出了预防此类故障的措施,以实现状态检修。
关键词:发电机;转子绕组;转子一点接地;转子两点接地;0 引言转子接地故障是发电机较常见的故障之一。
发电机在长期运行过程中,由于转子内部受潮、冷却介质泄漏、绝缘老化以及机械振动等诸多方面的原因,容易造成转子对地绝缘水平的降低进而引发转子接地故障。
当转子发生一点接地故障时,虽然不会对发电机本身造成直接的危害,但若再相继发生两点接地,则会出现故障点电流过大而烧伤转子本体、励磁绕组被短接而使气隙磁通失去平衡引起振动以及轴系转子磁化等灾难性后果,严重威胁发电机的安全[1]。
发电机是发电厂的主要设备之一,故障后修复困难,延长停机时间,特别是大容量发电机组不正常停机,间接造成的经济损失巨大,配置转子接地保护是非常必要的。
为了大型发电机组的安全运行,无论水轮发电机或汽轮发电机,在励磁回路一点接地保护动作发出信号后,应立即转移负荷,实现平稳停机检修[2]。
1 某厂发电机组及转子接地保护配置概述某厂发电机为东方电机股份有限公司生产的QFSN-600-2-22D型三相同步汽轮发电机,采用水氢氢冷却方式,励磁方式采用自并励励磁。
发电机为三相交流隐极式同步发电机,采用整体全封闭、内部氢气循环、定子绕组水内冷、定子铁心及端部结构件氢气表面冷却、转子绕组气隙取氢气内冷的冷却方式。
发电机定、转子绕组均采用F级绝缘。
发电机组于2008年6月正式投产。
发电机转子接地保护装置为南京南瑞继保电气有限公司PCS-985RS保护装置,该装置采用乒乓式转子接地保护原理,利用微机的计算功能,该保护装置能测定接地故障点位置和过渡电阻大小[3]。
发电机正常运行情况下一点接地保护投入,而两点接地保护退出。
发电机转子接地保护原理发电机转子接地保护是一种重要的电力设备保护措施,其原理是通过对发电机转子进行接地保护,确保设备的安全运行和人身安全。
本文将从发电机转子接地保护的原理、作用、保护装置和应用等方面进行介绍。
一、原理发电机转子接地保护的原理是基于电气设备的接地原理。
在正常情况下,发电机转子是绝缘的,与地之间不存在直接的电流通路。
而当发电机转子出现漏电故障时,故障电流会通过接地路径流向地面,形成接地电流。
发电机转子接地保护通过检测接地电流的存在与否,判断转子是否存在漏电故障,从而实现对设备的保护。
二、作用发电机转子接地保护的主要作用是:1. 避免漏电引起的设备损坏:当发电机转子出现漏电故障时,接地保护装置能够及时检测到接地电流的存在,并迅速切断电源,防止漏电引起的设备损坏。
2. 保护人身安全:漏电电流会导致设备带电,存在触电的危险。
通过及时切断电源,发电机转子接地保护能够保护人身安全,避免触电事故的发生。
三、保护装置发电机转子接地保护通常由以下几个主要部分组成:1. 接地电流检测装置:用于检测发电机转子的接地电流。
通常采用电流互感器进行检测,将接地电流信号转化为电压信号。
2. 比较器:将接地电流信号与设定值进行比较,当接地电流超过设定值时,触发保护装置动作。
3. 断路器:一旦接地电流超过设定值,断路器会迅速切断电源,防止接地电流继续流向地面。
四、应用发电机转子接地保护广泛应用于各种类型的发电机组,包括水轮发电机组、汽轮发电机组和柴油发电机组等。
在发电机运行过程中,定期检查和测试发电机转子接地保护装置的性能,确保其正常工作,是保证设备和人身安全的重要措施。
总结:发电机转子接地保护是一种重要的电力设备保护措施,通过对发电机转子进行接地保护,能够有效避免漏电引起的设备损坏和触电事故的发生。
其原理是基于电气设备的接地原理,通过检测接地电流的存在与否,判断转子是否存在漏电故障。
发电机转子接地保护通常由接地电流检测装置、比较器和断路器等部分组成。
发电机一点、两点接地保护优缺点及常见故障处理摘要:在现代发展进程中,各类机械设备的发展使用程度不断上升,相应的出现故障以及及时修理工作,是保障机械设备正常运转的关键。
发电机适用于无法通过其他途径为设备供电的环境中使用,在目前机械设备发展的进程中,发电机具有重要意义。
但是在实际操作过程中,容易出现发电机故障等情况,影响到了设备正常运行的同时,对正常的生产活动造成了严重影响。
本文从发电机的优缺点方面出发,通过对发电机的优缺点分析,进一步阐释发电机常见故障的处理。
关键词:发电机;一点、两点接地保护;故障处理前言在当前快速发展的机械设备制造中,发电机作为基础设备,常被应用于大多数无法正常供电的环境中。
发电机的应用,提高了相应的生产能力。
而在发电机的使用过程中,发电机自身存在便利性、不受地域限制性的特点以外,同样存在较多的缺点。
同时发电机常见故障的出现,极大程度上影响了发电供应机械设备的正常运行,降低了生产效率的同时,会对发电机使用寿命造成严重影响。
在这一基础上科学分析发电机一点、两点接地保护优缺点,以及探究常见的故障处理,有利于提升发电机使用率。
本文分析发电机一点、两点接地保护优缺点,探讨能够有效提升发电机常见故障处理效率。
1.发电机转子接地保护优缺点分析1.1发电机转子一点接地保护优缺点转子是发电机的核心部件,起着电能转换的重要作用,为了提高电子转换效率,定子线圈与转子线圈之间的空气气隙很小,只有几毫米,因此要求定子与转子在转动时应保持较高的稳定性,即要求发电机系统转动时振动值应保持在一定范围内[1]。
在这种情况下,发电机容易出现故障,因此需要具有方便性的故障监测与保护装置,能够达到监测监测保护的作用,在降低发电机出现故障的基础上,能够较为快速的修理发电机。
目前发电机转子绕组一点接地检测与保护装置,是保障发电机组运行安全系统的重要组成部分。
在目前的发电机中,对于励磁回路一点接地故障的维护措施包括叠加交流乒乓式。
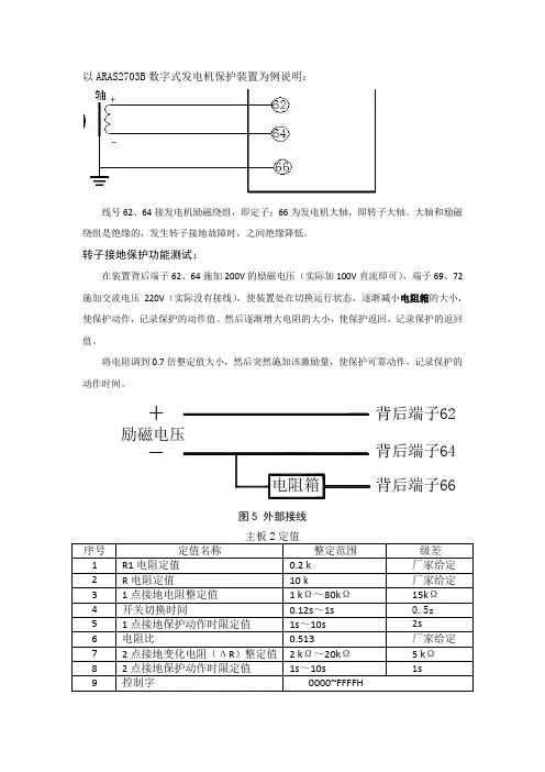
以ARAS2703B数字式发电机保护装置为例说明:
线号62、64接发电机励磁绕组,即定子;66为发电机大轴,即转子大轴。
大轴和励磁绕组是绝缘的,发生转子接地故障时,之间绝缘降低。
转子接地保护功能测试:
在装置背后端子62、64施加200V的励磁电压(实际加100V直流即可),端子69、72施加交流电压220V(实际没有接线),使装置处在切换运行状态,逐渐减小电阻箱的大小,使保护动作,记录保护的动作值。
然后逐渐增大电阻的大小,使保护返回,记录保护的返回值。
转子一点接地后,自动转入两点接地保护(转子两点接地受一点接地闭锁),满足两点接地变化电阻定值(注意,是一个变化量),两点接地动作。
发电机转子接地处理步骤如下:
1. 当转子一点接地保护报警时应立即查明接地性质和位置,如确认系励磁回路接地需停机才能处理或接
地在转子回路时,应加强监视并投入转子两点接地保护,尽快申请停机处理。
2. 如果是发电机内部稳定的金属性接地故障,应立即停机处理。
3. 如果发电机的转子电流,发电机振动明显增加应判断为发电机转子绕组匝间短路,此时应立即降低机
组负荷,使振动和转子电流不致超限,并尽快申请停机处理。
4. 检查发电机大轴接地碳刷接触是否接地良好或断线。
5. 检查励磁设备工作环境是否恶化,有无受潮。
6. 通知检修采取措施测量转子正、负极对地电压(需取下转子电压的保险或打开发变组保护中转子一点
接地的转子电压线,但打开后转子一点、两点接地保护均自动退出),测量完毕立即恢复。
7. 若确认励磁回路绝缘电阻降低时,应对有关回路进行详细的外观检查,若查出接地故障在励磁回路时
应尽快设法排除。
发电机转子接地保护原理
发电机转子接地保护是一个重要的电气安全保护装置。
它的原理是基于电气设备中接地故障的特性。
当发电机转子发生接地故障时,电流会通过接地点流向地面,形成一条电流回路。
这会导致电流异常增大,可能引发设备损坏、火灾甚至人身伤害。
为了保护发电机和相关设备,需要在转子接地点安装转子接地保护装置。
该装置通过检测转子接地电流大小,以及与进行比较,当电流超过设定的阈值时,触发保护动作。
一种常用的转子接地保护装置是差动保护装置。
它通过测量转子接地点电流与发电机定子电流的差值,来判断是否发生接地故障。
如果差值超过设定值,就会触发保护动作,例如切断发电机与电网之间的连接。
另一种常见的保护装置是可靠接地装置。
它通过将转子接地点与地面形成良好的接地,使接地电流通过接地电阻流向地面,保护发电机和相关设备。
同时,可靠接地装置还可以提供对转子接地点电流大小的监测。
总之,发电机转子接地保护是保障电气设备运行安全的重要措施之一。
它通过检测转子接地电流大小,判断是否发生接地故障,并及时采取保护动作,保护设备和人员的安全。
发电机转子接地保护原理发电机正常运行时,转子的转速很高,离心力极大,承受的电负荷又重,一次励磁绕组绝缘容易破坏。
绕组导线碰接铁芯,就会造成转子一点接地故障。
发电机励磁回路的一点接地是比较常见的故障,由于不会形成电流通路,所以对发电机无直接危害,因此发电机可继续运行。
但发生一点接地以后,励磁回路对地电压会有所升高,例如当负极接地,励磁绕组正极对地电压即增加到工作励磁电压值;正极接地,励磁绕组负极对地电压也增加到工作励磁电压值。
因此当转子发生一点接地后,如发电机仍然继续运行,遇上励磁绕组其他点绝缘水平降低时,就有可能发生转子回路的第二点接地。
励磁回路两点接地后构成短路电流通路,可能烧坏转子绕组和铁芯。
由于部分励磁绕组被短接,破坏了气隙磁场的对称性,引起机组振动,特别是多机组振动更严重。
此外,转子两点接地还可能使汽轮发电机组的轴系统和汽缸磁化。
因此,转子一点接地以后,应该对励磁回路进行认真检查.同时是否会有保护误动作:根据某些保护构成原理,检查是不是因为炭刷接触不良所引起.此外,还可以倒换备用励磁以找出接地范围.如果一旦确认转子一点接地,应该投入转子2点接地保护,这时候,严禁在励磁回路上工作,以防保护误动作。
需要指出的是,在转子一点接地的同时,若发电机出现振动,则应该立即解列停机。
一.转子一点接地保护1.绝缘检测装置用一个电压表定期测量励磁回路正负极对地电压,其接线如下图所示。
图中元件1为励磁绕组,元件2为接地炭刷。
励磁绕组对地存在着绝缘电阻,设这些绝缘电阻对地均匀分布,如图中的r1,r2,…,r n-1,r n。
当励磁绕组绝缘良好时,所测得的正极对地电压和于负极对地电压。
如果正极接地,则负极对地电压为工作励磁电压;如果负极接地,则正极对地电压为工作励磁电压。
如果励磁绕组其他点接地,一般情况下,正极对地电压不等于负极电压,而且所测得的电压低于工作励磁电压。
但是如果励磁绕组中部接地,则所测得的正极对地电压将等于负极对地电压,且为工作励磁电压的一半。
转子接地保护原理
转子接地保护是一种用于发电机转子接地故障的保护方法。
当发电机转子绝缘存在故障时,可能会导致转子与地之间出现接地。
此时,如果不及时采取保护措施,可能会导致严重的安全事故发生。
因此,转子接地保护是发电机保护装置中至关重要的一部分。
转子接地保护的工作原理可以概括为以下几个步骤:
1. 检测转子电流:转子接地保护装置会通过电流互感器或电流变压器检测发电机转子线圈的电流。
由于转子接地故障使得转子与地之间存在电流通路,因此可以通过检测转子电流来判断是否存在转子接地故障。
2. 比较转子电流:转子接地保护装置会将检测到的转子电流与设定的阈值进行比较。
如果转子电流超过预设的阈值,就说明存在转子接地故障。
3. 判断转子接地:如果检测到的转子电流超过了设定的阈值,转子接地保护装置会判断出转子存在接地故障。
4. 发出保护信号:一旦判断出转子存在接地故障,转子接地保护装置会立即发出保护信号,将信号发送给控制系统,从而触发相关的保护动作。
常见的保护动作包括停机保护、差动保护等。
总之,转子接地保护的原理是通过检测转子电流,并与设定的
阈值进行比较,判断转子是否存在接地故障,从而触发相应的保护动作,避免发生严重的故障事故。
2020年增刊河南电力109一起发电机转子接地保护误动事件的分析与解决方法黄建礼1,王加军2(1.华润电力登封有限公司,河南登封452473;2.华润电力控股有限公司中西大区,河南郑州450046)作者简介:黄建礼(1987-),男,本科,助理工程师,从事电气二次维护、检修工作。
摘要:发电机转子接地保护是对发电机励磁回路一点接地故障的保护,发电机转子接地保护误动作,不仅影响发电机正常负荷调整,严重时可能造成机组跳闸,对电网系统产生扰动。
本文介绍了一起发电机转子接地保护误动作事件,对事件原因进行了认真的分析。
详细介绍了事件过程、检查情况、原因分析、解决方法等内容,对故障的查找总结出一些实践经验,为处理类似事故提供了借鉴经验和方法。
关键词:转子接地保护;励磁装置;轴电压;滤波回路中图分类号:TM311文献标识码:B文章编号:411441(2020)01-0109-030引言发电机转子接地故障是常见的故障形式之一,转子一点接地故障时,由于转子绕组及励磁系统对地是绝缘的,因此不会构成对发电机的危害。
当发电机转子绕组出现不同位置的两点接地或匝间短路时,很大的短路电流可能烧伤转子本体。
另外,由于部分转子绕组被短路,使气隙磁场不均匀或发生畸变,从而使电磁转矩不均匀并造成发电机振动,损坏发电机。
因此,发电机转子接地保护应能真实反映发电机转子绝缘情况,使之能正确动作。
本文针对南瑞电控公司NES -5100励磁系统设计不合理,造成许继电气公司WFB -805A 转子接地保护误动作事件进行分析,提出在运行及维护中应采取的防范措施,对于转子接地保护及励磁装置的设计、稳定运行具有重要意义。
1事件回顾2018年8月29日,某电厂600MW 发电机转子接地保护动作告警,检查发变组保护A 柜报“转子接地高定值”告警,告警接地电阻为19.861k Ω(定值为20k Ω),告警信息见图1、图2,经复位后告警消失,保护装置实测接地电阻为24.473k Ω。
发电机转子接地保护正常运行时,发电机转子电压(直流电压)仅有几百伏,且转子绕组及励磁系统对地是绝缘的。
因此,当转子绕组或励磁回路发生一点接地时,不会构成对发电机的危害。
但是,当发电机转子绕组出现不同位置的两点接地或匝间短路时,很大的短路电流可能烧伤转子本体;另外,由于部分转子绕组被短路,使气隙磁场不均匀或发生畸变,从而使电磁转矩不均匀并造成发电机振动,损坏发电机。
为确保发电机组的安全运行,当发电机转子绕组或励磁回路发生一点接地后,应立即发出信号,告知运行人员进行处理;若发生两点接地时,应立即切除发电机.因此,对发电机组装设转子一点接地保护和转子两点接地保护是非常必要的。
规程规定,对于汽轮发电机,在励磁回路出现一点接地后,可以继续运行一定时间(但必须投入转子两点接地保护);而对于水轮发电机,在发现转子一点接地后,应立即安排停机。
因此,水轮发电机一般不设置转子两点接地保护.一发电机转子一接地保护1 转子一点接地保护的类别转子一点接地保护的种类较多,主要有叠加直流式、乒乓式及测量转子绕组对地导纳式(实质是叠加交流式)。
目前,在国内叠加直流式转子一点接地保护及乒乓式转子一点接地保护得到了广泛应用。
2 叠加直流式转子一点接地保护(1)构成原理叠加直流式转子一点接地保护的构成原理是:在发电机转子绕组的一极(正极或负极)对大轴之间,加一个直流电压,通过计算直流电压的输出电流,来测量转子绕组或励磁回路的对地绝缘。
其构成原理框图如图43所示。
U=图43 叠加直流式转子一点保护原理图在图42中:=U-外加直流电压;I-计算及测量元件;pR-转子接地电阻。
正常工况下,发电机转子绕组或励磁回路不接地,外加直流电压不会产生电流;当转子绕组或励磁回路中发生一点接地时(设接地电阻为R),则外加直流电压通过部分转子绕组、接地电阻、发电机大轴构成回路,产生电流p i。
接地电阻越小,p i越大;反之亦反。
测量计算装置根据电流p i的大小,便可计算出接地电阻值.(2)叠加直流电源在转子一点接地保护中采用的叠加直流电源,可以采用外加电源,也可以采用由保护装置自产直流电压.外加直流电源,通常是将发电机机端TV 二次某一相间电压通过单相桥式整流后取得. 在DGT801系列发电机变压器保护装置中,将保护装置的外加直流电源,通过逆变变压器变成高频交流,再将该高频交流通过整流及滤波产生50V 左右的直流,供转子一点接地保护用.叠加直流电源由装置自产的转子一点接地保护主要优点是:转子一点接地保护的工况不受发电机运行工况的影响,从而在发电机停运时也能正确地检测转子绕组及励磁回路的对地绝缘。
发电机差动、转子接地、定子接地保护1、工频变化量反应匝间短路的灵敏度,工频变化量比率差动保护,它利用工频故障分量构成的工频变化量比率差动保护,不受负荷电流影响,灵敏度高,抗TA饱和能力强,具有很高的检测变压器内部小电流故障(如中性点附近的单相接地及相间短路,单相小匝间短路)的能力。
根据研究单位各种动模与静模试验统计表明:在变压器正常运行工况下发生1.5%的匝间故障时,工频变化量差动保护都能灵敏动作。
2、为何要采用变斜率比率差动原理?答:(1)变斜率比率差动一开始就带制动特性,可以很好地与CT不平衡电流匹配,防止了两折线比率差动拐点设置不合理产生的问题;(2)与普通比率差动比较,增加了灵敏动作区,提高了轻微内部故障时保护的灵敏度;同时,变斜率比率差动在制动电流很大时,减小一块易误动区,提高了安全性。
3、差动保护采用何种原理防止励磁涌流时误动?答:差动保护采用二次谐波原理及波形判别原理防止励磁涌流时差动的误动。
4、变压器差动保护对YD变压器电流的幅值和相位如何调整?RCS-985采用软件实现Y->Δ变换调整变压器各侧TA二次电流相位。
同时,通过软件自动平衡各侧的变比差别,最大的调整倍数:各侧均为5A的CT,相对于标准侧,调整系数范围0.01-6.4倍。
对于标准侧为5A的CT,调整侧为IA的CT,调整系数范围0.01-32倍。
5、定子匝间保护如何实现?如发电机中性点能引出6个端子,定子匝间保护由裂相横差和单元件横差保护实现,灵敏度最∣Wj;如发电机中性点只能引出3个端子时,机端配置匝间保护专用PT,采用纵向零序电压匝间保护方案,RCS-985中采用电流比率制动方案区分区外故障;如没有专用PT,采用工频变化量负序功率方向匝间保护。
6、发电机是否具备“低电压保持记忆过流保护”,作为自并励机组的后备保护?答:RCS-985装置发电机复合电压过流保护具备“低电压保持记忆过流保护”功能,记忆时间足够保护动作(记忆时间为15S)07、定子接地缓慢变化如何解决?机组出口开关,开关两侧电容,合跳如何解决?答:(1)基波零序电压灵敏段、三次谐波比率判据在发电机启停机过程中均投入,只反应电压稳态量,可以反应缓慢变化的定子接地;(2)分别整定并网、解列情况下的三次谐波电压比率定值,引入机组断路器位置接点,装置自动适应并网、解列情况时的变化,解决了开关两侧电容的问题。
发电机转子一点接地保护试验方法嘿,朋友们!今天咱来聊聊发电机转子一点接地保护试验方法,这可太重要啦!
你想想啊,就好比一辆汽车,要是轮胎出了问题,那还能跑得稳吗?这发电机转子就好比汽车的关键部件呀!那咱怎么进行这个试验呢?
首先呢,准备工作得做好!就像你出门得先收拾好东西一样。
得把该准备的仪器啥的都准备齐全喽。
比如,那测试仪表,就得跟咱战士手里的枪似的,得靠谱!然后呢,按照步骤一步一步来。
这可不能马虎,你说要是哪步错了,那不就跟走迷宫走错路似的,得绕一大圈才能回来呀!
在进行试验的时候,咱得瞪大了眼睛,仔细盯着那些数据和变化。
这不就跟侦探找线索一样嘛,一点细节都不能放过!哎呀,要是不小心疏忽了,那可不得了哇!
总的来说,发电机转子一点接地保护试验方法可得认真对待,这关乎着整个系统的稳定和安全呀,咱可不能掉以轻心呐!。
发电机转子两点接地保护的误判和解决方法发电机转子两点接地保护是电力系统中的重要保护之一,该保护主要用于检测发电机转子绝缘的状况。
在实际应用中,由于各种因素的干扰,经常会发生误判,这不仅会影响电力系统的稳定运行,还会导致不必要的损失。
本文将从误判的原因和解决方法两个方面探讨发电机转子两点接地保护的误判问题。
一、误判的原因
1.电源电压波动
当电源电压波动较大时,会引起发电机转子内的电压和电流发生变化,导致保护装置误判。
2.负荷变化
电力系统中的负荷是不断变化的,当负荷突然增加或减少时,会对发电机的电压和电流产生影响,从而影响保护装置的判断。
3.环境干扰
环境中存在的电磁干扰和放射性干扰也会对发电机转子两点接地保护产生误判。
二、解决方法
1.减小电源电压波动
在电力系统的运行过程中,应尽可能减小电源电压的波动,可以通过调整电源的电压稳定器或安装电容器等方式实现。
2.增加保护装置的灵敏度
对于发电机转子两点接地保护,可以通过增加保护装置的灵敏度
来降低误判的概率,但要注意不要过度灵敏,否则会引起误判。
3.加强对环境的干扰防护
在发电机转子两点接地保护装置的设计和安装中,应考虑环境干扰的因素,采取合理的防护措施,以降低误判的概率。
综上所述,发电机转子两点接地保护的误判问题是电力系统中需要关注的一个问题,只有采取合适的措施,才能有效降低误判的概率,保障电力系统的稳定运行。
发电机转子一点接地保护原理
发电机转子一点接地保护原理是指通过将发电机的转子中的一点与地连接,从而形成一条低阻抗的回路,使得转子上的任何电势发生偏移时,能够迅速将电流通过接地回路释放,减少电流通过机壳等重要部分的可能性,保护设备和人员的安全。
具体原理如下:
1. 在正常工作状态下,发电机转子的电势与地电势相等,并且电阻非常高,几乎没有电流通过。
2. 当转子发生故障或电势偏离时,如出现绝缘击穿或转子上有电势泄漏等情况,会导致电势到达接地点,形成回路。
3. 通过接地回路,电流会尽快通过接地装置释放到地中,减少电流通过机壳等重要部分的可能性。
4. 同时,接地回路的存在也能迅速引导电势泄漏的故障信号,使系统能够及时切断功率,保护设备和人员的安全。
总之,发电机转子一点接地保护原理通过将转子中的一点与地连接,形成回路,使电势偏离能够迅速释放。
这种保护措施可以保护设备和人员的安全,防止电势泄漏对系统造成损害。
发电机转子二点接地保护原理你想啊,发电机转子就像一个很重要的小宇宙,在发电机这个大设备里起着超级关键的作用呢。
那转子要是出了问题,就好比小宇宙要爆炸啦,整个发电机都可能跟着遭殃。
这转子二点接地就是个很危险的状况。
咱们先得知道转子是怎么个构造。
转子上有绕组呀,就像小辫子一样一圈一圈的。
正常情况下,电流在这些绕组里规规矩矩地跑。
可是一旦有两点接地了,那就乱套喽。
就好像本来顺畅的马路突然有两个地方塌方了,车(电流)就不知道该咋走了。
那这个二点接地保护原理呢,其实就像是给转子请了个小卫士。
有一种原理是基于电桥平衡的。
你可以想象成是一个跷跷板。
正常的时候,这个电桥是平衡的,就像跷跷板两边的小朋友一样重。
当有二点接地发生的时候,就相当于跷跷板的一边突然多了个小胖子,平衡就被打破啦。
这时候保护装置就能检测到这个变化,然后大喊:“不好啦,转子二点接地啦!”还有一种是通过测量转子绕组的对地电压来判断的。
正常情况下,转子绕组对地电压有个正常的范围。
一旦两点接地,这个电压就会变得很奇怪,就像一个人本来体温正常,突然发烧或者发冷了。
保护装置就像一个细心的小护士,时刻监测着这个电压,一发现不正常就赶紧采取行动。
你可别小看这个二点接地啊。
一旦发生了,转子电流就会变得乱七八糟。
这电流乱窜就会产生很多热量,就像一群调皮的小恶魔在转子里到处捣乱,把转子绕组都给烧坏了。
而且呢,还会让转子的磁场也变得不稳定。
这磁场就像一个魔法场,不稳定了的话,发电机的输出就会变得忽高忽低,就像唱歌跑调一样难听,对整个电力系统都有很大的影响呢。
再说说这个保护装置的重要性吧。
它就像一个忠诚的小保镖,24小时不间断地守护着转子。
要是没有它,转子一旦二点接地,可能就会悄无声息地被破坏掉。
等我们发现的时候,可能发电机已经病入膏肓了。
有了这个保护装置,就可以在问题刚有点苗头的时候就把它掐灭,就像灭火队员在小火苗刚冒出来的时候就把火扑灭一样。
从另一个角度看,这个保护原理也是基于对各种物理现象的深刻理解。
发电机转子接地的现象以及处理
1、发电机转子一点接地(保护投信号)
现象:
发电机“转子回路一点接地”光字亮;
发电机转子电压表正或负对地指示升高。
处理:
对转子回路进行详细检查。
清扫集电环及碳刷,检查轴电刷是否松动,联系继二次班人员到现场检查保护装置。
如确认为轴电刷松动脏污等引起,应及时处理,处理时请示总工,退出转子一点、两点接地保护,防止保护误动跳机,处理时,做好防范措施,防止造成转子接地。
确认转子接地后,汇报值长,联系二次班,检查投入转子两点接地保护。
当发电机的转子绕组发生一点接地时,应立即查明故障点与性质,如为外部接地(如集电环及碳刷接地等),应立即排除故障点,如为内部系稳定性的金属接地,应立即申请停机处理。
查找过程中,加强对发电机转子电流、电压的监视,同时监视发电机出风温度及机组振动情况,发现异常及时请示值长停机处理。
2、发电机转子两点接地
现象:
转子回路电流增大;转子电压和无功降低,发电机及厂用电电压降低;机组可能剧烈振动;两点接地保护投入时,发电机跳闸并发出报警,光子牌亮。
处理:
如果发电机已跳闸,复位控制开关,检查厂用电备自投是否成功,若不成功,手动合闸。
若两点接地保护未投入或拒动,立即联系汽机打闸或拉开主开关、灭磁开关,手动解列发电机;
将发变组转检修,联系维护检查;彻底查明发电机转子接地原因。
运行发电部
二零一二年一月二十日。
发电机转子接地保护正常运行时,发电机转子电压(直流电压)仅有几百伏,且转子绕组及励磁系统对地是绝缘的。
因此,当转子绕组或励磁回路发生一点接地时,不会构成对发电机的危害。
但是,当发电机转子绕组出现不同位置的两点接地或匝间短路时,很大的短路电流可能烧伤转子本体;另外,由于部分转子绕组被短路,使气隙磁场不均匀或发生畸变,从而使电磁转矩不均匀并造成发电机振动,损坏发电机。
为确保发电机组的安全运行,当发电机转子绕组或励磁回路发生一点接地后,应立即发出信号,告知运行人员进行处理;若发生两点接地时,应立即切除发电机。
因此,对发电机组装设转子一点接地保护和转子两点接地保护是非常必要的。
规程规定,对于汽轮发电机,在励磁回路出现一点接地后,可以继续运行一定时间(但必须投入转子两点接地保护);而对于水轮发电机,在发现转子一点接地后,应立即安排停机。
因此,水轮发电机一般不设置转子两点接地保护。
一发电机转子一接地保护1 转子一点接地保护的类别转子一点接地保护的种类较多,主要有叠加直流式、乒乓式及测量转子绕组对地导纳式(实质是叠加交流式)。
目前,在国内叠加直流式转子一点接地保护及乒乓式转子一点接地保护得到了广泛应用。
2 叠加直流式转子一点接地保护(1)构成原理叠加直流式转子一点接地保护的构成原理是:在发电机转子绕组的一极(正极或负极)对大轴之间,加一个直流电压,通过计算直流电压的输出电流,来测量转子绕组或励磁回路的对地绝缘。
其构成原理框图如图43所示。
U=图43 叠加直流式转子一点保护原理图在图42中:U-外加直流电压;=I-计算及测量元件;pR-转子接地电阻。
正常工况下,发电机转子绕组或励磁回路不接地,外加直流电压不会产生电流;当转子绕组或励磁回路中发生一点接地时(设接地电阻为R),则外加直流电压通过部分转子绕组、接地电阻、发电机大轴构成回路,产生电流i。
接地电阻越小,p i越大;反之亦反。
p测量计算装置根据电流i的大小,便可计算出接地电阻值。
p(2)叠加直流电源在转子一点接地保护中采用的叠加直流电源,可以采用外加电源,也可以采用由保护装置自产直流电压。
外加直流电源,通常是将发电机机端TV 二次某一相间电压通过单相桥式整流后取得。
在DGT801系列发电机变压器保护装置中,将保护装置的外加直流电源,通过逆变变压器变成高频交流,再将该高频交流通过整流及滤波产生50V 左右的直流,供转子一点接地保护用。
叠加直流电源由装置自产的转子一点接地保护主要优点是:转子一点接地保护的工况不受发电机运行工况的影响,从而在发电机停运时也能正确地检测转子绕组及励磁回路的对地绝缘。
3 乒乓式转子一点接地保护乒乒式转子一点接地保护的构成原理,实质是:在发电机运行时轮流测量转子绕组正极、负极的对地电流,并根据测得的结果计算出转子绕组或励磁回路的对地电阻,从而判断出接地故障的位置及接地电阻的量值。
设在转子绕组上K 点经电阻g R 接地。
则转子一点接地保护的构成原理图如图44所示。
S S 2图44 乒乓式转子一点接地保护原理接线图 在图44中:S1、S2-可控的电子开关,轮流闭合及断开; d U -转子绕组电压;α-接地位置距转子正极的电气百分距离; R-降压电阻; R1-测量电阻。
由于转子绕组的直流电阻很小,则由图44可知,当电子开关S1闭合、S2断开时,测量电阻R1上的电压为 (46)当电子开关S2闭合、S1断开时,测量电阻R1上的电压为 (47)在式(46)及式(47)中:R1、R 已知,1U 、2U 为测量电压,转子电压可测量。
因此,式(46)及式(47)为具有两个未知数g R 及α的两个方程。
解方程组,便可求出g R 及α。
4 对两种接地保护的比较理论分析及运行实践表明:上述两种(叠加直流式及乒乓式)接地保护均能正确检测转子绕组及励磁回路的对地绝缘电阻,且无有死区,不同位置接地故障时保护的动作灵敏度均匀。
叠加电压由装置自产的叠加直流式转子一点接地保护有以下优点:(1)机组停运行时也能检测转子绕组及励磁系统的对地绝缘,具有较高的经济意义;(2)受转子电压中高次谐波的影响相对小,不受转子过电压的影响;(3)也可以用于无刷励磁的发电机。
乒乓式转子一点接地保护的优点是可近似估算出接地点的电气位置。
5 动作逻辑框图在DGT801系列装置中,转子一点接地保护的逻辑框图如图45所示。
图45 转子一点接地保护逻辑框图在图45中:R-测量电阻;gR-动作电阻高定值;1gR-动作电阻低定值。
g26 定值整定目前,发电机转子电压最高只有500V~600V。
若按避免转子两点接地时损坏发电机方面考虑,转子一点接地保护的高定值R取8~10KΩ,低定值2g R可取2 KΩ。
1g对于水轮发电机,转子一点接地保护应只投信号。
转子一点接地保护的动作延时,可取6~10S。
二发电机转子两点接地保护1 转子两点接地保护的种类转子两点接地保护的主要类别有:电桥平衡原理的两点接地保护、反应接地位置变化的两点接地保护及反应定子电压中二次谐波序量的两点接地保护。
2 利用电桥平衡原理构成的转子两点接地保护该保护与发电机转子绕组两极相连,其输入电压为转子全电压。
其构成原理接线如图46所示。
图46 电桥平衡式转子两点接地保护原理接线图在图46中:R -滑线电阻;L -电感线圈(滤高次谐波用); K -电流继电器;SB -接入毫伏表mv 的按钮(调平衡时按下); LP -保护投入压板 mv -直流毫伏表。
设发电机在运行中转子绕组在K 点发生接地,则接地点将转子绕组分成其电阻分别为1r 及2r 的两部分。
另外,电阻R 的滑动头将该电阻分成3r 及4r 两部分。
此时1r 、2r 、3r 及4r 便构成一四臂电桥。
根据电桥平衡原理,当3241R R R R •=•时电桥平衡,流过电流继电器的直流等于零。
当出现转子绕组一点接地之后,运行人员按下试验按钮SB ,调节电阻R 的滑动头,使毫伏表的指示电压为零。
然后松开试验按钮SB ,投入压板LP ,则转子两点接地保护便投入运行。
当转子绕组上再出现另外一点接地故障时,四臂电桥的平衡被破坏,电流流过继电器K ,继电器K 动作后切除发电机。
该保护有以下缺点: (1)有死区当两个接地点之间的电气距离很近时,继电器K 不能动作。
(2)当第一个接地点发生在转子绕组极端部或转子绕组外部的励磁系统上时,保护无法投入(因为1r 或2r等于零,无法调平衡)。
(3)该保护只能在转子绕组发生一点接地并经运行人员调平衡后,才能投入运行,若发生两次接地故障之间的间格很短时,因来不及投运危及发电机安全。
3 反映接地位置变化(α∆)的转子两点接地保护在转子绕组发生一点接地故障之后,投入转子两点接地保护。
转子两点接地保护的动作方程为 (48)式(48)中:α∆-转子绕组两个接地点之间的电气距离百分数,等于21αα-(1α-第一个接地点距转子正极端部的电气距离,2α-第二个接地点距正极端部的电气距离)。
op α-转子两点接地位置变化的整定值。
保护的整定:op α可整定为5~10%;为防止瞬间转子两点接地故障时保护误动,可取0.3秒的动作延时。
该保护有以下缺点:(1) 有死区,op α越大,死区越大;(2) 运行实践表明,在转子绕组或励磁系统中发生不稳定的一点接地故障时,保护容易误动。
(3) 不能用于无刷励磁的发电机。
4 反应定子电压中二次谐波序量的转子两点接地保护(1)构成原理发电机正常运行时,定子电压中只有基波很小的奇次谐波分量,这是由于气隙磁通的空间分布完全对称于横轴,将其按福里叶级展开,其中没有偶次谐波。
因此,不会在定子绕组中产生偶次谐波电势。
当发电机转子绕组发生两点接地短路或匝间短路时,气隙磁通分布均匀性被破坏,在定子绕组中将产生二次谐波电压。
分析表明,在三相定子绕组中产生反相序的二次谐波电压,定子二次谐波电压式转子两点接地保护,就是根据上述原理构成的。
(2)逻辑框图在DGT801系列装置中,转子两点接地保护的逻辑框图如图47所示。
图47 转子二点接地保护逻辑框图在图47中:22ωU 、12ωU -分别为反相序的二次谐波电压和正相序的二次谐波电压; op U ω2-二次谐波电压元件动作电压整定值。
正常运行时,该保护退出运行。
当转子绕组或励磁系统发生一点接地故障时自动投入运行。
其优点是:不受外部故障或其他机组转子两点接地时在定子绕组中出现二次谐波电压的影响。
(3)定值的整定op U ω2可按实际测量值整定,可取op U ω2=g H U K 22ω ………………………………………………(49) 式(49)中:H K -可靠系数,取10;g U 22ω-空载额定电压时的测量值。
通常op U ω2=1.5~2V 。
动作延时可取0.3~0.5秒,以躲过外部故障时在定子绕组中产生的暂态二次谐波电压及瞬间转子两点接地。
(4)正常运行时定子绕组中的二次谐波电压理论分析表明:正常运行时发电机定子电压中不含有二次谐波分量。
但实际上由于转子偏心等原因,定子绕组中会出现二次谐波电压。
测量表明:定子线电压中只含有0.03~0.1%的二次谐波电压分量;另外,二次谐波分量只与发电机电压的高低有关,而与发电机负载无关。
在运行工况下,对100~300MW发电机定子绕组中二次谐波电压的测量结果列于下表。