建筑工程施工质量验收资料DQ(江苏省)
- 格式:pdf
- 大小:172.88 KB
- 文档页数:34
建筑工程施工质量验收资料(DQ:给排水部分)档号档案馆代号案卷题名凯燕电子有限公司新建厂房三编制单位南京市第四建筑工程有限公司编制日期密级保管期限共卷第卷江苏省建设工程质量监督总站编印江苏省建设厅文件苏建质(2002)332号关于统一使用“建筑工程施工质量验收资料”的通知南京市建委、建工局、各市建设局、有关单位:为贯彻落实国家标准《建筑工程施工质量验收统一标准》(GB50300-2001)及配套工程质量验收规范,保证工程施工质量验收资料统一、规范、完整,我厅根据《建筑工程施工质量验收统一标准》(GB50300-2001)及配套套质量验收规范组织编制了《建筑工程质量验收资料》,并于2007年11月1日起在新开工的工程中统一使用。
原省建设工程监督站印发的《单位工程质量检验评定资料》废止。
现将有关事项通知如下:一、各地要认真组织监理(建设)单位、施工企业等认真学习掌握《建筑工程施工质量验收资料》,要求《建筑工程施工质量验收资料》表格中的签字者必须具有相应的资格并持有相应证书方可签字,并对签字的内容负责。
二、在收集、整理、填写该资料时,必须与施工工序同步,以保证其真实性,不得弄虚作假。
各工程质量监督站在工程抽查、核查资料资料过程中应认真把关,一经发现有弄虚作假的应予以查处。
三、《建筑工程施工质量验收资料》由省建设工程质量监督总站印刷。
四、在使用《建筑工程施工质量验收资料》时,如有意见或建议请及时向省建设工程质量监督总站反映。
二OO二年十月二十日江苏省建设厅(章)建筑工程施工质量验收资料使用说明为认真贯彻执行国家《建筑工程施工质量验收统一标准》(GB50300-2001)及各专业规范,促进和帮助施工企业做好资料的收集和整理工作,使工程技术资料管理工作做到规范化、标准化、系统化。
我站依据《建筑工程施工质量验收统一标准》(GB50300-2001)和有关专业规范编制了《建筑工程施工质量验收资料》。
全套共8分册。
DQ1 。
1 工程名称施工许可证号建设单位项目负责人设计单位项目负责人监理单位施工单位主要工种姓名工种持证名称证号发证部门现场管理制度质量检验制度施工图审查情况施工组织设计及方案审批人现场使用主要设备仪器、仪表单名称型号规格数量备注位专业施工负责人:年月日专业监理工程师:年月日DQ1 。
2 DQ1.3工程名称施工单位分包单位序号分项工程名称123456结构类型技术部门负责人分包单位负责人检验施工单位检查评定批数层数质量部门负责人分包技术负责人验收意见层数/建造面积/开/竣工日期/专业技术负责人/证号/项目专业技术负责人/证号/验收内容验收结论共子分部,经查子分部;符合规范及设计要求子分部共页,经审查符合要求项;经核定符合规范要求项共抽查项,符合要求项;经返工处理符合要求项共抽查项,符合要求项;不符合要求项设计单位(公章)单位(项目)负责人:年月日监理单位(公章)单位(项目)负责人:年月日建设单位(公章)单位(项目)负责人:年月日工程名称施工单位项目经理/证号/ 序号项目1 2 3 4 5参加验收单位子分部工程质量验收质量管理资料核查安全、卫生和主要使用功能核查抽查结果观感质量验收综合验收结论施工单位(公章)单位(项目)负责人:年月日DQ1.4工程名称施工单位 分包单位序号 检验批部位、区段 1 2 3 4 56检验批数技术负责人分包项目经理监理(建设)单位验收结论结构类型项目经理分包单位负责人施工单位评定结果 应查项数 项 检查结果应查项数 项 检查结果应查项数 项 好: 项 普通:项目经理:项目经理:设计负责人:专业监理工程师: 总监理工程师:(建设单位项目专业负责人)7 8 9 10 11质量控制资料 安 全 和功 能 检 验 (检测)报告 观感质量验收分包单位施工单位设计单位监理(建设)单位项 差: 项年 月 日年 月 日年 月 日年 月 日验收意 见7 8 910111213检查结论项目专业技术负责人:年验收结月日论专业监理工程师:(建设单位项目专业技术负责人)年月日DQ1.5 工程名称施工单位序号资料名称份数检查意见检查人1 2 3 4 5 图纸会审、设计变更、洽商记录材料、器具、设备合格证及进场检(试) 验收记录隐蔽工程验收记录接地电阻、绝缘电阻测试记录空载和负荷试运行记录6 电气设备交接调试试验记录7 工序交接合格等施工记录8 分项、分部工程质量验收记录检查结论:施工单位项目经理:验收意见:总监理工程师:年月日 (建设单位项目负责人)年月日DQ1.6工程名称安全和功能检查项目12345 照明全负荷试验记录大型灯具坚固性试验记录避雷接地电阻测试记录路线、插座、开关接地及其他部 分检验记录各类电源自动切换或者断 电装置馈电路线的绝缘电阻接地(PE )或者接零(PEN) 的导通状态开关插座的接线正确性漏电保护装置的动作电 流和时间接地装置的接地电阻7 由照明设计确定的照度抽查和检验意见: 施工技术负责人: 施工单位项目经理:年 月 日施工单位核查意见 抽查结果验收结论:总监理工程师:(建设单位项目负责人)年核(抽) 查人月 日6 4 5序号312 正式通 电 后 可 抽 测份数DQ1。
目录建筑给水排水及采暖工程施工现场质量管理记录提示该表如栏目内不够填写时,可另行加页。
建筑给水排水及采暖分部工程质量验收记录建筑给水排水及采暖分部工程质量验收记录(统表1)建筑给水排水及采暖分项工程质量验收记录(统表2)建筑给水排水及采暖工程质量控制资料核查记录建筑给水排水及采暖工程安全和功能检验资料核查及主要功能抽查记录建筑给水排水及采暖工程观感质量检查记录设备进场验收记录建筑给水排水及采暖工程材料、设备、器具合格证、质保书、进场检(试)验报告汇总表技术负责人:质量检查员:年月日提示建筑给水排水及采暖工程、材料、配件设备出厂合格证、质保书按下列范围整理:1.镀锌管、排水塑料管、给水塑料管、复合管应有质保书或合格证;镀锌管质保书上应明确本单位工程中使用材料的型号、规格、数量、机械性能和化学成分,如物资公司使用抄件,应有原件编号,原件存放处,供货单位应盖章,抄件人应签名。
建筑工程用给水排水塑料管应有试验报告,省建委推广证,给水塑料管,以及卫生部门认可的卫生许可证。
2.阀门、水嘴、散热器、消防接合器、室外消火栓、室内消火栓箱、卫生器具、压力表、水位计、温度计、安全阀等配件以及保温材料等应有产品质量合格证。
3.设备应包括锅炉、锅炉附属设备、水泵、风机、热交换器、除尘器、分汽缸、水处理设备等应有产品质量合格证及有关随机重要说明。
4.有防火要求的产品(如消火箱等)及配件应有消防部门认可的生产许可证。
5.以上所述材料合格证,质保书及有关试验报告存档填写不够时,可另页附后。
6.表中数量为合格证或质保书数量,不应填写材料或设备,附件数量。
管道工程隐蔽验收记录提示一、隐蔽内容中应包括隐蔽的数量、管道系统的规格及型号、固定方法、及接口型式等。
二、检查结果栏中应包括隐蔽的管道系统防腐、管道支承、固定、各种试验,管道坡度,埋深等必须检查,并有相应的验收记录。
管道支、吊架安装记录提示一、本表可与管道隐蔽记录配套使用。
二、埋地管道安装:1.管道应填写管下部垫层状态(如:细砂厚度≥100mm,宽度≥管径的倍,坡度与管道坡度相同,管顶回填细土或砂的厚度≥200mm。
建筑工程施工质量验收资料
(TJ:土建部分)
档号
档案馆代号
案卷题名绿云公寓三#楼
编制单位安居建筑工程有限公司
编制日期
密级保管期限
共卷第卷
江苏省建设工程质量监督站编印建筑工程施工质量验收资料(DQ:建筑电气工程部分)
档号
档案馆代号
案卷题名绿云公寓三#楼
编制单位安居建筑工程有限公司
编制日期
密级保管期限
共卷第卷江苏省建设工程质量监督站编印
建筑工程施工质量验收资料(SN:建筑给排水工程部分)
档号
档案馆代号
案卷题名绿云公寓三#楼
编制单位安居建筑工程有限公司
编制日期
密级保管期限
共卷第卷江苏省建设工程质量监督站编印
建筑工程施工质量验收资料
(JN:建筑节能工程部分)
档号
档案馆代号
案卷题名绿云公寓三#楼
编制单位安居建筑工程有限公司
编制日期
密级保管期限
共卷第卷江苏省建设工程质量监督站编印
THANKS !!!
致力为企业和个人提供合同协议,策划案计划书,学习课件等等
打造全网一站式需求
欢迎您的下载,资料仅供参考。
江苏省建筑工程施工质量验收
资料(总165页)
-CAL-FENGHAI.-(YICAI)-Company One1
-CAL-本页仅作为文档封面,使用请直接删除
目录
工程概况 TJ1.1
施工现场质量管理检查记录 TJ1.3
施工组织设计/方案报审表
工程名称:编号:A3.1____-____
施工组织设计、施工方案审批表 TJ1.4
开工报告 TJ1.6
编号:
混凝土外加剂(及其它材料)产品合格证
混凝土试块试压报告汇总表 TJ2.4.1
工程名称: 德尔国际丝绸广场一期5#楼该验收批设
注:1.fcu,i—第i组混凝土抗压强度代表值。
2.不同验收批的混凝土、标准养护和与结构实体同条件养护的混凝土应分别汇总评定。
试验报告分别附本汇总表后。
混凝土强度评定 TJ2.4.2
————————————
结构实体混凝土强度评定 TJ2.4.3————————————
注:同条件养护试件强度GBJ107的规定确定后,宜取1.10的折算系数。
砂浆强度汇总评定表 TJ2.4.4
钢筋隐蔽工程验收记录 TJ统表2.5
第页共
屋面、天沟、檐口、檐沟、水落口、泛水、变形缝和伸出屋面管道的防水构造隐蔽工程验收记录
TJ统表2.5
第页共
抹灰工程隐蔽验收记录
TJ统表2.5
第页共
施工日志 TJ2.6.1
现场施工预应力记录 TJ2.6.2
(建设单位项目负责人) 记录人:地基验槽记录和地基处理记录
TJ2.6.3
钢筋混凝土保护层定位件隐蔽工程验收记录
2、保护层厚度允许偏差基础±10、柱梁±5、板、墙、壳±3。
目录工程概况TJ1.1工程项目施工管理人员名单TJ1.2开工日期:年月日施工组织设计/方案报审表工程名称:编号:A3.1____-____施工组织设计、施工方案审批表TJ1.4技术交底记录TJ1.5开工报告TJ1.6图纸会审、设计变更、洽商记录汇总表 TJ2.1设计交底记录 TJ2.1.2编号:工程定位测量、放线验收记录TJ2.2砖(砌块)检验报告汇总表TJ2.3.3技术负责人: 质量检查员:混凝土外加剂(及其它材料)产品合格证技术负责人: 质量检查员:技术负责人: 质量检查员:技术负责人: 质量检查员:混凝土试块试压报告汇总表TJ2.4.1注:1.fcu,i—第i组混凝土抗压强度代表值。
2.不同验收批的混凝土、标准养护和与结构实体同条件养护的混凝土应分别汇总评定。
试验报告分别附本汇总表后。
混凝土强度评定TJ2.4.2————————————结构实体混凝土强度评定TJ2.4.3 ————————————注:同条件养护试件强度GBJ107的规定确定后,宜取1.10的折算系数。
砂浆强度汇总评定表TJ2.4.4 工程名称: 该批设计等级:钢筋连接试验报告、焊条(剂)合格证汇总表TJ2.4.5技术负责人: 质量检查员:钢筋隐蔽工程验收记录TJ统表2.5屋面、天沟、檐口、檐沟、水落口、泛水、变形缝和伸出屋面管道的防水构造隐蔽工程验收记录TJ统表2.5抹灰工程隐蔽验收记录TJ统表2.5施工日志TJ2.6.1现场施工预应力记录TJ2.6.2(建设单位项目负责人) 记录人:地基验槽记录和地基处理记录TJ2.6.3技术负责人: 质量检查员:钢筋混凝土保护层定位件隐蔽工程验收记录2、保护层厚度允许偏差基础±10、柱梁±5、板、墙、壳±3。
钢筋保护层厚度实测表TJ2.8.1厕所、厨房、阳台等有防水要求的地面泼水、蓄水试验记录TJ3.3。
目录
工程概况
工程项目施工管理人员名单
施工组织设计/方案报审表工程名称:编号:
施工组织设计、施工方案审批表
开工报告
编号:
混凝土外加剂(及其它材料)产品合格证
混凝土试块试压报告汇总表 TJ2.4.1
注:,i—第i组混凝土抗压强度代表值。
2.不同验收批的混凝土、标准养护和与结构实体同条件养护的混凝土应分别汇总评定。
试验报告分别附本汇总表后。
混凝土强度评定 TJ2.4.2
————————————
结构实体混凝土强度评定 TJ2.4.3————————————
注:同条件养护试件强度GBJ107的规定确定后,宜取的折算系数。
砂浆强度汇总评定表 TJ2.4.4
钢筋隐蔽工程验收记录 TJ统表
屋面、天沟、檐口、檐沟、水落口、泛水、变形缝和伸出屋面管道的防水构造隐蔽工程验收记录
TJ统表
抹灰工程隐蔽验收记录
TJ统表
施工日志 TJ2.6.1
现场施工预应力记录 TJ2.6.2
(建设单位项目负责人) 记录人:
地基验槽记录和地基处理记录 TJ2.6.3
钢筋混凝土保护层定位件隐蔽工程验收记录
2、保护层厚度允许偏差基础±10、柱梁±5、板、墙、壳±3。
建筑物沉降观测记录
单位(子单位)工程质量竣工验收记录 TJ4.0.1。
江苏省建筑工程施工质量验收资料工程概况TJ1.1工程项目施工治理人员名单TJ1.2施工现场质量治理检查记录TJ1.3开工日期:年月日施工组织设计/方案报审表工程名称:编号:A3.1____-____施工组织设计、施工方案审批表TJ1.4技术交底记录TJ1.5开工报告TJ1.6图纸会审、设计变更、洽商记录汇总表 TJ2.1设计交底记录 TJ2.1.2编号:工程定位测量、放线验收记录TJ2.2钢材合格证和复试报告汇总表TJ2.3.1技术负责人: 质量检查员:水泥出厂合格证和复试报告汇总表TJ2.3.2技术负责人: 质量检查员:砖(砌块)检验报告汇总表TJ2.3.3技术负责人: 质量检查员:混凝土外加剂(及其它材料)产品合格证出厂检验报告和进场复验报告汇总表TJ2.3.4技术负责人: 质量检查员:防水和保温材料合格证、复试报告汇总表TJ2.3.5技术负责人: 质量检查员:技术负责人: 质量检查员:混凝土试块试压报告汇总表TJ2.4.1工程名称: 德尔国际丝绸广场一期5#楼该验收批设计等级: C40注:1.fcu,i—第i组混凝土抗压强度代表值。
2.不同验收批的混凝土、标准养护和与结构实体同条件养护的混凝土应分别汇总评定。
试验报告分别附本汇总表后。
混凝土强度评定TJ2.4.2————————————结构实体混凝土强度评定TJ2.4.3 ————————————注:同条件养护试件强度GBJ107的规定确定后,宜取1.10的折算系数。
砂浆强度汇总评定表TJ2.4.4 工程名称: 该批设计等级:钢筋连接试验报告、焊条(剂)合格证汇总表TJ2.4.5技术负责人: 质量检查员:土壤试验记录汇总表TJ2.4.6钢筋隐藏工程验收记录TJ统表2.5屋面、天沟、檐口、檐沟、水落口、泛水、变形缝和伸出屋面管道的防水构造隐藏工程验收记录TJ统表2.5抹灰工程隐藏验收记录TJ统表2.5施工日志TJ2.6.1现场施工预应力记录TJ2.6.2(建设单位项目负责人) 记录人:地基验槽记录和地基处理记录TJ2.6.3技术负责人: 质量检查员:钢筋混凝土爱护层定位件隐藏工程验收记录2、爱护层厚度承诺偏差基础±10、柱梁±5、板、墙、壳±3。
建筑工程施工质量验收资料(TJ:土建部分)档号档案馆代号案卷题名编制单位编制日期密级保管期限共卷第卷江苏省建设工程质量监督站编印江苏省建设厅文件苏建质(2002)332号关于统一使用“建筑工程施工质量验收资料”的通知南京市建委、建工局,各市建设局,有关单位:为贯彻落实国家标准《建筑工程施工质量验收统一标准》(GB50300-2001)及配套工程质量验收规范,保证工程施工质量验收资料统一、规范、完整,我厅根据《建筑工程施工质量验收统一标准》(GB5000-2001)及配套工程质量验收规范组织编制了《建筑工程质量验收资料》,并于2002年11月1日起在新开工的工程中统一使用。
原省建设工程质量监督站印发的《单位工程质量检验评定资料》废止。
现将有关事项通知如下:一、各地要认真组织监理(建设)单位、施工企业等认真学习掌握《建筑工程质量验收资料》,要求《建筑工程施工质量验收资料》表格中的签字者必须具有相应的资格并持有相应证书方可签字,并对签字的内容负责。
二、以收集、整理、填写该资料时,必须与施工工序同步,以保证其真实性,不得弄虚作假。
各工程质量监督站在工程抽查、核查资料过程中应认真把关,一经发现有弄虚作假的应予以查处。
三、《建筑工程施工质量验收资料》由省建设工程质量监督站统一印刷。
四、在使用《建筑工程施工质量验收资料》时,如有意见或建议请及时向省建设工程质量监督站反映。
为认真贯彻执行国家《建筑工程施工质量验收统一标准》(GB50300-2001)及其相应的规范,促进施工企业做好资料的收集和整理工作,使工程技术资料管理工作做到规范化、标准化、系统。
我站依据《建筑工程施工质量验收统一标准》(GB50300-2001)及其相应的规范编制了《建筑工程施工质量验收资料》,全套共8个分册。
本册是土建部分,另7册分别是桩基部分、玻璃幕墙部分、钢结构部分、给水排水及采暖工程及建筑电气部分和通风空调及电梯部分。
如工程中水及到的另7部分,必须纳入本册。
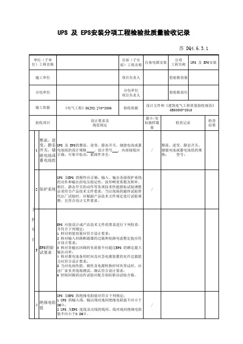
建筑工程施工质量验收资料(DQ建筑电气工程部分)档号档案馆代号案卷题名编制单位编制日期密级保管期限共卷第卷江苏省建设工程质量监督站印制目录注:打“*"号的验收记录用前面相同的表建筑电气单位工程概况表DQ1.1建筑电气工程施工现场质量管理记录DQ1。
2建筑电气分部(子分部)工程质量验收记录DQ1。
3建筑电气工程质量控制资料核查记录DQ1.4建筑电气工程安全和功能检验资料核查及主要功能抽查记录DQ1。
5建筑电气工程观感质量检查记录DQ1。
6建筑电气工程材料、设备、成品、半成品出厂合格证及进场检(试)验报告汇总表(检测报告) DQ2。
1技术负责人:质量检查员:年月日电导管安装隐蔽验收记录DQ2。
3电导管内穿线隐蔽验收记录DQ2。
4重复接地(防雷接地)工程隐蔽验收记录DQ2.5防雷接地系统布置简图DQ2。
6附防雷接地简图配线敷设施工隐蔽验收记录DQ2。
7DQ2.8电气设备交接试验记录线路(设备)绝缘电阻测试记录DQ2。
9接地电阻测试记录DQ2。
1 0。
各种性质土壤的季节系数—-测量前数天下过较长时间的雨,土壤很潮湿时用之;注:Ψ1——测量时土壤较潮湿,具有中等含水量时用之;Ψ2Ψ—-测量时土壤干燥或测量前降雨不大时用之.3接地(PE)或接零(PEN)导通状态及插座接线正确性测试记录DQ2。
11建筑照明通电试运行记录DQ2.13大型灯具牢固性试验记录DQ2.14室外电气(子分部)工程质量验收记录DQ3。
1分项工程质量验收记录DQ3。
1.1架空线路及杆上电气设备安装分项工程检验批质量验收记录DQ3。
1。
2变压器、箱式变电所安装分项工程质量验收记录DQ3。
1.3变压器、箱式变电所安装分项工程检验批质量验收记录DQ3。
1。
4成套配电柜、控制柜(屏、台)和动力、照明配电箱(盘)及控制柜安装分项工程质量验收记录DQ3.1.5成套配电柜、控制柜(屏、台)和动力、照明配电箱(盘)安装分项工程检验批质量验收记录DQ3.1.6续表续表电线导管、电缆导管和线槽敷设分项工程质量验收记录DQ3。