东莞供电局业扩类电子化移交工作指引(第一版)
- 格式:docx
- 大小:685.52 KB
- 文档页数:25
广电市〔2015〕43号附件广东电网有限责任公司业扩工程投资界面执行工作指引(试行)为落实公司业扩工程投资界面延伸到客户红线工作,特制定本工作指引:一、业扩工程投资界面延伸标准(一)高压(35kV及以上)客户对于35kV及以上客户,在其规划用电区域红线范围内提供变电站用地,由电网公司投资建设(含输电线路、变电站、出线间隔)到客户规划用电区域红线范围内,负荷侧线路及受电工程由客户投资建设。
再戸规划用电区箕觥围高压(35kV及以上)客户业扩投资分界示意图(二)中压(10-20kV专变)客户对于电缆线路供电的中压客户,在其规划用电区域红线范围内提供公用配电房,电网公司投资的公用环网柜应设臵于该公用配电房内。
以客户线路接入公用环网柜的连接点(电缆终端头)为投资分界点,分界点电源侧设施由电网公司投资建设,分界点负荷侧设施(含电缆终端头)由客户投资建设。
! 环网柜iljll!分界点用户用电宓!^ 围用户规划用电区域红线范围中压(10-20kV)架空线路供电客户业扩投资分界示意图为分界点,分界点电源侧设施由电网公司投资(含杆塔、开关),分界点负荷侧设施由客户投资建设。
用户配电站中压(10-20kV)电缆线路供电客户业扩投资分界示意图对于采用架空线路供电的中压客户,以客户红线外第一基杆塔(供电企业应将架空线路延伸至客户红线外50米内)客户装见总容量在lOOkVA及以上应由10(20)kV电压供电。
(三)低压(380/220V)客户对于低压(含居民和非居民)客户,以客户红线边低压计量装臵为投资分界点。
分界点电源侧供电设施由电网公司投资建设(含表箱和计量装臵),表后线(含漏电开关)由客户自行实施。
低压(380/220V )客户业扩投资分界示意图(四)统建住宅小区统建住宅小区在其规划用电区域红线范围内提供公用配电房,电网公司投资的公用环网柜应设臵于该公用配电房内。
以公用环网柜的连接点(电缆终端头)为投资分界点,分界点电源侧设施及计量装臵由电网公司投资建设,分界点负荷侧供电设施(含电缆终端头)由客户投资建设。
关于工程资料电子化移交的要求工程资料电子化移交因移交资料较多,为保证资料录入完整、审核地无遗漏和及时移交,根据移交流程要求如下:
一、台帐电子化移交
1、台帐结构按省公司最新《广东电网主网设备台帐规范》建立,设备注意不要选错类别,具体见附件1;
2、台帐基本信息和技术参数录入应齐全,否则不予验收;
3、台帐在验收前向变电部提供设备电子化移交设备信息表格,按同类别设备制作成一个Excel文件,每个设备一个工作表,每个工作表命名按:电压等级+间隔名称+相别命名,如:变电设施_一次设备_避雷器.xls表;三相一体不用相别,如:变电设施_一次设备_断路器.xls,具体见设备电子信息表格目录、附件2:广东电网公司电网设备电子化移交设备信息表格;
4、台帐在变电部验收前提供电子版设备铭牌相片(二次设备除提供屏柜铭牌相片外,还需提供各装置面板相片),见附件3:设备电子化移交设备铭牌相片、设备铭牌相片文件目录;
5、移交流程:基建工程移交流程图、大修技改移交流程图(不同颜色部分为修改内容)
二、工程资料电子文档移交
1、电子文档按附件4:广东电网公司电网工程建设资料电子化移交工程资料电子文档分类,移交文夹件及内容见附件5:电子文档移交汇总;
2、竣工图纸按间隔提供图纸,每一间隔一种类别一份;
3、有些供电局电子文档另有要求,应按当地供电局要求增加相关资料,如深圳供电局电源班见附件6:深圳供电局电源班电源设备基本信息一览表。
三、备品备件移交
1、移交前提供备品备件移交清单;
2、移交前提供设备技术协议书;
3、移交清单表:附件6设备备品备件工器具移交清单
四、设备台帐、竣工资料移交时序表。
广东电网有限责任公司业扩报装及配套项目管理细则广东电网有限责任公司统一编码:Q/CSG-GPG 2 14 001-20172017-08-11 印发封面2017-08-11 实施本制度信息2017-08-11 印发制度信息2017-08-11 实施广东电网有限责任公司业扩报装及配套项目管理细则1 总则为加强公司业扩报装及配套项目管理工作规范化管理,提高公司供电服务水平,特制定本实施细则。
本细则适用于广东电网有限责任公司本部及直属各供电局。
东莞、中山供电局所属供电分局履行县(区)供电局及供电所职责;各县级子公司参照直属县(区)供电局的职责划分执行,各县级子公司的市场部、计划建设部和生产设备管理部分别履行县(区)局营业部、计划建设部和配电部的职责。
2 规范性引用文件各引用文件的最新版本适用于本细则。
《中华人民共和国电力法》(中华人民共和国主席令第60 号)《电力供应与使用条例》(中华人民共和国国务院令第196号)《供电营业规则》(中华人民共和国电力工业部令第8 号)《供电监管办法》(电监会27 号令)《国家能源局关于印发压缩用电报装时间实施方案的通知》(国办函〔2017〕110 号)《住宅建筑电气设计规范》(JGJ242-2011)《供配电系统设计规范》(GB50052/2009)《国家电力监管委员会用户受电工程“三指定”行为认定指引》(办稽查[2009]76号)《广东省供用电条例》(广东省第十二届人民代表大会常务委员会第77号公告)《中国南方电网有限责任公司业扩管理标准》(Q/CSG 214031-2011)《中国南方电网有限责任公司业扩报装及配套项目管理办法》(Q/CSG214001-2017)《南方电网公司10kV 及以下电力客户受电工程中间检查和竣工检验工作规范(试行)》(南方电网市场〔2013〕32 号)《中国南方电网公司客户受电工程管理规定》(Q/CSG 214013-2011)《中国南方电网城市配电网技术导则》(Q/CSG 1 0012-2005)《中国南方电网有限责任公司供用电合同管理办法》(Q/CSG214024-2013)《中国南方电网有限责任公司新建电源及大用户并网管理办法》(Q/CSG213006-2013)《广东电网有限责任公司配电网规划技术指导原则》中国南方电网公司《关于加强业扩一体化管理的指导意见》(市场〔2012〕27 号)中国南方电网公司《10kV 及以下业扩受电工程典型设计(2014 版)》(南方电网市场(2014)14号)《南方电网公司10kV 用电客户电能计量装置典型设计》(Q/CSG)《南方电网公司低压用电客户电能计量装置典型设计》(Q/CSG)《关于南方电网公司业扩受电工程电子化移交工作的指导意见》(南方电网市场〔2014〕3 号)中国南方电网公司《加强业扩报装管理“五项机制”实施细则》(市场〔2015〕42 号)广东省物价局《转发国家发展改革委关于停止收取供配电贴费有关问题的补充通知》(粤价〔2004〕72 号)《中国南方电网有限责任公司物资管理规定》(Q/CSG217001-2014)《中国南方电网有限责任公司投资管理规定(修订)》(Q/CSG213001-2015)《中国南方电网有限责任公司基建项目招标采购管理办法》(南方电网基建〔2011〕32 号)《中国南方电网有限责任公司基建项目管理办法(2015)》(Q/CSG213003-2015)《中国南方电网有限公司项目管理规定》(Q/CSG213019-2014)《基建项目承包商管理业务指导书》(Q/CSG433002-2015)《关于南方电网公司储备物资补仓采购供应的指导意见》(南方电网物〔2016〕2 号)《广东省10kV 及以下业扩工程设备技术规范》《广东省10kV 及以下业扩工程设备选型规范》《广东省10kV 及以下业扩工程竣工检验规范》《广东电网公司电力营销管理规范》()《广东电网公司中低压业扩工程配套项目管理办法》(Q/CSG-GPG 2 14 040-2011)《广东电网公司档案管理制度》(Q/CSG—GPG 2 21 015—2011)《关于印发广东电网公司分布式光伏发电营业服务相关规范文件的通知》(广电市〔2014〕6 号)《广东电网有限责任公司业扩工程投资界面执行工作指引(试行)》(广电市〔2015〕43 号)《关于进一步明确中低压业扩配套工程项目工程建设提升措施的通知》(广电建部〔2016〕86 号)《关于进一步简化业扩配套项目审批流程的通知》(广电计〔2016〕137 号)《南方电网公司10kV电力客户供电方案制定业务指导书(2016版)》(南方电网市场〔2016〕3号)《重要电力用户供电电源及自备应急电源配置技术规范》(GB/Z 29328-2012)《供电企业信息公开实施办法》(国能监管〔2014〕149号)《关于印发南方电网公司配网电子化移交操作指引的通知》(设备〔2016〕33 号)《关于落实中压业扩工程配套项目管理提升措施的通知》(广电市〔2016〕58号)《关于用户接入系统原则调整的通知》(南方电网计〔2016〕59号)3 术语和定义业扩:又称业务扩充,指为客户办理新装、增容业务手续,包括业务受理、现场勘查、确定及答复供电方案、受电工程设计审查、中间检查、竣工检验、签订供用电合同、装表接电和建立客户档案等工作环节。
Q/CSG电网公司供电局管理制度供电局业扩报装管理实施细则2016-04-24发布 2016-04-24实施电网公司供电局发布目录目录 (3)前言 (5)1总则 (6)2规范性引用文件 (6)3术语和定义 (7)4职责 (9)4.1局领导 (9)4.2市场营销部 (9)4.3生产设备管理部 (10)4.4计划发展部 (11)4.5电力调度控制中心................................................................................................. 错误!未定义书签。
4.6客户服务中心 (12)4.7昭阳分局 (14)4.8计量中心 (15)4.9输电管理所 (16)4.10变电管理所检修部 (16)4.11企业管理部 (16)4.12财务部 (16)4.13营销稽查中心 (17)4.14监察审计部 (17)4.15县级供电公司 (17)5管理内容与方法 (23)5.1总体要求 (23)5.2报装受理 (25)5.3受理回执 (29)5.4现场勘查 (29)5.5供电方案确定与答复 (31)5.6制定供电方案 (33)5.7审批供电方案 (33)5.8确定并答复供电方案 (33)5.9设计单位资质核验 (34)5.10受电工程设计审核 (36)5.11设计方案审核 (38)5.12工程建设相关资质核验 (39)5.13中间检查及竣工检验 (41)5.14供用电合同签订 (45)5.15电能计量装置装拆 (46)5.16接火送电 (47)5.17业扩归档 (48)5.18客户回访 (49)5.19变更和临时用电 (50)5.20预受理和“一日通” (57)6检查与考核 (58)7附录 (59)附录A 用电负荷需用系数表 (60)附录B 住宅、商业和办公用电负荷密度 (62)附录C 315KVA及以上供电方案审批流程 (63)附录D 315KVA以下高压新装、增容工作流程图 (65)附录E 新增、增容、变更用电业务工作流程图 (66)附录F预受理子流程图 (67)附录G 用电报装业务办理客户告知书 (68)附录H 客户经理服务规范 (72)附录I 业扩工程回访意见卡 (73)附录J 设计、施工和设备供应单位资质条件 (70)附录K 预受理服务流程 (76)前言为实现“服务好、管理好、形象好”的国际先进电网企业战略目标,加强业扩一体化、规范化管理,提升业扩报装效率,及时满足客户用电需求,统一客户新装、增容、变更用电报装业务各个环节的处理方法,进一步规范客户用电申请审批工作流程,加快客户用电业务办理速度,缩短客户用电申请审批时间,确保依法经营和供电服务承诺的兑现,特制定本细则。
广东电网有限责任公司业扩报装及配套项目管理细则广东电网有限责任公司统一编码:Q/CSG-GPG 2 14 001-20172017-08-11印发封面2017-08-11实施本制度信息2017-08-11印发制度信息2017-08-11实施广东电网有限责任公司业扩报装及配套项目管理细则1总则为加强公司业扩报装及配套项目管理工作规范化管理,提高公司供电服务水平,特制定本实施细则。
本细则适用于广东电网有限责任公司本部及直属各供电局。
东莞、中山供电局所属供电分局履行县(区)供电局及供电所职责;各县级子公司参照直属县(区)供电局的职责划分执行,各县级子公司的市场部、计划建设部和生产设备管理部分别履行县(区)局营业部、计划建设部和配电部的职责。
2规范性引用文件各引用文件的最新版本适用于本细则。
《中华人民共和国电力法》(中华人民共和国主席令第60号)《电力供应与使用条例》(中华人民共和国国务院令第196号)《供电营业规则》(中华人民共和国电力工业部令第8号)《供电监管办法》(电监会27号令)《国家能源局关于印发压缩用电报装时间实施方案的通知》(国办函〔2017〕110号)《住宅建筑电气设计规范》(JGJ242-2011)《供配电系统设计规范》(GB50052/2009)《国家电力监管委员会用户受电工程“三指定”行为认定指引》(办稽查[2009]76号)《广东省供用电条例》(广东省第十二届人民代表大会常务委员会第77号公告)《中国南方电网有限责任公司业扩管理标准》(Q/CSG 214031-2011)《中国南方电网有限责任公司业扩报装及配套项目管理办法》(Q/CSG214001-2017)《南方电网公司10kV及以下电力客户受电工程中间检查和竣工检验工作规范(试行)》(南方电网市场〔2013〕32号)《中国南方电网公司客户受电工程管理规定》(Q/CSG 214013-2011)《中国南方电网城市配电网技术导则》(Q/CSG 1 0012-2005)《中国南方电网有限责任公司供用电合同管理办法》(Q/CSG214024-2013)《中国南方电网有限责任公司新建电源及大用户并网管理办法》(Q/CSG213006-2013)《广东电网有限责任公司配电网规划技术指导原则》中国南方电网公司《关于加强业扩一体化管理的指导意见》(市场〔2012〕27号)中国南方电网公司《10kV及以下业扩受电工程典型设计(2014版)》(南方电网市场(2014)14号)《南方电网公司10kV用电客户电能计量装置典型设计》(Q/CSG)《南方电网公司低压用电客户电能计量装置典型设计》(Q/CSG)《关于南方电网公司业扩受电工程电子化移交工作的指导意见》(南方电网市场〔2014〕3号)中国南方电网公司《加强业扩报装管理“五项机制”实施细则》(市场〔2015〕42号)广东省物价局《转发国家发展改革委关于停止收取供配电贴费有关问题的补充通知》(粤价〔2004〕72号)《中国南方电网有限责任公司物资管理规定》(Q/CSG217001-2014)《中国南方电网有限责任公司投资管理规定(修订)》(Q/CSG213001-2015)《中国南方电网有限责任公司基建项目招标采购管理办法》(南方电网基建〔2011〕32号)《中国南方电网有限责任公司基建项目管理办法(2015)》(Q/CSG213003-2015)《中国南方电网有限公司项目管理规定》(Q/CSG213019-2014)《基建项目承包商管理业务指导书》(Q/CSG433002-2015)《关于南方电网公司储备物资补仓采购供应的指导意见》(南方电网物〔2016〕2号)《广东省10kV及以下业扩工程设备技术规范》《广东省10kV及以下业扩工程设备选型规范》《广东省10kV及以下业扩工程竣工检验规范》《广东电网公司电力营销管理规范》()《广东电网公司中低压业扩工程配套项目管理办法》(Q/CSG-GPG 2 14 040-2011)《广东电网公司档案管理制度》(Q/CSG—GPG 2 21 015—2011)《关于印发广东电网公司分布式光伏发电营业服务相关规范文件的通知》(广电市〔2014〕6号)《广东电网有限责任公司业扩工程投资界面执行工作指引(试行)》(广电市〔2015〕43号)《关于进一步明确中低压业扩配套工程项目工程建设提升措施的通知》(广电建部〔2016〕86号)《关于进一步简化业扩配套项目审批流程的通知》(广电计〔2016〕137号)《南方电网公司10kV电力客户供电方案制定业务指导书(2016版)》(南方电网市场〔2016〕3号)《重要电力用户供电电源及自备应急电源配置技术规范》(GB/Z 29328-2012)《供电企业信息公开实施办法》(国能监管〔2014〕149号)《关于印发南方电网公司配网电子化移交操作指引的通知》(设备〔2016〕33号)《关于落实中压业扩工程配套项目管理提升措施的通知》(广电市〔2016〕58号)《关于用户接入系统原则调整的通知》(南方电网计〔2016〕59号)3术语和定义业扩:又称业务扩充,指为客户办理新装、增容业务手续,包括业务受理、现场勘查、确定及答复供电方案、受电工程设计审查、中间检查、竣工检验、签订供用电合同、装表接电和建立客户档案等工作环节。
中国南方电网广东电网公司XX供电局“一站妥”服务管理修编操作手册广东电网公司xx供电局烟台海颐软件股份有限公司2011年9月目录一、业扩一站妥 (3)(一)、业扩一站妥指标展现 (3)1。
提供供电方案及时率 (3)2。
图纸审查及时率 (4)3. 装表接电及时率 (4)4. 客户回访满意率 (4)(二)业扩一站妥结果展现 (5)1. 业扩一站妥统计查询 (5)二、抄表缴费一站妥 (6)(一)、抄表缴费一站妥指标展现 (6)1. 电费账务形成及时率 (6)2。
账单准确率 (6)(二)、抄表缴费一站妥结果展现 (7)1。
抄表缴费一站妥统计查询 (7)三、欠费复电一站妥 (8)(一)、欠费复电一站妥指标展现 (8)1. 欠费停电状态更新率 (8)2. 欠费复电及时率 (8)(二)、欠费复电一站妥结果展现 (9)1. 欠费复电一站妥统计查询 (9)四、停电通知一站妥 (10)(一)、停电一站妥相关指标展现 (10)1. 停电计划提前通知率 (10)2。
联络信息有效率 (10)(二)、停电通知一站妥结果展现 (10)2. 停电通知一站妥统计查询 (10)五、故障抢修一站妥 (11)(一)、故障抢修一站妥指标展现 (11)1。
抢修派单及时率 (11)2.急修人员到达现场及时率 (12)3. 恢复供电及时率 (12)4. 故障报修回访客户满意率 (13)(二)、故障报修一站妥结果的展现 (14)1. 故障保修一站妥统计查询 (14)六、咨询查询一站妥 (15)(一)、咨询查询一站妥指标展示 (15)1。
95598呼损率 (15)2. 首次呼叫解答率 (16)3. 咨询查询工单受理质量合格率 (16)(二)、咨询查询一站妥结果展现 (17)1。
咨询查询一站妥统计查询 (17)七、投诉一站妥 (18)(一)、投诉一站妥相关指标展现 (18)1. 投诉工单受理质量合格率 (18)2. 投诉工单按时完成率 (18)3。
广东电网有限责任公司业扩报装及配套项目管理细则广东电网有限责任公司统一编码:Q/CSG-GPG 2 14 001-20172017-08-11印发封面2017-08-11实施本制度信息陈松波、、、李林发、童亮、何国强、莫莹莹2017-08-11印发制度信息2017-08-11实施广东电网有限责任公司业扩报装及配套项目管理细则1总则1.1 为加强公司业扩报装及配套项目管理工作规范化管理,提高公司供电服务水平,特制定本实施细则。
1.2 本细则适用于广东电网有限责任公司本部及直属各供电局。
东莞、中山供电局所属供电分局履行县(区)供电局及供电所职责;各县级子公司参照直属县(区)供电局的职责划分执行,各县级子公司的市场部、计划建设部和生产设备管理部分别履行县(区)局营业部、计划建设部和配电部的职责。
2规范性引用文件各引用文件的最新版本适用于本细则。
《中华人民共和国电力法》(中华人民共和国主席令第60号)《电力供应与使用条例》(中华人民共和国国务院令第196号)《供电营业规则》(中华人民共和国电力工业部令第8号)《供电监管办法》(电监会27号令)《国家能源局关于印发压缩用电报装时间实施方案的通知》(国办函〔2017〕110号)《住宅建筑电气设计规范》(JGJ242-2011)《供配电系统设计规范》(GB50052/2009)《国家电力监管委员会用户受电工程“三指定”行为认定指引》(办稽查[2009]76号)《广东省供用电条例》(广东省第十二届人民代表大会常务委员会第77号公告)《中国南方电网有限责任公司业扩管理标准》(Q/CSG 214031-2011)《中国南方电网有限责任公司业扩报装及配套项目管理办法》(Q/CSG214001-2017)《南方电网公司10kV及以下电力客户受电工程中间检查和竣工检验工作规范(试行)》(南方电网市场〔2013〕32号)《中国南方电网公司客户受电工程管理规定》(Q/CSG 214013-2011)《中国南方电网城市配电网技术导则》(Q/CSG 1 0012-2005)《中国南方电网有限责任公司供用电合同管理办法》(Q/CSG214024-2013)《中国南方电网有限责任公司新建电源及大用户并网管理办法》(Q/CSG213006-2013)《广东电网有限责任公司配电网规划技术指导原则》中国南方电网公司《关于加强业扩一体化管理的指导意见》(市场〔2012〕27号)中国南方电网公司《10kV及以下业扩受电工程典型设计(2014版)》(南方电网市场(2014)14号)《南方电网公司10kV用电客户电能计量装置典型设计》(Q/CSG113007-2012)《南方电网公司低压用电客户电能计量装置典型设计》(Q/CSG113006-2012)《关于南方电网公司业扩受电工程电子化移交工作的指导意见》(南方电网市场〔2014〕3号)中国南方电网公司《加强业扩报装管理“五项机制”实施细则》(市场〔2015〕42号)广东省物价局《转发国家发展改革委关于停止收取供配电贴费有关问题的补充通知》(粤价〔2004〕72号)《中国南方电网有限责任公司物资管理规定》(Q/CSG217001-2014)《中国南方电网有限责任公司投资管理规定(修订)》(Q/CSG213001-2015)《中国南方电网有限责任公司基建项目招标采购管理办法》(南方电网基建〔2011〕32号)《中国南方电网有限责任公司基建项目管理办法(2015)》(Q/CSG213003-2015)《中国南方电网有限公司项目管理规定》(Q/CSG213019-2014)《基建项目承包商管理业务指导书》(Q/CSG433002-2015)《关于南方电网公司储备物资补仓采购供应的指导意见》(南方电网物〔2016〕2号)《广东省10kV及以下业扩工程设备技术规范》《广东省10kV及以下业扩工程设备选型规范》《广东省10kV及以下业扩工程竣工检验规范》《广东电网公司电力营销管理规范》(S.00.00.04/G100-0009-0810-1630)《广东电网公司中低压业扩工程配套项目管理办法》(Q/CSG-GPG 2 14 040-2011)《广东电网公司档案管理制度》(Q/CSG—GPG 2 21 015—2011)《关于印发广东电网公司分布式光伏发电营业服务相关规范文件的通知》(广电市〔2014〕6号)《广东电网有限责任公司业扩工程投资界面执行工作指引(试行)》(广电市〔2015〕43号)《关于进一步明确中低压业扩配套工程项目工程建设提升措施的通知》(广电建部〔2016〕86号)《关于进一步简化业扩配套项目审批流程的通知》(广电计〔2016〕137号)《南方电网公司10kV电力客户供电方案制定业务指导书(2016版)》(南方电网市场〔2016〕3号)《重要电力用户供电电源及自备应急电源配置技术规范》(GB/Z 29328-2012)《供电企业信息公开实施办法》(国能监管〔2014〕149号)《关于印发南方电网公司配网电子化移交操作指引的通知》(设备〔2016〕33号)《关于落实中压业扩工程配套项目管理提升措施的通知》(广电市〔2016〕58号)《关于用户接入系统原则调整的通知》(南方电网计〔2016〕59号)3术语和定义3.1 业扩:又称业务扩充,指为客户办理新装、增容业务手续,包括业务受理、现场勘查、确定及答复供电方案、受电工程设计审查、中间检查、竣工检验、签订供用电合同、装表接电和建立客户档案等工作环节。
关于完善配网电子化移交工作的通知
--------------------------------------------------------------------------------
各供电局:
为推进配网电子化移交功能实用化,要求各局完善配电电子化移交相关工作,具体要求如下:
1、从6月1日起,在提交配电停电票之前,要求全部配电停电票与相应的电子化移交工单作关联,相应的教程见《附件1:配电停电票关联电子化移交工单教程及其相关说明》,各供电局在审核配电停电票时,应关注配电停电票是否与电子化移交工单作了关联。
2、以下三类配电停电票:紧急消缺、事故后抢修、预试定检等不需要关联电子化移交工单。
3、从7月1日起,南网开始对营配信息集成工作进行统计评价,现要求各供电局从6月1日开始,在完成基建工程、大修技改、业扩工程等工作停送电后24小时之内及时将电子化移交工单归档。
4、公司从6月开始每周统计公布电子化移交数据,其中“配电停电票与电子化移交工单关联率”、“基建、大修技改、业扩等工程电子化移交及时率”为重要指标,请各供电局按要求完成。
发布部门:设备部
附件1:配电停电票关联电子化移交工单教程。
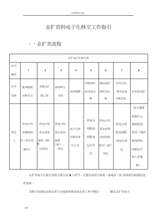
业扩资料电子化移交工作指引,、业扩类流程业扩类电子化移交流程主要分成8个环节,主要完成用户新装、增减容、拆除等相关数据信息的更新;流程大致通过由营业部门完成新营销系统业务工单办理后,触发业扩类电子化移交单到安全生产子系统,步骤如下:(1)客服班人员接收业扩工程电子化移交单并上存业扩电子化移交资料(上传的业扩工程电子化移交资料须由供电分局客服班(副)班长以及配电部运维岗位审核,审核真实、无误后在《电子化移交资料审核确认表》上签名确认,经得同意后方可上传资料,《电子化移交资料审核确认表》须连同电子化移交资料一并上传);(2)客服班(副)班长受理业扩竣工单并审核业扩资料的完整性及正确性;(3)客服班(副)班长审核业扩资料的完整性及正确性,填写业扩电子化移交单是否合格信息并触发电子化移交单到指定电子化移交服务单位人员;(4)电子化移交服务单位人员接收工单后完成系统的数据录入工作,并提交指定的供电分局配电部配电运行岗位进行审核;(5)供电分局配电部配电运行岗位审核绘制的图形及录入的设备台账参数是否正确;核对正确无误后将工单提交供电分局营业部用电检查班班员/(副)班长进行现场验收;(6)供电分局营业部用电检查班班员/(副)班长接收现场验收工单后组织配电部相关人员进行现场验收,审核绘制的图形与现场接线是否一致,审核录入的设备台账参数与现场设备是否一致;(7)供电分局配电部配电运行岗位审核确认设备台账参数及沿布图信息,对不涉及单线图调整的工单进行提交发布,若涉及单线图调整的工单,将提交至电力调度控制中心调度班值班员进行审核单线图;(8)电力调度控制中心调度班值班员审核单线图并进行工单发布。
(由于目前新GIS单轨试运行阶段,仍需保留配网调度图纸系统,现时新GIS平台单线图暂由分局人员兼职审核发布)二、工作要求1. 资料提交要求业扩类电子化移交资料包括(模板见资料模版):(1)电子化移交资料采集表圭寸面(2)提交资料一览表(3)设备参数表(涉及施工关联的所有设备)(4)相片(5)坐标记录表(6)沿布图(GIS打印1:500至1:1000比例绘制走向航拍图)(7)中、低压更动前后的接线图注明:(1)高压销户/暂停/复用:需在工单中说明清楚变压器编号、变压器名称、业务类型“高压销户/暂停/复用”、计划送电日期,需单独提供电子化移交资料采集表封面;(2)高压新装/增减容:需在工单中说明清楚变压器编号、变压器名称、业务类型“高压新装/增减容”、计划送电日期,需提供业扩工程电子化移交资料;2. 资料模版详见《附录2 :新GIS设备台帐采集表》3. 提交时间要求(1)施工单位应在申请工程竣工验收前7个工作日内收集、整理完整的电子化移交资料进行提交审核(上传前须经供电分局客服班(副)班长以及配电部运维岗位审核);(2)供电分局客服班(副)班长以及配电部运维岗位在施工单位提交工程资料后的一个工作日内,完成电子化移交资料的审核;(3)若供电分局在竣工验收时核查发现设备有变动的情况,应协调施工单位在一个工作日内收集、整理变动信息并提交供电分局审核且签名确认后,在半个工作日内将资料重新提交;(4)供电分局客服班(副)班长以及配电部运维岗位审核资料无误后,客服人员将电子化移交资料上传到“安全生产子系统”对应的电子化移交工单“移交附件”中,并触发工单给电子化移交服务单位进行系统数据录入;(5)电子化移交服务单位在接收电子化移交工单后,在2个工作日内完成内业录入作业,提交供电分局客服班班员审核;(6)用电检查班班员/(副)班长在接收电子化移交工单后,在1个工作日内完成电子化移交工单审核,审核无误后,提交供供电分局配电部运维岗位发布;(7)如果不涉及单线图生成,供电分局配电部运维岗位人员应在电子化移交单完成录入提交后,且工程竣工验收前1个工作日内完成电子化移交工单发布;(8)如果涉及单线图生成,由电力调度控制中心调度班值班员在电子化移交单完成录入提交后,且工程竣工验收前1个工作日内完成单线图及工单发布(现时单线图发布暂由分局人员兼职审核发布)。
营配一体化网工程、业扩工程及户表变更电子化移交操作手册营配一体化工作组二○一一年一月文档更新修改记录页脚内容I页脚内容II目录1. ............................................................................................................... 概述 132. .............................................................. 营销流程中电子化移交的操作环节 172.1. 业扩工程电子化移交流程 (17)2.1.1. ............................................................................................................................ 制定供电方案172.1.2. .................................................................................................................................. 竣工查验182.1.3. ....................................................................................................................... 更新档案、归档192.2. ................................... 没有线路工程的户表新装和拆除电子化移交流程 212.3. ......................................................................................... 底层交互的流程 223. ...................................................... 营销系统业扩电子化移交流程操作示例 303.1. 高压新装 (30)3.1.1. ............................................................................................................................ 营销系统流程303.1.2. ........................................................................................................................... 制定供电方案页脚内容III313.1.3. ........................................................................................ 与配网生产的接口:竣工查验环节453.1.4. ........................................................................................................................... 更新档案归档463.2. ..................................................................................................... 高压增容 573.2.1. ........................................................................................................................... 营销系统流程573.2.2. ........................................................................................................................... 制定供电方案583.2.3. ........................................................................................ 与配网生产的接口:竣工查验环节723.2.4. ........................................................................................................................... 更新档案归档733.3. ..................................................................................................... 高压减容 843.3.1. ........................................................................................................................... 营销系统流程843.3.2. ........................................................................................................................... 制定供电方案853.3.3. ........................................................................................ 与配网生产的接口:竣工查验环节页脚内容IV1003.3.4. ........................................................................................................................... 更新档案归档1013.4. ..................................................................................................... 高压并户 1123.4.1. ........................................................................................................................... 营销系统流程1123.4.2. ........................................................................................................................... 制定供电方案1133.4.3. ........................................................................................ 与配网生产的接口:竣工查验环节1273.4.4. ........................................................................................................................... 更新档案归档1283.5. ........................................................................................... 高压分户(新装) 1393.5.1. ........................................................................................................................... 营销系统流程1393.5.2. ........................................................................................................................... 制定供电方案1403.5.3. ........................................................................................ 与配网生产的接口:竣工查验环节1543.5.4. ........................................................................................................................... 更新档案归档页脚内容V1553.6. ............................................... 低压三相新装、单相新装、低压快速新装 1663.6.1. ........................................................................................................................... 营销系统流程1663.6.2. ........................................................................................................................... 更新档案归档1673.7. .............................................................. 低压三相、单相增容与低压减容 1773.7.1. ........................................................................................................................... 营销系统流程1773.7.2. ........................................................................................................................... 更新档案归档1783.8. ..................................................................................................... 低压并户 1803.8.1. ........................................................................................................................... 营销系统流程1803.8.2. ........................................................................................................................... 更新档案归档1803.9. ................................................................................. 低压分户、分户新装 1913.9.1. ........................................................................................................................... 营销系统流程191页脚内容VI3.9.2. ........................................................................................................................... 更新档案归档1913.10. .......................................................................... 暂停与暂停恢复(高低压) 2023.10.1. .......................................................................................................................... 营销系统流程2023.10.2........................................................................................................................... 更新档案归档2023.11. .................................................................................................... 更名过户 2043.11.1. .......................................................................................................................... 营销系统流程2043.11.2. .......................................................................................................................... 更新档案归档2043.12. .................................................. 销户(需要GIS截删除变压器操作的图片) 2153.12.1. .......................................................................................................................... 营销系统流程2153.12.2........................................................................................................................... 更新档案归档2163.12.3........................................................................................ 与配网生产的接口:竣工查验环节2293.13. ............................................................................................ 一户一表单立 235页脚内容VII3.13.1. .......................................................................................................................... 营销系统流程2353.13.2........................................................................................................................... 更新档案归档2363.14. .................................................................................................... 低压迁址 2443.14.1. .......................................................................................................................... 营销系统流程2443.14.2........................................................................................................................... 更新档案归档2453.15. .................................................................................................... 高压迁址 2533.15.1. .......................................................................................................................... 营销系统流程2533.15.2........................................................................................................................... 更新档案归档2543.16. .................................................................................................... 批量新装 2663.16.1. .......................................................................................................................... 营销系统流程2663.16.2........................................................................................................................... 更新档案归档2673.17. ...................................... 更换故障计量装置、批量换表、更换计量装置 275页脚内容VIII3.17.1. .......................................................................................................................... 营销系统流程2753.17.2........................................................................................................................... 更新档案归档2763.18. ............................................................................................ 更改计量方式 2763.18.1. .......................................................................................................................... 营销系统流程2763.18.2........................................................................................................................... 更新档案归档2763.19. ..................................................................... 小区公变新装(统建新装) 2863.19.1. .......................................................................................................................... 营销系统流程2864. .................................................. 1、打开申请菜单流程高压新装、增减容 2865. (286)页脚内容IX6. .......................................................................................... 2、业务受理页面 2867. ............................................................... 业务细别选择“小区公变新装” 2868. .................................................................. 客户类别选择“台区考核户” 2869.28710. ......................................................................................... 3、现场勘察环节 28711. .................................................................................. 变压器标志“公变” 287页脚内容X12. (287)13. ................................................................................. 4、制定供电方案环节 28814. ................................................................. 点营配发送,走业扩电子化移交 28815. ... 绘图人看到供电方案中的第2条收取无电价电价,表示要画公变。
营配一体化配网工程、业扩工程及户表变更电子化移交操作手册目录1.概述 (4)2。
营销流程中电子化移交的操作环节 (5)2.1。
业扩工程电子化移交流程 (5)2。
1.1。
制定供电方案 (5)2。
1。
2。
................................................... 竣工查验52。
1。
3.更新档案、归档 (6)2。
2。
没有线路工程的户表新装和拆除电子化移交流程 (6)2.3。
底层交互的流程 (6)3。
营销系统业扩电子化移交流程操作示例 (9)3.1.高压新装 (9)3.1.1。
营销系统流程 (9)3。
1。
2。
................................................ 制定供电方案93。
1.3。
与配网生产的接口:竣工查验环节 (11)3.1.4。
更新档案归档 (11)3。
2。
高压增容 (12)3。
2。
1。
................................................ 营销系统流程123.2。
2。
制定供电方案 (12)3.2.3.与配网生产的接口:竣工查验环节 (14)3.2.4。
更新档案归档 (14)3。
3.高压减容 (15)3.3。
1。
营销系统流程 (15)3。
3.2。
制定供电方案 (15)3.3。
3。
与配网生产的接口:竣工查验环节 (15)3.3。
4.更新档案归档 (17)3.4。
高压并户 (18)3.4.1。
营销系统流程 (18)3。
4。
2。
................................................ 制定供电方案183.4.3。
与配网生产的接口:竣工查验环节 (20)3。
4。
4.更新档案归档 (20)3。
5。
高压分户 (21)3。
5。
1。
................................................ 营销系统流程213。
输电管理所设备台帐电子化移交工作指南1、总则为提高工程设备台帐资料移交的及时性和准确性,实现电网工程数据与生产数据的集成,满足生产业务、管理应用需要,使电网工程资料电子化移交工作能高效、常态化运作,为实现资源共享,提供信息化支持。
结合本部门的实际情况制定本指南。
2、适用范围本规定适用于电网基建工程、大修技改和地方迁改工程。
3、相关文件3.1《中国南方电网有限责任公司基建工程移交管理规定》(Q/CSG213063-2011)3.2《广东电网公司电网工程资料电子化移交管理规定(试行)》(S.00.00.09/G100-0014-0909-6049)3.3《东莞供电局电网工程资料移交、保存和变更管理实施细则》4、相关部门职责和要求4.1运行分部负责组织协调电子化设备台帐的验收、接收,审核基建工程、大修技改和地方迁改工程电子化设备台帐信息的正确、完整性。
4.2生技分部负责大修技改和地方迁改工程组织设计、施工、监理等单位完成电子化移交,并移交给运行分部审核,负责对大修技改和地方迁改工程电子化移交进行监督作用,及时跟进设备台帐的移交情况。
4.3运行班组负责对电网基建工程、大修技改和地方迁改工程电子化设备台帐进行验收审查,确保设备台帐信息与实物相符。
5、设备台帐电子化移交流程和时间要求5.1输电线路基建工程设备台帐电子化移交流程:按设计单位>施工单位>监理单位>基建部(项目管理部门) >运行班组>运行分部的流程进行移交。
详见附录1。
5.2输电线路大修技改和地方迁改工程设备台帐电子化移交流程:按设计单位>施工单位>监理单位>生技分部(项目管理部门) >运行班组>运行分部的流程进行移交。
详见附录2。
设计单位:工程开工前7个工作日完成在“企业级资产管理系统”新建《东莞供电局电网基建工程资料电子化移交单》(基建工程,详见附录3)或《东莞供电局电网大修技改和地方迁改工程资料电子化移交单》(大修技改和地方迁改工程,详见附录4),录入电网工程项目新建或更动的设备结构和名称,并提交给施工单位。
广电市〔2015〕43号附件广东电网有限责任公司业扩工程投资界面执行工作指引(试行)为落实公司业扩工程投资界面延伸到客户红线工作,特制定本工作指引:一、业扩工程投资界面延伸标准(一)高压(35kV及以上)客户对于35kV及以上客户,在其规划用电区域红线范围内提供变电站用地,由电网公司投资建设(含输电线路、变电站、出线间隔)到客户规划用电区域红线范围内,负荷侧线路及受电工程由客户投资建设。
高压(35kV及以上)客户业扩投资分界示意图(二)中压(10-20kV专变)客户对于电缆线路供电的中压客户,在其规划用电区域红线范围内提供公用配电房,电网公司投资的公用环网柜应设置于该公用配电房内。
以客户线路接入公用环网柜的连接点(电缆终端头)为投资分界点,分界点电源侧设施由电网公司投资建设,分界点负荷侧设施(含电缆终端头)由客户投资建设。
中压(10-20kV)电缆线路供电客户业扩投资分界示意图对于采用架空线路供电的中压客户,以客户红线外第一基杆塔(供电企业应将架空线路延伸至客户红线外50米内)为分界点,分界点电源侧设施由电网公司投资(含杆塔、开关),分界点负荷侧设施由客户投资建设。
中压(10-20kV)架空线路供电客户业扩投资分界示意图客户装见总容量在100kVA及以上应由10(20)kV电压供电。
(三)低压(380/220V)客户对于低压(含居民和非居民)客户,以客户红线边低压计量装置为投资分界点。
分界点电源侧供电设施由电网公司投资建设(含表箱和计量装置),表后线(含漏电开关)由客户自行实施。
低压(380/220V)客户业扩投资分界示意图(四)统建住宅小区统建住宅小区在其规划用电区域红线范围内提供公用配电房,电网公司投资的公用环网柜应设置于该公用配电房内。
以公用环网柜的连接点(电缆终端头)为投资分界点,分界点电源侧设施及计量装置由电网公司投资建设,分界点负荷侧供电设施(含电缆终端头)由客户投资建设。
统建住宅小区电缆线路供电客户业扩投资分界示意图对于采用架空线路供电的统建住宅小区客户,以客户红线外第一基杆塔为分界点,分界点电源侧设施由电网公司投资(含杆塔、开关),分界点负荷侧设施由客户投资建设。
东莞市推进国有企业职工家属区“三供一业”分离移交工作方案根据《广东省人民政府办公厅转发国务院办公厅转发国务院国资委、财政部关于国有企业职工家属区“三供一业”分离移交工作指导意见的通知》(粤府办〔2016〕91号)及《广东省人民政府办公厅关于推进省属国有企业职工家属区“三供一业”分离移交工作的实施意见》(粤府办〔2016〕102号)要求,为加快推进国有企业职工家属区供水、供电、供热(供气)及物业管理(统称“三供一业”)分离移交工作,特制定本方案。
一、基本原则(一)坚持政策引导与企业自主相结合,推进公共服务专业化运营、实行社会化管理,提高服务质量和运营效率,国有企业不再承担与主业发展方向不符的公共服务职能。
(二)坚持以改革促发展,统筹兼顾、稳步推进“三供一业”分离移交改革,切实减轻企业负担,保障国有企业轻装上阵、公平参与市场竞争。
(三)坚持“先移交后改造”的原则,按照技术合理、经济合算、运行可靠的要求,以维修为主、改造为辅,促进城市基础设施优化整合。
二、移交范围国有企业(含中央企业、省属企业及我市市属企业)将在我市各镇街范围内的职工家属区“三供一业”的管理职能以及所涉及的有关资产,按政策要求进行分离移交。
对相关设备设施进行必要的维修改造,达到城市基础设施的平均水平,分户设表、按户收费,交由所在地政府指定专业化企业或机构实行社会化管理。
相关维修改造费用由国有企业和相应各级人民政府按有关政策规定共同分担。
三、工作目标— 1 —2018年底前实现全部移交,2019年起移交单位不再以任何方式为职工家属区“三供一业”承担相关费用。
四、组织领导(一)成立东莞市推进国有企业职工家属区“三供一业”分离移交工作领导小组(领导小组不纳入市政府议事协调机构管理,工作完成后自行撤销),负责研究分离移交工作中的重大问题的协商与处置。
由市有关领导任组长,市国资委、市经信局、市财政局、市水务局、市人力资源局、市社保局、市住建局、市城管局、市房管局、东莞供电局、市公安消防局、市东江水务公司等单位(市属国有企业)为成员单位;领导小组办公室设在市国资委,负责统筹推进工作。
业扩资料电子化移交工作指引,、业扩类流程业扩类电子化移交流程主要分成8个环节,主要完成用户新装、增减容、拆除等相关数据信息的更新;流程大致通过由营业部门完成新营销系统业务工单办理后,触发业扩类电子化移交单到安全生产子系统,步骤如下:(1)客服班人员接收业扩工程电子化移交单并上存业扩电子化移交资料(上传的业扩工程电子化移交资料须由供电分局客服班(副)班长以及配电部运维岗位审核,审核真实、无误后在《电子化移交资料审核确认表》上签名确认,经得同意后方可上传资料,《电子化移交资料审核确认表》须连同电子化移交资料一并上传);(2)客服班(副)班长受理业扩竣工单并审核业扩资料的完整性及正确性;(3)客服班(副)班长审核业扩资料的完整性及正确性,填写业扩电子化移交单是否合格信息并触发电子化移交单到指定电子化移交服务单位人员;(4)电子化移交服务单位人员接收工单后完成系统的数据录入工作,并提交指定的供电分局配电部配电运行岗位进行审核;(5)供电分局配电部配电运行岗位审核绘制的图形及录入的设备台账参数是否正确;核对正确无误后将工单提交供电分局营业部用电检查班班员/(副)班长进行现场验收;(6)供电分局营业部用电检查班班员/(副)班长接收现场验收工单后组织配电部相关人员进行现场验收,审核绘制的图形与现场接线是否一致,审核录入的设备台账参数与现场设备是否一致;(7)供电分局配电部配电运行岗位审核确认设备台账参数及沿布图信息,对不涉及单线图调整的工单进行提交发布,若涉及单线图调整的工单,将提交至电力调度控制中心调度班值班员进行审核单线图;(8)电力调度控制中心调度班值班员审核单线图并进行工单发布。
(由于目前新GIS单轨试运行阶段,仍需保留配网调度图纸系统,现时新GIS平台单线图暂由分局人员兼职审核发布)二、工作要求1.资料提交要求业扩类电子化移交资料包括(模板见资料模版):(1)电子化移交资料采集表圭寸面(2)提交资料一览表(3)设备参数表(涉及施工关联的所有设备)(4)相片(5)坐标记录表(6)沿布图(GIS打印1:500至1:1000比例绘制走向航拍图)(7)中、低压更动前后的接线图注明:(1)高压销户/暂停/复用:需在工单中说明清楚变压器编号、变压器名称、业务类型“高压销户/暂停/复用”、计划送电日期,需单独提供电子化移交资料采集表封面;(2)高压新装/增减容:需在工单中说明清楚变压器编号、变压器名称、业务类型“高压新装/增减容”、计划送电日期,需提供业扩工程电子化移交资料;2.资料模版详见《附录2 :新GIS设备台帐采集表》3.提交时间要求(1)施工单位应在申请工程竣工验收前7个工作日内收集、整理完整的电子化移交资料进行提交审核(上传前须经供电分局客服班(副)班长以及配电部运维岗位审核);(2)供电分局客服班(副)班长以及配电部运维岗位在施工单位提交工程资料后的一个工作日内,完成电子化移交资料的审核;(3)若供电分局在竣工验收时核查发现设备有变动的情况,应协调施工单位在一个工作日内收集、整理变动信息并提交供电分局审核且签名确认后,在半个工作日内将资料重新提交;(4)供电分局客服班(副)班长以及配电部运维岗位审核资料无误后,客服人员将电子化移交资料上传到“安全生产子系统”对应的电子化移交工单“移交附件”中,并触发工单给电子化移交服务单位进行系统数据录入;(5)电子化移交服务单位在接收电子化移交工单后,在2个工作日内完成内业录入作业,提交供电分局客服班班员审核;(6)用电检查班班员/(副)班长在接收电子化移交工单后,在1个工作日内完成电子化移交工单审核,审核无误后,提交供供电分局配电部运维岗位发布;(7)如果不涉及单线图生成,供电分局配电部运维岗位人员应在电子化移交单完成录入提交后,且工程竣工验收前1个工作日内完成电子化移交工单发布;(8)如果涉及单线图生成,由电力调度控制中心调度班值班员在电子化移交单完成录入提交后,且工程竣工验收前1个工作日内完成单线图及工单发布(现时单线图发布暂由分局人员兼职审核发布)。
二、系统流程操作指引1.配网数据初始节点处理角色:供电分局客服班班员操作说明:该环节是整个流程信息核对及资料上传的环节,即供电分局客服班班员在完成新营销系统的业务工单办理后,登录“安全生产子系统”根据“营销系统工单号”填入“项目编号”中寻找对应的工单(如图1:查询对应工单),将现场相关变更信息资料上传的工单中(如图2 :工单页面信息),向相关客服班班员提出资料审核的环节,当资料完成上传后,点击“保存并发送”,选择指定的客服班班员(如图3 :下一环节人员角色选定),单击“确认”,传递到下一步“受理业扩竣工单”环节;0山価椒 rIC>J> 0*JS HJS 3m 卒杓•#w ■-^dM J ] ||•WRI *:'Mf xmHBi 4SHi <fl W'“S4’hK 聃屮■*044 1 ■ *11' ■ ■ ■ ■ - *»i_ ■■L L AC -■IMIU -MK ■»<JW*13K 訓常■孟«R^1;世*M ・1BlWH~1HE 'WCVTta-;L^pBfVIl,«£**■>^.^KcayiWK*■WC 店HMM.UH :需ttr- JUG r Cnlfen图2 :工单页面信息HWY c!l :aM ” CAinS :VZUR . 1R0F ;w UU - o * »15lffil4WlSM R «G01)【・t 轿 f 圮播* 业)*ujiiw 踽 if 网・w*?他L3 MR- DWOaiiBMdHIMBair<PF!® 0 CfiMCJ9KU l£Mamiua;?iTTlnr ; «n ・Wv3D M 3K i fe ' 1 00图1:查询对应工单■43 QW 4BERM-■ WSTMA■Hiro:欝*5堆KBt荻-:. M- PMMT4H图3 :下一环节人员角色选定2.受理业扩竣工单处理角色:供电分局客服班(副)班长操作说明:该环节是对工单上传资料的受理环节,即供电分局的客服班(副)班长在对上一级客服班班员上传的资料进行审核,通过登录“安全生产子系统”可根据“流程阶段”选择“受理业扩竣工单”中寻找对应的工单(如图 4 :流程环节选择)或可通过“项目编号”信息进行查找;点击工单号进入工单页面,下载“移交附件”进行审核,若审核有误,可进行资料删除重新上传(如图5 :工单页面信息),资料审核无误后,填写审核意见,选择下一环节审核人后点击“确定”。
IJ 於冏猶我--'i^n1■■启■单1 - m iMPi 94AvjaiWWIBUitad3¥息I.■算m HP"加lSD^L 堪为ILLS I MLG MK3S13-01] |[4HWkirRl^l曲咄耐白ICbABJQ 34i 1 ?•■酉■杞'・■_» Mt由t 啣WM 』图4 :流程环节选择㈣seZ 购1>二脣百 ■•■24* j a=L-.^i-r<i !■■ ”aTii-v*irrllt -*hflD»■&M: B.^■L I■ itrMO■2K4r2>«RS H«-L -.-MB 電WMLh «■站■lIH 通 LNCIHlra ■=”■4.?|■点■? ■也 ■531=™® ■4nrR7Wfq■缶誇.Eig■ftPlMlh"fiKHW■TE*^Ifhs 肚 JVMMiALfeKLR As •C S I TCW !图5 :工单页面信息<W IfFh 工Q XMWi*ajwt1W4图6 :工单传递页面信息3. 审核移交资料处理角色:供电分局客服班(副)班长 操作说明:该环节是对工单上传资料的审核环节,即供电分局的客服班 (副)班长在对上 一级客服班班员上传的资料进行审核,通过登录“安全生产子系统”可根据“流 程阶段”选择“审核移交资料-业扩类”中寻找对应的工单(如图 7 :流程环节 选择)或可通过“项目编号”信息进行查找;点击工单号进入工单页面,下载“移 交附件”进行审核,若审核无误,填写审核意见,选择下一环节审核人后点击“确 定”(如图8 :工单传递页面信息)。
・UMB» B «A - OMf^ii! C ki»&-na ■■ lO <tl 7744■.emHiI «! H K *Til-• d^artit* -r F* D J f HffrM4K«hi^JC1-Fflh云L 弄4即fl-i 111|^1>31 胸・|M ■同静 戸■_)!厂云5:;甲年h ■聊 TWH"陶底峠专□ □f 匸皿哺曲・・-IWM□ 灯■击图8:工单传递页面信息4. 电网建模-业扩类处理角色:电子化移交服务单位人员 操作说明:该环节是对客服班班员审核无误资料进行系统数据录入环节,即电子化移交•W3 -'BCtfl.1MM"IK 理:HH.J01WS1WH3IF MCCISU 01] I 审翻女羽4业才變1图7 :流程环节选择服务单位人员,通过登录“安全生产子系统”可根据“流程阶段”选择“电网建模-业扩类”中寻找对应的工单(如图9 :流程环节选择)或可通过“项目编号” 信息进行查找;点击工单号进入工单页面,下载“移交附件”,若涉及GIS修改,在“是否GIS绘图”中选择“是”,点击“ GIS绘图”启动GIS系统进行图形变更(如图10 :工单页面和图11 : GIS系统录入界面),若不涉及修改GIS,在“是否GIS 绘图”中选择“否”并按上方“保存”按钮,下方配网工作区列表中“新增工作区”中选择对应的“变电站”、“线路”、“台区”进行台账编辑,进行数据录入(如图12 :台帐编辑页面),完成数据录入后,若需生成单线图,点击“生成单线图”进入GIS系统进行单线图版本检查更新,更新的单线图进行调整后保存(如图13:单线图更新界面),完成所有录入操作后,点击“保存并发送”,选择指定的供电分局配电部配电运行岗位进行审核(如图13 : 指定角色选择页面)。
0 MA―讪吨”E-fi«-r w H* P■aw::■L** W F< 【中西序■业If弾】楝业向死方馥和宀1 ■耳渚咄孚含D™ QFHH如阳册r■Kth. MF": MMB S图9 :流程环节选择Mt右・.事直■* p “ 匕二 srisftB :址:■“图10 :工单页面图11 : GIS系统录入界面BSC.I「- IftLK: ri■HH; an,■VE. JOU-DE-»s^s-尊gRRT'fTEHVdL■一片赴UM ■直■•k■尊Hr:■卫■ fP«aiK^ »MMNt■MUH MVJHilta im-亠序□XWfi*□ng^^ta□Ulr-rB E IK= IXttMl ms■•r**r4:t« VUHHH nnii■:T v RT c 測叭示肯R林RRl W砂*4饰• E^ftARrn :91? R BiE4flKZ■ ■真•匚田石戸r-W r■■ftl mcdt t 5 ・•:taZ"晶Tp隹临噬:塌卓筑it艮■{点足百41 林Hi・1 工»Wb ini : i■ Ei-r® t | 亠8 晝卢r irsm*. i■i *1G« i<l!«>« lj«SH I ,,B1h ■且i-■ a*t *i i 冶a d^v・r■Pruwir■ N<Q ・l 2-1vMP 1. «V>.fi ・H ・ 1 Ifllfj-lH 41帚时1Q・ 1 m ■ 1 * 2LUM ■AU F n " d * n,4ill *"■ WML呻*!r -F» i|U«*b i,n i^nm •t B ti^Hn i“嗣w■:n 一■E* |T«WF^H4i rxiivm itia-冷“ 加呵”■ j—=.图12 :台帐编辑页面i3£ 1 A轩_" **!■TJft f *«SiZ^Sr - .■ "K”;i::■迓自r■屮(_二・•*=•*・「■匸.>''-^ A J"'f Uli Gu5 1H 也- "5*FV【・匹仲 * ”t XpJiMifl'ST?j 警H比>Uii=4bA•时NU亍・卜A-M.UW L昭屮,-曾*毛鉀-骞'■帚帽■护自・41||.-协饷•胡.■・■”■. I图13:单线图更新界面图14:指定角色选择页面5.审核图形及设备台账处理角色:供电分局配电部配电运行岗位操作说明:W«rt»miwi该环节是对“电网建模-业扩类”环节系统修改的数据质量进行审核的环节, 即供电分局配电部配电运行岗位在对上一级电子化移交服务单位人员录入的数据质量进行审核,通过登录“安全生产子系统”可根据“流程阶段”选择“审核图形及设备台帐-业扩类”中寻找对应的工单(如图15 :流程环节选择)或可通过“项目编号”信息进行查找,点击“工单号”进入页面进行审核录入数据信息(如图16 :沿面图形变更信息审核界面),并在沿布图右键“打开馈线单线图” 审核(如图16-1、16-2 :单线图形变更信息审核界面),审核无误后,点击“保存并发送”,选择指定的客服班长进行审核(如图17 :指定角色选择页面);1W Ih-V -w;.KJf .«-r«■ «UK •芒■■■皀tu 略[F CS6 i1)11【甲廊序欄4-h-i^J眾山芮咄|訓和41■•甲:鼻哦峪含P图15 :流程环节选择ae网序交■il4 JVH'V Tip>二丄气r\!■_kf: *■疋■二丐w ■»*H£l ST*- -■O*iF:gs!CS・t ZT-W-:! ■- ■V.UM:-uw wmm:■祁MM34311:鼻五11IMM «KA口口-M+口1 F - L -T H ■!M图16 :沿布图形变更信息审核界面图16-1 :单线图形变更信息审核界面Q DI fer询D.4if¥ »$ iflkv • dML云:£总图16-2 :单线图形变更信息审核界面屮■J-M■I ■T"W»图17 :指定角色选择页面6.现场验收图形及台账处理角色:供电分局用电检查班(副)班长操作说明:该环节是对“审核图形及设备”环节进行现场核实系统录入数据信息准确性复审的环节,即供电分局的用电检查班(副)班长对上一级供电分局配电部配电运 行岗位人员审核过的工单进行复审,审核绘制的图形与现场接线是否一致, 审核 录入的设备台账参数与现场设备是否一致,通过登录“安全生产子系统”可根据“流程阶段”选择“现场验收图形及台帐-业扩类”中寻找对应的工单(如图18 : 流程环节选择)或可通过“项目编号”信息进行查找,点击“工单号”进入页面 进行审核录入数据信息(如图19 :图形变更信息审核界面),审核无误后,点 击“保存并发送”,选择指定的供电分局配电部配电运行岗位进行发布(如图 20 :指定角色选择页面);THZ*.M* 2015O5KI 粧 S58 ff C%- MK051) D1]【申页湖1 业忻奥】图18 :流程环节选择A BMVW44B4M ____________________ 丄 _____ 豐,口 牛. t-呼勺ae 网建交aiLL1* 耐■疋■ 口 j ■耆 *=-EttIl 口 GTF- I ; r E图20 :指定角色选择页面7. 发布沿布图及设备台账信息处理角色:供电分局配电部配电运行岗位■■鼻■MTnEh ・图19 :图形变更信息审核界面V9W7!M E 13'i lr :» ■操作说明:该环节是对“发布沿布图及设备台账信息”供电分局配电部配电运行岗位审核结果进行发布的环节,即供电分局配电部配电运行岗位确认上一级供电分局 的用电检查班(副)班长审核的设备台账参数及沿布图信息结果,对不涉及单线图 调整的工单进行提交发布,通过登录“安全生产子系统”可根据“流程阶段”选 择“发布沿布图及设备台帐信息-业扩类”中寻找对应的工单(如图21 :流程环 节选择)或可通过“项目编号”信息进行查找,点击“工单号”进入页面进行审 核录入数据信息(如图22 :沿面图形变更信息审核界面),并在沿布图右键“打 开馈线单线图”审核(如图22-1、22-2 :单线图形变更信息审核界面),审核 无误后,点击“发送”(如图23 :流程最终确认意见填写页面),工单流程结 束,录入的数据信息将更新到关联的系统中;t It图21 :流程环节选择◎ EH 肚桃亞 un?、 w如IB£»-鼻Nf33*33Ay 曲15061 <191 '诗 計f 陝 Mil 册13 01]【序布遇怖制® 加占• CLrilEI muOLOEng 潮砂MW g> ■r - ••小LU ・配用吟交事tc^Harc - -斗FH i = »p^CGKUM 7农•■如ii -!T4i :!%ASVIfE FRA图22-1 :单线图形变更信息审核界面图22-2 :单线图形变更信息审核界面r ft Eifi带•基!■I ft ■・ ft- fef 直■览ft矗y a — ■ wiu.iTDT KWf*TJTTWT 啊居it 他gF -E HMIN畝 ¥□\8.发布单线图处理角色:电力调度控制中心调度班值班员(暂由分局人员兼职)操作说明:该环节是电力调度控制中心调度班值班员(暂由分局人员兼职)对供电分局配电部配电运行岗位提交上来有涉及到单线图调整的工单进行单线图审核,并对工单进行发布,通过登录“安全生产子系统”可根据“流程阶段”选择“发布单线图”中寻找对应的工单(如图24 :流程环节选择),点击“工单号”进入页面进行审核录入数据信息(如图25 :沿面图形变更信息审核界面),并在沿布图右键“打开馈线单线图”审核(如图26-1、26-2 :单线图形变更信息审核界面),审核无误后,点击“保存并发送”,流程结束图23 :流程最终确认意见填写页面Mt 口tlLLL3]]EH.raE^01£>0QW图24 :流程环节选择图25 :沿布图形变更信息审核界面fl F* ft 01 ■ e n卜 ft L-OkV » 4灿iBtfi 宦实用标准图26-1 :单线图形变更信息审核界面26-2 :单线图形变更信息审核界面I ft ■・ ft- fef 直■览ft□\r ft Eifi带•基!■矗y a — ■ wiu.iTDT KWf*TJTTWT 啊居it 他gF -E HMIN畝 ¥。