不合格产品报废单
- 格式:xlsx
- 大小:15.95 KB
- 文档页数:2
产品质量不合格处理报告表(NCR)
XXX (NCR)
该报告表格主要内容如下(全部设计在一张A4纸上):
1.不合格来源:公司内部、供应商、其他。
2.不合格品的基本信息:零部件名称、号码、序列号、数量、所在车间、工序、供应商、其他。
3.不合格描述:现象描述及图片(可附加其他图片),发
现者/部门/日期、问题处置者/日期。
4.处理:原因分类设计,包括工艺、制造、供应商、库房
和其他。
处理方案包括拒收/退回、报废、供应商返工/返修、
公司内返工/返修、让步和其他。
返工/返修的工艺或其他说明
也需列明。
此外,需要将报告表格分发给相关部门,包括设计、工艺、制造、供应商、库房和其他。
5.不合格引起的时间、物料及其他损失:制造返工/返修
时间、停工损失时间、其他原因时间、是否降级处理、重新检验、实验、筛选费用、其他记录,填写者/日期,相应的物品
损失:零部件名称、号码、数量、其他、填写者/日期。
6.再检查结果:检查结果、检查者、批准。
7.附注:原件由质量不保管,不合格下一步处置纠正措施?纠正措施号码CAR。
附件:产品质量不合格处理报告表(NCR)
该报告表格主要用于记录不合格品的基本信息和描述,并对其进行分类处理。
同时还需记录不合格引起的时间、物料及其他损失,并进行再检查。
最后,需附注纠正措施号码CAR。
不合格品报废申请书尊敬的领导:本人系公司XX车间XX班组的一名普通工人,谨向公司申请报废XX机器。
近日,该机器因故障频频发生,导致生产效率低下,严重影响了班组的正常生产作业。
经过多次维修和检查,机器依然无法达到正常工作状态,因此申请报废。
一、机器故障状况:XX机器自从购买以来,一直存在着运行不稳定的问题。
最近一段时间以来,机器频繁出现故障,例如:发动机故障提示,电路短路报警,润滑油渗漏等情况层出不穷。
这些故障不仅导致了生产线的停滞,还造成了严重的安全隐患,给工人的生命安全带来了威胁。
而且,由于机器频繁停机,导致了工人加班加点,严重影响了工作和生活的平衡。
二、维修状况:针对XX机器的故障,我们已经多次进行了维修和检查。
公司专门派遣了技术人员对机器进行了维护和保养,但仍未能根除故障。
后来我们也尝试了更换零部件,重新校准,甚至返厂维修,但机器的故障仍然反复出现。
这种反复的维修不仅消耗了大量的人力和物力,还严重浪费了公司的资源。
因此,考虑到机器已经超过了使用寿命,综合考虑后决定报废。
三、报废理由:1. 安全隐患:机器频繁出现的故障给工人的安全带来了极大的威胁,存在着严重的安全隐患。
为了保障工人的生命财产安全,必须对该机器进行处理。
2. 生产效率低下:由于机器频繁停机,导致生产线无法正常运转,严重影响了生产效率,增加了成本,并且延误了订单交期。
3. 维修费用高昂:机器的频繁故障已经给公司造成了大量的维修支出,但是并未能根治故障。
继续对机器进行维修,只会浪费更多的公司资源。
四、处理方式:面对以上情况,我认为应该对XX机器进行报废处理,同时申请公司重新投资购买一台新的、性能更加稳定的机器来替代。
希望领导能够审慎考虑,并给予支持。
我会尽快将机器移交给公司的相关部门,等待公司的进一步处理意见。
最后,再次向公司提交XX机器的报废申请,同时希望公司能够重视并尽快处理。
如果有什么需要我提供的文件或资料,还请告知,我会积极配合。
供应商不合格品处理通知单尊敬的供应商:经过我公司的检验和评估,我们不幸地发现您所提供的产品存在质量问题,并且被认定为不合格品。
为了保护我公司的利益,确保我们向客户提供高质量的产品,我们需要您立即采取措施解决此问题。
特发此不合格品处理通知单向您告知具体情况,并要求您立即采取措施解决此问题。
具体不合格品情况如下:1.不合格品种类:(列出具体不合格品种类和数量)2.不合格品问题描述:(详细描述不合格品的问题,如外观缺陷、功能故障等)3.不合格品影响:(列出不合格品可能给我公司造成的影响,如损失、客诉等)4.检验和评估过程:(描述我公司对提供产品的检验和评估过程,包括标准和方法)5.不合格品处理要求:5.1立即停止生产和供应不合格品的产品。
5.2立即召回已经出库的不合格品产品。
5.3对已经出库的不合格品产品进行处理,可以选择重新制造、修复或报废。
5.4提供详细的处理计划,包括时间进度和具体措施,并经我公司批准后执行。
5.5全力配合我公司的追踪和调查工作,提供相关的数据和文件支持。
请您注意,不合格品处理的时间非常紧迫,我们要求您在(指定的期限)之前提供处理计划。
在此期限之前,您可以自行查找原因,并采取一切必要的措施解决问题。
如果您无法在指定期限内提供合适的处理计划,我公司将不得不采取进一步的措施,包括但不限于:1.停止与您的合作关系,并寻找其他合格的供应商。
2.追究您的违约责任,并要求您承担相应的经济赔偿。
我们希望您能够认真对待此问题,采取有效措施解决不合格品问题,并确保今后提供的产品符合质量要求。
我们希望与您保持良好的合作关系,但质量是我们最重要的考虑因素之一、希望您能够理解我们的立场,并及时采取行动。
谢谢您的合作!此致敬礼。
不合格品处理单QR/17-01 NO:型号规格产品名称送检单号送检数不合格数加工单位检验日期不合格原因:检验员:日期:处理意见:评审人员:日期:备注新昌新荣冠科技有限公司不合格品处理单QR/17-01 NO:型号规格产品名称送检单号送检数不合格数加工单位检验日期不合格原因:检验员:日期:处理意见:评审人员:日期:备注返工/返修单QR/17-02 开单时间:NO.产品名称规格型号开单依据交验数返工返修数操作者返工(修)项目及工艺说明:技质部: 责任部门:复检结论:检验员:备注: 1.此单一式二份,技质部、返工车间各一份.2.此单可作返工产品的标识用.新昌新荣冠科技有限公司返工/返修单QR/17-02 开单时间:NO.产品名称规格型号开单依据交验数返工返修数操作者返工(修)项目及工艺说明:技质部: 责任部门:复检结论:检验员:备注: 1.此单一式二份,技质部、返工车间各一份.2.此单可作返工产品的标识用.报废单QR/17-03 开单时间:NO.零件名称图号报废数量报废依据财务签收报废原因:技质部/日期:责任分析:生产部/日期:报废批准:签名/日期:处置情况处置人/日期:验证人/日期:备注1. 此单一式三份, 技质部、处置人、财务部各一份。
2. 此单由技质部开出,并负责传递,处置完成后由财务部签收并留存一份,作为财务结算的依据。
新昌县新荣冠科技有限公司报废单QR/17-03 开单时间:NO.零件名称图号报废数量报废依据财务签收报废原因:技质部/日期:责任分析:生产部/日期:报废批准:签名/日期:处置情况处置人/日期:验证人/日期:备注1. 此单一式三份, 技质部、处置人、财务部各一份。
2. 此单由技质部开出,并负责传递,处置完成后由财务部签收并留存一份,作为财务结算的依据。
不合格品报废申请书英文回答:I have been asked to write a non-conforming product disposal application. This document is used to request the proper disposal of products that do not meet the required quality standards. It is important to follow the correct procedures to ensure that these products are disposed of in a safe and environmentally friendly manner.In the application, I will include the following information:1. Product details: I will provide a description of the non-conforming product, including its name, model number, and any other relevant information. For example, if we are dealing with electronic devices, I will mention thespecific brand and model.2. Reason for disposal: I will explain the reason whythe product is considered non-conforming. This could be due to manufacturing defects, damage during transportation, or any other quality-related issues. To illustrate, if we are dealing with clothing items, I might mention that the products have stains or tears.3. Quantity: I will specify the quantity of non-conforming products that need to be disposed of. This is important for planning the disposal process. For instance, if we are dealing with food items, I might mention the number of expired or spoiled products.4. Disposal method: I will state the preferred method of disposal. This could include recycling, incineration, or any other appropriate method. I will also mention any specific requirements or regulations that need to be followed during the disposal process. For example, if we are dealing with hazardous materials, I might mention the need for special handling and disposal procedures.5. Signatures: I will include spaces for the authorized personnel to sign and date the application. This ensuresthat the disposal request is approved and documented properly.中文回答:我被要求写一份不合格品报废申请书。
物料报废申请单物料报废申请单申请单位:XXX 公司申请人:XXX联系方式:XXX申报时间:20XX 年 XX 月 XX 日申请内容:根据公司物料管理规定,我公司现申请对以下物料进行报废处理:1. 物料名称:XXX物料编码:XXX数量:XXX2. 物料名称:XXX物料编码:XXX数量:XXX3. 物料名称:XXX物料编码:XXX数量:XXX报废原因:1. 物料过期或失效,无法使用;2. 物料质量不合格,无法满足生产需求;3. 其他原因(请详细描述)。
申请人:XXX审批意见:1. 物料管理部门负责人:同意□ 不同意□审批意见:______________________________________________________ ________2. 生产部门负责人:同意□ 不同意□审批意见:______________________________________________________ ________3. 质量控制部门负责人:同意□ 不同意□审批意见:______________________________________________________ ________4. 财务部门负责人:同意□ 不同意□审批意见:______________________________________________________ ________5. 公司领导:同意□ 不同意□审批意见:______________________________________________________ ________以上内容已审核完毕,报废处理已批准。
申请人:XXX注:报废的物料应统一放置在指定区域,方便管理部门检查清点。
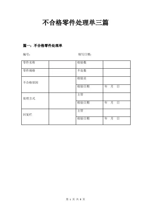
不合格品处理单
编号:MY-JY-BHGP-001
一、描述description & Sketch (Attached)不合格的提出/Present
□来料IQC
□IPQC □OQC □其它部门Others
问题描述/Description:
提出日期/Date of
Present
签名/Signature: 日期/Date:
二、处理方案建议&评审/Solution & Review(部门经理签核)
技术部意见/Opinion of Technical DEPT.
→→→若判定公司内部返修,是否有返修方法,
如无 需提供签名/Signature: 日期/Date:
生產部(车间)意见/Opinion of Product DEPT.
→→→对车间受到影响的物品,需写明处理安排,
执行日期等。
签名/Signature: 日期/Date:
采购部意见/Opinion of Purchase DEPT.
→→→若判定由厂商到我司现场返修/挑出,需确
定具体日期
签名/Signature: 日期/Date:
成品检验/OQC或巡检/IPQC:
签名/Signature: 日期/Date:
三、不合格品最终处理/Approved Disposition
处理方式□挑出Sorting □返修Rework □特采/Special □报废
/ReleaseS
crap
□退货
/Return to □其它
/Other
副总确认/DGMaffirm:签名
日期/Date:。