动作分析表(MOD实例)
- 格式:xls
- 大小:188.00 KB
- 文档页数:6
模特法21种动作说明(参考文件)一.模特法的21种动作都是以手指动作一次(移动距离2.5cm)的时间消耗值为基准进行试验、比较来确定各动作的时间值.MOD法把人的动作分为上肢、下肢,其它等动作,分别由符号M、G、P、F、W…..代表,符号后仅赋予数字1、2、3…..代表模特时间值,如M1代表1MOD= 0.129秒,M2即代表2MOD,以此类推.利用此系统,IE工程师只要清楚判定了动作类型,就可以立即知道一个连续动作的时间值.用MOD法进行动作分析时还会碰到非动作上肢动作1.)移动动作:移动动作用符号M表示,是指手指、手和臂活动的动作.因所使用的身体部位不同,所要迖到的目的也不同,固而使用的身体部位及移动距离不同,同样的间值也不同.时间值分五等.1.1)手指的动作M1,表示用手指的第三个关节前的部分进行的动作,时间值为1MOD,动作距离为2.5CM(参考值)动作举例:手指的移动,手指拨动弹片式开关,回转小旋钮,抓住空气传动器的旋钮,用手指拧螺母.注意事项:手指的移动是很微小的,2.5CM之间的反复移动很容易看漏掉,注意移动次数,时间是以次数计的,1次1MOD,3次3MOD.1.11.)手的动作M2:表示用手碗以前的手部进行的移动.动作距离为5CM(参考值).1.1.2.) 动作举例: 持住零件在手腕的移动笵围内安装、对准.或手内工具在作业前的对准移动,转动烙铁,门轴及小零件于电路板孔内.1.1.3.)注意事项:由于手腕的动作可进行横向,上下,左右,斜向和圆弧动作.因此根据M2的动作方式,伴随手的动作,小臂多少也要动作,但主动作是手的动作,小臂的动作是辅助动作, 且现场作业中往往M2的动作频率很高所以应仔细观察.1.2).小臂的动作M3:表示以肘关节为中心的,肘以前的小臂(包括手,手指)的动作.M3的移动距离为15cm.1.2.1)动作举例: 拿取及放下加工部件,伴随手部动作碰触与装配,拿烙铁,及放工具的小臂的移动.1.2.2)注意事项:由于手臂及手的动作会伴有肘关节的前后移动.此时肘关节的前后移动被看作是主动作M3的辅助动作.M3的移动动作范围,通常被称作正常作业范围,是人作业时的动作最合理高效的范围,作业标准的编制应尽可能在这一区域内完成,同时工装的使用,及设备的操控也应设计在这一范围为佳.1.3.)大臂的动作M4:表示伴随肘的移动,小臂和大臂做为一个整体在自然状态下伸出的动作, 移动的距离为30cm.1.3.1) 动作举例:伸手拿上本位传递过来的产品,及传递给下一工位时的移动,或从传送带上拿零件.1.3.2) 注意事项:当手臂充分伸展时,伴有身体前倾的辅助动作,从时间值上来看仍是M4.1.3.3)大臂尽量伸值的动作M5:表示在胳膊尽量伸直的基础上再尽量前伸的动作,另外将胳膊向反向侧伸也是M5,移动距离一般为45CM(参考值).1.3.4)动作举例:坐在生产线旁拿放在传送带对面的零件,拿放在地上的物品.1.3.5)注意事项:从劳动生理学的角度看连续做M5的动作是不可取的,应尽量减少M5的动作.1.4).反射动作:反射动作是将工具牢牢握手里,反复性,重复作业时进行的动作.它不是每一次都特别需要注意力或保持特别意识的动作,是上述各种移动动作的连续反复动作.没有终结动作与之成对出现,所以又称为特殊移动动作.反射动作因其是反复操作,所以其时间值比通常移动的小. 手指的往复反射动作M1----每一个单程动作时间为0.5MOD;手指的往复反射动作M2-----每一个单程动作时间为1MOD手指的往复反射动作M3----每一个单程动作时间为2MOD;手指的往复反射动作M4-----每一个单程动作时间为3MODM5的动作一般不发生反射动作,如果有必须马上改进,反射动作的时间值最大为3MOD.动作举例:在零件上涂防护剂,用锤子敲东西,擦污迹.2.) 终结动作:终结动作是移动动作进行之后的目的动作.如触及或抓住零件,把拿着的零件移向目的地之后放入,装配,配合等动作.2.1)触及动作G0: 用手指或手去接触目的物的动作.这个动作没有抓住目的物的意图,只是触及而已,它是瞬间发生的动作,所以没有动作时间,时间值为0MOD.2.1.1).动作举例:按动起动开关及关掉紧急剎车开关,推动(拔键)推放在夹具上的印刷电路板,左手抓住相对较大的零件推动快速夹.2.2).抓的动作G1:用手指,手掌简单地抓住的动作,抓的时候动作自然顺畅,无犹豫踌躇现象,被抓物附近没有障碍物,时间值为1MOD.动作举例:抓单独放置一个零件,已经进行位置预置的工具如电动螺丝刀(气动),拿上工位传递下来的半成品(零件本身不需太多注意力),拿记号笔.2.3).抓的动作G3: 需要注意力,用G0或G1的动作不能完成的复杂的抓的动作,时间值为3MOD. 一般会伴随有迟疑踌躇的现象,需要准确定位及高度注意的抓取.2.3.1). 动作举例:拿易损的精密零件,拿供料盒中不规则放置的小零件,要求按规定位置抓取精密零件,轻轻地拿易变形的零件.2.4)放置动作P0: 表示拿着物品到目的地后,直接放下的动作.放置场所没有特殊的规定,一般不需要注意看,没有时间值即时间.值为0MOD .2.4.1) 动作举例:放回使用过的工具,拿半成品放在作业台面(不用对位),安装只需一放取可的零部件.2.5).放置动作P2:需要注意力,往目的地放东西的动作,并需要用眼睛盯着进行一次修正的动作.时间值为2MOD .一般P2动作适合干能够大体上确定位置或指定位置,虽有配合公差但配合不严的场合.2.5.1).动作举例:将垫圈套在螺栓上(同样精度牟任何装配),或取半成品放入固定夹具中,把烙铁放在烙铁架上,将半成品放在给下一工位的传递位置上.2.5.2)放置动作P5: 需要注意力,将物品准确放在规定位置,进行装配的动作.它是比P2更复杂的动作.P5需要伴有两次以上的修正动作.自始至终需要用眼睛观察,动作中产生犹豫,时间值为5MOD,P5需要将物品放在精确定位的位置,或装配公差精度要求较高的情况.2.5.3) 动作举例:将电器零件的插脚对准电路板放入.轴与轴承的装配,对准测试触点进行测试.装配准确的组合零件,将电动螺丝刀对准螺丝,将锡线对准焊点.3.0)移动动作与终结动作的结合.无论什么动作,移动动作之后,必定伴随着终结动作.例如拿电动收螺丝机,移动动作为M3,终结动作为G1,其动作符号的标记为M3G1,时间值为3MOD+1MOD=4MOD.4.)同时动作:用不同的身体部位,同时进行一样或不一样的两个以上动作叫同时动作.一般以两手的同时动作为佳.但两手无法同时进行都需注意力的工作.时间值以用时较长的一方为准.同时作业时要注意两个动作的次序,同时动作的作业方法会影响到最终时间结果.下肢和腰的动作1).蹬踏动作F3将脚跟踏在板上,压脚踏板的动作,时间为3MOD注意当脚再次抬起时则视作第二F3.如脚踏开关的使用,踏下时为F3,机器动作则视炙有效时间,当脚离开断掉开关时又是一次F3.2).步行动作W5身体水平移动,走步使身体移动的动作.回转身体也要挪动脚步,同样视作步行动作.步行时每一步用W5表示,时间值为5MOD.3).身体弯曲动作B17从站立状态弯腰蹲下单膝触地,然后再返回原来状态的整个过程,时间值为17MOD.4).站起来再坐下动作S30坐在椅子上站起来再坐下的周期动作.包括同时进行的两手推拉椅子的动作,时间值为30MOD .辅助动作1).搬运动作的重量因素L1不合理作业,需改善.2)眼睛的动作E2独立动作,眼睛的动作分为眼睛的移动(向一个新的位置移动视线)和调整眼睛的焦距丙种.每种动作用E2表示.时间值2MOD.注意只有眼晴独立动作时,才给眼睛动作以时间值,在可以清楚地看物体的正常视野范围内不给眼睛动作时间,但在正常视野内对于詷整的动作在必要时给E2,所谓正常视野眼睛的移动范围为20CM,300的范围.看更大的范围时,伴随着眼睛的移动还有头的辅助动作用,而且两者同时进行,这相当于1100的范围,应给予E2*3的时间值.3).矫正动作R2独立动作,在一只手的手指与手掌内进行的改变方向或调整握姿的复杂连续动作,用R2表示,R2的时值为2MOD.注意只限于用R2独立进行动作时,才给R2的时间值,往往熟练的作业员会在拿取后移动的同时进行矫正的操作.此时给抓和移动的动作时间.不计矫正时间.常见的动作有拿取零件后在手中詷整方向,及拿到工具后在手中调整握姿等.4).判断动作D3独立动作,连续的动作之间发生的瞬间时判断.这个判断及其反应的作用D3表示,时间值为3MOD,如检查工作,对外观,加工结果进行的判断,或对性能测试的结果进行的判断,以及对颜色,声音,手感等进行的判断等动作.需注意的是只能当判断发生时,才给出D3,即当出现非正常结果时判断才发生并给D3的时间值.5).加压动作A4独立动作,在作业时需要推,拉等克服阻力的动作,用A4表示,时间值为4MOD.注意A4一般是在推,转等动作终了后且其它动作停止时发生,同时伴有手和胳膊及全身肌肉紧张.要求加力在2kg 以上才计时.由于用力产生的少许移动动作不计时,如在关紧闸门的最后一紧,间隙限小的装配时压入,拧螺丝时最后的收紧,闭合紧密的产品外壳等动作.6) 旋转动作C4以手或肘关节为轴发生的圆周旋转动作,转一周的时间值C4即4MOD .注意: 转1/2周2以上才视为旋转动作,不到1/2周时,视作移动动作,且当旋转带有2kg以上的负荷时,时间值按有效时间计算.动作: 如转动机械的手柄,搅拌液体等.(注:文档可能无法思考全面,请浏览后下载,供参考。
标准时间=正常时间+(正常时间×宽放百分数)=正常时间×(1+宽放率);宽放率= ×100%=管理宽放率+生理宽放率+疲劳宽放率,宽放率可根据经验确定,一般选0.1~0.3范围内,其中:管理宽放率一般取3%~10%;疲劳宽放率一般取5%~20%;生理宽放率一般取2%~5%。
对于动作比较简单、劳动疲劳强度小的工序,宽放适当减小。
操作复杂、容易产生疲劳或者工作环境恶劣的可适当增加宽放。
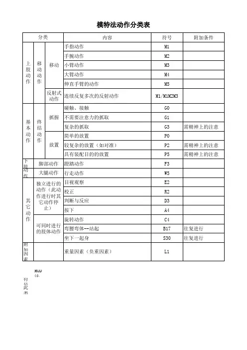
正常时间一般采用模特法(MOD法)来确定;MOD法动作分析方法以及实例分析:(1)移动动作M(5个) 移动动作为手指的动作M1、手腕的动作M2、前臂动作M3、上臂动作M4及伸直手臂的动作M5。
(2)终结动作(6个) 指移动动作(即移动手指一手臂)的终结动作。
移动手或手臂,不是去拿物件就是放置物件,所以终结动作由抓握(G)和放置动作(P)两种动作组成。
1)抓握动作(G) 根据其动作的特点分为:①接触G0;②简单地抓G1;③复杂地抓G3(注)。
2)放置动作(P) 根据放置的特点又分为:①简单放置P0;②较复杂的需要注意力的放置P2(注);③复杂的需要注意力的放置P 5(注)。
(3)其它动作(11种) 其它动作共分为:1)下肢动作又分为:①足踏动作F3;②走步动作W5。
2)重量因素L1 考虑重量对时间值的影响。
3)其它动作又分为:①目视动作E2(独);②校正R2(独);③单纯地判断和反应动作D3(独);④按下动作A4(独);⑤旋转动作C4;⑥弯体动作B17(往);⑦坐下起身动作S30。
4.模特法的动作分析(1)基本动作——上肢动作1)移动动作(M) 移动动作包括5种,分别以手指、手和手臂进行作业来区分。
①手指动作M1 表示用手指的第三个关节前的部分进行的动作,每动作一次时间值为1MOD,相当于手指移动了2.5cm的距离。
②手的动作M2 用腕关节以前的部分进行的动作,当然也包括了手指的动作,每进行一次为2MOD,相当于动作距离为5cm左右。
标准时间=正常时间+(正常时间×宽放百分数)=正常时间×(1+宽放率);宽放率= ×100%=管理宽放率+生理宽放率+疲劳宽放率,宽放率可根据经验确定,一般选0.1~0.3围,其中:管理宽放率一般取3%~10%;疲劳宽放率一般取5%~20%;生理宽放率一般取2%~5%。
对于动作比较简单、劳动疲劳强度小的工序,宽放适当减小。
操作复杂、容易产生疲劳或者工作环境恶劣的可适当增加宽放。
正常时间一般采用模特法(MOD法)来确定;MOD法动作分析方法以及实例分析:(1)移动动作M(5个) 移动动作为手指的动作M1、手腕的动作M2、前臂动作M3、上臂动作M4及伸直手臂的动作M5。
(2)终结动作(6个) 指移动动作(即移动手指一手臂)的终结动作。
移动手或手臂,不是去拿物件就是放置物件,所以终结动作由抓握(G)和放置动作(P)两种动作组成。
1)抓握动作(G) 根据其动作的特点分为:①接触G0;②简单地抓G1;③复杂地抓G3(注)。
2)放置动作(P) 根据放置的特点又分为:①简单放置P0;②较复杂的需要注意力的放置P2(注);③复杂的需要注意力的放置P 5(注)。
(3)其它动作(11种) 其它动作共分为:1)下肢动作又分为:①足踏动作F3;②走步动作W5。
2)重量因素L1 考虑重量对时间值的影响。
3)其它动作又分为:①目视动作E2(独);②校正R2(独);③单纯地判断和反应动作D3(独);④按下动作A4(独);⑤旋转动作C4;⑥弯体动作B17(往);⑦坐下起身动作S30。
4.模特法的动作分析(1)基本动作——上肢动作1)移动动作(M) 移动动作包括5种,分别以手指、手和手臂进行作业来区分。
①手指动作M1 表示用手指的第三个关节前的部分进行的动作,每动作一次时间值为1MOD,相当于手指移动了2.5cm的距离。
②手的动作M2 用腕关节以前的部分进行的动作,当然也包括了手指的动作,每进行一次为2MOD,相当于动作距离为5cm左右。
3.2 DIP T/U 段一般动作标准:No 动作描述分析式MOD 数左手:M4G1M2G1M4P0右手:H右手:M4G1M4M2P2M3左手:HM2G1M3P0右手:M3C4M2P2M3左手:HM2M1M3P0左手:M4P5+UT=2.5SECM4右手:M4P5+UT=2.5SECM4左手:M4P0G1M4P0M4G1M4右手:M2P0左手:M4P0M4右手:H 共:=3.3+2.2N SEC/EA NO 动作描述分析式MOD 数a. 取插销及PCB 板左手:M4G1M2G1M4P0右手:M4G1M4P2b.刮锡渣UT=1.8SEC =UT*N 颗c.放入输送带左手:H右手:M2G1M4P2No 动作描述分析式MOD 数左手:M4G1M4C4M3右手:Hb.检查零件脚是否过长时间UT=0.4(L+W)/7.5+0.006N SEC SEC=每目检一次所需时间(S1)*移动目光检视区域次数(N)+判断每颗零件脚是否过长时间(S2)*零件总数(N)*零件过长比率(B)(因人目光一次可看75*75CM)之区域,故看完一片PC 板需看n 次, n=(PCB 宽/7.5)*(PCB 长/7.5)(Unit:CM)抽样求得S1=0.4SEC,S2=0.006SEC)L:CMW:CM左手:H右手:M4G1M44 c.剪零件脚(每颗)UT=1.3 SEC **** 1.3N SEC 左手:M4C4P2右手:H共a+b=1.4+0.14N SEC(N:零件总颗数)12 1.91)拆板后切板,放入输送带共: /2 =6.4SEC/EA 标准时间20 3.1SEC2 b.拆断余板一端22 3.4SEC1 a.取下散热板治具(2片)28 4.3SEC4d.切板(2连板)****2.5SEC3 c.拆断余板另一端SEC2)取插销后刮锡渣放入输送带标准时间1a.自输送带取基板,并翻转16 2.5SEC 5 e.放入输送带(2块) 2.2N SEC 标准时间112 1.9SEC2**** 1.4SEC2)取机板检查零件是否过长后剪过长零件脚共=5.4+3(L+N)+0.006NB+1.3N SEC(L:PCB 板长,W:PCB 板宽,N:零件总颗数,B:零件过长比率)39SEC 5d.放回输送带101.5SEC3 b.取气剪9 1.43)输送带上取基板、正检2****=3(L+N)+0.006NB∑ae∑aC ∑adNO 动作描述分析式MOD 数左手:M4G1M4右手:H 2 b.检查零件面(每颗)UT=0.14 SEC****0.14N SEC 3 c.检查锡面(每个焊点)UT=0.3 (0.3"/四个焊点)****0.3*N/4SEC 左手H右手:M3G1C4共:= 13.2+(6.47NB) SEC(N:零件总颗数,B:正检不良率)NO 动作描述分析式MOD 数左手:M4G1M4A4C4右手:M3G1C4左手:H右手: M4G1M4c.清除焊孔UT=2.3 SEC =每点时间(S)*总焊锡点(N)*不良率(B)左手:C4D3M2A4C4右手:He.左手取锡丝,左手:M3G1M3P5右手取烙铁右手:M4G1M4f.补焊UT=2.47 SEC =每点时间(S)*总焊锡点(N)*不良率(B)左手:M3G1M4P0M4右手:H 左手:H右手:M3G1E2D3R2A4No 动作描述分析式MOD 数左手:M3G3M3H 右手:M4G1M4P2b.锁螺丝(第一颗)左手:H (自攻螺丝)1.5+0.022L(L:自攻螺丝长度:mm)右手:M3G1P2M2P2+0.022*L (自攻螺丝)(K:机械螺丝长度:mm)左手:H (机械螺丝)1.5+0027K 右手:M3G1P2M2P2+0.027*K(机械螺丝)5标准时间6 1.4SEC 补跷件后将基板放回输送带.1 a.自输送带取基板934标准时间a.按住跷件,反过PC 板17 2.6SEC12 d.压入跷起之脚(每颗)b.取络铁9 2.6SEC/EA17 1.4SEC****2.3NBSEC3.3SECSEC **** 2.47NB SEC标准时间SECSEC7g.放回输送带上12 1.9214清洗烙铁头81.22****SEC自攻螺丝:共: =3.2+0.022L(1+N)+1.4N SEC/EA机械螺丝; 共:=3.2+0.027K(1+N)+1.4N SEC/EA111.7152.32*NSEC8h.点胶=每人点明间*N5)锁螺丝1a.取螺丝及锁固物∑a i∑ac∑ac左手: H (自攻螺丝)(1.4+0.022L)N右手:(M3P2M2P2+0.022*L)N (自攻螺丝)左手:H (机械螺丝)(1.4+0027K)N右手:(M3P2M2P2+0.027*K)N(机械螺丝)o.放散热片X手:M3G3M3P0R2P5;16 2.48SEC a.放晶体X手:M3G1M3P0R2P514 2.17SEC b.涂晶体散热膏双手:M3G3M3P0M3G1M3*2M220 3.10SEC c.放螺帽X手:M3G3M3P0R2P516 2.48SEC f.放绝缘片X手:M3G3M3P0R2P516 2.48SEC g.点红胶X手:M3M2P27 1.08SEC h.取出散热片放于輸送帶上X手:M3G1M4P08 1.24SEC i.组装好的散热片装箱X手:M3G1M4M2P212 1.86SEC j.穿晶体于散热片中X手:M3G1M3G1M2R2P517 2.63SEC l.穿螺丝于散热片中X手:M3G1M3G1M2R2P517 2.63SEC m.锁螺帽于散热片上X手:M3G1M3G1R2P5A4R2*3M2274.18SECNo 动作描述分析式MOD 数1 a.取机台X手:M3G3M28 1.24SEC 2 b.擦机身(单位面积)UT=1.1**** 1.32*SSEC 3 c.摇机身UT=1.120 3.10SEC 短胶袋(≦250mm ) UT=4.5SEC **** 5.40SEC 长胶袋(≧250mm) UT=7.0SEC ****8.40SEC 5 e.贴Label(单位面积mm)UT=0.003SEC ****0.004*SSEC 6 f.组装刀卡(V卡刀数N=a*b)UT=1.02SEC **** 1.22*NSEC 7g.插插头X手:M3G1R2M2P513 2.01SEC 8h.插端子X手:M3G1R2M2A412 1.86SEC 9i.按键盘X手:M3M2A49 1.39SEC 10j.目视机身;Label UT=8.0SEC ****9.60SEC 11k.目视线材UT=7.5SEC ****9.00SEC 12l.划记号M3M2G1M2P513 2.01SEC 13m.装机台于纸盒M3G3M3G3*3P5A4*2M2A4P538 5.88SEC 14n.成型纸盒M3G1M3M3M2A4*2M2A4P529 4.49SEC 15o.成型纸箱UT=28SEC****33.60SEC标准时间46)包装3 c.继续锁螺丝****SEC4 d.装胶袋。
模特法21种动作说明(参考文件)一.模特法的21种动作都是以手指动作一次(移动距离的时间消耗值为基准进行试验、比较来确定各动作的时间值.MOD法把人的动作分为上肢、下肢,其它等动作,分别由符号M、G、P、F、W…..代表,符号后仅赋予数字1、2、3…..代表模特时间值,如M1代表1MOD= 秒,M2即代表2MOD,以此类推.利用此系统,IE工程师只要清楚判定了动作类型,就可以立即知道一个连续动作的时间值.用MOD法进行动作分析时还会碰到非动作产生的时间消耗,其上肢动作1.)移动动作:移动动作用符号M表示,是指手指、手和臂活动的动作.因所使用的身体部位不同,所要迖到的目的也不同,固而使用的身体部位及移动距离不同,同样的间值也不同.时间值分五等.手指的动作M1,表示用手指的第三个关节前的部分进行的动作,时间值为1MOD,动作距离为(参考值)动作举例:手指的移动,手指拨动弹片式开关,回转小旋钮,抓住空气传动器的旋钮,用手指拧螺母.注意事项:手指的移动是很微小的,之间的反复移动很容易看漏掉,注意移动次数,时间是以次数计的,1次1MOD,3次3MOD..)手的动作M2:表示用手碗以前的手部进行的移动.动作距离为5CM(参考值).动作举例: 持住零件在手腕的移动笵围内安装、对准.或手内工具在作业前的对准移动,转动烙铁,门轴及小零件于电路板孔内.注意事项:由于手腕的动作可进行横向,上下,左右,斜向和圆弧动作.因此根据M2的动作方式,伴随手的动作,小臂多少也要动作,但主动作是手的动作,小臂的动作是辅助动作, 且现场作业中往往M2的动作频率很高所以应仔细观察..小臂的动作M3:表示以肘关节为中心的,肘以前的小臂(包括手,手指)的动作.M3的移动距离为15cm.动作举例: 拿取及放下加工部件,伴随手部动作碰触与装配,拿烙铁,及放工具的小臂的移动.注意事项:由于手臂及手的动作会伴有肘关节的前后移动.此时肘关节的前后移动被看作是主动作M3的辅助动作.M3的移动动作范围,通常被称作正常作业范围,是人作业时的动作最合理高效的范围,作业标准的编制应尽可能在这一区域内完成,同时工装的使用,及设备的操控也应设计在这一范围为佳..)大臂的动作M4:表示伴随肘的移动,小臂和大臂做为一个整体在自然状态下伸出的动作, 移动的距离为30cm.动作举例:伸手拿上本位传递过来的产品,及传递给下一工位时的移动,或从传送带上拿零件.注意事项:当手臂充分伸展时,伴有身体前倾的辅助动作,从时间值上来看仍是M4.大臂尽量伸值的动作M5:表示在胳膊尽量伸直的基础上再尽量前伸的动作,另外将胳膊向反向侧伸也是M5,移动距离一般为45CM(参考值).动作举例:坐在生产线旁拿放在传送带对面的零件,拿放在地上的物品. 注意事项:从劳动生理学的角度看连续做M5的动作是不可取的,应尽量减少M5的动作..反射动作:反射动作是将工具牢牢握手里,反复性,重复作业时进行的动作.它不是每一次都特别需要注意力或保持特别意识的动作,是上述各种移动动作的连续反复动作.没有终结动作与之成对出现,所以又称为特殊移动动作.反射动作因其是反复操作,所以其时间值比通常移动的小. 手指的往复反射动作M1----每一个单程动作时间为;手指的往复反射动作M2-----每一个单程动作时间为1MOD手指的往复反射动作M3----每一个单程动作时间为2MOD;手指的往复反射动作M4-----每一个单程动作时间为3MODM5的动作一般不发生反射动作,如果有必须马上改进,反射动作的时间值最大为3MOD.动作举例:在零件上涂防护剂,用锤子敲东西,擦污迹.2.) 终结动作:终结动作是移动动作进行之后的目的动作.如触及或抓住零件,把拿着的零件移向目的地之后放入,装配,配合等动作.触及动作G0: 用手指或手去接触目的物的动作.这个动作没有抓住目的物的意图,只是触及而已,它是瞬间发生的动作,所以没有动作时间,时间值为0MOD.动作举例:按动起动开关及关掉紧急剎车开关,推动(拔键)推放在夹具上的印刷电路板,左手抓住相对较大的零件推动快速夹..抓的动作G1:用手指,手掌简单地抓住的动作,抓的时候动作自然顺畅,无犹豫踌躇现象,被抓物附近没有障碍物,时间值为1MOD.动作举例:抓单独放置一个零件,已经进行位置预置的工具如电动螺丝刀(气动),拿上工位传递下来的半成品(零件本身不需太多注意力),拿记号笔..抓的动作G3: 需要注意力,用G0或G1的动作不能完成的复杂的抓的动作,时间值为3MOD. 一般会伴随有迟疑踌躇的现象,需要准确定位及高度注意的抓取.动作举例:拿易损的精密零件,拿供料盒中不规则放置的小零件,要求按规定位置抓取精密零件,轻轻地拿易变形的零件.放置动作P0: 表示拿着物品到目的地后,直接放下的动作.放置场所没有特殊的规定,一般不需要注意看,没有时间值即时间.值为0MOD .动作举例:放回使用过的工具,拿半成品放在作业台面(不用对位),安装只需一放取可的零部件..放置动作P2:需要注意力,往目的地放东西的动作,并需要用眼睛盯着进行一次修正的动作.时间值为2MOD .一般P2动作适合干能够大体上确定位置或指定位置,虽有配合公差但配合不严的场合.动作举例:将垫圈套在螺栓上(同样精度牟任何装配),或取半成品放入固定夹具中,把烙铁放在烙铁架上,将半成品放在给下一工位的传递位置上.放置动作P5: 需要注意力,将物品准确放在规定位置,进行装配的动作.它是比P2更复杂的动作.P5需要伴有两次以上的修正动作.自始至终需要用眼睛观察,动作中产生犹豫,时间值为5MOD,P5需要将物品放在精确定位的位置,或装配公差精度要求较高的情况.动作举例:将电器零件的插脚对准电路板放入.轴与轴承的装配,对准测试触点进行测试.装配准确的组合零件,将电动螺丝刀对准螺丝,将锡线对准焊点.移动动作与终结动作的结合.无论什么动作,移动动作之后,必定伴随着终结动作.例如拿电动收螺丝机,移动动作为M3,终结动作为G1,其动作符号的标记为M3G1,时间值为3MOD+1MOD=4MOD.4.)同时动作:用不同的身体部位,同时进行一样或不一样的两个以上动作叫同时动作.一般以两手的同时动作为佳.但两手无法同时进行都需注意力的工作.时间值以用时较长的一方为准.同时作业时要注意两个动作的次序,同时动作的作业方法会影响到最终时间结果.下肢和腰的动作1).蹬踏动作F3将脚跟踏在板上,压脚踏板的动作,时间为3MOD注意当脚再次抬起时则视作第二F3.如脚踏开关的使用,踏下时为F3,机器动作则视炙有效时间,当脚离开断掉开关时又是一次F3.2).步行动作W5身体水平移动,走步使身体移动的动作.回转身体也要挪动脚步,同样视作步行动作.步行时每一步用W5表示,时间值为5MOD.3).身体弯曲动作B17从站立状态弯腰蹲下单膝触地,然后再返回原来状态的整个过程,时间值为17MOD.4).站起来再坐下动作S30坐在椅子上站起来再坐下的周期动作.包括同时进行的两手推拉椅子的动作,时间值为30MOD .辅助动作1).搬运动作的重量因素L1不合理作业,需改善.2)眼睛的动作E2独立动作,眼睛的动作分为眼睛的移动(向一个新的位置移动视线)和调整眼睛的焦距丙种.每种动作用E2表示.时间值2MOD.注意只有眼晴独立动作时,才给眼睛动作以时间值,在可以清楚地看物体的正常视野范围内不给眼睛动作时间,但在正常视野内对于詷整的动作在必要时给E2,所谓正常视野眼睛的移动范围为20CM,300的范围.看更大的范围时,伴随着眼睛的移动还有头的辅助动作用,而且两者同时进行,这相当于1100的范围,应给予E2*3的时间值.3).矫正动作R2独立动作,在一只手的手指与手掌内进行的改变方向或调整握姿的复杂连续动作,用R2表示,R2的时值为2MOD.注意只限于用R2独立进行动作时,才给R2的时间值,往往熟练的作业员会在拿取后移动的同时进行矫正的操作.此时给抓和移动的动作时间.不计矫正时间.常见的动作有拿取零件后在手中詷整方向,及拿到工具后在手中调整握姿等.4).判断动作D3独立动作,连续的动作之间发生的瞬间时判断.这个判断及其反应的作用D3表示,时间值为3MOD,如检查工作,对外观,加工结果进行的判断,或对性能测试的结果进行的判断,以及对颜色,声音,手感等进行的判断等动作.需注意的是只能当判断发生时,才给出D3,即当出现非正常结果时判断才发生并给D3的时间值.5).加压动作A4独立动作,在作业时需要推,拉等克服阻力的动作,用A4表示,时间值为4MOD.注意A4一般是在推,转等动作终了后且其它动作停止时发生,同时伴有手和胳膊及全身肌肉紧张.要求加力在2kg 以上才计时.由于用力产生的少许移动动作不计时,如在关紧闸门的最后一紧,间隙限小的装配时压入,拧螺丝时最后的收紧,闭合紧密的产品外壳等动作.6) 旋转动作C4以手或肘关节为轴发生的圆周旋转动作,转一周的时间值C4即4MOD .注意: 转1/2周2以上才视为旋转动作,不到1/2周时,视作移动动作,且当旋转带有2kg以上的负荷时,时间值按有效时间计算.动作: 如转动机械的手柄,搅拌液体等.。
模特法21种动作说明(参考文件)一.模特法的21种动作都是以手指动作一次(移动距离2.5cm)的时间消耗值为基准进行试验、比较来确定各动作的时间值.MOD法把人的动作分为上肢、下肢,其它等动作,分别由符号M、G、P、F、W…..代表,符号后仅赋予数字1、2、3…..代表模特时间值,如M1代表1MOD= 0.129秒,M2即代表2MOD,以此类推.利用此系统,IE工程师只要清楚判定了动作类型,就可以立即知道一个连续动作的时间值.用MOD法进行动作分析时还会碰到非动作上肢动作1.)移动动作:移动动作用符号M表示,是指手指、手和臂活动的动作.因所使用的身体部位不同,所要迖到的目的也不同,固而使用的身体部位及移动距离不同,同样的间值也不同.时间值分五等.1.1)手指的动作M1,表示用手指的第三个关节前的部分进行的动作,时间值为1MOD,动作距离为2.5CM(参考值)动作举例:手指的移动,手指拨动弹片式开关,回转小旋钮,抓住空气传动器的旋钮,用手指拧螺母.注意事项:手指的移动是很微小的,2.5CM之间的反复移动很容易看漏掉,注意移动次数,时间是以次数计的,1次1MOD,3次3MOD.1.11.)手的动作M2:表示用手碗以前的手部进行的移动.动作距离为5CM(参考值).1.1.2.) 动作举例: 持住零件在手腕的移动笵围内安装、对准.或手内工具在作业前的对准移动,转动烙铁,门轴及小零件于电路板孔内.1.1.3.)注意事项:由于手腕的动作可进行横向,上下,左右,斜向和圆弧动作.因此根据M2的动作方式,伴随手的动作,小臂多少也要动作,但主动作是手的动作,小臂的动作是辅助动作, 且现场作业中往往M2的动作频率很高所以应仔细观察.1.2).小臂的动作M3:表示以肘关节为中心的,肘以前的小臂(包括手,手指)的动作.M3的移动距离为15cm.1.2.1)动作举例: 拿取及放下加工部件,伴随手部动作碰触与装配,拿烙铁,及放工具的小臂的移动.1.2.2)注意事项:由于手臂及手的动作会伴有肘关节的前后移动.此时肘关节的前后移动被看作是主动作M3的辅助动作.M3的移动动作范围,通常被称作正常作业范围,是人作业时的动作最合理高效的范围,作业标准的编制应尽可能在这一区域内完成,同时工装的使用,及设备的操控也应设计在这一范围为佳.1.3.)大臂的动作M4:表示伴随肘的移动,小臂和大臂做为一个整体在自然状态下伸出的动作, 移动的距离为30cm.1.3.1) 动作举例:伸手拿上本位传递过来的产品,及传递给下一工位时的移动,或从传送带上拿零件.1.3.2) 注意事项:当手臂充分伸展时,伴有身体前倾的辅助动作,从时间值上来看仍是M4.1.3.3)大臂尽量伸值的动作M5:表示在胳膊尽量伸直的基础上再尽量前伸的动作,另外将胳膊向反向侧伸也是M5,移动距离一般为45CM(参考值).1.3.4)动作举例:坐在生产线旁拿放在传送带对面的零件,拿放在地上的物品.1.3.5)注意事项:从劳动生理学的角度看连续做M5的动作是不可取的,应尽量减少M5的动作.1.4).反射动作:反射动作是将工具牢牢握手里,反复性,重复作业时进行的动作.它不是每一次都特别需要注意力或保持特别意识的动作,是上述各种移动动作的连续反复动作.没有终结动作与之成对出现,所以又称为特殊移动动作.反射动作因其是反复操作,所以其时间值比通常移动的小. 手指的往复反射动作M1----每一个单程动作时间为0.5MOD;手指的往复反射动作M2-----每一个单程动作时间为1MOD手指的往复反射动作M3----每一个单程动作时间为2MOD;手指的往复反射动作M4-----每一个单程动作时间为3MODM5的动作一般不发生反射动作,如果有必须马上改进,反射动作的时间值最大为3MOD.动作举例:在零件上涂防护剂,用锤子敲东西,擦污迹.2.) 终结动作:终结动作是移动动作进行之后的目的动作.如触及或抓住零件,把拿着的零件移向目的地之后放入,装配,配合等动作.2.1)触及动作G0: 用手指或手去接触目的物的动作.这个动作没有抓住目的物的意图,只是触及而已,它是瞬间发生的动作,所以没有动作时间,时间值为0MOD.2.1.1).动作举例:按动起动开关及关掉紧急剎车开关,推动(拔键)推放在夹具上的印刷电路板,左手抓住相对较大的零件推动快速夹.2.2).抓的动作G1:用手指,手掌简单地抓住的动作,抓的时候动作自然顺畅,无犹豫踌躇现象,被抓物附近没有障碍物,时间值为1MOD.动作举例:抓单独放置一个零件,已经进行位置预置的工具如电动螺丝刀(气动),拿上工位传递下来的半成品(零件本身不需太多注意力),拿记号笔.2.3).抓的动作G3: 需要注意力,用G0或G1的动作不能完成的复杂的抓的动作,时间值为3MOD. 一般会伴随有迟疑踌躇的现象,需要准确定位及高度注意的抓取.2.3.1). 动作举例:拿易损的精密零件,拿供料盒中不规则放置的小零件,要求按规定位置抓取精密零件,轻轻地拿易变形的零件.2.4)放置动作P0: 表示拿着物品到目的地后,直接放下的动作.放置场所没有特殊的规定,一般不需要注意看,没有时间值即时间.值为0MOD .2.4.1) 动作举例:放回使用过的工具,拿半成品放在作业台面(不用对位),安装只需一放取可的零部件.2.5).放置动作P2:需要注意力,往目的地放东西的动作,并需要用眼睛盯着进行一次修正的动作.时间值为2MOD .一般P2动作适合干能够大体上确定位置或指定位置,虽有配合公差但配合不严的场合.2.5.1).动作举例:将垫圈套在螺栓上(同样精度牟任何装配),或取半成品放入固定夹具中,把烙铁放在烙铁架上,将半成品放在给下一工位的传递位置上.2.5.2)放置动作P5: 需要注意力,将物品准确放在规定位置,进行装配的动作.它是比P2更复杂的动作.P5需要伴有两次以上的修正动作.自始至终需要用眼睛观察,动作中产生犹豫,时间值为5MOD,P5需要将物品放在精确定位的位置,或装配公差精度要求较高的情况.2.5.3) 动作举例:将电器零件的插脚对准电路板放入.轴与轴承的装配,对准测试触点进行测试.装配准确的组合零件,将电动螺丝刀对准螺丝,将锡线对准焊点.3.0)移动动作与终结动作的结合.无论什么动作,移动动作之后,必定伴随着终结动作.例如拿电动收螺丝机,移动动作为M3,终结动作为G1,其动作符号的标记为M3G1,时间值为3MOD+1MOD=4MOD.4.)同时动作:用不同的身体部位,同时进行一样或不一样的两个以上动作叫同时动作.一般以两手的同时动作为佳.但两手无法同时进行都需注意力的工作.时间值以用时较长的一方为准.同时作业时要注意两个动作的次序,同时动作的作业方法会影响到最终时间结果.下肢和腰的动作1).蹬踏动作F3将脚跟踏在板上,压脚踏板的动作,时间为3MOD注意当脚再次抬起时则视作第二F3.如脚踏开关的使用,踏下时为F3,机器动作则视炙有效时间,当脚离开断掉开关时又是一次F3.2).步行动作W5身体水平移动,走步使身体移动的动作.回转身体也要挪动脚步,同样视作步行动作.步行时每一步用W5表示,时间值为5MOD.3).身体弯曲动作B17从站立状态弯腰蹲下单膝触地,然后再返回原来状态的整个过程,时间值为17MOD.4).站起来再坐下动作S30坐在椅子上站起来再坐下的周期动作.包括同时进行的两手推拉椅子的动作,时间值为30MOD .辅助动作1).搬运动作的重量因素L1不合理作业,需改善.2)眼睛的动作E2独立动作,眼睛的动作分为眼睛的移动(向一个新的位置移动视线)和调整眼睛的焦距丙种.每种动作用E2表示.时间值2MOD.注意只有眼晴独立动作时,才给眼睛动作以时间值,在可以清楚地看物体的正常视野范围内不给眼睛动作时间,但在正常视野内对于詷整的动作在必要时给E2,所谓正常视野眼睛的移动范围为20CM,300的范围.看更大的范围时,伴随着眼睛的移动还有头的辅助动作用,而且两者同时进行,这相当于1100的范围,应给予E2*3的时间值.3).矫正动作R2独立动作,在一只手的手指与手掌内进行的改变方向或调整握姿的复杂连续动作,用R2表示,R2的时值为2MOD.注意只限于用R2独立进行动作时,才给R2的时间值,往往熟练的作业员会在拿取后移动的同时进行矫正的操作.此时给抓和移动的动作时间.不计矫正时间.常见的动作有拿取零件后在手中詷整方向,及拿到工具后在手中调整握姿等.4).判断动作D3独立动作,连续的动作之间发生的瞬间时判断.这个判断及其反应的作用D3表示,时间值为3MOD,如检查工作,对外观,加工结果进行的判断,或对性能测试的结果进行的判断,以及对颜色,声音,手感等进行的判断等动作.需注意的是只能当判断发生时,才给出D3,即当出现非正常结果时判断才发生并给D3的时间值.5).加压动作A4独立动作,在作业时需要推,拉等克服阻力的动作,用A4表示,时间值为4MOD.注意A4一般是在推,转等动作终了后且其它动作停止时发生,同时伴有手和胳膊及全身肌肉紧张.要求加力在2kg 以上才计时.由于用力产生的少许移动动作不计时,如在关紧闸门的最后一紧,间隙限小的装配时压入,拧螺丝时最后的收紧,闭合紧密的产品外壳等动作.6) 旋转动作C4以手或肘关节为轴发生的圆周旋转动作,转一周的时间值C4即4MOD .注意: 转1/2周2以上才视为旋转动作,不到1/2周时,视作移动动作,且当旋转带有2kg以上的负荷时,时间值按有效时间计算.动作: 如转动机械的手柄,搅拌液体等.。