竞标货物需求一览表
- 格式:doc
- 大小:141.50 KB
- 文档页数:18
货物需求一览表
说明:1、本一览表中的品牌型号仅起参考作用,投标人可选用其他品牌型号替代,但这些替代的品牌型号要实质上相当于或优于参考品牌型号。
2、本一览表(含图纸)中参考品牌型号不明确或有误的,或投标人选用其他品牌型号替代的,请以详细、正确的品牌型号、技术参数性能(配置)同时填写投标报价表和技术规格偏离表。
3、凡在“技术参数及性能(配置)要求”(含设计方案图要求)中表述为“标配”或“标准配置”的设备,投标人应在投标报价表中将其标配参数详细列明,否则该投标无效。
4、凡“备注说明”要求提供样品的投标货物,必须按“备注说明”中的要求提供样品,否则投标无效。
附件1:
第二章货物需求一览表
说明:
1、本货物需求一览表中所列的品牌、型号仅起参考作用,竞标人可选用其他品牌、型号替代,但替代的品牌、型号在实质性要求和条件上要相当于或优于参考品牌、型号。
2、凡在“技术参数要求”中表述为“标配”或“标准配置”的设备,竞标人应按第五章“竞标文件格式”规定的格式在“竞标产品技术资料表”中将其参数详细列明。
3、本货物需求一览表中标注★号的内容为实质性要求和条件,供应商必须满足,否则竞标无效。
4、项目上限控制价:850000元,其中:一、校园广播系统设备上限价:450000元(1、龙堤路初级中学95000元+2、金龙路小学169000元+3、宋厢路小学186000元);二、标准化考场设备上限价:400000元(龙堤路初级中学),本项目为单一项目不设分标,但投标时要单独分项报价,分项及总价均不可超出上限控制价。
二、校园广播系统设备(2、金龙路小学)
一、校园广播系统设备(3、宋厢路小学)
二、标准化考场设备(龙堤路初级中学)
三、商务条款及其他要求
南宁市良庆区教育局2021年5月12日。
一、货物需求一览表注:投标人须对上述投标内容中完整的一包或几包进行投标,不完整的投标将视为非响应性投标予以拒绝。
二、技术规格一、总则1、投标要求1.1 投标人在准备投标书时,务必在所提供的商品的技术规格文件中,标明型号、商标名称、目录号。
1.2 投标人提供的货物的技术规格,应符合招标文件的要求。
如与招标文件的技术规格有偏差,应提供技术规格偏差的量值或说明(偏离表)。
如投标人有意隐瞒对规格要求的偏差或在开标后提出新的偏差,买方有权扣留其投标保证金或/并拒绝其投标。
1.3 投标人提供的产品样本,必须是“原件”而非复印件,图表、简图、电路图以及印刷电路板图等都应清晰易读。
买方有权不付任何附加费用复制这些资料以供参考。
2、评标标准2.1 除招标文件中指定的附件和专用工具外,投标人应提供仪器设备的正常运行和常规保养所需的全套标准附件、专用工具和消耗品。
投标人在投标书中需列出这些附件和工具的数量和单价的清单,这些附件和工具的报价的总值需计入投标价中。
2.2 对于标书技术规范中已列出的作为查询选件的附件、零配件、专用工具和消耗品,投标书中应列明其数量、单价、总价供买方参考。
投标人也可推荐买方没有要求的附件或专用工具作为选件,并列明其数量、单价、总价供买方参考。
选件价格不计入评标价中。
选件一旦为用户接受,其费用将加入合同价中。
2.3 为便于用户进行接收仪器的准备工作,卖方应在合同生效后60天内向用户提供一套完整的使用说明书、操作手册、维修及安装说明等文件。
另一套完整上述资料应在交货时随货包装提供给用户,这些费用应计入投标价中。
2.4 关于设备的安装调试,如果有必要的安装准备条件,卖方应在合同生效后一个月内向买方提出详细的要求或计划。
安装调试的费用应计入投标价中,并应单独列出,供评标使用。
2.5 制造厂家提供的培训指的是涉及货物的基本原理、操作使用和保养维修等有关内容的培训。
培训教员的培训费、旅费、食宿费等费用和培训场地费及培训资料费均应由卖方支付。
货物需求一览表说明:一、本一览表中的品牌型号、技术参数及其性能(配置)仅起参考作用,投标人可选用其他品牌型号替代,但这些替代的品牌型号要实质上相当于或优于参考品牌型号及其技术参数性能(配置)要求。
二、本一览表中参考品牌型号及技术参数性能(配置)不明确或有误的,或投标人选用其他品牌型号替代的,请以详细、正确的品牌型号、技术参数性能(配置)同时填写投标报价表和技术规格偏离表。
三、凡在“技术参数及性能(配置)要求”中表述为“标配”或“标准配置”的设备,投标人应在投标报价表中将其标配参数详细列明,否则该投标无效。
标注“※”的内容为实质性要求,对其的缺失或负偏离时将有可能导致投标无效。
四、评标时,如谈判与评标委员会发现本一览表技术参数及性能(配置)要求中含有某一品牌特有的参数或限制性要求的,有权认定不作为主要技术参数及性能(配置)要求处理。
附录:一、技术标准(1)、GB50316《工业金属管道设计规范》;(2)、GB50016《建筑设计防火规范》;(3)、GB9706.1《医用电气设备第一部分:安全通用要求》;(4)、GB8982《医用及航空呼吸用氧》;(5)、YY/T0187《医用中心供氧系统通用技术条件》;(6)、YY/T0186《医用中心吸引系统通用技术条件》;(7)、GB/T14976《流体输送用不锈钢无缝钢管》;(8)、GB50235《工业金属管道工程施工规范》;(9)、GB50236《现场设备、工业管道焊接工程施工规范》;(10)、GB50184《工业金属管道工程施工质量验收规范》;(11)、GB50683《现场设备、工业管道焊接工程施工质量验收规范》;(12)、GB2099《家用和类似用途插头插座》;(13)、GB50751《医用气体工程技术规范》;(14)、GB51039-2014 《综合医院建筑设计规范》;(15)、GB/T50314-2016 《智能建筑设计标准》;(16)、YD/T 926-2009 《大楼通信综合布线系统》;(17)、GB50303-2011 《建筑电气工程施工质量验收规范》;(18)、JGJ312-2-13《医疗建筑电气设计规范》;(19)、YY/T0298-1998《医用分子筛制氧通用技术规范》(20)、特种设备安全法;(21)、国家部门和行业其它现行的有关技术规范、规程及要求;(22)、医院提供的病房大楼平面图及要求。
货物需求一览表
说明:
一、本一览表中的品牌型号、技术参数及其性能(配置)仅起参考作用,竞标人可选用其他品牌型号替代,但这些替代的品牌型号要实质上相当于或优于参考品牌型号及其技术参数性能(配置)要求。
二、本一览表中参考品牌型号及技术参数性能(配置)不明确或有误的,或竞标人选用其他品牌型号替代的,请以详细、正确的品牌型号、技术参数性能(配置)同时填写竞标报价表和技术规格偏离表。
三、凡在“技术参数及性能(配置)要求”中表述为“标配”或“标准配置”的设备,竞标人应在竞标报价表中将其标配参数详细列明,否则该竞标无效。
四、评标时,如谈判与评标委员会发现本一览表技术参数及性能(配置)要求中含有某一品牌特有的参数或限制性要求的,有权认定不作为主要技术参数及性能(配置)要求处理。
A分标
B分标
附件一:
C分标
D1分标
D2分标。
招标需求(仅供参考,具体以招标文件为准)前注:1、本需求中提出的技术方案仅为参考,如无明确限制,投标人可以进行优化,提供满足用户实际需要的更优(或者性能实质上不低于的)技术方案或者设备配置,且此方案或配置须经评标委员会审核认可;2、为鼓励不同品牌的充分竞争,如某设备的某技术参数或要求属于个别品牌专有,则该技术参数及要求不具有限制性,投标人可对该参数或要求进行适当调整,并应当说明调整的理由,且此调整须经评标委员会审核认可;3、为有助于投标人选择投标产品,项目需求中提供了推荐品牌(或型号)、参考品牌(或型号)等,但这些品牌(或型号)仅供参考,并无限制性。
投标人可以选择性能不低于推荐(或参考)的品牌(或型号)的其他品牌产品,但投标时应当提供有关厂商的技术证明资料,未提供的可能导致投标无效;4、投标人应当在投标文件中列出完成本项目并通过验收所需的所有各项服务等明细表及全部费用。
中标人必须确保整体通过用户方及有关主管部门验收,所发生的验收费用由中标人承担;投标人应自行踏勘施工建设现场,如投标人因未及时踏勘现场而导致的报价缺项漏项废标、或中标后无法完工,投标人自行承担一切后果;5、投标人自行考虑“营改增”税收费用及风险,中标后须按国家相关规定缴纳税金并按招标人要求提供发票,费用含在本次投标总价中,中标后不作调整。
6、如对本招标文件有任何疑问或澄清要求,请按本招标文件“投标人须知前附表”中的约定方式联系安徽诚信项目管理有限公司,或接受答疑截止时间前联系招标人。
否则视同理解和接受。
一、项目背景和原则项目背景2016年是合肥高新区智慧城市建设的起步年,需要重点解决基础性、共享性智慧城市核心服务能力建设问题。
智慧城市涉及多个领域和受众,包含数十个信息化项目,用户群体广、覆盖面大、可用性要求高、资源要求高,且需要长年持续的规划建设。
因此,智慧高新要求具备强大的信息化基础架构支撑,要求实现高效的资源互通共享,要求从整体区域发展布局信息基础建设,整体设计、统一架构、统一部署、统一管理。
货物需求及技术要求
一、货物需求一览表
报价包含但不限于出厂价(生产厂家)+运费+税费+财务费用等一切费用。
1、技术标准及要求:符合业主的作业指导书、采购文件、技术规范要求,具体质量要求如下:
2、质量要求:符合业主的作业指导书、磋商文件、技术规范要求,具体质量要求如下:所供砂应
洁净、坚硬,细度模数为2.4〜2.9的中粗砂,含泥量不大于3%。
中粗砂必须符合项目部的质量和
级配要求,并经采购人验收认可。
中标人应按采购人要求供料,若含水率超过规定指标(含水率3%)应扣除重量,含水量由采购人试验室检测,对于检测含水量过多的黄砂采购人有权且不承担
此过程产生的任何费用。
3、中标人按采购人规定的质量、数量要求供货,货到现场后由采购人项目材料员、质检员共同进行验收;采购人随机取样抽检,如检验不合格,采购人一律拒绝验收,中标人必须无条件拉走并承担合同约定的违约责任;验收合格后采购人开具收料单,作为结算依据。
4、产品价格变动调价机制:本项目实行浮动单价结算。
自现场供货之日起,对供货商供应的材料结算价每月进行一次价格调整。
供应商最终结算价=实际供货数量*安庆市建管处供货当月公布的安庆市场建筑材料价格行情所对应的供货材料价格*中标费率。
一、货物需求一览表
二、人员培训要求
货物安装、调试、验收合格后,中标人应对采购单位的相关人员进行免费现场培训。
培训内容包括基本操作、保养维修、常见故障及解决办法等。
三、货物质量及售后服务要求
1、货物质量:中标人提供的货物必须是品牌范围内、全新、原装、合格正品,完全符合国家规定的质量标准和厂方的标准。
货物完好,配件齐全。
2、保修及售后服务:依据商品的保修条款及售后服务条款,提供原厂质保,质保期按照国家规定,且不低于所供品牌向用户承诺的质保期限。
从货物验收合格后算起。
四、验收
中标人和采购人双方共同实施验收工作,结果和验收报告经双方确认后生效。
货物需求一览表
说明:
一、本一览表中的品牌型号、技术参数及其性能(配置)仅起参考作用,竞标人可选用其他品牌型号替代,但这些替代的品牌型号要实质上相当于或优于参考品牌型号及其技术参数性能(配置)要求。
二、本一览表中参考品牌型号及技术参数性能(配置)不明确或有误的,或竞标人选用其他品牌型号替代的,请以详细、正确的品牌型号、技术参数性能(配置)同时填写竞标报价表和技术规格偏离表。
三、凡在“技术参数及性能(配置)要求”中表述为“标配”或“标准配置”的设备,竞标人应在竞标报价表中将其标配参数详细列明,否则该竞标无效。
四、评标时,如谈判与评标委员会发现本一览表技术参数及性能(配置)要求中含有某一品牌特有的参数或限制性要求的,有权认定不作为主要技术参数及性能(配置)要求处理。
五、竞标人必须自行对其竞标产品侵犯其他竞标人或专利人的专利成果承担相应法律责任;同时,具有产品专利的竞标人应在其竞标文件中提供与其自有产品专利相关的有效证明材料,否则,不能就其产品的专利在本项目竞标过程中被侵权问题提出异议。
六、空调机、照明产品(包括双端荧光灯、自镇流荧光灯、单端荧光灯、管形荧光灯镇流器)、电视机、电热水器、计算机、打印机、显示器、便器、水嘴等九类产品为政府强制采购节能产品,若采购货物含有此类产品时,竞标人的竞标货物必须使用政府强制采购的节能产品,竞标人在竞标文件中必须提供所竞产品属于现行政府强制采购节能产品的证明材料(加盖竞标人公章),否则相应竞标无效。
A分标
B分标
C分标
D分标。
货物需求一览表说明:1、本一览表中的品牌型号、技术参数及其性能(配置)仅起参考作用,竞标人可选用其他品牌型号替代,但这些替代的品牌型号要实质上相当于或优于参考品牌型号及其技术参数性能(配置)要求。
2、本一览表中参考品牌型号及技术参数及配置不明确或有误的,或竞标人选有其他品牌型号替代的,请以详细正确的品牌型号、技术参数及配置同时填写竞标报价表和技术规格响应表。
3、在谈判评标过程如果发现本一览表中含有某一品牌特有的技术参数或限制要求,谈判小组有权将其不作为实质性要求的技术参数。
项号货物名称数量参考型号技术参数要求1 高清审讯半球摄像机10DH-IPC-HDB3200C1、摄像机防尘罩:应采用高透光材料,使用防尘罩进,图像不应出现明显色散、变形和重影现象;2、供电方式:应支持DC12V或POE供电;3、码率要求:768Kbps~8Mbps可设置;4、帧频率:2~30帧/秒以内,并多级可调;5、图像分辨率:1280*960以上;6、图像质量:图像画面中信息无明显缺损、物体移动时图像边缘不应明显的锯齿状、拉毛等现象;7、水平分辨率:≥1000TVL8、亮度鉴别等级:应≥8级以上;9、绝缘电阻:温热应≥2M欧;10、抗电强度:0.5KV,2min内无飞弧或击穿;11、泄漏电流:AC,≤5mA(峰值);12、恒定湿热要求:45±5℃ RH(85 +2~-3 )% 50h;13、振动要求:10~70Hz;振幅0.35mm;每轴向循环扫描3次以上,每次时间8min内;14、冲击要求:15g 11ms每一轴向3次6轴向;15、外壳防护等级:IP 50以上;16、稳定性要求:摄像机在正常工作条件下,连续工作168h,不应出现电气、机械或软件的故障;2 高清审讯专用网络硬盘录像机7DH-NVR0404FG-H1、系统架构:采用脱离PC平台的嵌入式系统;2、数据保存方式:同步双光驱并行自夺缩加密直刻,硬盘数据自压缩并行同步独立辅助备份;3、视频分辨率:光盘、硬盘、网络视频的分辨率最大为1024*960以上;4、视频接入分辨率:4路1024*960;5、音、视频输入接口:4路视频接入、4路音频输入;6、编码方式检查:采用H2.64编码方式;7、音、视频信息自动侦测丢失报警:具有音、视频信息丢失自动侦测报警功能,并产生报警丢失的提示信息和蜂鸣等报警;8、温度、温度信息叠加功能:可将环境的温、湿度信息同步叠加于光盘、硬盘、网络的视频画面上;9、图像参数设备功能:可对各个通道视频源的高度、对比度、色泽、及年月日预设时间的设定和实时的叠加;10、片头内容制作:可将编号、名称、人员、地点等光盘片头内容叠加于视频上;11、光盘视频编号数字叠加功能:具有光盘视频编号数字叠加的功能12、音、视频内容加密功能:光盘音、视频内容具有独立不可视的的加密密码号,回放时需验证光盘加密密码;13、画面合成功能:具有画中画功能,支持2或3路画面全成输出,支持合成画面自定主位置功能,小画面位置任意可调;14、合成画面分辨率及音频检查:具备画面合成功能,可支持接入的任意摄像机的1大3小、1大2小的合成,合成画面的分辨率为1024*960,合成画面的音频可以混音;15、防篡改功能:具有数字水印序列号加密功能,并可在加放时对其进行有效性校验,被篡改后会提示相关信息,可实现原始数据光盘视频的防伪认证,防止原始光盘视音频被编辑和替换;16、光盘容量监测提示功能:可对光盘容量进行实时监测,并在屏幕上进行显示倒计时功能,并有提示报警功能;。
货物需求一览表说明:一、本一览表中的品牌型号、技术参数及其性能(配置)仅起参考作用,投标人可选用其他品牌型号替代,但这些替代的品牌型号要实质上相当于或优于参考品牌型号及其技术参数性能(配置)要求。
二、本一览表中参考品牌型号及技术参数性能(配置)不明确或有误的,或投标人选用其他品牌型号替代的,请以详细、正确的品牌型号、技术参数性能(配置)同时填写投标报价表和投标响应偏离表。
三、凡在“技术参数及性能(配置)要求”中表述为“标配”或“标准配置”的设备,投标人应在投标报价表中将其标配参数详细列明,否则该投标无效。
四、评标时,如评标委员会发现本一览表技术参数及性能(配置)要求中含有某一品牌特有的参数或限制性要求的,有权认定不作为主要技术参数及性能(配置)要求处理。
五、投标人必须自行为其投标产品侵犯其他投标人或专利人的专利成果承担相应法律责任;同时,具有产品专利的投标人应在其投标文件中提供与其自有产品专利相关的有效证明材料,否则,不能就其产品的专利在本项目投标过程中被侵权问题提出异议。
六、空调机、照明产品(包括双端荧光灯、自镇流荧光灯、单端荧光灯、管形荧光灯镇流器)、电视机、电热水器、计算机、打印机、显示器、便器、水嘴等九类产品为政府强制采购节能产品,若采购货物含有此类产品时,投标人的投标货物必须使用政府强制采购的节能产品,投标人在投标文件中必须提供所投产品属于现行政府强制采购节能产品的证明材料(加盖投标人公章),否则相应投标无效。
七、本项目招标货物属于信息安全产品的,相应投标产品必须为经国家认证的信息安全产品,投标文件中必须提供由中国信息安全认证中心按国家标准认证颁发的有效认证证书复印件,否则该分标按投标无效处理。
A2分标A3分标A4分标G2分标H2分标H7分标。
货物需求一览表说明:1、投标应对相关证明文件、设备参数的真实性负责,不得提供虚假材料、虚构设备参数谋取中标。
否则必须承担相应法律责任,已骗取中标的取消中标资格,对招标人造成经济损失的,赔偿相应经济损失。
2、本一览表中的各项技术参数和规格要求如出现引用某一特定的专利技术、商标、名称、设计、原产地或供应者等情况,则仅起参考作用。
投标人可选用实质上“相当于”或“优于”该参考技术规格要求的产品投标,同时填写技术规格偏离表。
3、凡在“技术参数和规格要求”中表述为“标配”或“标准配置”的设备,投标人应在投标报价表中将其标配参数详细列明。
4、中标人在签订合同时需提供制造商授权和售后服务承诺书原件。
注:报价应为人民币含税价,本包为整体投标、整体中标,不允许漏项或拆分。
报价需包含设备采购、运输、保险、管理费、税费、安装调试费、出差费等项目实施过程中所需要的的一切费用。
产品交货时如发现虚假应标,投标人将无条件按产品需求参数更换设备。
便携式火焰离子化检测仪技术参数一、系统描述1、应用范围广泛应用于固定污染源烟气排放监测、环境空气监测、喷涂行业排放监测、汽车尾气排放监测、与现场CEMS仪器进行参比分析以及实验室检测分析。
2、系统组成◆由取样单元(取样探杆、取样探头、伴热管线)、色谱分析仪主机、零气气源、氢气气源、数据处理系统(工作站、数据处理软件)组成,系统组成主要部件必须为同一品牌。
3、使用环境:0~50℃:<90%RH:86~106Kbar:AC220V±10%,50±0.5Hz,1500V A4、测量方法◆烟气采样方法:完全抽取法(环境空气内置取样泵,流速10mL/min;固定污染源取样单元,流速1L/min。
)测量方法:气相色谱法(FID)二、标准与规范HJ1012-2018 环境空气和废气总烃、甲烷和非甲烷总烃便携式监测仪技术要求及检测方法HJ 604-2017 环境空气总烃、甲烷和非甲烷总烃的测定直接进样-气相色谱法HJ 38-2017 固定污染源废气总烃、甲烷和非甲烷总烃的测定气相色谱法JJG 700-2016 气相色谱仪检定规程JB/T9329-1999 仪器仪表运输、运输贮存基本环境条件及试验方法三、系统特点◆1、既可以分析环境空气中NMHC和苯系物,也可以分析烟道气中NMHC和苯系物。
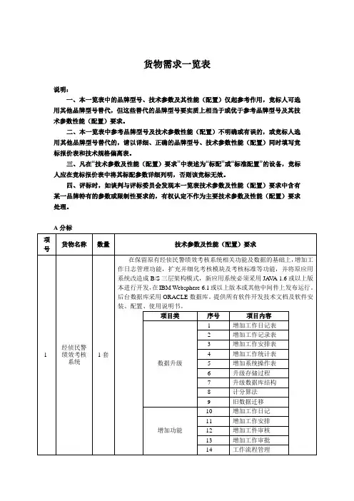
竞标货物需求一览表
说明:
一、本一览表中的品牌型号、技术参数及其性能(配置)仅起参考作用,竞标人可选用其他品牌型号替代,但这些替代的品牌型号要实质上相当于或优于参考品牌型号及其技术参数性能(配置)要求。
二、本一览表中参考品牌型号及技术参数性能(配置)不明确或有误的,或竞标人选用其他品牌型号替代的,请以详细、正确的品牌型号、技术参数性能(配置)同时填写竞标报价表和技术规格偏离表。
三、凡在“技术参数及性能(配置)要求”中表述为“标配”或“标准配置”的设备,竞标人应在竞标报价表中将其标配参数详细列明,否则该竞标无效。
A分标
G分标。
竞标货物需求一览表
说明:
一、本一览表中的品牌型号、技术参数及其性能(配置)仅起参考作用,竞标人可选用其他品牌型号替代,但这些替代的品牌型号要实质上相当于或优于参考品牌型号及其技术参数性能(配置)要求。
二、本一览表中参考品牌型号及技术参数性能(配置)不明确或有误的,或竞标人选用其他品牌型号替代的,请以详细、正确的品牌型号、技术参数性能(配置)同时填写竞标报价表和技术规格偏离表。
三、凡在“技术参数及性能(配置)要求”中表述为“标配”或“标准配置”的设备,竞标人应在竞标报价表中将其标配参数详细列明,否则该竞标无效。
A分标
G分标。