LM358中文数据手册
- 格式:doc
- 大小:437.50 KB
- 文档页数:7
LM358 的中文资料资料 20091006 17:00:01 阅读3109 评论0 字号:大中小LM35字号: 大大 中中 小小LM358是常用的双运放,这里我们介绍一下他的一些资料以及简单电路应用等,有什么问题请去电子 论坛.简介:LM358里面包括有两个高增益、独立的、内部频率补偿的双运放,适用于电压范围很宽的单电源, 而且也适用于双电源工作方式,它的应用范围包括传感放大器、直流增益模块和其他所有可用单电源供电 的使用运放的地方使用。
〈lm358引脚图及引脚功能〉LM358封装有塑封8引线双列直插式和贴片式两种。
LM358的特点:. 内部频率补偿. 低输入偏流. 低输入失调电压和失调电流. 共模输入电压范围宽,包括接地. 差模输入电压范围宽,等于电源电压范围. 直流电压增益高(约100dB). 单位增益频带宽(约1MHz). 电源电压范围宽:单电源(3—30V);. 双电源(±1.5 一±15V). 低功耗电流,适合于电池供电. 输出电压摆幅大(0 至Vcc1.5V)lm358 pdf资料:下载LM358 pdf资料下载LM358中文资料lm358稳压电路制作电路原理:本稳压器的核心器件采用LM358。
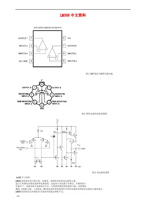
电路原理如下图所示。
它主要由供电、基准电压、电 压取样比较等组成。
市电从变压器的1、2头输入,3、4头为自耦调压抽头,5、6头为控制电路的电源及取样抽头。
市 电电压正常时,因C点电压始终为3V (即R1降压DW 稳压所得),A、B点均大于3V,故A1、A2 (lm358 芯片)输出低电平;当市电电压下降时,5、6头的电压也随之下降,A点电压也跟着下降,当A点电压下 降到低于3V时,A1输出高电平,使三极管V1饱和导通,继电器K1吸合,将调压器输出调于1、3头;当市电电压继续下降时,同理B点电压低于3V时,(VA 反之,如果电压升高时,B点电压也随之升 高,当B点电压高于3V时,A2输出低电平,V2截止,H2释放,输出端调至1、3头;当市电电压继续 升高时,A点电压高于3V,A1输出低电平,V1截止,K1释放,输出端调至1、2头。
LM358中文资料图1 DIP塑封引脚图引脚功能图2 圆形金属壳封装管脚图图3 部电路原理图lm358中文资料LM358部包括有两个独立的、高增益、部频率补偿的双运算放大器,适合于电源电压围很宽的单电源使用,也适用于双电源工作模式,在推荐的工作条件下,电源电流与电源电压无关。
它的使用围包括传感放大器、直流增益模组,音频放大器、工业控制、DC增益部件和其他所有可用单电源供电的使用运算放大器的场合。
LM358的封装形式有塑封8引线双列直插式和贴片式。
特性(Features):*部频率补偿。
*直流电压增益高(约100dB) 。
*单位增益频带宽(约1MHz) 。
*电源电压围宽:单电源(3—30V);双电源(±1.5一±15V) 。
*低功耗电流,适合于电池供电。
*低输入偏流。
*低输入失调电压和失调电流。
*共模输入电压围宽,包括接地。
*差模输入电压围宽,等于电源电压围。
*输出电压摆幅大(0至Vcc-1.5V) 。
参数输入偏置电流45 nA输入失调电流50 nA输入失调电压2.9mV输入共模电压最大值VCC~1.5 V共模抑制比80dB电源抑制比100dBLM358应用电路图:图4 直流耦合低通RC有源滤波器图5 LED驱动器图6 TTL驱动电路图7 RC有源带通滤波器图8 Squarewave振荡器图9 滞后比较器图10 带通有源滤波器图11 灯驱动程序图12 电流监视器图13 低漂移峰值检测器图14 电压跟随器图15 功率放大器外围电路图16 电压控制振荡器VCO图17 固定电流源图18 脉冲发生器图19 交流耦合反相放大器图20 交流耦合非反相放大器图21 可调增益仪表放大器图22 直流放大器图23脉冲发生器图24 桥式电流放大器图25 引用差分输入信号图26 直流差动放大器。
图1 DIP塑封引脚图引脚功能图2 圆形金属壳封装管脚图图3 内部电路原理图lm358中文资料LM358内部包括有两个独立的、高增益、内部频率补偿的双运算放大器,适合于电源电压范围很宽的单电源使用,也适用于双电源工作模式,在推荐的工作条件下,电源电流与电源电压无关。
它的使用范围包括传感放大器、直流增益模组,音频放大器、工业控制、DC增益部件和其他所有可用单电源供电的使用运算放大器的场合。
LM358的封装形式有塑封8引线双列直插式和贴片式。
特性(Features):*内部频率补偿。
*直流电压增益高(约100dB) 。
*单位增益频带宽(约1MHz) 。
*电源电压范围宽:单电源(3—30V);双电源(±1.5一±15V) 。
*低功耗电流,适合于电池供电。
*低输入偏流。
*低输入失调电压和失调电流。
*共模输入电压范围宽,包括接地。
*差模输入电压范围宽,等于电源电压范围。
*输出电压摆幅大(0至Vcc-1.5V) 。
参数输入偏置电流45 nA输入失调电流50 nA输入失调电压2.9mV输入共模电压最大值VCC~1.5 V共模抑制比80dB电源抑制比100dBLM358应用电路图:图4 直流耦合低通RC有源滤波器图5 LED驱动器图6 TTL驱动电路图7 RC有源带通滤波器图8 Squarewave振荡器图9 滞后比较器图10 带通有源滤波器图11 灯驱动程序图12 电流监视器图13 低漂移峰值检测器图14 电压跟随器图15 功率放大器外围电路图16 电压控制振荡器VCO图17 固定电流源图18 脉冲发生器图19 交流耦合反相放大器图20 交流耦合非反相放大器图21 可调增益仪表放大器图22 直流放大器图23脉冲发生器图24 桥式电流放大器图25 引用差分输入信号。
LM358中文资料下载:lm358中文资料LM358是常用的双运放,这里我们介绍一下他的一些资料以及简单电路应用等,有什么问题请去电子论坛.简介:LM358里面包括有两个高增益、独立的、内部频率补偿的双运放,适用于电压范围很宽的单电源,而且也适用于双电源工作方式,它的应用范围包括传感放大器、直流增益模块和其他所有可用单电源供电的使用运放的地方使用。
〈lm358引脚图及引脚功能〉LM358封装有塑封8引线双列直插式和贴片式两种。
LM358的特点:. 内部频率补偿. 低输入偏流. 低输入失调电压和失调电流. 共模输入电压范围宽,包括接地. 差模输入电压范围宽,等于电源电压范围. 直流电压增益高(约100dB). 单位增益频带宽(约1MHz). 电源电压范围宽:单电源(3—30V);. 双电源(?1.5 一?15V). 低功耗电流,适合于电池供电. 输出电压摆幅大(0 至Vcc-1.5V)lm358稳压电路制作电路原理:本稳压器的核心器件采用LM358。
电路原理如下图所示。
它主要由供电、基准电压、电压取样比较等组成。
市电从变压器的1、2头输入,3、4头为自耦调压抽头,5、6头为控制电路的电源及取样抽头。
市电电压正常时,因C点电压始终为3V(即R1降压DW稳压所得),A、B点均大于3V,故A1、A2(lm358芯片)输出低电平;当市电电压下降时,5、6头的电压也随之下降,A点电压也跟着下降,当A点电压下降到低于3V时,A1输出高电平,使三极管V1饱和导通,继电器K1吸合,将调压器输出调于1、3头;当市电电压继续下降时,同理B点电压低于3V时,(VA 反之,如果电压升高时,B点电压也随之升高,当B点电压高于3V时,A2输出低电平,V2截止,H2释放,输出端调至1、3头;当市电电压继续升高时,A点电压高于3V,A1输出低电平,V1截止,K1释放,输出端调至1、2头。
A1、A2为运放,在这里作电压比较器用;IC1为三端稳压块,它为运放及继电器提供供电电源;VD5、VD6为保护二极管。
lm358中文资料2009-05-05 09:26图1 DIP塑封引脚图引脚功能图2 圆形金属壳封装管脚图图3 内部电路原理图lm358中文资料LM358内部包括有两个独立的、高增益、内部频率补偿的双运算放大器,适合于电源电压范围很宽的单电源使用,也适用于双电源工作模式,在推荐的工作条件下,电源电流与电源电压无关。
它的使用范围包括传感放大器、直流增益模组,音频放大器、工业控制、DC增益部件和其他所有可用单电源供电的使用运算放大器的场合。
LM358的封装形式有塑封8引线双列直插式和贴片式。
特性(Features):*内部频率补偿。
*直流电压增益高(约100dB) 。
*单位增益频带宽(约1MHz) 。
*电源电压范围宽:单电源(3—30V);双电源(±1.5一±15V) 。
*低功耗电流,适合于电池供电。
*低输入偏流。
*低输入失调电压和失调电流。
*共模输入电压范围宽,包括接地。
*差模输入电压范围宽,等于电源电压范围。
*输出电压摆幅大(0至Vcc-1.5V) 。
参数输入偏置电流45 nA输入失调电流50 nA输入失调电压2.9mV输入共模电压最大值VCC~1.5 V共模抑制比80dB电源抑制比100dBLM358应用电路图:图4 直流耦合低通RC有源滤波器图5 LED驱动器图6 TTL驱动电路图7 RC有源带通滤波器图8 Squarewave振荡器图9 滞后比较器图10 带通有源滤波器图11 灯驱动程序图12 电流监视器图13 低漂移峰值检测器图14 电压跟随器图15 功率放大器外围电路图16 电压控制振荡器VCO图17 固定电流源图18 脉冲发生器图19 交流耦合反相放大器图20 交流耦合非反相放大器图21 可调增益仪表放大器图22 直流放大器图23脉冲发生器图24 桥式电流放大器图25 引用差分输入信号图26 直流差动放大器UC3843固定频率电流模式控制器型号:UC3843A 封装:DIP8主要应用:开关电源UC3842 、UC3843 是高性能固定频率电流模式控制器专为离线和直流至直流变换器应用而设计,为设计人员提供只需最少外部元件就能获得成本效益高的解决方案。
LM358中文资料及应用电路LM358中文资料LM358内部包括有两个独立的、高增益、内部频率补偿的双运算放大器,适合于电源电压范围很宽的单电源使用,也适用于双电源工作模式,在推荐的工作条件下,电源电流与电源电压无关。
它的使用范围包括传感放大器、直流增益模组,音频放大器、工业控制、DC增益部件和其他所有可用单电源供电的使用运算放大器的场合。
LM358特性(Features):*内部频率补偿。
*直流电压增益高(约100dB) 。
*单位增益频带宽(约1MHz) 。
*电源电压范围宽:单电源(3—30V);双电源(±1.5一±15V) 。
*低功耗电流,适合于电池供电。
*低输入偏流。
*低输入失调电压和失调电流。
*共模输入电压范围宽,包括接地。
*差模输入电压范围宽,等于电源电压范围。
*输出电压摆幅大(0至Vcc-1.5V) 。
LM358主要参数输入偏置电流45 nA输入失调电流50 nA输入失调电压2.9mV输入共模电压最大值VCC~1.5 V共模抑制比80dB电源抑制比100dBLM358引脚图LM358的封装形式有塑封8引线双列直插式和贴片式。
图1 DIP塑封引脚图引脚功能图2 圆形金属壳封装管脚图LM358内部结构图图3 内部电路原理图LM358应用电路图:图4 直流耦合低通RC有源滤波器图5 LED驱动器图6 TTL驱动电路图7 RC有源带通滤波器图8 Squarewave振荡器图9 滞后比较器图10 带通有源滤波器LM358典型应用电路图LM358典型应用电路图集图4 LM358组成的直流耦合低通RC有源滤波器图5 LM358组成的LED驱动器图6 LM358组成的TTL驱动电路图7 LM358组成的RC有源带通滤波器图8 LM358组成的方波发生器图9 滞后比较器图10 带通有源滤波器图11 灯驱动程序图12 电流*器图13 低漂移峰值检测器图14 电压跟随器图15 功率放大器外围电路图16 LM358电压控制振荡器VCO图17 固定电流源图18 脉冲发生器图19 交流耦合反相放大器图20 交流耦合非反相放大器图21 可调增益仪表放大器图22 直流放大器图23脉冲发生器图24 桥式电流放大器图25 引用差分输入信号图26 直流差动放大器。
下载:lm358中文资料LM358是常用的双运放,这里我们介绍一下他的一些资料以及简单电路应用等,有什么问题请去电子论坛.简介:LM358里面包括有两个高增益、独立的、内部频率补偿的双运放,适用于电压范围很宽的单电源,而且也适用于双电源工作方式,它的应用范围包括传感放大器、直流增益模块和其他所有可用单电源供电的使用运放的地方使用。
〈lm358引脚图及引脚功能〉LM358封装有塑封8引线双列直插式和贴片式两种。
LM358的特点:. 内部频率补偿. 低输入偏流. 低输入失调电压和失调电流. 共模输入电压范围宽,包括接地. 差模输入电压范围宽,等于电源电压范围. 直流电压增益高(约100dB). 单位增益频带宽(约1MHz). 电源电压范围宽:单电源(3—30V);. 双电源(±1.5 一±15V). 低功耗电流,适合于电池供电. 输出电压摆幅大(0 至Vcc-1.5V)lm358稳压电路制作电路原理:本稳压器的核心器件采用LM358。
电路原理如下图所示。
它主要由供电、基准电压、电压取样比较等组成。
市电从变压器的1、2头输入,3、4头为自耦调压抽头,5、6头为控制电路的电源及取样抽头。
市电电压正常时,因C点电压始终为3V(即R1降压DW稳压所得),A、B点均大于3V,故A1、A2(lm358芯片)输出低电平;当市电电压下降时,5、6头的电压也随之下降,A点电压也跟着下降,当A点电压下降到低于3V时,A1输出高电平,使三极管V1饱和导通,继电器K1吸合,将调压器输出调于1、3头;当市电电压继续下降时,同理B点电压低于3V时,(VA 反之,如果电压升高时,B点电压也随之升高,当B点电压高于3V时,A2输出低电平,V2截止,H2释放,输出端调至1、3头;当市电电压继续升高时,A点电压高于3V,A1输出低电平,V1截止,K1释放,输出端调至1、2头。
A1、A2为运放,在这里作电压比较器用;IC1为三端稳压块,它为运放及继电器提供供电电源;VD5、VD6为保护二极管。
LM358功能中文资料LM358是常用的双运放,这里我们介绍一下他的一些资料以及简单电路应用等. 简介:LM358里面包括有两个高增益、独立的、内部频率补偿的双运放,适用于电压范围很宽的单电源,而且也适用于双电源工作方式,它的应用范围包括传感放大器、直流增益模块和其他所有可用单电源供电的使用运放的地方使用。
〈LM358引脚图及引脚功能〉LM358封装有塑封8引线双列直插式和贴片式两种。
LM358的特点:. 内部频率补偿. 低输入偏流. 低输入失调电压和失调电流. 共模输入电压范围宽,包括接地. 差模输入电压范围宽,等于电源电压范围. 直流电压增益高(约100dB). 单位增益频带宽(约1MHz). 电源电压范围宽:单电源(3—30V);. 双电源(±1.5 一±15V). 低功耗电流,适合于电池供电. 输出电压摆幅大(0 至Vcc-1.5V)LM358稳压电路制作电路原理:本稳压器的核心器件采用LM358。
电路原理如下图所示。
它主要由供电、基准电压、电压取样比较等组成。
市电从变压器的1、2头输入,3、4头为自耦调压抽头,5、6头为控制电路的电源及取样抽头。
市电电压正常时,因C点电压始终为3V(即R1降压DW稳压所得),A、B点均大于3V,故A1、A2(lm358芯片)输出低电平;当市电电压下降时,5、6头的电压也随之下降,A点电压也跟着下降,当A点电压下降到低于3V时,A1输出高电平,使三极管V1饱和导通,继电器K1吸合,将调压器输出调于1、3头;当市电电压继续下降时,同理B点电压低于3V时,(VA 反之,如果电压升高时,B点电压也随之升高,当B点电压高于3V时,A2输出低电平,V2截止,H2释放,输出端调至1、3头;当市电电压继续升高时,A点电压高于3V,A1输出低电平,V1截止,K1释放,输出端调至1、2头。
A1、A2为运放,在这里作电压比较器用;IC1为三端稳压块,它为运放及继电器提供供电电源;VD5、VD6为保护二极管。
双运放LM358中文资料
LM358内部包括有两个独立的、高增益、内部频率补偿的双运算放大器,适合于电源电压范围很宽的单电源使用,也适用于双电源工作模式,在推荐的工作条件下,电源电流与电源电压无关。
它的使用范围包括传感放大器、直流增益模组,音频放大器、工业控制、DC增益部件和其他所有可用单电源供电的使用运算放大器的场合。
LM358特性(Features):
*内部频率补偿。
*直流电压增益高(约100dB) 。
*单位增益频带宽(约1MHz) 。
*电源电压范围宽:单电源(3—30V);双电源(±1.5一±15V) 。
*低功耗电流,适合于电池供电。
*低输入偏流。
*低输入失调电压和失调电流。
*共模输入电压范围宽,包括接地。
*差模输入电压范围宽,等于电源电压范围。
*输出电压摆幅大(0至Vcc-1.5V) 。
LM358主要参数
输入偏置电流45 nA
输入失调电流50 nA
输入失调电压2.9mV
输入共模电压最大值VCC~1.5 V
共模抑制比80dB
电源抑制比100dB
图1 DIP塑封引脚图引脚功能
图2 圆形金属壳封装管脚图LM358内部结构图
图3 内部电路原理图
l 图4 直流耦合低通RC有源滤波器l
图6 TTL驱动电路
图7 RC有源带通滤波器
图8 Squarewave振荡器
图9 滞后比较器
图10 带通有源滤波器。
LM358功能中文资料LM358是常用的双运放,这里我们介绍一下他的一些资料以及简单电路应用等.简介:LM358里面包括有两个高增益、独立的、内部频率补偿的双运放,适用于电压范围很宽的单电源,而且也适用于双电源工作方式,它的应用范围包括传感放大器、直流增益模块和其他所有可用单电源供电的使用运放的地方使用。
〈LM358引脚图及引脚功能〉LM358封装有塑封8引线双列直插式和贴片式两种。
LM358的特点:. 内部频率补偿. 低输入偏流. 低输入失调电压和失调电流. 共模输入电压范围宽,包括接地. 差模输入电压范围宽,等于电源电压范围. 直流电压增益高(约100dB). 单位增益频带宽(约1MHz). 电源电压范围宽:单电源(3—30V);. 双电源(±1.5 一±15V). 低功耗电流,适合于电池供电. 输出电压摆幅大(0 至Vcc-1.5V)LM358稳压电路制作电路原理:本稳压器的核心器件采用LM358。
电路原理如下图所示。
它主要由供电、基准电压、电压取样比较等组成。
市电从变压器的1、2头输入,3、4头为自耦调压抽头,5、6头为控制电路的电源及取样抽头。
市电电压正常时,因C点电压始终为3V(即R1降压DW稳压所得),A、B点均大于3V,故A1、A2(lm358芯片)输出低电平;当市电电压下降时,5、6头的电压也随之下降,A点电压也跟着下降,当A点电压下降到低于3V时,A1输出高电平,使三极管V1饱和导通,继电器K1吸合,将调压器输出调于1、3头;当市电电压继续下降时,同理B点电压低于3V时,(VA 反之,如果电压升高时,B点电压也随之升高,当B点电压高于3V时,A2输出低电平,V2截止,H2释放,输出端调至1、3头;当市电电压继续升高时,A点电压高于3V,A1输出低电平,V1截止,K1释放,输出端调至1、2头。
A1、A2为运放,在这里作电压比较器用;IC1为三端稳压块,它为运放及继电器提供供电电源;VD5、VD6为保护二极管。
lm358芯片手册LM358是一款常用的双运放集成电路芯片。
本手册将详细介绍LM358的主要特点、引脚功能、内部电路结构、电气特性、应用电路等内容。
一、主要特点LM358是一款具有广泛应用的双运放集成电路芯片。
它的主要特点如下:1. 低功耗:LM358的静态工作电流为0.7mA,具有低功耗的特性,适合应用于电池供电的电子设备。
2. 宽工作电压范围:LM358的工作电压范围为3V至32V,可适应不同的工作电源。
3. 高共模抑制比:LM358的共模抑制比为70dB,具有良好的共模抑制能力。
4. 宽输入电压范围:LM358的输入电压范围为负供电电压至正供电电压之间的范围,可适应多种输入信号。
5. 稳定的直流增益:LM358的直流增益稳定,可保证输入信号准确放大。
6. 可大批量生产:LM358采用标准的16引脚DIP封装,易于大规模的生产制造。
二、引脚功能LM358的引脚功能如下:1. 1号脚(OUT1):1号运放的输出脚。
2. 2号脚(IN-):1号运放的负输入脚。
3. 3号脚(IN+):1号运放的正输入脚。
4. VSS:负供电电压脚。
5. 5号脚(IN+):2号运放的正输入脚。
6. 6号脚(IN-):2号运放的负输入脚。
7. 7号脚(OUT2):2号运放的输出脚。
8. VDD:正供电电压脚。
三、内部电路结构LM358的内部电路结构由两个独立的运算放大器组成,每个运放放大器都由输入级、中间级和输出级组成。
输入级是一个差动放大器,用于输入信号的放大和差模到共模的转换;中间级是一个级联的共射放大器和共射放大器,用于进一步放大和控制输出幅度;输出级是一个输出级驱动电路,用于输出放大信号。
四、电气特性1. 工作电压范围:3V至32V2. 工作电流:静态工作电流为0.7mA3. 直流增益:200dB4. 输入偏置电流:25nA5. 输入偏置电压:2mV6. 输出电流:20mA7. 共模抑制比:70dB8. 带宽:1MHz9. 封装形式:16引脚DIP五、应用电路1. 比较器电路:将输入信号与参考电压进行比较,根据比较结果输出高电平或低电平。
LM358的中⽂资料LM358的中⽂资料LM35LM358是常⽤的双运放,这⾥我们介绍⼀下他的⼀些资料以及简单电路应⽤等,有什么问题请去电⼦论坛.简介:LM358⾥⾯包括有两个⾼增益、独⽴的、内部频率补偿的双运放,适⽤于电压范围很宽的单电源,⽽且也适⽤于双电源⼯作⽅式,它的应⽤范围包括传感放⼤器、直流增益模块和其他所有可⽤单电源供电的使⽤运放的地⽅使⽤。
〈lm358引脚图及引脚功能〉LM358封装有塑封8引线双列直插式和贴⽚式两种。
LM358的特点:. 内部频率补偿. 低输⼊偏流. 低输⼊失调电压和失调电流. 共模输⼊电压范围宽,包括接地. 差模输⼊电压范围宽,等于电源电压范围. 直流电压增益⾼(约100dB). 单位增益频带宽(约1MHz). 电源电压范围宽:单电源(3—30V);. 双电源(±1.5 ⼀±15V). 低功耗电流,适合于电池供电. 输出电压摆幅⼤(0 ⾄Vcc-1.5V)lm358 pdf资料:下载LM358 pdf资料下载LM358中⽂资料lm358稳压电路制作电路原理:本稳压器的核⼼器件采⽤LM358。
电路原理如下图所⽰。
它主要由供电、基准电压、电压取样⽐较等组成。
市电从变压器的1、2头输⼊,3、4头为⾃耦调压抽头,5、6头为控制电路的电源及取样抽头。
市电电压正常时,因C点电压始终为3V(即R1降压DW稳压所得),A、B点均⼤于3V,故A1、A2(lm358芯⽚)输出低电平;当市电电压下降时,5、6头的电压也随之下降,A点电压也跟着下降,当A点电压下降到低于3V时,A1输出⾼电平,使三极管V1饱和导通,继电器K1吸合,将调压器输出调于1、3头;当市电电压继续下降时,同理B点电压低于3V时,(VA 反之,如果电压升⾼时,B点电压也随之升⾼,当B点电压⾼于3V时,A2输出低电平,V2截⽌,H2释放,输出端调⾄1、3头;当市电电压继续升⾼时,A点电压⾼于3V,A1输出低电平,V1截⽌,K1释放,输出端调⾄1、2头。
LM358中文资料图1 DIP塑封引脚图引脚功能图2圆形金属壳封装管脚图图3内部电路原理图lm358中文资料LM358内部包括有两个独立的、高增益、内部频率补偿的双运算放大器,适合于电源电压范围很宽的单电源使用,也适用于双电源工作模式,在推荐的工作条件下,电源电流与电源电压无关。
它的使用范围包括传感放大器、直流增益模组,音频放大器、工业控制、DC增益部件和其他所有可用Vcc0UTPUT2IN PUT 玄•)INP UTN+)V*4LL二inpLt 一—“XNor - p /eri!ig\11冲QMA50uA单电源供电的使用运算放大器的场合。
LM358的封装形式有塑封8引线双列直插式和贴片式。
特性(Features):*内部频率补偿。
*直流电压增益高(约lOOdB)。
*单位增益频带宽(约1MHz)。
土 15V)。
*电源电压范围宽:单电源(3 —30V);双电源(± 1.5*低功耗电流,适合于电池供电。
*低输入偏流。
*低输入失调电压和失调电流。
*共模输入电压范围宽,包括接地。
*差模输入电压范围宽,等于电源电压范围。
*输出电压摆幅大(0至VCC-1.5V)。
参数输入偏置电流45 nA输入失调电流50 nA输入失调电压2.9mV输入共模电压最大值VCC~1.5 V共模抑制比80dB电源抑制比100dBLM358应用电路图:Cl图6 TTL驱动电路IOVWlOUkHI lOOi h1!?2 LM1I血1总 LMint和? I 和「碍Cl31ID K Ft? J J 111 时R1 inmB一、-Jh ■ u h K M图7 RC有源带通滤波器 A1 100k图 8 Squarewave 振荡图9滞后比较器HI670ClD-lluFHHrCt S R ;IRRZ 3? Ofc<$-Jf c ri T _[%5b^LM35BV3 I MJ5RV QRa lOOhR7 tmihH6 12IH wv丄” =1 KHd0 — E5图10带通有源滤波器图12电流监视器图13低漂移峰值检测器图15功率放大器外围电路1J JKmAI L SIT工片Ikiv(r}V 严i --- -"(liTizrciRC R1for图11 灯驱动程H潮flIQQhSlil!¥m 5 S'*A z1«<LM15B血LMlSa OUTPUT 1+■埔+/3 51KlOUk/V%/Q OUTPUT 2WkVwVOOlxfIIMR2llOShilVSU3Pi9H图16电压控制振荡器VCOIH4IkTH LMJ5B源脉冲发生器Vin iR1IdhRZIQQkCl 曙fVR3iaokR4〕叱:-TL-TL图17 固定电流taiHiAAZV图18 隔JVPP图19交流耦合反相放大器Rl FW3 Vpp图20交流耦合非反相放大器ni图21 可调增益仪表放大器心】0—W*—Iq J1器> I呱in IM2 LNIfiS5inlOOhFllOOhRImlA'hcrc: K口二V)+ Vy - '% - V.iW - '也匕何3 — V,l) 1C. kfrCp *1r令V QQ图22直流放大图23脉冲发生器Vo - %图24桥式电流放大图25引用差分输入信号ft?VoAS 谢>^呦;V Q = 2 他VJ图26直流差动放大器。
LM358 功能中文资料LM358 是常用的双运放 ,这里我们介绍一下他的一些资料以及简单电路应用等.简介 :LM358 里面包含有两个高增益、独立的、内部频次赔偿的双运放,合用于电压范围很宽的单电源,并且也合用于双电源工作方式,它的应用范围包含传感放大器、直流增益模块和其余全部可用单电源供电的使用运放的地方使用。
〈LM358 引脚图及引脚功能〉LM358 封装有塑封 8 引线双列直插式和贴片式两种。
LM358 的特色 :. 内部频次赔偿. 低输入偏流. 低输入失调电压和失调电流. 共模输入电压范围宽,包含接地. 差模输入电压范围宽,等于电源电压范围. 直流电压增益高 (约 100dB). 单位增益频带宽 (约 1MHz). 电源电压范围宽:单电源(3—30V);. 双电源 ( ±一± 15V). 低功耗电流,合适于电池供电. 输出电压摆幅大 (0 至LM358 稳压电路制作电路原理:本稳压器的中心器件采纳 LM358。
电路原理以下列图所示。
它主要由供电、基准电压、电压取样比较等构成。
市电从变压器的1、2 头输入, 3、 4 头为自耦调压抽头, 5、6 头为控制电路的电源及取样抽头。
市电电压正常时,因 C 点电压一直为3V(即 R1 降压 DW 稳压所得), A、B 点均大于 3V,故 A1、A2( lm358 芯片)输出低电平;当市电电压降落时,5、6 头的电压也随之降落, A 点电压也随着降落,当 A 点电压降落到低于 3V 时, A1 输出高电平,使三极管 V1 饱和导通,继电器 K1 吸合,将调压器输出调于 1、3 头;当市电电压连续降落时,同理 B 点电压低于 3V 时,( VA 反之,假如电压高升时, B 点电压也随之升高,当 B 点电压高于 3V 时, A2 输出低电平, V2 截止, H2 开释,输出端调至 1、3 头;当市电电压连续高升时, A 点电压高于 3V,A1 输出低电平, V1 截止, K1 开释,输出端调至1、2 头。
lm358中文资料引脚功能应用电路(组图)图1 DIP塑封引脚图引脚功能图2 圆形金属壳封装管脚图图3 内部电路原理图LM358内部包括有两个独立的、高增益、内部频率补偿的双运算放大器,适合于电源电压范围很宽的单电源使用,也适用于双电源工作模式,在推荐的工作条件下,电源电流与电源电压无关。
它的使用范围包括传感放大器、直流增益模组,音频放大器、工业控制、DC增益部件和其他所有可用单电源供电的使用运算放大器的场合。
LM358的封装形式有塑封8引线双列直插式和贴片式。
特性(Features):*内部频率补偿。
*直流电压增益高(约100dB) 。
*单位增益频带宽(约1MHz) 。
*电源电压范围宽:单电源(3—30V);双电源(±1.5一±15V) 。
*低功耗电流,适合于电池供电。
*低输入偏流。
*低输入失调电压和失调电流。
*共模输入电压范围宽,包括接地。
*差模输入电压范围宽,等于电源电压范围。
*输出电压摆幅大(0至Vcc-1.5V) 。
参数:输入偏置电流45 nA 输入失调电流50 nA 输入失调电压2.9mV输入共模电压最大值VCC~1.5 V 共模抑制比80d 电源抑制比100dBLM358应用电路图:图4 直流耦合低通RC有源滤波器图5 LED驱动器图6 TTL驱动电路图7 RC有源带通滤波器图8 Squarewave振荡器图9 滞后比较器图10 带通有源滤波器图11 灯驱动程序图12 电流监视器图13 低漂移峰值检测器图14 电压跟随器图15 功率放大器外围电路图16 电压控制振荡器VCO图17 固定电流源图18 脉冲发生器图19 交流耦合反相放大器图20 交流耦合非反相放大器图21 可调增益仪表放大器图22 直流放大器图23脉冲发生器图24 桥式电流放大器图25 引用差分输入信图26 直流差动放大器。
lm358中文资料2009-05-05 09:26图1 DIP塑封引脚图引脚功能图2 圆形金属壳封装管脚图图3 内部电路原理图lm358中文资料LM358内部包括有两个独立的、高增益、内部频率补偿的双运算放大器,适合于电源电压范围很宽的单电源使用,也适用于双电源工作模式,在推荐的工作条件下,电源电流与电源电压无关。
它的使用范围包括传感放大器、直流增益模组,音频放大器、工业控制、DC增益部件和其他所有可用单电源供电的使用运算放大器的场合。
LM358的封装形式有塑封8引线双列直插式和贴片式。
特性(Features):*内部频率补偿。
*直流电压增益高(约100dB) 。
*单位增益频带宽(约1MHz) 。
*电源电压范围宽:单电源(3—30V);双电源(±1.5一±15V) 。
*低功耗电流,适合于电池供电。
*低输入偏流。
*低输入失调电压和失调电流。
*共模输入电压范围宽,包括接地。
*差模输入电压范围宽,等于电源电压范围。
*输出电压摆幅大(0至Vcc-1.5V) 。
参数输入偏置电流45 nA输入失调电流50 nA输入失调电压2.9mV输入共模电压最大值VCC~1.5 V共模抑制比80dB电源抑制比100dBLM358应用电路图:图4 直流耦合低通RC有源滤波器图5 LED驱动器图6 TTL驱动电路图7 RC有源带通滤波器图8 Squarewave振荡器图9 滞后比较器图10 带通有源滤波器图11 灯驱动程序图12 电流监视器图13 低漂移峰值检测器图14 电压跟随器图15 功率放大器外围电路图16 电压控制振荡器VCO图17 固定电流源图18 脉冲发生器图19 交流耦合反相放大器图20 交流耦合非反相放大器图21 可调增益仪表放大器图22 直流放大器图23脉冲发生器图24 桥式电流放大器图25 引用差分输入信号图26 直流差动放大器UC3843固定频率电流模式控制器型号:UC3843A 封装:DIP8主要应用:开关电源UC3842 、UC3843 是高性能固定频率电流模式控制器专为离线和直流至直流变换器应用而设计,为设计人员提供只需最少外部元件就能获得成本效益高的解决方案。
LM358LM358的封装形式有塑封引线双列直插式、贴片式和圆形金属封装等。
具有低功耗,低噪声的优点LM358内部包括有两个独立的、高增益、内部频率补偿的双运算放大器,适合于电源电压范围很宽的单电源使用,也适用于双电源工作模式,在推荐的工作条件下,电源电流与电源电压无关。
它的使用范围包括传感放大器、直流增益模组,音频放大器、工业控制、DC增益部件和其他所有可用单电源供电的使用运算放大器的场合产品用途:适用于监视器,充电器,汽车功放,小家电控板,无绳电话机,交换机,集线器,扫描器,民用音响,UPS,防盗器,电磁炉控板等。
性能及优点:LM358由两个独立、高增益和内部频率补偿的运算放大器组成。
可用一个宽范围的单电源供电。
也可用带隙电源供电;低输入电流不依赖供电电压的大小。
在整个频带增益有温度补偿。
输入偏置电流有温度补偿。
兼容所有的逻辑电平。
可用电池供电。
同一增益内部频率补偿。
大DC电压增益,达100 dB。
同一增益带宽:1 MHz。
宽供电电压:单电源供电:3V到32V。
双电源供电:±1.5V到±16V。
非常低的耗电(500 µA)不依赖电源供电。
低偏移电压:2 mV。
输入对地的通用电压。
差分输入电压于供电电压相等。
输出电压范围摆率:0V 到V+- 1.5V*内部频率补偿。
*直流电压增益高(约100dB) 。
*单位增益频带宽(约1MHz) 。
*电源电压范围宽:单电源(3—30V);双电源(±1.5一±15V) 。
*低功耗电流,适合于电池供电。
*低输入偏流。
*低输入失调电压和失调电流。
*共模输入电压范围宽,包括接地。
*差模输入电压范围宽,等于电源电压范围。
*输出电压摆幅大(0至Vcc-1.5V) 。
LM358主要参数输入偏置电流45 nA输入失调电流50 nA输入失调电压2.9mV输入共模电压最大值VCC~1.5 V共模抑制比80dB电源抑制比100dB行情分析LM358该型号,市场上比较常见,在各大网站上,搜索比较频繁,价格一直相对平稳。
LM358中文资料
图1 DIP塑封引脚图引脚功能
图2 圆形金属壳封装管脚图
图3 内部电路原理图
lm358中文资料
LM358内部包括有两个独立的、高增益、内部频率补偿的双运算放大器,
适合于电源电压范围很宽的单电源使用,也适用于双电源工作模式,在推荐的工
作条件下,电源电流与电源电压无关。
它的使用范围包括传感放大器、直流增益
模组,音频放大器、工业控制、DC增益部件和其他所有可用单电源供电的使用运算放大器的场合。
LM358的封装形式有塑封8引线双列直插式和贴片式。
特性(Features):
*内部频率补偿。
*直流电压增益高(约100dB) 。
*单位增益频带宽(约1MHz) 。
*电源电压范围宽:单电源(3—30V);双电源(±1.5一±15V) 。
*低功耗电流,适合于电池供电。
*低输入偏流。
*低输入失调电压和失调电流。
*共模输入电压范围宽,包括接地。
*差模输入电压范围宽,等于电源电压范围。
*输出电压摆幅大(0至Vcc-1.5V) 。
参数
输入偏置电流45 nA
输入失调电流50 nA
输入失调电压2.9mV
输入共模电压最大值VCC~1.5 V
共模抑制比80dB
电源抑制比100dB
LM358应用电路图:
图4 直流耦合低通RC有源滤波器
图5 LED驱动
器图6 TTL驱动电路
图7 RC有源带通滤波器
图8 Squarewave振荡
器
图9 滞后比较器
图10 带通有源滤波器
图11 灯驱动程
序图12 电流监视器
图13 低漂移峰值检测器
图14 电压跟随
器图15 功率放大器外围电路
图16 电压控制振荡器VCO
图17 固定电流
源图18 脉冲发生器
图19 交流耦合反相放大器
图20 交流耦合非反相放大器
图21 可调增益仪表放大器
图22 直流放大
器
图23脉冲发生器
图24 桥式电流放大
器
图25 引用差分输入信号
图26 直流差动放大器。