消防验收记录表
- 格式:doc
- 大小:855.50 KB
- 文档页数:43
最新消防工程验收记录表(全套范例)资料
1. 项目信息:
- 项目名称:
- 建设单位:
- 施工单位:
- 监理单位:
- 验收单位:
- 验收日期:
2. 消防工程基本信息:
- 设计方案:(简要说明设计方案的内容和特点)
- 施工图纸:(简要说明施工图纸的内容和特点)
- 施工工艺:(简要说明施工工艺的内容和特点)
- 产品材料:(简要说明所使用的产品材料的品牌和型号)
3. 施工过程验收记录:
3.1 施工工艺验收:
- 检查施工过程中的工艺流程是否符合设计要求和相关标准。
- 检查施工所使用的设备、材料是否符合要求。
3.2 设备安装验收:
- 检查消防设备的安装位置是否符合设计要求。
- 检查设备的接线、固定和调试情况。
3.3 系统调试验收:
- 检查消防系统的各项功能是否正常。
- 检查报警系统、喷淋系统、防排烟系统等各个子系统的联动情况。
4. 验收结果:
- 消防工程验收合格。
- 消防工程验收不合格(详细说明问题以及整改情况)。
5. 图纸和资料清单:
- 消防系统施工图纸;
- 设备安装图纸;
- 消防系统设备配置表;
- 施工过程记录表;
- 调试记录表;
- 验收报告;
- 其他相关资料。
6. 备注:
(此处可备注消防工程验收过程中的特殊情况或需要注意的事项)
以上是《最新消防工程验收记录表(全套范例)资料》的内容。
根据具体项目的要求,可以对文档进行适当调整和补充。
消防工程验收表格
1. 项目概述
此消防工程验收表格旨在记录消防工程的验收情况,确保消防设施和设备的合规性以及安全性。
2. 项目信息
- 项目名称:
- 项目地点:
- 项目经理:
- 施工单位:
- 设计单位:
3. 验收标准
- 国家消防法规的要求
- 相关消防技术标准
- 设计文件和图纸要求
4. 验收内容
4.1 消防设施和设备
- 灭火器的种类、数量及有效期
- 消防水带、消防栓的设置和布局
- 自动喷水灭火系统、自动报警系统的安装情况- 烟雾探测器、火灾报警按钮的设置情况
- 排烟系统和通风设备的安装情况
- 电气消防设备的可靠性和安全性
- 配电箱、电气线路的布局和防火措施
4.2 疏散通道和逃生设施
- 疏散通道的布局、宽度和灯光设置
- 楼梯和走廊的防火门、防滑措施
- 紧急疏散指示标识的设置情况
- 备用疏散通道和紧急出口的设置
4.3 培训和演练
- 消防设备的使用培训情况
- 疏散逃生演练的组织和执行情况
- 灭火方法和逃生技巧的宣传和培训
5. 验收结果
- 验收合格
- 验收存在问题,需整改
- 验收不合格,需要重新验收
6. 验收人员
- 验收人员姓名:
- 验收日期:
- 确认签字:
以上是消防工程验收表格的内容,请根据实际情况填写和记录相关信息。
如有需要,可根据项目要求增加其他验收内容和细节。
建设工程竣工消防验收记录表
表1建设工程竣工消防验收基本情况记录表(建筑防火部分)
编号:
注:此记录以单栋建筑为单元填写。
表1-1 建筑类别、耐火等级、总平面布局和平面布置验收检查记录
验收人员:年月日
表1-2 防火分隔、防烟分隔、防爆验收检查记录
验收人员:年月日
表1-3 安全疏散和消防电梯验收检查记录
验收人员:
年 月 日
表1-4 建筑装修和建筑保温验收检查记录
验收人员:年月日
表2建设工程竣工消防验收基本情况记录表(消防设施部分)
编号:
注:此记录以单栋建筑为单元填写。
表2-1 消火栓系统验收检查记录
验收人员:年月日
表2-2 自动喷水灭火系统验收检查记录
验收人员:年月日
表2-3 泡沫灭火系统验收检查记录
验收人员:年月日
表2-4 气体灭火系统验收检查记录
验收人员:年月日
表2-5 建筑灭火器验收检查记录
验收人员:年月日
表2-6 消防电气验收检查记录
验收人员:年月日
表2-7 火灾自动报警系统验收检查记录
验收人员:年月日
表2-8 防烟排烟系统验收检查记录
验收人员:年月日
表3 消防产品现场核对记录表
□符合□不其他
符合。
消防验收检查记录表编号:xxxxxx检查信息•检查时间:xxxx年xx月xx日•检查人员:xxxx•被检单位名称:xxxx•地址:xxxx•所属行业:xxxx检查内容一、审核消防设施档案1.消防设施档案(包括设计文件、验收报告、维修记录、使用登记、规定标志)是否齐全并进行规范管理?2.消防设施档案是否及时更新,并进行定期检查和整理?检查结果:二、盘查消防设施1.消防设施是否完好、无损坏、无堵塞,安装位置是否符合标准要求?2.疏散通道和安全出口是否畅通,消防设备和器材是否放置整齐在位?检查结果:三、检查灭火器材1.消防器材和灭火器是否齐全、有效、装配在规定位置并定期维修、检查?2.灭火器的有效期是否未过期?检查结果:四、检查消防水源和室内消火栓1.消火栓和室内消防栓、消防水池等消防水源是否正常工作,无泄漏、积水、污染等现象?2.消防水源是否设置了明显标识标志?检查结果:五、检查电气火灾隐患1.电气线路和电器设备是否存在欠电保护、漏电现象、短路和起火隐患等电气故障?2.插座和电线是否安装牢固、接头是否扎实?检查结果:检查结果问题列表问题分类问题描述处理措施处理结果消防设施档案消防设施灭火器材消防水源及室内消火栓电气火灾隐患处理情况1.处理情况:如有问题需要整改,需在xx年xx月xx日前整改完成,并提交整改报告。
2.处理结果:整改后需重新进行消防验收检查。
签名检查人员: xxx被检单位负责人(盖章):xxxx备注备注内容。
表21
消防验收人员:建设单位负责人:年月日
注:1
建设工程消防竣工验收查验记录表(2)建筑保温和外墙装饰、建筑内部装修
消防验收人员:建设单位负责人:年月日
消防验收人员:建设单位负责人:年月日
消防验收人员:建设单位负责人:年月日
消防验收人员:建设单位负责人:年月日
建设工程消防竣工验收查验记录表(6)自动喷水灭火系统
消防验收人员:建设单位负责人:年月日
消防验收人员:建设单位负责人:年月日
消防验收人员:建设单位负责人:年月日
消防验收人员:建设单位负责人:年月日
消防验收人员:建设单位负责人:年月日
消防验收人员:建设单位负责人:年月日。
消防验收记录表简介消防验收是指对某些建筑物、场所以及设备等进行验收,以测试其消防安全性及可靠性的检查程序。
消防验收记录表,就是监管人员在进行消防验收的过程中所使用的记录表格,可记录救火设施设备运行状况、使用年限及维修计划,保证建筑物、场所以及设备等在火灾发生时的安全性。
报告使用范围消防验收记录表可适用于以下场所:•商场、超市、酒店、餐厅等室内建筑•学校、幼儿园、培训机构、图书馆等公共场所•工厂、车间、仓库等以及其中的办公室、住宅等室外建筑消防验收记录表内容及格式以下是消防验收记录表的内容及格式:编号编号:消防验收记录表编号。
建筑名称建筑名称:待验收建筑物的名称。
建筑位置建筑位置:建筑物所在位置。
验收人员验收人员:执行消防验收工作的人员。
验收日期验收日期:执行消防验收的日期。
巡查区域巡查区域:验收人员需要巡查的区域,包括内部和外部。
救火设施设备检测系统名称系统名称:待验收系统的名称。
设备类型设备类型:待验收设备的类型。
数量数量:待验收设备的数量。
运行状况运行状况:待验收设备的运行状况。
使用年限使用年限:待验收设备的使用年限。
修理计划修理计划:待验收设备的修理计划。
:验收人员对于待验收建筑物的。
消防验收记录表是消防员检查消防安全的重要工具,也是保障公众生命财产安全的有效手段。
根据国家法律,对于发现存在安全隐患的建筑物,需尽快整改,遵守“安全第一”的原则,保护人民生命财产安全,是每一位公民的责任和义务。
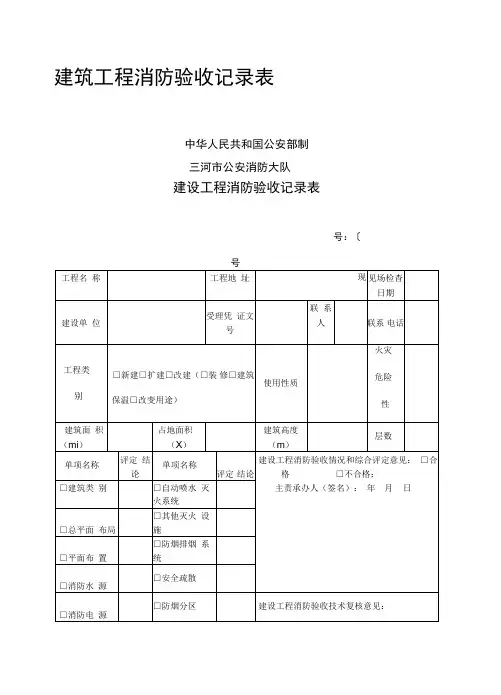
建筑工程消防验收记录表中华人民共和国公安部制三河市公安消防大队建设工程消防验收记录表号:〔号如果建筑较多,可在此列出:此记录由公安机关消防机构存档表建筑类别、总平面布局和平面布置验收检查记录子项评定名称内容和方法要求验收检查情况--------- ---重要程是油气间等设备用房。
表建筑内部装修防火验收检查记录张栋表防火防烟分隔、防爆验收检查记录张栋表安全疏散和消防电梯验收检查记录消防验收人员: 张栋建设单位负责人:表消防水源和消防电源验收检查记录消防验收人员:__________________________ 建设单位负责人: 张栋_____________ 年月日表水灭火系统验收检查记录喷头查验设置场所、规格、型号、公称动作温度、响应指数地下、1、4、15、16层50场所设置正常、气泡红色与图纸设置一致A合格查看防腐、防冻和防撞措施地下、1层符合规范要求C合格查验备用数每种不少于10个地下、1层25支C合格消防验收人员:________________________ 建设单位负责人:张栋___________________ 年月日表火灾自动报警系统验收检查记录项名内容和方法检查数量验收检查情况灾报警探测器测试其报警功能查看设置位置查看规格、选型核对同区域数量地下、1、4、15、12、16层35 报警正常顶棚感温探测器数量一致,与图纸一致防通讯测试通话功能查看设置位置、核对同区域数量布线查看其敷设方式及相关防火保护措施符合消防技术标准和消防设计文件要求急广播功能实验查看设置位置、核对同区域数量地下、1、4、15、12、16层4、15、12、16层4、15、12、16层16通话声音清晰设置与图纸一致穿钢管保护,或在墙内暗敷声音清晰与图纸设置一致灾报控制及联查验设备合格证明文件查看设备选型、规格整体全部整体符合市场准入制度北京利达控制器子项评定重要程度是否合格合格合格合格合格合格合格合格合格合合格消防验收人员:建设单位负责人: 张栋表防烟排烟系统验收检查记录消防验收人员:______________________________ 建设单位负责人: 张栋表建筑灭火器验收检查记录消防验收人员:__________________________ 建设单位负责人: 张栋 _______________ 年月日注:每页表格下方的人员签名,均为手签。
建设工程竣工消防验收记录表
表1建设工程竣工消防验收基本情况记录表(建筑防火部分)
编号:
表1-1 建筑类别、耐火等级、总平面布局和平面布置验收检查记录
验收人员:年月日
表1-2 防火分隔、防烟分隔、防爆验收检查记录
:
表1-3 安全疏散和消防电梯验收检查记录
:
表1-4 建筑装修和建筑保温验收检查记录
验收人员:年月日
表2建设工程竣工消防验收基本情况记录表(消防设施部分)
表2-1 消火栓系统验收检查记录
验收人员:年月日
表2-2 自动喷水灭火系统验收检查记录
验收人员:年月日
表2-3 泡沫灭火系统验收检查记录
验收人员:年月日
表2-4 气体灭火系统验收检查记录
验收人员:年月日
表2-5 建筑灭火器验收检查记录
验收人员:年月日
表2-6 消防电气验收检查记录
验收人员:年月日
表2-7 火灾自动报警系统验收检查记录
验收人员:年月日
表2-8 防烟排烟系统验收检查记录
验收人员:年月日
表3 消防产品现场核对记录表。
附件1
建筑工程消防验收记录表
中华人民共和国公安部制
单位工程消防验收记录表
一、类别、总平面布局和平面布置验收记录
年月日二、建筑内部装修防火验收记录
年月日三、防火分隔、防爆验收记录
年月日
四、安全疏散和消防电梯验收记录
年月日
五、消防水源和消防电源验收记录
年月日
六、水灭火系统验收记录(1)
年月日水灭火系统验收记录(2)
年月日
七、火灾自动报警系统验收记录
年月日
八、防烟排烟系统验收记录
年月日
九、建筑灭火器验收记录
年月日十、其他灭火设施验收记录
(1)泡沫灭火系统验收记录
年月日(2)气体灭火系统验收记录
年月日。
建筑工程消防验收记录表
中华人民共和国公安部制
三河市公安消防大队
建设工程消防验收记录表
编号:〔〕第号
如果建筑较多,可在此列出:
此记录由公安机关消防机构存档
表A.2 建筑类别、总平面布局和平面布置验收检查记录
备用房。
消防验收人员:建设单位负责人:张栋
年月日
表A.3 建筑内部装修防火验收检查记录
消防验收人员:建设单位负责人:张栋年月日
表A.4 防火防烟分隔、防爆验收检查记录
消防验收人员:建设单位负责人:张栋年月日
表A.5 安全疏散和消防电梯验收检查记录
消防验收人员:建设单位负责人:张栋年月日
表A.6 消防水源和消防电源验收检查记录
消防验收人员:建设单位负责人:张栋年月日
表A.7 水灭火系统验收检查记录
消防验收人员:建设单位负责人:张栋年月日
表A.8 火灾自动报警系统验收检查记录
消防验收人员:建设单位负责人:张栋年月日
表A.9 防烟排烟系统验收检查记录
消防验收人员:建设单位负责人:张栋年月日
表A.10 建筑灭火器验收检查记录
消防验收人员:建设单位负责人:张栋年月日
注:每页表格下方的人员签名,均为手签。
建设工程竣工消防验收记录表
表1 建设工程竣工消防验收基本情况记录表(建筑防火部分)
表1-1 建筑类别、耐火等级、总平面布局和平面布置验收检查记录
验收人员:年月日
验收人员:年月日
验收人员:年月日
验收人员:年月日
表2 建设工程竣工消防验收基本情况记录表(消防设施部分)
验收人员:年月日
验收人员:年月日
验收人员:年月日
验收人员:年月日
验收人员:年月日
验收人员:年月日
验收人员:年月日
验收人员:年月日
表3 消防产品现场核对记录表
2
工程名称
建设单位
青海省建设厅制
建设工程竣工验收备案表
2、已列入工程竣工报告附件的可不再另列;
3、本表竣工验收备案文件清单所列文件如为复印件应加盖报送单位公章,并注明原件存放处;
4、本表一式二份,一份由备案管理部门存档,一份由建设单位保存。
(填表说明)
2。
消防验收检查记录表1. 检查时间及地点•检查时间:20xx年xx月xx日•检查地点:xxxxx2. 被检查单位基本情况•单位名称:xxxxx•单位地址:xxxxx•单位性质:xxxxx•单位规模:xxxxx3. 消防设施检查情况(1)灭火器编号类型容量数量位置1二氧化碳灭火器2kg2A区办公室2泡沫灭火器6L1仓库(2)消防水源设施•消防水池:1个•消防水泵:1台•消防水管:一根直径为100毫米的乙类软管(3)疏散通道、安全出口和消防器材•疏散通道:畅通无阻,符合安全要求•安全出口:符合要求,标识清晰•消防通道:不堆放杂物,畅通无阻(4)防火间距和防火间隔•建筑物之间的距离:不小于12米•外墙与隔墙之间的距离:不小于3米•同一建筑内不同用途的隔墙应按照规定的耐火等级进行隔离(5)消防警报器•安装位置:气压库、配电室、仓库、生产车间、办公室等•数量:8个•工作正常,声音清晰(6)自动喷水灭火系统•安装位置:生产车间、仓库•数量:2个•设备运转正常,提供压力充足的水源(7)消防控制室•24小时值班,设备运转正常4. 现场勘察情况•沿途巡查是否有存放易燃、易爆物品•建筑物内部站立良好,楼梯通畅,无堆放杂物5. 结论与建议(1)结论该单位消防设施完好、运转正常,符合防火要求。
(2)建议•组织人员定期开展消防应急演练,熟悉逃生方法,提高应对灾害事件的能力。
•安装自动灭火装置。
•减少建筑物内部杂物数量,保持通道畅通。
6. 检查人员签名检查人员:xxxxx签名:_______________ 日期:20xx年xx月xx日。
建设工程竣工消防验收记录表
表1建设工程竣工消防验收基本情况记录表(建筑防火部分)
. .
表1-1 建筑类别、耐火等级、总平面布局和平面布置验收检查记录
. .
验收人员:年月日
. .
表1-2 防火分隔、防烟分隔、防爆验收检查记录
. .
验收人员:年月日
. .
表1-3 安全疏散和消防电梯验收检查记录
. .
验收人员:年月日
. .
表1-4 建筑装修和建筑保温验收检查记录
. .
验收人员:年月日
. .
表2建设工程竣工消防验收基本情况记录表(消防设施部分)
编号:
. .
注:此记录以单栋建筑为单元填写。
. .
表2-1 消火栓系统验收检查记录
. .
. .
验收人员:年月日
. .
表2-2 自动喷水灭火系统验收检查记录
. .
. .
. .
. .
验收人员:年月日
. .
表2-3 泡沫灭火系统验收检查记录
. .
. .
验收人员:年月日
. .
表2-4 气体灭火系统验收检查记录
. .
. .
. .
. .
验收人员:年月日
. .
表2-5 建筑灭火器验收检查记录
. .
. .
. .
. .
验收人员:年月日
. .
表2-6 消防电气验收检查记录
. .
验收人员:年月日
. .
表2-7 火灾自动报警系统验收检查记录
. .
. .
. .
. .
验收人员:年月日
. .
表2-8 防烟排烟系统验收检查记录
. .
验收人员:年月日
. .
表3 消防产品现场核对记录表
. .
. .。