脚手架计算书(步距1.8)
- 格式:doc
- 大小:304.50 KB
- 文档页数:12
鄂尔多斯大饭店单排扣件式钢管脚手架计算书根据规范5.1节要求,纵、横向水平杆应验算抗弯强度、扣件抗滑承载力和变形;立杆应验算稳定性和容许长细比。
抗弯强度、扣件抗滑以及立杆稳定性计算应采用荷载的设计,变形计算应采用荷载的标准值。
1.横向水平杆计算(按受均布荷载的简支梁计算见图1)1)横向水平杆所受线荷载的标准值及设计值q k=(3+0.3)×0.6+0.038=2.02KN/mq=1.2×(0.3×0.6+0.038)+1.4×3×0.6=2.78KN/m2)抗弯强度计算简支梁计算跨度L=Lb+0.12=1.4+0.12=1.52m跨中弯距最大设计值:Mmax=qL2/8=1/8×2.78×1.52=0.8KN·mб=M max/W=0.8×106/5.08×103=157N/mm2<f=205N/mm23)变形计算跨中最大挠度:ν= 5qkL4/384EI=5×2.02×(1.52×103)4/384×2.06×105×12.19×104=5.6mm<l/150=1520/150=10.1mm及10mmL b=1.4m b)K m=- 0.311 Kv=2.533F k F kK V = 2.716a)q、L=1.52m单排扣件式钢管脚手架的计算简图横向水平杆强度、变形满足要求。
2.纵向水平杆计算(按受集中荷载的三跨连续梁计算见例图1)1)由横向水平杆传给纵向水平杆的集中荷载标准值和设计值为F K=0.5L b q k=0.5×1.4×2.02=1.41KNF=0.5L b q=0.5×1.4×2.78=1.95KN2)抗弯强度计算可能的最大弯距应按例图1b荷载分布计算,M max=0.311FL a=0.311×1.95×1.8=1.09KN·mб=M max/W=215N/mm2>205(,215-205)/205×100%=5%虽超过f但在5%范围之内。
型钢悬挑脚手架(扣件式)计算书计算依据:1、《建筑施工扣件式钢管脚手架安全技术标准》T/CECS 699-20202、《建筑施工脚手架安全技术统一标准》GB51210-20163、《建筑施工扣件式钢管脚手架安全技术规范》JGJ130-20114、《建筑结构荷载规范》GB50009-20125、《钢结构设计标准》GB50017-20176、《混凝土结构设计规范》GB50010-20107、《施工脚手架通用规范》GB 55023-20228、《钢结构通用规范》GB 55006-20219、《混凝土结构通用规范》GB 55008-202110、《工程结构通用规范》GB 55001-2021架体验算一、脚手架参数1.421,1.13 风荷载体型系数μs 1.04 风压高度变化系数μz(连墙件、单立杆稳定性)0.369,0.294风荷载标准值ωk(kN/m2)(连墙件、单立杆稳定性)计算简图:立面图侧面图三、纵向水平杆验算纵、横向水平杆布置方式纵向水平杆在上横向水平杆上纵向水平杆根数n 0横杆抗弯强度设计值[f](N/mm2) 205 横杆截面惯性矩I(mm4) 98900 横杆弹性模量E(N/mm2) 206000 横杆截面抵抗矩W(mm3) 4120纵、横向水平杆布置承载能力极限状态q=1.3×(0.03+G kjb×l b/(n+1))+1.5×G k×l b/(n+1)=1.3×(0.03+0.3×0.8/2)+1.5×2×0.8/2=1.395 kN/m正常使用极限状态q'=(0.03+G kjb×l b/(n+1))+G k×l b/(n+1)=(0.03+0.3×0.8/2)+2×0.8/2=0.95kN/m计算简图如下:1、抗弯验算M max=0.1ql a2=0.1×1.395×1.52=0.314kN·mσ=γ0M max/W=1×0.314×106/4120=76.19N/mm2≤[f]=205N/mm2满足要求!2、挠度验算νmax=0.677q'l a4/(100EI)=0.677×0.95×15004/(100×206000×98900)=1.598mmνmax=1.598mm≤[ν]=min[l a/150,10]=min[1500/150,10]=10mm满足要求!3、支座反力计算承载能力极限状态R max=1.1ql a=1.1×1.395×1.5=2.302kN正常使用极限状态R max'=1.1q'l a=1.1×0.95×1.5=1.568kN四、横向水平杆验算承载能力极限状态由上节可知F1=R max=2.302kNq=1.3×0.03=0.039kN/m正常使用极限状态由上节可知F1'=R max'=1.568kNq'=0.03kN/m1、抗弯验算计算简图如下:弯矩图(kN·m)σ=γ0M max/W=1×0.003×106/4120=0.757N/mm2≤[f]=205N/mm2 满足要求!2、挠度验算计算简图如下:变形图(mm)νmax=0.008mm≤[ν]=min[l b/150,10]=min[800/150,10]=5.333mm满足要求!3、支座反力计算承载能力极限状态R max=0.016kN五、扣件抗滑承载力验算横杆与立杆连接方式单扣件扣件抗滑移折减系数0.9纵向水平杆:R max=1×2.302=2.302kN≤R c=0.9×8=7.2kN横向水平杆:R max=1×0.016=0.016kN满足要求!六、荷载计算脚手架架体高度H 17.4 脚手架钢管类型Φ48×2.7每米立杆承受结构自重标准值gk(kN/m0.121、立杆承受的结构自重标准值N G1k单外立杆:N G1k=(gk+l a×n/2×0.03/h)×H=(0.12+1.5×0/2×0.03/1.8)×17.4=2.088kN 单内立杆:N G1k=2.088kN2、脚手板的自重标准值N G2k1单外立杆:N G2k1=[(H/h)取整+1]×la×l b×G kjb×1/2/2=[(17.4/1.8)取整+1]×1.5×0.8×0.3×1/2/2 =0.9kN1/2表示脚手板2步1设单内立杆:N G2k1=0.9kN3、栏杆与挡脚板自重标准值N G2k2单外立杆:N G2k2=[(H/h)取整+1]×la×G kdb×1/2=[(17.4/1.8)取整+1]×1.5×0.17×1/2=1.275kN 1/2表示挡脚板2步1设4、围护材料的自重标准值N G2k3单外立杆:N G2k3=G kmw×la×H=0.035×1.5×17.4=0.913kN5、构配件自重标准值N G2k总计单外立杆:N G2k=N G2k1+N G2k2+N G2k3=0.9+1.275+0.913=3.089kN单内立杆:N G2k=N G2k1=0.9kN立杆施工活荷载计算外立杆:N Q1k=la×l b×(n jj×G kjj)/2=1.5×0.8×(1×2)/2=1.2kN内立杆:N Q1k=1.2kN组合风荷载作用下单立杆轴向力:单外立杆:N=1.3×(N G1k+ N G2k)+1.5×N Q1k=1.3×(2.088+3.089)+ 1.5×1.2=8.529kN 单内立杆:N=1.3×(N G1k+ N G2k)+1.5×N Q1k=1.3×(2.088+0.9)+ 1.5×1.2=5.684kN 七、立杆稳定性验算立杆计算长度l0=Kμh=1×1.5×1.8=2.7m长细比λ=l0/i=2.7×103/16=168.75≤210满足要求!轴心受压构件的稳定系数计算:立杆计算长度l0=Kμh=1.155×1.5×1.8=3.119m长细比λ=l0/i=3.119×103/16=194.906查《规范》表A得,φ=0.1912、立杆稳定性验算组合风荷载作用单外立杆的轴心压力标准值N'=N G1k+N G2k+N Q1k=2.088+3.089+1.2=6.377kN单外立杆的轴心压力设计值N=1.3(N G1k+N G2k)+1.5N Q1k=1.3×(2.088+3.089)+1.5×1.2=8 .529kNM wd=φwγQ M wk=φwγQ(0.05ζ1w k l a H12)=0.6×1.5×(0.05×0.6×0.294×1.5×3.62)=0.154kN·m σ=γ0[N/(φA)+M wd/W]=1×[8529.45/(0.191×384)+154314.72/4120]=153.749N/mm2≤[f]=205N/mm2 满足要求!八、连墙件承载力验算lw k a长细比λ=l0/i=600/16=37.5,查《规范》表A.0.5得,φ=0.896(N lw+N0)/(φAc)=(5.978+3)×103/(0.896×384)=26.094N/mm2≤0.85×[f]=0.85×205N/mm2= 174.25N/mm2满足要求!σ=(N lw+N0)/(π×d2/4)=(5.978+3)×103/(3.14×142/4)=58.322N/mm2≤f t=170N/mm2 满足要求!连墙件与脚手架连接扣件抗滑承载力验算:N lw+N0=5.978+3=8.978kN≤0.85×12=10.2kN满足要求!型钢主梁验算一、基本参数参考上方单外立杆的轴心压力设计值计算方法,计算出单内立杆轴心压力设计值及标准值如下:平面图立面图三、主梁验算主梁材料类型工字钢主梁合并根数n1z主梁材料规格16号工字钢主梁截面积A(cm2) 26.11 主梁截面惯性矩I x(cm4) 1130 主梁截面抵抗矩W x(cm3) 141主梁自重标准值g k(kN/m) 0.205 主梁材料抗弯强度设计值[f](N/mm2) 215主梁材料抗剪强度设计值[τ](N/mm2) 125 主梁弹性模量E(N/mm2) 206000 主梁允许挠度[ν](mm)1/250荷载标准值:q'=g k=0.205=0.205kN/m第1排:F'1=F1'/n z=4.188/1=4.188kN第2排:F'2=F2'/n z=6.377/1=6.377kN荷载设计值:q=1.3×g k=1.3×0.205=0.267kN/m第1排:F1=F1/n z=5.684/1=5.684kN第2排:F2=F2/n z=8.529/1=8.529kN1、强度验算弯矩图(kN·m)σmax=γ0M max/W=1×2.148×106/141000=15.234N/mm2≤[f]=215N/mm2符合要求!2、抗剪验算剪力图(kN)τmax=γ0Q max/(8I zδ)[bh02-(b-δ)h2]=1×8.624×1000×[88×1602-(88-6)×140.22]/(8×11300000×6)=10.191N/mm2τmax=10.191N/mm2≤[τ]=125N/mm2符合要求!3、挠度验算变形图(mm)νmax=0.052mm≤[ν]=2×l/250=2×350/250=2.8mm符合要求!4、支座反力计算设计值:R1=0.869kN,R2=13.83kN四、上拉杆件验算上拉杆件角度计算:α1=arctanL1/L2=arctan(2900/1450)=63.435°上拉杆件支座力:设计值:R S1=n z R2=1×13.83=13.83kN主梁轴向力设计值:N SZ1=R S1/tanα1=13.83/tan63.435°=6.915kN上拉杆件轴向力:设计值:N S1=γ0R S1/sinα1=1×13.83/sin63.435°=15.463kN上拉杆件的最大轴向拉力设计值:N S=max[N S1...N Si]=15.463kN轴心受拉稳定性计算:σ =N S/A=15.463×103/314.2=49.213N/mm2≤f=270N/mm2 符合要求!2、花篮螺栓验算σ=N s/(π×d e2/4)=15.463×103/(π×172/4)=68.124N/mm2≤[ft]=170N/mm2符合要求!3、吊耳板计算型钢主梁上吊耳板排数 1 吊耳板厚t(mm) 12吊耳板两侧边缘与吊孔边缘净距b(mm ) 50 顺受力方向,吊孔边距板边缘最小距离a(mm)65吊孔直径d0(mm) 25 吊耳孔中心至连接板高L(mm) 60吊耳板抗拉强度设计值f(N/mm2) 205 吊耳板抗剪强度设计值f v(N/mm2) 120吊耳板由于型钢主梁位置吊耳板排数为1,则单个吊耳板所受荷载为N d=15.463/1=15.463k N参考GB50017-2017,对连接耳板进行如下验算:(1)耳板构造要求B e= 2t+16= 2×12+16=40mm≤b=50mm满足要求!4B e/3= 4×40/3=53.333mm≤a=65mm满足要求!(2)耳板孔净截面处的抗拉强度验算计算宽度:b1= min(2t+16,b-d0/3)= min(2×12+16,50-25/3)=40mmσ= N d/(2tb1)= 15.463×103/(2×12×40)=16.107N/mm2≤f=205N/mm2耳板孔净截面处抗拉强度满足要求!(3)耳板端部截面抗拉(劈开)强度验算σ= N d/[2t(a-2d0/3)]= 15.463×103/[2×12×(65-2×25/3)]=13.33N/mm2≤f=205N/mm2 耳板端部截面抗拉强度满足要求!(4)耳板抗剪强度验算耳板端部抗剪截面宽度:Z= [(a+d0/2)2-(d0/2)2]0.5= [(65+25/2)2-(25/2)2]0.5=76.485mmτ= N d/(2tZ)= 15.463×103/(2×12×76.485)=8.424N/mm2≤fv=120N/mm2耳板抗剪强度满足要求!4、吊耳板与型钢主梁连接焊缝验算各上拉杆位置单个吊耳板焊缝所受荷载,垂直焊缝方向荷载F、平行焊缝方向荷载V分别为:上拉杆1位置吊耳板:由于型钢梁上吊耳板排数为1,则:单个吊耳板垂直焊缝方向荷载F1=γ0R S1/1=1×13.83/1=13.83kN单个吊耳板平行焊缝方向荷载V1=γ0R SZ1/1=1×6.915/1=6.915kN计算连接钢板与吊耳板连接位置焊缝应力为:σN=F1/(0.7h f l w1)=13.83×103/(0.7×8×120)=20.581N/mm2τV=V1/(0.7h f l w1)=6.915×103/(0.7×8×120)=10.29N/mm2σM=M/W=V1L/(0.7h f l w12/6)=(6.915×103×60)/(0.7×8×1202/6)=30.871N/mm2连接钢板与吊耳板连接位置焊缝的应力验算:[((σN+σM)/βf)2+τV2]0.5=[((20.581+30.871)/1.22)2+10.292]0.5=43.411N/mm2≤f f w=160N/m m2上拉杆1位置吊耳板焊缝强度满足要求!5、钢拉杆与吊耳板连接焊缝验算τf=N d/(0.7h f×l w2)=15.463×103/(0.7×8×120)=23.01N/mm2≤f f w=160N/mm2钢拉杆与吊耳板连接焊缝验算符合要求!6、上拉与主梁连接吊耳板螺栓验算上拉与主梁连接吊耳板螺栓主要承受剪力:单个摩擦型高强螺栓抗剪承载力设计值:N v b=0.9kn f uP=0.9×1×1×0.5×125=56.25kN螺栓所受剪力:N v=N s/n2=15.463/1=15.463kN≤N v b=56.25kN上拉与主梁连接吊耳板螺栓抗剪符合要求!7、上拉杆件与建筑物连接锚固螺栓验算上拉杆1:与建筑物连接螺栓所受拉力N t1=N s1×sin(90-α1)=15.463×sin(90°-63.435°)=6.915kN与建筑物连接螺栓所受剪力N v1=N s1×cos(90-α1)=15.463×cos(90°-63.435°)=13.83kN单个螺栓所受的拉力值:N t=N t1/n1=6.915/1=6.915kN单个螺栓所受的剪力值:N v=N v1/n1=13.83/1=13.83kN单个高强螺栓抗剪承载力设计值N v b=0.9kn f uP=0.9×1×1×0.5×125=56.25kN每个高强螺栓受拉承载力设计值N t b=0.8P=0.8×125=100kNN V/N v b+N t/N t b=13.83/56.25+6.915/100=0.315≤1螺栓承载力满足要求。
脚手架计算书(1)本工程脚步手架采用Φ48×3.5无缝钢管,立杆横距为1.05m,立杆纵距为1.8m,步距为1.8m,共9步16.2m;施工作业层按一层计,则脚手片满铺三层,自重标准值为0.1KN/m2;脚手架外立杆里侧挂密目安全网封闭施工,自重标准值为0.1KN/m2。
一、横向、纵向水平杆计算1、横向、纵向水平杆的抗弯强度按下式计算:≤fσ=MW式中M—弯矩设计值,按M=1.2M GK+1.4 M GK计算;M GK为脚手板自重标准值产生的弯矩;M QK为施工荷载标准值产生的弯矩;W—截面模量,查表Φ48×3.5mm钢管W=5.08cm3;f(1。
图1:纵向水平杆计算简图ag k=0.1×1.05/3=0.035KN/m=35N/m按图2静载布置情况考虑跨中和支座最大弯矩。
图2:静载状况下计算简图M1M B=M C=-0.1g K l a2b、考虑活载情况图3:活载最不利状况计算简图之(1)图4:活载最不利状况计算简图之(2)M1中=0.101q K l a2按图5种活载最不利位置考虑支座最大弯矩。
图5:活载最不利状况计算支座弯矩1中M GK =0.08g K l a 2=0.08×35×1.82=9.07N.m M QK =0.101q K l a 2=0.101×1050×1.82=343.6 N.m M=1.2M GK +1.4M QK =1.2×9.07+1.4×343.6= 491.92N.m σ=M W =491.92×105.08×103=96.8N/mm 2〈f=205N/mm 2(2)横向水平杆的抗弯强度计算图6:横向水平杆计算简图P/2PPP/2挡脚板竹笆脚手板Q/2Q Q Q/2木板q p横距l 0=1050mm ,脚手架横向水平杆的构造计算外伸长度a 1=350mm ,a 2=100mm 。
脚手架计算书(1)本工程脚步手架采用Φ48×3.5无缝钢管,立杆横距为1.05m,立杆纵距为1.8m,步距为1.8m,共9步16.2m;施工作业层按一层计,则脚手片满铺三层,自重标准值为0.1KN/m2;脚手架外立杆里侧挂密目安全网封闭施工,自重标准值为0.1KN/m2。
一、横向、纵向水平杆计算1、横向、纵向水平杆的抗弯强度按下式计算:≤fσ=MW式中M—弯矩设计值,按M=1.2M GK+1.4 M GK计算;M GK为脚手板自重标准值产生的弯矩;M QK为施工荷载标准值产生的弯矩;W—截面模量,查表Φ48×3.5mm钢管W=5.08cm3;f(1。
ag k=0.1×1.05/3=0.035KN/m=35N/m按图2静载布置情况考虑跨中和支座最大弯矩。
M B=M C=-0.1g K l a2 b、考虑活载情况M1中=0.101q K l a21中M GK=0.08g K l a2=0.08×35×1.82=9.07N.mM QK=0.101q K l a2=0.101×1050×1.82=343.6 N.mM=1.2M GK+1.4M QK=1.2×9.07+1.4×343.6= 491.92N.m横距则M=1.2 M GK +1.4 M QK =1.2×21.91+1.4×367.5=540.79 N.m σ=M W =540.79×1035.08×103=106.45N/mm 2〈f=205 N/mm 2所以横向水平杆的抗变强度满足安全要求。
2、纵向水平杆与立杆连接时扣件的抗滑承载力应符合下式规定: R ≤Rc式中R —纵向水平杆传给立杆的竖杆作用力设计值;Rc —扣件抗滑承载力设计值,按规范表取Rc=8000N 。
由图7可知,R PA =32P+ M PA1.05=1.5×63+0.28/1.05=94.77N由图8可知,当M QA =1 2qa 12=0.5×5400×0.32=243 N.m ,最大支座反力为R QA =32Q+ M QA1.05=1.5×1890+243/1.05=3066.42N则R=1.2R PA +1.4R QA =1.2×94.77+1.4×3066.42=4406.72N 〈Rc=8000N 所以横向水平杆与立杆连接时扣件的抗滑承载力满足安全要求。
落地脚手架计算书一、计算模型计算简图二、荷载计算1、计算脚手架的恒荷载且式中 H i——立杆计算截面以上的架高;g k1——以每米架高计的构架基本结构杆部件的自重基数(KN/m);g k2——以每米立杆纵距(l a)计的作业层面材料的自重计算基数(KN/m);g k3——以每米架高计的外立面整体拉结杆件和防护材料的自重计算基数(KN/m);n1——同时存在的作业层设置数。
取步距1.8m,横距1m,纵距1.5m,最大高度23.2m根据《建筑施工手册》第二版查得:g k1=0.1074 (KN/m)(以边立杆计)g k2=0.3666(KN/m)g k3=0.0819 (KN/m)同时,操作层取3步 n1=3 l a=1.5 (m)2、施工活荷载取式中 q k——按每米立杆纵距计的作业层施工荷载标准值(KN/m)查表得:q k=1.35根据JGJ130-2001《建筑施工扣件式钢管脚手架安全技术规范》永久荷载分项系数取1.2可变荷载分项系数取1.4荷载效应组合=永久荷载+施工均布荷载故冲天荷载:三、拉结钢丝绳校核轴向拉力为查《机械设计手册(第二版)》得:Ф15钢丝绳(6×19)的破断拉力系数K=6故:T破断 = 15.88×6 = 95.28(KN)而Ф15钢丝绳(6×19)的公称破断拉力为132 KN95.28KN << 132 KN故采用Ф15钢丝绳(6×19)进行拉结符合安全要求四、顶墙横杆水平力校核水平力为计算钢管细长比:λ=μl÷rμ=1.0 l=1250(mm) r=15.8(mm)λ=1250÷15.8=79.1查表《建筑施工手册》(第二版)得φ=0.728而截面积为489 mm2所以合格按照《建筑施工扣件式钢管脚手架安全技术规范培训讲座》刘群主编,P96页,扣件抗滑承载力系数0.8。
扣件的抗滑承载力按照下式计算每个扣件抗滑承载力为8KN,采用每根钢管两个扣件。
落地式脚手架计算书一、参数信息:1.脚手架参数双排脚手架搭设高度为20m;纵距为1.5m;横距为0.85 m;步距为1.8m;内排架距离墙长度为0.1m;钢管Φ48X3.2;钢管I:11.36cm4钢管W:4.73cm3连墙件布置取二步二跨;连墙件连接方式为焊接连接;2.荷载参数施工均布活荷载标准值:3kN/m2;本工程地处江西南昌;基本风压为0.45kN/m2;为1.82;风荷载高度变化系数μz为0.58;风荷载体型系数μs每米立杆承受的结构自重标准值:0.1248kN/m2;脚手板自重标准值:0.3kN/m2;栏杆挡脚板自重标准值:0.15kN/m2安全设施与安全网:0.005kN/m2;每米脚手架钢管自重标准值:0.038kN/m2;同时施工层数和脚手板搭设层数为:2 层;侧立面图正立面图二、纵向杆的计算:1.均布荷载值计算纵向杆的自重标准值:P1=0.038 kN/m;脚手板的自重标准值:P2=0.3×0.85/3=0.09kN/m;活荷载标准值: Q=3×0.85/3=0.85kN/m;静荷载的设计值: q1=1.2×0.038+1.2×0.09=0.15 kN/m;活荷载的设计值: q2=1.4×0.85=1.19kN/m;设计值:q=q1+q2=0.15+1.19=1.34 kN/m;纵向杆计算简图2.强度验算Mmax=0.1×q×l2Mmax=0.1×1.34×1.52=0.30kN.m;σ=M max/W=0.30×106/(4.73×103)=63.42N/mm2;[f]=205 N/mm2;"满足要求"3.挠度验算:计算公式如下:v=0.677q1l4/100EI < [v]静荷载标准值: q1=0.038+0.09=0.12kN/m;活荷载标准值: q2=0.85kN/m;标准值:q=q1+q2=0.12+0.85=0.97kN/m;最大挠度计算值为:V = 0.677×0.97×1500.004/(100×210000.000×113600.00)=1.39mm;[v]=1500.00/150=10.00mm"满足要求!"三、横向杆的计算:1.荷载值计算纵向杆跨中的自重标准值: p1=0.038×1.5=0.06kN;横向杆跨中的自重标准值: p2=0.038×0.85/3=0.01kN;脚手板跨中的自重标准值:p3=0.3×0.85×1.5/3=0.13kN;跨中活荷载标准值: p4=3×0.85×1.5/3=1.27kN;跨中集中荷载的设计值: P1=1.2×(0.06+0.13+0.01)+1.4×1.27 = 2.02kN;横向杆悬臂的自重标准值: p5=0.038×0.1/2=0.00kN;脚手板悬臂的自重标准值:p6=0.3×0.1×1.5/2=0.02kN;悬臂活荷载标准值: p7= 3×0.1×1.5/2=0.22kN;悬臂集中荷载的设计值: P2=1.2×(0.00+0.02)+1.4×0.22=0.33kN;横向杆计算简图2.强度验算跨中最大弯矩计算: M1=P1B/3-P2a/3M=2.02×0.85/3-0.33×0.1/3=0.56kN.m;支座最大弯矩计算:M2=P2a/2=0.33×0.1/2=0.02kN.m;最大应力计算值σ=0.56×106/(4.73×103)=118.39N/mm2;[f]=205 N/mm2;"满足要求"3.挠度验算横向杆跨中荷载标准值:P1=0.06+0.13+1.27=1.46kN支座最大弯矩计算:M2=0.02kN.m 跨中最大挠度计算:V=23P1B3/648EI-M2B2/16EI=23×1460.00×850.003/(648×210000×113600.00)-20000.00×850.002/(16×210000×113600.00)=1.30mm[v]=850.00/150=5.67mm"满足要求!"四、扣件抗滑力的计算:纵向或横向水平杆与立杆连接时,扣件的抗滑承载力按照下式计算(规范5.2.5):R ≤Rc其中:Rc----扣件抗滑承载力设计值,取8.00kN;R----纵向或横向水平杆传给立杆的竖向作用力设计值;纵向杆的自重标准值: P1= 0.038×1.5×4/2= 0.11 kN;横向杆的自重标准值: P2= 0.038×(0.85/2+0.1)=0.02 kN;脚手板的自重标准值: P3= 0.3×1.5×(0.85/2+0.1) = 0.24 kN;活荷载标准值: Q = 3×1.5×(0.85/2+0.1)= 2.36 kN;荷载的设计值: R = 1.2×(0.11+0.02+0.24)+1.4×2.36 = 3.75kN;"单扣件抗滑承载力的设计计算满足要求"五、脚手架立杆荷载的计算:1.静荷载计算(1)每米立杆承受的结构自重标准值(kN)N=0.1248×20=2.50kN;G1(2)脚手板的自重标准值(kN/m2);=0.3×2×1.5×(0.85+0.1)/2=0.43kN;NG2(3)栏杆与挡脚手板自重标准值(kN/m);=0.15×2×1.5/2=0.22kN;NG3(4)吊挂的安全设施荷载,包括安全网(kN/m2);N=0.005×1.5×20=0.15kN;G4经计算得到,静荷载标准值=2.50+0.43+0.22+0.15=3.30kN;NG2. 活荷载计算活荷载为施工荷载标准值产生的轴向力总和,内、外立杆按一纵距内施工荷载总和的1/2取值。
悬挑脚手架计算书一、基本参数:立杆纵距la = 1.8 m立杆横距lb = 0.9 m脚手架形式双排架脚手架的步距h = 1.8 m脚手架搭设高度H = 53.2 m小横杆上大横杆根数ng = 2 根连墙件布置形式二步三跨脚手板类型木脚手板栏杆,档板类型木脚手板挡板扣件类型单扣件脚手板的铺设层数nj = 6 层同时施工层数ns = 4 层二、大横杆的计算1、大横杆荷载计算脚手板的荷载标准值q1=0.35×0.45=0.16 kN/m活荷载标准值q2=3×0.45=1.35(kN/m)2、强度计算(1)、最大弯矩:其中:l 立杆纵距;取l=1.8 mq1 脚手板的荷载标准值q1 = 0.16 kN/mq2 活荷载标准值q2 = 1.35 kN/m经计算得到:M=(-0.1×1.2×0.16-0.117×1.4×1.35)×1.8^2=-0.78 kN.m(2)、截面应力计算公式如下:其中W 钢管截面抵抗矩W = 12.19 cm3M 最大弯矩M = -0.78 kN.m经计算得到:σ=0.78×1000000÷(12.19×1000)=63.99 N/mm2大横杆强度计算值小于或等于钢管抗弯强度设计值205N/mm2,故满足要求3、挠度计算最大挠度:其中: l 立杆纵距l = 1.8 mI 截面惯性矩I = 5.08 cm4E 弹性摸量E = 206000 N/mm2q1 脚手板的荷载标准值q1 = 0.16 kN/mq2 活荷载标准值q2 = 1.35 kN/m经计算得到:最大挠度V=(0.667×0.16+0.99×1.35)×(1.8×1000)^4÷(100×206000×5.08×10000)=14.48 mm最大挠度计算值大于l/150=6mm,故不满足要求三、小横杆的计算1、小横杆荷载计算大横杆自重标准值:P1=0.03763×1.8=0.07 kN脚手板的荷载标准值:P2=0.35×1.8×0.45=0.28 kN静荷载标准值:P=0.07+0.28=0.35 kN活荷载标准值:Q=3×1.8×0.45=2.43 kN2、强度计算(1)、最大弯矩计算公式如下:其中: l 立杆的纵距l = 1.8mP 静荷载标准值P = 0.35 kNQ 活荷载标准值Q = 2.43 kN经计算得到最大弯矩M= (1.2×0.35+1.4×2.43)×1.8÷2 =3.44 kN.m(2)、截面应力计算公式如下:其中W 钢管截面抵抗矩W = 12.19 cm3M 最大弯矩M = 3.44 kN.m经计算得到:σ=3.44×1000000÷(12.19×1000)=282.2 N/mm2大横杆强度计算值大于钢管抗弯强度设计值205 N/mm2,不满足要求3、挠度计算其中: l 立杆的纵距l = 0.9 mI 截面惯性矩I = 5.08 cm4E 弹性摸量E = 206000 N/mm2P 静荷载标准值P = 0.35 kNQ 活荷载标准值Q = 2.43 kN经计算最大挠度V=23÷648×(0.35+2.43)×(0.9×1000)^3÷(206000×5.08×10000)=3.65 mm最大挠度计算值小于等于l/150=12mm,并且小于10mm,故满足要求四、扣件的抗滑承载力计算:横杆的自重标准值P1 = 0.03763×(0.9 +1.8) =0.1kN脚手板的荷载标准值P2 = 0.35×1.8×0.9÷2 =0.28kN活荷载标准值Q = 3×1.8×0.9÷2 =2.43kN荷载的计算值R = 1.2×(0.1+0.28)+1.4×2.43 =3.86kN纵向或横向水平杆与立杆连接时,扣件的抗滑承载力按照下式计算:其中: Rc 扣件抗滑承载力设计值Rc=8kNR 纵向或横向水平杆传给立杆的竖向作用力设计值R=3.86kN扣件的抗滑承载力小于等于扣件抗滑承载力设计值8kN,满足要求!五、脚手架计算:1、荷载计算:每米立杆承受的结构自重标准值NG1=0.13×53.2=6.92 kN脚手板的自重标准值NG2=0.35×6×1.8×(0.9+0.35)=2.36 kN栏杆与挡脚板自重标准值NG3=0.14×1.8×6÷2=0.76 kN吊挂的安全设施荷载:NG4=0.1×1.8×53.2=9.58 kN静荷载标准值NG=6.92+2.36+0.76+9.58=19.62 kN活荷载标准值NQ=3×4×1.8×0.9÷2=9.72 kN风荷载标准值Wk=0.7×0.74×0.9×0.35=0.16 kN/m2不考虑风荷载时,立杆的轴向压力设计值N=1.2×19.62+1.4×9.72=37.15 kN考虑风荷载时,立杆的轴向压力设计值N=1.2×19.62+0.85×1.4×9.72=35.11 kN 风荷载标准值产生的立杆段弯矩:Mwk=0.16×1.8×1.8^2÷10=0.09 kN.m风荷载设计值产生的立杆段弯矩:Mw=0.85×1.4×0.09=0.11 kN.m构配件自重标准值产生的轴向力:NG2k=2.36+0.76+9.58=12.7 kN2、立杆的稳定性计算:(1)、立杆的长细比计算:其中: lo 立杆的计算长度lo = ×1.5×=3.12 mI 立杆的回转半径I = 1.58 cm经过计算,立杆的长细比λ=3.12×100÷1.58=198(2)、立杆的稳定性计算不考虑风荷载时,立杆的稳定性计算公式其中: A 立杆净截面面积;取A=4.89 cm2N 不考虑风荷载时,立杆的轴向压力设计值;取N=37.15 kNυ轴心受压立杆的稳定系数,由长细比λ的结果查表得到υ=0.203不考虑风荷载时立杆的稳定性σ=37.15×1000÷(0.203×(4.89×100))=374.24 N/mm2 考虑风荷载时,立杆的稳定性计算公式其中: A 立杆净截面面积;取A=4.89 cm2W 立杆净截面模量(抵抗矩);取W=12.19 cm3N 考虑风荷载时,立杆的轴向压力设计值;取N=35.11 kNMw 计算立杆段由风荷载设计值产生的弯矩;取Mw=0.11 kN.mυ轴心受压立杆的稳定系数,由长细比λ的结果查表得到υ=0.203 考虑风荷载时立杆的稳定性σ=35.11×1000÷(0.203×(4.89×100))+(0.11×1000000)÷(12.19×1000)=362.72 N/mm2不考虑风荷载时,立杆稳定性大于205N/mm2,不满足要求考虑风荷载时,立杆稳定性大于205N/mm2,不满足要求3、最大搭设高度的计算不组合风荷载最大搭设高度:组合风荷载最大搭设高度:其中: A 立杆净截面面积 A = 4.89 cm2W 钢管截面抵抗矩W = 12.19 cm3f 钢管立杆抗压强度设计值f= 205 N/mm2gk 每米立杆承受的结构自重标准值gk=0.13 kN/mNQK 活荷载标准值NQK=9.72 kNMwk 计算立杆段由风荷载标准值产生的弯矩Mwk=0.09 kN.mNG2K 构配件自重标准值产生的轴向力NG2K=12.7 kNυ轴心受压杆件稳定系数υ= 0.203经计算,不组合风荷载最大搭设高度Hs=((0.203×(4.89×100)×205÷1000)-(1.2×12.7+1.4×9.72)÷(1.2×0.13)=-54.48 m组合风荷载最大搭设高度Hs=((0.203×(4.89×100)×205÷1000)-(1.2×12.7+0.85×1.4×(9.72+0.09×0.203×(4.89÷12.19÷100)))÷(1.2×0.13)=-46.98 m最大搭设高度应该取上式中的较小值Hs=-54.48m六、连墙件的计算:1、风荷载产生的连墙件轴向力设计值按照下式计算:其中: wk 风荷载基本风压值,wk=0.16 kN/m2Aw 每个连墙件的覆盖面积内脚手架外侧的迎风面积;Aw=9.72 m2 经计算得到:风荷载产生的连墙件轴向力设计值Nlw=1.4×0.16×9.72=2.18 kN2、连墙件的轴向力计算值应按照下式计算:其中No 连墙件约束脚手架平面外变形所产生的轴向力;取No=5 kNNlw 风荷载产生的连墙件轴向力设计值Nlw=2.18 kN经计算得到:连墙件轴向力计算值Nl=2.18+5=7.18 kN3、连墙件轴向力设计值其中:υ轴心受压立杆的稳定系数,由长细比λ查表得到υ=0.976A 立杆净截面面积A = 4.89 cm2[f] 钢管的强度设计值[f] = 205 N/mm2经过计算得到Nf=0.976×(4.89×100)×205÷1000=97.84 kN长细比λ计算:其中: l 计算长度l = 0.35 mI 钢管回转半径I = 1.58 cm经过计算,立杆的长细比λ=0.35×100÷1.58=23计算结果:连墙件轴向力计算值小于等于连墙件的轴向力设计值;满足要求连墙件轴向力计算值小于等于扣件抗滑承载力,满足要求七、联梁计算:无联梁八、悬挑梁受力计算:1、挑梁最大弯矩其中: F 悬挑梁所受集中荷载 F = 37.15 kNl 支撑点距墙固支点距离l = 2.6 ma 脚手架内排架距墙和梁上支点距集中力作用点的较大值,取a=1.35 m经过计算:M中= 1.35×(2-3×1.35÷2.6+3×1.35^2÷2.6^2)×37.15÷2= 31.37 kN.mM支= -3×1.35×(1-1.35÷2.6)×37.15÷2 = -36.17 kN.m故: M = -36.17 kN.m2、支撑点的最大支座力其中: F 悬挑梁所受集中荷载 F = 37.15 kNl 支撑点距墙固支点距离l = 2.6 ma 脚手架内排架距墙和梁上支点距集中力作用点的较大值,取a=1.35 m经过计算:Rp = (2-3×1.35÷2.6+3×1.35^2 ÷2.6^2)×37.15÷2 = 23.24 kN 3、支撑点的最大支座力其中: F 悬挑梁所受集中荷载 F = 37.15 kNl 支撑点距墙固支点距离l = 2.6 ma 脚手架内排架距墙和梁上支点距集中力作用点的较大值,取a=1.35 m经过计算:RO = (2+3×1.35÷2.6-3×1.35^2 ÷2.6^2)×37.15÷2 = 51.06 kN4、支杆的轴向力计算其中: Rp 支撑点的最大支座力Rp = 23.24 kNα支杆(拉绳)与悬挑梁夹角α= ATan(L2÷L1) = 49.09 度经过计算: T = 23.24÷sin(49.09) = 30.75 kN5、悬挑梁轴向力计算其中: Rp 支撑点的最大支座力Rp = 23.24 kNα支杆(拉绳)与悬挑梁夹角α= 49.09 度经过计算: N = 23.24÷tg(49.09) = 20.14 kN九、悬挑梁强度计算1、悬挑梁型钢截面应力计算其中: A 截面面积 A = 29.299 cm2W 截面抵抗矩W = 21.5 cm3M 挑梁最大弯矩M = -36.17 kN.mN 悬挑梁所受轴向力N = 20.14 kN经过计算: σ= 1000000×36.17÷(1.05×1000×21.5)+1000×20.14÷(100×29.299) = -1595.34 N/mm2型钢截面应力小于等于钢材强度设计值205 N/mm2,故满足要求十、悬挑梁整体稳定性计算其中: W 截面抵抗矩W = 21.5 cm3M 挑梁最大弯矩M =-36.17 kN.mυb 型钢整体稳定系数型υb = 0.74经过计算: σ= 36.17×1000000÷(21.5×0.74×1000) = -2273.41 N/mm2悬挑梁整体稳定性小于等于钢材强度设计值205 N/mm2,故满足要求十一、悬挑梁与建筑物连接的焊缝计算1、焊缝的正应力其中: t 焊缝厚度t = 9.5 mmlw 悬挑梁与建筑物连接的焊缝长度lw = 100 mmN 悬挑梁所受轴向力N = 20.14 kN经过计算: σ= 20.14×1000÷((100-2×9.5)×9.5) = 26.17 N/mm2焊缝的正应力小于等于焊缝抗压强度设计值205 N/mm2,故满足要求2、焊缝的剪应力其中: t 焊缝厚度t = 9.5 mmlw 悬挑梁与建筑物连接的焊缝长度lw = 100 mmF 固支点的最大支座力F = 37.15 kN经过计算: τ= 37.15×1000÷((100-2×9.5)×9.5) = 48.28 N/mm2焊缝的剪应力小于等于焊缝抗剪强度设计值120 N/mm2,故满足要求3、焊缝的折算应力其中: σ焊缝的正应力σ= 26.17 N/mm2τ焊缝的剪应力τ= 48.28 N/mm2经过计算: f = sqrt(26.17^2+3×48.28^2) =87.62 N/mm2焊缝的折算应力小于等于焊缝折算应力设计值160×1.1=176 N/mm2,故满足要求十二、支撑杆计算1、支杆长细比计算λ= l/i = 3.97÷1.58 = 252支杆的稳定系数υ根据支杆长细比λ查表取: 02、支杆的稳定性计算其中: N 支杆轴向力N = 30.75 kNA 支杆净截面面积A = 4.89 cm2υ支杆的稳定系数υ= 0经过计算: σ= (30.75×1000)÷(0×4.89×100) = 0 N/mm2支杆的稳定性小于等于支杆抗压强度设计值205 N/mm2,故满足要求3、对接焊缝强度计算其中: N 挑梁支点最大支座力N = 23.24 kNd 支撑钢管外径d = 48 mmb 支撑钢管壁厚b = 3.5 mm经过计算: σ= 23.24×1000÷(3.1415926×48×3.5) = 44.03 N/mm2 对接焊缝强度小于等于焊缝抗压强度设计值205 N/mm2,故满足要求。
外脚手架设计计算书(实例)建筑高度按20米进行计算,设立杆纵距L=1.5,立杆横距L=1.2,步距h=1.8,采用48×3.5钢管搭设,材料截面积:A=489mm2,截面抵抗矩W=50.8×103mm3,回转半径=15.8mm,材料抗拉强度:fc=0.205KN/mm2。
一、荷载计算:①恒载标准值Gk:Gk=Hi(gk1+gk3)+n1lagk2=45(0.1089+0.0614)+2×1.5×0.2984=8.5587KN/m查表得:gk1=0.1089(构件自重按边杆计算);gk2=0.2984(无护栏扣件式钢管脚手架作业层材料自重);gk3=0.0614(外围护只挂密目安全网);n1=同时按两个作业层计算。
②活载标准值:Qk= n1laqk=2×1.5×2=6KN/m查得qk=2KN/m③风荷载标准值:=0.7μz.μs.ωo=0.7×1.67×(1.3×0.105)×0.25=0.04KN/m二、脚手架整体稳定验算:④计算轴心力设计值N`:N`=1.2(NGK+NQK)=1.2(8.5587+6)=17.5KN⑤计算风荷载弯矩Mw:Mw=1/8ql2=0.13×0.04×1.82=0.0094KN⑥稳定系数ψ:已知:L=1800,则:λ=l/ i =1800/15.8=114查表得:ψ=0.489⑦验算外架稳定性:N`/ψA+ Mw/W=17500÷(0.489×489)+9.4÷(50.8×103)=73N/mm2<205N/mm2(满足要求)。
⑧大小横杆抗弯强度:因大横杆跨度大于小横杆,现只对大横杆进行验算。
计算:MGK=0.13×8.6×1.52=2.52KNMQK=0.13×6×1.52=1.76KNM=1.2MGK +1.4MQK=1.2×2.52+1.4×1.76=5.488KN则:σ=M/W=5.488/(50.8×103)=108<205N/mm2(满足要求)。
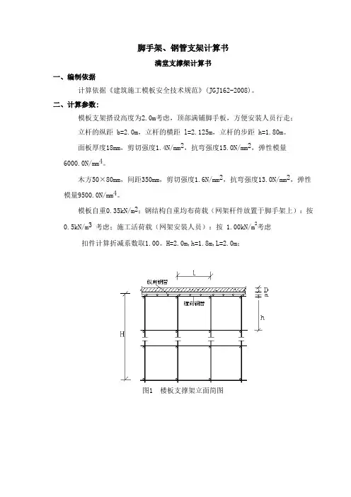
脚手架、钢管支架计算书满堂支撑架计算书一、编制依据计算依据《建筑施工模板安全技术规范》(JGJ162-2008)。
二、计算参数:模板支架搭设高度为2.0m考虑,顶部满铺脚手板,方便安装人员行走;立杆的纵距 b=2.0m,立杆的横距 l=2.125m,立杆的步距 h=1.80m。
面板厚度18mm,剪切强度1.4N/mm2,抗弯强度15.0N/mm2,弹性模量6000.0N/mm4。
木方50×80mm,间距350mm,剪切强度1.6N/mm2,抗弯强度13.0N/mm2,弹性模量9500.0N/mm4。
模板自重0.35kN/m2;钢结构自重均布荷载(网架杆件放置于脚手架上):按0.5kN/m3 考虑;施工活荷载(网架安装人员):按 1.00kN/m2考虑扣件计算折减系数取1.00。
H=2.0m,h=1.8m,L=2.0m;图1 楼板支撑架立面简图图2 楼板支撑架荷载计算单元采用的钢管类型为φ48×3.0。
三、模板面板计算面板为受弯结构,需要验算其抗弯强度和刚度。
模板面板的按照三跨连续梁计算。
考虑0.9的结构重要系数,静荷载标准值 q1 = 0.9×(0.000×0.000×1.400+0.35×1.4+0.50×1.400)=1.18kN/m2考虑0.9的结构重要系数,活荷载标准值 q2 = 0.9×(0.000+1.000)×1.400=1.26kN/m2荷载组合设计值:q=1.2q1+1.4q2=1.2×1.18+1.4×1.26=3.18 kN/m2面板的截面惯性矩I和截面抵抗矩W分别为:本算例中,截面惯性矩I和截面抵抗矩W分别为:W = 140.00×1.80×1.80/6 = 75.60cm3;I = 140.00×1.80×1.80×1.80/12 = 68.04cm4;(1)抗弯强度计算f = M / W < [f]其中 f ——面板的抗弯强度计算值(N/mm2);M ——面板的最大弯距(N.mm);W ——面板的净截面抵抗矩;[f] ——面板的抗弯强度设计值,取15.00N/mm2;M = 0.125ql2其中 q ——荷载设计值(kN/m);经计算得到 M = 0.125×3.18×0.7×0.7=0.195kN.m经计算得到面板抗弯强度计算值 f = 0.195×1000×1000/75600=2.58N/mm2面板的抗弯强度验算 f < [f],满足要求!(2)抗剪计算 [可以不计算]T = 3Q/2bh < [T]其中最大剪力 Q=0.600×3.18×0.7=1.336kN截面抗剪强度计算值 T=3×1336/(2×2000.000×1.4)=0.072N/mm2截面抗剪强度设计值 [T]=1.40N/mm2抗剪强度验算 T < [T],满足要求!(3)挠度计算v = 0.677ql4 / 100EI < [v] = l / 250面板最大挠度计算值 v = 0.677×3.18×7004/(100×6000×680400)=1.269mm面板的最大挠度小于350.0/250,满足要求!四、纵向支撑钢管的计算纵向钢管按照均布荷载下连续梁计算,截面力学参数为截面抵抗矩 W = 5.08cm3;截面惯性矩 I = 12.19cm4;1、荷载的计算:(1)钢结构自重(kN/m):q11 = 0.5×0.7=0.35kN/m(2)脚手板的自重线荷载(kN/m):q12 = 0.350×0.7=0.245kN/m(3)活荷载为操作工人行走产生的活荷载,取1.0kN/m:经计算得到,活荷载标准值 q2 = (1.000+0.000)×0.70=0.700kN/m考虑0.9的结构重要系数,静荷载设计值 q1 = 0.9×(1.20×0.35+1.20×0.245)=0.643kN/m考虑0.9的结构重要系数,活荷载设计值 q2 = 0.9×1.40×0.700=0.882kN/m荷载设计值组合为q=1.2q1+1.4q2=1.2×0.643+1.4×0.882=2.01 kN/m2、抗弯强度计算最大弯矩 M = 0.125ql2=0.125×2.01×2.0×2.0=1.0kN.m最大剪力 Q=0.6×2.0×2.01=2.412kN最大支座力 N=1.1×2.0×2.01=4.422kN抗弯计算强度 f=1×106/5080.0=196.85N/mm2纵向钢管的抗弯计算强度小于205.0N/mm2,满足要求!3、挠度计算三跨连续梁均布荷载作用下的最大挠度V=0.677ql4 / 100EI =(0.677×2.01+0.990×0.000)×2000.04/(100×2.06×105×121900.0)=8.67mm纵向钢管的最大挠度小于2000.0/150与10mm,满足要求!4、支撑钢管计算横向支撑钢管按照集中荷载作用下的连续梁计算集中荷载P取纵向板底支撑传递力,P=2.01kN经过连续梁的计算得到最大弯矩 Mmax=0.875kN.m最大变形 vmax=0.684mm最大支座力 Qmax=6.996kN抗弯计算强度 f= Mmax /W=0.875×106/5080.0=172.24N/mm2支撑钢管的抗弯计算强度小于205.0N/mm2,满足要求!支撑钢管的最大挠度小于2000.0/150与10mm,满足要求!5、扣件抗滑移的计算纵向或横向水平杆与立杆连接时,扣件的抗滑承载力按照下式计算:R ≤ Rc其中 Rc ——扣件抗滑承载力设计值,取8.00kN;R ——纵向或横向水平杆传给立杆的竖向作用力设计值;计算中R取最大支座反力,R=6.996kN单扣件抗滑承载力的设计计算满足要求R≤8.0 kN时,可采用单扣件; 8.0kN<R <12.0 kN时,应采用双扣件;R>12.0kN 时,应采用可调托座。
脚手架计算书1.脚手架参数搭设尺寸为:立杆的纵距为 1.50米,立杆的横距为1.05米,立杆的步距为1.80 米;计算的脚手架设为双排脚手架搭设高度为 23.0 米,立杆采用单立管;内排架距离墙长度为0.30米;小横杆在上,搭接在大横杆上的小横杆根数为 4;采用的钢管类型为Φ48×3.5;横杆与立杆连接方式为单扣件;扣件抗滑承载力系数为 0.80;连墙件采用两步三跨,竖向间距 3.60 米,水平间距4.50 米,采用扣件连接;连墙件连接方式为双扣件;2.活荷载参数施工荷载均布参数(kN/m2):3.000;脚手架用途:结构脚手架;同时施工层数:3;3.风荷载参数山东省临沂市地区,基本风压为0.35,风荷载高度变化系数μz 为0.84,风荷载体型系数μs为0.65;考虑风荷载。
4.静荷载参数每米立杆数承受的结构自重标准(kN/m2):0.1248;脚手板自重标准值(kN/m2 ):0.350;栏杆挡脚板自重标准值(kN/m2):0.140;安全设施与安全网(kN/m2 ):0.005;脚手板铺设层数:4;脚手板类别:竹串片脚手板;栏杆挡板类别:栏杆竹串片;5.地基参数地基土类型:粘土,碾压平整,下垫工字钢。
12.2、小横杆的计算小横杆按照简支梁进行强度和挠度计算,小横杆在大横杆的上面。
按照小横杆上面的脚手板和活荷载作为均布荷载计算小横杆的最大弯矩和变形。
1.均布荷载值计算= 0.038 kN/m ;小横杆的自重标准值: P1= 0.350×1.200/3=0.14 kN/m ;脚手板的荷载标准值: P2活荷载标准值: Q=3.000×1.200/3=1.200 kN/m;荷载的计算值: q=1.2×0.038+1.2×0.14+1.4×1.200 = 1.896 kN/m;小横杆计算简图2.强度计算最大弯矩考虑为简支梁均布荷载作用下的弯矩,计算公式如下:=1.896×1.0002/8 = 0.2367 kN.m;最大弯矩 Mqmax/W =57.974 N/mm2;σ = Mqmax小横杆的计算强度小于 205.0 N/mm2,满足要求!3.挠度计算:最大挠度考虑为简支梁均布荷载作用下的挠度荷载标准值q=0.038+0.14+1.500 = 1.678 kN/m ;最大挠度 V = 5.0×1.678×1000.04/(384×2.060×105×121900.0)=0.888 mm;小横杆的最大挠度小于 1000.0 / 150=6.667 与10 mm,满足要求!12.3、大横杆的计算大横杆按照三跨连续梁进行强度和挠度计算,小横杆在大横杆的上面。
附着式升降式脚手架计算书爬架计算书一、爬架主要设计参数:架体高度14.4米,跨度7.2米,宽度0.9米,架体立杆间距1.5米,步距1.8米,小横杆间距1.5米。
爬架计算书计算参数:架体高度14.40米,跨度7.5米,14.4×7.5=108㎡<110㎡其它采用原设计数值不变。
(一)、荷载1、恒载标准值G K主框架及架体所采用的材料规格及截面特征参数为:(1)采用φ48×3.2钢管的构件的长度:立杆:L=13×3×2=78m;大横杆:L=2×7×8.5=119 m(每根长度按8.5m计算);小横杆:L=9×7×1.2=76m (每根长度按1.2m计算);纵向支撑(剪刀撑):L=4×22)313(8++4×22)313(4+=61m(按单片剪刀撑计算)架体结构边柱的缀条:横缀条7根,斜缀条6根,共两片。
L=2×(6×9.07)613(9.022⨯++)=41m水平支撑(水平剪刀撑):L=2×(1.8+4×2248.1+)=39m 架体内的水平斜杆:L=3×4×2229.0+=27m护拦:L=2×9×3=54m采用2.348⨯Φ管的构件的总长度为:∑=L 78+119+76+61+41+39+27+54=495m 所用钢管的总重量为:G Φ=495×3.89=1926kg采用匚6.3的架体构件为架体结构的边柱。
长13m 共四根。
所用槽钢匚6.3的总重量为:G 匚 =4×13×6.6=345kg 采用Φ48钢管的架体构件为架体结构的边柱,长13m 共2根。
所用Φ48钢管的总重量为:G O =2×13×3.84=99.84kg 则架体结构的自重为(对架体边柱考虑0010的构造系数):G=G Φ+(G 匚 +G O )×1.1=1926+1.1×(345+99.84)=2510kg (2)脚手板自重:板宽0.9m ,长8m,厚4cm ,按原计算考虑有四步脚手板,脚手板为800Φkg/m 3的木材。
钢管落地脚手架计算书扣件式钢管落地脚手架的计算依据《建筑施工扣件式钢管脚手架安全技术规范》(JGJ130-2001)、《建筑地基基础设计规范》(GB 50007-2002)、《建筑结构荷载规范》(GB 50009-2001)、《钢结构设计规范》(GB 50017-2003)等编制。
一、参数信息1.脚手架参数单排脚手架搭设高度为 24 m,立杆采用单立杆;搭设尺寸为:立杆与墙中距离为 1m,纵距L a为1.5m,大小横杆的步距为1.8 m;大横杆在上,搭接在小横杆上的大横杆根数为 2 根;采用的钢管类型为Φ48×3.0;横杆与立杆连接方式为单扣件;连墙件采用两步三跨,竖向间距 3.6 m,水平间距4.5 m,采用扣件连接;连墙件连接方式为单扣件;2.活荷载参数施工均布活荷载标准值:2.000kN/m2;脚手架用途:装修脚手架;同时施工层数:2 层;3.风荷载参数本工程地处浙江杭州市,基本风压0.4kN/m2;风荷载高度变化系数μz,计算连墙件强度时取0.92,计算立杆稳定性时取0.74,风荷载体型系数μs为0.107;4.静荷载参数每米立杆承受的结构自重标准值(kN/m):0.1360;脚手板自重标准值(kN/m2):0.300;栏杆挡脚板自重标准值(kN/m):0.150;安全设施与安全网(kN/m2):0.005;脚手板类别:竹笆片脚手板;栏杆挡板类别:竹笆片脚手板挡板;每米脚手架钢管自重标准值(kN/m):0.033;脚手板铺设总层数:13;5.地基参数地基土类型:素填土;地基承载力标准值(kPa):120.00;立杆基础底面面积(m2):0.20;地基承载力调整系数:1.00。
二、大横杆的计算按照《扣件式钢管脚手架安全技术规范》(JGJ130-2001)第5.2.4条规定,大横杆按照三跨连续梁进行强度和挠度计算,大横杆在小横杆的上面。
将大横杆上面的脚手板自重和施工活荷载作为均布荷载计算大横杆的最大弯矩和变形。
附着式升降式脚手架计算书爬架计算书一、爬架主要设计参数:架体高度14.4米,跨度7.2米,宽度0.9米,架体立杆间距1.5米,步距1.8米,小横杆间距1.5米。
爬架计算书计算参数:架体高度14.40米,跨度7.5米,14.4×7.5=108㎡<110㎡其它采用原设计数值不变。
(一)、荷载1、恒载标准值G K主框架及架体所采用的材料规格及截面特征参数为:(1)采用φ48×3.2钢管的构件的长度:立杆:L=13×3×2=78m;大横杆:L=2×7×8.5=119 m(每根长度按8.5m计算);小横杆:L=9×7×1.2=76m (每根长度按1.2m计算);纵向支撑(剪刀撑):L=4×22)313(8++4×22)313(4+=61m(按单片剪刀撑计算)架体结构边柱的缀条:横缀条7根,斜缀条6根,共两片。
L=2×(6×9.07)613(9.022⨯++)=41m水平支撑(水平剪刀撑):L=2×(1.8+4×2248.1+)=39m 架体内的水平斜杆:L=3×4×2229.0+=27m护拦:L=2×9×3=54m 采用2.348⨯Φ管的构件的总长度为:∑=L 78+119+76+61+41+39+27+54=495m所用钢管的总重量为:G Φ=495×3.89=1926kg采用匚6.3的架体构件为架体结构的边柱。
长13m 共四根。
所用槽钢匚6.3的总重量为:G 匚 =4×13×6.6=345kg采用Φ48钢管的架体构件为架体结构的边柱,长13m 共2根。
所用Φ48钢管的总重量为:G O =2×13×3.84=99.84kg 则架体结构的自重为(对架体边柱考虑0010的构造系数):G=G Φ+(G 匚 +G O )×1.1=1926+1.1×(345+99.84)=2510kg (2)脚手板自重:板宽0.9m ,长8m,厚4cm ,按原计算考虑有四步脚手板,脚手板为800Φkg/m 3的木材。
宁波市体育中心健身综合楼外脚手架计算书一、工程概况:本工程为宁波市体育中心健身综合楼,四层框架结构,自室外地坪算起,全高20.9m, 采用扣件式钢管脚手架,按以往经验, 立杆采用单立杆,内立杆与外墙间距0.30m,详见图(一)。
脚手架主要尺寸:立杆纵距la=1.5m,立杆横距lb=1.2m,步距h=1.8m ,(共12步,h=0.2+12×1.8=21.8m)。
地基土分层夯实后,上浇C10混凝土厚100mm。
施工区域为大城市市区,地面粗糙度类别为C类,基本风压 W= 0.40KN/m2 (宁波市10年一遇基本风压0.30KN/m2, 50年一遇基本风压0.50 KN/m2,考虑到脚手架的临时性,取基本风压为0.40 KN/m2)。
本工程为框架结构,采用全封闭密目式安全立网双排脚手架进行结构阶段和装修阶段施工,施工作业层为1层,脚手架采用Φ48×3.5钢管搭设,满铺竹芭片脚手板,满设扶手及挡脚杆,连墙件采用同类钢管作钢性连结,按2步3跨布置(连墙件覆盖面积3.60×4.50 = 16.2m2)二、计算依据(主要):1.《建筑施工扣件式钢管脚手架安全技术规范》JGJ 130-2001(2002年版)2.《钢结构设计规范》GB50017-20033.《建筑结构荷载规范》4.《冷弯薄壁型钢结构技术规范》5.《建筑结构静力计算手册》6.《建筑施工扣件式钢管脚手架构造与计算》刘群主编(参考)7.本工程施工图三、计算数据:Φ48×3.5钢管:自重q=38.4N/M,直角扣件q1=13.2N/个,对接扣件q2=18.4N/个,旋转扣件q3=14.6N/个。
截面积A=4.89cm2,惯性矩I=12.19 cm4,截面模量W=5.08 cm3,回转半径i=1.58 cm。
围网参数:采用2300目/100 cm2,自重0.005 KN/m2 ,每目孔隙面积A=1.3mm2。
钢管强度设计值:f=205 N/ mm2,弹性模量;E=2.06×105 N/ mm2。
脚手架搭设计算书1脚手架参数(1)搭设高度H=19米,步距h=1.8米,立杆纵距la=1.5米,立杆横距lb=1米,连墙件为2步3跨设置,脚手板为木板,按同时铺设2排计算,同时作业层数n1=2,内排架距离边坡距离为1.5m。
(2)脚手架材质选用Φ48×3mm钢管,截面面积A=489mm2,截面模量W=5.08×103mm3,回转半径i=15.8mm,抗压、抗弯强度设计值f=205N/mm2。
(3)结构自重标准值:钢管自重q=0.038 N/m2;木脚手片标自重:g=0.20kN/m2;施工均布活荷载:qk=0.4kN/m2。
由于本地区风荷载g2<0.35kN/m2,所以不考虑风荷载。
2脚手架计算2.1小横杆计算(1)荷载值计算按简支梁计算:每纵距脚手片自重N1=g×la×lb/(2+1)=0.2×1.5×1/(2+1)=0.1kN每纵距施工荷载N2=qk×la×lb/(2+1)=0.2kN荷载计算值N=1.2N1+1.4N2=0.4KN(2)强度计算小横杆自重均布荷载按最最不利分布荷载计算,最大弯矩计算公式:M=1/8ql2M1=1/8×0.038×1.8×1.8=0.016KN.m集中荷载最大弯矩计算公式如下:M=1/3Nl所以M2=1/3×1.8×0.4=0.24KN.mMmax= M1+ M2=0.26KN.mσ=Mmax/W=52N/mm2<f=205N/mm2所以横向水平杆抗弯强度满足要求。
(3)挠度计算小横杆自重均布荷载引起的最大挠度计算公式:v=5ql4/384EIV1=5000×0.038×20004÷(384×2.06×105×121900)=0.31mm集中荷载标准值最不利分配引起的最大挠度计算公式如下:V=Nl(3l2-4l2/9)/72EI V2=0.96×1000×2000(3×2000×2000-4×2000×2000÷9)÷(72×2.06×105×121900)=10.9mmVmax= V1+ V2=10.86mm[v]=lb/150=2000/150=13.3mmv<[v]小横杆挠度满足要求。
脚手架计算书脚手架计算书1、计算依据(1)《建筑施工扣件式钢管脚手架安全技术规范》(JGJ130-2001)(2)《建筑结构荷载规范》(GB50009-2001)2、脚手架的计算参数搭设高度H=39.6米(取最大高度,22排),步距h=1.8米,立杆纵距la=1.5米,立杆横距lb=1.1米,连墙件为2步3跨设置,脚手板为毛竹片,按同时铺设7排计算,同时作业层数n1=1。
脚手架材质选用φ48×3.5钢管,截面面积A=489mm2,截面模量W=5.08×103mm3,回转半径i=15.8mm,抗压、抗弯强度设计值f=205N/mm2,基本风压值ω0=0.7kN/m2,计算时忽略雪荷载等。
3、荷载标准值(1)结构自重标准值:gk1=0.1248kN/m(双排脚手架)(2)竹脚手片自重标准值:gk2=0.35kN/m2(可按实际取值)(3)施工均布活荷载:qk=3kN/m2(4)风荷载标准值:ωk=0.7μz•μs•ω0式中μz——风压高度变化系数,查《建筑结构荷载规范》并用插入法得39.6米为1.12μs——脚手架风荷载体型系数,全封闭式为1.2ω0——基本风压值,为0.7kN/m2则ωk=0.7×1.12×1.2×0.7=0.658kN/m24、纵向水平杆、横向水平杆计算(1)横向水平杆计算脚手架搭设剖面图如下:按简支梁计算,计算简图如下:每纵距脚手片自重NG2k=gk2×la×lb=0.35×1.5×1.1=0.5775kN 每纵距施工荷载NQk=qk×la×lb=3×1.5×1.1=4.95kNMGk=0.07kN•mMQk=0.605kN•mM=1.2MGk+1.4MQk=1.2×0.07+1.4×0.605=0.931kN•m[v]=lb/150=1100/150=7.3mmv 脚手片自重均布荷载G2k=gk2×lb/3=0.35×1.1/3=0.128kN/m 施工均布荷载Qk=qk×lb/3=3×1.1/3=1.1kN/mq=1.2G2k+1.4Qk=1.69kN/mMGkmax=0.10G2k×la2=0.10×0.128×1.5×1.5=0.029kN•mMQkmax=0.10Qk×la2=0.10×1.1×1.5×1.5=0.248kN•mM=1.2MGkmax+1.4MQkmax=1.2×0.029+1.4×0.248=0.382kN•m [v]=lb/150=1500/150=10mmv≤[v]挠度满足要求。
落地式扣件钢管脚手架计算书钢管脚手架的计算参照《建筑施工扣件式钢管脚手架安全技术规范》(JGJ130-2001)。
计算的脚手架为双排脚手架,搭设高度为28.0米,立杆采用单立管。
搭设尺寸为:立杆的纵距1.80米,立杆的横距1.05米,立杆的步距1.80米。
采用的钢管类型为48×3.5,连墙件采用2步2跨,竖向间距3.60米,水平间距3.60米。
施工均布荷载为3.0kN/m2,同时施工2层,脚手板共铺设4层。
一、大横杆的计算:大横杆按照三跨连续梁进行强度和挠度计算,大横杆在小横杆的上面。
按照大横杆上面的脚手板和活荷载作为均布荷载计算大横杆的最大弯矩和变形。
1.均布荷载值计算大横杆的自重标准值 P1=0.038kN/m脚手板的荷载标准值 P2=0.150×1.050/3=0.052kN/m活荷载标准值 Q=3.000×1.050/3=1.050kN/m静荷载的计算值 q1=1.2×0.038+1.2×0.052=0.109kN/m活荷载的计算值 q2=1.4×1.050=1.470kN/m大横杆计算荷载组合简图(跨中最大弯矩和跨中最大挠度)大横杆计算荷载组合简图(支座最大弯矩)2.强度计算最大弯矩考虑为三跨连续梁均布荷载作用下的弯矩跨中最大弯矩计算公式如下:跨中最大弯矩为M1=(0.08×0.109+0.10×1.470)×1.8002=0.505kN.m支座最大弯矩计算公式如下:支座最大弯矩为M2=-(0.10×0.109+0.117×1.470)×1.8002=-0.593kN.m我们选择支座弯矩和跨中弯矩的最大值进行强度验算:=0.593×106/5080.0=116.651N/mm2大横杆的计算强度小于205.0N/mm2,满足要求!3.挠度计算最大挠度考虑为三跨连续梁均布荷载作用下的挠度计算公式如下:静荷载标准值q1=0.038+0.052=0.091kN/m活荷载标准值q2=1.050kN/m三跨连续梁均布荷载作用下的最大挠度V=(0.677×0.091+0.990×1.050)×1800.04/(100×2.06×105×121900.0)=4.603mm 大横杆的最大挠度小于1800.0/150与10mm,满足要求!二、小横杆的计算:小横杆按照简支梁进行强度和挠度计算,大横杆在小横杆的上面。
本工程首层~设备层双排脚手架采用Φ48×3.5钢管单立杆,最大搭设高度50m以下(为20.2m),搭设按照《建筑施工扣件式钢管脚手架安全技术规》(JGJ130—2001)的设计尺寸及构造要求搭设,故对其相应杆件不再进行设计计算。
本工程五~十九层外双排脚手架采用Φ48×3.5钢管单立杆脚手架,脚手架搭设高H=57.6m。
双排脚手架用于结构施工和装修施工。
需对此脚手架进行验算。
计算参数如下:1、荷载计算(此脚手架计算查表所得值通过《建筑施工手册(第四版)1》查得)①恒载的标准值G k:G k=H i(g k1+g k3)+n1l a g k2由表5—7查得g k1=0.1089KN/m; g k2=0.2356KN/m; g k3=0.1113KN/m。
a.当取H i=56.7m用于结构作业时,G k=H i(g k1+g k3)+n1l a g k2=56.7×(0.1089+0.1113)+1.5×0.2356=12.84KN用于装修作业时,G k=H i(g k1+g k3)+n1l a g k2=56.7×(0.1089+0.1113)+2×1.5×0.2356=13.19KNb.当取H i=28.4m用于结构作业时,G k=H i(g k1+g k3)+n1l a g k2=28.4×(0.1089+0.1113)+1.5×0.2356=6.61KN用于装修作业时,G k=H i(g k1+g k3)+n1l a g k2=28.4×(0.1089+0.1113)+2×1.5×0.2356=6.96KN②活载(作业层施工荷载)的标准值Q k:Q k=n1×l a×q k由表5—12查得q k=1.8KN/m(结构作业时)和q k=1.2KN/m(装修作业时)则有:用于结构作业时,Q k= 1.5×1.8=2.7KN用于装修作业时,Q k= 2×1.5×1.2=3.6KN③风荷载验算q WK=ωk·L aωk = 0.7μzμsω0μs=1.2ξ(1+η) (敞开式双排脚手架查《建筑施工脚手架实用手册》表4—21和表4—22得ξ=0.089;η=1.00)μs=1.2ξ(1+η)=1.2×0.089×(1+1)=0.21 KN/m2查全国基本风压分布图得地区的基本风压为ω0=0.35 KN/m2。
当H=24 m,风压高度变化系数μZ=1.01;H=47.4 m,风压高度变化系数μZ=1.32;则风荷载:ωk= 0.7μzμsω0=0.7×1.01×0.21×0.35=0.052KN/m2(离地24m)ωk= 0.7μzμsω0=0.7×1.32×0.21×0.35=0.07KN/m2(离地47.4m)作用与立柱的风线荷载标准值, 柱距L=1.5 mq WK=ωk·L a =0.052×1.5=0.078KN/ m(离地24m)q WK=ωk·L a =0.07×1.5=0.105KN/ m(离地50.5m)风荷载产生的弯距,h=1.8 m步距M WK=0.12 q WK h2 =0.12×0.078×1.82 =30.33 KN㎜(离地24m)M WK=0.12 q WK h2 =0.12×0.105×1.82 =40.82 KN㎜(离地50.5m)2、脚手架整体稳定验算①确定材料强度附加分项系数r m’因组合风荷载,查表5—5,得r m’=1.59× 1+0.9(η+λ)1+η+λr m’的计算结果列入下表,其中N wk=M wk A/W=489M wk/5080=0.09626×30.33(40.82)=2.92(3.93)KNr m’计算表②计算轴心力设计值N’N’=1.2(N GK+N QK)式中N GK即G K,N QK即Q K的数值代入得到:a.验算24m截面用于结构作业时,N’=1.2(12.84+2.7)=18.65KN用于装修作业时,N’=1.2(13.19+3.6)=20.15 KNb.验算47.4m截面用于结构作业时,N’=1.2(6.61+2.7)=11.17KN用于装修作业时,N’=1.2(6.96+3.6)=12.67 KN③计算风荷载弯距M WM W=1.2 M WKa.验算24m截面M W=1.2 M WK =1.2×30.33=36.40 KNmmb.验算47.4m截面M W=1.2 M WK =1.2×40.82=48.98 KNmm④确定稳定系数φ查表5—16得μ=1.53,λ=μh/i=1.53×1.8/0.0158=174, 由表5—18查得φ=0.235⑤验算稳定N’ M w──+─── ≤ f c/0.9 r m’ϕ·A W得到验算结果,列入下表通过计算可得五~十九层的外脚手架底面截面验算不合格,对此架进行卸荷处理,五~十九层脚手架搭设高度在18m(在十层相对高度37m)和36m(在十五层相对高度55m)处卸荷。
3、脚手架卸荷计算五~十九层脚手架搭设高度在十层18m(相对高度37m)和在十五层36m(相对高度55m)处卸荷。
脚手架总高度57.6m(相对高度76.6m),卸荷计算高度为21.6m,查表所得值见《建筑施工脚手架实用手册》。
①计算底层立柱的轴心压力(按21.6m计算)a.脚手架结构自重产生的轴心压力N GK,一跨(L=1.5m)荷载由表4—38查得一个柱距围脚手架结构自重产生的轴心压力标准值:g k=0.125KN/mN GK=H×g k=21.6×0.125=2.7KNb.脚手架活荷载产生的轴心压力:脚手板产生的轴心压力,查表4—39得:N Q1K=0.663KN敞开式脚手架的防护材料产生的轴心压力,查表4—40得:N Q2K=0.228KN根据装修用途脚手架,二层同时操作,施工均布荷载Q K=2×2.0=4.0KN/m2,查表4—41得施工荷载产生轴心压力:N Q3K=4.42KN活荷载产生得轴心压力标准值为:N QK=0.663+0.228+4.42=5.31KN。
c.计算立柱的轴心压力设计值:N=1.2×N GK+1.4 N QK=1.2×2.7+1.4×5.31=10.68KNP=N/2/ tgβ=5.34/ 2.18=2.45KN③钢丝绳验算钢丝绳选用1根6×37直径13mm,钢丝绳公称抗拉强度1400 N/mm2,破断拉力总和为87.8kN,荷载不均匀系数取0.82 K为安全系数,取8.0钢丝绳允许拉力[Fg]=87.8×0.82/8.0=12.0kN钢丝绳拉力T=5.87kN<[Fg] =12.0kN,满足要求。
4、型钢悬挑式脚手架悬挑架设计及计算本工程塔楼从地上5层~19层采用型钢悬挑式钢管脚手架,在上一层用钢丝绳斜拉挑梁端头,施工作业层结构为1层、装修为2层,采用木脚手板铺设;脚手架用Φ48×3.5钢管和扣件搭设,立杆横向间距1.2m,纵距1.5m,步距为1.8m,立杆距建筑物结构外边缘0.3m。
脚手架支撑在16#工字钢横梁上,横梁沿脚手架纵向放置在Ⅰ22a工字钢制作的水平挑梁上,挑梁末端由钢丝绳斜拉固定在上一层梁底,钢丝绳选用2根6×37直径17.5mm。
脚手架结构自重产生的轴心压力N GK,一跨(L=1.5m)荷载由表4—38查得一个柱距围脚手架结构自重产生的轴心压力标准值:g k=0.125KN/mN GK=H×g k=30×0.125=3.75KNb.脚手架活荷载产生的轴心压力:脚手板产生的轴心压力,查表4—39得:N Q1K=0.663KN敞开式脚手架的防护材料产生的轴心压力,查表4—40得:N Q2K=0.228KN根据装修用途脚手架,二层同时操作,施工均布荷载Q K=2×2.0=4.0KN/m2,查表4—41得施工荷载产生轴心压力:N Q3K=4.42KN活荷载产生得轴心压力标准值为:N QK=0.663+0.228+4.42=5.31KN。
c.计算立柱的轴心压力设计值:P=1.2×N GK+1.4 N QK=1.2×3.75+1.4×5.31=11.94KN②工字钢横梁验算为了减少锚固挑梁对以后装修施工的影响,沿脚手架纵向铺设a.横梁选用16#工字钢,自重Q=205N/m2max 1.0267.0ql pl M +==10.04m kN ⋅b.强度验算按公式: ≤NX X XW M γ f截面塑性发展系数——对于工字形截面:05.1=x γ型钢截面x 轴的净截面抗弯模量——对于16#工字钢:3141cm W NX =钢材抗弯强度设计值——f=205N/mm 2带入公式得:NX X XW M γ=10040/(1.05×141)=67.81≤f=205N/mm 2,满足要求。
整体稳定性验算按公式:X b XW M ϕ≤f=205N/mm 2式中b ϕ——稳定系数,经过计算b ϕ=1.0,将稳定系数b ϕ带入公式得:fmm N W M b 〈=⨯⨯⨯=256/2.711041.10.1/1004.10/ϕ,满足要求。
③工字钢挑梁验算工字钢挑梁选用22a 工字钢,自重Q=330N/m ,作用在挑梁上的集中荷载N=P=12.3+0.205×3=12.915KN 。
从上面的计算简图可以看出,工字钢挑梁为一端铰支,一端由钢丝绳斜拉平衡,作用在挑梁上面的荷载除钢梁自重外,还有上部脚手架通过横梁传给挑梁的集中荷载N 。
经过计算:拉力T=16.91kN ;挑梁最大弯矩:M max =20.664KNm强度验算工字形截面塑性发展系数05.1=x γ;净截面抗弯模量3309cm W NX =。
NX X XW M γ=20664/(1.05×309)=63.69<f=205N/mm 2,满足要求。
稳定性验算 按公式:X b XW M ϕ≤f=205N/mm 2式中b ϕ——稳定系数,经过计算b ϕ=1.0,将稳定系数b ϕ带入公式得:f mm N W M b 〈=⨯⨯⨯=256/87.661009.30.1/10664.20/ϕ,满足要求。
④钢丝绳验算钢丝绳选用2根6×37直径17.5mm (1根为安全绳),钢丝绳公称抗拉强度1400 N/mm 2,破断拉力总和为156.0kN ,荷载不均匀系数取0.82K 为安全系数,取8.0钢丝绳允许拉力[Fg]=156×0.82/8.0=16.0kN钢丝绳拉力T=16.91kN ≈[Fg] =16.0kN ,满足要求。