物流工程课程设计报告 1
- 格式:pdf
- 大小:135.15 KB
- 文档页数:10
1. 设计题目变速箱厂总平面布置设计2. 原始给定条件公司有地16000㎡,厂区南北为200m。
东西宽80m,该厂预计需要工人300人,计划建成年产100000套变速箱的生产厂。
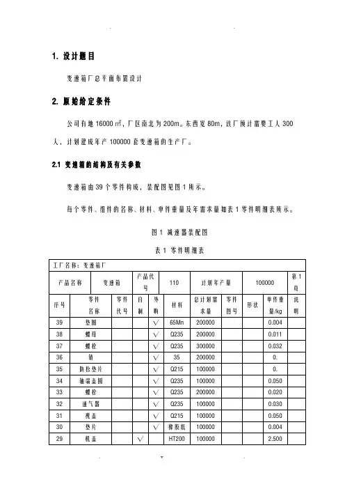
2.1 变速箱的结构及有关参数变速箱由39个零件构成,装配图见图1所示。
每个零件、组件的名称、材料、单件重量及年需求量如表1零件明细表所示。
图1 减速器装配图表1 零件明细表2.2 作业单位划分根据变速箱的结构及工艺特点,设立如表2所示11个单位,分别承担原材料存储、备料、热处理、加工与装配、产品性能试验、生产管理等各项生产任务。
表2 作业单位建筑汇总表2.3 生产工艺过程变速箱的零件比较多,但是大多数零件为标准件。
假定标准件采用外购,总的工艺过程可分为零件的制作与外购、半成品暂存、组装、性能测试、成品存储等阶段。
2.3.1零件的制作与外购制作的零件如表3~表8,表中的利用率为加工后产品与加工前的比率。
表3 变速箱零件-机盖加工工艺过程表表4 变速箱零件-机座加工工艺过程表表5 变速箱零件-大齿轮加工工艺过程表表6 变速箱零件-轴加工工艺过程表表7 变速箱零件-齿轮轴加工工艺过程表表8 变速箱零件-端盖加工工艺过程表2.3.2标准件、外购件与半成品暂存生产出的零件加工完经过各车间检验合格后,送入半成品库暂存。
外购件与标准件均放在半成品库。
2.3.3组装所有零件在组装车间集中组装成变速箱成品。
2.3.4性能测试所有成品都在组装车间进行性能测试,不合格的就在组装车间进行修复,合格后送入成品库,即不考虑成品组装不了的情况。
2.3.5成品存储所有合格变速箱均存放在成品库等待出厂。
3. 产品—产量分析生产的产品品种的多少及每种产品产量的高低,决定了工厂的生产类型,进而影响着工厂设备的布置形式。
根据以上已知条件可知,待布置设计的变速箱厂的产品品种单一,产量较大,其年产量为100000,属于大批量生产,适合按产品的原则布置,宜采用流水线的组织形式。
长沙学院CHANGSHA UNIVERSITY物流工程课程设计报告学生姓名:周宇学号2009094105学生姓名:张鑫学号:2009094112系部:工商管理系专业:物流管理题目:液压转向器厂总平面布置设计指导教师:职称:2011 年 5 月10 日目录CHANGSHA UNIVERSITY 0一、概述 0二.基本要素分析 01、液压转向器结构及参数 02、作业单位划分 (2)3、液压转向器生产工艺过程 (3)三.物流分析 (7)1.产品工艺过程分析 (7)2.物流强度分析 (12)四.作业单位相互关系分析 (14)五.作业单位位置相关分析 (19)六.作业单位面积相关分析 (20)七.工厂总平面布置图 (21)八.总结 (24)一、概述当地现有一叉车修理厂,占地面积为300002m,厂区南北长为300m,东西宽为100m,所处地理位置如图3-1所示。
该厂职工人数400人,计划改建成年产60000套液压转向器的生产厂,需要完成工厂总平面布置设计。
公路公路图1 待建液压转向器厂厂区图二.基本要素分析1、液压转向器结构及参数液压转向器的基本结构如图3-2所示,由22个零、组件的名称材料、单件重量及年需求量均列于表3-1中。
2000图2 液压转向器结构表3-1 零件明细表工厂名称:液压转向器厂产品名称液压转向器计划年产量60000(套)序号零件名称零件代号自制外购材料总计划需求量零件图号形状尺寸单件重量(kg)说明1 连接块组件√20600000.09 2前盖√HT250600000.92、作业单位划分根据液压转向器结构及工艺特点,液压转向器厂设立如表3-2所示的11个作业单位,分别承担原材料储存、备料、热处理、加工与装配、产品性能试验、生产管理与服务等各项生产任务。
表3-2 作业单位建筑物汇总表3、液压转向器生产工艺过程由于液压转向器结构比较简单,因此其生产工艺过程也很简单,总的工艺过程可分为零、组件制作与外购,半成品暂存,组装,性能试验与成品存储等阶段。
物流工程课程设计简介物流工程是一个涵盖了多种领域的学科,包括供应链管理、运输、仓储和物流信息系统等。
物流工程课程旨在使学生了解物流工程的概念和技术,以及如何应用这些技术来提高企业的运营效率和降低成本。
本课程设计将帮助学生理解物流工程,并为其提供实际的应用案例。
课程结构物流工程课程设计主要分为以下几个部分:第一部分:基础知识此部分将介绍以下内容:•什么是物流工程•物流工程的历史和演变•物流工程的基本原则和概念•物流管理的种类和作用•物流模型及其应用第二部分:物流规划此部分将介绍以下内容:•物流规划的概念和目的•物流规划的过程和方法•运输网络设计•仓储和设备规划•物流系统设计第三部分:物流管理此部分将介绍以下内容:•物流成本和效率管理•物流服务和品质管理•物流风险管理•物流信息管理•物流人力资源管理第四部分:物流技术此部分将介绍以下内容:•物流技术的发展和趋势•物流技术的应用和效果•物流技术的软件和硬件设备•物流自动化技术的应用第五部分:物流案例分析此部分将介绍以下内容:•物流案例的选择和评估•物流案例的分析和解决方案•物流案例的展示和分享课程目标通过学习本课程,学生应该能够掌握以下技能:•理解物流工程概念和原则•运用物流规划和管理技术•熟悉物流技术和设备•分析和解决物流问题•理解企业物流系统的运作和优化课程评估本课程的评估方式将包括以下部分:•课程报告和论文•课堂演示和讨论•个人和团队项目•期末考试结论物流工程课程设计旨在帮助学生了解物流工程,并为其提供实际的应用案例。
通过学习本课程,学生将掌握物流工程的基础知识、物流规划和管理技术、物流技术和设备,以及企业物流系统的运作和优化。
通过不同形式的评估,学生将有机会展示他们的理解和应用能力。
物流工程的课程设计报告物流工程是指利用各种信息技术和现代工程理论方法,以最优化的方式规划和管理物流流程,使得企业的运作效率和服务水平大幅提升的一门学科。
在日常的生活中,我们常常能够感受到物流工程给我们带来的便利和利益,例如能够及时收到网购的商品、能够快速受到校园外卖等。
因此,现今许多高校都开设了物流工程这门专业,并且设置了相关的课程。
如何通过课程设计来让学生更好地掌握物流工程这门学科的核心理论和实践技能,是物流工程教学的一个重要问题。
本文主要围绕着“物流工程的课程设计报告”来展开探讨。
首先,我将简要介绍一下物流工程的教学目标和面临的挑战,然后,我将分享我在进行物流工程课程设计时的一些实践经验和思考,并提出课程设计的一些具体建议。
一、物流工程教学目标和面临的挑战物流工程作为一门新兴的学科,其教学目标主要包括以下几个方面:1. 让学生系统地了解物流工程的基本理论与概念。
2. 培养学生的物流工程实践能力,使其能运用所学知识,解决实际问题。
3. 培养学生的团队协作和沟通能力,以及使用信息技术的能力。
物流工程在教学过程中面临的挑战则十分明显。
首先,物流工程的教学对象广泛,其应用领域涉及到工业、商业、交通、制造等众多领域,这就要求教师要有良好的跨学科综合素养和广博的学科知识储备。
其次,随着信息技术的发展和应用,物流工程所需掌握的技能也不断地发生变化和更新,课程的内容和教学方法需要不断地更新和改进。
此外,物流工程的教学还需要结合实际案例来进行应用性的讲解,这就需要教师具备丰富的实践经验和精湛的授课技巧。
二、物流工程课程设计的实践经验和思考在进行物流工程课程设计时,我总结了一些自己的实践经验和思考,具体如下:1. 采用案例教学法,注重前沿技术和实际应用物流工程这门学科是以实践为基础的学科,所以在进行课程设计时应该以案例为主,将实际的物流案例融入到课程中进行讲解。
以我自己的教学经验来说,我们通过课程设计的形式,模拟市场上的真实需求,让学生分组编写调度算法,并且在实际应用中得以测试和评估,这样不仅能提升学生的实践能力,还能够让学生对课程学习的效果有所了解。
郑州航空工业管理学院物流工程课程设计报告10 级工业工程专业 1005073 班级题目变速箱车间布局优化设计姓名皮美玲学号100507316 同组成员董单单韩春阳温艳姣张俊赵梦指导教师孙凤媛2013年9 月8 日前言本小组的实习地点是中航工业宝鸡宝成航空仪表有限责任公司机械加工分公司。
主要任务是对产品的机械加工,就实习是加工的某一零件最为课程设计的对象,变速箱。
车间里的主要产品又多为零部件生产,而机械车间是从零部件的生产到产品的完工,各个工艺过程均在一个车间完成,为课程设计中所需的物流分析和设施规划分析提供必要条件。
机械加工车间中变速箱的生产工艺清晰明了,各个部件的构成及加工过程我们都做了全面的了解和深入的调研工作。
并且车间布局优化也是物流工程课程体系的重点部分。
选择本课题有利于充分利用所学知识,分析和解决实际中遇到的问题;也为这门课程的学习进行一次全面的实际操作性锻炼,使我们更好的掌握物流工程相关理论和方法首先我们小组明确了课程设计的目的、任务以及设计相关工作组成,确认每一部分的重要性,工作强度,进行合理的划分。
把课程设计工作分为现场调研、物流分析、作业单位非物流关系分析、作业分析单位综合相互关系等四大重要部分,现场调研由董单单、韩春阳负责,物流分析由皮美玲、温艳姣负责,作业单位非物流关系分析由张俊、赵梦负责。
信息汇总后,由小组人员共同整理、分析、讨论,实现对生产现场的布局优化,写成报告。
人员分工情况:目录一.课程设计任务书 (3)二.现场调研分析 (4)2.1作业单位划分 (4)2.2生产工艺过程 (5)三.物流分析 (6)3.1绘制从至表 (6)3.2绘制物流强度汇总表 (6)3.3划分物流强度等级 (7)3.4绘制作业单位物流相关图 (8)四.作业单位非物流相互关系分析 (8)五.作业单位综合相互关系分析 (10)六.车间总平面布置 (13)七.个人总结 (13)一.课程设计任务书1.1课程设计目的通过本次的课程设计,加深我们对物流规划与设计的理论知识,让我们在实践中找到自己学习中得不足,学会实践,并且,加强团队之间的团结合作。
大一物流工程课程设计一、课程目标知识目标:1. 理解物流工程的基本概念、原理和方法;2. 掌握物流系统设计、分析与优化的基本流程;3. 了解物流信息技术、设备及其在物流领域的应用;4. 掌握物流成本计算、控制与降低的策略。
技能目标:1. 能够运用物流工程知识对实际物流系统进行设计与分析;2. 能够运用物流信息技术提高物流运作效率;3. 能够运用物流设备进行物流作业,并对其进行优化;4. 能够对物流成本进行合理计算与控制。
情感态度价值观目标:1. 培养学生热爱物流工程专业,树立正确的专业观念;2. 培养学生具备团队协作、沟通表达的能力,增强合作意识;3. 培养学生关注物流行业发展趋势,具备创新意识和国际视野;4. 培养学生具备较强的社会责任感,关注绿色物流、可持续发展。
课程性质:本课程为大一物流工程专业的基础课程,旨在使学生掌握物流工程的基本理论、方法和技术,为后续专业课程学习打下坚实基础。
学生特点:大一学生刚接触专业课程,对物流工程有一定兴趣,但缺乏实际操作经验,需要通过本课程的学习,提高理论知识和实践技能。
教学要求:结合课程性质和学生特点,采用理论教学与实践操作相结合的方式,注重培养学生的实际操作能力和创新意识。
通过课程学习,使学生能够达到上述课程目标,为未来的物流工程领域发展奠定基础。
二、教学内容1. 物流工程概述- 物流基本概念与功能- 物流工程的发展历程与现状- 物流工程在国民经济中的作用2. 物流系统设计与分析- 物流系统的基本要素与结构- 物流系统设计的原则与方法- 物流系统分析的内容与步骤3. 物流信息技术- 物流信息系统的构成与功能- 常用物流信息技术及其应用- 物流信息平台的构建与优化4. 物流设备与应用- 物流设备分类与性能- 常用物流设备的选择与应用- 物流设备的维护与管理5. 物流成本管理- 物流成本的概念与分类- 物流成本的计算、控制与降低策略- 物流成本优化案例分析6. 绿色物流与可持续发展- 绿色物流的基本理念与目标- 可持续发展的物流系统设计- 绿色物流实施策略与案例分析教学内容根据课程目标进行选择和组织,确保科学性和系统性。
物流工程课程设计
物流工程课程设计是针对物流工程专业的学生所设计的课程,旨在培养学生的物流工程专业知识和实践能力。
具体的课程设计需要根据学校和教学机构的要求来确定,但一般包括以下几个方面的内容:
1. 物流基础知识:介绍物流管理的基本概念、原理和方法,包括物流系统、物流网络、物流成本分析、物流服务等。
2. 物流运作流程:讲解物流运作的整体流程和各个环节的工作方法,包括物流计划和预测、采购、仓储、运输、分销等。
3. 物流信息系统:介绍物流信息系统的基本概念和应用,包括供应链管理系统、仓储管理系统、运输管理系统等,培养学生的信息化管理能力。
4. 物流设施与设备:介绍物流设施和装备的种类、功能和使用方法,包括物流仓库、物流分拣设备、物流车辆等,让学生掌握相关设备的操作技能。
5. 物流工程项目:组织学生参加物流工程项目实践,通过实际操作和实地考察,了解实际物流工程项目的运作模式和管理方法。
6. 物流工程案例分析:选取一些典型的物流工程案例,让学生分析和解决实际问题,培养综合分析和决策能力。
7. 物流工程实习:安排学生到物流企业或相关机构进行实习,让学生亲身参与实际物流工作,锻炼实际操作和解决问题的能力。
通过以上的课程设计,可以使物流工程专业学生在学习期间获得扎实的理论知识和实践经验,为将来从事物流工程相关工作奠定基础。
《物流工程》课程设计报告书变速箱厂总平面布置设计General Layout design of Transmission Plant学号200811413107学生姓名何桂浩所在专业工业工程所在班级1081指导教师侯东亮职称讲师成绩2011年 12 月 29 日目录摘要 (I)ABSTRACT (II)1设计题目 (1)2原始给定条件 (1)2.1变速箱的结构及有关参数 (1)2.2作业单位划分 (3)2.3生产工艺过程 (4)3产品—产量分析 (6)4产品工艺过程分析 (6)4.1计算物流量 (6)4.2绘制各零件的工艺过程图 (7)4.3绘制产品总工艺过程图 (8)4.4绘制产品初始工艺过程表 (10)5物流分析 (11)5.1绘制从至表 (11)5.2绘制物流强度汇总表 (11)5.3划分物流强度等级 (12)5.4绘制作业单位物流相关图 (12)6作业单位非物流相互分析 (13)7作业单位综合相互关系分析 (15)8工厂总平面布置 (19)8.1综合接近程度 (19)8.2作业单位位置相关图 (19)8.3作业单位面积相关图 (20)8.4作业单位面积相关图的调整 (21)9方案的评价与选择 (25)鸣谢 (26)参考文献 (27)摘要设施规划与物流分析是工业工程专业一门重要的主干专业课,其主要内容是研究工厂总平面布置、车间布置以及物料手动等内容;其目标是通过对工厂各组成部分相互关系的研究分析,进行合理的工厂布置,得到高效运行的生产系统,获得最佳的经济效益和社会效益。
工厂布置设计是一项多因素、多目标的系统优化问题。
系统布置设计方法提供了一种以作业单位物流与非物流的相互关系分析为主的规划设计方法,采用一套表达极强的图例符号和简明表格,通过一系列条理清晰的设计程序进行工厂布置设计。
本课程设计综合运用所学知识,采用了系统布置设计等方法,综合考虑各方面因素,分析物流强度等,对变速箱厂进行总体平面布局,设计出多套相应的方案,通过评价得到最佳的平面布局。
学号06131717成绩课程设计说明书系别机械与汽车工程系专业工业工程课程名称《物流工程课程设计》学号06131717姓名吴振波指导教师杨苗苗题目名称生产车间平面布置设计设计时间2016年6月2016 年6 月25 日摘要随着现代物流业的蓬勃兴起,对物流信息化管理人才的需求与日俱增。
物流信息技术与物流信息系统的运用能力是物流管理高技能型人才所必备的能力,它担负着培养学生运用现代物流信息技术和物流管理信息平台来处理物流领域各种业务流程问题的任务。
生产车间的布置必须紧密联系物流信息管理,做到生产车间的合理布置,更成熟更科学地提高生产运输效率。
通过运用物流技术分析改善得出改善方案,在与原有的布置方案进行对比,得出其优越性,再进行方案总结关键词:物流分析,合理布置,改善AbstractWith modern logistics industry booming, the demand for logistics information management personnel increasing. The ability to use information technology logistics and logistics management information system is the logistics necessary for high-skilled personnel capacity, which bears train students to use modern logistics information technology and logistics management information platform to handle a variety of business process issues in the field of logistics tasks. Workshop must be arranged in close contact logistics information management, to achieve a reasonable arrangement of production workshop, more mature and more scientific to improve production efficiency of transport. Through the use of technology to improve the analysis results to improve logistics solutions, with the original layout scheme compared obtain their superiority, then the program summary目录1. 设计目的 (5)2. 物流关系及非物流关系分析 (5)2.1 作业单位距离从至表 (5)2.2 产品运量从至表 (6)2.3 物流强度从至表 (6)2.4 物流分析表 (7)3. 绘制作业单位位置相关图 (8)3.1物流强度相关图 (8)3.2非物流强度相关图 (8)3.3相关综合图 (8)3.4划分关系密级 (9)3.5综合相互关系密级等级划分 (10)3.6单位综合相互关系图 (10)3.7平面布置方案的确定 (10)3.7.1计算综合接近程度并作出线形图 (10)3.7.2建立关系工作表 (10)4.绘制作业单位面积相关图 (12)4.1绘制无面积拼块图 (12)4.2绘制无面积图 (13)4.3绘制相关面积 (14)4.4绘制布置图作出有面积的布置图 (14)4.5作出详细布置图 (16)4.6方案的自我评价 (16)4.6.1改善后的物流强度 (16)4.6.2产品运量从至表 (16)4.6.3改善后的物流从至表 (17)5.结论 (18)6.设计体会和心得 (18)7.致谢 188.参考文献 (19)1.设计目的本课程设计是物流工程课程的重要实践性教学环节,是综合运用所学专业知识,完成生产车间布置设计工作而进行的一次基本训练。
物流工程学课程设计一、设计背景在全球范围内,物流行业已经成为各国经济重要的组成部分。
物流工程学作为一个涵盖了物流系统、物流设备、物流管理等众多领域的学科,对于物流行业的进一步改善与发展具有重要作用。
在这样的背景下,本课程设计旨在通过案例研究,对于物流工程学的相关知识进行深入了解和掌握。
二、设计目标通过本次物流工程学课程设计,目标如下:1.学生能够了解物流工程学的基本知识与实际应用;2.学生能够综合运用物流工程学中的相关理论知识,完整地设计出一个物流系统;3.学生能够深入了解物流软件的使用,并将其运用到本次设计中。
三、设计内容3.1 理论学习本次物流工程学课程设计将以物流系统为设计主题,着重学习以下内容:•物流系统的概念与基本组成;•物流系统设计中的关键问题和方法;•物流设备的分类与特点;•物流管理的流程与策略。
3.2 案例研究以某快递公司为例,进行物流系统的设计与优化。
学生分为小组,每组根据所学理论知识,完成一个完整的物流系统设计方案。
方案中需要涵盖以下内容:•物流系统的整体流程设计图;•各个环节的设备选择、布置以及技术参数表;•与供应商的合作协议;•基于物流系统的相关管理策略以及QA审核标准。
3.3 软件应用在物流系统的设计过程中,学生需要使用物流软件进行相关模拟和优化。
本学期课程将涉及以下物流软件的应用:•Simio:用于生产线、物流系统、供应链和制造过程的建模和模拟。
•Arena:用于建立物流系统和供应链模型,以进行排队、动态仿真和优化分析。
学生需要根据所学理论和案例的实际情况,灵活运用物流软件进行相关仿真和优化,提高物流系统设计方案的准确性和可行性。
四、设计成果本次物流工程学课程设计的成果包括但不限于以下几个方面:1.每组小组完成一个完整的物流系统设计方案,包括系统流程图、设备布置、技术参数表、管理策略和QA标准;2.学生需要进行详细的课程设计报告,介绍理论学习、案例研究、软件应用和物流系统设计方案的详细过程;3.学生需要进行课程设计汇报,对于所完成的物流系统设计方案进行口头演示。
物流工程课程设计报告本文将介绍一份物流工程课程设计报告,其中包括课程设计的背景、目标、内容、方法、结果和总结。
背景:随着物流业的发展,物流工程师成为企业所需的重要岗位,有关物流工程的知识和技能已经成为企业招聘人才时的首要标准。
为此,本次课程设计将基于物流工程的相关知识,设计一个符合实际需求的教学方案。
目标:本次课程设计的主要目标是让学生掌握物流工程的基本概念、技术原理和设计方法,了解物流系统的结构与运行,培养学生的实践能力和创新意识。
内容:本门课程设计主要包括四个模块:(1)物流工程概述,介绍物流工程的定义、发展历程和发展趋势;(2)物流系统设计,阐述物流系统的组成、运行和优化;(3)仓储与分拣技术,着重探讨仓库布局、存储管理和物流分拣系统;(4)供应链管理,介绍供应链的概念、关键环节和管理模式。
方法:课程设计采用了多种教学方法,包括理论讲授、案例分析、课堂互动和实践操作。
理论讲授部分通过教师课堂讲解,图示、PPT等多种形式展现知识点,概念清晰易于理解。
案例分析部分则匹配实践应用,结合实际生活中常见的物流模式,通过生动的案例呈现物流系统的应用。
课堂互动环节结合布置的作业,促使学生主动思考和交流,增强课程的趣味性和实用性。
实践操作环节则结合物流相关实验,提高学生的实践操作能力。
结果:经过本门课程的教学与实践操作,学生们基本掌握了物流工程的基本概念、技术方法和系统设计原理,并且具备了实践应用的能力。
学生们兴趣和参与度高,对物流工程岗位有了更深刻的认识和理解,学习效果显著。
总结:通过本门课程设计,我们了解到物流工程的重要性和发展趋势,在实践操作中感受到了物流工程师岗位的工作要求和挑战,同时提升了自我发展的能力和竞争力。
希望今后可以通过多元化的教育手段,为学生提供更多实践机会,打造更好的教学平台。
一、设计任务1、设计题目:某生产车间布置设计2、课程设计内容(1)项目简介针对目前市场对于工具箱旳热烈欢迎,某企业欲新建毕生产车间,从事某两种型号工具箱旳生产。
由于该两种型号旳工具箱除在尺寸上有差异之外,在制造工艺上都是相似旳,因此我们将其简化为一种工具箱旳生产,由于目前欲采用单天生产旳模式,即一天生产一种工具箱。
则经简化处理之后可得出两种工具箱旳年设计生产能力为100,000个。
欲采用单班工作制,一天工作8个小时,整年生产按260个工作日计算。
由于该生产属少品种大批量生产,考虑到产品原则生产方式高效率低成本旳优势,因此准备采用基于产品原则旳生产方式进行生产。
并且考虑到某些零部件加工旳成本问题,决定向外购置,这些零部件包括铆钉、锁扣、提手压盖、提手、隔盘支架、合页、内折页。
(2)工厂详细参数企业对于新车间旳用地规定为不超过35米×80米,采用联合厂房。
规定办公室面积不少于120平方米,原材料进货口和产成品出货口位于不一样旳方向,以便减少进出货旳干扰。
由于工具箱由三大部件构成,分别为箱体、箱盖和中间隔盘。
箱体和箱盖靠中间合页焊接在一起,并且用内折页铆接。
中间隔盘直接放在箱体旳隔盘支架上。
因此,根据加工工艺规定需要设置专门旳加工区,包括箱体加工区、箱盖加工区、中间隔盘加工区(隔盘加工区或隔盘区),由于需要诸多旳原材料包括大块钢板和其他某些外购件,为便于管理设置原料库和中间材料库。
对于其他作业单位则根据实际旳生产规定进行布置。
(3)作业单位划分根据其生产规定,为保证生产旳持续性,控制生产成本,到达高旳经济效益和员工关怀度,现将其作业单位划分为如下几种部分,如表1所示。
表1 作业单位划分表1、原料库2、中间材料库3、箱体加工区4、箱盖加工区5、隔盘加工区6、装配区7、包装区8、成品库9、工具室10、办公室11、更衣室12、配电室其中:原料库负责原材料旳入库和寄存购进旳大件原材料,重要为钢板,其中划出一块区域专供寄存废料;中间材料库寄存外购小件如提手、铆钉、锁扣、隔盘支架、油漆等;箱体加工区为箱体加工场所,有剪板机、冲床、弧焊机、油漆喷机等加工机械;箱盖加工区为箱盖加工场所,有剪板机、冲床、弧焊机、油漆喷机等加工机械;隔盘加工区为中间隔盘隔盘加工场所,有剪板机、冲床、弧焊机、油漆喷机等加工机械;装配区完毕工具箱总装旳任务,靠自动传播装置传送带来进行物料从上一工位到下一工位旳传送;包装区负责成品旳检查包装,包装内容为产品和阐明书;成品库用来寄存下线后等待销售出库旳产品,并且负责产品旳出库作业;工具室用来寄存多种修理工具如扳手、原则件等;办公室为车间行政人员办公旳场所;更衣室内设置卫生间;配电室放置配电设备。
学号06131717成绩课程设计说明书系别机械与汽车工程系专业工业工程课程名称《物流工程课程设计》学号06131717姓名振波指导教师苗苗题目名称生产车间平面布置设计设计时间2016年6月2016 年 6 月25 日摘要随着现代物流业的蓬勃兴起,对物流信息化管理人才的需求与日俱增。
物流信息技术与物流信息系统的运用能力是物流管理高技能型人才所必备的能力,它担负着培养学生运用现代物流信息技术和物流管理信息平台来处理物流领域各种业务流程问题的任务。
生产车间的布置必须紧密联系物流信息管理,做到生产车间的合理布置,更成熟更科学地提高生产运输效率。
通过运用物流技术分析改善得出改善案,在与原有的布置案进行对比,得出其优越性,再进行案总结关键词:物流分析,合理布置,改善AbstractWith modern logistics industry booming, the demand for logistics information management personnel increasing. The ability to use information technology logistics and logistics management information system is the logistics necessary for high-skilled personnel capacity, which bears train students to use modern logistics information technology and logistics management information platform to handle a variety of business process issues in the field of logistics tasks. Workshop must be arranged in close contact logistics information management, to achieve a reasonable arrangement of production workshop, more mature and more scientific to improve production efficiency of transport. Through the use of technology to improve the analysis results to improve logistics solutions, with the original layout scheme compared obtain their superiority, then the program summary目录1. 设计目的 (5)2. 物流关系及非物流关系分析 (5)2.1 作业单位距离从至表 (5)2.2 产品运量从至表 (6)2.3 物流强度从至表 (6)2.4 物流分析表 (7)3. 绘制作业单位位置相关图 (8)3.1物流强度相关图 (8)3.2非物流强度相关图 (8)3.3相关综合图 (8)3.4划分关系密级 (9)3.5综合相互关系密级等级划分 (10)3.6单位综合相互关系图 (10)3.7平面布置案的确定 (10)3.7.1计算综合接近程度并作出线形图 (10)3.7.2建立关系工作表 (10)4.绘制作业单位面积相关图 (12)4.1绘制无面积拼块图 (12)4.2绘制无面积图 (13)4.3绘制相关面积 (14)4.4绘制布置图作出有面积的布置图 (14)4.5作出详细布置图 (16)4.6案的自我评价 (16)4.6.1改善后的物流强度 (16)4.6.2产品运量从至表 (16)4.6.3改善后的物流从至表 (17)5.结论 186.设计体会和心得 (18)7.致188.参考文献 (19)1.设计目的本课程设计是物流工程课程的重要实践性教学环节,是综合运用所学专业知识,完成生产车间布置设计工作而进行的一次基本训练。
物流工程专业课程设计一、课程目标知识目标:1. 理解并掌握物流工程的基本概念、原理及方法;2. 了解物流系统的构成、功能及运作流程;3. 掌握物流信息系统、物流设施规划与设计的基本知识;4. 了解物流成本控制、供应链管理等相关理论知识。
技能目标:1. 能够分析物流系统的实际需求,提出合理的物流解决方案;2. 学会使用物流信息系统,进行数据收集、处理和分析;3. 能够运用物流设施规划与设计的方法,提高物流运作效率;4. 具备一定的物流项目管理与沟通协调能力。
情感态度价值观目标:1. 培养学生对物流工程专业的兴趣,激发学习热情;2. 培养学生具备良好的团队协作精神,提高沟通能力;3. 增强学生的社会责任感和职业道德,关注绿色物流和可持续发展;4. 培养学生具备创新意识和实践能力,敢于面对物流工程领域的挑战。
本课程针对物流工程专业学生,结合课程性质、学生特点和教学要求,明确课程目标。
通过本课程的学习,使学生不仅掌握物流工程的基本理论知识,还具备一定的实践操作能力,为未来从事物流工程领域工作打下坚实基础。
同时,注重培养学生的情感态度和价值观,使其成为具有创新精神和社会责任感的物流工程专业人才。
二、教学内容1. 物流工程基本概念与原理- 物流系统的定义、分类与功能- 物流工程的基本原理与方法2. 物流系统分析与设计- 物流系统的需求分析- 物流网络规划与设计- 物流设施规划与布局3. 物流信息系统- 物流信息系统的概念、构成与功能- 物流信息系统的设计与实施- 物流信息技术应用案例4. 物流成本控制与供应链管理- 物流成本的概念、构成与控制方法- 供应链管理的基本理论- 供应链管理策略与应用5. 物流项目管理- 物流项目的策划与实施- 物流项目管理的方法与工具- 物流项目风险管理6. 绿色物流与可持续发展- 绿色物流的概念、原则与方法- 可持续发展的物流系统设计- 环保型物流技术与设备教学内容根据课程目标进行选择和组织,保证科学性和系统性。
物流工程课程设计报告(液压转向器厂总平面布置设计)班级:工业工程121601、121602姓名:曹维亮(2)海振军(2)林禧斌(2)魏云杰(2)二零一五年六月目录一、液压转向器厂总平面布置设计原始条件 (3)二、产品——产量分析 (11)三、产品工艺过程分析 (11)四、物流分析 (17)五、作业单位非物流相互关系分析 (19)六、作业单位综合相互关系分析 (21)七、工厂总平面布置 (24)八、心得体会 (27)一、液压转向器厂总平面布置设计原始条件当地现有一叉车修理厂,占地面积为16000m2,厂区南北长为200m,东西宽为80m,所处地理位置如下图所示。
该厂职工人数300人,计划改建成年产6000套液压转向器的生产厂,需要完成工厂总平面布置设计。
1、液压转向器结构及有关参数液压转向器的基本结构如下图所示,由22个零、组件构成,每个零、组件的名称、材料、单件重量及年需求量均列于表1中。
表1 零件明细表2、作业单位划分根据液压转向器结构及工艺特点,液压转向器厂设立如表2所示11个作业单位,分别承担原材料存储、备料、热处理、加工与装配、产品性能试验、生产管理与服务等各项生产任务。
表2 作业单位建筑物汇总表3、液压转向器生产工艺过程由于液压转向器结构比较简单,因此其生产工艺过程也很简单,总的工艺过程可分为零、组件制作与外购,半成品暂存,组装,性能试验与成品存储等阶段。
(1)零、组件制作与外购液压转向器上的标准件、异形件如塑料护盖、铝制标牌等都是采用外购、外协的方法获得,入厂后由半成品库保存。
其它零件由本厂自制,其工艺过程分别见表3至表15。
表3 液压转向器零件加工工艺过程表表4 液压转向器零件加工工艺过程表表5 液压转向器零件加工工艺过程表表6 液压转向器零件加工工艺过程表表7 液压转向器零件加工工艺过程表表8 液压转向器零件加工工艺过程表表9 液压转向器零件加工工艺过程表表10 液压转向器零件加工工艺过程表表11 液压转向器零件加工工艺过程表表12 液压转向器零件加工工艺过程表表13 液压转向器零件加工工艺过程表表14 液压转向器零件加工工艺过程表表15 液压转向器零件加工工艺过程表(2)标准件、外购件与半成品暂存生产出的零、组件经车间内检验合格后,送入半成品暂存。
目录第一章物流与物流工程概述一一、物流一1、物流的起源和发展一2、现代物流三3、现代物流的主要特征三二、物流工程三1、物流工程的特点四第二章仓储工程与装卸、搬运五一、仓储工程五1、仓库的分类五2、仓库规划七3、仓储设备八4、仓库工程十5、仓库工程的发展过程十二、装卸搬运十一1. 概念十二2.分类十二3. 作业形式十五4. 作用十六第三章物流信息十七一、物流信息十七1、物流信息的特点十八二、物流数据自动识别技术十九三、物流自动跟踪技术二十1.GPS技术二十2.GIS技术二十四、物流EDI技术二十一五、物流信息系统的构成二十二1.硬件二十二2.软件二十二3.数据库与数据仓库二十二4.相关人员二十三5.物流企业管理思想和理念、管理制度与规范二十三第四章包装与运输二十三一、包装二十三1、常用的包装技法二十四2、包装的类型二十六3、包装材料二十七4、包装在物流中的地位二十七5、包装的功能二十八二、运输二十八1、常用的运输方式及其特点二十九2、选择运输路线三十一第五章课程设计三十一.一、运输三十一1、产品的流通区间三十一2、产品的主要运输方式三十一3、装卸与搬运三十一4、贮存环节三十二二、产品特性三十二1、产品外形尺寸三十二2、产品重量三十二3、产品重心三十二三、内包装设计三十二1、缓冲包装设计三十二四、运输包装设计三十三第一章物流与物流工程概述一、物流物流是物品从供应地向接收地的实体流动过程,根据实际需要,将运输、储存、装卸、搬运、包装、流通加工、配送、信息处理等基本功能实施有机结合。
1、物流的起源和发展物流工程是以物流系统为研究对象,研究物流系统的规划设计与资源优化配置、物流运作过程的计划与控制以及经营管理的工程领域。
随着经济一体化和计算机通讯技术的不断发展,极大地促进了物流业的发展,使物流业迅速成为在全球具有巨大潜力和发展空间的新兴服务产业,并成为衡量一个国家或地区经济发展水平、产业发展环境、企业竞争力的重要标志之一。