Buck电路电感计算表
- 格式:xls
- 大小:22.00 KB
- 文档页数:1
dcdc buck电路的计算DC-DC Buck电路是一种常见的电压转换器,用于将高电压转换为低电压,广泛应用于各种电子设备中。
本文将详细介绍如何计算DC-DC Buck电路的关键参数,并提供实用计算方法。
一、DC-DC Buck电路简介DC-DC Buck电路是一种基于开关管、电感、电容等元件的电压转换器。
在工作过程中,通过控制开关管的导通与截止,实现输入电压与输出电压之间的能量传递。
Buck电路具有结构简单、转换效率高等优点。
二、计算DC-DC Buck电路的关键参数1.电感(L)电感的大小影响电路的输出电压波动和电流纹波。
选择电感时,需根据负载电流和开关频率来确定。
电感计算公式为:L = Vout * fsw / (2 * π * Iout)其中,Vout为输出电压,fsw为开关频率,Iout为负载电流。
2.电容(C)电容的大小影响电路的输出电压波动和电流纹波。
选择电容时,需根据负载电流和开关频率来确定。
电容计算公式为:C = Vout * fsw / (2 * π * Iout)其中,Vout为输出电压,fsw为开关频率,Iout为负载电流。
3.开关管导通时间(ton)开关管导通时间影响电路的转换效率。
理想情况下,导通时间等于半个周期,计算公式为:ton = 1 / (2 * fsw)其中,fsw为开关频率。
4.开关管截止时间(toff)开关管截止时间影响电路的输出电压波动和电流纹波。
理想情况下,截止时间等于半个周期,计算公式为:toff = 1 / (2 * fsw)其中,fsw为开关频率。
三、详细步骤及公式推导1.确定负载电流Iout和开关频率fsw。
2.根据公式计算电感L和电容C。
3.计算开关管导通时间ton和截止时间toff。
4.根据实际需求,调整元件参数,以满足电路性能要求。
四、实例分析与计算假设我们需要设计一个输出电压为5V,负载电流为1A,开关频率为100kHz的DC-DC Buck电路。
Vin-min(V)Vin-max(V)工作频率F(Hz)输出电压Vo(V) 6616030000048
以上为根据电流纹波系数计算BUCK电路电感量L(uH)输出电流Io(A)磁通密度Bm(T)磁芯有效截面积Ae(mm~2)
34 6.50.2589.7
以上为根据电感量和磁芯截面积计算最电感量L(uH)磁芯有效截面积Ae(mm~2)匝数Nmin气隙大小lg(mm) 16919.18240.082105835
以上根据电感量、匝数、有效截面积计算输入电压(V)单相占空比D开关频率F(Hz)磁通密度Bm(T) 480.51500000.11
以上为推挽、桥式变压器原边匝数输入电压(V)单相占空比D开关频率F(Hz)磁通密度ΔB(T) 480.53000000.25
以上为正激变压器原边参数计算
输出电流Io(A)纹波系数K输出电感量L(uH)
6.50.534.46153846 CK电路电感量
最小匝数Nmin
9.855072464
计算最小匝数
积计算气隙大小
磁芯有效截面积Ae(mm~2)原边匝数
89.78.10783419
边匝数计算
磁芯有效截面积Ae(mm~2)原边匝数
89.7 3.56744705
数计算。
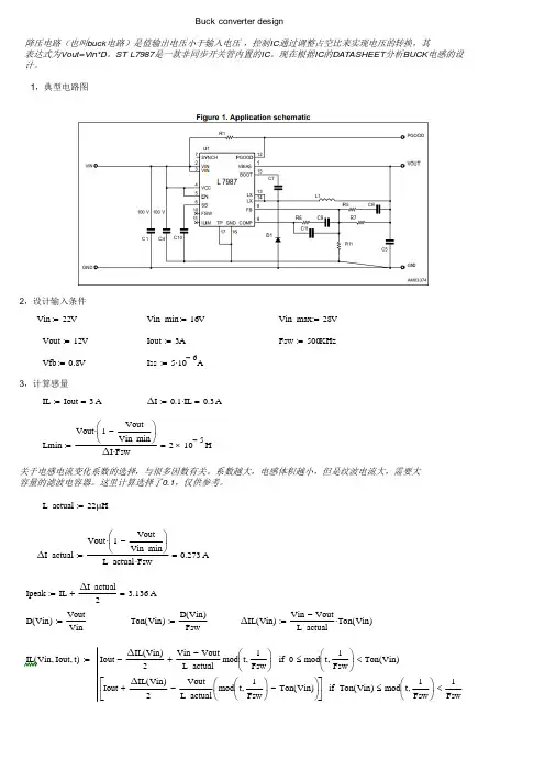
Buck converter design降压电路(也叫buck电路)是值输出电压小于输入电压,控制IC通过调整占空比来实现电压的转换,其表达式为Vout=Vin*D。
ST L7987是一款非同步开关管内置的IC。
现在根据IC的DATASHEET分析BUCK电感的设计。
1,典型电路图2,设计输入条件Vin22V:=Vin_min16V:=Vin_max28V:=Vout12V:=Iout3A:=Fsw500KHz:=Vfb0.8V:=Iss5106-A⋅:=3,计算感量IL Iout3A=:=ΔI0.1IL⋅0.3A=:=关于电感电流变化系数的选择,与很多因数有关。
系数越大,电感体积越小,但是纹波电流大,需要大容量的滤波电容器。
这里计算选择了0.1,仅供参考。
L_actual22μH:=4,开关管电流波形,续流二极管电流波形从两个器件的波形图可以看出BUCK电路的工作过程,开关管导通的时候,电感电流上升,电感储存能量,续流二极管处于关闭状态,无电流。
开关管关闭后,电感电流下降,电感释放能量,续流二极管处于导通状态,且电流减小。
5,电感设计电感在一个周期中有储存能量和释放能量的过程,磁芯磁路中需要高磁阻部分来担任这个作用。
常用的几种电感结构有:工字/棒形磁芯(开磁路);气隙铁氧体;金属磁粉芯;气隙非晶磁芯a)选择铁氧体磁芯AP 法选择磁芯Aw=N*Irms/J/Ku Ae=L*Ipeak/N/Bm Ap=L*Ipeak*Irms/Ku/J/BmEQ18Ae 30102-⋅cm2:=Le 2.17cm :=Ve 668103-⋅cm 3:=ur 1800:=选择3*0.25mm 扁线可以满足要求计算磁芯气隙计算损耗ID 7.2mm :=ρ 2.33108-⨯Ωm⋅:=L_cu 3.14ID W +()⋅N_actual ⋅ 1.05⋅0.336m=:=P_cu Irms 2R_cu ⋅0.094W=:=Ptotal P_fe P_cu +0.094W =:=计算温升L_core 18mm :=W_core 9.7mm :=H_core 6.3mm:=As 2L_core W_core ⋅L_core H_core ⋅+W_core H_core ⋅+()⋅ 6.982104-⨯m 2=:=ΔT 2956.9820.7-⋅0.0940.85⋅10.144=:=b)选择金属磁粉芯Bm_powder 0.5T:=D_choose 1.0mm:=初选磁芯KS065125A -根据计算软件得到设计值如下:L031.75μH:=L_3A 24.76μH :=P_core 0.1W:=P_wire 0.16W :=金属磁粉芯的设计有软件可以帮助,相关计算公式供应商也可以提供,包括损耗计算公式,电感下降比例计算,温升等各种。
BUCK电路电感选择和计算电感参数当导线内通过交流电流时,在导线的内部及其周围产生交变磁通,导线的磁通量与产生此磁通的电流成正比。
当电感中通过直流电流时,其周围只呈现固定的磁力线,不随时间而变化;可是当在线圈中通过交流电流时,其周围将呈现出随时间而变化的磁力线。
根据法拉弟电磁感应定律来分析,电感则是电流通过线圈产生的磁通量储存在铁心中存储能量(Φ=LI),当通过线圈的电流愈大时磁通量也相对愈大,即代表储存的能量越大。
如图1 中,开关导通时间段,电感L内的电流逐渐增加,当导通结束后,进入截止时间段,这时候由于L内的电流达到最大值,电感中的电流不能突变,所以,继续有电流流过,当截止时间结束后,电感中的电流达到最小值,重新开始新的周期。
电感就是通过这种在周期中的导通时间,将能量储存在磁场内,并在断开时将所储存的能量提供给负载来工作。
图1.电感在DC-DC Buck 电路中的应用,工作在连续电流模式下。
电感两端的电压可以突变但电流不会突变。
由于电感中变化磁场会对周边产生电磁辐射,对周边敏感组件产生干扰,因此屏蔽是首先需要考虑的,屏蔽的电感最主要就对外辐射少,但是尺寸比较大,价格也贵。
非屏蔽的电感则可以做的很小,电流也可以做的很大,价格也便宜。
如果设计中问题辐射是关键因素,屏蔽电感还是首选。
当电流流过时,电感的温度会上升,交流纹波(AC ripple)会导致磁芯损耗,而直流电流会导致感应系数下降。
稳态状况下直流电流Irms 引起电感温度上升20-40 摄氏度,这也是电感功耗的主要参考。
另外,也有将Irms 归类成输出电流或开关模块的平均电流。
功耗有两部分组成,已是由Irms 部分计算的直流损耗P=I2R和AC纹波电流引起的磁芯损耗。
电感选择示例buck 转换电路为例说明滤波电感的设计方法。
这是常用的降压调节电路,以提供稳定和高效的输出电压。
在变换电路中,设有LC 滤波电路,滤波电感中的电流含有一个直流成分和一个周期性变化的脉动成分。
详细分析BUCK电源的参数计算
瞬态响应
小时候喜欢看赵忠祥的动物世界,有这样一幅紧张又刺激的画面一直留存在脑海里,草原上一群小鹿正在休憩着,一只豹子慢慢靠近,然后突然发力扑过去,受惊的小鹿立刻发足狂奔,反应速度快的可以逃脱,反应速度慢的就成为了豹子的大餐,这里我们先记着“反应速度”这个词。
我们在使用电脑时,当电脑处于休眠状态时按下任意一个唤醒键,电脑要能够瞬间Warm up起来,准备迎接主人的各种操作,这个过程越快越好,快到人们几乎没有感觉,这时候内部主要电源的电流会突然拉升,相应的输出电压会先Collapse然后重新建立平衡回到原点,看图1。
这里我们记住“环路带宽”这个词,环路带宽越大,电压回到原点的过程就越快。
图1 瞬态响应
那么这跟上面豹子和小鹿有什么关系呢?前面小鹿的“反应速度”和后面电脑的“环路带宽”是一个概念。
图2是一张二者的类比图,电源系统必须要能够从负载的突变中快速恢复正常,否则电脑就会象上面那只可怜的小鹿一样挂了。
你知道吗?此时电脑内部的电源可遭罪了,因为此时系统的功耗会猛一下窜到很高,低功耗(电流)的平衡被打破,需要重新调整到高功耗的平衡。
图2 电脑和小鹿的类比
当电脑唤醒或者睡眠的瞬间,板子上的DC-DC BUCK电源输出端的负载电流会发生突变,导致输出的电压产生短暂的晃动,在经过快速调整后恢复到正常电压,这种过程我们称之为电源的瞬态响应,在调整过程中需要满足三个方面的设计要求:
1. 电压调整–输出电压的晃动不能超出芯片的工作范围;
2. 环路带宽–输出电压恢复到正常电压的时间要尽量快;。
buckboost电路参数计算
为了计算buck-boost电路的参数,我们需要以下几个参数:
1. 输入电压(Vin):输入电压是电路的主要参数之一,表示电路供电的电压大小。
2. 输出电压(Vout):输出电压是电路的另一个重要参数,表示电路输出的电压大小。
3. 电流(I):电流是流经电路的电子数量,通常以安培(A)为单位。
4. 开关频率(f):开关频率是指电路中开关元件(如MOSFET)切换的频率,通常以赫兹(Hz)为单位。
5. 工作周期(D):工作周期是指切换管导通时间的百分比,可以通过开关频率和切换时间来计算。
根据这些参数,可以使用以下公式计算buck-boost电路的一些重要参数:
1. 电感(L):电感是电路中存储能量的元件,可以通过以下公式计算:
L = (Vin - Vout) * (1 - D) / (2 * f * ΔI)
其中,ΔI是电感电流峰值和电流平均值之差。
2. 电容(C):电容是电路中存储能量的元件,可以通过以下公式计算:
C = (Vin - Vout) * (1 - D) / (8 * f * ΔV)
其中,ΔV是电容电压峰值和电压平均值之差。
3. 开关元件(如MOSFET)的额定电流和电压:这些参数可以根据开关元件的数据手册或规格来确定,以确保开关元件在工作条件下能够承受相应的电流和电压。
请注意,以上公式仅适用于理想情况下的计算,实际应用中还需要考虑一些非理想因素,如电感和电容元件的内阻、开关元件的导通电阻、温度等。
因此,在实际应用中,需要根据具体情况进行参数的精确计算和调整。
Buck变换器别名叫降压变换器,串联开关稳压电源,作用是把输入高电压转换成人们需要的低压。
不要市电是AC220V,整流滤波后是310V的直流,大多电子产品是低压电路,一般是5V、12V、24V、36V、48V等,这些低压的电子设备不能直接应用输入AC整流后的直流电压,必须用一个转换器转换成所能应用的低电压。
当然能把高压转化成低压的转换器有很多种,Buck只是其中的一种,他的优点是效率高,体积小,不电感放电时间为Tm,其中:dt为导通时间Ton,最大占空比····················公式1最小占空比····················公式2在临界模式里开关管开通时间·············公式3开关管关断时间··············公式4又因为··············公式5根据占空比的公式输入电压变高的时候D变小,所以Ton变小,一个周期里面电感的平均值电流Io是不变的,假设电感峰值电流不变,那么电感流过电流与时间形成的三角形面积=Io×T,周期T是固定,Ton变小,如果峰值电流不变也就是△I也不会变,输出电压固定Tm也不变,T不变,这样就会导致Io变小,与前面要求的Io不变相违背,要想Io 不变,只有峰值电变大。
Vi=24V时电感型号PBO5022-331MT报价900元/K(含税)实际导通时间Ton_24(us)10输入电压Vi(V)24输入电压最大值Vimax(V)30输入电压最小值Vimin(V)18输出电压Vo(V)12.5输出电流Io(A)0.1电感值L(uH)330Isat电感量小于10%时电感饱和电流Isat 1.9电感温升电流Irms(A) (Irms下,器件温1厂家电感tolerance(%)20输出Io不变,输入电压下降时,电感电流由断续变成连续的零界电压Vf(V)19.130V输入时的峰值电流Ipk_30(A)0.5330V输入电压工作时的Toff_30(us)53.6430V输入电压工作时的频率f_30(KHz)15.7124V输入时的峰值电流Ipk_24(A)0.35断续模式Toff=Ipks*Ton*Vi/2/Io/Vo-Ton 24V输入电压工作时的Toff_24(us)9.20连续模式Toff=(Vimin-Vo)*Ton/Vo24V输入电压工作时的频率f_24(KHz)52.0818V输入时的峰值电流Ipk_18(A)0.1818V输入电压工作时的Toff_18(us) 4.4018V输入电压工作时的频率f_18(KHz)69.44封装:18.1*14.1*6.8(mm)Vi=310V时实际导通时间Ton_310(us)1输入电压Vi_310(V)310输入电压最大值Vimax_310(V)340输入电压最小值Vimin_310(V)280输出电压Vo(V)12输出电流Io(A)0.15电感值L(uH)330电感额定电流Imax(A) 1.9厂家电感tolerance(%)20输出Io变,输入电压下降时,电感电流由断续变成连续的零界电压Vf(V)78.5由Ipk*T/2=Io*T得到V340V输入时的峰值电流Ipk_340(A)0.99340V输入电压工作时的Toff_340(us)133.97340V输入电压工作时的频率f_340(KHz)7.41*Ton*Vi/2/Io/Vo-Ton310V输入时的峰值电流Ipk_310(A)0.90in-Vo)*Ton/Vo310V输入电压工作时的Toff_310(us)110.79310V输入电压工作时的频率f_310(KHz)8.95280V输入时的峰值电流Ipk_280(A)0.81280V输入电压工作时的Toff_280(us)89.79280V输入电压工作时的频率f_280(KHz)11.01T/2=Io*T得到Vi的最小值。
buck电路电感纹波的比例系数Buck电路是一种常见的降压型直流-直流转换器,广泛应用于电子设备电源、电池充电器等领域。
在Buck电路中,电感、电容和二极管等元件的选取与设计对于电路性能至关重要。
本文将重点介绍Buck电路中电感纹波比例系数的计算、影响因素及其应用。
一、Buck电路简介Buck电路主要由开关管、电感、电容和二极管等元件组成。
开关管在脉冲宽度调制(PWM)控制下,实现输入电压与输出电压之间的能量传递。
电感和电容分别用于滤波和平滑输出电压。
在Buck电路中,电感的作用尤为重要,不仅影响输出电压的纹波,还关系到电路的稳定性和效率。
二、电感纹波比例系数的计算电感纹波比例系数是衡量Buck电路输出电压纹波大小的一个重要参数,其数值表示为:K = (Vin × ton) / (2 × Vout × toff)其中,Vin为输入电压,ton为开关管导通时间,Vout为输出电压,toff 为开关管关断时间。
三、影响电感纹波比例系数的因素1.电感值:电感值越大,纹波比例系数越小,输出电压纹波越小。
但在实际应用中,电感值过大会导致电路体积和重量增加,成本上升。
2.开关频率:开关频率越高,电感的充放电速度越快,纹波比例系数越小。
但开关频率过高会导致开关损耗增大,电路噪声增加。
3.电容值:电容值越大,输出电压纹波越小,但电容体积和成本也会相应增加。
4.负载电流:负载电流越大,电感的电流变化率越大,纹波比例系数越大。
四、电感纹波比例系数在Buck电路中的应用1.设计阶段:在设计Buck电路时,根据所需输出电压、电流和负载特性,选取合适的电感、电容值,计算电感纹波比例系数,以确保输出电压的纹波满足设计要求。
2.性能优化:在实际应用中,可通过调整开关频率、电感电容参数等方法,优化电路性能,降低输出电压纹波。
3.故障诊断:当Buck电路出现故障时,可通过检测电感纹波比例系数的变化,判断故障原因和损坏元件。
BUCK和BOOST变换器电感的设计前言对于电源工程师来说,设计中小功率Buck或Boost其基本任务之一是要计算电感。
然而,当你翻开电源教科书的时候,你经常会发现书中给你列出了一大堆公式,却让你无从下手,不得要领。
那么如何运用工程的方法快速地设计出一个适用的电感参数,可以方便地从商家的产品手册里找到你要的标准电感呢?作者在这里整理和归纳了与Buck和Boost电感设计有关的一系列实用计算方程和简单的工程设计方法。
1. 我们首先定义电感的电流纹波比:R = △I/ Ic (1) 这里Ic为电感电流的波形中心,△I为电感电流的变化摆幅。
电感电流的峰值:Ipk =Ic + △I/2 = Ic x (1 + R/2)(2) 2.分清变换器的最坏工作条件对于目标设计,我们要首先关注它的最坏工作情况,决定电感中的最大工作电流。
BUCK电路:BUCK电感电流波形的平均值(几何中心)等于负载电流,和输入电压无关。
改变输入电压,电感电流的波形中心几乎保持不变,但电感电流的峰值会随着输入电压增加而增加。
所以,BUCK变换器的电感电流的最坏工作条件是在最高输入电压下。
设计时,应该以最高输入电压为计算条件。
Ic = Io (3) D =V o / Vin (4)BOOST电路:由于BOOST电路只有在开关管关闭时,电感电流才能传递到输出负载,因此有Ic = Io / (1-D)(5) 对于BOOST电路,D=(V o-Vin) /V o (6) 所以,当Vin为最小时,BOOST电感中的Ic为最大。
设计时,应以最小输入电压为计算条件。
从以上分析我们可以看到,BUCK电路无论在开关管开启或关断时,电感都能持续地向负载输出电流。
而BOOST电路只有在开关管关断时,负载才能得到能量。
这就决定了,BOOST 电路的最大占空比不能为100%,否则,BOOST电路因为开关管的关断时间为0,负载而得不到能量而不能建立输出电压。
这一点在多数教科书中没有提到,以致于有些人糊里糊涂里在Boost变换器中使用了最大占空比为100%的单端PWM控制器。
BUCK电路电感选择和计算电感器是一种常用的电子元件,常用于滤波、限流、磁偶合等电路应用中。
在设计和选择电感器时,需要考虑电感器的参数和计算。
本文将从电感器的原理、电感器的类型、电感器参数选择和电感器的计算等方面进行详细介绍。
一、电感器的原理电感器是一种通过电磁感应产生电流的元器件,它由线圈组成,当电流通过线圈时,将产生一个磁场,磁场的变化又会在线圈内产生电流。
电感器的原理可以用麦克斯韦方程来描述,即法拉第电磁感应定律和楞次定律。
二、电感器的类型根据电感器的结构,可以将电感器分为多种类型,包括气芯电感器、铁芯电感器和电感变压器等。
其中,气芯电感器常用于高频电路,而铁芯电感器则常用于低频电路。
三、电感器参数选择在选择电感器时,需要考虑以下几个重要参数。
1. 电感值(Inductance):电感值是指电感器对电流变化的敏感程度,它的单位是亨利(H)。
通常,电感器的电感值越大,它对电流变化的敏感度就越高。
2. 额定电流(Rated Current):额定电流是指电感器能够承受的最大电流,通常以安培(A)为单位。
在选择电感器时,需要根据电路中的最大电流来确定电感器的额定电流。
3. 直流电阻(DC Resistance):直流电阻是指电感器在直流电流下的电阻值,它的单位是欧姆(Ω)。
直流电阻越小,电感器的效率越高。
4. 频率响应(Frequency Response):电感器对不同频率的电流变化具有不同的响应特性,称为频率响应。
在选择电感器时,需要根据电路中的频率范围来确定电感器的频率响应。
5. 电感器尺寸(Size):电感器的尺寸直接影响电路板的布局和空间利用率。
在选择电感器时,需要根据电路板的大小和布局来确定电感器的尺寸。
四、电感器的计算在电路设计中,有时需要根据已知的参数计算电感器的值。
以下是一些常见的电感器计算公式。
1.电感器的自感值计算公式:自感值可以通过线圈的自感系数和线圈的结构参数计算。
对于螺旋线圈,自感系数可以通过公式L=μ₀μᵣn²πr²/l来计算,其中L为自感值,μ₀为真空中的磁导率(4π×10^(-7)H/m),μᵣ为线圈的相对磁导率,n为线圈的匝数,r为线圈的半径,l为线圈的长度。
的电流愈>UCK 电路电感选择和计算电感参数旳导线内通过交流电流时,在导线的内部及其周圉产生交变磁通,导线的磁通量 与产生此磁通的电流成正比。
当电感中通过直流电流时,其周围只呈现固定的磁 力线,不随时间而变化;可是当在线圈中通过交流电流时,其周用将呈现岀随时 间而变化的磁力线。
根据法拉弟电磁感应定律来分析,电感则是电流通过线圈产生的磁通量储存在铁心中存储能量(①二口),当通过线 通量也相对愈大,即代表储存的能量越大。
如图i 中,开关导通时间段,电感L 内的电流逐渐增加,当导通结束后,进 入截止时间段,这时候111于L 内的电流达到最大值,电感中的电流不能突变,所 以,继续有电流流过,当截止时间结束后,电感中的电流达到最小值,重新开始 新的周期。
电感就是通过这种在周期中的导通时间,将能量储存在磁场内,并在 断开时将所储存的能量提供给负载来工作。
电感两端的电压可以突变但电流不会突变。
由于电感中变化磁场会对周边产生电磁辐射,对周边敏感组件产生干扰,因此屏蔽是首先需要考虑的,屏蔽的电感最主要就对外辐射少,但是尺寸比较大,价格也贵。
非屏蔽的电感则可以做的很小,电流也可以做的很大,价格也便宜。
如果设计中问题辐射是关键因素,屏蔽电感还是首选。
当电流流过时,电感的温度会上升,交流纹波(AC ripple)会导致磁芯损耗,而直流电流会导致感应系数下降。
稳态状况下直流电流Irms引起电感温度上升20-40摄氏度,这也是电感功耗的主要参考。
另外,也有将Irms归类成输出电流或开关模块的平均电流。
功耗有两部分组成,已是山Irms部分计算的直流损耗P=I2R和AC纹波电流引起的磁芯损耗。
电感选择示例buck转换电路为例说明滤波电感的设讣方法。
这是常用的降压调节电路,以提供稳定和高效的输出电压。
在变换电路中,设有LC滤波电路,滤波电感中的电流含有一个直流成分和一个周期性变化的脉动成分。
电感L的作用是滤除斩波开关输出电流中的脉动成分,以减小纹波,也可以看成是续流用的,当开关断开的时候,电感、负载、续流二极管就组成了回路。