水系统与制冷机房
- 格式:ppt
- 大小:283.50 KB
- 文档页数:21
制冷机房布置注意事项制冷机房布置是与设备稳定运行和环境保护密切相关的重要环节。
合理的机房布置能够有效提高设备的运行效率,降低设备故障率,确保机房环境安全稳定。
在进行制冷机房布置时,需要注意一系列细节。
下面将从布置位置、空间设计、设备选型、安全防护等多个方面详细介绍制冷机房布置的注意事项。
一、布置位置的选择在选择制冷机房的布置位置时,需要考虑到以下几个因素:1. 机房距离主要用冷设备的距离:机房应尽量靠近主要冷设备,减少制冷管线的长度,降低能量损耗。
2. 机房离电源的距离:机房应尽量靠近电源,避免因输电距离过远而产生能量损耗。
3. 机房的自然环境:应尽量不选择容易受到外界环境影响的区域,如易受洪水侵袭的低洼地带等。
4. 机房的供排风系统:机房应能够方便地接入供排风系统,保证空气流通和散热条件。
二、空间设计的合理性在进行制冷机房的布置时,需要考虑空间设计的合理性,主要包括以下几个方面:1. 机房的结构:机房结构应能够容纳所有制冷设备,并且便于维护和操作。
2. 排水系统:机房内部应设置合理的排水系统,避免因设备故障或其他原因产生的水浸现象。
3. 通风系统:机房内应设置良好的通风系统,保证空气流通,确保设备正常运行。
4. 空间利用率:应根据机房内设备的数量和大小,合理利用空间,确保设备布置紧凑,便于维护和操作。
三、设备选型的合理性在进行制冷机房的布置时,设备选型至关重要,应考虑以下几个因素:1. 设备的功率和制冷能力:应根据实际需要选择合适的功率和制冷能力的设备,避免过度或者不足造成的能源浪费或者运行不顺畅。
2. 设备的品牌和质量:应选择知名品牌的设备,确保设备的质量和稳定性。
3. 设备的保养和维护:在选择设备时,要考虑设备的保养和维护的难易程度,以避免日后维护成本过高。
四、安全防护的重要性机房安全防护是制冷机房布置的重要内容,需要考虑以下几个因素:1. 防火措施:机房应设置合理的防火设施,包括灭火器、自动灭火系统等,确保在发生火灾时能够及时有效地控制火势。
制冷机房创优方案及措施1.引言1.1 概述制冷机房作为现代工业生产和建筑的重要设施之一,承担着维持设备正常运行的重要任务。
然而,由于机房内部环境条件的不合理设计、设备布局不当以及不合理的维护管理,导致了一系列问题的产生。
为了提高制冷机房的工作效率和稳定性,进一步优化机房运行和维护管理,本文将探讨一些解决问题的方案和具体措施。
本文将首先对现阶段制冷机房存在的问题进行分析和总结。
随着工业发展的快速推进,机房设备的数量和规模呈现出不断扩大的趋势,而机房内部的温度、湿度、通风等环境条件对设备的运行稳定性和寿命也有着重要影响。
因此,机房的设计和维护管理需要更加合理和科学,以确保设备的正常运行和延长使用寿命。
接下来,本文将提出一些创优方案,针对制冷机房存在的问题进行改进。
首先,对机房的布局和设备的安排进行优化调整,合理利用空间,确保机房内设备的互不干扰,并保证设备的通风散热和维护保养的便捷性。
其次,通过采用先进的监测技术和设备,对机房内环境进行实时监控和调节,确保温度、湿度等条件处于合适的工作范围内。
此外,加强对机房设备的定期维护和保养,及时发现和解决设备故障,提高设备的可靠性和稳定性。
本文的目的是通过对制冷机房问题的分析和优化方案的提出,为相关行业提供一些参考和借鉴,以提高制冷机房的工作效率和设备的稳定性。
在文章的后续部分,将详细介绍制冷机房存在的问题,并提供具体的优化方案和措施。
通过对这些方案和措施的实施,有望解决制冷机房中存在的问题,达到优化机房运行和维护管理的目的。
1.2 文章结构文章结构部分的内容可以按照以下方式编写:文章结构:本文主要介绍了制冷机房的创优方案及措施。
文章分为引言、正文和结论三个部分。
引言部分主要包括概述、文章结构和目的三个方面。
在概述中,我们将简要介绍制冷机房存在的问题以及对相关问题进行优化的必要性。
在文章结构部分,我们将详细说明文章的各个部分及其内容。
在目的部分,我们将阐述本文的目标和意义。
关于空调制冷机房课程设计空调制冷机房课程设计3篇空调制冷机房课程设计篇1《空气调节用制冷技术》课程设计题目:北京某建筑空气调节系统制冷机房设计学院:建筑工程学院专业:建筑环境与设备工程姓名:陈兰东学号:__106指导教师:刘焕胜2015 年12月15日1原始条件1.1工况本工程为北京某建筑空气调节系统制冷机房设计,空调建筑所需冷量为1200KW,冷冻水供水温度7℃,回水温度12℃。
1.2原始资料北京夏季空调室外干球温度为33.5℃,空调室外湿球温度为26.4℃。
2方案设计该机房制冷系统为四管制系统,即冷却水供/回水管、冷冻水供/回水管系统。
经冷水机组制冷后的7℃的冷冻水通过冷冻水供水管到达分水器,再通过分水器分别送往旅馆的各个区域,经过空调机组后的12℃的冷冻水回水经集水器再由冷冻水回水管返回冷水机组,通过冷水机组中的蒸发器与制冷剂换热实现降温过程。
从冷水机组出来的冷却水经冷却水供水管到达冷却塔,经冷却塔冷却后降温后再返回冷水机组冷却制冷剂,如此循环往复。
考虑到系统的稳定安全高效地运行,系统中配备补水系统,软化水系统,电子水处理系统等附属系统。
3负荷计算3.1制冷机房负荷一般对于间接供冷系统,当空调制冷量小于174KW时,A=0.15~0.20;当空调制冷量为174~1744KW时,A=0.10~0.15;当空调制冷量大于1744KW时,A=0.05~0.07;对于直接供冷系统,A=0.05~0.07。
对于间接供冷系统一般附加7%—15%,这里选取10%。
= (1+10%)=1200×(1+10%)=1320kW4设备选择4.1制冷机组4.1.1确定制冷剂种类和系统形式考虑到机场对卫生及安全的要求较高,宜选用R22为制冷剂,R22的适用范围和特点如下表4-1所示:R22适用范围表4-14.1.2确定制冷系统设计工况确定制冷系统的设计工况主要指确定蒸发温度、冷凝温度、压缩机吸气温度和过冷温度等工作参数。
二、并联环路:
管段1:闸阀0.08+90°焊接弯头0.72+合流三通0.1=0.9
管段2:水过滤器2.0+焊接弯头0.78×2=3.56
管段3:直流三通0.1+闸阀0.08×2+止回阀3.4=3.36
管段4:变径0.1×2+90°焊接弯头0.78×3=2.54
管段5:闸阀0.08×2+90°焊接弯头0.78×2=1.88
管段6:变径0.1+直流三通0.1+90°焊接弯头0.72+闸阀0.08=1 管段1’:闸阀0.08+90°焊接弯头0.72×2=1.52
管段6':90°焊接弯头0.72×2+闸阀0.08=1.52
冷冻水系统:
四.并联环路:
最不利环路总损失:68760.592Pa
局部阻力系数:
管段1:闸阀0.08+90°焊接弯头0.72+直流三通0.1=0.9
管段2:直流三通0.1+闸阀0.08×2+止回阀3.4=3.66
管段3:水过滤器 2.0+90°焊接弯头0.72+直流三通(旁流三通)1.6+变径0.1=4.42
管段4:90°焊接弯头0.78+闸阀0.08=0.86
管段5:90°焊接弯头0.78+闸阀0.08=0.86
管段6:闸阀0.08+变径0.1+直流三通0.1+90°焊接弯头0.72×2=1.72
管段1'=闸阀0.08+90°焊接弯头0.72×5+三通1.5=2.3
管段6':闸阀0.08+三通1.5+90°焊接弯头0.72×2+变径0.1=3.12。
空调制冷机房水系统综合优化控制措施摘要:随着现代社会的发展,中央空调已成为商业和民用建筑中不可或缺的设施。
其中,冷水系统作为中央空调的核心组成部分,对于整个系统的运行起着至关重要的作用,传统的水系统设计和设备已无法满足机房高效、节能的需求,因此进行优化改造,在提升性能同时降低能耗,是近年来空调企业、应用企业重点关注的问题。
故而,本文从事空调制冷机房水系统综合优化控制措施的研究,期望以本文为相关企业提供借鉴与参考价值,并自宏观加快我国传统空调制冷机房水系统的改造、升级。
关键词:空调制冷机房水系统;综合优化;流量优化;水温控制空调制冷机房水系统在空调系统中起到重要的作用。
它负责循环冷却介质,通过传热和传质的方式,将房内的热量带走,保持机房的温度和湿度稳定。
同时,水系统还能提供冷却水给空调设备,保证其正常运行,而开展空调制冷机房水系统的综合优化控制措施研究,则是进一步提升整个空调系统性能,降低系统能耗的重要研究方向。
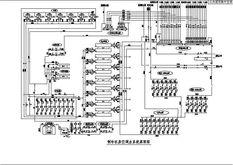
一、空调制冷机房水系统概述空调制冷机房水系统下,管家组成构件包括冷却塔、水泵、水管路、水箱以及有制冷循环管路的3个主要设备——压缩机、蒸发器、节流阀。
如图1所示:图1 空调制冷机房水系统结构如图1,冷却塔负责散热,将热的水经过冷却塔喷淋系统和风扇进行循环,与外部的空气进行热量交换,从而冷却水并将其送回机房或压缩机处。
常见的冷却塔类型有恒流塔和逆流塔。
在此过程中,水泵负责将水从冷却塔泵送到机房内的各个制冷设备,保证供水供应量以及压力。
水泵种类主要有离心泵和管道泵,应根据制冷主机配比,选择适当的型号和数量。
水管用于传输水流,构成了整个空调制冷机房水系统,负责承担传输压力和水流量的功能,同时要注意严密性和耐久性。
水箱负责集中存储,补充循环水缺失时使用。
水箱要求结构坚固、不漏水、卫生易清洗等。
制冷循环管路,包括压缩机、蒸发器、节流阀等主要设备。
压缩机是整个制冷系统的核心,主要实现将低温低压制冷剂吸入,加压、压缩,并将高温高压制冷剂排出。
数据中心大型冷冻水系统介绍随着互联网行业高速发展,数据业务需求猛增,数据中心单机柜功率密度增加至6~15kw,数据中心的规模也逐渐变大,开始出现几百到上千个机柜的中型数据中心。
随着规模越来越大,数据中心能耗急剧增加,节能问题开始受到重视。
在办公建筑中大量采用的冷冻水系统开始逐渐应用到数据中心制冷系统中,由于冷水机组的COP 可以达到6以上,大型离心冷水机组甚至更高,采用冷冻水系统可以大幅降低数据中心运行能耗。
冷冻水系统主要由冷水机组、板式换热器、冷却塔、冷冻水泵、冷却水泵以及通冷冻水型专用空调末端组成。
系统采用集中式冷源,冷水机组制冷效率高,冷却塔放置位置灵活,可有效控制噪音并利于建筑立面美观,达到一定规模后,相对于直接蒸发式系统更有建造成本和维护成本方面的经济优势。
1、冷水机组冷水机组包括四个主要组成部分:压缩机,蒸发器,冷凝器,膨胀阀,从而实现了机组制冷制热效果。
中大型数据中心多采用离心式水冷冷凝器冷水机组。
冷水机组的作用:为数据中心提供低温冷冻水。
原理:冷水机组是利用壳管蒸发器使水与冷媒进行热交换,冷媒系统在蒸发器内吸收高温冷冻水(21℃)水中的热量,使水降温产生低温冷冻水(15℃)后,通过压缩机的作用将热量带至壳管式冷凝器,由冷媒与低温冷却水水进行热交换,使冷却水吸收热量后通过水管将热量带出到外部的冷却塔散热。
如图,开始时由压缩机吸入蒸发制冷后的低温低压制冷剂气体,然后压缩成高温高压气体送冷凝器;高压高温气体经冷凝器冷却后使气体冷凝变为常温高压液体;当常温高压液体流入热力膨胀阀,经节流成低温低压的湿蒸气,流入壳管蒸发器,吸收蒸发器内的冷冻水的热量使水温度下降;蒸发后的制冷剂再吸回到压缩机中,又重复下一个制冷循环。
2、板式换热器当过渡季节及冬季室外湿球温度较低时,可以使用板式换热器利用间接水侧自然冷却技术为数据中心制冷。
间接水侧自然冷却技术指利用室外较低的湿球温度通过冷却塔来制备冷水,部分或全部替代机械制冷的一项技术,冷却塔自然冷却属于水侧自然冷却,冷却塔自然冷却是目前数据中心采用最多的自然冷却技术之一。
制冷机房工作原理
制冷机房是通过冷气压缩循环来实现制冷的设备。
其工作原理如下:
1. 压缩机:制冷机房中的压缩机负责将低压、低温的制冷剂气体吸入,然后对其进行压缩,使其升高到高压、高温的状态。
2. 冷凝器:经过压缩后的制冷剂气体进入冷凝器,冷凝器的主要作用是将高温的制冷剂气体冷却至饱和状态,并释放热量。
通常,冷凝器通过外界的冷凝介质(如水或空气)吸收热量,使制冷剂气体冷却并凝结成液体。
3. 膨胀阀:凝结成液体的制冷剂通过膨胀阀进入蒸发器。
膨胀阀的作用是将高压液态制冷剂脉冲式地释放到蒸发器,使其压力降低,温度降低。
4. 蒸发器:制冷剂在蒸发器内进行蒸发,吸收外界环境中的热量。
在蒸发过程中,制冷剂从液体状态转变为气体状态。
5. 吸气管道:制冷剂的气体状态被抽回压缩机,从而完成制冷循环。
循环持续运行,以维持整个制冷机房的低温状态。
通过不断循环的制冷循环过程,制冷机房能够持续地吸收外界环境中的热量,并将其排出,从而达到降低室内温度的目的。
1、机房能源管理系统功能冷水系统的机房群控系统包括以下主要内容:一是实现冷水系统的能量控制管理,主要包括根据冷量负荷计算对冷水机组进行台数控制、根据系统压差实现一次泵变流量控制、根据冷却水供水温度实现对冷却水泵的控制管理;二是根据大厦的日程安排自动开关冷水机组、冷冻水泵、冷却水泵等,并实现各设备之间开关机顺序及连锁保护功能;三是累计每台冷水机组、冷冻水泵、冷却水泵运行时间,自动选择运行时间最短的设备启动,使每台设备运行时间基本相等,延长机组的寿命;四是动态显示机组、水泵及相关设备的运行状态和报警信息,自动记录系统数据,如遇故障则自动停泵,备用泵自动投入使用;A系统冷量控制管理制冷系统的制冷量是采用自动监测计算系统负荷方式,通过DDC控制系统控制制冷机组运行台数进行控制;系统的供、回水温度以及回水流量可通过传感器输入到现场DDC控制器,根据这些参数,系统将能够计算出用户实际所需要的冷量,并将计算出的冷量值输入到能量管理系统;根据冷负荷对冷水机组进行台数控制,设计根据分、集水器上的供回水温差及回水流量计算出系统冷负荷: Q=C×L×T2-T1式中:Q———计算冷负荷; L———流量,L=L1+L2+L3;T2———回水温度; T1———供水温度;C———水比热;同时,在低负荷时,系统实时监测冷水机组的冷冻水出水温度,当冷水机组出水温度低于系统冷冻水温度设定值并持续一段时间后,系统会自动关闭低负荷冷水机组,此时冷冻水系统仍继续运行,满足系统冷量低负荷运行要求;当冷冻水温度超出系统冷冻水温度设定值并持续一段时间后,系统自动运行冷水机组,自适应冷水系统的负荷变化;系统在启动或低负荷运行时,先运行一台冷水机组,当第一台冷水机组启动60min 后,冷水机组出水温度基本达稳定温度,系统再启动负荷控制管理功能;每30min 把计算出的实际冷负荷与当前运行机组的额定冷量比较,当实际负荷小于当前机组的额定总负荷一定量时,减少相应的机组台数运行;当实际负荷大于当前机组的额定总负荷一定量时,增加相应的机组台数运行;B 冷水机组运行台数控制管理DDC 系统将输入的冷量值与所有正在运行的制冷机组额定制冷量的总和进行比较,如果用户实际消耗冷量少于一台制冷机的额定制冷量时,DDC系统将发出一个开关量信号,该信号将使一台制冷机组停止运行,制冷机组在停机后将输入动作信号至DDC 系统,DDC 系统确认机组已经停止运行后,将输出关闭与该制冷机组相对应的冷冻水循环泵及该机组冷冻水进水管上的电动蝶阀;当用户实际需要冷量持续少于运行机组额定制冷量时,将重复上述控制过程;当用户所需要的冷量多于一台制冷量时,DDC 系统将发出开关量型号,启动一台冷冻水循环泵并同时打开与冷冻水泵相对应的制冷机组冷冻水管上的电动蝶阀,冷却水泵和电动蝶阀将反馈动作信号至DDC系统,其动作系统得到DDC系统确认后,DDC 系统将启动与冷冻水泵相对应的制冷机组;如果用户所需要的冷量继续增加时,则按上述控制方式再次启动制冷机组,直到满足用户需要为止;C一次泵变流量管理及加/减载管理Array系统负荷发生变化时,机房能量管理系统首先根据控制特点先行调节系统一次变频泵流量供应,当系统流量变化调节不足以满足系统负荷变化的需求时,再通过机房群控系统对冷水机组进行相应的加减机来满足负荷的需求;当系统末端负荷增加,系统末端的电动阀门开度增大,系统压差会有相应的减少,控制系统接受到相应的压差变化,调节水泵的频率,增加一次变频泵的水量,由于冷水机组能够接受水量变化,即一次水泵的流量可一直增加到100%,来满足系统负荷增加的需求;同时由于机组能够锁定出水温度为7℃,当冷冻水量上升时,机组感应到水量的变化,此时机组则根据自身负荷调节的能力上载制冷负荷,满足系统负荷变化,当系统负荷上升到单台机组额定输出冷量的95%时可调,则控制系统启动另外机组加机延时5Min可根据实际情况调整,在这启动延时期后,如果系统冷量负荷持续超出单台机组额定输出冷量的95%,且冷水机组出水温度超出冷冻水出水设定温度时,则说明单台机组的满载运行和水泵的满载运行已不足以满足系统负荷值,且冷冻水出水温度不会稳定在出水温度设定值上,这样第二台机组的电动阀门马上开启,经过一定的阀门开启时间之后,第二台机组迅速开启;假设2台机组正在运行,当系统负荷变小时,末端的压差传感减小,一次变频泵即减小所供应的水量,机组感应到相应的水量变化,即反应到机组的负荷相应减小,当系统负荷只有甚至小于一台机组的负荷总量时,机房控制系统马上关掉其中一台机组,以使得另一台机组运行在高负荷效率状况下运行同时满足系统负荷的要求;当VSD变频冷水机组运行时,可最低在15%单机负荷的情况下运行,当系统负荷继续下降并持续低于15%,且冷水机组出水温度低于冷冻水设定值时,控制系统自动关闭冷水机组运行,但仍保持冷冻水循环系统,满足系统低负荷运行要求;通过DDC将检测到的供回水压力进行计算得出供回水压差,通过与设定值△P进行比较并进行PID计算,将PID计算结果发送至冷冻水泵进行控制;当空调系统在部分负荷运行时,△P将会增加,通过对供、回压差的PID控制将水泵的转速降低,一方面保证了空调末端风柜的最低用水量,一方面提高了机组使用效率,减少了旁通的能量损耗,另一方面降低了冷冻水泵的使用能耗,可谓一举三得;根据经验值,通常对冷水机组及一次变频冷冻水泵的台数加减载可降低能耗约20%~30%;D冷水机组运行时间管理其一,累计每台机组的运行时间;其二,同类型机组开机时,先开运行时间最短的机组,再开运行时间长的机组,关机时则相反,使同类型机组的开机时间基本相等;VSD变频机组优先在低负荷情况下运行;E冷却水泵的控制管理从节能的角度出发,在保证冷水主机的最低冷却水保护水温的基础上,冷却水水温每低1℃,冷水主机的能耗将降低约3%;鹭岛国际社区每台冷水主机的能耗约为:323KW;每降低1℃,冷水主机的能耗将降低 323KW 3% ≈ ;每台冷却水泵通常可降的最低频率为35Hz,则冷却水泵变频可节能:45KW =通过以上计算可以看出,采用冷却水泵变频实际并节能效果不太明显,故保建议不采用冷却水变频水泵,因为冷却水温度越低,主机的效率越高;冷却水系统变频会导致机组能耗增加,容易结垢,而且容易进入喘振区域;没必要在冷却水系统上安装旁通环路人为提高冷却水温度,使主机在过渡季和电机不能充分利用低温冷却水带来的巨大节能效果通过控制冷却塔进水电动蝶阀保证冷却水出水压力;F冷冻水出水温度再设冷水机组通常只有不到1%的时间在设计工况下运行;其他时间则在非运行工况下运行,期间的室外温度更温和,并且湿度低;分设计工况意味着冷负荷和冷凝器入口水温ECWT都比设计工况低;充分利用这些条件是减少能耗的途径之一;冷冻水重设的基本概念已被认可了一段时间了;当负荷降低时,即使冷冻水温度设得更高,冷却盘管也可以产生所需的冷量,这是因为除湿的需求也更低了;通常,提高冷水机组的冷冻水出口温度LCHWT可以降低压缩机的压头,从而节能;根据制冷原理P-H图可以直观的说明1. 由制冷原理图可以看出,提高冷冻水出水温度,蒸发器工作点由A-B,变成A’-B’,制冷剂A-B压力相对提高,压缩机做功h3-h2’相对减少,主机功耗对应降低,能效比COP提高;2. 冷冻水出水温度的设计值通常是选择在最恶劣的制冷工况下,相关的冷却盘管满足制冷需求时的冷冻水出水温度值;3. 正常运行时,建筑物的负荷通常低于设计的最恶劣工况的负荷,因此在通常情况下,出水温度如果还按照设计值设定,那将导致不必要的过低的冷冻水出水温度,只会增加能耗;4. 冷冻水出水温度每提高1°C ,冷水机组的效率就会增加约3% ;机组的冷冻水出水温度可以利用微处理器控制装置进行手动重新设定或者自动设定;5. 影响冷冻水出水温度调节的因素有如下:a.环境温度, 在较凉爽的季节,冷冻水出水温度可以设得高一点;b.冷冻水回水温度;冷冻水回水温度低,说明建筑物负荷较低,冷冻水出水温度可以设得高一点根据YORKWORKS选型软件分析出,不同出水温度在部分负荷时的相对7℃出水温度时节电率如下:根据室外温度、冷冻水回水温度、主机电流百分比可以判断主机的负荷情况;按照时间累计,综合节能率=%;2、系统接口配合要求水泵电气控制箱接口要求,冷冻水泵、冷却水泵、热水泵电控箱提供每一台泵的运行状态、故障、手/自动状态及控制信号;电控箱提供接线端子和实现二次接线;电控箱要求有现场手动/自动转换开关和相应的切换功能;状态信号取至接触器常开点,要求无源干触点、正逻辑;故障信号取至热继常开点,要求无源干触点、正逻辑;手/自动状态信号取至手动/自动转换开关常开点并与自动档连锁,要求无源干触点、正逻辑;楼宇自控系统向电控箱提供一个远程无源干触点控制信号;冷冻水泵、热水泵变频器接口要求,每一台水泵变频器需提供频率反馈、变频器故障和频率控制信号;变频器提供接线端子和实现二次接线;变频器向楼控系统提供0~10VDC频率反馈信号,准确对应变频器0~50Hz频率;楼宇自控系统向电控箱提供一个远程频率控制信号,信号标准为0~10VDC,对应变频器0~50Hz 频率;冷/热水机组接口要求:冷/热水机组电控箱提供每一台机组的运行状态、故障及控制信号;电控箱提供接线端子和实现二次接线;状态信号取至接触器常开点,要求无源干触点、正逻辑;故障信号取至热继常开点,要求无源干触点、正逻辑;楼宇自控系统向电控箱提供一个远程无源干触点控制信号;并要求冷/热水机组需给出MODBUS RTU标准协议及其详细的定义方式;。
技术资料空气调节用制冷技术习题绪论1. 什么是制冷?2. 人工制冷的方法都有哪些?空气调节领域最常用的两种制冷方法是什么?3. 什么液体汽化制冷?第一章 蒸气压缩制冷的热力学原理1. 蒸气压缩制冷循环系统主要由哪些部件组成,各有何作用?2. 在图示有液体过冷,又有回汽过热的制冷循环中,写出各热力设备名称、其中发生的热力过程及制冷剂在各热力设备前后所处的状态(温度、压力、物态)压缩机1234( )( )( )绝热压缩高温高压过热气体3. 制冷剂在蒸气压缩制冷循环中,热力状态是如何变化的?4. 试画出单级蒸气压缩式制冷理论循环的lg p -h 图,并说明图中各过程线的含义。
5. 已知R22的压力为0.1MPa ,温度为10℃。
求该状态下R22的比焓、比熵和比体积。
6.已知工质R134a参数值如下表所示,请查找lg p-h图填入未知项。
7.什么单位容积制冷能力、跨临界循环8.有一个单级蒸气压缩式制冷系统,高温热源温度为30℃,低温热源温度为-15℃,分别采用R22和R717为制冷剂,试求其工作时理论循环的性能指标。
9.单级蒸气压缩式制冷实际循环与理论循环有何区别?试说明针对这些区别应如何改善理论循环。
10.什么是回热循环?它对制冷循环有何影响?11.某空调用制冷系统,制冷剂为氨,所需制冷量为48kW,空调用冷水温度tc=10℃,冷却水温度tw=32℃,试进行制冷剂的热力计算。
计算中取蒸发器端部传热温差δt0=5 ℃,冷凝器端部传热温差δtk=8 ℃,节流前制冷剂液体过冷度δtsc=5 ℃,吸气管路有害过热度δtsh=5 ℃,压缩机容积效率ηv =0.8,指示效率ηi=0.8。
12.在同一T-S图上绘出理想循环(逆卡诺循环)与理论循环的循环过程,比较两种循环,指出理论循环有哪些损失(在图中用阴影面积表示)。
针对这些损失,说明如何改善蒸汽压缩制冷的理论循环。
13.活塞式压缩机,制冷量为1120kw,各状态点参数如下:h1=1780kJ/kg,ν1=0.25m3/kg,h2=1950kJ/kg,h4=650kJ/kg,计算q0、qk、qv、wc、Mr、φk、Pth、εth。
第一章1、理论循环与理想循环相比的特点:用膨胀阀代替膨胀机;蒸汽的压缩在过热区进行,而不是在湿蒸汽区进行;两个传热过程均为等压过程,并且具有传热温差。
2、湿压缩的缺点:压缩机吸入湿蒸气时,低温湿蒸气与热的汽缸壁之间发生强烈热交换,特别是与气缸壁接触的液珠更会迅速蒸发,占据气缸的有效空间,致使压缩机吸入的制冷剂质量大为减少,制冷量显著降低;过多液珠进入压缩机气缸后,很难立即气化,这样,即破坏压缩机的润滑,又会造成液击,使压缩机遭到破坏。
实现干压缩过程的两种措施:采用可调节制冷剂流量的节流装置,使蒸发器出口的制冷剂为饱和蒸汽或过热蒸汽;在蒸发器出口增设气液分离器,气体制冷剂进入其中,速度降低,气流运动方向改变,使气流中混有较重的液滴分离并沉于分离器底部,再返回蒸发器,分离器上部的饱和蒸气则被吸入压缩机。
3、制冷循环改善的措施:采用再冷却液态制冷剂可以减少节流损失;采用膨胀机回收膨胀功可以降低所消耗的功率;采用多级压缩可以减少过热损失。
4、再冷却的作用:由于高压液态制冷剂的再冷却,在压缩机耗功量不变的情况下,单位质量制冷能力增加,因此,节流损失减少,制冷系数有所提高。
5、为了降低冷凝压力,就必须附设人造冷源,使这种制冷剂冷凝,这就是所谓的复叠式蒸汽压缩制冷。
6、复叠式制冷循环有两种类型,其一是由中温制冷剂和低温制冷剂两套独立制冷循环嵌套而成的双系统复叠式制冷循环,另一类则是采用非共沸混合制冷剂的单系统内复叠制冷循环。
7、在普通制冷范围内,由于制冷循环的冷凝压力远离制冷剂的临界压力,故称之为亚临界循环,压缩机的排气压力位于制冷剂临界压力之上,而蒸发压力位于临界压力之下,称为跨临界循环。
8、理论循环与实际循环相比忽略了三方面的问题:在压缩机中,气体内部和气体与气缸壁之间的摩擦,以及气体与外部的热交换;制冷剂流经压缩机进、排气阀的损失;制冷剂流经管道、冷凝器和蒸发器等设备时,制冷剂与管壁或器壁之间的摩擦,以及与外部的热交换。
绿色高效制冷机房深化及研究摘要:本文以我司在上海南站万科项目中高效机房的实际施工应用为案例进行分析说明,讨论在高效机房深化和BIM工作中,如何从优化系统、施工前期策划、机房三维建模和施工中节点控制等方面来诠释实现高效机房的“高效”概念。
关键词:系统优化、减阻、建模、节点控制引言:随着双碳政策的发展以及建筑节能减排政策的不断推进,高效机房对于节能的意义非凡,也在一定程度上节约设备的运行成本。
对于施工单位来说,安装高效机房是我们开始研究探索的方向。
一、系统优化:由减阻方法带来的机房管线排布特点1.1.冷却水管和冷冻水管管路优化冷却水管采用1个90°弯头和一个斜向插入的顺水三通;冷冻水管采用了1个45°弯头、1个90°弯头和一个斜向插入的顺水三通。
相比普通机房的做法,将45°弯头改为90°弯头,略微增加了局部阻力,但在相当程度上节省了管线对通行空间的占用,也回避了三维空间双45度夹角管线的定位问题,使施工难度大大降低,可谓是性价比较高的方案。
1.2. 水泵优化水泵方面,常规排布的弯头不多。
端吸泵(下进上出的水泵形态):水泵吸入端常规来说是一个三通和一个90°弯头。
若考虑节省阻力,可采用类似冷机进出口的45°斜向上弯头。
那么如果按照水泵进口和主管高差3m计算,则简单计算可得,管道从弯头开始向水泵的轴向和水平向均需要伸出3*1.41=4.24m。
显然,对机房空间的要求极高,一般的机房无法容纳如此跨度的直管。
故南站项目采用了90°弯头加顺水三通的形式,将机房的空间需求保持在常规机房的水平。
水泵出口端是垂直向上的接口,若以正三通接入,则整段出水管除了不可省略的阀门附件外仅有一个三通。
若是采用斜向插入主管的支管,则原本竖直一根的管道需要添加一个45°弯头,则会成为一个弯头加一个斜三通的形式。
从阻力系数上分析,按红宝书给出的数据,一个合流正三通是1.5,一个合流斜三通是0.5,一个45°弯最大是1.0,最小是0.5。
空调制冷机房原理
制冷机房主要由压缩机、冷凝器、膨胀阀和蒸发器等主要组件构成。
其工作原理基于蒸发和冷凝的物理原理。
首先,制冷机房内的压缩机负责将低压低温的冷质介质(一般为制冷剂)吸入,然后通过提高其压力和温度,将其排出,形成高压高温的冷质介质。
接下来,高温高压的冷质介质进入冷凝器。
冷凝器内部设置有散热片或管道,使冷质介质的温度逐渐降低,导致冷质介质发生冷凝。
这个过程中,制冷机房内的热量会被冷凝器吸收,并通过冷凝器的散热片或管道传递给外部环境。
此时,冷凝器中产生的冷质介质会变成高压液体状态,然后通过膨胀阀进入蒸发器。
膨胀阀会控制冷质介质的流速和压力,使其进入蒸发器时压力迅速降低,从而冷质介质在蒸发器内部发生蒸发。
在蒸发器中,低压低温的冷质介质与空气或其他冷载体接触,使其吸收周围环境的热量并蒸发,从而使空气或冷载体的温度降低。
此时,制冷机房内部的热量转移到冷质介质上,并将其带走。
最后,经过蒸发后的冷质介质再次被压缩机吸入,循环往复进行制冷过程。
整个过程中,制冷机房通过改变冷质介质的压力和温度,实现了将室内热量传递至室外的目的,从而实现了制冷效果。