土工织物铺设施工质量标准
- 格式:pdf
- 大小:104.73 KB
- 文档页数:2
土工织物是一种用于土木工程中的重要材料,它具有防渗、增强和保护土体的功能。
为了确保土工织物的质量和性能达到设计要求,需要进行检验。
下面将介绍土工织物检验频次标准。
一、原材料检验频次标准1.聚合物原材料检验频次标准聚合物原材料是制造土工织物的主要成分,其质量直接影响土工织物的性能。
对聚合物原材料进行检验的频次应根据供应商的信誉度和产品质量稳定性确定。
一般建议每批次原材料至少进行一次全面检验,包括外观、物理性能和化学性能等方面的测试。
2.纤维原材料检验频次标准纤维原材料是土工织物的重要组成部分,如聚酯纤维、聚丙烯纤维等。
对纤维原材料进行检验的频次应根据供应商的信誉度和产品质量稳定性确定。
一般建议每批次原材料至少进行一次全面检验,包括纤维强度、断裂伸长率、纤维直径等方面的测试。
二、生产工艺检验频次标准1.原材料投入检验频次标准在土工织物的生产过程中,需要将原材料进行投入。
对投入的原材料进行检验的频次应根据生产工艺的要求确定。
一般建议每天至少进行一次投入检验,包括原材料的质量、数量和规格等方面的检查。
2.生产过程检验频次标准生产过程检验是指对生产过程中的关键环节进行检验,以确保产品符合设计要求。
具体的检验频次标准应根据生产工艺的特点来确定,一般包括以下几个方面:(1)纺丝过程检验:建议每班次至少进行一次检验,包括纺丝速度、纺丝张力、纺丝温度等方面的监测。
(2)织造过程检验:建议每班次至少进行一次检验,包括织物幅宽、织物密度、织物厚度等方面的测量。
(3)涂层过程检验:建议每班次至少进行一次检验,包括涂层厚度、涂层强度、涂层附着力等方面的测试。
三、成品检验频次标准1.外观检验频次标准外观检验是对土工织物成品外观质量进行检查,包括织物表面平整度、色泽均匀性、无疵痕等方面。
建议每批次成品至少进行一次全面外观检验。
2.物理性能检验频次标准物理性能检验是对土工织物成品的物理性能进行评估,包括抗拉强度、断裂伸长率、撕裂强度等方面的测试。
水利工程土工布标准全文共四篇示例,供读者参考第一篇示例:水利工程土工布标准是指在水利工程建设中使用的土工布的相关技术规范、质量要求和验收标准。
土工布是一种新型的地基加固材料,具有较高的抗拉强度、抗穿刺性能和耐老化性能,广泛应用于水土保持工程、河道治理工程、道路铺设工程等领域。
水利工程土工布标准的制定是为了保障水利工程建设的质量和安全,提高土工布的使用效果和使用寿命。
水利工程土工布标准主要包括以下几个方面的内容:1. 材料选用标准:水利工程土工布应选用符合国家标准的聚酯、聚丙烯等合成纤维材料作为原料,具有良好的抗拉强度和抗老化性能。
土工布的质量等级应符合国家标准的要求,保证使用寿命和使用效果。
2. 规格和尺寸标准:水利工程土工布应具有一定的宽度和长度,以满足工程的设计要求。
土工布的厚度和重量应符合国家标准的要求,保证土工布的抗拉强度和抗穿刺性能。
3. 技术要求标准:水利工程土工布在生产过程中应符合一定的工艺要求,如纤维应均匀分布、不得有漏织现象、边缘应整齐等。
土工布的边缘应设有加固带,以提高土工布的抗拉强度和抗破坏性能。
4. 施工和验收标准:水利工程土工布在施工过程中应符合一定的施工要求,如铺设时应平整紧密、焊接接头应牢固可靠等。
土工布的验收应符合国家标准的要求,保证土工布的质量和使用效果。
水利工程土工布标准是水利工程建设中不可或缺的重要技术规范,对于提高水利工程施工质量、保障工程安全具有重要意义。
未来,随着水利工程建设的不断发展和完善,土工布标准的不断更新和完善将为水利工程建设提供更加可靠的技术支持和保障。
【文章结束】第二篇示例:水利工程土工布是一种用于水利工程中的土工合成材料,其具有高强度、耐腐蚀、抗渗透等优良特性,被广泛应用于河道堤岸防护、水库渗漏防治、水土保持等领域。
水利工程土工布的标准是确保其质量和性能稳定的关键,下面我们来探讨一下水利工程土工布的标准及其重要性。
一、水利工程土工布标准的制定背景水利工程土工布的应用范围日益扩大,为了规范其生产和使用,提高工程质量,保障工程安全,各国相继制定了相关的标准和规范。
土工布技术标准要求
土工布是一种用于土木工程中的地工合成材料,具有良好的抗拉强度、抗渗透
性和耐腐蚀性能。
为了确保土工布在工程中能够发挥最佳的作用,制定了一系列的技术标准要求,以保证土工布的质量和使用效果。
首先,土工布的材料要求。
土工布的原材料主要包括聚丙烯、聚酯、聚乙烯等
合成纤维材料,其品质应符合国家相关标准,具有一定的抗拉强度和抗老化性能。
在生产过程中,应避免使用劣质原料,确保土工布的材料质量稳定可靠。
其次,土工布的物理性能要求。
土工布应具有一定的抗拉强度、抗刺穿性能和
抗渗透性能,以保证其在工程中的使用寿命和稳定性。
同时,土工布的厚度、重量、孔隙率等物理性能指标也需要符合相关标准要求,以满足不同工程环境下的使用需求。
再次,土工布的工艺要求。
土工布的生产工艺应符合国家相关标准,包括纺丝、织造、涂覆等环节的工艺流程和质量控制要求。
生产厂家应建立健全的质量管理体系,确保土工布的生产工艺稳定可靠,产品质量可控。
此外,土工布的使用要求也是关键。
在土工布的铺设和使用过程中,应符合相
关的施工规范和操作要求,以确保土工布能够发挥最佳的防渗、加固和隔离效果。
对于土工布的连接、固定和保护措施也需要严格按照相关标准和要求进行操作,以避免因施工不当而影响土工布的使用效果。
综上所述,土工布技术标准要求涉及土工布的原材料、物理性能、工艺质量和
使用要求等多个方面,对土工布的生产和使用提出了严格的要求。
只有严格按照相关标准要求进行生产和使用,才能确保土工布在工程中能够发挥最佳的作用,保障工程的质量和安全。
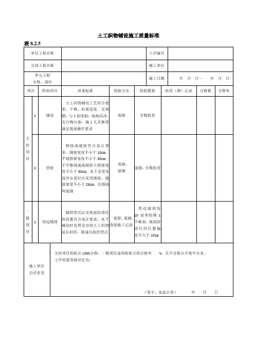
土工织物铺设施工质量标准表8.2.5单位工程名称工序编号分部工程名称施工单位单元工程名称、部位施工日期年月日~年月日项次检验项目质量标准检验方法检验数量检查(测)记录合格数合格率主控项目1 铺设土工织物铺设工艺符合要求,平顺、松紧适度、无皱褶,与土面密贴;场地洁净,无污物污染,施工人员佩带满足现场操作要求观察全数检查2 拼接搭接或缝接符合设计要求,缝接宽度不小于10cm;平地搭接宽度不小于30cm;不平整场地或极软土搭接宽度不小于50cm;水下及受水流冲击部位应采用缝接,缝接宽度不小于25cm,且缝成两道缝观察、量测逐缝、全数检查一般项目1 周边锚固锚固型式以及坡面防滑钉的设置符合设计要求。
水平铺设时其周边宜将土工织物延长回折,做成压枕的型式观察、量测、查阅施工记录周边锚固每10延米检测1个断面,坡面防滑钉的位置偏差不大于10cm施工单位自评意见主控项目检验点100%合格,一般项目逐项检验点的合格率 %,且不合格点不集中分布。
工序质量等级评定为:(签字,加盖公章)年月日监理单位复核意见经复核,主控项目检验点100%合格,一般项目逐项检验点的合格率 %,且不合格点不集中分布。
工序质量等级评定为:(签字,加盖公章)年月日土工织物铺设施工质量验收评定表表8.2.5单位工程名称工序编号分部工程名称施工单位单元工程名称、部位施工日期年月日~年月日项次检验项目质量标准检查(测)记录合格数合格率主控项目1 铺设土工织物铺设工艺符合要求,平顺、松紧适度、无皱褶,与土面密贴;场地洁净,无污物污染,施工人员佩带满足现场操作要求2 拼接搭接或缝接符合设计要求,缝接宽度不小于10cm;平地搭接宽度不小于30cm;不平整场地或极软土搭接宽度不小于50cm;水下及受水流冲击部位应采用缝接,缝接宽度不小于25cm,且缝成两道缝一般项目1 周边锚固锚固型式以及坡面防滑钉的设置符合设计要求。
水平铺设时其周边宜将土工织物延长回折,做成压枕的型式施工单位自评意见主控项目检验点100%合格,一般项目逐项检验点的合格率 %,且不合格点不集中分布。
表73土工织物铺设工序施工质量验收评定表序号施工项目检验项目合格标准验收结果1材料验收1.材料种类、规格齐全齐全无破损、规格符合设计要求符合2.材料标识清晰标识清晰符合3.材料质量合格无明显缺陷,符合相关标准要求符合2土工织物摊铺1.织物卷宽度、长度符合设计要求宽度、长度符合设计要求符合2.摊铺平整、饱满织物表面平整、紧密,无皱褶、浪卷等缺陷符合3.粘贴胶带牢固胶带与织物结合紧密,无脱落现象符合3织物连接1.连接牢固,无脱线连接处结构紧密,无明显脱线现象符合2.连接牢固,无脱落连接处胶带与织物结合紧密,无明显脱落现象符合4墩体固定1.墩体固定牢固,无松动墩体与基础结合紧密,无明显松动现象符合2.墩体高度、位置符合设计要求高度、位置符合设计要求符合5管道穿越1.穿越孔边缘整齐,无裂缝穿越孔边缘整齐,无明显裂缝符合2.管道保护措施到位管道周围织物保护措施到位,无破损现象符合6织物修补金属1.修补牢固,结构紧密修补处与织物结合紧密,无明显脱落现象符合2.修补材料符合要求修补材料牢固,符合相关标准要求符合7翻仓挡土墙(台球座)1.挡土墙稳定挡土墙稳定,无塌方现象符合2.挡土墙高度、厚度符合设计要求高度、厚度符合设计要求符合8交接处施工1.交接处牢固,无缝隙交接处结构牢固,无明显缝隙符合2.交接处材料质量合格交接处材料无明显缺陷,符合相关标准要求符合9现场清理1.现场清理到位土工织物铺设现场整洁,无杂物符合2.废弃材料堆放规范废弃材料堆放整齐,无乱堆现象符合以上是土工织物铺设工序的施工质量验收评定表。
根据表中的检验项目和合格标准,对每个施工项目进行验收,并在验收结果栏中标记“符合”或“不符合”。
只有当所有检验项目均符合合格标准时,整个土工织物铺设工序的施工质量才能被评定为合格。
如果有任何一个检验项目不符合合格标准,则整个土工织物铺设工序的施工质量将被评定为不合格,需要进行重新的施工和验收。
此表的目的是确保土工织物铺设工序的施工质量达到设计要求,以确保土工织物的使用效果和使用寿命,同时也有助于施工方和监理单位在施工过程中进行质量控制和管理,及时发现和解决问题,确保施工质量的稳定和可靠性。
14土工合成材料地基施工工艺标准14.1适用范围14.1.1本标准规定了土工合成材料地基的施工要求、方法和质量标准等适用于软弱地基加固。
14.2编制依据的标准、规范GB50300-2001建筑工程施工质量验收统一标准GB50202-2002建筑地基基础工程施工质量验收规范JGJ79-2002建筑地基处理技术规范14.3术语和符号1土工合成材料又称土工聚合物,是土工用合成纤维材料的总称。
2土工织物透水性较好的高分子聚合物土工布其主要作用是反滤、排水、隔离和加固补强。
3土工膜由聚合物或沥青制成的一种相对不透水薄膜。
4土工格栅由高密度聚乙烯等聚合物经挤压加工再进行拉伸制成的格栅状、用于加筋的土工合成材料,其开孔可容周围土、石或其他土工材料穿入。
5土工带经挤压拉伸或加筋制成的条带抗拉材料。
6土工格室由土工格栅、土工织物或土工膜、条带等形成的蜂窝状或网格状三维结构材料。
7土工复合材料由两种或两种以上材料复合而成的土工合成材料。
14.4施工准备14.4.1技术准备1详细阅读设计文件,准确理解设计采用土工合成材料在地基加固中的作用。
2详细阅读地质勘察报告,了解原地基土层的工程特性、土质及地下水对拟使用的土工合成材料的腐蚀和施工影响。
3对拟使用的回填土、石作检验,确保符合设计要求。
4根据设计要求和土工合成材料特性及现场施工条件编制施工方案。
5对工人进行施工技术交底。
14.4.2材料准备1根据设计要求及施工现场情况,制定土工合成材料的采购计划;2选择回填土、石的来源地;3土工合成材料进场时,应检查产品标签、生产厂家、产品批号、生产日期、有限期限等,并取样送检;4根据施工方案将土工合成材料提前裁剪拼接成适合的幅片;5准备好土工合成材料的存放地点,避免土工合成材料进场后受到阳光直接照晒。
14.4.3施工机具准备机械配置:根据施工场地条件、设计要求等选择合适的碾压机械。
目前碾压机械多采用三轮平碾和振动平碾。
运输车数量则根据运距远近、工期要求配置。
土工布质量标准土工布是一种用于土壤加固、防水、防腐等工程中的重要材料,其质量直接关系到工程的安全和稳定性。
因此,对土工布的质量标准有着非常严格的要求,下面将就土工布的质量标准进行详细介绍。
首先,土工布的材料选择是影响其质量的关键因素之一。
优质的土工布应选用高强度、耐腐蚀、耐老化的合成纤维材料制成,如聚酯、聚丙烯等。
这些材料具有良好的抗拉伸、抗撕裂、抗渗透等性能,能够有效地增强土壤的承载能力和稳定性。
其次,土工布的厚度和密度也是衡量其质量的重要指标。
一般来说,土工布的厚度越大,密度越高,抗拉强度和抗穿刺性能就越好。
因此,在选择土工布时,需要根据工程的实际需求来确定合适的厚度和密度,以确保其具有良好的加固效果。
此外,土工布的抗拉强度和抗撕裂强度也是评价其质量的重要参数。
抗拉强度是指土工布在受到拉力作用时的抵抗能力,而抗撕裂强度则是指土工布在受到撕裂力作用时的抵抗能力。
这两项指标直接关系到土工布在工程中的使用效果,因此在生产和选用土工布时,需要对其进行严格的抗拉和抗撕裂测试,确保其符合相关标准要求。
最后,土工布的耐老化性能也是衡量其质量的重要指标之一。
由于土工布通常长期暴露在自然环境中,因此其耐老化性能直接关系到其使用寿命和稳定性。
优质的土工布应具有良好的耐紫外线、耐化学腐蚀等性能,能够保持长期稳定的加固效果。
综上所述,土工布的质量标准涉及材料选择、厚度密度、抗拉强度、抗撕裂强度和耐老化性能等多个方面。
只有严格按照相关标准要求生产和选用土工布,才能确保工程的安全稳定。
希望本文对土工布的质量标准有所帮助,谢谢阅读。
土工布质量标准
土工布是一种用于土木工程和环境工程的新型材料,具有较好的抗拉强度、抗渗透性和抗老化性能。
为了保证土工布在工程中的应用效果,制定了一系列的质量标准,以确保土工布的质量符合工程要求。
首先,土工布的材料应符合相关标准要求。
土工布通常采用聚酯、聚丙烯、聚乙烯等合成纤维作为原料,这些原料应符合国家相关标准,且应具有一定的抗拉强度和耐老化性能。
在生产过程中,应严格控制原料的质量,确保土工布的材料符合标准要求。
其次,土工布的生产工艺应符合标准。
生产过程中应采用先进的生产设备和工艺,确保土工布的纤维布局均匀、密度适中,不得出现明显的疵点和破损。
同时,在生产过程中应进行严格的质量检测,确保土工布的产品质量稳定可靠。
另外,土工布的抗拉强度和抗渗透性能是评价其质量的重要指标。
土工布在工程中通常用于加固土体、防渗等作用,因此其抗拉强度和抗渗透性能直接影响工程的安全和稳定性。
土工布的抗拉强度应符合工程设计要求,能够承受工程中的拉力和变形,且不得出
现断裂和破损。
同时,土工布的抗渗透性能也应符合工程要求,能够有效防止土体内部的水分渗透,确保工程的防渗效果。
最后,土工布的包装和运输应符合标准要求。
在包装和运输过程中,应采用适当的包装材料和方式,确保土工布在运输过程中不受损坏和污染。
同时,在运输过程中应注意防止阳光直射和雨淋,以免影响土工布的质量。
总之,土工布作为一种重要的土木工程材料,其质量标准的制定和执行对于保障工程质量和安全具有重要意义。
只有严格执行相关标准要求,才能确保土工布在工程中发挥应有的作用,为工程的安全和稳定提供保障。
土工布国家行业标准 GB/T 17639—1998土工布合成材料是指用于岩土工程和土木工程的聚合物材料或聚合物工程材料,广泛应用于水利、堤坝、筑路、机场、建筑、环保等许多领域。
长丝纺粘针刺非织造土工布是土工合成材料中的主要产品之一,在工程中可起过滤、排水、隔离、防护、加强等作用。
本标准是土工合成材料系列产品标准之一,是长丝纺粘针刺非织造土工布产品的生产技术规范及供货条件,也是工程建设中选料的指导性文件。
本标准为首次发布。
本标准由国家纺织工业局提出。
本标准由全国纺织品标准化技术委员会产业用纺织品分会归口。
本标准由中国纺织科学研究院负责起草,由核工业湖南无纺布厂、赫司特—华新纤维制品有限公司、仪征无纺布厂、绍兴利达化纤有限公司协作起草。
本标准主要起草人:王宝军、王睿谦、朱杏媛、宋湛华、张艳。
中华人民共和国国家标准土工合成材料长丝纺粘针刺非织造土工布 GB/T 17639—19981 范围本标准规定了长丝纺粘针刺非织造土工布的产品分类、规格、代号、技术要求及品质评定、试验方法、检验规则、包装、标志、贮运等。
本标准适用于以聚合物切片为原料,经纺丝、铺网、针刺加固而成的长丝纺粘针刺非织造土工布,长丝纺粘针刺复合土工布几其他类似产品可参照采用。
2 引用标准下列标准所包含的条文,通过在本标准中引用而构成为本标准的条文。
本标准出版时,所示版本均为有效。
所有标准都会被修订,使用本标准的各方应探讨使用下列标准最新版本的可能性。
GB/T 3923.1—1997 纺织品织物拉伸性能第l部分:断裂强力和断裂伸长率的测定条样法GB/T 4667—1995 机织物幅宽的测定GB/T 13760—1992 土工布的取样和试样准备GB/T 13761—1992 土工布厚度的测定GB/T 13762—1992 土工布单位面积质量的测定方法GB/T 13763—1992 土工布梯形撕破强力的试验方法GB/T 14799—1993 土工布孔径测定方法干筛法GB/T 14800—1993 土工布顶破强力试验方法GB/T 15788—1995 土工布拉伸试验方法宽条样法GB/T 15789—1995 土工布透水性测定方法GB/T 16989—1995 土工布接头/接缝断裂强度的测定GB/T 17630—1998 土工布及其有关产品动态穿孔试验落锥法GB/T 17631—1998 土工布及其有关产品抗氧化性能的试验方法GB/T 17632—1998 土工布及其有关产品抗酸、碱液性能的试验方法GB/T 17633—1998 土工布及其有关产品平面内水流量的测定GB/T 17634—1998 土工布及其有关产品有效孔径的测定湿筛法GB/T 17635.1—1998 土工布及其有关产品摩擦特性的测定第l部分:直接剪切试验GB/T 17636—1998 土工布及其有关产品抗磨损性能的测定砂布/滑块法GB/T 17637—1998 土工布及其有关产品抗伸蠕变和拉伸蠕变断裂性能的测定国家质量技术监督局 1998—12—24批准 1999-03—01实施GB/T 17639—1998ISO 4892.2:1994 塑料试验室光照方法第2部分:氙弧灯法3 产品分类、规格及代号3.1 产品分类及品种长丝纺粘针刺非织造土工布按纤维品种分为涤纶、丙纶、锦纶、乙纶等长丝纺粘针刺非织造土工布;按结构分为普通型和复合型等。
土工布质量标准土工布是一种用于土壤加固、防止土壤侵蚀和过滤排水的工程材料,其质量标准直接影响着工程的施工质量和使用效果。
因此,对土工布的质量标准进行科学、严谨的规范,对于保障工程质量具有重要意义。
本文将对土工布的质量标准进行详细介绍,以期为相关工程人员提供参考。
首先,土工布的质量标准应包括材料、结构、性能等方面的要求。
在材料方面,土工布应选用高强度、耐老化、耐腐蚀的合成纤维材料,如聚丙烯、聚酯等。
在结构方面,土工布应具备一定的抗拉强度和抗穿刺性能,以保证其在工程施工和使用过程中不易发生破损。
在性能方面,土工布应具备良好的过滤性能和排水性能,能够有效防止土壤侵蚀和实现排水排泥的功能。
其次,土工布的质量标准还应包括规格、尺寸、厚度等方面的要求。
在规格方面,土工布应根据工程需要确定合适的宽度和长度,以保证施工安装的便利性和工程的经济性。
在尺寸方面,土工布的尺寸应符合设计要求,能够完全覆盖土壤表面或土工结构的需要。
在厚度方面,土工布的厚度应能够满足工程的要求,以确保其具备足够的抗拉强度和过滤性能。
此外,土工布的质量标准还应包括外观、色泽、包装等方面的要求。
在外观方面,土工布应无明显的破损、污渍和异物,表面应平整、光滑。
在色泽方面,土工布的颜色应均匀一致,不应出现明显的色差。
在包装方面,土工布应采用适当的包装方式,保证运输过程中不受损坏,便于存放和使用。
总之,土工布的质量标准是保障工程质量和使用效果的重要保障。
只有严格按照质量标准要求选用、施工和使用土工布,才能确保工程的安全可靠、经济合理。
因此,相关工程人员在选用土工布时务必严格按照质量标准进行选择和使用,以确保工程质量和使用效果的达到预期目标。
30kn土工布铺设技术要点总结30kn土工布铺设技术要点总结30kn土工布铺设总结黄岙二期围涂工程促淤堤工程30kn/m土工布铺设已经完成,对30kn/m 土工布施工技术等方面总结如下:一、工程概况温州洞头县黄岙二期围涂工程促淤堤工程是洞头县黄岙海涂围垦开发的外围部分,包括下乌仙促淤堤(堤长3187米)和青菱屿促淤堤(堤长702米)。
施工内容包括:30kn/m土工布铺设、碎石垫层填筑、塑料排水板插设、120kn/m土工布铺设、堤身抛石、面层抛大块石。
工期20个月,合同金额9731万元。
本工程土工布总工程量约91万平方米,其中30kn/m土工布39万平方米。
二、施工前准备测量方面准备:本工程采用gps卫星定位,首先做好基站设置,施工前多次测量基站三维坐标,取得该点最后使用坐标。
取另一单独gps移动站,符合施工船只gps坐标,取好铺布时土工布边缘在滚筒上位置,并调整船只gps设置,使船只gps定位在电脑上显示坐标为土工布边缘坐标。
导入施工任务图,即土工布铺设放样平面图。
物资方面,做好对进场材料外观检验、堆放、防晒等工作,做好取样送检,检测合格后方能使用到工程中。
安全方面,检查船只安全情况,配备足够的救生设备和灭火设备。
土工布铺设前,用两艘船拉钢丝绳清扫海底可能刺破土工布的和影响铺布质量的障碍物。
收集好工程所在地潮水资料,选择合适的时机铺布,一般选择平潮水流缓慢时铺设土工布。
三、施工工程1.卷布卷布是整个铺布中,将影响到铺布质量的重要环节,卷布时,尽量做到卷布边缘在滚筒预先设定好的位置,卷布完成后用绳将土工布扎紧防治松动,每隔3米左右绑扎碎石袋,碎石袋偏向滚筒外侧。
为保证施工质量,土工布边缘卷布偏差不得大于10cm。
卷布完成后,装载铺布镇压用碎石。
2.船只定位船只海上定位使用四锚定位,船只行驶到施工区域后,由锚艇抛设定位锚,每个定位锚距离相应土工布边角50-60米,与待铺设土工布轴线成15-25度夹角(具体见土工布铺设平面示意图)。
土工布质量标准土工布是一种用于土木工程和环境工程的功能性材料,它具有良好的抗拉强度、抗渗透性和耐腐蚀性能。
为了确保土工布在工程中发挥最佳作用,制定了一系列的质量标准,以保证土工布的质量和性能符合工程要求。
首先,土工布的质量标准应包括材料的选用。
土工布的原材料主要包括聚丙烯、聚酯、聚乙烯等合成纤维材料,这些材料应符合相关的国家标准,具有一定的拉伸强度和耐化学腐蚀性能。
在选用原材料时,应注意材料的稳定性和耐老化性能,以确保土工布在使用过程中不会出现断裂或变形等问题。
其次,土工布的质量标准还应包括生产工艺和工艺控制。
生产工艺的合理性直接影响土工布的质量和性能。
在生产过程中,应严格控制纤维的拉伸强度、密度、厚度和孔隙率等参数,确保土工布的物理性能符合设计要求。
同时,应加强对生产工艺的控制,避免生产过程中出现瑕疵和缺陷,确保土工布的质量稳定性和可靠性。
另外,土工布的质量标准还应包括产品的检测和验收。
在生产完成后,应对土工布进行严格的检测和验收,包括拉伸强度、透水性能、耐老化性能等指标的检测,确保土工布的质量符合相关标准和规定。
同时,应建立健全的档案记录制度,对每批土工布的生产工艺参数、检测结果和验收记录等进行详细记录和归档,以便追溯和管理。
最后,土工布的质量标准还应包括产品的使用和维护。
在使用过程中,应根据设计要求和工程环境的特点合理选择土工布的规格和型号,确保其能够发挥最佳的防渗和加固效果。
同时,应加强对土工布的维护和保养,定期检查和清理土工布表面的杂物和污垢,确保土工布的透水性能和抗老化性能。
总之,土工布作为一种重要的土木工程材料,其质量标准的制定和执行对于工程质量和安全具有重要意义。
只有严格执行土工布的质量标准,才能确保土工布在工程中发挥最佳的作用,为工程的顺利进行提供保障。
因此,各相关单位和人员应加强对土工布质量标准的执行和监督,确保土工布的质量和性能符合工程要求。
土工布织物缝制监理细则一、前期准备阶段1.监理单位应提供资质齐全的监理人员,并与施工单位进行会议,明确双方的责任和监理的具体要求。
2.监理人员应详细了解土工布织物的缝制工艺和相关规范,确保监理工作的专业性和有效性。
3.监理人员应检查现场施工准备工作,包括土地平整、基础处理等,确保施工环境符合要求。
二、施工过程监理1.监理人员应定期进行现场检查,了解施工进度和质量情况,并及时记录和报告相关信息。
2.监理人员应对土工布织物的材料和设备进行检查,确保其符合规定标准。
3.监理人员应对土工布织物的缝制工艺进行检查,确保每一步的操作符合相关规范。
4.监理人员应对土工布织物的缝制质量进行监控,包括缝线的牢固度、缝口的平整度等方面。
5.监理人员应对施工现场的卫生和安全进行监督,确保工人的作业环境和条件符合要求。
三、现场质量控制要求1.土工布织物的缝制应按照产品规范进行操作,施工单位应提供相应证明材料以证明产品质量符合标准。
2.土工布织物的缝口应平整,无明显的起皱或褶皱,并且能够紧密结合,达到产品预期的强度要求。
3.缝线应选用符合要求的材料,且缝线的规格和线距应符合规定标准,确保缝线的牢固性和可靠性。
4.缝制过程中,应注意材料的对接和重叠部位的顺次缝制,确保缝口的紧密度和连接处的可靠性。
5.施工单位应对缝制的土工布织物进行及时的验收和记录,确保施工质量的可追溯性。
四、相关文件和记录要求1.监理人员应在每次巡查或检查后,填写相关检查记录,并及时将记录提交给施工单位。
2.施工单位应及时将监理人员提出的问题进行整改,并将整改情况书面报告给监理单位。
3.监理单位应定期向业主单位提交监理报告,详细记录施工情况、质量问题及整改情况。
4.所有相关文件和记录应妥善保存,以备后期审验和维护保养之用。
五、后期维护和保养要求1.施工单位应在完成施工后,对土工布织物进行保养和维护,确保其有效使用。
2.施工单位应向业主单位提供土工布织物的使用说明和维护手册,以便后期维护和保养。
土工织物铺设施工要求篇一【土工织物铺设施工要求】咱今儿个就好好唠唠这土工织物铺设施工的要求,为啥要唠这个呢?那是因为这事儿太重要啦!要是弄不好,那可就麻烦大喽!咱先说说为啥要有这些要求哈。
这就好比盖房子得有个结实的地基,咱这土工织物铺设就是给后面的工程打基础的。
要是这基础不牢,后面的工程能好吗?所以啊,为了保证工程质量,提高效率,减少不必要的麻烦,这些要求必须得有!那下面咱就详细说说这要求哈。
先说这准备工作,**咱得把施工场地收拾得干干净净、平平整整的,这场地要是坑坑洼洼的,能行吗?** 还有啊,材料得准备齐全,这土工织物的质量可不能马虎,得检查好,别到时候用着用着出问题。
然后是铺设过程,**铺设的时候得小心谨慎,不能拉得太紧,也不能太松,这就跟系鞋带似的,得恰到好处。
** 每一块织物之间的连接得牢固,不能有缝隙,不然这水不就从缝里钻进去了吗?再说说这固定的事儿,**必须得固定得稳稳当当的,不能风一吹就跑了,雨一冲就垮了。
** 固定的方法和位置都得按照标准来,可不能自己瞎搞。
最后说说这检查验收,施工完了可不是就完事儿了,得好好检查检查,有问题及时整改。
这就好比考试完了要检查卷子,可不能交了就不管了。
总之啊,这些要求可不是说着玩的,要是不遵守,那工程出了问题,谁能负责?到时候可别后悔莫及啊!篇二【土工织物铺设施工要求】嘿,朋友们!今天咱们来聊聊土工织物铺设施工的那些事儿,为啥要聊这个呢?因为这可关系到工程的成败啊!你想啊,如果土工织物铺设不好,那后面的工程能顺利吗?就好比做饭,第一步没做好,后面能做出美味佳肴来?所以,为了让咱们的工程顺顺利利,质量杠杠的,这些要求必须得清楚!那咱具体来看看有哪些要求。
首先是材料选择,**这就好比选食材,得挑新鲜的、质量好的。
** 土工织物的规格、型号、性能都得符合设计要求,别弄些残次品来充数。
施工环境也很重要,天气不好的时候能施工吗?**当然不行!风大、雨大的时候施工,那不是给自己找麻烦吗?** 所以得选个合适的天气。
土工布质量标准土工布是一种用于土木工程和环境工程中的专用材料,其质量标准对工程质量和工程安全具有重要影响。
土工布的质量标准主要包括材料的物理性能、化学性能、机械性能等方面,下面将详细介绍土工布的质量标准。
首先,土工布的材料应符合相关的国家标准和行业标准,包括原材料的种类、质量、生产工艺等方面。
原材料的选择直接影响土工布的性能和使用寿命,因此对原材料的质量要求非常严格。
同时,土工布的生产工艺也应符合相关标准,保证产品的质量稳定性和可靠性。
其次,土工布的物理性能是评价其质量的重要指标之一。
物理性能包括土工布的厚度、重量、抗拉强度、透水性等方面。
厚度和重量直接影响土工布的抗压性能和耐用性,而抗拉强度则是评价土工布抵抗拉力的重要指标。
透水性是土工布用于排水和防渗工程的关键性能,对土工布的透水性能也有严格的要求。
另外,土工布的化学性能也是需要重点关注的方面。
土工布在使用过程中会受到土壤、水、化学药剂等多种环境的影响,因此对土工布的耐酸碱性、耐腐蚀性等化学性能也有一定的要求。
土工布的化学性能稳定性对工程的长期稳定性和安全性具有重要影响。
最后,土工布的机械性能也是评价其质量的重要指标之一。
土工布在工程中需要承受各种机械应力,因此对其的抗拉、抗压、抗剪、抗穿刺等机械性能也有一定的要求。
土工布的机械性能直接关系到工程的安全性和稳定性,因此对其的要求也非常严格。
综上所述,土工布的质量标准是保证工程质量和工程安全的重要保障。
通过严格控制土工布的材料、物理性能、化学性能、机械性能等方面,可以有效提高土工布的质量和可靠性,保证工程的长期稳定性和安全性。
因此,在土工布的选材和使用过程中,需要严格遵循相关的质量标准,确保土工布在工程中发挥最佳的效果。
土工布执行标准土工布是一种用于土壤加固和防止土壤侵蚀的材料,其质量的好坏直接影响到工程的稳定性和持久性。
为了保证土工布的质量,制定了一系列的执行标准,以便对土工布进行严格的质量控制和监督。
本文将就土工布执行标准进行介绍和解读,希望能为相关从业人员提供参考和帮助。
首先,土工布的执行标准主要包括材料、规格、性能要求、试验方法、验收标准等内容。
在材料方面,土工布应选择优质的聚酯、聚丙烯等合成材料制成,具有良好的抗拉强度、耐腐蚀性和耐老化性。
在规格方面,土工布应符合国家标准或行业标准规定的长度、宽度、厚度等参数要求。
而在性能要求方面,土工布应具有良好的透水性、抗拉强度、抗穿刺性、抗老化性等特点,以确保其在工程中的有效使用。
其次,土工布的试验方法是执行标准中的重要内容之一。
试验方法的严谨性和科学性直接关系到对土工布质量的准确评定。
常见的土工布试验方法包括拉伸强度测试、透水性测试、抗老化性测试等。
这些试验方法旨在通过科学的手段对土工布的各项性能进行评定,为其在工程中的应用提供可靠的数据支持。
最后,土工布的验收标准是执行标准的落实和实施的重要环节。
验收标准应明确规定了土工布在不同性能指标下的合格标准和不合格标准,以便对其质量进行准确评定。
只有严格按照验收标准进行验收,才能保证工程中所使用的土工布质量达标,确保工程的安全和稳定。
总之,土工布的执行标准是保证土工布质量的重要依据,对于相关的从业人员来说,熟悉和掌握土工布执行标准是非常重要的。
只有严格按照执行标准的要求进行生产、试验和验收,才能保证土工布在工程中的有效应用,为工程的稳定和持久提供可靠的保障。
希望通过本文的介绍和解读,能够对土工布的执行标准有更加清晰的认识,为相关从业人员的工作提供帮助和指导。