2008年中考物理试题分类汇编电路设计作图
- 格式:doc
- 大小:116.00 KB
- 文档页数:4
成都市二00八年高中阶段教育学校统一招生考试试卷(含成都市初三毕业会考)物理全卷分A卷和B卷,A卷满分90分,B卷满分20分。
考试时间90分钟。
A卷(共90分)第1卷(选择题,共28分)注意事项:1.第1卷共2页。
答第1卷前,考生务必将自己的姓名、准考证号、考试科目涂写在试卷和答题卡上。
考试结束,监考员将试卷和答题卡一并收回。
2.第1卷全是选择题,各题均有四个选项,只有一项符合题目要求。
每小题选出答案后,用2B铅笔把答题卡对应题目的答案标号涂黑。
如需改动,用橡皮擦干净后,再选涂其他答案,不能答在试卷上。
请注意机读答题卡的横竖格式。
一、选择题(每小题2分,共28分)1.在抗震救灾中,为了将救援人员和救援物资及时地运送到灾区,使用到了多种运输工具。
下列运输工具正常行驶时,速度最大的是A.列车 B.大卡车 C.大型客机 D.冲锋舟2.如图1所示,烧开水时壶口要冒出“白气”,“白气”的构成是A.水蒸气 B.水蒸气凝华形成的小冰晶C.水蒸气液化形成的小水珠 D.小水珠和小冰晶的混合体3.下列关于电磁铁和磁感线的说法中,正确的是A.电磁铁的磁性有无和磁性强弱可以改变B.电磁铁能永久性地保持磁性C.磁感线是真实存在的D.磁体外部的磁感线总是从S极出发,回到N极4.下列说法中,正确的是A.开关必须接在电源正极和用电器之间才能控制用电器B.所有电源都是把化学能转化为电能的装置C.不能把电压表直接接到电源两端D.不能把电流表与被测用电器并联5.图2所示的简单工具在使用过程中,不能省力的是6.图3所示现象中,应该用光的折射来解释的是7.小王同学分析了四个常见事例中的能量转化,其中正确的是A.在汽油机的做功冲程中,内能转化为机械能B.电风扇正常工作过程中,电能主要转化为内能C.电热水器工作过程中,内能转化为电能D.跳水运动员在空中下落的过程中,动能转化为重力势能8.对下列常见现象的解释,正确的是A.物体热胀冷缩,是因为分子的大小随温度的变化而改变B.破镜难圆,是因为分子间有排斥力C.花香四溢,是因为分子在不停地运动D.水往低处流,是因为分子在不停地运动9.半导体材料有着广泛的应用,下列物体中不需要应用半导体材料的是A.输电线 B.手机 C.电脑 D.电视机lO.图4中利用了超声波的是11.原子结构与下列事物结构最相似的是A.蛋糕 B.面包 C.地球 D.太阳系12.为控制大气污染,下列措施目前不可行的是A.尽量用天然气代替煤作城市居民生活用的燃料B.开发和使用新能源C.改进消烟和除尘装置,提高其性能D.禁止使用石油资源13.关于现代通信和电磁波,下列叙述正确的是A.光纤通信传输的信息量很大,主要用于无线电广播B.卫星通信利用人造卫星作为中继站进行通信C.电磁波的应用对人类有利无害D.电磁波不能在真空中传播14.下列数据符合实际的是A.水的比热容为4.2 J/(kg·℃) B.在一个标准大气压下,水的沸点为1000C C.汽油的热值为4.6 x 102J/kg D.柴油机的效率可以达到99%二、填空题(每空2分.共32分)把正确答案填在题目中横线上方。
探究串联电路各点电压之间的关系(D1\D2\D3):1、电压表量程是0~3V或0~15V,最小刻度为0.1V或0.5V。
2、实验步骤:(1)设计电路图如右图。
(2)按电路图进行实物连接,将电压表分别接在AB间、BC间、AC间、测电压。
(3)检查电路无误后,闭合开关分别测U AB、U BC、U AC的电压。
(注意:连接时开关应当断开,电压表、电流表“正”进“负”出,用试触法选择量程。
...................................) (4)U AB_______ U BC_______ U AC________(5)整理器材。
3、各部分电压的数量关系:U AB+U BC=U AC。
4、结论:串联电路中电压等于各部分电压之和。
探究杠杆的平衡条件(E1\E2\E3)1、杠杆的平衡与力与力臂的乘积有关。
2、步骤:①调节杠杆平衡。
②在杠杆的左端挂2个钩码,在杠杆的右端挂1个钩码,挪动右边钩码使杠杆平衡。
③记录动力F1与动力臂L1,阻力F2与力臂L2。
④在左端挂4个钩码,在右端挂2个钩码,挪动右端钩码使杠杆平衡。
⑤记录动力F’1力臂L’1,阻力F’2与阻力臂L’2。
3、结论: 动力x动力臂=阻力x阻力臂4、为什么在测量前要调节水平位置平衡?减少误差.测量小灯泡工作时的电阻(B1\B2\B3)1、电压表量程0~3V或0~15V,分度值0.1V或0.5V2、电流表量程0~0.6A或0~3A,分度值0.02A或0.1A。
3、步骤:(1)设计电路图如右。
(2)按电路图进行实物连接。
(3)检查电路无误后闭合开关,读出电流表、电压表示数I1、U1。
(注意:连.接电路时开关应断开,滑动变阻器...--..”.................+.”进“...............应接入阻值最大。
电流表、电压表“出,用试触法选量程。
..........)(4)向左调节R滑使灯泡变亮,读出电流表、电压表示数I2、U2。
2008年中考物理试题汇编欧姆定律选择题1.(08年桂林市)在一段电阻不变的导体两端加20V电压时,通过的电流为1A;现在把该导体两端的电压变为5V,则此时通过该导体的电流和它的电阻分别为()A.0.25A、20Ω B.1A、20ΩC.0.4A、10Ω D.1A、10Ω2.(08年哈尔滨)如图所示电路,电阻R1=10Ω,闭合开关S,电流表A1的示数为0.3A,电流表A2的示数为0.5A.下列说法正确的是()A.通过电阻R2的电流为0.5AB.电阻R2的阻值为15ΩC.电源电压为4.5VD.电阻R1消耗的电功率为3W11、(2008年北京市)如图所示的电路中,电源两端的电压保持不变。
闭合开关S,将滑动变阻器的滑片P向右移动,下列说法正确的是:A、电压表V1与电压表V2的示数之和保持不变。
B、电压表V2与电流表A的示数之比保持不变。
C、电流表A的示数变小,电压表V1的示数变大。
D、电流表A的示数变小,电压表V2的示数变大。
15、(2008年北京市)(多选)如图所示的电路中,电源两端的电压保持不变,电阻R2与R3的阻值均为10Ω。
闭合开关S,电流表A1和A2的示数之比为3:2。
若把电流表A1和A2分别换成电压表V1和V2后,电压表V1的示数为U1,电压表V2的示数为U2。
则下列选项正确的是:A、R1=5Ω。
B、R1=20Ω。
C、U1:U2=3:4。
D、U1:U2=4:3。
13. (2008年广安市)有两个电阻,R1=4Ω,R2=6Ω,如果把它们串联在电路中,通过它们的电流分别为I1、I2,它们两端的电压分别为U1,U2,则, I1、I2、U1,U2分别为()A. 1∶1 2∶3B.2∶3 1∶1C. 1∶1 1∶ID.2:3 2:314. (2008年广安市)在“探究电流与电压的关系”的实验中,分别用R。
几两个电阻进行了探究,并根据各自的实验数据绘制出如图3所示的I-U关系图象,从图中可以看出R1、R2的大小关系为()A. R1>R2B. R1<R2C. R1=R3:D.不能确定6.(2008年贵阳市)如图2所示,电源电压保持不变,R1=2R2,开关S断开时,电流表的示数为I1,R1消耗的功率为P1;开关S闭合时,电流表示数为电流表的示数为I2,R1消耗的功率为P2,则A.I1∶I2=1∶1,P1∶P2=3∶1B.I1∶I2=1∶3,P1∶P2=1∶1C.I1∶I2=3∶1,P1∶P2=1∶1D.I1∶I2=1∶1,P1∶P2=1∶315.(2008年佳木斯市)(多选)如图所示,电源电压保持不变.当闭合开关后,滑动变阻器的滑片向左移动的过程中,下列说法正确的是()A.电流表示数变大,灯泡变亮B.电流表示数变大,电压表示数变大,灯泡变暗C.电压表示数变小,灯泡变亮D.电流表示数变小,电压表示数变小,灯泡变暗12.(2008年河南省)图5所示的是握力计的原理图,其中弹簧上端和滑动变阻器滑片固定在一起,AB间有可收缩的导线,R0为保护电阻,电压表可显示压力的大小。
2008年中考物理试题汇编——电热和电功填空题1、(08内蒙古通辽)造成家庭电路中保险丝熔断的原因:一是总功率过大;二是________。
为了减少雷电造成的损失,高大建筑物上必须安装________装置。
2、(08江苏淮安)小华家电能表4月底的示数为,5月底的示数为,则小华家5月份消耗的电能_____________kW·h,应付电费_____________元(按每度电均价0.5元计算).3、(08江苏连云港)如图是一个玩具汽车上的控制电路,小明对其进行测量和研究发现:电动机的线圈电阻为1Ω,保护电阻R为4Ω,当闭合开关S后,两电压表的示数分别为6V和2V,则电路中的电流为A,电动机的功率为W。
4、(08江苏南京)一只标有“2.5V 0.3A”的小电灯和滑动变阻器串联接在电压为6V的电源两端调节滑动变阻器使小电灯两端电压为V时,灯正常发光.此时灯1min消耗的电能为J;再调节滑动变阻器使灯两端电压力1.5V时.灯的亮度与正常发光相比(选填“变亮”、“变暗”或“不变”).5、(08江苏南通)电子式电能表表盘上标有“3000imp/(kW·h)”字样,将某用电器单独接在该表上工作20min,电能表指示灯闪烁了300次.该用电器在上述时间内消耗的电能为__________kW·h,它的电功率是__________W。
6、(08江苏宿迁)人类正面临能源危机,为选用节能交通信号灯的灯源,实验室通过实验发现下表中的LED灯和白炽灯在正常工作时,光照强度相同有关数据如下表①______________;②______________(2)LED灯正常工作时的电流是______________A.每天正常工作10小时,使用LED灯比使用白炽灯可节约电能为________k W·h,可将______________kg的水从20℃加热到100℃.【c 水=4.2×103J/(kg·℃),结果保留两位小数】7、(08江苏泰州)某灯泡上标有“PZ220 40”的字样,“PZ”表示普通白炽灯,它的额定功率是______________W,正常发光时灯丝的电阻是_______Ω、工作电流是_______A8、(08江苏徐州)煤矸石是在地下长期和煤共存的石头,其中渗入了一定量的煤,这一现象可以说明分子。
2008年中考物理试题汇编欧姆定律选择题1.(08年桂林市)在一段电阻不变的导体两端加20V电压时,通过的电流为1A;现在把该导体两端的电压变为5V,则此时通过该导体的电流和它的电阻分别为()A.0.25A、20Ω B.1A、20ΩC.0.4A、10Ω D.1A、10Ω2.(08年哈尔滨)如图所示电路,电阻R1=10Ω,闭合开关S,电流表A1的示数为0.3A,电流表A2的示数为0.5A.下列说法正确的是()A.通过电阻R2的电流为0.5AB.电阻R2的阻值为15ΩC.电源电压为4.5VD.电阻R1消耗的电功率为3W11、(2008年北京市)如图所示的电路中,电源两端的电压保持不变。
闭合开关S,将滑动变阻器的滑片P向右移动,下列说法正确的是:A、电压表V1与电压表V2的示数之和保持不变。
B、电压表V2与电流表A的示数之比保持不变。
C、电流表A的示数变小,电压表V1的示数变大。
D、电流表A的示数变小,电压表V2的示数变大。
15、(2008年北京市)(多选)如图所示的电路中,电源两端的电压保持不变,电阻R2与R3的阻值均为10Ω。
闭合开关S,电流表A1和A2的示数之比为3:2。
若把电流表A1和A2分别换成电压表V1和V2后,电压表V1的示数为U1,电压表V2的示数为U2。
则下列选项正确的是:A、R1=5Ω。
B、R1=20Ω。
C、U1:U2=3:4。
D、U1:U2=4:3。
13. (2008年广安市)有两个电阻,R1=4Ω,R2=6Ω,如果把它们串联在电路中,通过它们的电流分别为I1、I2,它们两端的电压分别为U1 ,U2,则, I1、I2、U1 ,U2分别为()A. 1∶1 2∶3B.2∶3 1∶1C. 1∶1 1∶ID.2:3 2:314. (2008年广安市)在“探究电流与电压的关系”的实验中,分别用R。
几两个电阻进行了探究,并根据各自的实验数据绘制出如图3所示的I-U关系图象,从图中可以看出R1、R2的大小关系为()A. R1>R2B. R1<R2C. R1=R3:D.不能确定6.(2008年贵阳市)如图2所示,电源电压保持不变,R1=2R2,开关S断开时,电流表的示数为I1,R1消耗的功率为P1;开关S闭合时,电流表示数为电流表的示数为I2,R1消耗的功率为P2,则A.I1∶I2=1∶1,P1∶P2=3∶1B.I1∶I2=1∶3,P1∶P2=1∶1C.I1∶I2=3∶1,P1∶P2=1∶1D.I1∶I2=1∶1,P1∶P2=1∶315.(2008年佳木斯市)(多选)如图所示,电源电压保持不变.当闭合开关后,滑动变阻器的滑片向左移动的过程中,下列说法正确的是()A.电流表示数变大,灯泡变亮B.电流表示数变大,电压表示数变大,灯泡变暗C.电压表示数变小,灯泡变亮D.电流表示数变小,电压表示数变小,灯泡变暗12.(2008年河南省)图5所示的是握力计的原理图,其中弹簧上端和滑动变阻器滑片固定在一起,AB间有可收缩的导线,R0为保护电阻,电压表可显示压力的大小。
08年120套中考物理试题汇编--物态变化DD.图(d)中竹子被冰雪压“弯了腰”,说明力可以使物体发生形变3)(08江苏南京)如图2所示,舞台上经常用喷撒干冰(固态二氧化碳)的方法制造白雾以渲染气氛.对“白雾”的形成,小明的解释是:(1)干冰升华吸热使周围环境温度降低;(2)气态二氧化碳液化形成白雾以上解释中A.第一句话存在科学性错误B.第二句话存在科学性错误C.两句话都存在科学性错误D.两句话都没有科学性错误4)(08江苏南京)根据右表所提供的数据,在标准大气压下,以下判断正确的是A.80℃的酒精是液态B.气温接近-50℃时.应选用水银做温度计的测温液体C.-39℃的水银吸热,温度可能不变D.铅的凝固点是-328℃5)(08江苏南通)下列自然现象中,由液化形成的是物质熔点/℃沸点/℃酒精-117 78水银-39 357 铅328 17406)(08江苏宿迁)关于雪的形成下列说法正确的是A.熔化、放热过程B.熔化、吸热过程C.凝华、放热过程D.凝固、放热过程7)(08江苏无锡)下列物态变化,需要吸热的是A.初春,皑皑的白雪开始消融B.初夏,青青的小草挂上露珠C.深秋,红红的苹果蒙上白霜D.严冬,静静的池塘覆上薄冰8)(08江苏盐城)冬天,结冰的湿衣服也能晾干。
如图所示,其中发生的物态变化是A.凝华B.升华C.凝固D.液化9)(08江苏盐城)如图所示,在铝质易拉罐中放入少量的水,然后用酒精灯加热。
待罐口出现白雾时,用橡皮泥堵住罐口,把酒精灯撤去,让易拉罐自然冷却。
下列说法正确的是A.罐口出现的白雾是熔化形成的B.易拉罐被压瘪,是由于罐体冷却收缩形成的C.易拉罐被压瘪,是由于大气压的作用D.易拉罐被压瘪后,过一段时间又自动恢复原状10)(08北京)下列措施中,能使蒸发变快的是:A、用电吹风机吹头发。
B、给墨水瓶加盖。
C、用地膜覆盖农田。
D、把新鲜的苹果装入塑料袋。
11)(08湖北十堰)下列物态变化现象中属于汽化吸热的是:A.春天早晨经常出现大雾B.夏天向教室的地面上洒水很快变干C.秋天的早晨,花草上出现小露珠D.冬天的早晨,地面出现白白的一层霜12)(08湖南衡阳)青藏铁路路基两旁各插有一排碗口粗细、高约2米的铁棒(如图所示),我们叫它热棒。
初中物理中考作图题归类例析邵武市教师进修学校兰世德纵观多年物理中考试题,发现作图题仍受大多数省市的青睐,笔者经过汇总归类,初步探究解题策略,希望对广大一线教师和学生能起到抛砖引玉的作用。
一、关于力的作图例1 在图1中画出小球受力的示意图。
解析此题综合性较高,着重考察学生的观察能力和分析能力,考生最容易忽视墙壁对小球的作用,从而造成漏画。
由图1知小球受到三个力的作用,绳子的拉力、墙壁对它的支持力和自身的重力,重力的方向是竖起向下的,拉力的方向指向绳子收缩的方向,墙壁对它的支持力的方向与它对墙壁压力的方向相反,接着确定作用点小球的几何中心位置(题目中以给出),然后从力的作用点起沿力的方向引直线,最后在线段末端画上箭头表示方向,并且在箭头附近标出力的符号,答案见图2。
例2 重为3N的小球静止在水平面上,用力的图示法在图3画出它所受的重力。
解析重力的作用点已标出,而重力的方向是竖起向下,从作用点沿力的方向引直线,然后确定标度,而力的大小必须是标度的整数倍,最后在线段末端画上箭头,并在箭头附近标出力的符号、数值和单位。
答案见图4。
二、关于杠杆的作图例3 图5为螺丝刀撬图钉的示意图,在图中画出动力F1的力臂L1和阻力F2的示意图。
解析解答本题的关键是正确理解力臂的概念,注意力臂是从支点到力的作用线的距离,千万不能理解为支点到力的作用点的长度。
由图可知,O为支点,由支点O向F1的作用线作垂线,垂线的长度即为F1的力臂。
答案见图6。
例4 请你在图7中画出使用剪刀时,杠杆AOB所受动力F1的示意图及动力臂L1、阻力臂L2。
解析动力臂和阻力臂为支点到动力和阻力的作用线的距离,作阻力F2的阻力臂时,先画出阻力F2的延长线,即F2的作用线,再从支点作F2作用线的垂线,其距离即为阻力臂,最后标出阻力臂L2,动力臂的做法同上。
答案见图8。
三、关于滑轮的组装例5 用如图9所示的滑轮组提起重物,若拉力F将绳子的自由端移动1.5m时,重物升高0.5m,请你在图中画出绳子绕法。
专题二电学作图串联和并联电路的作图是电学的基础,通常分为两类:根据电路图连接实物图和根据实物图画电路图。
它们的作图步骤及注意事项归纳如下:一、根据电路图连接实物图(1)连接的实物图中各元件的顺序与电路图保持一致;(2)一般从电源正极开始连接,沿电流的流向,终止于电源负极;(3)连线应简洁、明确、到位、不交叉。
二、根据实物图画电路图(1)认识实物图,确定连接方式;(2)在草稿纸上画出电路图的草图,按照一定的顺序画电路图。
一般从电源的正极开始画起,遇到什么画什么,并标上电路元件符号,当遇到分流点时,先画其中一条支路,再画另一条支路,汇合之后再回到电源负极;也可以从电源的负极开始画,以相反的次序连接,最后回到正极;(3)将草图整理,注意电路图最好画成长方形,横平竖直,符合规范,元件符号不要画在拐角处。
专题训练1.如图为某兴趣小组设计的电子秤简易电路图,R x是压敏电阻,阻值随所受压力的增大而减小,R0是定值电阻。
测量时,电压表Ⓥ的示数随所称量物体对压敏电阻的压力增大而增大。
请根据以上信息,在虚线框内将电路图补充完整。
2.如图所示是未完成连接的实物图,请用笔画线代替导线完成该电路的连接。
要求:两灯并联。
开关s在干路上,电流表只通过L的电流,导线不能交叉。
3.将电路元件按电路图连接成实物图.(要求导线不交叉)4.用笔画线表示导线,按照图(甲)所示的电路图,将图(乙)中各元件连接起来.(导线不允许交叉)5.请用笔画线代替导线,在图中将两个灯泡、开关连成串联电路。
6.请你根据图甲所示的电路图,用笔画线代替导线,将图乙中未连接好的器材连接起来(连线不能交叉)。
7.如图所示,有一个封闭的黑箱子,其内部有一与箱盖上的电铃和灯泡连接的部分电路,箱盖上三个接线柱A、B、C.用导线连接A、B,铃响灯亮;用导线连接A、C,铃更响,灯不亮;用导线连接B、C,铃不响,灯不亮.试画出此装置电路图.8.请按照如图所示的实物图画出电路图。
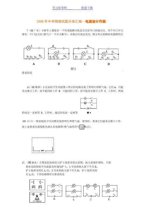
2008年中考物理试题分类汇编—电路设计作图7(08广东)小轿车上都装有一个用来提醒司机是否关好车门的指示灯.四个车门中只要有一个门没关好(相当于一个开关断开),该指示灯就会发光。
图2所示的模似电路图符合要求的是11(08株洲)小亮家的卫生间按图4所示的电路安装了照明灯和换气扇,它们A.只能各自独立工作,而不能同时工作B.只能同时工作,而不能各自独立工作C.工作时,两端的电压一定相等D.工作时,通过的电流一定相等(08江门)一般家庭的卫生间都安装照明灯和换气扇.使用时,要求它们能各自独立工作。
按上述要求在虚线框内画出其电路图().17.(08丽水)右图是医院病房与护士值班室的示意图,病人需要护理时,只要按床边的按钮开关就能及时通知护士:1号床的病人按下开关S1,护士值班室的灯L1亮;2号床的病人按下开关S2,护士值班室的灯L2亮。
下列电路图符合要求的是27(08无锡)某机要室大门是由电动机控制的,钥匙(电路开关)分别由两名工作人员保管,单把钥匙无法打开。
图中符合要求的电路是8(08南通)家用电吹风由电动机和电热丝等组成.为了保证电吹风的安全使用,要求:电动机不工作时,电热丝不能发热:电热丝不发热时,电动机仍能工作.下列电路中符合要求的是7(08重庆)如图5所示,家庭照明灯的一种按键开关上常有一个指示灯。
在实际使用中发现:当开关闭合时,只有照明灯发光;开关断开时,照明灯熄灭,指示灯会发出微弱光,以便夜间显示开关的位置。
根据这种按键开关的控制特性,能正确表示照明灯(甲)和指示灯(乙)连接方式的电路图是图6中的7(08江门)小轿车上都装有一个用来提醒司机是否关好车门的指示灯.四个车门中只要有一个门没关好(相当于一个开关断开),该指示灯就会发光。
图2所示的模似电路图符合要求的是10(08山东)教室里投影仪的光源是强光灯泡,发光时必须用风扇给予降温。
为了保证灯泡不被烧坏,要求:带动风扇的电动机启动后,灯泡才能发光;风扇不转,灯泡不能发光。
2008年全国中考物理试题汇编---电路一、填空题1.(2008.蚌埠)如图1所示的黑盒子中,有由导线和几个阻值均为5Ω的电阻构成电路,盒外有四个接线柱。
己知1、3接线柱间的电阻为5Ω,2、4接线柱间的电阻也为5Ω,1、2接线柱间的电阻为10Ω,而3、4接线柱间没有明显电阻。
试画出盒内最简单的电路图。
2.(2008.南充)如图2所示.电源电压不变,R1=10Ω.R2=15Ω。
当S1、S2都闭合,甲、乙是电压表,则U 甲:U 乙= ;当S1闭合,S2断开时,甲、乙是电流表,则I 甲:I 乙= 。
3.(2008.攀枝花)如图3所示,电源电压是5V 且不变,S 闭合后电压表示数为1V ,则灯L 1两端的电压为 V ,灯L 2两端的电压为 V ;灯L 1、L 2的电阻相比较大的是 ,通过灯L 1、L 2的电流相比是 大(L 1、L 2、一样)。
4.(2008.桂林)如图4所示,当量程为0~3V 时,电压表指针的读数为 V ;当量程为0~15V 时,电压表指针的读数为 V 。
图2 图3 图45.(2008.南京)图5所示的电路中,R 1,R 2均为定值电阻,电源电压不变.闭合开关S 1、S 2.两电表均有示数;再断开开关S 2,则电流表示数_______.电压表示数_______.电压表与电流表示数之比_______.(本题每空均选填“变大”,“变小”或“不变”)6..(2008苏州)在如图所示的电路中,电阻R 1=8Ω,R 2=10Ω,电源电压及定值电阻R 的阻值未知.当开关S 接位置1时,电流表示数为0.2A .当开关S 接位置2时,电流表示数的可能值在 A 到 A 之间7、(2008.上海)教室里的日光灯正常工作电压为________V ,消耗的是________能,家用电器之间是__________连接的。
(选填“串联”或“并联”)8. (2008.云南)在做“练习使用电压表”实验时,小华把电压表接成了如图3所示的电路,小灯泡的规格为“1.2 V1.5 W ”,电池的电压为1.5V 。
【若缺失公式、图片现象属于系统读取不成功,文档内容齐全完整,请放心下载。
】画电路图首先克服怕难思想,然后要掌握方法。
本文推荐的是中考物理复习指导:电路图作图技巧画电路图题型大约可分为以下几种:1、看实物画出电路图。
2、明确每个元件的位置,然后作图3、看图连元件作图。
4、根据要求设计电路。
5、识别错误电路,并画出正确的图。
一般考试就以上四种作图,下面就它们的作图方法详细说明。
(一)看实物画电路图。
关键是在看图,图看不明白,就无法作好图,中考有个内部规定,混联作图是不要求的,那么你心里应该明白实物图实际上只有两种电路,一种串联,另一种是并联,串联电路非常容易识别,先找电源正极,用铅笔尖沿电流方向顺序前进直到电源负极为止。
(二)明确每个元件的位置,然后作图。
顺序是:先画电池组,按元件排列顺序规范作图,横平竖直,转弯处不得有元件若有电压表要准确判断它测的是哪能一段电路的电压,在检查电路无误的情况下,将电压表并在被测电路两端。
对并联电路,判断方法如下,从电源正极出发,沿电流方向找到分*点,并标出中文“分”字,(遇到电压表不理它,当断开没有处理)用两支铅笔从分点开始沿电流方向前进,直至两支笔尖汇合,这个点就是汇合点。
并标出中文“合”字。
首先要清楚有几条支路,每条支路中有几个元件,分别是什么。
特别要注意分点到电源正极之间为干路,分点到电源负极之间也是干路,看一看干路中分别有哪些元件,在都明确的基础上开始作电路图,具体步骤如下:先画电池组,分别画出两段干路,干路中有什么画什么。
在分点和合点之间分别画支路,有几条画几条(多数情况下只有两条支路),并准确将每条支路中的元件按顺序画规范,作图要求横平竖直,铅笔作图检查无误后,将电压表画到被测电路的两端。
(三)看电路图连元件作图方法:先看图识电路:混联不让考,只有串,并联两种,串联容易识别重点是并联。
若是并联电路,在电路较长上找出分点和合点并标出。
并明确每个元件所处位置。
2008年中考物理作图题归类例析
齐天德
【期刊名称】《黑龙江教育(中学教学案例与研究)》
【年(卷),期】2009(000)007
【摘要】综观2008年物理中考试题,发现作图题仍受大多数省市的青睐,笔者经过汇总归类,初步探究解题策略,希望对广大一线教师和学生能起到抛砖引玉的作用。
【总页数】3页(P80-82)
【作者】齐天德
【作者单位】甘肃省岷县十里初级中学
【正文语种】中文
【中图分类】G63
【相关文献】
1.近年中考物理中坐标图问题归类例析
2.中考物理实验题归类例析
3.中考物理开放性试题解法归类例析
4.中考物理图表信息题归类例析
5.中考物理实验题归类例析
因版权原因,仅展示原文概要,查看原文内容请购买。
2008年中考物理试题分类汇编—电路设计作图(二)8(08南通)家用电吹风由电动机和电热丝等组成.为了保证电吹风的安全使用,要求:电动机不工作时,电热丝不能发热:电热丝不发热时,电动机仍能工作.下列电路中符合要求的是
7(08重庆)如图5所示,家庭照明灯的一种按键开关上常有一个指示灯。
在实际使用中发
现:当开关闭合时,只有照明灯发光;开关断开时,照明灯熄灭,指示灯会发出微弱光,
以便夜间显示开关的位置。
根据这种按键开关的控制特性,能正确表示照明灯(甲)和
指示灯(乙)连接方式的电路图是图6中的
7(08江门)小轿车上都装有一个用来提醒司机是否关好车门的指示灯.四个车门中
只要有一个门没关好(相当于一个开关断开),该指示灯就会发光。
图2所示的模似电路
图符合要求的是B
//联系生活实际的电路设计
10(08山东)教室里投影仪的光源是强光灯泡,发光时必须用风扇给予降温。
为了保证灯泡不被烧坏,要求:带动风扇的电动机启动后,灯泡才能发光;风扇不转,灯泡不能发光。
则在如图3所示的四个电路图中符合要求的是 ( D )
8(08梅州)教室里投影仪的光源是强光灯泡,发光时温度很高,必须用风扇给予降温。
为使灯泡不宜过热被烧坏,要求:带动风扇的电动机启动后,灯泡才能通电发光;风扇不转,灯泡不能发光。
则图3所设计的四个简化电路图中最符合要求的是( C )
(08青岛)晓丽发现妈妈经常忘记关掉
厨房的窗户、水龙头、煤气开关、电磁炉
开关。
为了消除安全隐患,她想设计如下
电路:在厨房门口安装红、黄两只灯泡。
当煤气、电磁炉没有都关闭时红灯亮,都
关闭时红灯灭;当窗户、水龙头没有都关
闭时黄灯亮,都关闭时黄灯亮。
现在,给
你红、黄两只灯泡,一个定值电阻,4个
开关,电源和导线若干,请你帮他在右图
中画出这个电路图(元件画在相应虚线框
内)。
答案:
(08青岛)电学黑箱表面有电源,灯泡L1、L2,电流表A1、A2,开关S1、S2、S3。
请根据表格中的实验记录,在上面方框内画出电路图。
答案:(1)①如图②30°或150°(2)如图
//含有电流表的电路设计!
9(2008蚌埠二中)如图5所示的黑盒子中,有由导线和几个阻值均为5Ω的电阻构成电路,盒外有四个接线柱。
己知1、3接线柱间的电阻为5Ω,2、4接线柱间的电阻也为5Ω,1、2接线柱间的电阻为10Ω,而3、4接线柱间没有明显电阻。
试画出盒内最简单的电路图。
答案;
5(08威海)电冰箱内有一个通过冰箱门来控制的开关,当冰箱门打开时,开关闭合使冰箱内的照明灯点亮;当冰箱门关闭时,开关断开使冰箱内的照明灯熄灭。
在图1所示的四个电路中,能正确表示冰箱开门状态下冰箱内照明电路的是 C。