高压开关柜接地开关
- 格式:doc
- 大小:19.00 KB
- 文档页数:4
接地开关接地开关,用于电路接地部分的机械式开关,属于隔离开关类别。
它能在一定时间内承载非正常条件下的电流(例如短路电流),但不要求它承载正常电路条件下的电流。
接地开关作用1.代替携带型地线,在高压设备和线路检修时将设备接地,保护人身安全;2.造成人为接地,满足保护要求;3.接地开关配置在断路器两侧隔离开关旁边,起到断路器检修时两侧接地的作用。
接地开关原理1、从跳闸来讲其实很简单,当线路发生单相故障时,故障线路两侧开关断开,但是由于正常相与故障相之间存在电磁耦合,出现潜供电流,不利于熄弧,为了减少潜供电流,在两侧开关断开时,自动装置动作立即合上两侧HSGS.以达到快速灭弧的作用。
2、HSGS的最大用处其实就是配合开关实现重合闸的。
其步骤如下:(1)单相接地短路故障发生,产生一次电弧;(2)故障相两端开关跳闸,一次电弧熄灭,潜供电弧(二次电弧)产生;(3)装设于故障相的HSGS动作接地,潜供电弧熄灭;(4)HSGS断开开;(5)重合闸动作开关重合。
接地开关的类型1. 户内高压接地开关。
适用于户内3~12KV三相交流50(60)Hz的电力系统内和各型号高压开关柜配套使用,亦可作为高压电器设备检修时接地用。
主要结构,接地开关有支架、接地刀装配、静触头、传感器、轴、拐臂、压簧、导电套管、软连接成。
工作原理,当操作操动机构使接地开关合闸时,作为力矩使主轴克服阻力矩,带动拐臂沿合闸方向转动,并使接地刀上的操纵杆通过压簧死点,压簧释放能量,使接地开关快速合闸,在合闸位置。
接地刀组件上的接地刀通过碟形弹簧和静触头的凸缘部(刀口)牢固可靠地接触。
分闸操作时,作用力矩使主轴克服主力矩及弹簧力,带动拐臂沿分闸方向转动,并使接地刀压簧通过死点,压簧储能结束,以备下次合闸。
2. 户内高压交流接地开关。
适用于12KV/40.5及以下,交流50Hz的电力系统中,可与各种型号高压开关柜配套,作为接地保护用。
结构由底架、支柱绝缘子、静触头、动触刀、主轴刀、主轴、快速弹簧等部件组成3. 户内高压电动接地开关。
高压开关柜接地刀闸故障分析摘要:电力设备的安全性与可靠性是超大规模输变电和电网安全的重要保证,高压开关柜又是电力系统中的重要设备,在电力系统的发电、输电、变电、电能转换和消耗过程中具有开断和关合电力线路,监测运行电量数据,故障保护等重要作用。
在现场倒闸操作中,会经常遇到开关柜接地刀闸活门无法按下而导致无法合上接地刀闸的缺陷,需要检修人员到现场消缺后才能进行倒闸操作,延长了操作时间,耽误了正常的检修时间,影响了检修计划的刚性执行。
本文阐述高压开关柜接地开关的锁闭原理和电气显示原理,对接地开关常见故障的原因和查找故障点的方法,提出日常运行中降低接地开关故障率的措施。
关键词:高压开关柜;显示原理;故障定位引言变电站的一种非常重要的配电设备就是高压开关柜,由断路器、手车箱、开关柜和相应的保护装置。
开关柜接地闸刀开关阀在现场开关操作时,常会出现接地闸刀不能合闸的现象。
在切换作业前,维修人员需要到现场排除缺陷,延期作业、延长正常维护,影响维护计划的严格执行。
1开关柜接地刀闸电气联锁分析开关柜接地刀闸电气联锁主要通过判断三相高压出线带电情况来确定接地刀闸的解锁或闭锁,即若三相高压出线均不带电,则接地刀闸解锁,可对其进行操作,否则接地刀闸闭锁,无法对其进行操作。
1.1电气联锁原理闭锁电磁铁安装在开关柜本体接地刀闸操作孔小活门处,开关柜状态综合指示仪的闭锁输出接点与闭锁电磁铁串联后接在电源两端,通过控制开关柜状态综合指示仪的闭锁输出15-16接点的通断就可控制接地刀闸的解(闭)锁。
1.2电气联锁缺陷分析目前,绝大部分开关柜的接地刀闸电气联锁均采用上述方案。
该电气联锁在开关柜机械联锁非常完善的情况下能够满足接地刀闸联锁要求,但是现在很多开关柜柜体与所配置的手车断路器并非一个厂家设计制造,导致很多开关柜柜体与手车断路器间存在设计误差、配合公差、机械联锁不完善等问题。
当机械联锁不完善时,电气联锁就显得极为重要。
实际应用表明,上述电气联锁方案在机械联锁不完善时无法满足联锁和“五防”要求。
高压开关柜接地开关安装具体操作程序:(1)出线柜A与进线柜B送电关闭进线柜B电缆室门(或盖板)并锁上→进线柜B接地开关分闸→进线柜B接地开关程序锁B解锁并取下钥匙(解锁前不可取下钥匙)→将钥匙插入出线柜A程序锁A→出线柜A接地开关分闸(钥匙插入前接地开关无法操作)→出线柜A隔离开关合闸→出线柜A主开关合闸→进线柜B主开关合闸。
缺点:当进线柜A与进线柜B相隔较远时,操作不太方便。
(2)进线柜B停电检修出线柜A主开关分闸→出线柜A隔离开关分闸→出线柜A接地开关合闸→出线柜A接地开关程序锁A解锁并取下钥匙(解锁前不可取下钥匙)→将钥匙插入进线柜B程序锁B(此时尚不可操作进线柜B 接地开关合闸)→进线柜B主开关分闸→进线柜B接地开关合闸→接地开关程序锁B闭锁(钥匙不可拔下)→打开进线柜电缆室门(或盖板)。
高压开关柜(2路进线柜+母联柜)主开关和接地开关安装程序锁这是一种较为典型的2路供电方案,须考虑3台主开关的运行和联锁以及停电检修时3台主开关与接地开关之间的联锁。
目的:防止进线柜A、进线柜B与母联柜C三台主开关同时合上。
保证在任何时候,最多只允许两台主开关同时合上。
说明:当进线柜B分闸、进线柜A与母联柜C处于合闸状态时如需要对母联柜C进行停电检修,由于母联柜C主开关与接地开关具有机械联锁,母联柜C接地开关合闸前主开关必须分闸,所以不会带电误合接地开关。
措施:进线柜A、进线柜B与母联柜C主开关各安装一把相同的程序锁A、B、C,3把程序锁共用2把相同的钥匙(即3锁2钥匙)口主开关合闸后程序锁钥匙即不可取下如要取下程序锁钥匙主开关必须分闸。
具体操作程序这里不作详细介召。
当接地铜排进线柜A分闸、进线柜B与母联柜C处于合闸状态时,如需要对母联柜C进行停电检修,则须考虑进线柜B与母联柜C 之间进行联锁。
目的:防止进线柜B主开关在关合(带电)状态下误合母联柜C接地开关·防止母联柜C接地开关在关合状态下误合进线柜B主开关送电。
关于高压系统中的接地开关的作用主要用于设备的检修,为了防止检修过程中突然来电,因此必须将检修设备的两端都接地高压配电柜的接地开关,一般为输出负荷侧接地,当我们检修高压配电柜负荷侧时(如:紧固螺栓、拆装电缆等),就要分断开关,同时合上配电柜的接地开关,这样可以防止突然来电引起触电事故,另外可以放尽剩余电荷,有利于检修安全---------------------------------------------------------------------------------------------在停电检修期间,为了保护操作人员,设备,系统的安全,就会把出线通过接地开关对地短路,进行完全放电,这样不会造成由误送电或线路反送电造成的触电事故--------------------------------------------------------------------------------------------这篇文章看来比较专业:3.1接地开关的一种特殊运行条件随着电力建设的发展,电网在不断扩大,容量也在不断增加,为了减少输电走廊占地,同塔双回路平行架空高压输电线路日渐增多,在这种输电线路中使用的某些高压接地开关要求具有开合感应电流的能力。
随着同塔双回线的普及和电压等级的升高,对接地开关开合感应电流的能力也要求越来越高,开合感应电流成为高压接地开关的一种特殊运行条件。
在两条或多条共塔或邻近平行布置的架空输电线中,当某一回或几回线路停电后,由于它与相邻带电线路之间产生电磁感应和静电感应,在停电的回路上将产生感应电压和感应电流。
因此,用于这些线路的接地开关,应能满足以下的运行条件:(1)当停电线路的一端开路,在线路另一端的接地开关分、合操作时,接地开关能开断和关合容性电流。
(2)当停电线路的一端接地,在线路另一端的接地开关分、合操作时,接地开关能开断和关合感性电流。
3.2标准规定的参数国标GB1985中以规范性附录C给出了接地开关开合感应电流的要求和试验方法。
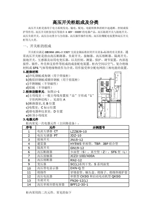
高压开关柜组成及分类高压开关柜是指用于电力系统发电、输电、配电、电能转换和消耗中起通断、控制或保护等作用,高压开关柜按电压等级在3.6KV~550KV的电器产品,高压隔离开关与接地开关、高压负荷开关、高压自动重合与分段器,高压操作操作结构、高压防爆配电装置和高压开关柜等几大类。
一、开关柜的组成开关柜应满足GB3906-1991«3-35KV交流金属标准封闭开关设备»标准的有关要求。
通常高压开关柜是指由高压断路器、负荷开关、接触器、高压熔断器、隔离开关、接地开关、互感器及站用电变压器,以及控制、测量、保护、调节装置,内部连接件、辅件、外壳和支持件等组成的成套配电装置。
柜内空间以空气、复合绝缘材料或SF6气体等绝缘物质作为介质,用作接受和分配电网的三相电能的装置。
1.柜体材料a)冷轧钢板或角钢(用于焊接柜)b)敷铝锌钢板或镀锌钢板(用于组装柜)c)不锈钢板(不导磁性)d)铝板(不导磁性)2.柜体功能单元,如图示-1a)主母线室(一般主母线布置按“品”字形或“1”字形两种结构),见部位Ab)断路器室,见B位置c)电缆室,C标示位置d)继电器和仪表室,D位置e)柜顶小母线室3.电器元件柜内常见一次电器元件(主回路设备):序号元件示例型号1 电流互感器CT LZZBJ9-102 电压互感器PT JDZ-103 接地开关JN15-124 避雷器HY5WS单相型,TBP、JBP组合型5 隔离开关GN19-126 高压断路器少油型(S);真空型(Z);SF6型(L)7 高压接触器JCZ3-10D/400A8 高压熔断器RN2-129 变压器SC(L)系列干变;S系列油变10 高压带电显示器DXN-Q型11 绝缘件穿墙套管、触头盒、绝缘子、绝缘热缩护套12 高压电抗器串联型CKSG和启动电动机型QKSG13 负荷开关FN26-12(L)14 高压单相并联电容器BFF12-30-1柜内常用的二次元件,常见的如下序号元件电气符号1 继电器KA2 电度表PJ/PJR3 电流表PA4 电压表PV5 功率表PW/PR6 功率因数表PPF7 频率表PF8 熔断器FU9 空气开关QF10 转换开关SH11 信号灯HL12 电阻R13 按钮SB14 微机综保In二、高压开关柜分类1.按断路器安装方式分为移开式(手车式)、固定式移开式或手车式(用Y表示):表示柜内的主要电器元件(如断路器)是安装在可抽出的手车上的,由于手车柜有很好的互换性,因此可以大大提高供电的可靠性,常用的手车类型有:隔离手车、记量手车、断路器手车、PT手车、电容器手车、所用变手车等,如KYN28A-12。
35kv高压开关柜一、引言35kv高压开关柜是电力系统中用于控制和保护电力设备的重要装置之一。
它在配电系统中起到接通和切断高压电源的作用,同时也可以监测电流、测量电压、进行保护等功能。
本文将介绍35kv高压开关柜的基本结构、工作原理、常见故障及维护等方面的内容。
二、基本结构35kv高压开关柜的基本结构包括开关箱体、断路器、隔离开关、接地开关等部分。
1.开关箱体:是35kv高压开关柜的外壳,用于保护内部元件,同时也起到防尘、防水、防腐蚀的作用。
2.断路器:是35kv高压开关柜中最重要的组件之一,用于将高压电源接通或切断,保护电力系统的稳定运行。
3.隔离开关:用于切断电源与负载之间的电气连接,通常在断路器之前安装,起到保护断路器的作用。
4.接地开关:用于将带电元件与地之间建立可靠的连接,以实现电气设备的安全接地。
三、工作原理35kv高压开关柜的工作原理主要包括以下几个步骤:1.接通电源:当需要接通高压电源时,先关闭断路器,然后将隔离开关合闸,确保电源与负载之间建立电气连接。
2.切断电源:当需要切断高压电源时,先将隔离开关拉闸,隔断电源与负载之间的电气连接,然后关闭断路器,切断高压电源。
3.监测电流、测量电压:在工作过程中,35kv高压开关柜还可以监测电流变化,测量电压大小,以便对电力系统进行保护和控制。
四、常见故障与维护1.断路器故障:断路器在工作过程中可能会因为机械磨损、接触不良等原因发生故障。
对于断路器故障,需要及时进行检修和更换。
2.接触不良:由于高压开关柜中接触部分长期使用,接触面可能会出现氧化、腐蚀等问题,导致接触不良。
定期清洁和维护接触部分可以减少接触不良的发生。
3.绝缘故障:35kv高压开关柜中的绝缘部分可能会因为外力损伤、老化等原因发生故障,需要定期检查和维护绝缘部分。
在进行维护操作时,应确保断开电源,穿戴好绝缘手套、护目镜等个人防护装备,避免发生意外。
五、总结35kv高压开关柜在电力系统中具有重要作用,通过接通和切断高压电源,实现对电力设备的控制和保护。
高压开关柜的结构分类开关柜是指按一定的方案将一次设备、二次设备组装而成的成套配电装置,主要用来对线路、设备实施控制、保护。
开关柜按电压等级可分高压开关柜(固定式和手车式)和低压开关柜(固定式和抽屉式)。
高压开关柜的结构大体类似,主要分为母线室、断路器室、二次控制室(仪表室)、馈线室,各室之间一般有钢板隔离。
内部元器件包括:母线(汇流排)、断路器、常规继电器、综合继电保护装置、计量仪表、隔离刀、指示灯、接地刀等。
从应用角度划分1、进线柜:又叫受电柜,是用来从电网上接受电能的设备:从进线到母线),一般安装有断路器、CT、PT、隔离刀等元器件。
2、出线柜:也叫馈电柜或配电柜,是用来分配电能的设备:从母线到各个出线),一般也安装有断路器、CT、PT、隔离刀等元器件。
3、母线联络柜:也叫母线分断柜,是用来连接两段母线的设备(从母线到母线),在单母线分段、双母线系统中常常要用到母线联络,以满足用户选择不同运行方式的要求或保证故障情况下有选择的切除负荷。
4、PT柜:也叫电压互感器柜,一般是直接装设到母线上,以检测母线电压和实现保护功能。
内部主要安装电压互感器PT、隔离刀、熔断器和避雷器等。
5、隔离柜:是用来隔离两端母线用的或者是隔离受电设备与供电设备用的,它可以给运行人员提供一个可见的端点,以方便维护和检修作业。
由于隔离柜不具有分断、接通负荷电流的能力,所以在与其配合的断路器闭合的情况下,不能够推拉隔离柜的手车。
在一般的应用中,都需要设置断路器辅助接点与隔离手车的联锁,防止运行人员的误操作。
6、计量柜:主要用来作计量电能用的千瓦时),又有高压、低压之分,一般安装有隔离开关、熔断器、CT、PT、有功电度表(传统仪表或数字电表)、无功电度表、继电器、以及一些其他的辅助二次设备(如负荷监控仪等)。
7、S VG:静止无功发生器,英文描述为:StaticVarGenerator,简称为SVG。
又称高压动态无功补偿发生装置,或静止同步补偿器。
JN15-12型户内高压接地开关JN15-12型户内高压接地开关
JN15型户内高压接地开关概述
JN15-12/31.5型户内高压接地开关(以下简称接地开关)是依据商场需要方案开发的新式接地开关,适用于户内3~12KV三相沟通50(60)Hz的电力体系内和各类型高压开关柜配套运用,亦可作为高压电器设备修补时接地用。
该接地开关构造简略紧凑、重量轻、操作活络、设备便当、动热安稳好,是JN4-十接地开关的志向换代商品。
JN15型户内高压接地开关环境条件
1、适用于以下环境条件
海行翻开不跨过十00米;
环境温度不高于+40℃,不低于-十℃;
相对湿度日均匀不大于95%,月均匀不大于90%;
地震烈度不跨过8度。
2、不适用于下列场合
设备场合址有严重影响接地开关绝缘和导电才调的气体、蒸汽、化学性堆积、烟雾、尘土尘垢以及其爆破腐蚀物质;
设备场合存在再三剧烈的哆嗦。
JN15型户内高压接地开关构造和作业原理
1、首要构造
接地开关有支架、接地刀设备、静触头、传感器、轴、拐臂、压簧、导电套管、软联接构成。
注:支架由薄钢板曲折后焊接成部件,别的均为拼装式零部件。
2、作业原理
当操作操动组织使接地开关合闸时,作为力矩使主轴打败阻力矩,股动拐臂沿合闸方向翻滚,并使接地刀上的操作杆经过压簧死点,压簧开释能量,使接地开关活络合闸,在合闸方位。
接地刀组件上的接地刀经过碟形绷簧和静触头的凸缘部(刀口)健旺牢靠地触摸。
分闸操作时,效果力矩使主轴打败主力矩及绷簧力,股动拐臂沿分闸方向翻滚,并使接地刀压簧经过死点,压簧储能完毕,以备下次合闸。
接地开关和合闸速度与人的操作速度无关。
KYN28A-12⾼压开关柜使⽤说明书KYN28A-12型户内铠装式交流⾦属封闭开关柜使⽤说明书⼀、概述KYN28中置⾼压开关柜是⽤于电⼒系统发电、输电、配电、电能转换和消耗中起通断、控制或保护等作⽤,电压等级在12kV的电器产品,主要包括⾼压断路器、接地开关、互感器等。
KYN28柜体由柜架和可抽出式⼿车⼆部分组成,各种⼿车均采⽤蜗杆摇动推进和退出,其操作轻便、灵活。
整个⼿车体积⼩,检查和维修⽅便。
⼿车在柜体内试验位置和⼯作位置都有到位装置,以保证机械联锁可靠。
根据⼿车的⽤途不同,可分为:转运车、PT车、熔断器车、计量车、隔离车、下置PT车、下置避雷器车和接地车等。
⼆、产品特点1.产品的外壳完全是由覆铝锌钢板经机床加⼯多重折弯成形后⽤螺栓组装⽽成,具有很⾼的机械强度,有效地保证了产品的整齐和美观,柜门采⽤喷塑涂覆,具有较强的抗冲击和耐腐蚀能⼒。
产品外壳具有IP4X级的防护等级。
2.本产品的主开关可配置ABB公司⽣产的VD4型真空断路器,C3系列固定式负荷开关,同时也可配置多种国产系列真空断路器(如VS1,VH1,VK,ZN28),以取代国外同类产品。
3.⽆论是选⽤何种断路器,其裸导体空⽓绝缘距离均能保证⼤于125mm,复合绝缘⼤于60mm。
其断路器均具有长寿命,⾼参数,少维护,体积⼩的独特优点。
三、符合标准GB3906-91《3-35KV交流⾦属封闭开关设备》GB11022-99《⾼压开关设备通⽤技术条件》IEC298(1990)《额定电压1kV以上50kV及以下交流⾦属封闭开关设备和控制设备》DL404-91《户内交流⾼压开关柜订货技术条件》四、使⽤环境条件环境温度:最⾼温度:+40℃,最低温度:-10℃环境湿度:⽇平均相对湿度:≤95%⽉平均相对湿度:≤90%海拔⾼度:2000m以下抗地震度:地震烈度不超过8度周围空⽓应不受腐蚀性或可燃⽓体、⽔蒸汽等明显污染⽆经常性的剧烈震动场所在超过GB3906规定的正常环境条件下使⽤时,由⽤户和我公司协商五、结构特点开关柜按 GB 3906 中的铠装移开式户内交流⾦属封闭开关设备设计,由柜体和中置式可抽出部件(即⼿车)两⼤部分组成。
10kv高压开关柜“五防"功能高压开关柜得“五防"装置一般可分为机械、电气与综合三类“五防”包括:防止带负荷分、合隔离开关(隔离插头);防止误分、误合断路器;防止接地开关处在闭合位置时合断路器;防止在带电时误合接地开关;防止误入带电间,以上五项防止电气误操作得内容,简称“五防”就是确保设备与人身安全、防止误操作得重要措施.1、手车式断路器得“五防"联锁:高压开关柜有些安装有状态显示器可以观察断路器得状态,在断路器面板上设有断路器分、合状态得机械指示。
手车式断路器位置与二次插头设有连锁,手车进入柜内后,二次插头与手车位置之间有以下联锁1)只有当手车在处于试验位置时才能插拔二次插头。
2)手车由试验位置,在摇向工作位置推进得过程中与达到工作位置以后,(二次插头被锁定)不能拔开二次插头。
3)电源闭锁:只有控制电源正常闭锁回路完好得情况下合闸机构才能自动解锁.当需要进线检修时;为保证检修人员得安全,值班人取下控制回路熔断器后,无论就是在远方或就地以及手动操作断路器断路器均无法合闸。
4)手车式断路器;断路器在工作位置合闸后进退车机构被锁住无法退出,只有当断路器处于分闸状态后才能摇动手车这就是为了防止断路器手车插接触头带负荷进行分离(带负荷拉隔离刀闸)。
5)当手车锁定在试验位置时,手车上得电气控制回路才能接通,可以对断路器合闸、分闸试验操作,同时手车底盘与接地刀闸联锁机构才能解除,才能进行接地刀闸得操作。
当接地刀闸合上时接地开关操作轴上得联锁机构闭锁装置阻止断路器底盘进车,只有将接地刀闸拉开解除与断路器闭锁后,断路器小车才能进车至工作位置,这就是为了防止接地刀闸在合位而误合接地刀闸,(防止带电合接地刀闸)与(装挂接地线)。
6)如果断路器在试验位置已经合闸,此时进车机构已被合闸机构锁住无法摇动手车前进,只有断路器分闸才能解除进车机构得锁定,才能进车至工作位置;这就是为了防止断路器手车插接触头带负荷进行连接(带负荷合隔离刀闸)。
高压开关柜的五防高压开关柜的“联锁”是保证电力网安全运行、确保设备和人身安全、防止误操作的重要措施。
GB3906--1991《3~35千伏交流金属封闭开关设备)对此作了明确规定。
一般把“联锁”描述为:防止误分、误合断路器;防止带负荷分、合隔离开关;防止带电挂(合)接地线(接地开关);防止带接地线(开关)合闸;防止误入带电间隔。
上述五项防止电气误操作的内容,简称“五防”。
“五防”装置一般司分为机械、电气和综合三类。
目前,市场上高压开关柜类型很多,大多数都有轴完善的联锁方式。
但仍有不少高压开关柜的联锁尤其是机械联锁不完善,尚不能完全达到“五防”要求。
为此,本文着重就机械联锁提出一些看法,与同仁探讨。
联锁实现方式在固定柜和手车柜中。
众所周知,隔离开关无专门的灭弧装置,一般不能用来接通或切断负荷电流。
在固定柜中,断路器与隔离开关的联锁关系明确,即只有在断路器分断的情况下才能操作隔离开关,隔离开关和断路器之间的机械联锁关系较易实现。
如在CC-1A(F)中,为防止带负荷分、合隔离开关,常采用一个扇形撞块和圆板结构,与操作隔离开关的CS6-I机构上的弹性定位锁配合,在断路器合闸时,圆板阻止定位锁拔出,从而防止带负荷分闸。
但手车柜的情况有所不同,手车进出实际上相当于固定柜中隔离开关的合分操作,因而对隔离开关的联锁要求同样适用于手车的进出要求。
当手车在试验位置与工作位置之间移动时,必须保证断路器处于分闸状态,不得合闸,即应具有所谓的“合闸闭锁”。
在投运的各型手车柜中,“合闸”电气闭锁一般通过将反映手车位置的行程开关接点串入断路器的合闸回路中来实现。
断路器两侧的隔离开关的操作顺序。
GG一1A(F)一07方案对断路器两侧的隔离开关的操作顺序规定如下:在装置会动作跳闸切除故障,缩小了事故范围。
反之,送电时,如果断路器误在合闸位置,后合母线侧隔离开关时,等于母线侧带负荷送电。
必将发生弧光短路,而使故障扩大。
这种情况下,如先合母线侧隔离开关,然后再合线路侧隔离开关,就等于用线路侧隔离开关带负荷合闸,一旦发生弧光短路,由于短路点在断路器外侧,故断路器保护即可动作跳闸,切除故障,缩小事故范围。
高压开关柜的组成及各部分的作用下载提示:该文档是本店铺精心编制而成的,希望大家下载后,能够帮助大家解决实际问题。
文档下载后可定制修改,请根据实际需要进行调整和使用,谢谢!本店铺为大家提供各种类型的实用资料,如教育随笔、日记赏析、句子摘抄、古诗大全、经典美文、话题作文、工作总结、词语解析、文案摘录、其他资料等等,想了解不同资料格式和写法,敬请关注!Download tips: This document is carefully compiled by this editor. I hope that after you download it, it can help you solve practical problems. The document can be customized and modified after downloading, please adjust and use it according to actual needs, thank you! In addition, this shop provides you with various types of practical materials, such as educational essays, diary appreciation, sentence excerpts, ancient poems, classic articles, topic composition, work summary, word parsing, copy excerpts, other materials and so on, want to know different data formats and writing methods, please pay attention!高压开关柜是电力系统中的重要设备,其组成部分及各自的作用对于电力系统的安全运行至关重要。
高压开关柜接地开关的应用和管理
1 高压开关柜无法“验电”
电力行业标准 DL408-91 《电业安全工作规程》第4条“保证安全的技术措施”中规定:“在全部停电或部分停电的设备上工作,必须完成下列措施:a.停电;b.验电;c.挂接地线;d.悬挂标示牌和装设遮拦。
”“验电时,必须用电压等级合适而且合格的验电器,在检修设备进出线两侧各相分别验电。
”而对于某些高压开关柜却无法实施“验电”这一重要的安全措施。
这是由于高压开关柜自身结构所造成的:
a. 高压开关柜带有接地开关;
b. 主开关(断路器或负荷开关)与接地开关具有联锁功能;
c. 接地开关与电缆室门(或盖板)具有联锁功能。
在高压开关柜停电检修时,一般操作程序为:主开关分闸→接地开关合闸→打开电缆室门(或盖板)。
由于在接地开关合闸之前无法打开电缆室门(或盖板),也就不能用验电器验电。
另外,由于某些高压开关柜柜宽尺寸较小,带电导体呈纵向布置,受高压开关柜结构的限制,验电器无法对每一相导体进行验电。
2 接地开关合闸前操作注意事项
2.1 高压开关柜(出线柜)主开关与接地开关必须具有可靠的联锁功能。
2.2 高压开关柜必须具有主开关和接地开关分合闸位置的机械指示,而且指示清晰、到位、真实、可靠。
2.3 高压开关柜必须安装高压带电显示装置。
电力行业标准 DL408-91 《电业安全工作规程》第4.
3.3条规定:“表示设备断开和允许进入间隔的信号、经常接入的电压表等,不得作为设备无电压的证据。
但如果指示有电,则禁止在该设备上工作。
”该项规定说明,高压带电显示装置仅作为一种提示性装置,而不能作为设备无电压的主要判据。
高压带电显示装置应具有试验按钮,在高压开关柜运行时,高压带电显示装置应置于非显示状态,以延长高压带电显示装置的使用寿命,当需要停电检修时,先按下试验按钮,此时带电显示灯应发光显示,然后操作主开关分闸,此时带电显示灯应熄灭,以此来判断高压带电显示装置是否完好。
高压带电显示装置宜选用感应式(非直接接触式),质量可靠,使用时间长。
值班人员在巡检时,应经常对高压带电显示装置进行试验,如有损坏应及时更换。
2.4 必须强调的是,只有对高压开关柜的机械分合闸指示、有关显示表计、高压带电显示装置等进行综合判断,且判断结果必须一致——无电,此时才可以操作接地开关合闸。
3 高压开关柜接地开关安装程序锁
高压开关柜接地开关安装程序锁是一种强制性措施,程序锁的设置应根据高压开关柜的整体方案进行合理组合,不但要实现安全、可靠、简单的联锁功能,而且要使操作人员易于识别、操作简便、杜绝误操作。
下面仅举两例说明。
3 .1 高压开关柜(进出线柜)接地开关安装程序锁
高压开关柜进出线联络方案见图1:
出线柜A与进线柜B接地开关各安装一把程序锁,两把程序锁共用一把钥匙(即2锁1钥匙)。
具体操作程序如下:
进线柜B停电检修
出线柜A主开关分闸→ 出线柜A隔离开关分闸→出线柜A接地开关合闸→出线柜A接地开关程序锁A解锁并取下钥匙(解锁前不可取下钥匙)→ 将钥匙插入程序锁B(此时尚不可操作进线柜B接地开关合闸)→ 进线柜B主开关分闸→ 进线柜B接地开关合闸→
接地开关程序锁B闭锁(钥匙不可拔下)→ 打开进线柜电缆室门(或盖板)。
出线柜A与进线柜B送电
关闭进线柜电缆室门(或盖板)并锁上→ 进线柜B接地开关分闸→进线柜B接地开关程序锁B解锁并取下钥匙(解锁前不可取下钥匙)→ 将钥匙插入程序锁A→ 出线柜A接地开关分闸(钥匙插入前接地开关无法操作)→ 出线柜A隔离开关合闸→A主开关合闸→ 进线柜B主开关合闸。
当进出线柜相隔较远时,用程序锁互为联锁的方法不太方便。
3.2 高压开关柜(2路进线柜+母联柜)主开关和接地开关安装程序锁
高压开关柜2路进线+母联方案(见图2):
出线柜A、进线柜B与母联柜C主开关各安装一把相同的程序锁A、B、C,3把程序锁共用2把钥匙(即3锁2钥匙)。
主开关合闸后程序锁钥匙即不可拔下,以防止3台主开关同时误合,这里不作详细介绍。
进线柜B与母联柜C接地开关各安装一把相同的程序锁E、D,两把程序锁共用一把钥匙(即2锁1钥匙)。
当进线柜A分闸、进线柜B与母联柜C合闸状态时,如需要对母联柜C进行停电检修,具体操作程序如下:
母联柜C停电检修
进线柜B主开关分闸→ 进线柜B接地开关合闸→ 进线柜B接地开关程序锁D 解锁并取下钥匙(解锁前不可取下钥匙)→ 将钥匙插入母联柜C接地开关程序锁E(此时尚不可操作母联柜C接地开关合闸)→ 母联柜C主开关分闸→ 母联柜C接地开关合闸→母联柜C接地开关程序锁E闭锁(钥匙不可拔下)→ 打开母联柜C电缆室门(或盖板)。
母联柜C送电
关闭母联柜C电缆室门(或盖板)并锁上→ 母联柜C接地开关分闸→母联柜C 接地开关程序锁E解锁并取下钥匙(解锁前不可取下钥匙)→ 将钥匙插入进线柜B接地开关程序锁D→ 进线柜B接地开关分闸(钥匙插入前进线柜B接地开关无法操作)→ 进线柜B主开关合闸→ 母联柜C主开关合闸。
接地开关安装程序锁,程序锁的设置应根据高压开关柜的整体方案进行合理组合,不但要实现安全、可靠、简单的联锁功能,而且要使操作人员易于识别、操作简便、杜绝误操作。
4 接地开关配置高压带电显示闭锁装置
接地开关另一种强制性闭锁措施是配置高压带电显示闭锁装置,其原理见图3:
高压带电显示闭锁装置具有以下功能:
a. 在同一取样电压信号下,高压带电显示电路与强制闭锁电路相互独立,互不干扰。
b. 只要高压带电,强制闭锁电路即处于闭锁状态,不会产生误操作。
c. 强制闭锁采用电磁锁,电磁锁另设独立电源,确保强制闭锁安全可靠。
d. 只要有一相取样电压信号存在,且取样电压信号≥15%高压侧额定电压,强制闭锁电路即处于闭锁状态。
(注:专业文档是经验性极强的领域,无法思考和涵盖全面,素材和资料部分来自网络,供参考。
可复制、编制,期待你的好评与关注)。