电力操作电源系统概述
- 格式:ppt
- 大小:3.58 MB
- 文档页数:53
GZDW智能高频开关电源直流电源柜使用说明书SLY苏州市龙源电力工程有限公司i前言由于直流电源设备存在能危及人身安全的高电压,危及供电电网安全的操作要求,请在安装、使用设备前查阅本手册的相关内容。
声明:由于产品和技术的不断更新、完善,本资料中的内容可能与实际产品不完全相符,敬请谅解。
如需查询产品的更新情况,请联系我公司。
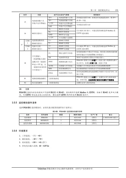
ii苏州市龙源电力工程有限公司3电力操作电源系统概述一 、系统原理:电力操作电源主要应用在发电厂、水电站、各类变电站中,为断路器分合闸及二次回路中的仪器、仪表、继电保护和故障照明提供直流电源。
电力操作电源系统主要由交流配电单元、充电模块、监控模块、降压单元、电池巡检单元、直流馈电单元(包括合闸分路、控制分路)、绝缘监测等几大部分组成。
由于不同的接线方式在输出馈电部分有所不同,但基本原理是一致的。
框图如图1所示:图1 电力操作电源系统原理框图系统工作原理如下:系统交流输入正常时,两路交流输入经交流切换控制电路选择其中一路输入,并通过交流配电单元给各个充电模块供电。
充电模块将输入三相交流电转换为110V 或220V 的直流,经隔离二极管隔离后输出,一方面给电池充电,另一方面给负载提供正常工作电流。
监控部分采用集中方式对系统进行监测和控制,充电模块运行参数由模块监控电路采集处理,然后通过串行通讯方式把处理后的信息传给监控模块,由监控模块统一处理后,显示在液晶屏上。
同时可通过人机交互操作方式对系统进行设置和控制,若有需要还可接入远程监控。
监控模块还能对每个充电模块进行均浮充控制,限流控制等,以保证电池的正常充电,延长电池寿命。
苏州市龙源电力工程有限公司4二、显示启动屏在确认接线无误后,合上PSM-E01监控模块外部配电开关给监控模块上电,先出现如下启动屏。
启动屏显示主信息屏启动完后,监控模块自动出现如下的主信息屏。
第一行的日期和时间交替显示,第二行显示的是合闸母线电压与负载电流,第三行显示的是系统状态(正常或告警),第四行显示的是系统进行蓄电池管理运行状态(自动或手动),以及电池状态(浮充、均充或放电)。
变配电站操作电源概述变配电站操作电源概述操作电源是保证变配电站正常运行的重要条件之一,它为变配电站开关柜提供暗号与合分闸电源;有些变配电站站内事故照明也引自操作电源屏。
操作电源设计不合理或出现故障,不仅会引发事故,也会在发事故后破坏变配电站继电庇护的正确动作而使事故扩大。
有关资料统计,电力系统变配电站发生的事故中与操作电源有关的事故占有很大比例,这就要求对操作电源应加强维护与治理,从变配电站设计与施工开始就要保证操作电源的可靠性。
1 操作电源种类与应用范围变配电站操作电源分为直流操作与交流操作两种。
直流操作电压有220V、110V与48V 三种,交流操作电压只有220V一种。
直流操作可靠性高,但造价也高,供一级负荷的变配电站与大中型变配电站一般都采纳直流操作。
电力系统中110kV及以上的变配电站都采纳直流操作。
110kV以上的重要变配电站还采纳双直流操作电源。
交流操作电源简单,造价低,电力系统中农网35kV变配电站以及城市电网中10kV开闭所一般都采纳交流操作。
变配电站操作电源要按照断路器操动机构的种类来设计。
电磁操动机构应选用直流操作,蓄电池容量都在150AH以上。
采纳弹簧储能操动机构后,一些小型变配电站可采纳交流操作。
2 操作电源电压等级选择操作电源电压等级按照所选用的操动机构来选择。
电磁操动机构的合闸电流一般都在100A 以上,所以选用电磁操动机构时,操作电源电压应选用直流220V。
弹簧储能操动机构与永磁操动机构电源电压有直流与交流两种。
弹簧储能操动机构的储能电动机功率只有几百瓦,合分闸电流只有3~5A,永磁操动机构的电源电流与合分闸电流均不到1A。
操作电源为直流操作时,选用弹簧储能与永磁操动机构,操作电源电压应选用110V。
此时蓄电池串联级数可减少一半,其并联级数虽然也应增加一倍,但由于其工作电流小,绝对值增加并不大。
此时可降低直流屏成本。
操作电源为交流操作时,为便利取得备用电源,交流操作电源只有220V一种电压等级。
发电厂变电所的操作电源一、操作电源的类别和要求1、常用的操作电源的类别①由蓄电池组供电的直流操作电源,具有可靠性高和容量较大的突出优点,但投资较大,运行维护也较复杂。
②整流操作电源,目前应用最为广泛,常用的有硅整流电容储能的和带镉镍蓄电池的硅流的两种。
③交流操作电源,具有简单经济、便于运行维护的突出优点,在小型变电所中应用很广。
④交直流混合操作电源,例如合闸采用交流操作电源,而继电保护、自动装置和跳闸采用蓄电池组供电。
2、操作电源的基本要求①供电可靠,在一次电路发生故障情况下,它也能保证二次回路正常工作。
②有足够的容量,能够保证二次回路执行其跳、合闸的功能。
③其电流类别应与二次回路中控制、保护装置的电流类别要求相适应。
④尽可能简单经济,便于运行维护。
3、对用作直流电源的蓄电池组要求①由浮充电设备引起的波纹系数不应大于5%。
②电压允许波动应控制在额定电压的5%范围内。
③放电末期直流母线电压下限不应低于额定电压的85%,充电后期直流母线电压上限不应高于额定电压的115%。
4、对用作直流电源的交流整流电源要求①在最大负荷时保护装置动作直流母线电压不应低于额定电压的80%,最高电压不应超过额定电压的115%,并应采取稳压、限幅和滤波的措施。
电压波动应控制在额定电压的5%范围内,波纹系数不应大于5%。
②当采用复式整流时,应保证在各种运行方式下,在不同故障点和不同相别短路时,保护装置均能可靠动作。
③对采用电容储能电源的变电所和水电厂,电力设备和线路应具有可靠的远后备保护,在失去交流电源情况下,当有几套保护同时动作时,或在其它情况下消耗直流能量最大时,应保证保护与断路器可靠动作,同一厂所的电源储能电容的组数应与保护的级数相适应。
5、对交流操作电源的要求①当采用交流操作的保护装置时,短路保护可通过被保护元件的电流互感器取得操作电源。
②变压器的瓦期保护和中性点非直接接地电力网的接地保护,可由电压互感器或变电所所用变压器取得操作电源,亦可增加电容储能电源作为跳闸的后备电源。
关于电力操作电源两种控制方式的比较doc-关于电力操作电引言开关电源是一个闭环的自动操纵系统,开关电源的操纵环节的设计是其设计的重要组成部分。
其常用的设计步骤是对主电路建立小信号模型,作出开环波特图,然后按照性能指标要求,运用经典自动操纵理论,设计校正系统,使系统具有良好的稳态和暂态性能。
专门多研究者对开关电源的操纵系统进行了分析[1][4]。
应用在电力领域的开关电源一样要求能工作在恒压和恒流两种模式,在操纵上有两种常用的实现方式:一种是采纳并联式双环操纵,在系统中建立两个独立的电压环和电流环。
这种操纵方式简单稳固,容易设计,稳固时只工作在某个单环操纵下,两个操纵环可不能互相干扰,能够保证专门好的恒压和恒流精度。
另一种是采纳串级式双环操纵,当系统工作在恒压模式下时是用双环操纵,工作在恒流模式下是用单环操纵。
电力操作电源一样为并联工作的模块式电源,在这种并联运行的电源中限流特性十分重要,否则当一台模块退出工作时,其它模块会因不能及时限流而引起连锁反应,相继爱护退出工作。
另外,从操纵的角度来讲,减小运行参数对操纵系统稳固性的阻碍,增强系统的鲁棒性是专门重要的。
本文通过对两种操纵方式进行建模分析,对两种操纵方式的限流速度和操纵稳固性进行了比较,并通过实验得到了验证。
2两种操纵方式分析21并联式双环操纵方式这种操纵方式电路原理图如图1所示,使用两个并联的单环分不实现电路的恒压和恒流功能,电压环PI调剂器输出和电流环PI调剂器输出均通过一个二极管接到三角波比较器的正输入端,电路工作时,若电压环PI调剂器输出UV1小于电流环PI调剂器输出UC1,则DV1导通,电路工作在电压环操纵模式;反之DC1导通,电路工作在电流环操纵模式。
这种操纵方式下,在稳固工作时,电压环和电流环只有一个环在工作,可不能互相干扰。
而且单环操纵的设计和分析都相图1并联式双环操纵方式的电路原理图图2电压环单环操纵模式下的电路方框图图3电流环单环操纵模式下的电路方框图图4电压环单环开环波特图图5电流环单环开环波特图对简单。
电力用直流和沟通一体化不连续电源技术方案一、概述目前变电站一般配置三套各自独立的操作电源系统,即直流操作电源(DC)、通信电源、沟通不连续电源(UPS),每套电源系统单独配置蓄电池室、蓄电池组和监控治理系统。为掌握、信号、保护、自动装置以及某些执行机构等供电的直流电源系统,通常称为直流操作电源。为微机、载波、消防等设备供电的沟通电源系统,通常称为沟通操作电源;为交换机、远动等通信设备供电的直流电源系统,则称为通信电源。1.1变电站操作电源系统现状分析1.1.1直流操作电源(DC)直流操作电源是在站用沟通电源正常和事故状态下都能保持可靠供电给变电站内全部掌握、保护、自动装置等掌握负荷和各类直流电动机、断路器合闸机构等动力负荷的电源。直流操作电源系统电压一般选择220 V或110 V,承受不接地方式。对220 kV及以上变电站均装设2组蓄电池及2套充电装置,构成两电两充方式,承受单母线分段接线,2段母线之间设联络电器,2组蓄电池及2套充电装置分别接于不同母线段。从90年月开头智能高频开关电源技术的成熟 ,实现了模块化和并联热备份运行,蓄电池组则承受免维护的阀控式铅酸蓄电池 ,承受分布式计算机及现场总线技术对直流电源系统进展集中监控,提高了充电模块的智能化治理水平及维护便利性,系统运行的牢靠性和技术水平取得了质的飞跃,目前在变电站中已完全取代相控电源而广泛应用。降交 流配 沟通输入电 单元整流模块*)硅 整流模块堆 压整流模块掌握输出动力输出配电监控 电池巡检动 控力 制母 母线 线绝缘监测无源触点监控模块 至电站监控系统 *)系统不设置硅降压装置时,动力母线和掌握母线合并。
图1 智能高频开关直流电源典型系统构造图1.1.2 通信电源通信电源供给应变电站内载波机 、光端机等通信设备及保护复接设备电源。系统电压为48V,承受正极接地方式。220 kV 及以上变电站按两电两充设计,承受单母线接线,两组蓄电池及2套充电装置分别 接于不同母线段,2段母线之间不设联络电器。1.1.3 沟通不连续电源 (UPS)沟通不连续电源在变电站中UPS 主要是给不允许短时停电的计算机监控设备供电,牢靠性及稳定性要求高,一般均承受一用一备串联运行方式,即正常时由主机供电,主机故障时,从机自动投入。UPS 正常 由沟通电源供电,当沟通电源消逝或整流器、逆变器等元件故障,则由自带的蓄电池向逆变器供电。从90年月中期开头,大量应用在变电站中UPS,由于其内置的蓄电池组容量小且没有专业的维护措施,因此造成蓄电池容量缺乏或损坏而无法满足自动化的要求。1.2独立的操作电源系统给客户带来了以下问题1)无法综合优化资源,各自独立的操作电源系统重复配置蓄电池组,使一次投资增加。2)分散布置的设备增加了日常运行维护工作。3)各操作电源系统的供给商由于利益的差异使安装、效劳等协调困难。4)供电局各操作电源系统专业班组无法统一治理。1.3型解决方案针对以上问题,我司设计完成型直流和沟通一体化不连续电源系统,并解决了一体化不连续电源共用蓄电池带来的隔离、DC/DC馈线短路脱扣、统一信息治理等技术难题。二、一体化不连续电源的实施方案直流电源、电力用沟通(UPS)和电力用逆变电源(INV)、通信用直流变换电源(DC/DC)等装置组合为一体 ,共享直流电源的蓄电池组 , 并统一监控的成套设备。依据变电站存在的电源类型及其特点 ,考虑目前运行治理体制的差异,我司一体化不连续电源可按以下 2种类型进展接线设计。2.1DC—UPS一体化电源。统一由直流操作电源供电,除供给直流操作电源DC外,还供给沟通不连续电源UPS。主要由直流操作电源、电力专用UPS或逆变、集中监控等局部组成。UPS不配置独立蓄电池组 ,与直流电源共用蓄电池组,UPS装置作为直流系统的负荷之一。电力专用逆变器直流输入取自站内直流掌握电源系统的蓄电池组,并且实现了直流与沟通输入和输出的电气隔离,以及高精度的稳压稳频逆变输出 ,是真正意义上的干净电源。图2 电力专用逆变电源INV典型系统构造图图3 电力专用UPS电源典型系统构造图从系统构造图中我们可以看出,电力专用UPS与逆变电源INV的区分仅仅是在逆变电源的根底上增加了整流器 ,正常运行为在线模式, 即沟通输入经整流器变为直流电后再经逆变器变为标准的正弦波输出,电网停电时无连续地切换至直流掌握电源供电 ,适用于对电源质量要求较高的微机监控设备。另外在牢靠性要求更高的变电站中 ,可承受1+1双机热备份或者N+1多机热备份方式供电。电力专用逆变电源INV主要用于后备模式运行,即沟通输入正常时经旁路输出,电网停电时无连续地切换至直流掌握电源逆变输出,适用于对电源质量要求不高的沟通负荷,如事故照明。电力专用逆变电源虽然可以运行在在线模式,但要增加直流掌握电源系统的常常负荷电流和充电装置的选择容量,明显是不合理的选择。DC—UPS一体化电源装置设计理念能较好地符合当前变电站的治理体制和运行习惯。2.2DC—UPS—DC/DC一体化电源。该接线设计同时取消了UPS系统、通信电源系统的蓄电池,共用直流操作电源DC的蓄电池组。统一由直流操作电源供电,除供给直流操作电源DC、沟通不连续电源UPS,还供给通信用48 V电源。在前述接线1的根底上,利用DC/DC电源变换装置代替原通信专业48 V蓄电池电源系统,将DC/DC装置作为直流系统的一个负荷考虑。它同样是取消了配套的蓄电池组,从站内直流掌握电源系统的蓄电池组取得直流电,经高频变换输出满足通信设备要求的 48V掌握电源。DC-DC变换器不但实现了直流输入与输出的电气隔离 ,而且通过模块的并联冗余,可以获得很高的牢靠性,绝缘及耐压也满足电力系统的特别要求。三、一体化不连续电源制造的客户价值和效益一体化不连续电源与变电站传统独立操作电源相比 ,具有以下主要特点:(1)设备资产优化,提高工程投资经济性一体化不连续电源削减了通信用蓄电池及UPS蓄电池,与加大直流操作电源蓄电池容量所增加的投资比 ,可节约肯定资金。削减了蓄电池组,也就是节约了使用空间。一体化不连续电源仅用一组蓄电池, 削减了长期维护费用。(2)人力资源优化,削减日常维护工作量,削减人员配置一体化不连续电源仅配置 1套直流操作电源蓄电池,取消UPS电源、通信电源蓄电池组,削减了维护治理工作量。蓄电池的日常维护由电气专业人员完成,对蓄电池的日常治理具有更严格的巡察、检查、维护体系,因而可以延长电池的使用寿命,并提高电源系统的牢靠性。一体化不连续电源将打破目前变电站的运行治理体制和习惯 , 将原各操作电源分开进展维护治理的工作转变到了由变电电气专业人员统一治理维护,削减人员冗余配置。(3)社会经济效益削减蓄电池的使用量,对改善环境质量具有乐观的作用。并节约了蓄电池生产所需的铅、铜等不行再生资源。(4)精细化治理,能较好地实现电源系统治理的网络化、智能化。将原由不同供货商供给的、通信规约不兼容的电源系统统一为同一标准的产品,设置集中监控器与变电站后台监控通信 ,实现站用电源系统数据一体化的实时监视 ,被监控对象的掌握、调整和运行方式便于实施集中治理、分散掌握。集中监控承受总线式构造,能便利地进展监控功能的扩展,便利维护。四、一体化电源已解决的技术问题4.1不同电源系统与直流操作电源系统的隔离直流操作电源系统为不接地系统,所以沟通侧的UPS装置的沟通输入、输出与直流侧必需实行措施进展隔离,如承受隔离变,可避开沟通侧的运行及故障影响直流操作电源系统侧的绝缘降低,造成直流系统接地等特别。通信电源系统承受正极接地方式,所以DC/DC装置的输入、输出局部也是隔离的。另外,对于单电单充的变电站,蓄电池组出现故障,则全站全部的交直流电源系统都将失电 ,带来较为严峻的后果,以上都是我司一体化不连续电源针对变电站的重要程度所解决的问题。4.2DC/DC馈线短路保护装置当电力通信专用DC/DC模块一条馈线支路发生短路故障,馈线短路保护装置能够在DC/DC短路保护状况下,能牢靠切除故障馈线,同时不影响通信电源正常供电。4.3蓄电池容量的选择一体化电源设备增加了UPS、DC/DC装置,其直流负荷的统计计算时间和负荷系数要合理选择。如工程设计中UPS的负荷容量一般均较实际偏大,容量计算时可考虑负荷系数为0.6,避开蓄电池容量选择过大。事故放电时间计算时,直流操作电源系统按无人值班考虑2h,而通信电源系统则按12 h考虑,容量选择时必需考虑以上不同运行条件要求,保证足够容量以满足牢靠性要求。五、一体化不连续电源系统应用总结一体化不连续电源系统削减了设备配置、蓄电池及检测设备、屏柜数和安装建筑面积,提高设备牢靠性、数据共享及系统分析水平,由变电站统一运行、维护,削减了运维人员和工作量,提高了工作效率和运营治理经济性。一体化电源必将发挥出它的优势 ,具有良好的进展前景。6事故照明逆变电源屏3kVA面1附件1一体化不连续电源货物范围一览表序号 名称型号规格 单位 数量 备注1 高频开关电源直流充电屏DC110V面 1 含一体化监控系统2 直流馈线屏面13 蓄电池屏 200Ah 套 1 选用单节电池(2V)4 沟通屏 0.4KV 面 11 5电力专用UPS 屏 1kVA 面 1附件2 设备一览表附件3一体化不连续电源技术条件书1. 总则1.1. 本次订货的电力用直流和沟通一体化不连续电源设备应到达以下标准和技术条件的要求:: DL/T1074- 《电力用直流和沟通一体化不连续电源设备》DL/T5044- 《电力工程直流系统设计技术规定》 DL/T720- 《电力系统继电保护柜、屏通用技术条件》 GB/T 2900.11- 《电工术语 蓄电池名词术语》GB/T 2900.32- 《电工术语 电力半导体器件》GB/T 2900.33- 《电工术语 电力电子技术》GB4208- 《外壳防护等级》DL/T 637- 《阀控式密封铅酸蓄电池订货技术条件》 DL/T 459- 《电力系统直流电源柜订货技术条件》 NDGJ8- 《火力发电厂、变电所二次接线设计技术规程》DL/T724-《电力系统用蓄电池直流电源装置运行与维护技术规程》DL/T781- 《电力用高频开关整流模块技术规定》DL/T5120- 《小型电力工程直流系统设计规程》电安生[1994]191 《电力系统继电保护及安全自动装置反事故措施要点》国家电力公司《防止电力生产重大事故的二十五项重点要求》国电调[2023]138号《“防止电力生产重大事故的二十五项重点要求”继电保护实施细则》GB3859.1- 《半导体电力变流器》GB4942.2 《低压电器外壳防护等级》GB/T 4208- 《外壳保护等级》GB/T 13384- 《机电产品包装通用技术条件》GB/T 17626.2- 《电磁兼容试验和测试技术静电》GB7261- 《继电器及继电保护装置根本试验方法》GB1984- 《沟通高压断路器》DL402- 《沟通高压断路器》GB/T14715-93 《信息技术设备用不连续电源通用技术条件》以上标准均以最版本为准2.环境条件及工程条件2.1.环境条件2.1.1.安装场所: 户内全地下2.1.2. 四周空气温度: - 15 ℃~ + 40 ℃最大日温差: 15℃相对湿度: ≯90%2.1.3.地震强度:水平加速度垂直加速度≤0.2g ≤0.1g2.1.4.海拔高度: 不超过1000m2.1.5.噪声水平: ≯55dB 2.2.系统概述2.2.1.变电站电源系统承受电力用直流和沟通一体化不连续电源设备来实现。对于变电站来说,掌握和操作用的沟通不连续电源和直流操作电源的牢靠性是至关重要的,它们是整个站内用电设备的动力来源。一旦它们发生故障,将会导致微机掌握系统失灵和操作开关拒动等等事故,对安全生产造成极大危害。将二者整合为一体,实现统一监控和远程监控,这对于变电站智能化治理是必不行少的,是变电站电源进展趋势。一体化电源装置主要技术特征有:(1)事故照明逆变电源、电力专用 UPS 电源和直流电源共用蓄电池,削减运行维护工作量,提高供电牢靠性,提高站用电源整合机制;(2)通过符合 IEC61850 标准的统一通讯接口,实现对沟通电源、直流操作电源和沟通不连续电源的远程监控,建立站用电源网络监控平台,提高直流电源和UPS 电源的智能化、网络化监控;(3)逆变负载、UPS负载短路时不关机、不中断供电;(4)逆变、UPS 监控器具有智能化防误操作的模拟显示屏,可有效防止由于误操作而导致停电事故;(5)逆变、UPS 的输入和输出均具有工频隔离变压器,从而保证沟通侧的任何特别不会影响直流操作电源的对地绝缘。2.2.2.电力用直流和沟通一体化不连续电源设备系统框图入下所示:上图种仅示意了UPS系统,逆变系统依据UPS系统一样设置。2.2.3.一体化电源直流操作电源(DC)配置及接线110V直流操作电源包括蓄电池组、蓄电池充电器、直流屏、蓄电池屏等。充电器承受高频开关型,具有稳压、稳流及限流性能。直流馈线承受辐射状供电方式。直流系统额定电压:110V DC直流系统接线:单母线接线,辐射状供电,接一组蓄电池和一套高频开关充电装置。蓄电池组数及容量:1组/200Ah(待设联会确认)高频开关充电模块配置:4个20A模块,掌握母线上配置2个,合闸母线上配置2 个。2.2.3.1高频开关电源根本技术参数充电装置型式:高频开关电源沟通输入: 三相380V±15%50HZ±10% 双回手动、自动切换直流输出: 额定电压110V额定输出电流:20A输出稳压精度为: ±0.1%输出稳流精度为: ±0.1%纹波系数:≤0.1%(阻性负载)并机均流不平衡度:±5%2.2.4.一体化电源装置中逆变电源、电力专用UPS配置及接线逆变电源、电力专用UPS包括沟通输入和输出工频隔离变压器、整流器、逆变器、静态转换开关、手动旁路开关和沟通配电单元等。本工程要求逆变电源、UPS均不带蓄电池,直流电源来自站内直流系统。沟通输出额定电压:220V AC电力专用UPS电源数量及容量:1kVA/台1台逆变电源数量及容量:3kVA/台1台2.2.4.1逆变电源、电力专用UPS电源根本技术参数标称沟通输入电压: 220VAC±15%直流输入电压110V,80—115%,纹波系数≤5%沟通输出电压220V±2%(沟通直接输入除外)沟通输出频率:50HZ±0.5%(沟通直接输出除外)波形失真:≤5%(在0~100%线性负载) 过载力量:120%10min150%10S 关机转旁路直流输入与沟通输入切换时间: 0 ms 逆变输出与旁路输出切换时间: ≤4ms 输出功率因数: 0.8 噪 音: 效 率: ≯55dB ≥85% 波峰系数:3:1工频耐压: 屏内各带电回路按其工作电压应能承受下表所规定历时1分钟的 工频耐压试验(特别强调SPWM 逆变输出原边回路对地),试验过程中应无绝缘击穿和内络现象。防电磁干扰:符合GB9254的规定。特别是通过二极管对直流源(直流母线)的传导干扰应小于300mV 。牢靠性估量指标: MTBF 大于10年。3. 技术参数和性能要求3.1. 总的要求3.1.1. 一体化电源设备的根本参数和技术指标应满足《电力用直流和沟通一体化不连续电源设备》要求。3.1.2. 全部的元器件必需选用具有生产许可证的合格产品,其性能应符合该元 器件技术条件的规定。3.1.3. 各柜体应设保护接地,接地处应有防锈措施和接地标志;额定绝缘电压U额定工作电压沟通均方根值或直流V≤60 i工频电压 KV 冲击电压 KV1.0 1 60< V ≤3002.0 5 300< V ≤5002.512四遥功能整流模块沟通屏沟通输入电压、电流遥测单个模块的输出电压、电流交、直流配电三相电压母线电压、电流电池充/放电压、电流逆变、UPS电源直流输入电压、电流沟通输入电压、电流沟通输出电压、电流、频率遥信交直流输入电压、特别报警沟通输出特别报警故障3.1.4.柜内元器件的安装应整齐美观,应考虑散热要求及与相邻元件之间的间隔距离,并应充分考虑电缆的引接便利。3.2.一体化电源设备的技术要求3.2.1.接线方式直流母线应承受单母线运行方式,母线接一组蓄电池、一套充电装置、一套逆变及一套UPS。蓄电池组经保护电器接入母线。外部放电设备经保护电器直接与蓄电池并接。3.2.2.一体化电源屏配置一体化电源屏应包括充电装置进线、蓄电池进线、放电试验、逆变进线、UPS进线、馈线开关等开断设备。组屏按充电装置及馈线屏、蓄电池屏、逆变屏、UPS屏原则设置。阀控式密封铅酸蓄电池要安装在蓄电池屏内,放置于户内。3.2.3.网络设计沟通电源输入回路应承受双回,且能自动切换,在切换后输入高频开关整流模块、逆变电源模块和UPS电源模块前均需配置防雷设施。直流回路的操作与保护设备承受西门子直流型自动空气开关,沟通回路的操作与保护设备承受西门子沟通型自动空气开关。全部回路需有指示灯,空开带报警接点。3.3.一体化电源设备应具有遥信、遥测、遥控、遥调功能,留有与变电所监控系统或远方掌握中心的数字接口,满足无人值守变电所的要求。四遥的根本功能见下表:充电机输出电压、电流浮充电流正常工作状态沟通输入过压、欠压、缺相母线过压、欠压沟通输入过压、欠压母线过压、欠压故障工作状态进线开关、分段开直流母线正、负极关状态绝缘低馈线故障报警熔断器熔断、开关。
供配电系统的工作原理
供配电系统是将电能从发电厂输送至用户的一种电能传送和分配系统。
它由电源、输电系统、变电系统和配电系统组成,具体工作原理如下:
1. 电源:供配电系统的电源通常为发电厂,它利用各种能源如煤电、水电、核电等产生电能。
发电厂将电能转换为交流电,以适应长距离输电和分配的需求。
2. 输电系统:输电系统负责将发电厂产生的电能经过高压输电线路传输至变电站。
这些高压输电线路通常采用铁塔或地埋电缆架设,以减少能量损耗。
输电过程中经常会涉及电压的变换和调整。
3. 变电系统:变电站是供配电系统中的重要环节,其作用是将输送来的高压电能转变为交流电,然后进行电流分配。
在变电站中,通过变压器将高电压转换为较低的工作电压,以适应不同用户的需求。
变电站还负责对电能进行监测、保护和调节,以确保电能的安全和稳定传输。
4. 配电系统:配电系统将从变电站输出的低电压电能分配给各个用户。
配电系统通常包括配电开关柜、断路器、电能计量设备、电缆和配电箱等设备。
这些设备将电能分配至不同的区域或建筑物,并确保电能供应的可靠性和稳定性。
总体来说,供配电系统通过将从发电厂产生的电能经过输电和变电的过程,最终将其分配给各个用户。
这个过程包括电能的
传输、变压、调节、分配和监测等环节,以满足用户对电能的需求,并保证电能传输的稳定和安全。
电力工程基础知识总结一、电力系统概述:1。
1 电力系统定义:电力系统是电能生产、变换、输送、分配、消费的各种设备按照一定的技术和经济要求有机组成的一个统一系统的总称。
简言之,电力系统是由发电机、变压器、输电线路、用电设备组成的网络,它包括通过电的或机械的方式连接在网络中的所有设备。
1.2 动力系统的构成:动力系统是由锅炉(反应堆)、汽轮机(水轮机)、发电机等生产电能的设备,变压器、输电线路等变换、输送、分配电能的设备,电动机、电热电炉、家用电器、照明等各种消耗电能的设备以及测量、保护、控制乃至能量管理系统所组成的统一整体。
1。
3 电力系统的电压等级额定电压:通常取线路始末电压的算术平均值作为用电设备以及电力网的额定电压。
由于用电设备的允许电压偏移为±5%,而延线路的电压降落一般为10%,这就要求线路始端电压为额定值的105%,以保证末端电压不低于95%.发电机往往接于线路始端,因此发电机的额定电压为线路的105%.通常,6.3KV 多用于50MW及以下的发电机;10。
5KV用于25~100MW的发电机;13。
8KV用于125MW的汽轮发电机和72.5MW的水轮发电机;15.75KV用于200MW的汽轮发电机和225MW的水轮发电机;18KV用于300MW的汽轮发电机。
变压器的一次额定电压:升压变压器一般与发电机直接相连,故与发电机相同降压变压器相当于用电设备,故与线路相同.变压器的二次额定电压:考虑到变压器内部的电压降落一般为5%,故比线路高5%~10%。
只有漏抗很小的、二次测线路较短和电压特别高的变压器,采用5%。
习惯上把1KV以上的电气设备称为高压设备反之为低压设备。
◇ 500、330、220KV多半用于大电力系统的主干线;◇ 110KV既用于中小电力系统的主干线,也用于大电力系统的二次网络;◇ 35、10KV既用于大城市或大工业企业内部网络,也广泛用于农村网络。
◇大功率电动机用3、6、10KV,小功率电动机用220、380V;◇照明用220、380V。
电力用直流操作电源系统直流操作电源系统是一种供应直流电力的发电装置。
与交流电相比,直流电具有稳定性强、效率高以及传输损失小等优点。
因此,在一些特定的应用领域,如电动汽车、太阳能光伏发电等,人们更倾向于采用直流电源系统。
直流操作电源系统通常由以下几个核心组件组成:直流发电机、整流器、滤波器、电池以及逆变器等。
首先,直流发电机是直流操作电源系统的重要组成部分。
它通过转动磁铁在线圈周围产生感应电流,将机械能转化为电能。
直流发电机可以采用不同的工作原理,其中最常用的是基于励磁和感应的发电机。
其次,整流器是直流操作电源系统中的核心设备之一、它将交流电转换为直流电。
直流发电机产生的电流是交流的,通过整流器可以将其转变为直流电,以供给电路中的各种负载使用。
为了确保直流电的稳定性,滤波器在直流操作电源系统中起到了重要的作用。
它能够消除电流中的纹波以及其他杂散信号,保持直流电的稳定性。
滤波器通常采用电容器和电感器等元件组成。
对于直流操作电源系统来说,电池是另一个重要的组成部分。
它能够存储电能,并在需要的时候释放出来。
电池可以作为短期备用电源使用,在断电等紧急情况下,提供必要的电力支持。
最后,逆变器可以将直流电转换为交流电。
在一些需要交流电供电的设备中,逆变器能够将直流电转换为符合设备要求的交流电。
逆变器可以根据需要提供不同的输出电压和频率。
总的来说,直流操作电源系统具有很多优点,如输出稳定、效率高、传输损失小等。
在一些特定的应用场景中,直流操作电源系统已经取代了传统的交流电系统。
随着太阳能光伏发电和电动汽车等领域的快速发展,直流操作电源系统将会变得更加重要和广泛应用。
ZGD智能高频开关电力操作电源系统 用户手册 扬州中凌高科技发展有限公司 1999.10 目录 第一章前言 (3)1、引言..........................................................................3系统特点.......................................................................3第二章电源系统的使用与维护 (4)2.1加电运行程序..................................................................42.2充电模块的操作................................................................42.3监控模块使用说明..............................................................52.3.1监控模块的前面板...........................................................52.3.2启动......................................................................62.3.3系统参数..................................................................72.3.4充电柜参数................................................................72.3.5馈电柜参数................................................................82.3.6模块参数..................................................................92.3.7其它参数..................................................................92.3.8报警数据.................................................................102.3.9设置.....................................................................112.3.10系统控制................................................................222.4电池管理.....................................................................232.5有关监控模块的几点说明........................................................232.6带载工作.....................................................................242.7关机.........................................................................242.8常见故障及处理...............................................................24 第一章前言 1、引言本系统主要用于电力系统中的发电厂,水电站和各类变电站,用于断路器分合闸及二次回路中的仪器,仪表,继电保护和故障照明。
GZDW智能高频开关电力操作电源系统技术手册TH1-20020816-C-3.1主编:王建华主审:马晓峰李明谦祝佳林编辑:丛福奎任永山东泰开自动化有限公司内容介绍第一章概述电力操作电源的应用、特点、种类、命名原则和配置列表、技术参数、系统组成清单。
第二章标准一体柜系统标准一体柜的结构及配电、馈电原理。
系统的特点和性能指标。
第三章小型一体柜系统小型一体柜的结构及配电、馈电原理。
系统的特点和性能指标。
第四章分屏柜系统分屏柜系统由充电柜和馈电柜组成。
本章分别介绍充电柜I和II,以及标准馈电柜的结构、工作原理、特点和技术指标。
第五章充电模块本章介绍TH充电模块的特点、工作原理、关键技术、技术指标、外形尺寸和安装形式。
第六章监控系统电力操作电源监控系统的构成、特点,分级监控原理,智能电池管理过程。
第七章系统通用组件介绍降压硅链单元以及分级防雷措施和系统接地。
标记和符号约定产品上的标记警告高压在高压存在的地方有此标记。
保护性接地端在机柜底框架保护接地端上有此标记牌。
手册中标记注意注意字句指可能造成设备损坏的状况或做法第一章概述1.1引言GZDW系列智能高频开关电力操作电源系统是我公司集多年开发和设备网上运行经验设计的高可靠产品。
有标准一体柜系统、小型一体柜系统、分屏柜系统I和分屏柜系统II四种类型。
主要应用在发电厂、水电站以及各类变电站、开闭所和用户变中,为断路器分、合闸及二次回路中的仪器、仪表、继电保护和故障照明提供直流电源。
1.2系统特点●采用开关电源特有的模块化设计,N+1热备份。
●超宽的电压输入范围,电网适用性强,可用于环境相对恶劣的场所。
●充电模块可带电插拔,在线维护,方便快捷。
●采用我公司专利,具有国际领先水平的“谐振电压型双环控制的谐振开关电源”全程软开关技术,转换效率高,电磁干扰小。
●硬件低差自主均流技术,模块间输出电流最大不平衡度小于±3%。
●系统设计采用IEC(国际电工委员会)、UL等国际标准,可靠性与安全性有充分保障。
电力工程系统概述电力生产系统是电力工程系统的第一环节,其主要任务是将能源(如煤、水、风、太阳能等)转化为电能。
电力生产系统主要由发电厂和电源组成。
发电厂是利用能源进行能量转化的场所,根据不同的能源种类可以分为煤电厂、水电厂、火电厂、核电厂、风电厂等。
电源则可通过发电机产生相应的电能。
输电系统是电力工程系统中的重要组成部分,其任务是将发电厂产生的电能传送到用户所在地区。
输电系统主要由输电线路和输电设备组成。
输电线路一般分为交流输电线路和直流输电线路,根据不同的电压等级可以分为超高压线路、高压线路和中低压线路等。
输电设备包括断路器、变电器、隔离开关等。
配电系统是将输电系统输送过来的电能分配给用户的部分,其任务是将电能按照用户的需求进行合理的分配和传送。
配电系统主要由变电站、配电线路和配电设备组成。
变电站是将输电线路中输送的电能进行降压变电处理的场所,主要包括变电设备、控制设备和保护设备等。
配电线路则是将变电站处理后的电能输送到用户所在地区的线路。
配电设备包括开关、熔断器、仪表和电能计量设备等。
用电系统是电力工程系统中最末端的部分,其任务是将配电系统输送过来的电能供应给用户进行各类用电。
用电系统主要包括住宅用电、工业用电、商业用电和公共设施用电等。
住宅用电主要是指家庭用户的用电需求,包括照明、取暖、供水等。
工业用电主要是指各类工业企业的用电需求,包括生产设备、照明、空调等。
商业用电主要是指商业建筑和商场的用电需求,包括照明、空调、电梯等。
公共设施用电主要是指公共场所的用电需求,如学校、医院、图书馆等。
总之,电力工程系统是一个庞大而复杂的系统,涉及电力生产、输电、配电和用电等多个方面。
它的发展和建设对于社会经济的发展和人民生活有着重要的意义。
随着科技的不断进步和社会的不断发展,电力工程系统也在不断创新和改进,为人们提供更加稳定、可靠的电力供应。
深圳奥特迅:电力操作电源系统培训手册序言电力作为现代工业发展和人类生产生活不可缺少的源泉之一,大大推动了人类社会的进步。
电力操作电源系统作为电力传输的重要环节,必须得到妥善处理以确保电力的稳定运行。
因此,深圳奥特迅公司开发的电力操作电源系统技术培训手册将从多个层面全面介绍操作电源系统的各种知识和技术,旨在提高电力从业人员对电力操作电源系统的理解和应用能力。
第一章电源系统的概述在第一章中,我们将对电源系统及其组成部分进行概述。
本章将介绍交流电源系统、直流电源系统的基本组成,包括变压器、发电机、变频器和UPS等各种设备的功能、类型及使用。
第二章电源系统的控制与保护在第二章中,我们将关注电源系统的控制和保护。
本章将详细介绍各种保护措施,包括过流保护、短路保护、限流保护、过电压保护、欠电压保护等,以及各种控制方法和手段,如跟踪保持控制、有功调节控制、无功调节控制等。
第三章电源系统的运行与维护在第三章中,我们将着眼于电源系统的运行和维护。
本章将主要介绍如何对电源系统进行正确的操作和维护,包括日常巡检、检修、备件管理、运行日志记录及电源系统故障排除等方面的内容。
同时,本章还将针对电源系统经常出现的故障进行分析和解决方案的介绍,帮助读者更好地应对电源系统的异常情况。
第四章高压电源系统的应用在第四章中,我们将讨论高压电源系统的应用。
本章将主要介绍高压电源系统在工业和民用领域的应用情况,包括医疗电源、电子设备电源、高压照明及信号电源等,同时也会介绍高压电源系统的特点和应用注意事项。
第五章低压电源系统的应用在第五章中,我们将重点讨论低压电源系统的应用。
本章将主要介绍低压电源系统在工业和民用领域的应用情况,包括家用电器、手机充电器、电脑电源等,同时也会介绍低压电源系统的特点和应用注意事项。
本手册作为深圳奥特迅公司开发的电力操作电源系统技术培训手册,是一本全面介绍电力操作电源系统知识和技术的实用工具书。
无论是从事电力运营的工作人员,还是对电力操作电源系统有一定了解的人员,都可以从本手册中获得实用的参考和指南。
电力工程直流操作电源系统的原理、设计与设备选择许继电源XX2005年8月201.直流操作电源的历史与发展发电厂和变电站中,为控制、信号、保护和自动装置(统称为控制负荷),以及断路器电磁合闸、直流电动机、交流不停电电源、事故照明(统称为动力负荷)等供电的直流电源系统,通称为直流操作电源。
1.1直流操作电源的历史根据构成方式的不同,在发电厂和变电站中应用的有以下几种直流操作电源:1)电容储能式直流操作电源:是一种用交流厂(站)用电源经隔离整流后,取得直流电为控制负荷供电的电源系统。
正常运行时,它给与保护电源并接的足够大容量的电容器组充电,使其处于荷电状态;当电站发生事故时,电容器组继续向继电保护装置和断路器跳闸回路供电,保证继电保护装置可靠动作,断路器可靠跳闸。
这是一种简易的直流操作电源,一般只是在规模小、不很重要的电站使用。
2)复式整流式直流操作电源:是一种用交流厂(站)用电源、电压互感器和电流互感器经整流后,取得直流电为控制负荷供电的电源系统,在其设计上,要在各种故障情况下都能保证继电保护装置可靠动作、断路器可靠跳闸。
这也是一种简易的直流操作电源,一般只是在规模小、不很重要的电站使用。
3)蓄电池组直流操作电源:由蓄电池组和充电装置构成。
正常运行时,由充电装置为控制负荷供电,同时给蓄电池组充电,使其处于满容量荷电状态;当电站发生事故时,由蓄电池组继续向直流控制和动力负荷供电。
这是一种在各种正常和事故情况下都能保证可靠供电的电源系统,广泛应用于各种类型的发电厂和变电站中。
以上电容储能式和复式整流式直流操作电源系统,在六、七十年代有较多的应用,八十年代以后,由于小型镉镍碱性蓄电池和阀控式铅酸蓄电池的应用,这种操作电源在发电厂和变电站中已不再采用。
而蓄电池组直流操作电源系统,其应用历史悠久,且极为广泛。
现代意义上的直流操作电源系统就是这种由蓄电池组和充电装置构成的直流不停电电源系统,通常简称为直流操作电源系统或直流系统。