机制砂在预拌砂浆中的应用
- 格式:pdf
- 大小:12.39 KB
- 文档页数:1
机制砂配制预拌砂浆质量控制要点分析1.引言概述机制砂配制预拌砂浆的应用和意义,介绍本文研究的目的和意义。
2.预拌砂浆配方设计介绍预拌砂浆的配方设计,包括材料配比的设计原则、配合比的选择、添加剂的选用等内容。
3.质量控制要点详细介绍如何控制配制预拌砂浆的质量,包括原材料的筛分、含水率、密度等测试要求、砂浆混合的时间、搅拌速度、砂浆温度的控制。
4.现场施工和质量检测要点介绍预拌砂浆的现场施工,包括砂浆储存、输送、浇灌等,以及施工中预防砂浆分层、出现裂缝等问题。
同时还要介绍质量检测要点,包括强度测试、密度测试、光波碳化测试等。
5.结论总结本文的研究内容,指出机制砂配制预拌砂浆应该注重的问题和需要改进的方面,提高砂浆配制的质量。
同时推广砂浆的使用价值。
第一章:引言随着城市化进程的加速,建筑行业的发展越来越快。
在这个过程中,预制混凝土技术开始得到广泛应用。
预制混凝土中预制构件可以大大提高施工效率。
由此,预拌混凝土的生产技术和质量也受到了越来越多的关注。
而预拌混凝土生产的核心是制作预拌砂浆。
机制砂预拌砂浆是在传统的砂浆配制方法的基础上,利用机制砂制作。
相对于传统配制预拌砂浆,机制砂预拌砂浆具有砂浆强度高、抗渗性好、均匀性好、便于施工等优点,被广泛应用于建筑领域。
但是,机制砂预拌砂浆的制作需要严格的质量控制才能保证其质量,以满足建筑工程的需求。
本文旨在探讨机制砂配制预拌砂浆的质量控制要点,为机制砂制备预拌砂浆提供参考依据。
本文共分为五个章节:第一章是引言,介绍了机制砂预拌砂浆的应用和意义,以及本文研究的目的和意义。
在城市化进程加速、建筑行业快速发展的今天,预制混凝土技术越来越受到重视,预拌混凝土的生产技术和质量也得到了越来越多的关注。
其中预拌砂浆的质量对于预拌混凝土的制作有着重要的影响,而机制砂预拌砂浆是一种具有很多优点的预拌砂浆,但其制作需要严格的质量控制才能保证质量。
第二章是预拌砂浆配方设计。
预拌砂浆的配方设计是保证预拌砂浆质量的前提。
浅析机制砂配制预拌砂浆质量控制摘要:随着建筑技术不断发展,绿色节能环保施工的要求也逐步提高。
预拌砂浆技术以其多重优势,获得了现代新型建筑的青睐。
但在实际推广应用中仍然存在着一定的问题,制约了预拌砂浆的广泛应用。
预拌砂浆是国家大力提倡和鼓励使用的绿色建筑材料,为充分发挥预拌砂浆在环境和经济上的综合效益,做好质量管控是基础。
关键词:机制砂配制;预拌砂浆;质量控制引言我国预拌砂浆行业目前正处在快速发展阶段,推广预拌砂浆的应用可有效减少资源和能源消耗,保证建设工程质量,改善建设施工环境。
为使预拌砂浆的环境和经济效益充分发挥出来,做好质量管控是基础。
预拌砂浆的质量控制应从原材料控制、配合比优化、生产质量控制和施工现场控制各个角度全面展开,这些方面都做好,预拌砂浆才能真正发挥绿色建筑材料的优越性。
1推广预拌砂浆的意义1.1提高建筑工程质量和施工效率预拌砂浆是采用了先进的自动化配料、搅拌等生产工艺流程,增加标准化质量控制环节,产品经试验合格后方可出厂,以商品化供应的形式满足建筑市场的需求,从而避免了传统的现场人工配料、搅拌不确定等人为因素造成空鼓、龟裂等质量问题,能保障产品质量和性能。
由于施工现场使用的是成品预拌砂浆,减少了现场搅拌砂浆所需的时间,实践表明,采用预拌砂浆及机械施工,每人每天抹灰量是传统现场搅拌砂浆的4倍左右,大大提高了施工效率,缩短了施工周期。
1.2充分利用废弃物,实现循环经济生产预拌砂浆可以用一定量粉煤灰代替水泥作为胶凝材料,用建筑垃圾、尾矿石、矿渣等通过破碎加工成机制砂,经分级作为骨料代替天然砂,这样既减轻开采天然砂对环境造成的影响,又保护了自然资源。
预拌砂浆生产使用大量粉煤灰、建筑垃圾、尾矿砂、矿渣等废弃物,从根本上解决了废弃物不乱堆放,真正做到了变废为宝,是循环经济发展的需要。
2机制砂配制预拌砂浆质量现状2.1预拌砂浆的使用技术问题预拌砂浆的使用要根据设计图纸、施工规范、砌筑材料性能等具体工程施工要求,对砂浆的品种、强度等级等具体内容进行使用技术控制。
预拌混凝土用机制砂应用技术规程广东预拌混凝土用机制砂应用技术规程广东前言在建筑工程中,混凝土作为一种广泛使用的建筑材料,其质量直接影响着工程的安全和耐久性。
而作为混凝土原材料之一的砂料,在混凝土的配合比中起着至关重要的作用。
为了保证混凝土的质量,提高工程的施工效率和节约材料的消耗,广东制定了预拌混凝土用机制砂应用技术规程。
本文将从深度和广度两个方面对该技术规程进行全面评估,并分享个人观点和理解。
一、技术规程的深度评估1. 机制砂的生产工艺和质量要求根据技术规程,机制砂的生产工艺要求采用洗砂、破碎、筛分等工序,以确保砂料的质量符合标准。
机制砂的含泥量、粉含量、骨料含量等指标也要求严格控制,以确保机制砂达到预期的技术性能。
2. 机制砂与混凝土的配合比设计技术规程中明确了机制砂与混凝土的配合比设计方法,包括配合比确定的原则、方法和要求。
通过科学合理的配合比设计,可以保证混凝土的强度、抗渗性和耐久性等性能指标达到要求。
3. 机制砂在混凝土中的应用技术技术规程中详细介绍了机制砂在混凝土中的应用技术,包括掺量的确定、掺量的影响因素、搅拌时间和方法等。
通过正确的应用技术,可以有效改善混凝土的流动性、工作性能和抗裂性能,提高混凝土的施工效率和质量。
二、技术规程的广度评估1. 技术规程的适用范围技术规程明确规定了预拌混凝土用机制砂的适用范围,包括广东地区的建筑工程施工以及其他需要使用预拌混凝土的工程。
这一点对于确保规程的实用性和适用性非常重要。
2. 技术规程的规定和标准技术规程细化了预拌混凝土用机制砂的规定和标准,包括砂的粒径分布、含泥量、强度等指标的要求,以及混凝土的强度等性能指标的要求。
这些规定和标准的制定,为混凝土的生产和施工提供了明确的依据。
3. 技术规程的示范应用技术规程通过示范应用的方式,展示了预拌混凝土用机制砂在实际工程中的应用效果。
这对于施工方和监理方来说,可以提供实践经验和参考,帮助他们更好地理解和掌握技术规程。
机制砂在建筑砂浆中的应用及性能研究摘要:机制砂是一种新型的建筑用砂,其小于5mm的细颗粒品级符合砂浆制作要求,因此在建筑砂浆中应用越来越广泛。
本文从机制砂的性能特点,机制砂在建筑砂浆中的应用现状进行论述,希望能够给行业带来帮助。
关键词:建筑砂浆;应用;机制砂引言:砂浆是一种广泛应用于建筑行业的材料,而砂是砂浆中不可或缺的重要组成部分之一。
然而,使用传统的天然河砂存在工艺难度大、资源有限、生态环境破坏等问题。
机制砂的应用能够有效缓解这些问题。
1机制砂在建筑砂浆中的应用现状机制砂在建筑砂浆中的应用越来越广泛,能够满足不同建筑工程的具体需求。
机制砂在建筑砂浆中的使用不仅提高了砂浆的使用性能,同时也节约了成本,缩短了工期,以及更好地保护了生态环境。
2机制砂的特点2.1机制砂概念机制砂是一种用于模拟真实环境中的机械操作和工艺过程的材料。
它通常由细颗粒物质组成,如沙子、矿石粉末或玻璃珠等,并通过特定的粒径和性质来模拟所需的物理特性。
机制砂的概念源自于工程和制造领域,它被广泛应用于机械设计、工艺优化、装配工艺验证等方面。
通过使用机制砂,可以在不同的操作阶段对机械装配、运动传递和工艺流程进行仿真和验证,从而提前发现和解决潜在问题。
机制砂具有以下几个主要特点:(1)模拟真实性:机制砂的物理特性和行为与真实材料或工件相似,可以准确地模拟机械操作和工艺过程中的力学行为。
(2)可重复性:机制砂的制备和使用过程可以被反复进行,确保实验结果的可重复性和稳定性。
(3)可测量性:通过对机制砂的测量和监测,可以获取相关的物理参数和性能数据,用于评估和改进机械设计或工艺流程。
(4)成本效益:相对于使用真实材料或工件进行试验,机制砂的制备和使用成本更低,且可以减少因试验导致的资源和能源浪费。
机制砂在不同的领域有广泛的应用,包括机械工程、汽车制造、航空航天、电子产品等。
它可以帮助工程师和设计师在产品开发的早期阶段进行虚拟验证和优化,以提高产品的质量、性能和可靠性。
机制砂取代部分特细砂在砌筑砂浆中的应用邓齐祝摘要:根据昆明本地无天然河砂和有大量山砂(特细砂)的资源情况,研究机制砂在砌筑砂浆中的使用,特别是郑州万达公馆违规使用黄河面砂事件被央视曝光后,解决昆明本地砌筑砂浆中普遍使用山砂(特细砂)问题尤为必要,这里将通过试配使两种不能直接用于砌筑的砂子搭配使用,形成互补,用机制砂取代部分山砂来解决纯机制砂砂浆包裹性差和山砂高含泥量、细度模数小等问题。
1前言为什么要使用机制砂?首先,昆明本地没有河砂,外地采购河砂成本过高,且运输距离过远,不能保证河砂的供应、确保工程进度。
其次,昆明当地砌筑中广泛使用山砂(特细砂),其含泥量在9%至12%范围内,远超出规范《建设用砂》GB/T14684-2011中Ⅲ类砂含泥量要求,其危害不言而喻,但其成本仍高于机制砂10元/吨,为满足强度要求,同等级砂浆特细砂比机制砂每方水泥多用约50Kg,综合起来使用山砂每方成本将高出近30元/方,且砂浆耐久性、外观质量差等。
第三,面对天然河砂资源的逐渐减少和高昂的成本,使用机制砂更加环保,成本低廉,即使在河砂充足的地方,碎石场生产石子中产生的4.75mm以下机制砂,基本作为废料,如将其利用,可为项目节约不少成本。
2机制砂取代部分山砂的试配机制砂的应用已有大量的研究,将不再阐述,其缺点大家都知道,拌制的纯机制砂砂浆包裹性、可塑性差,不利于砌筑。
为解决上述问题,以M5.0水泥砂浆进行试配,设计稠度60~80mm,保水性≥80%。
在机制砂取代山砂量分别为80%、70%、60%。
图1 (图左为机制砂,图右为山砂)(2)配合比及强度等情况表2图2 (机制砂掺入80%,包裹性、可塑性有改善,但砌筑稍困难)图3 (机制砂掺入70%,工作性能良好,颜色轻微发黄)图4 (机制砂掺入60%,工作性能良好,颜色发黄)图5(全使用山砂,未掺入机制砂,保水性差,颜色发黄。
)(3)调整试配当机制掺量在70%时,其28d抗压强度10.7Mpa远高于设计M5要求,为节约成本将水泥调整为238Kg重新试配,配合比情况:(a)原材料同表一(b)机制砂和山砂按7:3综合后,集料含泥量检测为4.7%,满足规范要求的≤5%图63结论(1)机制砂取代山砂越多,砂浆强度越高,当机制砂和山砂比为7:3时,可有效改善砂浆工作性能。
机制砂在预拌砂浆生产过程中关键技术作者:翟宇安来源:《建筑建材装饰》2013年第07期摘要:随着时代的发展和社会经济的进步,低碳经济发展的思路已经得到越来越多人和企业的认可;近些年,有部分的学者提出了低碳经济理念指导下的预拌砂浆生产方式,得到了全国预拌砂浆行业的认可。
本文针对机制砂预拌砂浆生产工艺的独特性,简要探讨了机制砂在预拌砂浆生产过程中的关键技术,希望可以提供一些有价值的参考意见。
关键词:机制砂;预拌砂浆;关键技术前言机制砂预拌砂浆有着独特的生产工艺,在很多方面都和天然砂预拌砂浆存在着很大的不同,比如生产控制、材料测试以及施工应用等等;随着低碳经济的机制砂预拌砂浆生产方式的提出,越来越多的企业希望可以进军到这个领域内,但是各地一定要在实际情况的基础上,综合考虑本地的资源情况以及环评审批的要求,采用低碳经济的机制砂预拌砂浆生产方式。
1 深入了解预拌砂浆的工作性能,生产出具有高质量以及经久牢靠的砂浆预拌砂浆的强度在很大程度上决定着砂浆的质量是否经久和牢靠,砂浆的强度往往是由水化过程决定的,这是因为水泥是目前预拌砂浆的胶凝材料。
预拌砂浆强度的形成过程从某个方面来说,其实就是水泥水化的过程以及添加剂和细集料之间互相作用互相反应的过程;将水加入到预拌砂浆之后,水泥在形成水化物的过程中出现了很多的物理化学反应,它的主要机理我们可以这样理解:加入水之后,溶解掉水泥中的某些成分;各种电解质离子间发生作用;溶液中出现一些化学反应;出现了一些固体表面水泥水化物和其他的一些沉淀物;形成了三维结构的同时,水化物中生成了晶体,并且在持续的生长;固体颗粒空隙间填充了些砂浆细集料以及水化物晶体。
从这个反应机理我们可以发现,如果要想有效的控制预拌砂浆的强度,首先应该考虑的就是水泥的组成以及细集料的级配等,还应该合理的控制水灰比,最后影响预拌砂浆强度的因素就是添加剂的种类以及添加的方式,还应该将外界温度、湿度以及搅拌情况等充分的纳入考虑的范围。
机制砂和天然石屑制备预拌砂浆性能研究赵立群1,陈宁(上海市建筑科学研究院(集团)有限公司,上海,200032)摘要:本文分别利用机制砂和石屑替代部分河砂配制预拌砂浆,比较它们性能的差异,并初步分析了天然石屑和机制砂对预拌砂浆性能产生影响的原因。
关键词:砂浆、保水性、石屑、机制砂、强度1 前言骨料是砂浆的重要组成部分。
长期以来,砂浆中常以天然河砂作为骨料,而天然河砂是不可再生资源,其资源储备只会越来越少。
随着建筑业发展和对建筑工程质量要求越来越高,建筑市场用砂量越来越大,质量要求也越来越高,而合格的天然砂资源却越来越少,因此,砂资源问题需引起重视,要尽快寻找适宜的材料来替代天然河砂。
每生产1方混凝土,就要消耗1.5吨以上的砂石,我国每年要开挖大量的山石资源,以满足土木建筑工程的需要。
石屑是破碎岩石时产生的细颗粒副产品,其最大粒径小于5mm,级配良好,质地坚硬,表面粗糙。
如石屑不能得到有效利用,则既污染环境占用土地,又浪费资源[1,2]。
机制砂是经除土处理,由机械破碎、筛分制成的粒径小于4.75mm的岩石颗粒,它不包括软质岩和风化岩石的颗粒。
机制砂在混凝土中已有应用,国内最大的水利枢纽工程三峡大坝全部采用机制砂、石作为混凝土骨料(包括C50以上至C100混凝土骨料),试验结果表明,机制砂级配和细度模数稳定,质量可靠。
本研究通过利用机制砂和石屑替代部分河砂配制预拌砂浆,比较它们性能的差异,并结合各集料理化性质和预拌砂浆性能分析其替代河砂对砂浆性能的影响,为利用机制砂和石屑制备砂浆提供一些帮助。
2 试验用原材料2.1水泥上海浦东水泥厂42.5P.O水泥。
表2.1 上海浦东水泥厂42.5 P.O水泥物理性质项目测试值抗折强度(MPa)抗压强度(MPa)标准稠度用水量27.4% 3d 28d 3d 28d 初凝3h13min终凝3h33min6.63 9.82 34.99 59.321赵立群:男,1963年11月,高级工程师。
机制砂在混凝土中的应用随着我国基本建设的飞速发展,作为混凝土用的主要原材料——天然沙呈现出越来越匮乏的趋势,这不利于基本建设的可持续发展。
结合山西运城地区近几年来的实际情况,由于基本建设的发展势头方兴未艾,造成合格的天然沙已是供不应求,为适应基本建设的需求,大力开发和应用机制砂已成为当务之急。
近年来,我们在这方面做了大量的工作,并将机制砂成功地应用于商品混凝土中,取得了很好的效果。
试验用原材料和试验方法1.试验用原材料为验证机制砂的应用效果,我们选用C20、C30、C40三种混凝土强度等级。
试验时所用胶凝材料统一采用山西海鑫水泥厂生产的P·O42.5级水泥、山西彤阳炉料有限公司生产的S105矿粉和山西河津电厂生产的Ⅱ级粉煤灰;所用外加剂统一采用山西铁力外加剂厂生产的TL—B泵送剂;所用粗骨料统一采用山西运城三路里采石场生产的5mm~25mm碎石。
其所用的细骨料分别为山西夏县沙场生产的天然河沙、山西闻喜俊沣机制砂Ⅰ和山西闻喜俊沣机制砂Ⅱ进行配合比设计和试拌。
试验所用原材料检验结果详见表1~表8.2.对比试验方法(1)同强度等级混凝土采用不同细骨料对比试验。
保持混凝土单方胶凝材料用量基本相同,试拌时采用控制加水量的方法,使同强度等级混凝土在采用不同细骨料时,保持混凝土拌合物坍落度基本相同,同时进行新拌混凝土拌合物的坍落度、泌水率测试、和易性观测,并按GB/T50081-2002标准成型边长为100mm的立方体试件两组(7天、28天),在成型室内静置一昼夜后脱模,再移入温度为20℃±2℃、相对湿度≥95%的标准养护室内养护至规定测试龄期进行抗压试验。
(2)同配合比机制砂石粉含量的对比试验。
选用石粉含量分别为3.0%、5.0%、8.0%和10.0%等不同的机制砂进行试拌,观测拌合混凝土的用水量及7天、28天抗压强度。
试验结果分析1.机制砂的颗粒级配对混凝土性能的影响实践经验证明:预拌混凝土所用细骨料应具备空隙率小,以节约水泥;比表面积小,以减少润湿集料表面的需水量;要含有适量粒径在0.315mm以下的细颗粒,以改善混凝土的保水性和增加混凝土的密实性以及黏聚性,有利于克服混凝土的泌水和离析;颗粒表面要求光滑且成椭圆型,以减少混凝土的内摩擦力,增加混凝土的流动性。
机制砂在建筑砂浆中的应用及性能研究作者:张继明万武来源:《装饰装修天地》2017年第24期摘要:机制砂在混凝土中的应用越来越广泛,但机制砂及其石粉特性对混凝土性能的影响仍存在较多争议,导致机制砂质量标准较难执行。
应全面认识机制砂与天然砂的不同,准确表征其材料特性,系统研究这些特性对混凝土性能的影响,尤其应加强机制砂生产工艺的研究,提高机制砂产品质量,促进机制砂在混凝土行业中的持续健康发展。
关键词:机制砂;建筑砂浆;应用;性能1 引言机制砂不仅性能较好,且它的生产不受气候、季节的影响,机制砂在生产过程中,倘若能够有效控制其工艺,提高其性能指标的稳定性,那么不仅混凝土的经济性会得以提高,混凝土和易性以及力学性也都会有明显的改善,利于降低建筑工程的施工成本,提高建筑工程的质量。
2 机制砂的特点2.1 机制砂概念由机械破碎、筛分制成的、粒径[2.2 机制砂与天然砂优缺点对比相对于河砂而言,机制砂通常较粗,颗粒级配较差,并含有一定数量的石粉,外形通常为三角体或方菱体,外表较为粗糙而且其棱角较为尖锐,同样砂率时比表面积较大,总体吸水率大于河砂。
但只要这些机制砂符合国家有关技术标准就可以在工程施工中使用。
在消除废弃资源、劣质资源、实现绿色环保混凝土等方面,机制砂要比天然砂具有无可比拟的优势。
3 机制砂的性能3.1 砂浆保水率的变化随着机制砂掺量的提高,砂浆保水率逐渐增大。
这主要是由于机制砂中的石粉含量较天然砂多,随着机制砂掺量的增加,石粉含量也相应增加,而石粉的粒径较小,比表面积较大,能够吸附较多的水,因而促使砂浆的保水性变好,提高了砂浆的保水率。
在机制砂掺量低于50%的时候,砂浆保水率的变化幅度较大,从82.6%提高到90%以上。
之后继续加大机制砂掺量,砂浆保水率的变化不大,一直保持在90%以上,表明机制砂掺量在大于50%(石粉含量大于1.7%)的时候对粉煤灰水泥砂浆保水率的提升效果较好。
3.2 砂浆稠度的变化随着机制砂替代天然砂的比例增加,砂浆的稠度呈现逐渐下降趋势。
环保干法精品机制砂在干粉砂浆中优势说明一、砂浆的集料说明砂浆作为一种建筑材料,已有上千年的历史。
一直到十九世纪末,砂浆的主要胶结料仍然是熟石灰。
水泥的出现,取代了熟石灰,成为砂浆生产的主要胶结料。
干粉砂浆的种类很多,其成份也比较复杂。
根据现时代符合国家环保战略,符合国家可持续发展战略,生产干粉砂浆应尽量利用当地矿产资源和工业废渣。
其原料组成一般如下:胶结料采用水泥、石膏、石灰等;主要集料有机制砂、石英砂、石灰石、白云石、膨胀珍珠岩等;矿物掺合料主要是工业副产品、工业废料及部分天然矿石等,如矿渣、粉煤灰、火山灰、细硅石粉;另外还有保水增稠材料及各种外加剂等。
原有的干粉砂浆主要集料所用都是天然砂,但是现在天然砂资源是一种地方性资源,随着基本建设的日益发展,在我国不少地区出现天然砂资源逐步减少、甚至无天然砂的情况天然砂资源是一种地方资源,短时间内不可再生,而且不适合长距离运输,但是我国的基建规模正在逐年提升,对天然砂的需求也在逐年增加,从而导致全国不少地区出现天然砂资源短缺,供需矛盾十分突出,因此天然砂的价格出现波动,严重制约工程建设的发展,所以要从根本上解决天然砂短缺的现状,必须寻求新的材料来源。
二、干粉砂浆中用砂的前景分析干粉砂浆、混凝土用砂供需矛盾尤为突出,而砂的技术要求则越来越高,特别是现在的普通砂浆和特种砂浆对集料的要求越来越严格,高强度等级和高性能混凝土对骨料的要求也非常的严格,能满足其要求的天然砂数量越来越少,甚至没有。
市场供应不足,砂价连年上涨,2008 年8 月份,上海黄砂码头价达到每吨68元,南京、镇江等江苏沿长江城市在55 元左右,连安徽合肥都达到了60元每吨。
并且天然砂的质量越来越差,含泥量大、细度模数偏小,质量不稳定等问题非常普遍。
机制砂无论在物理性能还是化学性能上都能与天然砂媲美,形成的级配要比自然砂合理,关键是制作机制砂颗粒要满足干粉砂浆骨料的要求,要使机制砂同样达到圆润粒状。
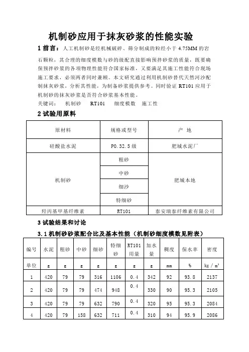
机制砂应用于抹灰砂浆的性能实验1前言:人工机制砂是经机械破碎、筛分制成的粒经小于4.75MM的岩石颗粒,其合理的细度模数与砂的级配直接影响预拌砂浆的质量,既要确保预拌砂浆的各项物理性能符合国家标准,又要满足其施工性能符合现场施工要求,必须两者同时兼顾。
本文研究通过利用机制砂替代天然河沙配制抹灰砂浆,分析其性能,为制备砂浆提供参考。
同时验证RT101应用于机制砂的抹灰砂浆是否符合砂浆基本性能。
关键词:机制砂RT101 细度模数施工性2试验用原料3试验结果和讨论3.2施工性能1号施工顺滑轻松,落灰少,粘接性能好,容易批挂,稠度较高拾灰困难,有流淌现象。
2号施工顺滑轻松,落灰少,较1号好收光,粘接性能好,容易批挂,拾灰困难,有流淌现象但较1号轻。
3号施工性能同2号。
4号施工滑顺,轻松,拾灰可以,性能与1号相近。
通过对比3号符合砂浆的基本要求3.3机制砂对砂浆性能的影响机制砂砂浆具有良好的保水性能和可操作性能,不离析泌水。
通过机制砂砂浆的性能看出:机制砂影响砂浆性能的因素是细度模数和特细砂的含量。
首先细度模数越大,其用水量越少;其次是特细砂的含量越多,用来润湿细沙的水越多,用水量越大。
4结论4.1 机制砂砂浆具有良好的保水性能和可操作性能,不离析泌水。
3号符合砂浆的基本要求4.2机制砂影响砂浆性能的因素是细度模数和特细砂的含量。
4.3RT101应用于机制砂的抹灰砂浆符合砂浆基本性能。
5参考文献1. JGJ70-2009《建筑砂浆基本性能试验方法》2. JG/T230-2007《预拌砂浆》3. GB/T25181-2010《预拌砂浆》4. GB/T14684-2001《建筑用砂》机制砂细度模数分析试验。
机制砂在干混砂浆中的应用及质量控制摘要:我国的机制砂在混凝土中的应用已有五六十多年的历史,近些年在干混砂浆产品中机制砂同样得到了广泛应用,由于干混砂浆与混凝土对材料要求的差异,干混砂浆用机制砂的生产工艺仍需要提升和改进。
干混砂浆用机制砂应满足相应的细度模数和级配要求,机制砂在原料、生产工艺以及应用于干混砂浆的石粉、含水率、MB值等指标均需要控制。
关键词:机制砂;干混砂浆;应用;质量控制引言伴随近些年国内各地大规模基建,天然砂消耗量持续增加,受国家环保政策影响,露天易开采砂石逐渐被限采限挖,因此导致机制砂逐渐成为混凝土及干混砂浆应用的主要砂源。
机制砂与天然砂在粒型、颗粒级配、石粉含量等方面存在着很大的区别,导致机制砂应用于干混砂浆性能与天然砂相比存在一定的差异。
机制砂对干混砂浆性能的影响主要表现在施工性能、力学性能及保质期限等性能方面,与天然砂相比,机制砂的需水量更大,和易性差,易产生泌水,增稠时间短等缺点。
本文通过控制机制砂质量,确定机制砂相关参数,在控制一定胶材用量情况下,获得良好工作性能和力学性能的机制砂干混砂浆,将给出高品质机制砂的质量控制指标意见和方案。
1机制砂的技术指标根据《建设用砂》最新标准中定义,与人工砂不同,机制砂是将岩石、矿山尾矿或工业废渣在经过除土处理环节后,经过机械破碎、整形、筛分、排粉等过程,最后成为粒径小于4.75mm的颗粒。
国家标准从2001年到2011年,机制砂的定义范围从单一的岩石增加了矿山尾矿或工业废渣,一方面是因为环保要求,鼓励工业废渣资源综合利用,另一方面是施工工艺水平的提升使更多的原材料得到应用。
根据机制砂细度模数分为粗、中、细三种规格,其细度模数分别为:粗3.7~3.1,中3.0~2.3,细2.2~1.6。
根据干混砂浆不同品种对自身粒径的要求,粗细度模数砂适合于预拌喷射混凝土类产品生产,中细度模数砂适合于普通干混砂浆(如普通抹灰砂浆、普通砌筑砂浆、普通地面砂浆、普通防水砂浆)品种的生产,细细度模数砂适合于特种干混砂浆(如外墙外保温粘结抹面砂浆、瓷砖粘结砂浆等)生产。
废弃矿石机制砂的颗粒级配对预拌砂浆的适应性研究摘要:在土建行业中,河砂短缺及河砂价格持续上涨,导致建筑砂浆和商品混凝土单价大幅上涨,采用合适的材料代替河砂是目前建筑行业亟需解决的问题。
而在石材制品行业,石材加工厂对石材制品进行切割、打磨、抛光等一系列工艺步骤时会产生大量石材污泥废料,通常将其简单掩埋处理,但对生态环境产生严重破坏。
基于此,本文章对废弃矿石机制砂的颗粒级配对预拌砂浆的适应性进行探讨,以供相关从业人员参考。
关键词:废弃矿石机制砂;颗粒级配对;预拌砂浆;适应性引言随着城镇化进程不断加快,建筑垃圾日益增多,废弃的混凝土一般被当作垃圾处理,不仅浪费了大量的资源,同时也需要投入大量的人力和物力来处理。
有效回收这些废弃混凝土提取再生骨料可以节约资源保护环境,具有重要的现实意义和经济意义。
同时,这些再生骨料也非常适合用在砂浆生产方面。
通常,因再生骨料的高孔隙率、强吸水性等原因,需要加入各种添加料和控制掺合量,保证其对再生砂浆性能不会产生不良影响。
1预拌砂浆概念砂浆拌合物是指由专业厂家完成生产的建筑工程用砂浆拌合物。
预拌砂浆一般分为干砂浆和湿砂浆。
湿拌砂浆是指将水泥、细骨料、外加剂和水以及性能决定的各种成分按一定比例在拌合站拌匀制成砂浆,用运输车将拌好的砂浆材料运到指定的地方,放入专用容器内完成贮存,在规定的时间内干混砂浆是指将经干燥筛分处理的骨料、水泥及性能决定的各种成分按一定比例在专业生产工厂混合,在使用场所按规定比例加入水或辅助液体进行混炼使用的干混物。
2研究背景随着建筑业的迅速发展,天然砂的日渐枯竭,机制砂替代天然砂已成趋势。
机制砂质地较天然砂坚硬,表面比较粗糙,形貌复杂,配置的混凝土较天然砂混凝土和易性稍差,水泥用量少的混凝土更加明显,但硬化后的机制砂混凝土,水泥等凝胶材料与机制砂的界面机械咬合强度较天然砂混凝土高。
机制砂在生产过程中会产生一定量的石粉,适量的石粉能够改善混凝土的各项性能,但过量的石粉会对机制砂混凝土产生不利影响,国家标准对机制砂石粉含量上限有限制。
预拌混凝土用机制砂应用技术规程广东随着广东地区建筑行业的不断发展,预拌混凝土成为建筑施工中不可或缺的重要材料。
而机制砂作为预拌混凝土的主要原料之一,其应用技术规程显得尤为重要。
本文将就预拌混凝土用机制砂应用技术规程在广东地区的重要性进行探讨,并共享个人观点和理解。
一、机制砂在广东地区的应用现状1.1 广东地区的建筑行业快速发展,对预拌混凝土的需求量大幅增加,成为机制砂应用的重要推动力。
1.2 机制砂作为预拌混凝土的原料之一,在广东地区得到了广泛应用,其优良的颗粒形状和质地为预拌混凝土的性能提供了有力保障。
二、预拌混凝土用机制砂应用技术规程的重要性2.1 充分合理利用机制砂的性能,可以提高预拌混凝土的强度和密实性,从而保证建筑物的结构安全和稳定性。
2.2 机制砂的应用技术规程可以指导施工方合理选用、搅拌和浇注机制砂混凝土,有效降低工程建设成本,提高工程建设效率。
三、我对预拌混凝土用机制砂应用技术规程的理解和个人观点3.1 作为一名建筑行业的从业者,我深刻理解机制砂在预拌混凝土中的重要性。
合理应用机制砂的技术规程,对于保障工程质量和提高施工效率具有不可替代的作用。
3.2 我认为,广东地区建筑行业应加强对预拌混凝土用机制砂应用技术规程的宣传和推广,提高施工方对其重要性的认识,从而推动广东建筑行业向更高质量、更高效率的方向发展。
【总结】通过本文的探讨,我们深入了解了预拌混凝土用机制砂应用技术规程在广东地区的重要性。
合理应用机制砂的技术规程,不仅可以提高预拌混凝土的性能和工程建设效率,还可以推动广东建筑行业向更高质量、更高效率的方向发展。
在建筑行业竞争日益激烈的今天,我们有理由相信,预拌混凝土用机制砂应用技术规程将在广东乃至全国建筑行业中发挥越来越重要的作用。
让我们共同努力,推动广东建筑行业迈向更加繁荣和可持续发展的未来!随着广东地区建筑行业的快速发展,预拌混凝土用机制砂的应用技术规程在施工中的重要性日益凸显。
浅析机制砂配制预拌砂浆质量控制摘要:近年来,我国的建筑工程建设有了很大进展,其对预拌砂浆的应用也越来越广泛。
机制砂配置预拌砂浆,已经成为当今建筑施工的主流应用方式。
以预拌砂浆的质量控制为主要研究对象,针对其主要的原材料以及在生产过程中的质量控制措施,实现砂浆的质量保障。
为从事相关行业的技术科研人员提供力所能及的保障和支持。
关键词:机制砂;科学配比;质量控制引言预拌砂浆是我国近年发展起来的一种新型建筑材料。
它有节约资源、无污染、质量稳定、可回收利用、提高现代化建筑水平等显著优点,鉴于此,其推广和应用势在必行。
它也将成为建设绿色家园,践行绿水青山就是金山银山等重要理念的关键一环。
1机制砂机制砂,通过利用机器设备制成的砂。
目前是预拌砂浆重要的组成材料,因此,在选择过程中,对于砂粒的直径大小,具有明确的说明。
公称最大直径不能超过5mm,同时,在材料准备过程中,需要对相关砂粒,进行详细的分析和观察。
尤其是具体的颗粒级配,需要在预拌过程中,满足连续级配的相关要求,且所有的级配等级的砂粒,都要具有一定的石粉含量,务必在搅拌过程中,满足相应的施工要求。
其次,砂粒的外在形状,要满足预拌砂浆的相关黏度、分层度以及其他的力学特征,因此,在机制砂的制作过程中,应该进行相应的选择以及具体的筛选。
同时,在坚固性的具体要求中,机制砂的性能要满足压碎指标的相关试验,且压碎指标不能低于相关规定值。
同时,对于石粉的含量,要符合预拌砂浆的具体要求,并且在砂浆配置结束后,可以提升相关的硬化性能。
需要注意的是,在检验石粉含量时,石粉含量过多,会引发石粉游离现象,也就是所谓的石粉,漂浮在砂浆表面上层,影响砂浆的使用以及相关的密实性。
因此,在机制砂到达施工现场后,相关的项目管理人员,测定砂粒的具体指标时,必须严格按照相关的生产规定,进而对砂粒产地、规格、进场时间等相关数据,进行系统的录入和整理,同时,对砂粒检测相关性能后,对于不符合施工质量的机制砂,坚决予以拒收处理。
机制砂湿拌抹灰砂浆研究与生产应用探究摘要:根据预拌湿砂浆技术的相关要求,对各组分的掺量和胶材的总量进行总体的研究,并让它们更好地了解机制砂浆中的各种性能。
机制砂浆、添加剂和其他材料的加入会直接影响到整体砂浆的性能,同时也会对砂浆本身的粘稠度产生影响。
[1]在操作的过程中尤其要注意施工的时间、强度和施工的顺序等等。
本文对机制砂湿拌浆拌抹灰砂浆研究的一些状况进行具体的分析和介绍。
关键词:机制砂;湿拌抹灰砂浆;生产应用研究引言在我国建筑工程中,各种类型的砂浆的运用范围非常广泛,它也是整体建筑主体中非常重要的一个组成部分。
但是传统的砂浆的质量具有很多方面的缺陷:第一,其施工的强度较大,而且其施工的效率非常低;第二,在施工拌制的过程中也有可能会对整体的环境造成异常严重的污染;第三,很多砂浆由于在施工的过程中没有得到很好地管理,而相关的负责人也没有很好地重视砂浆施工的重要性,所以在砂浆施工的过程中并没有建立一套完整的施工方法。
本文对机制砂湿拌抹灰砂浆的相关性质进行具体的研究和应用,希望能够给大家一些参考性的建议和意见。
1. 机制砂和抹灰砂浆的基本概念机制砂是用开采的岩石经过机械的破碎加工而取得的成果。
其最大粒径可以控制在小于4.75mm。
[2]其形状多不规则。
在我国进行机制砂制造的过程中多可采用就地取材的方法,不仅能够很好地降低其运输的整体费用,而且其主要的成本也要比天然砂低很多。
抹灰砂浆是专门涂抹在建筑的基面或者起平面,用来起保护作用的一类砂浆的统称。
根据起操作方式的不同,抹灰砂浆又可以被分为现场搅拌的砂浆和预拌的干粉抹灰砂浆和湿拌运输砂浆。
抹灰砂浆一般也与抹灰工程有着最直接的关系。
抹灰工程指的是将抹灰砂浆涂抹在最基底的材料表面,用来保护最基层和增加其装饰和美观的作用,最根本的是为相关的建筑工程提供一个系统的施工过程。
抹灰砂浆的施工一方面起到保护墙体不受风霜雨雪侵蚀的作用,另外一方面起到的是保护室内环境的美观和净化空气的作用。
浅析机制砂配制预拌砂浆质量控制发布时间:2021-06-12T10:54:16.356Z 来源:《建筑工人》2021年第2期作者:陈远旭[导读] 以确保机制砂配制预拌砂浆质量性能符合设计标准,为保证建筑工程整体结构的质量安全奠定坚实的基础。
身份证号码:45011119641005****摘要:目前在建筑工程的施工中广泛采用了机制砂进行预拌砂浆的配制,而预拌砂浆质量性能将对建筑工程的整体施工质量产生重要的影响,因此应采取严格的控制控制措施,加强对机制砂等原材料的控制,并对砂浆预伴、运输、存储以及使用的全过程进行全方位的控制监督,以确保预拌砂浆的各项指标参数均符合建筑工程的施工要求,从而推动我国建筑行业的健康有序发展。
关键词:机制砂;预拌砂浆;砂浆配置;质量控制近年来我国建筑行业得到了快速的发展,施工技术不断提高,同时在建筑施工中所使用的建筑材料也发生的一定的变化,以机制砂为主要原料的预拌砂浆在施工过程中得到了越来越广泛的应用。
在配置砂浆时,机制砂以及各种原材料的质量直接关系到砂浆的工作性能。
而砂浆配置预拌作业的规范性和标准性也会对砂浆质量产生较大的影响。
因此应加强对预拌砂浆质量的控制监督,严格控制预拌砂浆从配置到现场使用的各个环节,以确保机制砂配制预拌砂浆质量性能符合设计标准,为保证建筑工程整体结构的质量安全奠定坚实的基础。
一、控制机制砂配制预拌砂浆原料质量的有效措施(一)加强对机制砂质量的控制监督在预拌砂浆中,机制砂是重要的配置成分,其对预拌砂浆质量会产生较大的影响,因此应按照相关技术标准对其进行严格的质量控制。
施工单位应指派专业技术人员在机制砂进场前对其规格、产地以及各项指标参数进行检测,并详细记录检测信息。
首先应严格控制砂砾直径,其最大直径应控制在5mm以内[1]。
同时机制砂级配应符合预拌砂浆连续级配标准,且石粉含量应符合级配要求。
此外,还应加强对砂砾形状的检测,且其分层度以及粘度等力学指标均应达到预拌砂浆的配置要求。
机制砂在预拌砂浆中的应用
由于天然砂资源日益短缺,价格上涨,一些地区出现了超量开采的现象,既破坏了环境,又危及到河势稳定和堤防安全。
因而,探寻节能、降耗、环保的替代产
品就显得十分迫切,机制砂采用机械破碎岩石生产,既可以节约自然资源,又完全符合当前可持续发展的战略要求,成为大势所趋。
长期以来,我国预拌砂浆所使用的主要集料都是天然砂,然而,随着土木工程建设的蓬勃发展和对工程质量的重视,建筑市场对天然砂的需求数量越来越大,质量上要求也越来越高,合格的天然砂资源却越来越少。
由于天然砂资源日益短缺,价格上涨,一些地区出现了超量开采的现象,既破坏了环境,又危及到河势
稳定和堤防安全。
因而,探寻节能、降耗、环保的替代产品就显得十分迫切,机
制砂采用机械破碎岩石生产,既可以节约自然资源,又完全符合当前可持续发展的战略要求,成为大势所趋。
机制砂兼具成本和性能优势
机制砂是用岩石经除土开采、机械破碎、筛分而得,粒径小于 4.75mm的岩石颗粒,其形状多为立方体和棱角状。
我国是多山的国家,岩石资源丰富,机制
砂的生产可以就地取材,不仅减少了运输费用,而且成本也较天然砂低。
据有关数据显示,河砂市场价为90元/方,而机制砂成本约为60元/方,成本下降33%,经济效益明显。