2015-1-7 4M(人机料法分析表)
- 格式:xlsx
- 大小:14.52 KB
- 文档页数:1
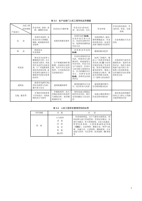
表1-1各产业部门人机工程学的应用课题表1-2人机工程学在管理学科的应用表1-3人机工程学与工业设计相关的研究领域表1-4工业设计各阶段中人机工程设计工作程序规划阶段(准备阶段)1. 考虑产品与人及环境的全部联系,全面分析人在系统中的具体作用;2. 明确人与产品的关系,确定人与产品关系中各部分的特性及人机工程要求的设计内容;3. 根据人与产品的功能特性,确定人与产品功能的分配1. 从人与产品、人与环境方面进行分析,在提出的众多方案中按人机工程学原理进行分析比较;2. 比较人与产品的功能特性、设计限度、人的能力限度、操作条件的可靠性以及效率预测,选出最佳方案;3. 按最佳方案制作简易模型,进行模拟试验,将试验结果与人机工程学要求进行比较,并提出改进意见;4. 对最佳方案写出详细说明:方案获得的结果、操作条件、操作内容、效率、维修的难易程度、经济效益、提出的改进意见1. 从人的生理、心理特性考虑产品的构形;2. 从人体尺寸、人的能力限度考虑确定产品的零部件尺寸;3. 从人的信息传递能力考虑信息显示与信息处理;4. 根据技术设计确定的构形和零部件尺寸选定最佳方案,再次制作模型,进行试验;5. 从操作者的身高、人体活动范围、操作方便程度等方面进行评价,并预测还可能出现的问题,进一步确定人机关系可行程度,提出改进意见表2-1百分比与变换系数表2-2人体主要尺寸1.1身高/mm1.2体重/kg1.3上臂长/mm1.4前臂长/mm1.5大腿长/mm1.6小腿长/mm表2-3立姿人体尺寸表2-4坐姿人体尺寸表2-5人体水平尺寸表2-6六个区域的身高、胸围、体重的均值x及标准差S D表2-7香港地区成人人体尺寸mm表2-8我国成人男女上肢功能尺寸mm表2-9主要人体尺寸的应用原则确定上述高度时必须考虑活动的性质,有时这一点比推荐的“低于肘部高度7.6 cm”还重要表2-10产品尺寸设计分类表2-11人体尺寸百分位数的选择表2-12正常人着装身材尺寸修正值mm表2-13设备及用具的高度与身高的关系表3-1不同感觉通道的适用场合感觉通道适用场合视觉通道1. 传递比较复杂的或抽象的信息2. 传递比较长的或需要延迟的信息3. 传递的信息以后还要引用4. 传递的信息与空间方位、空间位置有关5. 传递不要求立即作出快速响应的信息6. 所处环境不适合使用听觉通道的场合7. 虽适合听觉传递,但听觉通道已过载的场合8. 作业情况允许操作者固定保持在一个位置上听觉通道1. 传递比较简单的信息2. 传递比较短的或无需延迟的信息3. 传递的信息以后不再需要引用4. 传递的信息与时间有关5. 传递要求立即作出快速响应的信息6. 所处环境不适合使用视觉通道的场合7. 虽适合视觉传递,但视觉通道已过载的场合8. 作业情况要求操作者不断走动的场合触觉通道1. 传递非常简明的、要求快速传递的信息2. 经常要用手接触机器或其装置的场合3. 其他感觉通道已过载的场合4. 使用其他感觉通道有困难的场合表3-2几种工作任务视距的推荐值任务要求举例视距离(眼至视觉对象)/cm 固定视野直径/cm 备注最精细的工作安装最小部件(表、电子元件)12~25 20~40完全坐着,部分地依靠视觉辅助手段(小型放大镜、显微镜)精细工作安装收音机、电视机25~35(多为30~32)40~60 坐着或站着中等粗活在印刷机、钻井机、机床旁工作50以下至80 坐或站粗活包装、粗磨50~150 30~250 多为站着远看看黑板、开汽车150以上250…坐或站表3-3人机工程学的视觉原则表3-4编码方式的优劣表4-1适宜刺激和识别特征表4-2记忆的解释表4-3有意记忆与无意记忆的特点表4-4机械记忆与意义记忆的特点表4-5瞬时、短时和长时记忆的特点表5-1重要活动范围和身体各部舒适姿势的调节范围注:给出的最大角度适于一般情况。
2021年普通高等学校招生全国统一考试(全国乙卷)(内含非官方参考答案)一、选择题2014年我国某科技公司在新疆建立了研发基地,研制适用于大规模棉花生产的无人机。
为推广产品,该公司先组建专业服务团队为农民提供无人机服务,后以极低的价格出租无人机,最后才销售无人机,同时对农民进行技术培训。
无人机的使用,大幅度减少了人工成本,改变了新疆传统农业生产方式。
1.新疆吸引该科技公司入驻的主要因素是A.交通B.政策C.技术D.市场2.该科技公司提供无人机服务、租赁,同时对棉农进行培训,直接目的是A.增强竞争力B.培育市场C.提升服务水平D.提高效益3.无人机的使用主要可以帮助棉农提高棉花的A.产量B.质量C.利润D.价格陆港是指在海港以外地区建设的、代表海港行使报关、报检等功能的物流中心。
按其离海港距离可分为近海陆港(小于100千米)、远海陆港(一般500千米以上)等。
4.建设陆港使海港①扩大承载规模②缓解用地紧张③增加用地成本④提高设备水平A.①②B.①③C.②④D.③④5.与近海陆港相比,远海陆港更能使海港A.缓解交通拥堵B.提高通关效率C.拓展腹地范围D.减少环境污染6.以下产业中,更宜依托远海陆港发展的是A.服务外包产业B.高科技产业C.资源加工产业D.前瞻性产业相对湿度是空气中实际水汽压与同温度条件下饱和水汽压的比值,用百分数表示。
图1示意我国某大城市1975~2015年城区和郊区各月平均相对湿度。
7.造成城区与郊区相对湿度差异的主要原因是城区较郊区A.气温高B.蒸发(腾)强C.降水量大D.绿地面积大8.该城市可能是A.乌鲁木齐B.北京C.上海D.广州苔原带植被多由低矮灌木及苔藓地衣组成,大多数灌木为极地特有种。
苔原带横跨亚欧大陆与北美大陆,呈东西向延伸,仅存在于北冰洋沿岸陆地及岛屿,宽度较小。
第四纪冰期,苔原带一度扩展至我国阿尔泰山-阴山一线。
其后,随着气温升高,苔原不断向北及高海拔退却。
9.受全球气候变暖的影响,亚欧大陆苔原带将A.整体向北移动B.整体向南移动C.面积扩大D.面积缩小10.苔原带横跨亚欧大陆,表明A.苔原植被对温度差异不敏感B.亚欧大陆北部湿度东西向差异小C.苔原植被对湿度差异不敏感D.亚欧大陆降水北部最多11.祁连山地针叶林带以上未发现极地特有种灌木,可能是因为祁连山地A.目前针叶林带以上气温高B.目前基带气温高C.冰期针叶林带以上气温高D.冰期基带气温高二、非选择题36.阅读图文材料,完成下列要求。
4M与1E分解分析定义:“4M”:人员(Man)机器(Machine)物料(Material)方法(Method)“1E”:环境(Environment)第一部分:人五大要素论(1)人员4M与1E它们构成了工厂的“五大要素论”,但在这五大要素论中,人是处于中心位置和驾驶地位的,就像行使的汽车一样,汽车的四只轮子是“机”、“料”、“法”、“环”四个要素,驾驶员这个“人”的要素才是主要的,没有了驾驶员这辆车也就只能原地不动成为废物了。
一个工厂如果机器、物料、加工产品的方法也好,并且周围环境也适合生产,但这个工厂没有员工的话,那他还是没法进行生产。
(2)人本原理“质量管理,以人为本,只有不断提高人的质量,才能不断提高活动或过程质量、产品质量、组织质量、体系质量及其组合的实体质量”这就是人本原理。
只有良好素质、专业技能过硬的员工去操作机器,按合理的比例对原材料进行配置,按规定的程序去生产,并在生产过程中减少对环境的影响,公司才能良性的发展。
(3)公司各级人员及其应具备的素质a.领导层①最主要的是长远的发展眼光,能正确制定发展的战略方针(敏锐的市场洞察能力和判断能力)②具备领导能力(带领团队向着一个共同的任务目标不断努力以至达到这个目标的过程)③沟通能力,从善如留(与下属的交流)④决策能力b.中间管理层①最主要的是领导能力和沟通能力(处于中间阶层,上下沟通协调)②还应具备一定的专业技术能力,能很好的指导工作。
③执行能力(很好的传达最高领导层的战略方针,并能够组织人员、设备、物料运用一定的方法进行生产)。
④组织能力c.基层管理层①最主要的是专业技术能力要强,能带领员工进行实际操作。
②沟通能力(很好的深入到员工中去,了解员工的工作、生活心理,及时帮助员工解决一些问题,并能向上级汇报)d.员工①要有团队意识②实际操作能力要强③了解与工作相关的基本知识总的说来:公司全员要有团队意识、质量意识、学习意识,把顾客满意摆在工作的首位。
人机料法环变化点跟进表记录近年来,随着科技的不断发展,人机料法环在各个领域都发生了巨大的变化。
本文将以人类的视角,详细记录人机料法环的变化点,并对其进行跟进分析。
一、人机料法环的变化点1. 人机交互方式的改变:过去,人机交互主要依靠键盘、鼠标等输入设备,但现在随着智能手机、触摸屏等新型设备的普及,人机交互方式发生了巨大的变化。
人们可以通过触摸、手势等更直观、便捷的方式与计算机进行交互,大大提高了用户体验。
2. 人工智能的应用:人工智能在人机料法环中的应用也日益广泛。
通过机器学习、深度学习等技术,计算机可以模拟人类的思维和行为,实现智能化的决策和处理。
例如,智能语音助手可以根据用户的指令进行语音识别和语义理解,从而为用户提供更加个性化、智能化的服务。
3. 大数据的应用:随着互联网的普及,各种数据源不断涌现,人机料法环可以利用这些大数据进行分析和挖掘,从而提供更加精准、实时的决策支持。
例如,通过分析用户的浏览记录、购买行为等数据,电商平台可以推荐用户感兴趣的商品,提高用户体验和销售额。
4. 云计算的兴起:云计算技术的发展也对人机料法环产生了重大影响。
通过将计算和存储资源放在云端,用户可以随时随地通过网络访问和使用这些资源,不再局限于特定的设备和地点。
这为人机料法环的发展提供了更大的灵活性和扩展性。
5. 虚拟现实的应用:虚拟现实技术的快速发展也为人机料法环带来了全新的体验。
通过虚拟现实设备,用户可以身临其境地感受到虚拟世界的沉浸式体验,与计算机进行更加直观、真实的交互。
这在游戏、教育、医疗等领域都有广泛的应用。
二、人机料法环的跟进分析1. 深度学习技术的发展:随着深度学习技术的不断进步,人机料法环在模式识别、自然语言处理等方面取得了显著的进展。
利用深度神经网络,计算机可以从海量的数据中学习到更加复杂和抽象的特征,从而提高人机交互的智能化水平。
2. 边缘计算的兴起:边缘计算是一种将计算和存储资源放在离用户更近的位置,以提供更低延迟、更高可靠性的计算服务的技术。
人、机、料、法、环,全面解析人机料法环是对全面质量管理理论中的五个影响产品质量的主要因素的简称。
一篇关于人、机、料、法、环的解析文章,请收好!人:指制造产品的人员;机:指制造产品所用的设备;料:指制造产品所使用的原材料;法:指制造产品所使用的方法;环:指产品制造过程中所处的环境。
这五大要素论中,人是处于中心位置和驾驶地位的,就像行驶的汽车一样,汽车的四只轮子是“机”、“料”、“法”、“环”四个要素,驾驶员这个“人”的要素才是主要的。
没有了驾驶员这辆车也就只能原地不动成为废物了。
一个工厂如果机器、物料、加工产品的方法也好,并且周围环境也适合生产,但这个工厂没有员工的话,那他还是没法进行生产。
人的分析:1.技能问题?2.制度是否影响人的工作?3.是选人的问题吗?4.是培训不够吗?5.是技能不对口吗?6.是人员对公司心猿意马吗?7.有责任人吗?8.人会操作机器?人适应环境吗?人明白方法吗?人认识料吗?机的分析:就是指生产中所使用的设备、工具等辅助生产用具。
生产中,设备的是否正常运作,工具的好坏都是影响生产进度,产品质量的又一要素。
1.选型对吗?2.保养问题吗?3.给机器的配套对应吗?4.作机器的人对吗?机器的操作方法对吗?机器放的环境适应吗?机器设备的管理分三个方面,即使用、点检、保养。
使用即根据机器设备的性能及操作要求来培养操作者,使其能够正确操作使用设备进行生产,这是设备管理最基础的内容。
点检指使用前后根据一定标准对设备进行状态及性能的确认,及早发现设备异常,防止设备非预期的使用,这是设备管理的关键。
保养指根据设备特性,按照一定时间间隔对设备进行检修、清洁、上油等,防止设备劣化,延长设备的使用寿命,是设备管理的重要部分。
料的分析:1.是真货吗?型号对吗?2.有保质期吗?3.入厂检验了吗?4.用的符合规范吗?5.料适应环境吗,料与机器配合的了吗,料和其它料会不互相影响?法的分析:1.是按法做的吗?2.看的明白吗?3.写的明白吗?4.法适合吗?5.有法吗?6.方法是给对应的人吗?方法在这个环境下行吗?环的分析:1.在时间轴上环境变了吗?2.光线、温度、湿度、海拔、污染度考虑了吗?3.环境是安全的吗?4.环境是人为的吗?小环境与大坏境能并容吗?∙工作场所环境。
4M与1E分解分析定义:“4M”:人员Man机器Machine物料Material方法Method“1E”:环境Environment第一部分:人五大要素论1人员4M与1E它们构成了工厂的“五大要素论”,但在这五大要素论中,人是处于中心位置和驾驶地位的,就像行使的汽车一样,汽车的四只轮子是“机”、“料”、“法”、“环”四个要素,驾驶员这个“人”的要素才是主要的,没有了驾驶员这辆车也就只能原地不动成为废物了;一个工厂如果机器、物料、加工产品的方法也好,并且周围环境也适合生产,但这个工厂没有员工的话,那他还是没法进行生产;2人本原理“质量管理,以人为本,只有不断提高人的质量,才能不断提高活动或过程质量、产品质量、组织质量、体系质量及其组合的实体质量”这就是人本原理;只有良好素质、专业技能过硬的员工去操作机器,按合理的比例对原材料进行配置,按规定的程序去生产,并在生产过程中减少对环境的影响,公司才能良性的发展;3公司各级人员及其应具备的素质a.领导层①最主要的是长远的发展眼光,能正确制定发展的战略方针敏锐的市场洞察能力和判断能力②具备领导能力带领团队向着一个共同的任务目标不断努力以至达到这个目标的过程③沟通能力,从善如留与下属的交流④决策能力b.中间管理层①最主要的是领导能力和沟通能力处于中间阶层,上下沟通协调②还应具备一定的专业技术能力,能很好的指导工作;③执行能力很好的传达最高领导层的战略方针,并能够组织人员、设备、物料运用一定的方法进行生产;④组织能力c.基层管理层①最主要的是专业技术能力要强,能带领员工进行实际操作;②沟通能力很好的深入到员工中去,了解员工的工作、生活心理,及时帮助员工解决一些问题,并能向上级汇报d.员工①要有团队意识②实际操作能力要强③了解与工作相关的基本知识总的说来:公司全员要有团队意识、质量意识、学习意识,把顾客满意摆在工作的首位; 4公司人员的优化配置要做到公司人员的优化配置,必须注意以下几点:A.岗位分析a.工作是什么①.工作内容、任务职责②.岗位名称、级别③.岗位需要的工作条件与其他岗位的关系④.岗位在企业组织结构的位置b.谁适合这个工作①.学历和专业要求②.基本能力③.年龄和性别④.必须接受的培训和培训时间c.谁最适合这个工作①.怎样的经历可以优先②.那些专业可以优先③.怎样的资格如某些职称、证书等可以优先目的:做到人岗匹配,发挥每人的长处B.人员培训的目的新员工上岗培训的目的:①.使新员工熟悉工作场所,了解企业的规章制度和晋升加薪的标准,清楚企业的组织结构和发展目标,以利于新员工适应新的环境;②.使新员工明确工作职责,适应新的职业及作业程序;③.促使新员工转变角色;C.绩效评估考核绩效评估也称业绩或业绩评价等,是指对评估者完成岗位或某项工作结果进行考核与评价;它的作用:绩效评估被用来作为有关员工工作条件,包括晋升、解雇和薪酬决策等的基础;可以改善员工的绩效,加强工作技能,指导员工努力工作;D.薪酬与激励薪酬与激励对人员影响是很大的,对留住人才、挖掘人才起到很大的作用;薪酬最主要的是做到一个公平性内部公平、外部公平;其次,激励性、竞争性、司法性、经济性;激励的种类很多,要依职位、人员的不同设有不同的激励方法;第二部分:如何做好机器设备与物料管理1. 机器设备的分类和定义设备一般是指机器设备,它包括仪器设备、测量用具、工具等;2. 机器设备的使用、点检、保养机器设备的管理分三个方面,即使用、点检、保养;使用即根据机器设备的性能及操作要求来培养操作者,使其能够正确操作使用设备进行生产,这是设备管理最基础的内容;点检指使用前后根据一定标准对设备进行状态及性能的确认,及早发现设备异常,防止设备非预期的使用,这是设备管理的关键;保养指根据设备特性,按照一定时间间隔对设备进行检修、清洁、上油等,防止设备劣化,延长设备的使用寿命,是设备管理的重要部分;3. 发生不良时的处理方法在日常点检或使用中如发现不良,点检者应记录不良内容,并立即向上司报告;4. 设备的目视管理设备的管理除了建立系统的点检保养制度外,还应对存入现场进行规划、标识及目视管理的设备管理是以能够正确地、高效率地实施清扫、点检、加油、紧固等日常保养工作为目的;5. 如何做好物料管理1库存管理①物料的包装②物料的搬运③物料的识别④物料的保管——仓库管理⑤物料的领取使用2物料的设计变更设计变更指由于设计、生产、品质使用等因素对产品发生规格、型号、物料、颜色、功能等的变更3物料不良的处理a、不良严重程度的区分,发生不良时,要根据重要程度划分缺点等级;b、不良品处理①不良相关信息的收集、保存;②不合格品的区分;③不合格品的处理;④不良品的再次确认;⑤纠正处理;4物料的目视管理日常工作中,需要对消耗品、物料、在制品、完成品等各种各样的物料进行管理;“什么物料、在哪里、有多少”及“必要的时候、必要的物料、无论何时都能快速地取出放入”成为物料管理的目标;目视管理能有效防止许多“人的失误”的产生,从而减少品质问题发生;第三部分:方法与环境1. 方法的重要性处理任何一件事情,不论其结果如何,都会使用到某种方法;那么一个企业要生存和发展同样需要方法;前面我们讲到了人员、机器和原材料,如果仅仅只拥有了这几样东西,企业并不等于就能顺利生产了;企业要赢利,方法是绝对少不了的;古时国家之间争夺城池有孙子兵法三十六计,现在激烈的市场竞争中有各种商场谋略,这些都证明了方法的重要性;企业进行生产制造,从拿到订单到向客户提供产品,需要各个部门的配合与协调;那么这中间,各个部门如何生产,部门之间如何协调都必须运用一套有效的方法;我们知道,一项活动的开展首先都应该有事先的计划,例如,材料的购入、机器设备的安排、不同岗位工作人员的调度、计划用何种方式进行生产等;有了计划之后,接下来就是如何实施了,“说起来容易做起来难”,难就难在采用何种方法使实施过程准确地朝着我们的计划目标发展; 2. 方法的目的性1合理进行生产;2使人的相处和谐;3准确了解各种数量信息、生产系统状态,通过调整达到目标;4提高利用率、人员工作效率,降低成本;3. 方法的具体体现1为车间工作任务进行有效排序;作业排序:在有多种不同工件、一台设备的情况下,每种都有各自加工时间和交货期,就要安排加工顺序,决定哪个作业首先开始工作的活动;基本原则:优先调度;充分满足以下四个条件:①满足顾客或下一道工序作业的交货日期;②使流程时间,即作业在工序过程中耗费的时间最短;③使在制品库存最小;④使设备和工人的闲置时间最短;2进行作业安排,即按作业计划安排进行工作任务的分配;计划确定——安排人力、机器、物资供应等——根据作业顺序和加工任务开具传票加工单、检验单、出库单等——指示人员作业内容安排步骤:①在作业计划规定的作业开始前,检查各种准备工作是否完成,能否保证生产顺利进行;②根据车间生产能力,核实现有的负荷及加工余力,按作业计划分配操作人员具体职责,并发出开始作业指令;3机械使用方法;不同的机器设备都有各自的使用方法,要求工作人员能熟悉其性能,很好的掌握和使用其操作方法;4收集、记录与传递生产信息;一般以投入/产出控制报告、各种状态和例外报告预期和延期报告、废品报告、返工报告等形式表现出来;通过了解各种信息和实际实行情况,知道其偏差幅度,进行随时调整; 5价生产过程;通过个人观察、分析统计报告、分析生产记录等方式对生产过程和生产成果进行有效评估;6调整;根据结果的具体实施情况,对生产计划和生产过程作适当调整,例如添加、减少或变更加工工序,生产温度的变更等;4.生产进度计划1 定义:生产进度控制是生产控制的最主要内容,它贯穿于整个生产过程的始终,从生产技术准备到产品进入库房的所有生产活动都与进度控制有关;生产进度控制的主要任务,是按照已经制定出的作业计划,检查各种零部件的投入和产出时间、产出数量以及产品和生产过程配套性,保证生产过程平衡的进行,保证产品能准时装配出厂;2 目的:准时产出;就是要求在需要的时间,按照需要的品种,生产出所需要数量的产品,各种零部件的产出必须按照计划进行,如果零部件产出延迟,就会影响到整个产品的组装工作,反之,如果零部件提前完成,会造成在制品过多积压,引起生产费用上升;3 基本内容:①投入进度控制:即对产品或零部件的投入如期、数量以及原材料、毛坯、零部件提前期的掌握;投入进度控制是预先性控制,投入不及时或投入数量不足,必然会造成生产过程中无法平衡进行,产品无法按照制定的期限交货,甚至造成生产中断;如果投入物料过多,生产中的在制品形成积压造成生产中的浪费;②工序进度控制:即在实现投入之后,要进行的具体的生产制造过程;其内容就是对产品或零部件在整个生产过程中的每道工序加工的控制;③产出进度控制:经过生产的每一道工序,生产出的产品也要进行控制,产出进度控制就是对产品的出产日期、出产数量的限制,其中也包括产出零部件和产品的均衡和配套的控制;实现产出是整个生产进度控制的根本目的;5. 环境1工作场所环境;指各种产品、原材料的摆放,工具、设备的布置和个人5S;2对危险品控制;一是化学物品的堆放,诸如酒精、天那水之类;二是生产过程中产品对六种化学物质的控制铅、汞、镉、六价络、多溴联苯、多溴二苯醚3生产环境;指具体生产过程中针对生产条件对温度、湿度、无尘度等要求的控制;第四部分:事项变更1. 目的:确保事项“4M+1E”变更的可行性,并对变更前/后的产品进行有效管理,防止异常发生;2. 事项4M1E变更内容作业者的变更a. 重要作业事项作业者的变更本公司指定的特殊事项;b. 新作业者大幅度变更;c. 作业监督者的变更;设备的变更a. 治/工具、接册器的变更;b. 机器、设备的变更;c. 金型变更新规做成、型修等;制造事项/方法变更a .加工、组立检查方法变更;,b. 加工、组装坚持事项追加、废止、顺序变更等不影响品质除外;c. 条件或生产条件大幅度变更;材料变更a. 材料式样那边更;b. 材料供给者变更生产厂家;c. 特殊生产辅料“CMS”有要求时;其他变更a. 作业场所、工厂变更;b. 外注厂商变更;c. 其他认为对品质有影响的变更;d. 生产厂家变更“CMS”有要求时;环境变更a. 对作业场所有特殊要求时如:温度、湿度、无尘度……3. 流程在正式量产的事项4M1E变更要遵守以下流程;申请部门使用本规程指定事项4M1E变更申请依赖书表格提出变更申请; 申请部门应将工厂变更有关每人提交至制造技术部进行可行性确认;将申请表及变更后的样品交至相关部门进行验证;最终由品保部予以承认;客户有要求需由客户作最终承认;变更OK后,由相关部门进行标准类文件的修订;变更申请经社内或社外承认后方可实施正式变更;附:实施流程。