穿梭车部件及功能介绍(课堂PPT)
- 格式:ppt
- 大小:2.69 MB
- 文档页数:42
标准型穿梭板技术文件穿梭板结合人工叉车一起使用,把货物的存放和运输分开,无线遥控穿梭板完成货物存放功能;人工叉车完成货物运输功能。
叉车不进入货物存放区,只在存储区端头作业,靠穿梭板将货物放入指定货位。
货物存放指令由叉车操作员通过无线遥控器下发,操作员也可终止无线遥控穿梭板正在执行的动作。
货架入口一面的第一货位就是叉车取放货物的位置,可实现货物的先进先出和先进后出两种作业模式。
叉车取货叉车取穿梭板穿梭板入库穿梭板系统主要由机械系统和电气系统组成,机械部分由机架组合、顶升机构、限位轮和行走机构等组成;电气系统主要由PLC、伺服驱动系统、低压电气、传感器、遥控器、按钮信号组合、电池供电系统等组成。
一,穿梭板设计制造1、穿梭板设计1根据穿梭板的功能进行工业造型设计。
2根据使用参数进行机械部件、电气的选型设计。
3机械零部件的载荷设计。
4根据客户需求三维建模设计穿梭板。
5电气程序编制,使穿梭板性能达到最佳。
6设计SMS电气调度软件,WMS管理软件,使仓库管理更便捷。
电气设计1电气设计2WMS管理软件2、穿梭板制造1穿梭板零部件采用数控车床加工,保证加工精度,重要零部件均热处理处理。
2所有机加工件表面镀镍处理。
3钣金件均采用激光下料,数控折弯机折弯;铝合金面板采用数控加工中心加工。
4所有焊接均采用二氧化碳保护焊和氩弧焊焊接。
5机架部件均表面喷塑处理,铝合金面板采用喷砂阳极化处理。
6配备专用工作台进行穿梭板的装配。
7每台装配完的穿梭板均在公司自备的轨道上测试运行,测试成功后包装出厂。
8所有穿梭板均单独木箱包装。
待调试穿梭板调试穿梭板二,穿梭板主要技术参数项目基础数据备注型号标准版版TDRII-B-1113适用托盘宽度:1100mm深度度:1300mm兼容大小托盘最大载重量Max1500kg行走速度空载:1.0m/s,满载:0.8m/s行走加速度≤0.5m/S2马达有刷伺服电机24VDC550W直流伺服伺服驱动器MMT-DC36DPS30AL直流伺服顶升顶升高度40mm马达有刷电机24VDC400W中大电机定位方式/精度行走定位:激光德国品牌托盘定位:激光德国品牌顶升定位:接近开关德国P+F/SICK控制方式S7-200PLC可编程控制器德国SIEMENS遥控器工作频率433MHZ,通讯距离至少100米进口泰瑞定制双向通讯功能,带液晶屏使用温度:-40℃~+80℃IP67等级通讯方式无线以太网通讯选配供电方式磷酸铁锂动力电池国产优质电池参数24V,60A,使用时间≥8h,充电时间3h,可反复充电次数:1000次免维护速度控制方式伺服控制,低速恒转矩穿梭板控制方式遥控器控制运行噪音水平≤60db涂装要求机架组合黑色,顶升机构,电池箱以及控制柜RAL7035(浅灰)环境温度0~50℃防撞装置在水平端面安置聚胺脂缓冲条以及设置防装传感器。
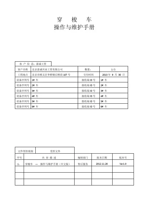
南京欧标金属制品有限公司穿梭车操作手册2013年03月26日注意:该手册中包含的信息目的在于, 确保穿梭车及其相关设备工作期间, 保护人员和设备的安全。
操作穿梭车时, 必须完全按照该使用手册处理。
穿梭车必须由经过制造厂家的技术人员培训后的专业人员操作。
有关穿梭车功能方面的任何信息,请联系南京欧标金属制品有限公司。
不正确的使用会导致“欧标”穿梭车的内置设备损坏。
务必在安装和使用穿梭车前仔细阅读本手册。
特别说明:本公司会不断对穿梭车改进升级,本说明书所截图片,数据和说明不作为订货验收依据。
本说明书是对该系列穿梭车的介绍,保留更改车型及其装备而不另行通知的权利。
目录1.“欧标”穿梭车外观 (2)2.功能键介绍 (4)3.重要信息 (10)4 .托盘及注意事项 (11)5.电池参数: (12)1.“欧标”穿梭车外观Master appearance and function of Radio Shuttle01 提升台板 Lift table 02 电池盖板 Battery cover 03 行走轮 Driven wheel 04 防撞块 Bumper block 05 A/B 面标识Identification of A/B face06 救援车连接口Rescue car connection07 车号 Car No.08 光电开关 Photoelectric ranger09 数码显示 Digital display 10 电源开 Swith on11 电源关 Swith off 12 警示灯Warning lamp 13 激光测距Photoelectric Switch 14 牌 子Brand01 1003 04 06 07 08 050913 11 14 02 122.功能键介绍1)穿梭车遥控器的使用:中间STOP键为模式转换键上键和下键为功能选择键数字键为车号按键车号增加,为车号减小当在长按“绿色按钮”3S后小车开机成功,指示灯长亮。
供稿/倪志强 采编/马 晨砥砺五十载,引领核心产品新未来—托盘环形穿梭车技术介绍近年来,随着工程项目的不断推广应用,北京起重运输机械设计研究院有限公司(以下简称北起院)持续开展直线穿梭车和环形穿梭车相关技术研究,不断优化传统车型结构,结合项目工程为项目智能穿梭车系统的研究与应用提供了丰富的前沿理论及相关经验。
目前,北起院环形车已应用于公牛插座、江苏恒瑞、哈博实、千禾味业、苏州SEW 等多个工程项目,当前在用环形车数量约为80台左右,工程项目实施经验丰富,并借助相关科研课题研究,科研与工程齐头并进,相辅相成,在工程中得以实践,在实践中加强科研创新,迭代升级,形成良好的业务闭环。
北起院具有良好的科研、试验、生产条件,拥有北京市唯一的自动化物流装备工程技术研究中心,同时拥有北起院装备制造有限公司——设备制造基地,利于试制加工与调试试验,部门具有机械、电气、软件等专业人才队伍,为直线和环形穿梭车研发课题的开展提供了相关设施保障。
北起院针对库前智能物流搬运输送系统及设备展开技术攻关,融入适宜的先进物流技术和设计理念,通过迭代研制与升级发展,成功开发与应用了基于地面轨道穿梭车的离散智能物流输送系统及其关键技术装备,在石化、快消品、汽车、医药、智能制造等多个行业取得了很好的市场及工程应用成果,解决了物流系统在收发、存储、生产、检验检测、拆码垛等环节物料快速离散输送难题,实现了物料跨区域、跨场景的精准柔性输送。
经过多年的发展,北起院研制的高效直线型地面轨道穿梭车系统和柔性环线型地面轨道穿梭车系统关键技术广泛应用于各类物流中心和立体库案例中,通过与库前输送设备系列产品线的配合,并应用虚拟调度技术、电气控制系统应用研究技术、单机结构优化设计技术打造柔性化可配置存储的新一代穿梭车系统方案。
作为仓储物流内部重要的一环,当前,国内越来越多的物流集成商企业开始开发自己的穿梭车产品;同时,一些物流装备企业近年来也开始越来越关注这一市场,甚至下游货架企业、AGV 企业,为了进一步拓展自身在仓储物流领域的竞争力,也开始通过与穿梭车厂家合作1)千禾味业立体库项目,坐标:四川眉山。
穿梭式货架的组成及工作模式解读——南京能达仓储设备制造公司穿梭式货架是这些年来受众率较高的一种自动化立体仓储解决方案。
它是定向距离可控制的穿梭车与对应仓储货架的完美结合,可以实现货物的定位存储,而效率与自动化程度远高于之前的一般的仓储货架。
但造价与维护成本也相对较高,但对于长远运营来说,值得去采购。
穿梭式货架由穿梭台车、货架系统、以及与之相适应的控制系统组成。
这其中,穿梭车是运输托盘货物的直接介质,它们性能的优良与否,直接关系到整个系统的工作进程,这需要专业的穿梭车厂家的根据客户的需要研发定做。
当然,有了穿梭车后,货架厂家会根据具体的情况设计配置好其运行的载体-仓储货架。
由于一台穿梭车可以在数个货架上工作,在设计制造货架上就需要保持其高度的一致性,从规划、选材、制造、打磨以及工艺处理,都需要从整体以及局部细节来考虑。
穿梭车是整个货架系统的核心设备之一,它们按控制时段在货架轨道上前后往复形式,来储存以及取出货物。
穿梭车主要由车体系统、输送装置、认址装置、导轨系统、安全保护装置、电气装置及穿梭车调度管理等组成。
1.穿梭车体系统。
主要由车架体、行走驱动装置、装饰罩组成。
车架体是承载其他部件的主体,主要有型钢焊接而成。
行走驱动装置由传动轴、驱动轮及电机等组成。
行走驱动装置的走行轮采用高科技聚氨酯材料,既提高了轮子的耐磨性,又大大减少了轮子与走行轮的摩擦力,这样可以延长轮子的使用寿命。
此外,车体可根据总体工艺流量需要设计成双车体,以适应双工位的需求。
2.穿梭车外部输送装置。
输送装置是物料的输送部分,安装于车体上,框架采用钢结构。
根据物料的形式,可选择辊道输送、链式输送、皮带输送等输送形式,同时可根据总体工艺流量需要设计成双输送装置,以适应双工位输送的需求,可大大提高输送能力。
3.内部智能认址装置。
认址装置是穿梭车出入库站台的定位信号装置。
认址装置有链条式、同步带式、摩擦轮式编码认址,以及激光认址、条码认址等多种方式,根据不同的电控模式进行选择。
穿梭车操作与维护手册穿梭车使用与维护手册目录序号内容描述页码第一部分安全与基本原理描述1、叉车司机的操作培训、安全管理与资格考试2、对业主设备调管理人员的培训3、重要安全事项3.1、人员培训:3.2、设备管理:3.3、货架安全管理:3.4、人员安全管理:3.5、输送物与托盘管理:4、穿梭式货架工作原理4.1、主要工作方式----存入托盘:4.2、主要工作方式----取出托盘:4.3、先入先出货架模式(FIFO模式)4.4、后入先出货架模式(LIFO模式)5、穿梭车的基本组成与原理5.1、穿梭车本体5.2、遥控器5.3、充电柜与锂电池5.4、拯救车6、穿梭车对货架、轨道的要求6.1、对轨道要求:6.2、轨道端头板6.3、支撑立柱7、穿梭车对托盘的要求第二部分穿梭车使用与操作1、遥控器与功能键1.1、遥控器的按键及功能解释请参照下表1.2、薄膜开关上按钮功能显示:2、遥控器操作2.1、遥控器充电2.2、选车2.3、寻车2.4、自动模式- 存入托盘2.5、自动模式-取出托盘(单取)2.6、自动模式-连续取托盘2.7、自动模式-整理托盘2.8、自动模式-应急处理2.9、手动模式–前进、后退、顶升、下降3、穿梭车本体3.1、标准型穿梭车结构图3.2、标准型穿梭车与货架配合图3.3、标准型穿梭车基本参数4、对穿梭车的操作4.1、开机、关机与使用前准备4.2、放置到作业巷道内4.3、更换电池4.4、冷库内穿梭车特别注意事项5、充电柜5.1、如何充电5.2、电池充电状态5.3、冷库内电池特别注意事项5.4、充电柜电气原理图第三部分维护与故障处理1、设备维护与日常例检2、设备故障处理2.1、设备故障预判断2.2、故障应急对策2.3、在线远程服务第四部分附件1、服务联络方式2、宣传动画3、产品目录4、电气原理图:传感器布置图第一部分安全与基本原理描述1、叉车司机的操作培训、安全管理与资格考试对叉车司机进行上岗前培训,包括原理、安全、实际操作、书面与实际操作考试,共4个部分;培训内容可以按照下表逐项讲解;培训时间大致安排一个工作日,其中:⏹理论讲解1个小时;⏹实际演示2个小时;⏹书面测试0.5个小时;⏹实际操作测试2个小时;对测试没有达标的叉车司机需要进行再培训、再操作,直至达到考试人的要求为止;2、对业主设备调管理人员的培训穿梭车作为自动化运行的设备,需要业主指定1-2个设备管理人员,负责对该设备的具体管理、后续使用过程中的维护、设备故障发生时的应急处理;除对叉车司机的培训内容时(实际操作除外),需要全程参与,还需要进行其它日常维护、故障处理与联络的培训;培训内容可以按照下表逐项讲解;培训时间大致安排一个工作日,与对叉车司机的培训合并进行,其中:⏹理论讲解1个小时;⏹实际演示2个小时;⏹参与对叉车司机的书面测试0.5个小时;3、重要安全事项本手册关于安全事项的描述旨在设备使用期间,如何保护叉车操作司机、仓库内人员、穿梭车与货架设备、辅助设备和运载货物的安全,以下分类描述:3.1、人员培训:⏹任何与该穿梭式货架有关联的仓库内人员,包括叉车司机、仓库内管理人员、其它作业人员、辅助人员等,均需要经过一次安全培训;⏹对叉车司机需要经过单独的操作培训、设备原理讲解和实际操作练习,并最终通过操作资格考试后,才可以使用该设备;⏹客户需要指定1-2人,负责设备的使用管理、维护及后续联络负责;⏹设备只有在经过培训后的人员才可以操作,不正确的操作方法,可能会造成人员安全和设备损坏;⏹在经过培训前的员工,需要先仔细阅读本操作手册;3.2、设备管理:⏹任何时间下,非经过原生产厂商允许,禁止任何人以任何理由拆解本设备,无论机械或电气部分。
穿梭车操作与维护手册穿梭车使用与维护手册目录序号内容描述页码第一部分安全与基本原理描述1、叉车司机的操作培训、安全管理与资格考试2、对业主设备调管理人员的培训3、重要安全事项3.1、人员培训:3.2、设备管理:3.3、货架安全管理:3.4、人员安全管理:3.5、输送物与托盘管理:4、穿梭式货架工作原理4.1、主要工作方式----存入托盘:4.2、主要工作方式----取出托盘:4.3、先入先出货架模式(FIFO模式)4.4、后入先出货架模式(LIFO模式)5、穿梭车的基本组成与原理5.1、穿梭车本体5.2、遥控器5.3、充电柜与锂电池5.4、拯救车6、穿梭车对货架、轨道的要求6.1、对轨道要求:6.2、轨道端头板6.3、支撑立柱7、穿梭车对托盘的要求第二部分穿梭车使用与操作1、遥控器与功能键1.1、遥控器的按键及功能解释请参照下表1.2、薄膜开关上按钮功能显示:2、遥控器操作2.1、遥控器充电2.2、选车2.3、寻车2.4、自动模式- 存入托盘2.5、自动模式-取出托盘(单取)2.6、自动模式-连续取托盘2.7、自动模式-整理托盘2.8、自动模式-应急处理2.9、手动模式–前进、后退、顶升、下降3、穿梭车本体3.1、标准型穿梭车结构图3.2、标准型穿梭车与货架配合图3.3、标准型穿梭车基本参数4、对穿梭车的操作4.1、开机、关机与使用前准备4.2、放置到作业巷道内4.3、更换电池4.4、冷库内穿梭车特别注意事项5、充电柜5.1、如何充电5.2、电池充电状态5.3、冷库内电池特别注意事项5.4、充电柜电气原理图第三部分维护与故障处理1、设备维护与日常例检2、设备故障处理2.1、设备故障预判断2.2、故障应急对策2.3、在线远程服务第四部分附件1、服务联络方式2、宣传动画3、产品目录4、电气原理图:传感器布置图第一部分安全与基本原理描述1、叉车司机的操作培训、安全管理与资格考试对叉车司机进行上岗前培训,包括原理、安全、实际操作、书面与实际操作考试,共4个部分;培训内容可以按照下表逐项讲解;培训时间大致安排一个工作日,其中:⏹理论讲解1个小时;⏹实际演示2个小时;⏹书面测试0.5个小时;⏹实际操作测试2个小时;对测试没有达标的叉车司机需要进行再培训、再操作,直至达到考试人的要求为止;2、对业主设备调管理人员的培训穿梭车作为自动化运行的设备,需要业主指定1-2个设备管理人员,负责对该设备的具体管理、后续使用过程中的维护、设备故障发生时的应急处理;除对叉车司机的培训内容时(实际操作除外),需要全程参与,还需要进行其它日常维护、故障处理与联络的培训;培训内容可以按照下表逐项讲解;培训时间大致安排一个工作日,与对叉车司机的培训合并进行,其中:⏹理论讲解1个小时;⏹实际演示2个小时;⏹参与对叉车司机的书面测试0.5个小时;3、重要安全事项本手册关于安全事项的描述旨在设备使用期间,如何保护叉车操作司机、仓库内人员、穿梭车与货架设备、辅助设备和运载货物的安全,以下分类描述:3.1、人员培训:⏹任何与该穿梭式货架有关联的仓库内人员,包括叉车司机、仓库内管理人员、其它作业人员、辅助人员等,均需要经过一次安全培训;⏹对叉车司机需要经过单独的操作培训、设备原理讲解和实际操作练习,并最终通过操作资格考试后,才可以使用该设备;⏹客户需要指定1-2人,负责设备的使用管理、维护及后续联络负责;⏹设备只有在经过培训后的人员才可以操作,不正确的操作方法,可能会造成人员安全和设备损坏;⏹在经过培训前的员工,需要先仔细阅读本操作手册;3.2、设备管理:⏹任何时间下,非经过原生产厂商允许,禁止任何人以任何理由拆解本设备,无论机械或电气部分。
穿梭车操作与维护手册穿梭车使用与维护手册目录序号内容描述页码第一部分安全与基本原理描述1、叉车司机的操作培训、安全管理与资格考试2、对业主设备调管理人员的培训3、重要安全事项3.1、人员培训:3.2、设备管理:3.3、货架安全管理:3.4、人员安全管理:3.5、输送物与托盘管理:4、穿梭式货架工作原理4.1、主要工作方式----存入托盘:4.2、主要工作方式----取出托盘:4.3、先入先出货架模式(FIFO模式)4.4、后入先出货架模式(LIFO模式)5、穿梭车的基本组成与原理5.1、穿梭车本体5.2、遥控器5.3、充电柜与锂电池5.4、拯救车6、穿梭车对货架、轨道的要求6.1、对轨道要求:6.2、轨道端头板6.3、支撑立柱7、穿梭车对托盘的要求第二部分穿梭车使用与操作1、遥控器与功能键1.1、遥控器的按键及功能解释请参照下表1.2、薄膜开关上按钮功能显示:2、遥控器操作2.1、遥控器充电2.2、选车2.3、寻车2.4、自动模式- 存入托盘2.5、自动模式-取出托盘(单取)2.6、自动模式-连续取托盘2.7、自动模式-整理托盘2.8、自动模式-应急处理2.9、手动模式–前进、后退、顶升、下降3、穿梭车本体3.1、标准型穿梭车结构图3.2、标准型穿梭车与货架配合图3.3、标准型穿梭车基本参数4、对穿梭车的操作4.1、开机、关机与使用前准备4.2、放置到作业巷道内4.3、更换电池4.4、冷库内穿梭车特别注意事项5、充电柜5.1、如何充电5.2、电池充电状态5.3、冷库内电池特别注意事项5.4、充电柜电气原理图第三部分维护与故障处理1、设备维护与日常例检2、设备故障处理2.1、设备故障预判断2.2、故障应急对策2.3、在线远程服务第四部分附件1、服务联络方式2、宣传动画3、产品目录4、电气原理图:传感器布置图第一部分安全与基本原理描述1、叉车司机的操作培训、安全管理与资格考试对叉车司机进行上岗前培训,包括原理、安全、实际操作、书面与实际操作考试,共4个部分;培训内容可以按照下表逐项讲解;培训时间大致安排一个工作日,其中:⏹理论讲解1个小时;⏹实际演示2个小时;⏹书面测试0.5个小时;⏹实际操作测试2个小时;对测试没有达标的叉车司机需要进行再培训、再操作,直至达到考试人的要求为止;2、对业主设备调管理人员的培训穿梭车作为自动化运行的设备,需要业主指定1-2个设备管理人员,负责对该设备的具体管理、后续使用过程中的维护、设备故障发生时的应急处理;除对叉车司机的培训内容时(实际操作除外),需要全程参与,还需要进行其它日常维护、故障处理与联络的培训;培训内容可以按照下表逐项讲解;培训时间大致安排一个工作日,与对叉车司机的培训合并进行,其中:⏹理论讲解1个小时;⏹实际演示2个小时;⏹参与对叉车司机的书面测试0.5个小时;3、重要安全事项本手册关于安全事项的描述旨在设备使用期间,如何保护叉车操作司机、仓库内人员、穿梭车与货架设备、辅助设备和运载货物的安全,以下分类描述:3.1、人员培训:⏹任何与该穿梭式货架有关联的仓库内人员,包括叉车司机、仓库内管理人员、其它作业人员、辅助人员等,均需要经过一次安全培训;⏹对叉车司机需要经过单独的操作培训、设备原理讲解和实际操作练习,并最终通过操作资格考试后,才可以使用该设备;⏹客户需要指定1-2人,负责设备的使用管理、维护及后续联络负责;⏹设备只有在经过培训后的人员才可以操作,不正确的操作方法,可能会造成人员安全和设备损坏;⏹在经过培训前的员工,需要先仔细阅读本操作手册;3.2、设备管理:⏹任何时间下,非经过原生产厂商允许,禁止任何人以任何理由拆解本设备,无论机械或电气部分。
穿梭车防撞装置的设计与应用
穿梭车是一种在仓库内部或生产车间内进行物料运输的设备。
由于其工作特点,穿梭
车与其他设备、车辆以及人员的移动有较高的接触频率,在设计和应用穿梭车时,必须考
虑到防撞装置的设计和应用。
穿梭车防撞装置的设计主要从以下几个方面考虑:
1. 传感器探测:防撞装置需要安装传感器以检测周围环境和障碍物的距离和位置。
常用的传感器有超声波传感器和激光传感器,可以实时感知并监测周围的障碍物。
2. 报警系统:当传感器检测到有障碍物靠近或触及穿梭车时,防撞装置应能通过报
警系统发出声音或光信号,提醒操作人员及时采取避让措施。
3. 刹车系统:当检测到障碍物靠近或触及穿梭车时,防撞装置应自动触发刹车系统,减缓或停止穿梭车的移动,以避免碰撞或造成损坏。
4. 自动避让系统:当传感器检测到有障碍物出现时,防撞装置应能自动调整穿梭车
的移动方向,避开障碍物,确保安全通行。
穿梭车防撞装置的应用可以大大提高仓库或生产车间的安全性和效率:
1. 防止碰撞事故:穿梭车防撞装置能够及时感知并避免碰撞障碍物,有效减少了仓
库或车间内的碰撞事故的发生。
2. 保护设备和货物:防撞装置能够避免穿梭车与其他设备和货物的碰撞,降低了设
备和货物的损坏风险,延长了设备的使用寿命。
3. 提高工作效率:穿梭车防撞装置的自动避让功能可以使穿梭车在工作过程中智能、高效地避开障碍物,节省了操作人员的时间和精力,提高了工作效率。
穿梭车防撞装置的设计和应用是提高仓库或生产车间内物料运输安全性和效率的重要
措施。
通过合理的设计和应用,可以避免碰撞事故,保护设备和货物,提高工作效率,实
现安全高效的物料运输。