风级风压风速之间的关系
- 格式:doc
- 大小:47.00 KB
- 文档页数:2
风速与风压的换算关系及各级风速的自然表现P = pV^2/2式中:P——风压,Pa ; p——空气密度,1.205 kg/m^3(20摄氏度时);V——风速,m/s。
风压就是垂直于气流方向的平面所受到的风的压力。
根据伯努利方程得出的风-压关系,风的动压为wp=0.5•ro•v² (1)其中wp为风压[kN/m²],ro为空气密度[kg/m³],v为风速[m/s]。
由于空气密度(ro)和重度(r)的关系为r=ro•g, 因此有 ro=r/g。
在(1)中使用这一关系,得到wp=0.5•r•v²/g (2)此式为标准风压公式。
在标准状态下(气压为1013 hPa, 温度为15°C), 空气重度r=0.01225 [kN/m³]。
纬度为45°处的重力加速度g=9.8[m/s²], 我们得到wp=v²/1600 (3)此式为用风速估计风压的通用公式。
应当指出的是,空气重度和重力加速度随纬度和海拔高度而变。
一般来说,r/g 在高原上要比在平原地区小,也就是说同样的风速在相同的温度下,其产生的风压在高原上比在平原地区小。
现在我们将风速代入(3), 10 级大风相当于 24.5-28.4m/s, 取风速上限28.4m/s, 得到风压wp=0.5 [kN/m瞉, 相当于每平方米广告牌承受约51千克力。
风力是指风吹到物体上所表现出的力量的大小。
一般根据风吹到地面或水面的物体上所产生的各种现象,把风力的大小分为13个等级,最小是0级,最大为12级。
其口诀:0级静风,风平浪静,烟往上冲。
1级软风,烟示方向,斜指天空。
2级轻风,人有感觉,树叶微动。
3级微风,树叶摇动,旗展风中。
4级和风,灰尘四起,纸片风送。
5级清风,塘水起波,小树摇动。
6级强风,举伞困难,电线嗡嗡。
7级疾风,迎风难行,大树鞠躬。
8级大风,折断树枝,江湖浪猛。
风压计算和风力等级表风压就是垂直于气流方向的平面所受到的风的压力。
根据伯努利方程得出的风-压关系,风的动压为:wp=0.5·ρ·v2 (1)其中wp为风压[kN/m2],ρ为空气密度[kg/m3],v为风速[m/s]。
由于空气密度(ρ)和重度(r)的关系为 r=ρ·g, 因此有ρ=r/g。
在(1)中使用这一关系,得到wp=0.5·r·v2/g (2)此式为标准风压公式。
在标准状态下(气压为1013 hPa, 温度为15℃), 空气重度 r=0.01225 [kN/m3]。
纬度为45°处的重力加速度g=9.8[m/s2], 我们得到wp=v2/1600 (3)此式为用风速估计风压的通用公式。
应当指出的是,空气重度和重力加速度随纬度和海拔高度而变。
一般来说,ρ在高原上要比在平原地区小,也就是说同样的风速在相同的温度下,其产生的风压在高原上比在平原地区小。
现在我们将风速代入(3), 10 级大风相当于 24.5-28.4m/s, 取风速上限 28.4m/s, 得到风压wp=0.5 [kN/m2], 相当于每平方米广告牌承受约51千克力。
风级、风速、风压对照表风速与风压(风载)的关系风压就是垂直于气流方向的平面所受到的风的压力。
根据伯努利方程得出的风-压关系,风的动压为wp=0.5·ro·v (1)其中wp为风压[kN/m瞉,ro为空气密度[kg/m砞,v为风速[m/s]。
由于空气密度(ro)和重度(r)的关系为r=ro·g, 因此有ro=r/g。
在(1)中使用这一关系,得到wp=0.5·r·v/g (2)此式为标准风压公式。
在标准状态下(气压为1013 hPa, 温度为15°C), 空气重度r=0.01225 [kN/m砞。
纬度为45°处的重力加速度g=9.8[m/s瞉, 我们得到wp=v/1600 (3)此式为用风速估计风压的通用公式。
风压与风速的计算方法风压与风速是设计建筑物和结构时需要考虑的重要参数。
风压是指风力对建筑物或结构物表面单位面积的作用力,而风速则是指风在单位时间内通过单位面积的空气体积。
风压与风速之间存在一定的关系,下面将介绍风压与风速的计算方法。
1.风压计算方法:风压的计算方法主要包括静风压和动风压。
静风压:静风压是指风作用力与表面正交且单位面积上的总垂直静风压力。
其计算方法如下:P=0.5*ρ*V²*Cp其中,P为静风压力(Pa),ρ为空气密度(kg/m³),V为风速(m/s),Cp为风压系数。
动风压:动风压是指风速引起的压力变化导致的风压力。
对于其中一稳定的风压系数,动风压与表面风速变化成正比。
其计算方法如下:Pd=0.5*ρ*Vd²*Cp其中,Pd为动风压理论值(Pa),ρ为空气密度(kg/m³),Vd为设计风速(m/s),Cp为风压系数。
2.风速计算方法:风速的计算方法主要包括平均风速和顶风速。
平均风速:平均风速是指其中一位置一段时间内风速的平均值。
可以通过气象观测数据统计得出,也可以通过计算模型进行估算。
顶风速:顶风速是指建筑物或结构物顶部其中一高度处的风速。
顶风速通常要考虑地形、建筑物高度、热力效应等因素。
可以通过实地测量、参考相似结构物或使用风洞模型进行估算。
3.风压与风速关系:风压与风速之间的关系并非简单的线性关系,而是受到多种因素的影响,包括空气密度、气象条件、建筑物或结构物的几何形状、地理环境等。
因此,确定准确的风压与风速关系需要进行风洞试验、数值模拟或根据经验公式进行计算。
有一种经验公式被广泛应用于建筑物风压与风速的估计,即弗郎克公式:P=0.5*ρ*V²*Cd*Af其中,P为风压力(Pa),ρ为空气密度(kg/m³),V为风速(m/s),Cd为流体动力学计算系数,Af为面积系数。
总结起来,风压与风速的计算方法需要根据具体情况进行综合考虑。
B U T LE R 蒲福氏风级描述风力术语风速(km/h)(m/s)图标风压(kg/m2)0 级Calm 无风< 2(0.56)01 级Light Air 软风 (烟能表示方向,但风向标不动微波)2~6(0.56~1.67)0~0.22 级Light Breeze 轻风(人面感觉有风,风向标转动小波)7~12 (1.94~3.3)0.2~0.73 级Gentle Breeze 微风(树叶及微枝摇动不息,旌旗展开小波)13~19(3.6~5.23)0.8~1.74 级Moderate Breeze 和风 (能吹起地面纸张与灰尘轻浪)20~30 (5.5~8.3)1.9~4.3BU T LE R 蒲福氏风级描述风力术语风速(km/h)(m/s)图标风压(kg/m2)5 级Fresh Breeze 清风(有叶的小树摇摆 中浪)31~40(8.6~11.1) 4.6~7.76 级Strong Breeze 强风(小树枝摇动,电线呼呼响 大浪)41~51(11.4~14.2)8.1~12.67 级Moderate Gale 疾风(全树摇动,迎风步行不便 巨浪)52~62(14.4~17.2)13.0~18.58 级Fresh Gale 大风(微枝折毁,人向前行阻力甚大 狂浪)63~75(17.5~20.8)19.1~27.09 级Strong Gale 烈风(建筑物有小损 狂涛)76~87(21.1~24.2)27.8~36.6B U T L E R 蒲福氏风级描述风力术语风速(km/h)(m/s)图标风压(kg/m2)10 级Whole Gale 狂风(可拔起树来,损坏建筑物 狂涛)88~103(24.4~28.6)37.2~51.111 级Storm 暴风 (陆上少见,有则必有广泛破坏 狂涛)104~117(28.8~32.5)51.8~66.012 级Hurricane 飓风 (陆上极少见,摧毁力极大海浪滔天)>= 118 (32.7)>=66.8Note:W=V2/16(kg/m2)ELTUB。
风速与风压的关系我们知道,风压就是垂直于气流方向的平面所受到的风的压力。
根据伯努利方程得出的风-压关系,风的动压为wp=0.5·ro·v² (1)其中wp为风压[kN/m²],ro为空气密度[kg/m³],v为风速[m/s]。
由于空气密度(ro)和重度(r)的关系为r=ro·g, 因此有ro=r/g。
在(1)中使用这一关系,得到wp=0.5·r·v²/g (2)此式为标准风压公式。
在标准状态下(气压为1013 hPa, 温度为15°C), 空气重度r=0.01225 [kN/m³]。
纬度为45°处的重力加速度g=9.8[m/s²], 我们得到wp=v²/1600 (3)此式为用风速估计风压的通用公式。
应当指出的是,空气重度和重力加速度随纬度和海拔高度而变。
一般来说,r/g 在高原上要比在平原地区小,也就是说同样的风速在相同的温度下,其产生的风压在高原上比在平原地区小。
引用Cyberspace的文章:风力风压风速风力级别我们知道,风压就是垂直于气流方向的平面所受到的风的压力。
根据伯努利方程得出的风-压关系,风的动压为wp=0.5·ro·v²(1)其中wp为风压[kN/m²],ro为空气密度[kg/m³],v为风速[m/s]。
由于空气密度(ro)和重度(r)的关系为r=ro·g, 因此有ro=r/g。
在(1)中使用这一关系,得到wp=0.5·r·v²/g (2)此式为标准风压公式。
在标准状态下(气压为1013 hPa, 温度为15°C), 空气重度r=0.01225 [kN/m³]。
纬度为45°处的重力加速度g=9.8[m/s²], 我们得到wp=v²/1600 (3)此式为用风速估计风压的通用公式。
风压与风速的关系当风以一定的速度向前运动遇到阻塞时,将对阻塞物产生压力,即风压。
设速度为v 的一定截面的气流冲击面积较大的结构物时,由于受到阻碍,气流改成向四周外围扩散,形成压力气幕,如下图所示。
如果气流原先的压力强度为b w ,气流冲击结构物后速度逐渐减小,其截面中心一点的速度减小至零时,在该点处产生的最大气流压强,设为m w 。
则结构物受气流冲击的最大压力强度为m b w w -,此即工程上所定义的风压,记为w 。
为求得风压w 与风速v 的关系,设气流每点的物理量不变,略去微小的位势差影响,取流线中任一小段dl,如图所示。
设1w 为作用于小段左端的压力,则作用于小段右端近压力气幕的压力为11w dw +。
以顺流向的压力为正,作用于小段上的合力为1111()w dA w dw dA dw dA -+=-,该合力应等于小段的气流质量M 与顺流向加速度a 的乘积,即1dvdw dA Ma dAdl dtρ-==。
由此式可得1dvdw dldtρ-=,注意到dl vdt =,代入前式得1dw vdv ρ=-,而方程的解为2112w v c ρ=-+。
此式称为伯努利方程,其中c 为常数。
从该方程可以看出,气流在运动过程中,其本身压力随流速变化而变化,流速快,则压力小;而流速慢,则压力大。
当v=0时,1m w w =,代入方程的m c w =;而当风速为v 时,1b w w =,则212b m w w v ρ==-,因此,221122m b w w w v v gγρ=-==,此式即为风速与风压的关系公式,其中γ为空气单位体积的重力,g 为重力加速度。
在气压为101.325kPa 、常温15C 和绝对干燥的情况下,γ=0.0120183kN m ,在纬度45处,海平面上的重力加速度为g=9.82m s ,代入前式得此条件下的风压公式为22220.012018229.81630v w v v kN m g γ===⨯。
风压与风速的关系当风以一定的速度向前运动遇到阻塞时,将对阻塞物产生压力,即风压。
设速度为v 的一定截面的气流冲击面积较大的结构物时,由于受到阻碍,气流改成向四周外围扩散,形成压力气幕,如下图所示。
如果气流原先的压力强度为bw ,气流冲击结构物后速度逐渐减小,其截面中心一点的速度减小至零时,在该点处产生的最大气流压强,设为mw 。
则结构物受气流冲击的最大压力强度为m b w w -,此即工程上所定义的风压,记为w 。
为求得风压w 与风速v 的关系,设气流每点的物理量不变,略去微小的位势差影响,取流线中任一小段dl,如图所示。
设1w 为作用于小段左端的压力,则作用于小段右端近压力气幕的压力为11w dw +。
以顺流向的压力为正,作用于小段上的合力为1111()w dA w dw dA dw dA -+=-,该合力应等于小段的气流质量M 与顺流向加速度a 的乘积,即1dvdw dA Ma dAdl dtρ-==。
由此式可得1dvdw dldtρ-=,注意到dl vdt =,代入前式得1dw vdv ρ=-,而方程的解为2112w v c ρ=-+。
此式称为伯努利方程,其中c 为常数。
从该方程可以看出,气流在运动过程中,其本身压力随流速变化而变化,流速快,则压力小;而流速慢,则压力大。
当v=0时,1m w w =,代入方程的m c w =;而当风速为v 时,1b w w =,则212b m w w v ρ==-,因此,221122m b w w w v v gγρ=-==,此式即为风速与风压的关系公式,其中γ为空气单位体积的重力,g 为重力加速度。
在气压为101.325kPa 、常温15C 和绝对干燥的情况下,γ=0.0120183kN m ,在纬度45处,海平面上的重力加速度为g=9.82m s ,代入前式得此条件下的风压公式为22220.012018229.81630v w v v kN m g γ===⨯。
风速与风压的关系公式风速与风压的关系,这可真是个有点复杂但又超级有趣的话题!咱先来说说啥是风速。
想象一下,在一个大风天,你站在户外,感觉到风呼呼地吹过,那个推动你头发、衣服的力量,就是风速的体现啦。
风速简单说就是风运动的快慢。
那风压又是啥呢?就好比风是个大力士,它使劲儿推在一个物体表面上产生的压力,这就是风压。
那风速和风压到底有啥关系呢?这里就得提到一个重要的公式啦:风压 = 0.5 ×空气密度 ×风速²。
咱来仔细瞅瞅这个公式。
空气密度一般情况下是个固定的值,所以影响风压大小的关键就在于风速啦。
风速越大,风压也就越大。
我给您讲个我自己的经历哈。
有一次我去海边玩,那天风特别大。
我站在海边的礁石上,那风刮得我都快站不稳了。
海浪被风卷起,拍打着岸边,发出巨大的声响。
我当时就想,这风得有多大的劲儿啊!后来我回来研究了一下,才更明白风速和风压的关系。
就像那天海边的大风,风速那么快,产生的风压让海浪都变得汹涌澎湃。
在实际生活中,这个关系公式可有大用处呢。
比如说在建筑设计中,工程师们就得考虑当地的风速情况,通过这个公式计算出风压,从而确保建筑物能够承受住风的压力,不会被吹倒或者损坏。
要是没算好,那后果可不堪设想。
还有在风力发电领域,了解风速和风压的关系能帮助工程师们设计出更高效的风力发电机叶片。
叶片的形状和角度都得根据风速和风压来调整,这样才能最大限度地利用风能发电。
再比如说,飞机在飞行的时候,也得考虑风速和风压的影响。
如果遇到强风,飞机的飞行姿态和稳定性都会受到挑战。
飞行员就得根据风速和风压的变化来调整飞行策略,保障飞行安全。
总之,风速与风压的关系公式虽然看起来有点复杂,但只要咱好好理解,就能发现它在好多领域都发挥着重要作用。
就像我们生活中的很多事情一样,看似不起眼的小知识,其实蕴含着大大的能量呢!希望通过我的讲解,能让您对风速和风压的关系有更清楚的认识。
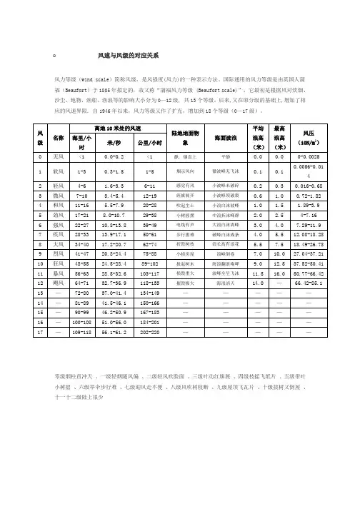
o风速与风级的对应关系风力等级(wind scale)简称风级,是风强度(风力)的一种表示方法。
国际通用的风力等级是由英国人蒲福(Beaufort)于1805年拟定的,故又称“蒲福风力等级 (Beaufort scale)”,它最初是根据风对炊烟、沙尘、地物、渔船、渔浪等的影响大小分为0—12级, 共13个等级。
后来,又在原分级的基础上,增加了相应的风速界限. 自1946年以来,风力等级又作了扩充,增加到18个等级(0—17级)。
风级 名称离地10米处的风速陆地地面物象海面波浪平均浪高(米)最高浪高(米)风压(10N/m2) 海里/小时米/秒 公里/小时0 无风 <1 0.0-0.2 <1 静, 烟直上 平静 0.0 0.0 0-0.00251 软风 1-3 0.3-1.5 1-5 烟示风向 微波峰无飞沫 0.1 0.1 0.0056-0.0142 轻风 4-6 1.6-3.3 6-11 感觉有风 小波峰未破碎 0.2 0.3 0.016-0.683 微风 7-10 3.4-5.4 12-19 旌旗展开 小波峰顶破裂 0.6 1.0 0.72-1.824 和风 11-16 5.5-7.9 20-28 吹起尘土 小浪白沫波峰 1.0 1.5 1.89-3.95 劲风 17-21 8.0-10.7 29-38 小树摇摆 中浪折沫峰群 2.0 2.5 4-7.166 强风 22-27 10.8-13.8 39-49 电线有声 大浪白沫离峰 3.0 4.0 7.29-11.97 疾风 28-33 13.9-17.1 50-61 步行困难 破峰白沫成条 4.0 5.5 12.08-18.288 大风 34-40 17.2-20.7 62-74 折毁树枝 浪长高有浪花 5.5 7.5 18.49-26.789 烈风 41-47 20.8-24.4 75-88 小损房屋 浪峰倒卷 7.0 10.0 27.04-37.2110 狂风 48-55 24.5-28.4 89-102 拔起树木 海浪翻滚咆哮 9.0 12.5 37.52-50.4111 暴风 56-63 28.5-32.6 103-117 损毁重大 波峰全呈飞沫 11.5 16.0 50.77-66.4212 飓风 64-71 32.7-36.9 118-133 摧毁极大 海浪滔天 14.0 — 66.42-85.113 — 72-80 37.0-41.4 134-149 — — — — —14 — 81-89 41.5-46.1 150-166 — — — — —15 — 90-99 46.2-50.9 167-183 — — — — —16 — 100-108 51.0-56.0 184-201 — — — — —17 — 109-118 56.1-61.2 202-220 — — — — —零级烟柱直冲天 、一级轻烟随风偏 、二级轻风吹脸面 、三级叶动红旗展 、四级枝摇飞纸片 、五级带叶小树摇 、六级举伞步行难 、七级迎风走不便 、八级风吹树枝断 、九级屋顶飞瓦片 、十级拔树又倒屋 、十一十二级陆上很少。
基本风压与风级的对应关系
默认分类2009-12-28 14:10:32 阅读151 评论0 字号:大中小
记得很多年前,有一次参与一个工程的设计,当时的业主领导说,我要求你们设计的建筑要能够抵抗12级台风。
我当时有点诧异,我们在做设计考虑风荷载时是按《建筑结构荷载规范》考虑,从未有过按风级进行设防的经验。
当然,领导的话有时是不能反驳的,不管人家是否专业,我们自己按国家标准进行设计就行了。
不过,这事一直在我的记忆里,后来读到李国强博士编的《多高层建筑钢结构设计》,其中关于风荷载的论述非常详细,我根据其中风级对应的风速,并结合《建筑结构荷载规范》给出的计算公式,
做了一个表格,供大家参考。
因为,不同地区的纬度、空气密度、重力加速度不同,完全按规范给的公式计算是不准确的。
所以上面的表格仅供参考,如果需要特定地区的准确数据可另行计算。
不过,相对于我们日常使用和参考,以及了解风级对应的风压关系,上面表格的精度是足够的。
根据以上表格,我们可以知道几级风大致相当于每平米有多大的风压,每个地区规范规定的基本风压,大致是几级风的标准。
本文错误和不妥之处,欢迎同行业的专家多多指教。
风速与风压的关系我们知道,风压就是垂直于气流方向的平面所受到的风的压力。
根据伯努利方程得出的风一压关系,风的动压为wp=0.5 -ro v2 (1)其中wp为风压[kN/m2], ro为空气密度[kg/m3], v为风速[m/s]。
由于空气密度(ro)和重度(r)的关系为r=ro g,因此有ro=r/g。
在⑴中使用这一关系,得到wp=0.5 -r v/g (2)此式为标准风压公式。
在标准状态下(气压为1013 hPa,温度为15° C),空气重度r=0.01225 [kN/m3]。
纬度为45°处的重力加速度g=9.8[m/s2 ],我们得到wp=v2/1600 (3)此式为用风速估计风压的通用公式。
应当指出的是,空气重度和重力加速度随纬度和海拔高度而变。
一般来说,r/g在高原上要比在平原地区小,也就是说同样的风速在相同的温度下,其产生的风压在高原上比在平原地区小。
引用的文章:风力风压风速风力级别我们知道,风压就是垂直于气流方向的平面所受到的风的压力。
根据伯努利方程得出的风一压关系,风的动压为wp=0.5 -ro v2 (1)其中wp为风压[kN/m2], ro为空气密度[kg/m3], v为风速[m/s]。
由于空气密度(ro)和重度(r)的关系为r=ro g,因此有ro=r/g。
在(1)中使用这一关系,得到wp=0.5 • x/2g(2)此式为标准风压公式。
在标准状态下(气压为1013 hPa,温度为15° C),空气重度r=0.01225 [kN/m3]。
纬度为45°处的重力加速度g=9.8[m/s2 ],我们得到wp=v2/1600 (3)此式为用风速估计风压的通用公式。
应当指出的是,空气重度和重力加速度随纬度和海拔高度而变。
一般来说,r/g在高原上要比在平原地区小,也就是说同样的风速在相同的温度下,其产生的风压在高原上比在平原地区小。
风压P = pV A2/2 = 1.2*9A2/2 = 48.6 (Pa) 假如说9[m/s]风速,风压应该怎么计算,请把公式也写下要测风道中的风速但手边没有风速计,只有个测风压的,我知道一般风压与风速的换算公式近似为风压=风速"2x1600不是风道中测的负压能不能直接带进去,或者有什么其他的换算方式?你的风压计测得的风道中的压力是静压Pj吧,如果能测出同一断面处的全压Pq,则该断面的动压Pd=Pq-Pj(静压Pj为负值,连同负号代入),而动压Pd=pVA2/2,从中可以算出风速V=( 2Pd/p)A(1/2)。
风压计算和风力等级表文稿归稿存档编号:[KKUY-KKIO69-OTM243-OLUI129-G00I-FDQS58-
风压就是垂直于气流方向的平面所受到的风的压力。
根据伯努利方程得出的风-压关系,风的动压为:
wp=0.5·ρ·v2(1)
其中wp为风压[kN/m2],ρ为空气密度[kg/m3],v为风速[m/s]。
由于空气密度(ρ)和重度(r)的关系为r=ρ·g,因此有ρ=r/g。
在(1)中使用这一关系,得到
wp=0.5·r·v2/g(2)
此式为标准风压公式。
在标准状态下(气压为1013hPa,温度为15℃),空气重度r=0.01225[kN/m3]。
纬度为45°处的重力加速度g=9.8[m/s2],
我们得到
wp=v2/1600(3)
此式为用风速估计风压的通用公式。
应当指出的是,空气重度和重
力加速度随纬度和海拔高度而变。
一般来说,ρ在高原上要比在平原地
区小,也就是说同样的风速在相同的温度下,其产生的风压在高原上比在平原地区小。
现在我们将风速代入(3),10级大风相当于24.5-28.4m/s,取风速上限28.4m/s,得到风压wp=0.5[kN/m2],相当于每平方米广告牌承受约51千克力。
风速与风压的关系我们知道,风压就是垂直于气流方向的平面所受到的风的压力。
根据伯努利方程得出的风-压关系,风的动压为wp=0.5·ro·v² (1)其中wp为风压[kN/m²],ro为空气密度[kg/m³],v为风速[m/s]。
由于空气密度(ro)和重度(r)的关系为r=ro·g, 因此有ro=r/g。
在(1)中使用这一关系,得到wp=0.5·r·v²/g (2)此式为标准风压公式。
在标准状态下(气压为1013 hPa, 温度为15°C), 空气重度r=0.01225 [kN/m³]。
纬度为45°处的重力加速度g=9.8[m/s²], 我们得到wp=v²/1600 (3)此式为用风速估计风压的通用公式。
应当指出的是,空气重度和重力加速度随纬度和海拔高度而变。
一般来说,r/g 在高原上要比在平原地区小,也就是说同样的风速在相同的温度下,其产生的风压在高原上比在平原地区小。
引用Cyberspace的文章:风力风压风速风力级别我们知道,风压就是垂直于气流方向的平面所受到的风的压力。
根据伯努利方程得出的风-压关系,风的动压为wp=0.5·ro·v²(1)其中wp为风压[kN/m²],ro为空气密度[kg/m³],v为风速[m/s]。
由于空气密度(ro)和重度(r)的关系为r=ro·g, 因此有ro=r/g。
在(1)中使用这一关系,得到wp=0.5·r·v²/g (2)此式为标准风压公式。
在标准状态下(气压为1013 hPa, 温度为15°C), 空气重度r=0.01225 [kN/m³]。
纬度为45°处的重力加速度g=9.8[m/s²], 我们得到wp=v²/1600 (3)此式为用风速估计风压的通用公式。
风速与风压的关系风速与风压的关系我们知道,风压就是垂直于气流方向的平面所受到的风的压力。
根据伯努利方程得出的风-压关系,风的动压为wp=0.5·ro·v² (1)其中wp为风压[kN/m²],ro为空气密度[kg/m³],v为风速[m/s]。
由于空气密度(ro)和重度(r)的关系为 r=ro·g, 因此有 ro=r/g。
在(1)中使用这一关系,得到wp=0.5·r·v²/g (2)此式为标准风压公式。
在标准状态下(气压为1013 hPa, 温度为15°C), 空气重度 r=0.01225 [kN/m³]。
纬度为45°处的重力加速度g=9.8[m/s²], 我们得到wp=v²/1600 (3)此式为用风速估计风压的通用公式。
应当指出的是,空气重度和重力加速度随纬度和海拔高度而变。
一般来说,r/g 在高原上要比在平原地区小,也就是说同样的风速在相同的温度下,其产生的风压在高原上比在平原地区小。
引用Cyberspace的文章:风力风压风速风力级别我们知道,风压就是垂直于气流方向的平面所受到的风的压力。
根据伯努利方程得出的风-压关系,风的动压为wp=0.5·ro·v² (1)其中wp为风压[kN/m²],ro为空气密度[kg/m³],v为风速[m/s]。
由于空气密度(ro)和重度(r)的关系为 r=ro·g, 因此有 ro=r/g。
在(1)中使用这一关系,得到wp=0.5·r·v²/g (2)此式为标准风压公式。
在标准状态下(气压为1013 hPa, 温度为15°C), 空气重度 r=0.01225 [kN/m³]。
纬度为45°处的重力加速度g=9.8[m/s²], 我们得到wp=v²/1600 (3)此式为用风速估计风压的通用公式。
13级以上(13级-17级)
风速(M/S)=风速(KM/H)/3.6
风速(KM/H)=风速(M/S)*3.6
风压和风速的换算关系。
wp=0.5·ro·v²
其中wp为风压[kN/m²],ro为空气密度[kg/m³],v为风速[m/s]。
由于空气密度(ro)和重度(r)的关系为r=ro·g, 因此有ro=r/g。
wp=0.5·ro·v² ----------> wp=0.5·r·v²/g
此式为标准风压公式。
在标准状态下(气压为1013 hPa, 温度为15°C), 空气重度r=0.01225 [kN/m³]。
纬度为45°处的重力加速度g=9.8[m/s²], 我们得到
wp=0.5·ro·v² ----------> wp=0.5·r·v²/g ---------->wp=v²/1600 风速换算风压
此式为用风速估计风压的通用公式。
应当指出的是,空气重度和重力加速度随纬度和海拔高度而变。
一般来说,r/g 在高原上要比在平原地区小,也就是说同样的风速在相同的温度下,其产生的风压在高原上比在平原地区小。
由此可见
风压换算风速
为v= sqrt(wp*1600)sqrt为根号开方的意思。
风压与风速的关系浅谈风与我们的日常生活密不可分。
风荷载对工程建筑也影响巨大。
忽略了风,也就等于放弃了工程。
风,是空气从气压大的地方向气压小的地方流动形成的。
从风的形成我们就可以看到风与压力是密不可分的!压力产生风,那么风压是什么呢?当风以一定的速度向前运动遇到阻塞时,将对阻塞物产生压力,即风压。
首先给出风压与风速的公式:W=-0.5pv2 +C 其中W:风压p空气质量密度V风速C常数。
当V=0时,W为最大风压,数值等于C。
日常生活中,我们所测得的风压为基本风压。
也就是按规定的地貌,高度,时距等量测量的风速所确定的风压为基本风压。
其中地貌为空旷平坦地貌,高度一般为10米,时距10分钟所测的风压为基本风压。
夏天到了,炽热的天气带给我们高昂的热情,也带来了更多的休息时间;同时,更令我们的CPU饱受高温煎熬。
那么怎么调整CPU 风扇的风速与风压才能起到更好的散热作用呢?风扇并不是什么稀奇的东西,在日常生活中早已司空见惯,具有导流、换气、散热等各种用途。
风冷散热器中使用的典型风扇外形是一个底面为正方形的扁柱体,四角留有安装所需的固定孔位,直流电机通过支架固定在外框上,扇叶与转子连接在一起,通过轴承安装在电机主体之上。
风速是风扇重要的性能指标之一,风速即风扇出风口或进风口的空气流动速度,单位一般为m/s;仅是某一位置的速度数值,不能完全体现风扇的性能。
因为风速在不同位置数值可能有较大差异,且平均值难以计算。
风扇的摆放位置会影响他的风速,因为外界条件不同,风传播介质的粗糙程度不同。
距离不同距离测量到的风速也不会相同。
如果要全面了解风扇的性能,那么就要了解与风速密不可分的另一个因素风压。
风压即风扇能够令出风口与入风口间产生的压强差,单位一般为mm(cm)water column,即毫米(厘米)水柱(类似于衡量大气压的毫米汞柱,但由于压强差较小,一般以水柱为单位)。
风压是衡量风扇“强劲”程度的重要指标,如果将风量比作一把武器的挥击力量,那么风压就是这把武器的锋利程度。
我们知道,风压就是垂直于气流方向的平面所受到的风的压力。
根据伯努利方程得出的风-压关系,风的动压为
wp=0.5·ro·v²(1)
其中wp为风压[kN/m²],ro为空气密度[kg/m³],v为风速[m/s]。
由于空气密度(ro)和重度(r)的关系为r=ro·g, 因此有ro=r/g。
在(1)中使用这一关系,得到
wp=0.5·r·v²/g (2)
此式为标准风压公式。
在标准状态下(气压为1013 hPa, 温度为15°C), 空气重度r=0.01225 [kN/m³]。
纬度为45°处的重力加速度g=9.8[m/s²], 我们得到
wp=v²/1600 (3)
此式为用风速估计风压的通用公式。
应当指出的是,空气重度和重力加速度随纬度和海拔高度而变。
一般来说,r/g 在高原上要比在平原地区小,也就是说同样的风速在相同的温度下,其产生的风压在高原上比在平原地区小。
风级、风速、风压对照表。