油膜轴承
- 格式:doc
- 大小:25.00 KB
- 文档页数:3
油膜轴承的基础知识一、什么是油膜轴承?油膜轴承是液体摩擦轴承的一种形式;按润滑系统供油压力的高低可分为静压轴承、静—动压轴承、动压轴承,通常习惯称动压轴承为油膜轴承。
油膜轴承由锥套、衬套、滚动止推轴承、回转密封、轴端锁紧装置等部分组成;或者说是轧辊一端所安装的全部零、部件的统称。
油膜轴承(动压轴承)是一种流体动力润滑的闭式滑动轴承。
在轴承工作时,带锥形内孔的锥套(锥度约1:5的锥形内孔与轧辊相联接)与轴承衬套(固定在轴承座内)工作面之间形成油楔(即收敛的楔形间隙);当轧辊旋转时,锥套的工作面将具有一定粘度的润滑油带入油楔,润滑油产生动压力;当沿接触区域的动压力之和与轴承上的径向载荷相平衡时,锥形轴套与轴承衬套被一层极薄的动压油膜隔开,轴承在液体摩擦状态下工作。
动压轴承的压力分布是不均匀的,而且,由于相对间隙、滑动速度、润滑油粘度及锥、衬套的表面变形等不同而不同,其峰值压力区越小(即压力分布尖锐)承载能力就越低。
美国的摩根工程公司研制的Morgoil油膜轴承是其技术发展的典型代表,太原重工则是国内制造大型油膜轴承的唯一生产厂家。
二、油膜轴承形成的机理动压轴承油膜的形成与轴套表面的线速度、油的粘度、间隙、径向载荷等外界条件有密切关系。
可用雷诺方程描述:—油的绝对粘度—轴套表面的线速度★动压轴承(油膜轴承)保持液体摩擦的条件:1、楔形间隙、即h-hmin≠常数2、足够的旋转速度v3、合适的间隙4、足够的粘度、适当的纯净润滑油5、轴套外表面和轴承衬的内表面应有足够的精度和光洁度在可逆式中厚板轧机上能否使用油膜轴承,在最大载荷的前提下取决于最低的咬入速度和轧制节奏;中厚板轧机的油膜轴承使用的均为高粘度的润滑油,油膜的消失滞后于轧机的制动,只要轧机可逆运转的间隔时间小于油膜消失的时间,油膜轴承就能满足使用。
三、油膜轴承的发展二十世纪三十年代美国摩根工程公司首先把油膜轴承应用于轧机上至今,油膜轴承的技术已发生了巨大的进步。
收稿日期:!""#$"%$!"作者简介:阴昊明(&’%#(),男,研究向为机械设计。
第!%卷)增刊太原科技大学学报*+,-!%!""#年’月./01234/56378032027*91:768/5:;792;932<6!!!!!!!!!!!!!!!!!!!!!!!!!!!!!!!!!!!!!!!!!!!!!!!9;=2/4/>8:?@-!""#文章编号:&#%A$!"B%(!""#):"(""#!("!油膜轴承的使用与维护阴昊明(太原重工油膜轴承分公司,太原"A""!C )))摘)要:文章分别对油膜轴承润滑系统典型结构、现场使用及维修、维护等几方面的注意事项作了简要介绍。
关键词:油膜轴承;使用;维护;润滑系统;参数监测中图分类号:6=&AAD A))文献标识码:"""""""""""""3))现代大型板带材连轧机,轧制速度快、轧制压力大、轧制精度、自动化程度高。
油膜轴承,作为轧机上的重要部件,直接影响着轧机的运行质量与轧制精度。
对油膜轴承进行合理的使用、维护,不但可以延长油膜轴承使用寿命,并且可以保持较高运行精度。
下面就与油膜轴承工作相关的几个方面进行介绍、分析。
&)润滑系统&D &)动压油膜轴承润滑系统动压油膜轴承是利用锥套和衬套之间的间隙形成合理的油楔进行工作的。
当锥套与轧辊一起转动时,具有一定粘度的润滑油不断被卷吸入锥套和衬套之间的楔性间隙内,形成油膜,承受轧机载荷。
润滑系统配置方面,应保证以下几点。
(&)必须配备两个独立的油箱,一个工作,另一个备用,两油箱交替使用。
汽轮机轴承油膜压力波动原因概述说明以及解释1. 引言1.1 概述汽轮机是一种常见的热能转换装置,其核心部件之一是轴承。
轴承作为支撑和限制旋转部件运动的关键组成部分,其性能对于汽轮机的正常运行至关重要。
而轴承油膜压力波动是影响轴承性能和寿命的一个重要因素。
本文将探讨轴承油膜压力波动的原因,包括润滑条件、油膜振荡理论、温度和粘度变化以及外界工况变化等。
1.2 文章结构本文首先对轴承油膜压力波动原因进行概述,在第2节中详细介绍了汽轮机轴承油膜的作用以及润滑条件对油膜压力的影响。
接着,在第3节中解释了造成轴承油膜压力波动的原因,包括油膜振荡理论解释、温度和粘度变化引起的润滑油特性变化以及运行工况变化导致的压力波动现象。
在第4节中,本文还会探讨其他影响轴承油膜压力波动的因素,如轴承材料和几何形状、润滑剂选择以及其他外界因素。
最后,在第5节中做出结论,并提出对轴承设计和维护的建议。
1.3 目的本文旨在全面了解汽轮机轴承油膜压力波动的原因,揭示其对轴承性能和寿命的影响。
通过对各种因素的详细说明和分析,希望能够为相关行业提供有关轴承设计和维护的建议,并推进该领域的发展。
同时,探讨轴承油膜压力波动原因的重要性和应用前景,以促进相关研究的深入开展。
2. 轴承油膜压力波动原因概述2.1 汽轮机轴承油膜的作用轴承在汽轮机中具有至关重要的作用,它们不仅支撑和定位转子,还负责传递载荷和减少摩擦。
在汽轮机运行过程中,油膜形成在轴承与转子之间,起到减少接触表面摩擦、防止金属磨损的作用。
因此,保持稳定的油膜压力对于确保汽轮机正常运行非常重要。
2.2 润滑条件对油膜压力的影响润滑条件是影响轴承油膜压力波动的主要因素之一。
润滑油的性质如黏度、温度和粘度指数等均会对油膜压力产生影响。
当润滑油黏度较低或温度上升时,可能导致油膜变薄并使得轴承失去正常的润滑效果,从而引起油膜压力波动。
2.3 轴承油膜压力波动的影响因素轴承油膜压力波动的引起还受到其他因素的影响。
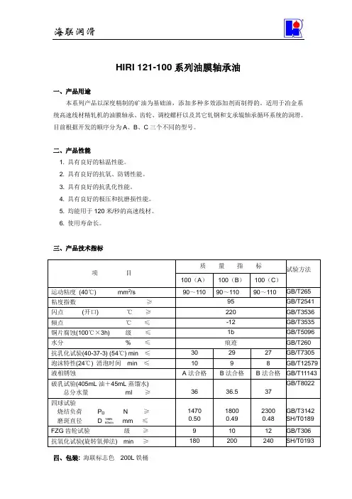
海联润滑HIRI 121-100系列油膜轴承油一、产品用途本系列产品以深度精制的矿油为基础油,添加多种多效添加剂而制得的。
适用于冶金系统高速线材精轧机的油膜轴承、齿轮、调校螺杆以及其它轧钢和支承辊轴承循环系统的润滑。
目前根据开发的顺序分为A、B、C三个不同的型号。
二、产品性能1. 具有良好的粘温性能。
2. 具有良好的抗氧、防锈性能。
3. 具有良好的抗乳化性能。
4. 具有良好的极压和抗磨损性能。
5. 均能用于120米/秒的高速线材。
6. 使用寿命长。
三、产品技术指标项目质量指标试验方法100(A)100(B)100(C)运动粘度(40℃) mm2/s 90~110 90~110 90~110 GB/T265 粘度指数≥95 GB/T2541 闪点(开口) ℃≥220 GB/T3536 倾点℃≤-12 GB/T3535 铜片腐蚀(100℃×3h) 级≤1b GB/T5096 水分% ≤痕迹GB/T260 抗乳化试验(40-37-3) (54℃) min ≤30 29 27 GB/T7305 泡沫特性(24℃) 消泡时间min ≤10 9 8 GB/T12579 液相锈蚀A法合格B法合格B法合格GB/T11143 破乳试验(405mL油+45mL蒸馏水)总分水量ml ≥36 36.5 37GB/T8022四球试验烧结负荷P D N ≥磨斑直径 D 196N60min mm ≤14700.5018000.4923000.48GB/T3142SH/T0189FZG齿轮试验级≥9 10 12 GB/T306 抗氧化试验(旋转氧弹法) min ≥180 200 240 SH/T0193四、包装:海联标志色200L铁桶。
轧机油膜轴承概况油膜轴承的种类繁多,用途十分广泛,像汽轮机、发电机组、球磨机、风机轴承、天文、航空、航天设备使用的轴承等等。
轧机油膜轴承是油膜轴承中承载最大的轴承之一。
如宝钢5000mm宽厚板轧机其最大轧制压力可达108000kN是国内目前最大的板材轧机。
一般轧机机械可分为轧钢机和有色金属轧机(主要是铝材轧机和铜材轧机),按轧制产品又可分为线材轧机、型材轧机、带材轧机、板材轧机(分宽厚板、中厚板、热轧板、冷轧板)等。
现今轧机使用的轴承主要有滚动轴承和油膜轴承两大类,根据轧机的不同性能和用途选用不同种类的轴承,一般轧钢机和铜材轧机使用油膜轴承为主,铝材轧机习惯使用滚动轴承。
线材轧机粗轧和中轧机组以使用滚动轴承为主,预精轧和精轧以使用油膜轴承为主。
型钢轧机和棒材轧机大多使用滚动轴承。
带材轧机目前国内仍是以滚动轴承为主,但因其承载低与寿命短等原因有逐步向油膜轴承发展的趋向。
板材轧机、一般中厚板轧机和热连轧机都是使用油膜轴承,冷连轧机大部分使用油膜轴承,部分使用滚动轴承,其中以日本冷轧机推行使用较多,西欧、美国、俄罗斯、中国等其它国家很少推荐使用滚动轴承。
这与轴承发展的历史和条件有关。
世界上研究制造滚动轴承的单位和厂家很多,应用很广,研制的时间较长,有成熟的技术和经验。
而应用于轧机的油膜轴承至今还不足100年的历史,迄今为止能集研究、设计、制造、服务全面发展的轧机油膜轴承厂家除美国摩根公司、前苏联的全苏冶金机械制造科学研究所和中国的太原重型机械集团公司外还没有具有自己的品牌,能独立进行产品设计、研究、开发和制造的独立厂家。
一些世界上生产轧机的知名公司象德国西马克公司、意大利达涅利公司、奥地利奥钢联集团、日本的石川岛播磨和三菱公司等在轧机油膜轴承方面都没有自己独立的研发设计能力。
美国的麦斯塔机械公司和原西德的萨克公司也曾设计制造过轧机油膜轴承,后来因为技术发展缓慢而逐渐在世界上销声匿迹。
但近年由于中国钢铁行业的迅猛发展和推动,国内外尤其是生产板带材轧机的著名厂家纷纷加大人力、物力和财力进行轧机油膜轴承的研发工作,这也相应促进了轧机油膜轴承技术的发展和进步。
三、轧机油膜轴承的润滑油膜轴承属滑动轴承一族,在工作条件下,处于全流体润滑状态。
油膜轴承是利用流体的动压润滑原理,即靠轴与轴承元件的相对运动,借助于润滑油的粘性和油在轴承副中的楔型间隙形成的流体动压作用,而形成承载油膜的轴承。
承载油膜又称之为压力油膜,它起到平衡负载、隔离轴颈与轴套,将金属间的固体摩擦转化为液体内部的分子摩擦,将摩擦磨损降至最低限度,因而能在最大范围内满足承载压力、抗冲击力、变换速度、轧制精度、结构尺寸与使用寿命等要求。
根据雷诺方程设计,将轧制压力、轧制速度、轴承间隙和润滑油粘度四要素相匹配,形成不间断的稳定承载油膜,实现液体动压润滑,以满足轧机在不同运转状态下的摩擦与润滑;即在起动、停机、正转、反转变换时处于半干摩擦和边介摩擦的润滑,在冲击负荷或大量进水的混合摩擦的润滑,在正常运转和满负荷,连续作业时的液体摩擦与润滑。
所以油膜轴承润滑,常以下面三种形式表现:(1)起动或停机时,尽管轴与轴承间有润滑油,但由于运动速度等于零或趋近于零,流体动压润滑尚未形成或逐渐消失,轴与轴承必然直接接触,此时处于边介润滑甚至是半干摩擦状态。
(2)轧机操作中,由于产生震动或进水过多或供油不足或油质有问题都可能产生混合润滑。
(3)轧机运转正常平稳时,呈流体润滑。
因此,油膜轴承的润滑特点是上述三种情况交替存在的混合润滑。
为适应钢铁企业高速、重载、自动化、大型化和高产的需要,解决轧机油膜轴承的润滑要求,满足日趋苛刻的工况条件,轧机油膜轴承所用的润滑油--油膜轴承油应运而生。
油膜轴承油的使用性能要求轧机油膜轴承的润滑特点,决定了油膜轴承油必须满足其使用性能要求,方可保障轧机的正常运转和连续生产,因此,油膜轴承油需具备:(1)优良的粘温性能(高粘度指数),在轴承温度大幅度变动时,仍能实现各个润滑部位的正常润滑。
(2)优越的抗乳化性能(即分水性),在长期使用中能迅速分离油中水份。
(3)良好的抗磨及极压性能,运转时油中混入少量水分时,仍能形成油膜保持重载和抗磨性能。
轧机油膜轴承使用维护案例冯健①(太原重工股份有限公司 山西太原030024)摘 要 讲述油膜轴承在某钢厂的使用实例,通过对实例的分析,阐明油膜轴承使用维护的要点,以供有类似情况发生的厂家参考,帮助现场及时有效的解决问题,延长油膜轴承零部件的寿命,达到效益最大化。
关键词 轧机 油膜轴承 维护Doi:10 3969/j issn 1001-1269 2022 Z1 036MaintenanceCaseofOilFilmBearinginRollingMillFengJian(TaiyuanHeavyIndustryCo.,Ltd.,Taiyuan030024)ABSTRACT Thispaperdescribestheuseofoilfilmbearinginasteelmill,throughtheanalysisofthecase,clarifythekeypointsofoilfilmbearinguseandmaintenance,forthereferenceofmanufacturerswithsimilarsituations,tohelpthesitetimelyandeffectivelysolvetheproblem,prolongthelifeofoilfilmbearingparts,achievemaximumbenefit.KEYWORDS Rollingmill Oilfilmbearing Maintenance1 前言某钢厂油膜轴承检修中未见异常,检修后上机6个月,发现上支承辊操作侧端罩位置冒烟,立即停机换辊。
2 故障分析在轴承座等恢复常温后,对油膜轴承进行了拆卸,解体后发现损伤零部件为操作侧液压缸、操作侧箱盖组件、操作侧衬套、传动侧衬套,损伤位置如图1所示。
2.1 液压缸组件液压缸法兰外圆及外圆与箱盖组件内孔上端磨擦。
冷却后,箱盖组件内孔上端、液压缸法兰外圆及外圆的颜色发白。
油膜轴承密封技术油膜轴承的密封系统是油膜轴承的关键部件,具有二重作用:一方面防止轴承腔体内的润滑油外泄,使润滑油从箱体返回泵站,保证形成连续不断的油膜;另一方面防止外界的冷却水、轧制油(乳化液)及铁屑、灰尘等杂物渗入轴承腔体内,维持轴承的正常运转。
如果密封失效,会导致外界杂物侵入,使润滑油污染老化,降低油膜轴承寿命;还会导致腔体内润滑油泄漏,不仅造成大量油的消耗浪费,而且油液会沿轧辊旋转的切线方向甩出,溅落到轧制出的钢带、钢板表面,造成污染,增加退火困难,影响钢带表面质量。
因而,改善油膜轴承的密封结构,提高密封件的性能和寿命是发展油膜轴承技术的重要课题之一。
1结构特点油膜轴承的密封技术和结构发展经过了几个阶段,目前我国冶金企业大型轧机上使用的主要是第三、第四代密封结构,又简称x型、DF型密封。
X型密封属于第三代油膜轴承密封结构,是美国摩根公司(MORGON)的专利。
其特点是密封断面近似于英文字母"x",密封面有A、B、c、D、E五个唇口(见图l)。
D、E是外密封唇口,D为封油唇,E为封水唇,唇口末端厚度一般为5mm左右,与密封挡板接触,靠压缩过盈而起密封作用。
DF密封是在x型密封结构上优化改进而产生的,人们称之为第四代密封。
DF密封件的断面与x型有所类似,工作原理也基本相同。
但在三个方面作了优化(见图2):(1)将两个外密封唇口D唇、E唇改为斜角,唇口边缘减薄,加强唇口跟随性。
(2)密封挡板由斜角改为直角,密封件产生轴向窜动时两个唇口压缩量基本相等,唇口就不会出现间隙。
(3)密封的机理采用了负压和泵吸的原理,密封的效果明显加强。
DF密封减少了泄漏量,降低了油耗成本,密封件寿命有较大提高,改善了钢板的表面质量。
实际生产应用中,x型密封由于过盈量大,密封件磨损严重、寿命短;而且高速旋转时轧辊存在轴向窜动,加之密封挡板带有一定的倾斜角度,D唇口或E 唇口与端盖之问易形成瞬间脱离,以及x型密封唇口厚、跟随性差,易造成漏油严重、系统进水。
描述滑动轴承流体动压油膜的形成过程。
滑动轴承流体动压油膜的形成过程是一个涉及流体动力学和摩擦学的复杂过程。
在滑动轴承中,为了减少摩擦力和磨损,通常会在摩擦表面之间形成一层流体动压油膜,使得轴承能够平稳运转,减少能量损失。
当轴承开始旋转时,摩擦表面之间会产生一定的摩擦力。
在这种情况下,如果在摩擦表面上注入一定压力下的润滑油,润滑油会填充在摩擦表面之间形成一层薄膜。
这时,随着轴承的旋转,润滑油会被带动形成一个旋转的流体动压油膜。
润滑油在轴承旋转时会受到离心力的作用,使得油膜中心区域的压力较高,边缘区域的压力较低。
这种压力梯度会使得油膜中的油流动起来,形成涡流。
涡流的形成有助于将轴承周围的油液带出,形成一个稳定的润滑油膜。
通过润滑油膜的形成,摩擦表面之间的接触面积减小,从而减少了摩擦力和磨损。
润滑油膜的形成还可以起到减震和冷却的作用,保护轴承不受过热损坏。
总的来说,滑动轴承流体动压油膜的形成过程是一个复杂的流体动力学过程,涉及到润滑油的流动、压力分布以及涡流的形成等多个因素。
通过形成流体动压油膜,可以有效减少摩擦力和磨损,提高轴承的运转效率和使用寿命。
油膜轴承摩擦系数低。
油膜轴承的摩擦系数为一,而一般巴氏合金滑动轴承的摩擦系数为一,摩擦系数低,摩擦损耗也低。
油膜轴承的种类繁多,用途十分广泛,像汽轮机、发电机组、球磨机、风机轴承、天文、航空、航天设备使用的轴承等等。
油膜轴承是一种主要表面加工精度、表面粗糙度以及相关参数匹配非常理想的滑动轴承,它的主要特点有:1、承载能力大,轴承的外径相同油膜轴承的承载能力要远大于滚动轴承。
2、使用寿命长:从原理上讲,油膜轴承是不会发生磨损的。
但是实际上,即使正确的使用和妥善地维护,也是要发生磨损的,只是很轻微而已。
其理论上寿命可达15年左右,一般实际由于润滑和轧机设备等原因,寿命在5-10年左右。
3、速度范围宽:轧机油膜轴承可以在很低的速度下工作,也可以在很高的速度下运行,还可以使用可逆轧机:有正转速到零,再由零到负转速的状态下工作,速度范围十分之宽。
4、结构尺寸小:在相同的承载能力下,油膜轴承轮廓尺寸要比滚动轴承小。
5、摩擦系数低:油膜轴承轴承的摩擦系数一般在之间,摩擦系数低,从而摩擦损耗低。
6、抗冲击能力强:油膜轴承中的油膜的挤压效应对于冲击载荷的承受能力,使得油膜轴承能很好地承受冲击载荷。
油膜轴承 - 工作原理在轧制过程中,由于轧制力的作用,迫使辊轴轴颈发生移动,油膜轴承中心与轴颈的中心产生偏心,使油膜轴承与轴颈之间的间隙形成了两个区域,一个叫发散区(沿轴颈旋转方向间隙逐渐变大),另一个叫收敛区(沿轴颈旋转方向逐渐减小)。
当旋转的轴颈把有粘度的润滑油从发散区带入收敛区,沿轴颈旋转方向轴承间隙由大变小,形成一种油楔,使润滑油内产生压力。
油膜内各点的压力沿轧制方向的合力就是油膜轴承的承载力。
当轧制力大于承载力时,轴颈中心与油膜轴承中心之间的偏心距增大。
在收敛区内轴承间隙沿轴颈旋转方向变陡,最小油膜厚度变小,油膜内的压力变大,承载力变大,直至与轧制力达到平衡,轴颈中心不再偏移,油膜轴承与轴颈完全被润滑油隔开,理论上形成了全流体润滑。
球轴承最小油膜厚度-概述说明以及解释1.引言【1.1 概述】球轴承是一种广泛应用于机械设备中的关键零部件,其作用是减少摩擦和改善运动的平稳性。
油膜厚度是球轴承性能评价的重要指标之一,它影响着轴承的寿命和运行效率。
本文旨在探讨球轴承最小油膜厚度的研究与应用。
通过对油膜厚度的定义、影响因素以及确定最小油膜厚度的方法进行论述,旨在为相关领域的工程师和研究人员提供指导和参考。
首先,我们将介绍球轴承的作用。
球轴承作为一种安装在机械设备中的旋转部件,可承受轴的旋转载荷。
它通过在轴和轴承之间形成一层润滑油膜,减少摩擦和磨损,从而实现轴的平稳运转。
接下来,我们会详细阐述油膜厚度的定义。
油膜厚度是指球轴承中润滑油形成的涂层的厚度,通常以纳米为单位。
油膜厚度的大小直接影响着轴承表面的接触状况和润滑效果。
因此,研究和确定最小油膜厚度至关重要。
此外,我们还将探讨影响油膜厚度的因素。
包括轴承负荷、润滑油性能、轴承速度、轴承几何形状等。
这些因素的变化都会对油膜厚度产生一定的影响,需要进行综合分析和考虑。
最后,我们会强调油膜厚度的重要性。
它直接关系着轴承的运行寿命、稳定性和效率。
因此,准确确定最小油膜厚度对于确保球轴承的正常运行具有重要意义。
我们将介绍一些确定最小油膜厚度的方法,并展望油膜厚度在未来的应用和发展方向。
通过本文的研究,读者可以深入了解球轴承最小油膜厚度的相关知识,并在实际应用中准确确定油膜厚度,以提高轴承的使用寿命和性能稳定性。
进一步推动球轴承领域的技术发展和应用创新。
1.2文章结构文章结构如下:1.2 文章结构本文将分为三个主要部分来探讨球轴承最小油膜厚度的问题。
第一部分是引言部分,主要介绍了文章的背景和目的。
在概述部分,我们将对球轴承和油膜厚度进行简要介绍,以便读者了解这两个概念的基本含义。
接下来,我们将介绍文章的结构,让读者对整篇文章的组织有一个清晰的认识。
最后,我们将明确文章的目的,即探究球轴承最小油膜厚度的重要性及其应用。
油膜轴承是一种主要表面加工精度、表面粗糙度以及相关参数匹配非常理想的滑动轴承,它的主要特点有:
1、承载能力大,轴承的外径相同油膜轴承的承载能力要远大于滚动轴承。
2、使用寿命长:从原理上讲,油膜轴承是不会发生磨损的。
但是实际上,即使正确的使用和妥善地维护,也是要发生磨损的,只是很轻微而已。
其理论上寿命可达15年左右,一般实际由于润滑和轧机设备等原因,寿命在5-10年左右。
3、速度范围宽:轧机油膜轴承可以在很低的速度下工作,也可以在很高的速度下运行,还可以使用可逆轧机:有正转速到零,再由零到负转速的状态下工作,速度范围十分之宽。
4、结构尺寸小:在相同的承载能力下,油膜轴承轮廓尺寸要比滚动轴承小。
5、摩擦系数低:油膜轴承轴承的摩擦系数一般在0.001-0.005之间,摩擦系数低,从而摩擦损耗低。
6、抗冲击能力强:油膜轴承中的油膜的挤压效应对于冲击载荷的承受能力,使得油膜轴承能很好地承受冲击载荷。
16系列轴承
16系列轴承
使用部位摩根图号轴承类型制造型号备注
二齿轮增速机A 162250 成对球轴承MRC 7334D1B
二齿轮及三轴高速增速机B 162250 滚子轴承MCS-140-160
三轴增速机及锥箱长轴C 162250 成对球轴承MRC 7226D10E
CA 162250 球轴承MRC 7226D11S
三轴增速机D 162250 滚子轴承MRC-128-107
DA 162250 滚子轴承MRC-128-108
锥箱长轴E 162250 成对球轴承MRC 7224D10E
F 162250 滚子轴承U-1024-EMR-305
从动轴及锥箱长轴G 162250 滚子轴承MRC MR126KC10
滚子轴承U-1026-EMR-103
从动轴GA 162250 滚子轴承MRC MR126KC11
GB 162250 滚子轴承MRC MR126KC9
GO 162250 滚子轴承MRC R126KC9
GD 162250 滚子轴承MRC R126KC7
GE 162250 滚子轴承MRC R126KC8
从动轴及惰轴H 162250 滚子轴承MRC MR312C4
HA 162250 滚子轴承MRC MR312C4
HB 162250 滚子轴承MRC R3122011
HC 162250 滚子轴承U-1211-EMR-107
HD 162250 滚子轴承MRC MR215C5
HE 162250 滚子轴承MRC MR210KC1
HF 162250 滚子轴承MRC MR211C3
HG 162250 滚子轴承MRC MR319C2
HH 162250 滚子轴承MRC R312C12
HJ 162250 滚子轴承MRC MR212C6
HK 162250 滚子轴承MRC MR315C5
惰轴K 162250 成对球轴承MRC 309RD9B
KA 162250 球轴承MRC 309S34
KC 162250 锥型滚子轴承ASSEMBL Y#462-90305
6"辊轴L
L 162250 成对球轴承MRC 720 7208PD5F
162250 成对球轴承7208 BMP6DF
LA 162250 成对球轴承MRC 7309PD7F
6"辊及惰轴LB 162250 成对球轴承MRC 7307DBF
4"辊轴LC 162250 成对球轴承MRC 7206PD1F
8"辊轴M 162250 球轴承BA2B-475881
162250 球轴承MRC 5310C2
MA 162250 球轴承B42B-475882
162250 球轴承MRC 5311C2
MB 162250 成对球轴承MRC 7310PD8S
MC 162250 成对球轴承MRC 7310D5E
162250 成对球轴承7310 BMP5DB 102
辊箱辊缝调节丝杆N 162250 球轴承6208 2RS1/W64CK121 162250 球轴承NOT A V AILABLE
NA 162250 球轴承62052RS1
调节丝杆P 162250 球轴承6207-2ERS1
162250 球轴承NOT A V AILABLE 207SST
Q 162250 球轴承6210-2RS1/W64CVK121
162250 球轴承NOT A V AILABLE
二齿轮增速机R 162250 成对球轴承MRC 7326D2B
二齿轮及三轴增速机S 162250 滚子轴承MCS-134-104 6"辊轴T 162250 球轴承
二齿轮及三轴增速机U 162250 球轴承MRC134KS1
V 162250 滚子轴承U-1228-EMR-302
162250 滚子轴承MRC MR228C1
输入轴VA 162250 滚子轴承MRC MR228C2
二齿轮及三轴增速机W 162250 球轴承BB1B-447022 162250 球轴承228S
WA 162250 球轴承MRC 9228S1
三轴增速机X 162250 球轴承MRC 9128KS
输入轴XA 162250 球轴承6026/C3
锥箱长轴Y 162250 球轴承MRC 7126KRD5E
起重轴Y A 162250 球轴承MRC 126KRDZE
锥箱长轴Z 162250 成对球轴承MRC 7124KRDE
17系列轴承
17系列轴承
轴承类型尺寸重量摩根型号无沟槽6" 0.25 172050-C 6" 0.60 172050-E
6" & 8" 0.15 172050-A
8" 0.75 172050-L
8" 0.75 172050-JA
8" 1.10
10" 2.00 172050-S
12" 4.30 172050-ZA
14" 13.50 172050-ZC
带沟槽6" 0.25 172050-D 6" & 8" 0.15 172050-B
8" 1.00 172050-M
8" 0.75 172050-KA
8" 1.00
10" 2.00 172050-T
12" 4.3013.50 172050-ZB 14" 0.25 172050-ZD
6" 0.60 172050-DB
无油槽6" 172050-F&FB
有油槽172050-MA
无油槽172050-LA
172050-EC
有油槽172050-FC。