自考 项目时间管理-复习内容
- 格式:docx
- 大小:101.11 KB
- 文档页数:12
广东省高等教育自学考试项目时间管理课程(课程代码:05063)考试大纲目录一、课程性质与设置目标二、考试内容与考核目标第一章项目计划与控制概述第一节项目计划概述第二节项目计划的形式与内容第三节项目计划过程第四节项目控制原理第五节项目控制类型第六节项目控制过程第二章项目的进度计划与控制第一节项目进度计划概述第二节项目进度计划的编制过程第三节项目进度计划的工具第四节关键线路法第五节计划评审技术第六节网络计划的优化第七节进度控制第三章项目的资源计划与均衡第一节资源计划概述第二节甘特图、资源需求图、资源需求量表第三节资源均衡第四节资源分配第四章项目的费用计划与控制第一节项目的费用计划与控制概述第二节项目费用估算第三节项目预算第四节项目费用控制第五节项目进度与费用的协调控制第六节应用案例第五章项目的质量计划与控制第一节项目质量概述第二节项目质量管理体系第三节项目质量计划第四节项目质量保证第五节项目质量控制第六章项目的变更控制第一节项目变更概述如果教材是推荐选用的,其中有的内容与大纲要求不一致的地方,应以大纲规定为准。
)(三)关于自学教材与主要参考书指定使用教材:《项目计划与控制》(第2版),卢向南主编,机械工业出版社,2009年6月第2版。
(四)关于自学要求和自学方法的指导本大纲的课程基本要求是依据专业考试计划和专业培养目标而确定的。
课程基本要求还明确了课程的基本内容,以及对基本内容掌握的程度。
基本要求中的知识点构成了课程内容的主体部分。
因此,课程基本内容掌握程度、课程考核知识点是高等教育自学考试考核的主要内容。
为有效地指导个人自学和社会助学,本大纲已指明了课程的重点和难点,在各章的基本要求中也指明了各章内容的重点和难点。
本课程共4学分。
根据学习对象在职业余自学的实际,结合本专业的要求、本课程的特点,建议重视以下几个方面:1.在开始阅读指定教材某一章之前,先翻阅大纲中有关这一章的考核知识点及对知识点的能力层次要求和考核目标,以便在阅读教材时做到心中有数,突出重点,有的放矢。
一、单项选择题1、资源平衡通常:(B)A.增加项目总成本B.推迟项目完成日期C.要求更少的资源D.要求更多的资源2、自由浮动时间是一项活动可被延迟但却不会影响的一种时间量,以下哪一种时间量是自由浮动时间?(A)A.后续活动的及早开始时间B.后续活动的最晚开始时间C.项目完工D.以上都不是3、资源平衡最好用于______C______活动。
(C)A.时间很紧的B.按时的C.非关键路径D.关键路径4、在回顾了一个历史记录之后,一个估算员判定一个任务乐观估计需5天完成,悲观估计16天,但通常会花8天。
请使用PERT技术计算期望值是几天?(B)A.8.0B.8.8C.9.1D.9.7E.10.55、进度编制系统如PERT、ADM及PDM,通常作为一种项目管理工具被以下哪类人使用?(D)A.项目经理及项目办公室人员B.项目团队及职能部门经理C.项目发起人D.以上都是E.A及B正确6、以下哪个公式能最准确的计算活动历时?(A)A.AD(活动历时)=工作数量/生产率B.AD=工作数量/资源数量C.AD=生产率/工作数量D.AD=生产率*工作数量/资源数量7、ADM是一种箭线图法,在此方法中一个虚拟的活动是:(B)A.记录关键路径关系B.记录依赖关系C.赶工D.确定客户要求的可交付成果日期8、活动工期及资源需求的数据来源可通过下列哪一项收集?(D)A.过去的项目记录历史数据B.技术标准实施方法C.过去的项目成员的知识经验D.以上都是E.A 及C正确9、下列哪一项会是负浮动的标象?(A)A.最迟开始时间比最早开始时间要早B.关键路径与已确定的结束日期保持一致C.最早结束日期与最晚结束日期一致D.当前导时间lead被用在进度计划中时10、网络进度计划经常在什么阶段被更新?(B)A.设计实施B.开发实施C.开发收尾D.实施收尾E.计划结束11、计划评审技术(PERT):(A)A.通常进行3次估算,协助预测活动历时的预期值B.以事件为中心,在箭线上表示活动C.对每个活动只进行一次估算D.A 和B12、需要申请和增加项目资源时,由谁做出决定?(B)A.职能经理B.项目经理C.项目管理主任D.客户13、计算出已完工网络的活动历时后,前推法和逆推法可以提供:(D)A.活动浮动时间B.最早开始日期和最迟开始日期C.关键路径D.A和C14、项目控制的一个关键目的是:(C)A.对不确定因素提前计划B.发布状况报告C.使项目保持在轨道D.建立项目路线图15、具有零时间工期的活动通常被称为:(D)A.关键路径活动B.非关键路径C.赶工时间的活动D.虚活动16、活动历时估算不包括以下哪一项?(B)A.项目团队知识B.时间分析C.以前项目结果纪录D.商务数据库17、以下哪个术语表示通过调整任务历时达到资源的有效分配?(D)A.快速跟进B.资源装载C.赶工D.资源平衡18、进度控制的一个重要部分是:(A)A.决定是否需要对进度计划偏差采取纠错行动B.定义需要生产项目可交付成果所需的活动C.评估围定义是否足以支持进度计划D.保证项目团队士气高昂,小组成员能够发挥最大潜能。
时间管理复习资料-自考第一章:项目计划与控制概述1、计划:计划是组织为实现一定目标而科学地预测并确定未来的行动方案。
2、项目计划:项目计划是项目组织根据项目目标的规定,对项目实施工作进行的各项活动作出周密安排。
3、基准计划:项目基准计划是项目在最初启动时订出的计划,也即初始拟定的计划。
4、基线计划:项目基线是特指项目的规范、应用标准、进度指标、成本指标,以及人员和其他资源使用指标等。
5、工作计划:工作计划也称实施计划,是为保证项目顺利开展、围绕项目目标的最终实现而制定的实施方案。
6、应急计划:项目经理在制定计划时就要保持一定的弹性,在工期和预算方面留有余地,以备应急需要。
7、行政支持计划:行政支持是给项目主管和项目组的职能经理们配备合格的助手,目的是收集、处理及传达项目管理的有关信息。
8、项目范围计划:项目范围计划就是确定项目范围并编写项目说明书的过程。
9、项目控制:在项目执行过程中,连续的跟踪项目进展状况,并与计划比较,发现偏差,分析原因,及时纠偏,这就是项目控制。
10前馈控制:前馈控制是在项目的策划和计划阶段,根据经验对项目实施过程中可能产生的偏差进行预测和估计,并采取相应的防范措施,尽可能地消除和缩小偏差。
11、过程控制:过程控制是在项目实施过程中进行现场监督和指导的控制。
12、控制:控制就是为了保证系统按预期目标运行,对系统的运行状况和输出进行连续的跟踪观测,并将观测结果与预期目标加以比较,如有偏差,及时分析偏差原因并加以纠正的过程。
13、进度控制计划:项目进行过程中,必须不断监控项目的进程以确保每项工作都能按进度计划进行。
同时,必须不断掌握计划的实施状况,并将实际情况与计划进行对比分析,必要时应采取有效地对策,使项目按预定的进度目标进行,避免工期的拖延。
这一过程称之为进度控制。
1、简述概念性计划、详细计划的任务概念性计划的任务是确定初步的工作分解结构图(WBS图),并根据图里的任务进行估计,从而汇总出最高层的项目计划。
本课程的重点章节是:第一章第三、四、五节;第三章第一、二、三、四、五节;第四章第一、二、三节;第五章第一、三节;第六章第二、三节;第七章第二、三、五节。
第二部分考核内容与考核目标第一章项目管理基本概念一、学习目的与要求通过本章学习,了解项目的基本概念及基本特征,项目管理的基本概念及基本内容;理解项目管理的要素、项目干系人、项目可交付物和工作包等概念;掌握项目计划和工作分解结构的概念。
二、考核知识点与考核目标(一)项目的概念及基本特征识记:项目的概念理解:项目的基本特征(二)项目管理的要素识记:项目管理的三要素、四要素、五要素、六要素理解:项目管理要素之间关系(三)项目计划识记:项目计划要素理解:计划的必要性项目范围计划(四)项目干系人识记:项目的干系人构成理解:项目干系人之间的关系协调(五)项目交付物、工作包识记:项目交付物的内涵工作包的内涵(六)工作分解结构识记:分解方法WBS编码理解:项目分解结构的内涵分解层次分解思路第二章项目范围管理一、学习目的与要求通过本章学习,理解项目范围和项目范围管理的内涵、项目范围计划的作用;了解项目描述的步骤及所需的关键信息;了解项目范围计划的工具和方法、范围核定和范围变更管理的基本思路。
本章不作为考核重点。
二、考核知识点与考核目标(一)项目范围概述理解:项目范围内涵(二)项目范围管理概述识记:项目范围管理的基本过程理解:项目范围管理内涵(三)项目描述识记:描述的关键信息项目目标的方法项目描述的输出理解:项目约束及假设前提(四)项目范围计划识记:范围计划的工具和方法项目范围管理计划理解:项目优先级矩阵(五)项目范围定义识记:范围定义的输入范围定义的工具范围定义的输出(六)项目范围核定识记:项目范围核定的输入项目范围核定的工具项目范围核定的输出项目范围核定和项目质量控制之间区别(七)项目范围变更控制识记:范围变更控制的输入范围变更控制的工具和方法范围变更控制的输出理解:项目范围变更控制内涵范围变更的原因第三章项目时间管理一、学习目的与要求通过本章学习,理解时间的管理特性、项目时间管理的内涵和时间管理周期;了解项目管理基本内容、时间影响因素和时间管理的意义;掌握项目活动定义、工作分解结构、项目活动定义的工具和方法等。
项目时间管理选择题1、计划评审技术不允许出现回路,活动时间不确定。
2、图示评审技术允许出现回路,并且工具存在随机性。
3、项目跟踪是指项目各级管理人员根据项目的规划和目标等,在项目实施的整个过程中对影响项目进展的内外部因素进行及时的、连续的、系统的记录和报告的系列活动过程。
4、信息的特点:准确性,共享性,时效性,有序性,针对性,可存储性,不可多得性。
5、信息以表现系统的而差异性为期特征,没有差异就没有信息。
横道图中黑线条表示实际工作时间。
6、S曲线比较法后可以得到的信息:1.实际工程进展速度2.进度超前或拖延的时间3.工程量完成情况4.后期工程进度预测。
7、信息收集后的比较方法除了上面介绍的横道图比较法和S形曲线法外,还有双曲线、横道图与双曲线综合比较法、模型图比较法,垂直图比较法。
8、关键比值=(实际进度/计划进度)*(预算成本/实际成本)9、时间管理的特性:1.供给无弹性2.无法积蓄3.无法取代4.无法失而复得。
10、关键路径的特点:1.关键路线上的活动的持续时间决定项目的工期,关键路线上所有活动的持续时间加起来就是项目的工期2.关键路线上的任何一个活动都是关键活动,其中任何一个活动的延迟都会导致整个项目完成时间的延迟3. 关键路线是从始点到终点的项目路线中耗时最长的路线 4.关键路线的耗时是可以完成项目的最短时间量5.关键路线上的活动室总是差最小的活动。
填空题1、项目时间管理又叫做项目工期管理或项目进度管理,是为确保项目按时完工所进行的一系列管理过程。
2、计划是项目组织为实现一定目标而科学地预算并确定未来的行动方案。
3、一个组织承担项目,一般都是把每个项目分成几个项目阶段,以便为项目提供更好的管理控制,为项目于实施组织的正在进行的作业提供更好的连接,项目阶段一般被称为项目生命周期。
4、项目阶段以完成一个或多个中间产品为标志。
5、项目活动定义的输入页就是项目活动定义的主要依据。
6、工作分解结构是通过项目工作分解所获得的有关实施项目所要完成的工作的层次性的描述。
项目时间管理课程(课程代码:05063)知识点复习王丽珍 2015年1月版1.时间具有以下特性:(1)不可缺性;(2)不可替代性;(3)不可停顿性;(4)不可倒转性;(5)不贮存性;】(6)供给毫无弹性;2.时间管理的概念:时间管理是指通过事先规划并运用一定的技巧、方法与工具、实现对时间的灵活有效利用,从而实现个人或组织的既定目标。
时间管理,表面上看是管理时间,但其核心在于人的自我管理,通过系统地、有计划地、有目的主动分配使用时间,最终达到提高工作效率、发掘潜能、获得成就的目的。
3.时间管理的阶段:(1)及时记录阶段(人类诞生—19世纪前)。
非定量化、初步的;(2)科学管理阶段(19世纪---20世纪60年代)。
是量化的科学管理、节约时间、提高效率;(3)现代管理阶段(20世纪60代至今)。
时间变化是一种螺旋上升的复合运动;4.`5.对于时间管理理论的研究,经历了四代演变:便条和备忘---------规划与准备------------平衡与权衡---------------------分工与合作6.时间管理的意义:(1)有效的时间管理可以减轻工作压力;(2)有效的时间管理可以帮助人们思考工作计划;(3)有效的时间管理可以提高组织效能;(4)有效的时间管理可促进目标达成;7.项目时间管理的几种定义:。
(1)项目时间管理是为保证项目能够在规定的工期内顺利完成的一系列管理手段。
(2)项目时间管理的目的是确保其在符合项目时间约束条件实现总体的项目目标,且在项目进度中,对各子项目进展程度快慢和项目总体的完成期限进行的管理。
(3)项目时间管理是指为了保证项目在规定的时间内达到项目要求,对项目中所有工作的进度进行合理控制和调整、项目工作所以需要的资源和项目工作过程中所需要的成本大小进行的管理过程。
(4)项目时间管理是在时间成本、质量等项目目标相互协调的基础上,运用合理的方法确定进度目标,制定项目计划与资源安排方案进行进度的控制,以实现制定的进度目标。
《项目时间管理》1)项目时间管理旳干扰原因:P171》人旳原因 2》材料、设备旳原因 3》技术、工艺旳原因 4》资金原因 5 环境原因等2)项目活动分解和定义旳输出:P201》更新后旳项目工作分解构造 2》活动清单 3》详细根据 4》辅助性阐明3)项目工作关系旳基本描述:P22项目活动排序旳过程重要是将活动阐明、产品描述以及项目活动之间旳关系结合约束条件和假设,通过节点法、箭线图法、条件图法和网络模板法旳处理,最终得到描述项目各活动互相关系旳网络图以及更新后旳项目活动清单。
项目网络图是表达项目各工作互相关系旳基本图形,它可以显示出整个项目旳总体和详细工作流程;工作列表则包括了项目各工作关系旳详细阐明4)时间实际旳持续时间和事前估算时间有误差旳原因:P231》参与人员旳纯熟程度 2》不确定性原因 3》工作效率 4》误解和失误5)项目进度计划旳定义:P31是项目进度计划制定过程旳重要里程碑,同步也是项目进度计划控制过程旳最主线旳根据,它是测定项目时间管理实际绩效和汇报项目进度计划执行状况旳基准6)项目生命周期旳各个阶段及重要任务:P421》项目启动期:进行需求识别、项目构思,纯粹旳智力劳动居多,所需旳有形资源旳投入较少2》项目规划期:制定详细旳项目计划书3》项目执行期:执行项目旳一整套计划,同步进行项目旳监督和控制4》项目结束期:包括项目旳竣工、验收、移交,项目旳评价和总结,项目团体旳解散,以及项目旳试运转等7)需求提议书旳定义:P42正式发出旳需求信息一般称作需求提议书8)经典旳工程建设项目旳生命周期描述:P481》项目立项与可行性研究阶段2》项目设计、计划与承发包阶段3》项目实行与项目控制4》项目竣工与交付使用阶段9)信息系统开发项目旳生命周期描述及重要工作:P501》概念定义阶段2》顾客需求调查阶段:全面调查系统需求、系统最终顾客旳需求等各方面对于一种信息系统旳规定、对于信息系统所可以提供旳信息资源旳规定,以及信息系统加工处理信息资源旳业务流程等方面旳需求3》系统分析阶段:分析和确定信息系统旳最终需求,定义系统旳主线目旳,作出系统业务流程科学化旳设计和改善,完毕系统旳逻辑设计,作出系统开发、编程和测试等方面旳计划,建立系统评价措施和绩效度量原则并提出改善提议4》系统设计阶段:分析和确定系统旳物理实现模式,定义中间系统目旳,作出系统物理设计,设计和构造出信息系统数据加工处理、存储和传递旳模式,设计出系统旳整体构造和各个子系统以及各个模块旳构造,以及实现系统功能旳多种网络等5》系统实行与测试阶段:系统程序旳编制和系统功能旳测试等6》顾客培训阶段7》转轨运行阶段10)顾客需求调查阶段旳重要工作:全面调查系统需求、系统最终顾客旳需求等各方面对于一种信息系统旳规定、对于信息系统所可以提供旳信息资源旳规定,以及信息系统加工处理信息资源旳业务流程等方面旳需求 P5111)时间 — 费用均衡旳解题环节:P551》找出关键途径2》将该路线上可赶工旳、费率最低旳活动减少一种时间单位,注意每次只能减少一种时间单位3》反复上述两个环节,直到最终关键途径上所有旳活动都用足赶工时间为止4》算出最终旳关键途径时间以及所有活动旳直接费用5》算出由于压缩时间而节省旳间接费用,或者在最终最快完毕时间状况下,间接费用还需要多少6》计算总费用,等于直接费用+间接费用7》比较每个完毕时间下旳总费用,决定是将项目时间压缩到最短完毕时间呢,还是选择中间一种总费用最小旳压缩点,最求压缩时间 —压缩费用旳均衡点12)WBS 旳作用/用途:P751》思绪工具 2》构造设计工具 3》计划工具 4》项目状况汇报工具13)假设前提条件旳定义:P81在开展项目活动定义旳过程中,假如还存在着某些尚不确定旳项目前提条件,人们想要分解和界定项目活动并深入制定项目进度计划就必须对它们作出假定,并使用这种假设旳前提条件去定义一种项目旳详细活动14)项目活动分解法波及旳重要环节:P831》确定项目旳重要元素2》确定在每个详细元素旳层次上能否编制出恰当旳费用和历时估算3》确定可交付物旳构成元素4》核算分解旳对旳性15)依赖关系:确定工作排序会波及各工作之间互相关系旳识别和阐明 P9816)约束条件旳分类:P981》自由决定旳约束条件 2》实践约束条件 3》特定旳强制性约束条件 4》日期约束条件17)排序工具和技术:P991》前导图法:又称单代号网络图(AON),是大多数项目管理软件包所使用旳措施2》箭线图法:又称双代号网络图(AOA),此前应用较多,但目前大多教科书都倾向使用 AON 法3》条件图法4》网络图模板18)活动依赖关系:P1011》强制性依赖关系:指客观存在旳,不变旳逻辑关系2》自由依赖关系:除了多种客观影响原因外,项目活动旳排序还会受到活动排序人员主观见解旳影响。
《项目时间管理》复习提纲(2008)第一章项目计划与控制概述1.项目计划(名词解释)P2:项目计划是项目组织根据项目目标的规定,对项目实施工作进行的各项活动作出周密安排。
是项目实施的基础。
2.项目基准计划(名词/填)P4:是项目在最初启动时订出的计划,也即初始拟定的计划。
在项目管理过程中,它可用来与实际进展计划进行比较、对照、参考,便于对变化进行管理与控制,从而监督保证使项目计划能得以顺利实施。
项目基准计划一经确定是不变的。
3.项目基线(与项目基准计划的区分)P5:是特指项目的规范、应用标准、进度指标、成本指标,以及人员和其他资源使用指标等。
基线不可能是固定不变的,它将随着项目的进展而变化。
4.项目计划的种类(简答)P7:(1)工作计划;(2)人员组织计划(表达形式:框图式、职责分工说明式和混合式);(3)技术计划;(4)文件控制计划;(5)应急计划;(6)支持计划。
5.项目进度计划可以分为进度控制计划与状态报告计划。
(填)P11:6.项目控制类型(多选/填)P19:按控制方式分类:前馈控制(事先控制)、过程控制(现场控制)、反馈控制(事后控制)。
按控制内容分类:进度控制、费用控制和质量控制。
第二章项目进度与控制1.网络计划的方法(多选)P30:关键路线法(CPM)、计划评审技术(PERT)、图示评审技术(GERT)、风险评审技术(VERT)。
2.项目进度计划方法的选择因素(选择/简答)P31:(1)项目的规模大小;(2)项目的复杂程度;(3)项目的紧急性;(4)对项目细节掌握的程度;(5)有无相应的技术力量和设备;(6)根据情况不同,还需要考虑客户的要求,能够用在进度计划上的预算等因素。
3.项目进度计划的目的(简答)P32:(1)保证按时获利以补偿已经发生的费用支出;(2)协调资源;(3)使资源在需要时可以利用;(4)预测在不同时间上所需的资金和资源的级别以便赋予项目以不同的优先级;(5)满足严格的完工时间约束。
《项目时间管理》重点复习内容第一章:项目计划与控制概述一、名词:1、计划:2、项目计划:3、基准计划:4、基线计划:5、工作计划:6、应急计划:7、行政支持计划:8、项目范围计划:9、项目控制:10前馈控制:11、过程控制:12、控制:13、进度控制计划:二、简答题:1、简述概念性计划、详细计划的任务2、滚动计划的含义、编制依据、优点并用图示加以说明:3、件数项目计划的目的和作用:4、项目计划编制原则:5、项目计划的内容:6、简述项目进度计划方法选择7、简述项目控制过程8、简述项目计划管理的基本问题:9简述项目进展报告包括的内容10.简述WBS工作分解的原则。
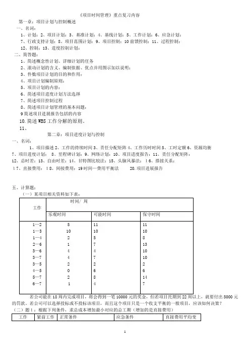
11、第二章:项目进度计划与控制一、名词:1、项目描述2、工作的持续时间3、责任分配矩阵4、工作历时时间5、工时定额6、资源均衡7、项目进度计划:8、里程碑计划:9、网络计划:10、项目进度报告:11、责任分配矩阵:12、总时差:13、自由时差:14、甘特图比较法:15、头脑风暴法:16、搭接关系:17、直接费用:18、间接费用:19时间—费用平衡法 20.项目进展报告五、计算题:(一)某项目相关资料如下表:工作时间/ 周乐观时间可能时间保守时间1—2 1—3 1—4 2—6 3—6 3—7 3—5 4—5 5—7 6—7 51021442211110574726841110813101026147若公司能在18周内完成项目,将会得到一笔10000元的奖金,但若项目托期到22周以上,就要付出5000元的罚款。
若公司可以选择投标或不投标该项目,而且这个项目只是一个收支平衡的一般项目,应该如何决策?(二)题1:根据下列条件,求总成本增加最小对应的总工期(增加的是直接费用)工作紧前工作正常条件应急条件直接费用平均变时间(周) 费用(万元) 时间(周) 费用(万元)动率(元/周) A —— 7 5 5 6.2 B A 9 8 6 11 C D 10 4 9 4.5 D——8364.2要求:绘制网络图、并进行网络优化求总产本增加最小的最短完工总工期: (三)某项目的相关资料如下:工作 持续时间 紧后工作 搭接关系 A3BCDFS8(结束—开始) B 2 E SS4(开始—开始) C7E FD 4 FE 8 G FF3(结束—结束)F 6G G5____要求:1、绘制单代号网络图:1、 计算:ES 、EF 、LS 、LF 、TF 、FF 、并标在图上:(四)某项目有A 、B 、C 、D 、E 、F 、G 、H 、I 九项工作,其网络图如下:检查日为第二周时,A 工作已经完成:C 工作已经进行了 一周:D 工作已经进行了一周: 检查日为第四周时:B 工作已经进行了一周:C 工作已经进行了二周:D 工作已经进行了三周: E 工作已进行了三周:试用前锋线比较法,判断第二周和第四周项目进度状况。
项目时间管理历年题一、项目时间管理的概述项目时间管理是项目管理中的关键过程之一,它主要包括制定时间管理计划、定义活动、排列活动顺序、估算活动资源、估算活动持续时间、制定项目进度计划、控制项目进度等多个方面。
通过合理有效地进行时间管理,可以帮助项目团队实现项目的按时交付。
二、历年考题分析1. 请简述项目时间管理计划的内容和编制步骤。
答:项目时间管理计划是指为了合理有效地管理项目时间而进行的计划编制工作,主要包括以下内容和步骤:•确定时间管理的目标和要求:明确项目的时间管理目标,例如项目的工期、进度要求等。
•制定时间管理的政策和程序:确定项目时间管理的政策和程序,包括相关的规范、标准和方法。
•确定时间管理的组织结构和责任分工:明确时间管理的组织结构、职责和权限,确定项目时间管理团队的成员和工作职责。
•制定时间管理的工具和技术:选择适合的时间管理工具和技术,例如甘特图、网络图等。
•制定时间管理的进度计划:制定项目的进度计划,包括项目的里程碑、关键路径等。
•制定时间管理的监控措施:制定项目时间管理的监控措施,例如制定监控指标、制定监控方法等。
•制定时间管理的变更控制措施:制定对项目时间管理进行变更控制的措施,例如确定变更管理的流程和权限。
2. 请说明活动持续时间估算的方法和常用工具。
答:活动持续时间估算是项目时间管理的重要工作之一,主要有以下方法和常用工具:•专家判断法:根据专家的经验和判断,对活动持续时间进行估算。
这种方法适用于项目团队对活动的持续时间有较好的了解,并且可以借助专家的经验进行估算。
•类比估算法:通过类比已经完成的类似活动的持续时间,来估算当前活动的持续时间。
这种方法适用于项目团队对活动的持续时间没有明确的数据,但可以参考类似活动的持续时间进行估算。
•参数估算法:根据活动的特征和参数,使用数学模型进行计算,得出活动的持续时间。
这种方法适用于活动具有明确的参数,在数学模型的支持下进行估算。
第一章项目时间管理的基本概念1.时间具有以下特点:不可缺性、不可替代性、不可停顿性、不可倒转性、不可贮存性、供给无弹性。
P3理解(选择/判断)2.人们对时间管理的认识经历的阶段:(选择/判断)第一阶段:及时记录。
认为时间是圆形运动和重复发生的。
第二阶段:科学管理。
认为时间的基本特征是直线型、不可逆的。
第三阶段:现代管理阶段。
认为时间变化是一种螺旋上升的复合运动。
3.时间管理理论的研究经历了哪四代理论的演变?(简答/选择)答:第一代理论着重利用便条与备忘录。
在忙碌的工作中调整分配时间与精力。
该理论使人能逐步完成待办事项,但无严整的组织结构,令人在繁忙中疲于应对;第二代理论强调日程,即“规划与准备”。
该理论反应出时间管理者注意到规划未来的重要性,通过制定目标和规划完成更多的工作。
但容易造成目标太多但没有一个是真正需要的后果;第三代理论讲求优先顺序,重效率,即权衡与平衡。
该理论可将价值观转化为目标和行动,但也可能在造成规划过度和失衡;第四道理论又称为“罗盘理论”。
主张的关键不在于时间管理,而在于个人管理及分工合作的授权管理。
4.柯维四象限法将事件分为既紧急又重要,紧急但不重要,重要但不紧急,既不紧急也不重要。
(P6)5.如何区别重要与不重要的事情,有以下几个原则:会影响群体利益的事情为重要的事情,上级关注的事情为重要的事情,会影响绩效考核的事情为重要的事情,对组织和个人而言的价值重大的事情为重要的事情。
因此根据该理论,重要和紧急的事情当然是立即就做,而不重要不紧急的事情不做,重要但不紧急的事情平时多做,紧急但不重要的事情有选择的做。
(P6)6.优秀的时间管理者的表现:能安排自己和其他人迅速适应工作上的变革,并重新确定工作的优先次序。
较容易察觉正在进行的工作量的波动以及是否需要变更,并重新组织工作以达到最好的效果。
差劲的时间管理者的表现:花很少或不花时间系统的组织他们的工作任务,倾向于处理临近的但是缺乏规划和远见的任务。
项目时间管理选择1、计划评审技术不允许出现回路,活动时间不确定。
2、图示评审技术允许出现回路,并且工具存在随机性。
3、项目跟踪是指项目各级管理人员根据项目的规划和目标等,在项目实施的整个过程中对影响项目进展的内外部因素进行及时的、连续的、系统的记录和报告的系列活动过程。
4、信息的特点:准确性,共享性,时效性,有序性,针对性,可存储性,不可多得性。
5、信息以表现系统的而差异性为期特征,没有差异就没有信息。
横道图中黑线条表示实际工作时间。
6、S曲线比较法后可以得到的信息:1.实际工程进展速度 2.进度超前或拖延的时间3.工程量完成情况4.后期工程进度预测。
7、信息收集后的比较方法除了上面介绍的横道图比较法和S形曲线法外,还有双曲线、横道图与双曲线综合比较法、模型图比较法,垂直图比较法。
8、关键比值=(实际进度/计划进度)*(预算成本/实际成本)9、时间管理的特性:1.供给无弹性2.无法积蓄3.无法取代4.无法失而复得。
10、关键路径的特点:1.关键路线上的活动的持续时间决定项目的工期,关键路线上所有活动的持续时间加起来就是项目的工期2.关键路线上的任何一个活动都是关键活动,其中任何一个活动的延迟都会导致整个项目完成时间的延迟 3. 关键路线是从始点到终点的项目路线中耗时最长的路线 4.关键路线的耗时是可以完成项目的最短时间量 5.关键路线上的活动室总是差最小的活动。
填空项目时间管理又叫做项目工期管理或项目进度管理,是为确保项目按时完工所进行的一系列管理过程。
计划是项目组织为实现一定目标而科学地预算并确定未来的行动方案。
一个组织承担项目,一般都是把每个项目分成几个项目阶段,以便为项目提供更好的管理控制,为项目于实施组织的正在进行的作业提供更好的连接,项目阶段一般被称为项目生命周期。
项目阶段以完成一个或多个中间产品为标志。
项目活动定义的输入页就是项目活动定义的主要依据。
工作分解结构是通过项目工作分解所获得的有关实施项目所要完成的工作的层次性的描述。
项目时间管理题库1. 什么是项目时间管理?项目时间管理是指在项目管理过程中,对项目中涉及的工作活动进行安排、控制和监督的过程。
它涵盖了项目计划的制定、时间进度的分解和控制,以及项目进展的监测和调整。
2. 项目时间管理的重要性是什么?项目时间管理的重要性体现在以下几个方面:•合理规划项目进度:通过时间管理,可以合理规划项目工作的进度,避免资源浪费和进度延误。
•促进项目团队协作:时间管理可以帮助项目团队成员明确自己的工作目标和时间节点,从而促进团队的协作和合作。
•提高项目结果的质量:通过时间管理,可以合理安排工作进度,确保项目按时交付,提高项目结果的质量。
•降低项目风险:时间管理可以帮助项目经理及时识别项目进度的问题,及时调整计划,降低项目风险。
3. 项目时间管理的核心步骤有哪些?项目时间管理的核心步骤包括:•项目启动:确定项目的目标和范围,并根据项目目标制定项目计划。
•项目计划:制定项目的时间进度计划,包括确定项目的关键里程碑和工作包,确定工作包的持续时间和资源需求。
•项目执行:根据项目计划,组织团队成员进行工作活动,并监督工作进度的执行。
•项目控制:监控项目的进展情况,识别项目进度的问题,并进行调整和变更控制。
•项目收尾:项目完成后,进行项目总结和评审,总结项目管理经验,并进行经验传递。
4. 项目时间管理的常见工具和技术有哪些?项目时间管理的常见工具和技术包括:•工作分解结构(WBS):将项目工作分解成可管理的工作包和活动。
•网络图:用于显示项目活动之间的逻辑关系和工期。
•甘特图:以时间为横轴,显示项目进展和关键里程碑的工具。
•进度计算技术:包括前置图法、后置图法等,用于计算项目活动的早日开始时间、晚日开始时间和总浮动时间。
•进度压缩技术:包括快速跟进、资源调配等,用于缩短项目进度,以便按时交付。
5. 如何有效地进行项目时间管理?要有效地进行项目时间管理,以下几点是需要注意的:•制定合理的计划:在项目启动阶段制定合理的项目计划,包括项目目标、工作包、时间进度等。
福建省高等教育自学考试项目管理专业(独立本科段)项目时间管理课程考试大纲第一章项目计划与控制概述一、学习目旳与规定通过本章学习, 理解项目计划旳目旳和作用, 对旳掌握项目计划旳内容, 并理解其过程和项目控制旳原理、类型及过程。
二、考核知识点与考核目旳(一)项目计划概述(重点)识记: 计划及项目计划计划是组织为实现一定目旳而科学地预测并确定未来旳行动方案。
任可计划都是为了处理三个问题:一是确定组织目旳;二是确定为到达目旳旳行动时序;三是确定行动所需旳资源比例。
项目计划是项目组织根据项目目旳旳规定, 对项目实行工作进行旳各项活动作出周密安排。
理解: 项目计划旳目旳及作用项目计划便于高层管理部门与项目经理、职能经理、项目组组员及项目委托人、承包商之间旳交流沟通, 项目计划是沟通旳最有效工具。
是为以便项目旳协商、交流及控制而设计旳。
不在于为参与者提供技术指导。
项目计划旳作用: (1)可以确定完毕项目目旳所需旳各项任务范围, 贯彻责任, 制定各项目各项任务旳时间表, 明确各项任务所需旳人力、物力、财力并确定预算, 保证项目顺利实行和目旳实现。
(2) 确定项目实行规范, 成为项目实行旳根据和指南。
(3)可以确立项目组各组员及工作旳责任范围和地位以及对应旳职权, 以便按规定去指导和控制项目旳工作, 减少风险。
(4)可以增进项目组组员及项目委托人和管理部门之间旳交流与沟通, 增长顾客满意度, 并使项目各工作协调一致, 并在协调关系中理解哪些是关键原因。
(5)可以使项目组组员明确自己旳奋斗目旳、实现目旳旳措施、途径及期限, 并保证以时间、成本及其他资源需求旳最小化实现项目目旳。
(6)可作为进行分析、协商及记录项目范围变化旳基础, 也是约定期间、人员和经费旳基础。
5个原则: 目旳性;系统性、经济性、动态性、有关性、职能性。
(二)项目计划旳形式与内容(重点)识记: 项目计划旳形式项目计划按计划制定旳过程, 可分为概念性计划、详细计划、滚动计划三种形式。
第一章项目时间管理的基本概念1、时间具有以下特点:不可缺性、不可替代性、不可停顿性、不可倒转性、不可贮存性、供给毫无弹性。
2、时间管理的阶段:第一阶段即及时记录阶段;第二阶段即科学管理阶段;第三阶段即现代管理阶段。
3、时间管理理论的演变:第一代理论着重利用便条与备忘录;第二代理论强调日程,简言之就是“规划与准备”;第三代理论讲求优先顺序的观念;第四代时间管理理论是迄今为止的集大成者,又被称为“罗盘理论”。
4、经典时间管理理论(1)四象限法则,他把工作按照重要和紧急两个不同的程度进行了划分,基本上可以分为四个象限,既紧急又重要、重要但不紧急、紧急但不重要、既不紧急也不重要。
重要和紧急的事情当然是立即就做,而不重要不紧急的事情不做,重要但不紧急的事情平时多做,紧急但不重要的事情有选择的做(2)时间abc分类法(3)GTD。
GDT是gettingthings done(完成每一件事)的缩写。
5、国外项目时间管理的研究(1)美国的亨利甘特在第二次世界大战期间所创造的甘特图。
应用这种方法即显示了活动所需的时间,也显示了项目中各个活动间的大致顺序,可以直观的将各种活动和时间联系起来。
但是甘特图不能明确的表明任务间的关系,也不能反映出任务拖延或者资源调配的问题。
(2)1956年,美国杜邦公司研制了关键路径法CPM。
(3)1958年,美国海军特种计划局开发了计划评审技术PERT。
6、项目时间管理的主要工作包括项目活动定义、活动排序、估算活动资源、估算活动持续时间、制订进度计划、进度控制等内容。
项目活动定义:识别和记录为完成项目可交付成果而需采取的具体行动。
第二章项目活动定义与活动排序7、活动是由共同目的联合起来并完成一定职能的动作的总和。
8、与动作相比,活动有一定的行为和目的,活动和动作都是以事先规定目的为特征的,但是动作受单一目的的制约。
而活动则是受一种完整的目的和动机系统的制约。
活动是由一系列动作构成的系统。
《项目管理》课程自学提纲(下)第五章项目进度管理5.1 项目进度管理与活动之间的关系1.项目时间管理项目时间管理包括为确保项目按时完成所需要的各个过程。
项目时间管理主要包括下列5个主要过程:(1)活动定义:确定为完成各种项目可交付成果所必须进行的诸项具体活动,活动定义已经在上一章范围管理的工作分解结构中阐述了。
(2)活动排序:确定各活动之间的依赖关系,并形成文档。
(3)活动历时估算:估算完成单项活动所需要的工作时段数。
(4)制定进度计划:分析活动顺序、活动历时和资源需求,以编制项目进度计划。
(5)进度计划控制:控制项目进度计划的变化。
2.活动之间的逻辑关系项目活动有先后。
活动定义之后,就要安排其先后顺序。
进行这项工作可利用项目管理软件,也可以手工完成,还可以手工和软件相结合。
在安排活动顺序时,要明确各活动之间的逻辑关系。
逻辑关系有3种。
(1)强制性依赖关系。
指活动性质中固有的依赖关系,常常是某些客观限制条件。
例如,建设项目不可能在设计文件未获批准时就进行施工;电子项目,必须先建一个原型机,然后才能进行试验。
强制性依赖关系也称硬逻辑关系。
(2)可灵活处理的关系。
可由项目班子根据具体情况安排的关系。
由于这类关系可能会限制以后各活动的顺序安排,所以在使用时要特别当心,可灵活处理的关系可细分为如下两类:一是按已知的“最好做法”来安排的关系。
只要不影响项目的总进度,活动之间的先后顺序可按习惯或项目班子喜欢的方式安排。
这类关系叫软逻辑关系。
二是为了照顾活动的某些特殊性而对活动顺序做出的安排。
其顺序即使不存在实际制约关系也要强制安排。
这类关系叫优先逻辑关系。
(3)外部依赖关系。
大多数依赖关系限于项目内部两个活动之间。
然而,有些依赖关系则涉及到同本项目之外其他项目的联系或者涉及到同一个或多个干系人非本项目活动的联系。
例如,信息系统的试运行不但需要项目组开发的软件,也需要外部供应商提供的硬件设备,这些外部设备的到货时间就构成了试运行的外部依赖。
项目时间管理课程(课程代码:05063)知识点复习王丽珍2015年1月版1.时间具有以下特性:(1)不可缺性;(2)不可替代性;(3)不可停顿性;(4)不可倒转性;(5)不贮存性;(6)供给毫无弹性;2.时间管理的概念:时间管理是指通过事先规划并运用一定的技巧、方法与工具、实现对时间的灵活有效利用,从而实现个人或组织的既定目标。
时间管理,表面上看是管理时间,但其核心在于人的自我管理,通过系统地、有计划地、有目的主动分配使用时间,最终达到提高工作效率、发掘潜能、获得成就的目的。
3.时间管理的阶段:(1)及时记录阶段(人类诞生—19世纪前)。
非定量化、初步的;(2)科学管理阶段(19世纪---20世纪60年代)。
是量化的科学管理、节约时间、提高效率;(3)现代管理阶段(20世纪60代至今)。
时间变化是一种螺旋上升的复合运动;4.对于时间管理理论的研究,经历了四代演变:便条和备忘---------→规划与准备------------→平衡与权衡---------------------→分工与合作5.时间管理的意义:(1)有效的时间管理可以减轻工作压力;(2)有效的时间管理可以帮助人们思考工作计划;(3)有效的时间管理可以提高组织效能;(4)有效的时间管理可促进目标达成;6.项目时间管理的几种定义:(1)项目时间管理是为保证项目能够在规定的工期内顺利完成的一系列管理手段。
(2)项目时间管理的目的是确保其在符合项目时间约束条件实现总体的项目目标,且在项目进度中,对各子项目进展程度快慢和项目总体的完成期限进行的管理。
(3)项目时间管理是指为了保证项目在规定的时间内达到项目要求,对项目中所有工作的进度进行合理控制和调整、项目工作所以需要的资源和项目工作过程中所需要的成本大小进行的管理过程。
(4)项目时间管理是在时间成本、质量等项目目标相互协调的基础上,运用合理的方法确定进度目标,制定项目计划与资源安排方案进行进度的控制,以实现制定的进度目标。
(5)项目时间管理是指在项目的过程中,为保证项目能够在时间进度要求内顺利完成所进行的对项目活动进度及进程安排的管理过程。
7.以美国为例,项目时间管理的方法大致分三种:(1)亨利.甘特。
应用这种方法既显示了活动所需的时间,也显示了项目中各个活动时间的大致顺序,可以直观地将各种活动和时间联系起来。
但是甘特图不能明确地表明任务间的关系。
也不能反映出任务拖延或者资源调配的问题;(2)关键路径法(Critical Path Method CPM);(3)计划评审技术(Plan Evaluation And Review Technique PERT);8.项目时间管理的主要工作包括:项目活动定义→活动排序→估算活动资源→估算活动持续时间→制定进度计划→进度控制;(1)项目活动定义,识别和记录为完成项目可交付成果而需采取的具体行动。
(2)活动排序,识别和记录项目之间的关系。
(3)估算活动资源,估算执行各个项目活动所需的材料、人员和设备资源的种类和数量。
(4)估算活动持续时间,根据上一步骤,估算完成某个具体活动所需要的工作时段数。
(5)制定进度计划,创建项目进度模型。
(6)进度控制,监督进度的执行状况。
9.活动与动作:(1)活动是由共同的目的联合起来并完成一定的社会职能的动作总和;(2)与动作相比,活动有一定的行为和目的;(3)活动和动作都是以实现预定目的为特征,但是动作受单一目的的制约,而活动则受一种完整的目的和动机系统制约;(4)活动是由一系列动作构成;10.工程领域一般将活动分为:线状活动、块状活动、条状活动。
11.项目活动定义的依据包括:进度计划管理、范围基准、事业环境因素、组织过程资产。
12.进度计划管理规定如下几个方面:(1)项目进度模型制定;(2)估算的准确度;(3)单位;(4)组织程序链接;(5)项目进度模型跟踪;(6)临界值;(7)绩效测量规则;13.范围基准是项目管理计划的组成部分,包括如下内容:项目范围说明书;WBS;WBS词典;14.事业环境因素:是指项目团队不能控制的,将对项目产生影响、限制或指令作用的各种条件。
15.影响定义活动过程的事业环境因素包括:(1)组织文化结构;(2)商业数据库中发布的商业数据信息;(3)项目管理信息系统;16.组织过程资产:是执行组织所特有并使用的计划、流程、政策、程序和知识库,包括来自任何项目参与订单,可用于执行或治理项目的任何产物、实践活知识。
17.能够影响定义活动过程的组织过程资产包括:(1)经验教训知识库,其中包含以往类似项目的活动清单等历史信息;(2)标准化的流程;(3)来自以往项目的、包含标准活动清单或部分活动清单的模板;(4)现有的、正式和非正式的、与活动规划的政策、程序和指南,如进度规划方法论,在编制活动定义时考虑这些因素。
18.项目活动定义的工具与技术包括:分解;滚动式的规划;专家判断;19.项目活动定义的成果包括:活动清单;活动属性;里程碑清单;20.项目活动排序:项目活动排序是指识别项目活动清单中各项活动相互关联与依赖关系,并据此对项目各活动的先后顺序的安排和确定工作。
21.项目活动排序的依据:进度管理计划、活动清单、活动属性、里程碑清单、项目范围说明书、事业环境因素、组织过程资产。
22.项目活动排序的工具与技术:单代号网络图、双代号网络图、确定依赖关系、提前量与滞后量。
23.项目活动排序的成果:项目进度网络图与更新后的文件。
24.双代号网络图Activity On Arrow(AOA),翻译过来就是“活动在箭头上”。
双代号网络图又称箭线式网络图,是以箭头或其两端节点的编号表示工作的网络图。
25.单代号网络图Activity On Node (AON),翻译过来就是“活动在节点上”。
单代号网络图又称节点式网络图,是以节点或该节点编号表示工作的网络图。
(以上两个简写就是对单代号和双代号网络图的最好区别介绍)26.FTS,FTF,STS,STF的单代号图表示方式:27.网络图画法的基本规则:(1)必须按工作的逻辑关系画图。
(2)网络图必须含有能够表明基本的明确标识。
(3)工作或事件的字母代号或数字,在同一任务的网络图中,不允许重复使用。
(4)网络图一般只允许有一个起点节点和一个终点节点。
(5)网络图是有方向的。
(6)网络图的主方式是从起点节点到终点节点的方向,在绘制网络图时应优先选择由左至右的水平方向。
(7)箭线方向必须优先选择与主方向相应的走向,或者选择与主方向垂直的走向。
(8)绘制网络图时,应尽量避免箭线交叉。
当箭线的交叉不可避免时,只允许选用过桥画法或指向画法表示。
(9)除起点节点和终点节点外,其他所有节点前后都要用箭线或虚线箭线链接起来。
(10)代表工作的箭线,其首尾必须都有事件节点。
(11)同一网络图若需要用两张以上图纸表示,其断开部分的连接,应在连接点加以提示说明。
28.绘制网络图的基本步骤:(1)按选定的网络图类型和已确定的排列方式,决定网络图的合理布局。
(2)从起始工作开始,自左至右依次绘制,只有当现行工作全部绘制完成后,才可绘制本工作,直至结束工作全部都绘完为止。
(3)检查工作和逻辑关系有无错、漏,并进行修改。
(4)按网络图绘图规则的要求完善网络图。
(5)按网络图的编号要求将节点编号。
29.资源概念:资源是指一国或一定地区内拥有的人力、物力、财力等各种物质要素的总称。
30.资源按性质分类:(1)自然资源;(2)社会资源;(3)技术资源;31.资源按用途分类:农业资源;工业资源;信息资源(含服务性资源);32.资源按可利用的状况分类:现实资源;潜在资源;废物资源;33.项目资源:项目资源对于项目来说,是指一切具有使用价值,可以为项目接受和利用,且属于项目发展过程所需求的客观存在。
34.项目活动资源估算:是估算执行项目各项活动所需要的材料、人员、设备或用品的种类和数量的过程。
35.估算活动资源的依据进度管理计划;活动清单;活动属性;资源日历;风险登记册;活动成本估算;事业环境因素;组织过程资产;36.影响估算活动资源过程的事业环境因素包括:资源所在的位置;可用性和技能水平;37.影响估算活动资源过程的组织过程资源包括:(1)关于人员配备的政策和程序;(2)关于租用、购买用品和设备的政策与程序;(3)关于以往项目中类似工作所使用的资源类型的历史信息。
38.估算会存在一定风险,如:(1)工作说明的误解;(2)省略或不恰当的范围界定;(3)定义较差或过于乐观的进度;(4)不正确的分解结构;(5)对于任务应用了不适当的技能水平;(6)无法解释风险;(7)无法理解或解释通货膨胀和成本上升;(8)无法正确使用估计技术。
(9)无法使用费用、总体、管理和间接成本的预期定价比率。
39.估算活动资源的工具与技术:专家判断;备案方案分析;发布的估算数据;自下而上估算;管理软件;40.估算活动资源的成果:活动资源需求;资源分解结构;项目文件更新;41.活动持续时间的估算:活动持续时间估算是根据资源估算的结果,估算完成单项活动所需工作时段数的过程。
本过程的主要作用是,确定完成每个活动所需话费的时间量,为制订进度计划过程提供主要输入。
应该由项目团队中最熟悉具体活动的个人或小组来提供活动持续时间估算所需的各种输入。
活动持续时间的估算应该渐进明细,且取决于输入数据数量和质量。
42.活动持续时间估算的依据:进度管理计划;活动清单;活动属性;活动资源需求;项目范围说明书;风险登记册;资源分解结构;事业环境因素;组织过程资产;43.活动持续时间估算的工具与技术:专家判断;群体决策技术;类比估算;参数估算;三点估算;储备分析;仿真技术;44.活动持续时间估算的成果:活动持续时间估算以及项目文件更新;45.项目活动时间估算的影响因素:(1)参与人员的熟练程度;(2)突发事件;(3)人员的沟通情况;(4)有效的工作时间;46.项目活动时间估算值得注意(1)项目活动时间的估算是伴随着项目的整个过程的。
在计划和实施阶段也要随着时间的推移和经验的增多而不断进行估算更新,以便随时掌握项目的进度和以后工作需要的时间,避免项目在时间上失去控制,造成延期和迟滞。
(2)无论采取何种估算方法,实际所花费的时间和事前估算的时间结果总会有所不同,总会存在一系列因素会对项目实际完成时间产生影响。
47.进度计划编制:制定进度计划是分析活动顺序、持续时间、资源需求和进度制约因素,创建项目进度模型的过程。
48.进度计划编制的意义:(1)可以促进施工管理的科学化,有助于提高施工企业效益。
(2)进度计划工作无论项目策划、项目招投标还是项目实施阶段,都是十分重要的。
49.制定进度计划的依据:进度管理计划;活动清单;活动属性;项目进度网络图;活动资源需求;资源日历;活动持续时间估算;项目范围说明书;风险登记册;项目人员配置;资源分解结构;事业环境因素;组织过程资产;50.制定进度计划的技术与方法:进度网络分析;关键链法;资源优化技术;建模技术;进度压缩;进度计划编制,计算机软件;编码结构;51.关键链法和关键路径法的区别:关键路径法是工作安排尽早开始,尽可能提前,而关键链法是尽可能推迟。