综合布线系统检测记录
- 格式:docx
- 大小:13.80 KB
- 文档页数:2
综合布线系统性能自检测记录
时间:2024年10月1日
地点:企业办公楼
检测项目:
1.物理层测试:
-对所有布线进行目视检查,确保布线没有损坏或接头松动等问题;
-使用网络线缆测试仪对每一根网线进行测试,检查是否满足规范要求的传输性能。
2.连接测试:
-使用网络测试工具检测每个设备之间的连接是否稳定,是否能够正常通信。
3.网络测试:
-使用网络负载测试工具对整个网络进行测试,模拟高负载情况下的网络连接状况,检查网络带宽是否能够满足需求;
-使用网络监控工具对网络传输进行监测,检查是否存在异常的数据传输状况。
4.设备测试:
-检查设备的固件和驱动程序是否是最新的版本,如果不是,及时更新。
检测结果:
1.物理层测试:
-所有布线都没有发现损坏或接头松动等问题;
-所有网线的传输性能都满足规范要求。
2.连接测试:
-所有设备之间的连接都正确无误;
-所有设备之间的连接都稳定,能够正常通信。
3.网络测试:
-网络带宽满足需求,能够稳定传输大量数据;
-未发现异常的数据传输状况。
4.设备测试:
-所有设备都能够正常工作;
-设备的固件和驱动程序都是最新的版本。
结论:
经过综合布线系统性能自检测,所有的测试项目都通过,并且系统运行正常。
综合布线系统的性能可靠,并且能够满足企业的需求。
建议定期进行系统性能自检测,及时发现和解决潜在的问题,确保系统的稳定性和可靠性。
综合布线系统性能检测检验批质量验收记录
注:本表由施工项目专业质量检查员填写;专业监理工程师(建设单位项目专业技术负责人)组织项目专业质量(技术)负责人等进行验收;质量检查记录(检测报告、质量证明文件)填写
在表D.0.1的附件表中。
综合布线系统性能检测检验批质量验收记录说明
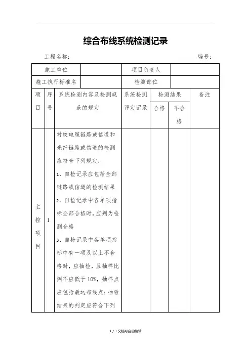
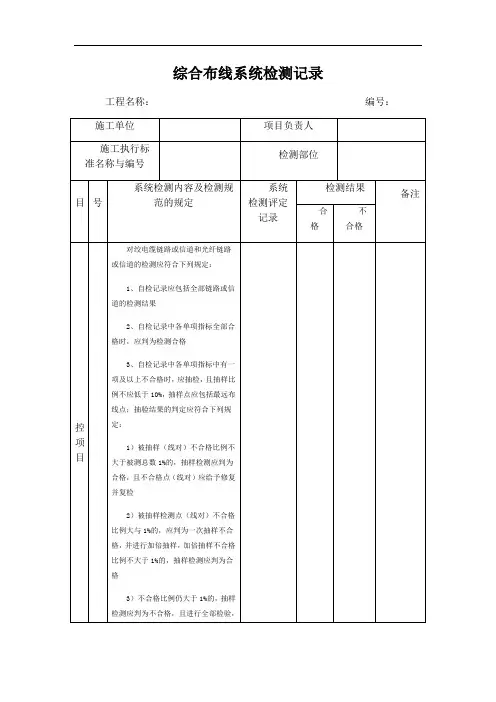
Ⅰ主控项目
9.3.4系统监测应包括工程电气性能检测和光纤特性检测,按第8.0.2条的规定执行。
Ⅱ一般项目
9.3.5采用计算机进行综合布线系统管理和维护时,应按下列内容进行检测:
1中文平台、系统管理软件;
2显示所有硬件设备及其楼层平面图;
3显示干线子系统和配线子系统的元件位置;
4 实时显示和登录各种硬件设施的工作状态。
综合布线系统检验批质量验收记录一、项目基本信息项目编号:验收日期:编制人:验收单位:二、项目背景三、验收内容1.设备检验:检验综合布线系统所使用的设备,包括光纤、电缆、模块、面板、插座等。
确认设备符合技术要求和标准规范。
2.安装质量验收:确认各项安装工作是否按照规范进行,包括布线路径、设备固定、接头质量等。
3.测试与调试:对综合布线系统进行测试和调试,确保系统正常工作,包括测试光纤的损耗、测试电缆的传输性能、测试设备间的连接等。
4.文档验收:确认系统相关文件和记录的完整性和准确性,包括工程图纸、设备清单、测试记录、操作手册等。
四、验收流程1.验收前的准备工作:(1)组织相关人员,包括施工方、设备供应商、综合布线系统设计人员等。
(2)准备验收所需的测试设备和工具。
(3)准备相关文件和记录。
2.验收过程:(1)对综合布线系统的各项设备进行检验,包括外观、规格、技术参数等方面。
(2)对安装质量进行验收,检查布线路径、连接件固定、设备安装等情况。
(3)进行系统测试,包括光纤损耗测试、电缆传输性能测试、设备间连接测试等。
(4)进行文档验收,对工程图纸、设备清单、测试记录、操作手册等进行核对和确认。
3.验收结果:(1)如果综合布线系统符合要求,验收结果为合格,并签署相应文件。
(2)如果综合布线系统存在非合格项,需要记录并整改,直至符合要求为止,再进行验收。
(3)如果综合布线系统存在严重质量问题,无法整改达到要求,则验收结果为不合格。
五、验收结论本次综合布线系统检验批质量验收经过全面检查和测试,结果如下:1.设备检验:(1)所有设备的外观和规格均符合要求。
(2)设备的技术参数符合标准规范。
2.安装质量验收:(1)综合布线系统的布线路径和连接件安装质量良好。
(2)设备的固定和布线的整齐程度满足要求。
3.测试与调试:(1)光纤的损耗符合标准范围。
(2)电缆的传输性能符合要求。
(3)设备间的连接和通信正常。
4.文档验收:(1)工程图纸、设备清单、测试记录等文件完整且准确。
综合布线系统子分部工程检测记录填表指南下载温馨提示:该文档是我店铺精心编制而成,希望大家下载以后,能够帮助大家解决实际的问题。
文档下载后可定制随意修改,请根据实际需要进行相应的调整和使用,谢谢!并且,本店铺为大家提供各种各样类型的实用资料,如教育随笔、日记赏析、句子摘抄、古诗大全、经典美文、话题作文、工作总结、词语解析、文案摘录、其他资料等等,如想了解不同资料格式和写法,敬请关注!Download tips: This document is carefully compiled by theeditor.I hope that after you download them,they can help yousolve practical problems. The document can be customized andmodified after downloading,please adjust and use it according toactual needs, thank you!In addition, our shop provides you with various types ofpractical materials,such as educational essays, diaryappreciation,sentence excerpts,ancient poems,classic articles,topic composition,work summary,word parsing,copy excerpts,other materials and so on,want to know different data formats andwriting methods,please pay attention!综合布线系统子分部工程检测记录填表指南一、引言综合布线系统是现代建筑中不可或缺的一部分,它为信息传输提供了一个高效、灵活的基础架构。