土钉墙+预应力锚杆施工技术交底
- 格式:doc
- 大小:43.00 KB
- 文档页数:5
预应力锚索施工技术交底范本一:预应力锚索施工技术交底1. 引言1.1 交底目的1.2 项目背景1.3 术语和定义2. 工程准备2.1 施工前准备2.2 施工人员安排2.3 施工材料准备2.4 施工设备准备3. 施工步骤3.1 锚具设置3.1.1 锚具选择3.1.2 锚具布置3.2 预应力钢束布设3.2.1 钢束保护3.2.2 钢束预应力施加 3.3 锚固施工3.3.1 锚固设备设置3.3.2 锚固施工步骤4. 质量控制4.1 施工记录4.2 现场监督4.3 质量检验5. 安全措施5.1 安全方案5.2 安全设施5.3 施工人员安全培训6. 施工总结6.1 施工难点总结6.2 经验教训总结- 图纸一:锚具设置图- 图纸二:预应力钢束布设图- 图纸三:锚固施工示意图附件:1. 图纸一:锚具设置图2. 图纸二:预应力钢束布设图3. 图纸三:锚固施工示意图法律名词及注释:1. 预应力:指在结构负载作用下,事先对钢筋、钢束等材料施加预定的轴向拉力,以增加构件受力性能和荷载承载能力的一种构造措施。
2. 锚索:一种用于预应力构件中的钢绞线,通过张拉和锚固形成预应力。
3. 施工技术交底:指施工单位对工程项目的施工方法、施工工艺、施工工程量计划、质量要求、安全措施等进行详细的交底和说明的过程。
----------------------------------------------预应力锚索施工技术交底1. 引言1.1 交底目的和范围1.2 项目背景1.3 术语和定义2. 工程准备2.1 施工前准备2.1.1 方案编制2.1.2 材料准备2.1.3 施工人员培训 2.2 施工设备准备2.2.1 设备清单2.2.2 设备调试3. 施工步骤3.1 锚具设置3.1.1 锚具类型选择3.1.2 锚具布置方案3.2 预应力钢束布设3.2.1 钢束材料准备3.2.2 钢束布设方案3.2.3 钢束保护措施3.3 锚固施工3.3.1 锚固设备设置3.3.2 锚固施工工艺4. 质量控制4.1 施工记录4.1.1 施工日志填写4.1.2 施工记录及验收表 4.2 现场监督4.2.1 施工过程监督4.2.2 施工质量检查4.3 质量检验4.3.1 材料质量检验4.3.2 施工工程质量检验5. 安全措施5.1 安全方案编制5.2 安全设施设置5.3 施工人员安全培训6. 施工总结6.1 施工难点及解决办法总结6.2 施工经验教训总结7. 附件- 图纸一:预应力锚具设置示意图- 图纸二:预应力钢束布设方案示意图 - 图纸三:锚固施工工艺示意图附件:1. 图纸一:预应力锚具设置示意图2. 图纸二:预应力钢束布设方案示意图3. 图纸三:锚固施工工艺示意图法律名词及注释:1. 预应力:在结构构件受力前施加的轴向拉力,以提高构件的抗弯、抗剪强度及抗裂性能的一种施工技术。
土钉墙施工技术交底一、工程概况本合同段K10+400.0~K10+599.0段路基防护设计为锚杆式土钉墙,墙板分A 型(2250块)和B型(550块)两种,为钢筋混凝土板,混凝土为25号。
墙身每15米设臵一道沉降缝,缝宽1cm。
沿线路前进方向每3米设一内径为5 cm的竖向双壁打孔透水管并与水平方向夹角为33° 25′,其间距为1.65米,并在挡墙底部设一直径为10㎝纵向透水管。
锚杆采用φ22钢筋,长为:2.5米,灌20#膨胀沙浆。
二、施工方案A、B型板采用集中预制,现场安装,先进行锚杆的施工然后安装混凝土预制面板。
三、工艺要求:1、A、B型面板采用木制模板,表面应平整、光滑、无油漆、残杂等物,模板板面之间应平整、接缝严密、不漏浆,保证结构物外露面美观、线形流畅。
面板边长误差不大于边长的0.5%,两对角线差不大于最大对角线的0.7%,厚度误差在+5㎜~-3㎜之间。
浇筑混凝土之前,模板应涂刷脱模剂,外露面混凝土不得使用废机油等油料,且不得污染钢筋及混凝土的施工缝处。
模板重复使用时应定期检查、维修。
2、模板安装完毕后应对其平面位臵,节点联系及纵横向稳定性及预埋构件进行检查,签认后方可浇筑混凝土,否则不予浇筑。
浇筑时,发现模板有超过允许偏差变形值的可能时,应及时纠正。
3、混凝土采用搅拌机拌和,人工倒装入模。
用平板振捣器进行振捣。
4、砌筑:待板的强度达到85%时即可安装,砌筑缝采用7.5号砂浆填塞,经检查砌筑地带的标高和边坡坡度与设计图纸相一致后,即可砌筑预制混凝土板,要求整齐,顺直,无凹凸不平现象发生。
板缝必须做到横平竖直,宽度均匀,同层相邻面板水平误差不大于1 cm,轴线偏差为每15延米不超过3 cm。
面板缝宽1 cm。
5、锚杆施工:用风钻进行锚杆孔的施工,然后进行清孔处理,锚孔的深度为2.5米,再用注浆机注入20#膨胀砂浆,最后放入锚杆。
锚杆杆件使用前应平直、除锈、除油,砂浆应拌和均匀,随拌随用,一次拌和的砂浆应在2小时前完成,并严防石块杂物混入,注浆开始或中途停止超过30min时,应用水或稀水泥浆润滑注浆罐及其管路。
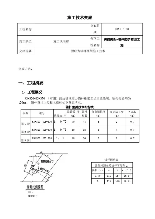
施工技术交底工程名称交底日期2017.9.20施工队伍施工队名称分项工程名称深挖路堑-坡体防护锚固工程交底提要预应力锚杆框架施工技术交底内容:一、工程摘要1、工程概况K3+300-K3+370 (右侧)高边坡预应力锚杆框架工点三级边坡。
钻孔孔径均为120mm。
锚杆设计主要技术指标如下图表所示。
锚杆主要技术指标表级数桩号边坡坡率设置长度(m)锚杆根数自由端长度(m)锚固端长度(m)外露长(m)第1 阶K3+300 K3+370 1: 0.75 70 44 6 2 0.7 第2 阶K3+310 K3+370 1: 0.75 60 38 6 4 0.7 第3 阶K3+320 K3+360 1: 1 40 26 8 6 0.7锚斜托顶宽及锚杆下倾角a坡率(n) a b a (°)0.75 110 157 16.871 179 165 25.04锚杆倾角表n> :O.330f2、设计图纸高程(m)ITSK3+30 口-K3+370祐仙高边坡工点设计图K3+340边坡防护横断面图二、施工准备1、材料准备①32mm高强精轧螺纹钢筋、丫61型连接器、PO42.5级普通硅酸盐水泥、丫6乂型锚杆锚具、聚丙烯腈纤维、河沙、HRB400钢筋、①75mmPVC管以及直接头、防锈漆、钢筋对中器。
2、施工机具:钻孔机、拔管机、注浆泵、电动油泵、千斤顶、控制仪表等。
3、施工前要求:将预应力的造孔设备、注浆设备、张拉设备调至工作面附近,待工作面及操作平台搭设完成后,马上吊运至工作面,所有施工材料均应由出厂证明、合格证,钢筋应检测合格,做好施工场地的排水工作,材料、机械的防雨、防水工作,水、电等在前期施工中已接到位,稍做处理即可满足施工要求。
做基本试验,确认其能否满足设计要求。
4、预应力锚杆施工流程:定位一钻孔一预应力筋的制作与安装一灌浆一框架梁制作一外锚头制作一张拉锁定一锚头封锚。
三、操作工艺1、锚杆成孔根据现场实际条件采用相应的成孔方式。
一、工程概况1. 工程名称:[请填写工程名称]2. 施工单位:[请填写施工单位名称]3. 建设单位:[请填写建设单位名称]4. 分项工程名称:锚杆土钉墙施工5. 施工期限:[请填写施工期限]二、安全规定1. 人员安全:- 所有进入施工现场的人员必须佩戴安全帽,并系好帽带。
- 高处作业(高度大于2米)必须系挂安全带,且安全带必须高挂低用,挂在牢固可靠的位置。
- 作业人员必须经过专业培训,掌握相关安全操作规程。
2. 机械设备安全:- 所有机械设备必须经过检验合格后方可使用。
- 机械设备操作人员必须持证上岗,严格按照操作规程进行操作。
3. 材料安全:- 锚杆、土钉等材料必须符合国家相关标准。
- 材料堆放整齐,标识清晰,防止误用。
三、施工工艺及安全措施1. 施工工艺:- 锚杆土钉墙施工主要包括钻孔、锚杆或土钉安装、注浆、喷射混凝土等工序。
2. 安全措施:- 钻孔:钻孔前应检查钻机状态,确保钻孔垂直度。
钻孔过程中应密切关注钻机状态,防止发生事故。
- 锚杆或土钉安装:安装前应检查锚杆或土钉的规格、长度等是否符合要求。
安装过程中应确保锚杆或土钉的垂直度和间距符合设计要求。
- 注浆:注浆前应检查注浆设备,确保注浆压力符合要求。
注浆过程中应密切关注注浆压力,防止发生溢浆现象。
- 喷射混凝土:喷射混凝土前应检查喷射机状态,确保喷射均匀。
喷射过程中应密切关注喷射混凝土的厚度,防止出现蜂窝、麻面等质量问题。
四、注意事项1. 施工过程中应密切关注基坑周围地面变化情况,发现裂缝或坍陷应及时进行分析和处理。
2. 坑壁渗水、漏水应及时排除,防止因长期渗漏而使土体破坏,造成挡土结构受损。
3. 对拉锚杆件、紧固件及锚桩应定期进行检查,确保其安全可靠。
4. 挖土期间,应注意挡土结构的完整性和有效性,不允许因土方的开挖遭受破坏。
5. 喷射混凝土和注浆人员应按规定佩戴防护用品,禁止裸露身体作业。
6. 土钉墙支护应先喷射混凝土面层后施工土钉。
预应力锚杆技术交底【模板范本】1. 项目背景为确保工程质量和安全,本文档旨在交底预应力锚杆技术应用于项目中的相关要求和操作流程。
2. 技术概述预应力锚杆是一种常用的建筑工程技术,用于增加混凝土结构的承载能力和稳定性。
通过施加预先调整的张拉力,预应力锚杆可以将结构各个部分连接起来,形成紧密的整体。
3. 技术要求- 预应力锚杆应符合国家相关标准和规范要求。
- 预应力锚杆的材料应具备良好的强度和耐腐蚀性能。
- 预应力锚杆的张拉和锚固应按照设计要求进行,并确保牢固可靠。
4. 操作流程4.1 预应力锚杆的安装准备在进行预应力锚杆的安装之前,需要进行以下准备工作:- 清理锚杆安装位置,确保表面平整且无杂物。
- 根据设计要求确定锚杆的位置和数量。
- 验收锚杆材料,确保符合规范和质量要求。
4.2 预应力锚杆的安装步骤1. 在锚杆安装位置钻孔,并清理孔内杂物。
2. 将预应力锚杆插入孔内,并使用合适的设备进行搭接。
3. 调整锚杆的位置和方向,确保符合设计要求。
4. 进行锚固设备的安装,并进行张拉。
5. 根据设计要求进行锚杆的锚固,确保牢固可靠。
6. 将锚杆端部进行保护,防止腐蚀和损坏。
5. 安全注意事项在进行预应力锚杆工作时,需要注意以下安全事项:- 操作人员必须经过专业培训,并具备相关工作经验。
- 使用的设备和工具必须符合安全标准,并经过检查和维护。
- 在进行锚固和张拉过程中,要确保人员的安全距离以防止意外伤害。
- 质量检查和验收应严格执行,确保预应力锚杆的质量和可靠性。
以上是对预应力锚杆技术交底的简要说明和操作流程,如有任何问题或需要进一步的信息,请及时与技术负责人联系。
谢谢!注:本文档内容仅供参考,具体实施时应按照项目实际要求和专业指导执行,并遵循相关法律法规要求。
锚杆及土钉墙支护施工技术交底一、工艺流程:1.土层锚杆施工工艺流程:土方开挖→修整边壁→测量、放线→钻机就位→接钻杆→校正孔位→调整角度→打开水源→钻孔(接钻杆)→钻至设计深度→冲洗→插锚杆→压力灌浆养护→裸露主筋除锈→上横梁(或预应力锚件)→焊锚具→张拉(仅限于预应力锚杆)→锚头(锚具)锁定。
土层锚杆干作业施工程序与水作业钻进法基本相同,只是钻孔时不用水冲泥渣成孔,而是将土体顺钻杆排出孔外而成孔。
2.喷射混凝土面层施工工艺流程:立面子整→绑扎钢筋网片→干配混凝土料→依次打开电、风、水开关→进行喷射混凝土作业→混凝土面层养护。
二、施工操作要点及要求1.基坑开挖锚杆、土钉支护应按设计规定分层、分段开挖,做到随时开挖,随时支护,随时喷混凝土,在完成上层作业面的锚杆预应力张拉或土钉与喷射混凝土以前,不得进行下一层土的开挖。
当基坑面积较大时,允许在距离四周边坡8~10 m 的基坑中部自由开挖,但应注意与分层作业区的开挖相协调;当用机械进行土方开挖时,严禁边壁出现超挖或造成边壁土体松动或挡土结构的破坏。
为防止基坑边坡土体发生塌陷,对于易塌的土体可采用以下措施:(1)对修整后的边壁立即喷上一层薄的砂浆或混凝土,待凝结后再进行钻孔;(2)在作业面上先安装钢筋网片喷射混凝土面层后,再进行钻孔并设置土钉; (3)在水平方向分小段间隔开挖;(4)先将开挖的边壁作成斜坡,待钻孔并设置土钉后再清坡;(5)开挖时沿开挖面垂直击入钢筋和钢管或注浆加固土体.2.排水(1)锚杆、土钉支护宜在排除地下水的条件下进行施工,应采取恰当的降、排水措施排除地下水(包括地表、支护内部、基坑排水),以避免土体处于饱和状态并减轻作用于面层上的静水压力。
(2)基坑四周支护范围内应预修整,构筑排水沟和水泥砂浆或混凝土地面,防止地表水向地下渗透.靠近基坑坡顶2~4m 的地面应适当垫高,并且里高外低,便于径流远离边坡。
(3)在支护面层背部应插入长度为400~600mm 、直径不小于40mm 的水平排水管,其外端伸出支护面层,间距可为1.5~2m,以便将喷射混凝土面层后的积水排出.(4)为了排除积聚在基坑内的渗水和雨水,应在坑底设置排水沟和集水坑,坑内积水应及时抽出。
一、工程概况1. 工程名称:____________________2. 施工单位:____________________3. 施工地点:____________________4. 施工工期:____________________5. 施工内容:锚杆土钉墙支护工程。
二、安全技术交底目的为确保锚杆土钉墙支护工程施工安全,降低施工风险,现将有关安全技术交底如下:三、安全技术交底内容1. 施工人员安全教育培训(1)所有施工人员必须接受安全技术培训,熟悉本岗位的操作规程和施工工艺。
(2)施工人员应了解施工现场的安全防护措施和应急预案。
2. 施工现场安全管理(1)施工现场应设置明显的安全警示标志,确保施工人员遵守安全操作规程。
(2)施工现场应配备必要的安全防护设施,如安全网、防护栏、警示灯等。
(3)施工人员应佩戴安全帽、安全带等个人防护用品。
3. 锚杆土钉墙施工工艺(1)锚杆施工:1)钻孔:采用钻机进行钻孔,钻孔深度、孔径、倾角应符合设计要求。
2)锚杆安装:将锚杆插入孔内,固定在锚杆锚具上。
3)注浆:采用水泥砂浆进行注浆,确保注浆饱满。
4)锚杆张拉:按照设计要求进行锚杆张拉,确保锚杆预应力。
(2)土钉墙施工:1)基坑开挖:分层、分段开挖,确保边坡稳定。
2)土钉施工:将土钉打入边坡,确保土钉与土体紧密结合。
3)喷射混凝土:在土钉墙表面喷射混凝土,增强支护效果。
4. 施工安全注意事项(1)施工人员应遵守施工现场的安全规定,严禁酒后作业、违章作业。
(2)施工过程中,注意观察边坡稳定性,发现异常情况及时上报。
(3)施工机械操作人员应熟悉机械性能,确保机械运行安全。
(4)施工人员应掌握应急救援知识,提高应急处置能力。
四、安全技术交底责任1. 施工单位负责安全技术交底的组织和实施。
2. 施工现场管理人员负责安全技术交底的具体执行。
3. 施工人员应自觉遵守安全技术交底要求,确保施工安全。
五、安全技术交底记录1. 施工单位应将安全技术交底内容记录在案,并存档备查。
锚杆及土钉墙施工技术交底一、引言锚杆及土钉墙施工技术是在土木工程中常见的一种支护与加固技术。
该技术通过钢筋锚杆和混凝土土钉的结合,可以有效地增加土体的抗剪强度和抗拉强度,提高土体的稳定性和承载力。
本文将对锚杆及土钉墙施工技术进行详细的交底,包括材料准备、施工方法和验收标准。
二、材料准备1. 锚杆材料:(1) 钢筋:采用优质碳素结构钢,直径一般为12mm至25mm。
(2) 锚杆套管:采用适合锚杆直径的无缝钢管。
(3) 硬质合金钢管:用于制作锚杆螺旋冲锚头。
2. 土钉材料:(1) 锚杆:采用与锚杆一致的材料和直径。
(2) 混凝土:按照设计要求选用适当配合比的混凝土材料。
三、施工方法1. 锚杆施工:(1) 钻孔:在需要加固的土体中进行钻孔,钻孔直径和深度根据设计要求确定。
(2) 清洗孔道:使用空气或水冲洗钻孔,将钻孔中的土屑清理干净。
(3) 安装锚杆:将锚杆插入钻孔中,注意保持垂直和正确的位置。
(4) 固结锚杆:在锚杆套管中注入固结材料,如高强度树脂浆液等,在固结过程中保持锚杆的垂直位置。
(5) 领头锚杆:在固结完毕的锚杆顶部焊接一个带有螺纹的领头锚杆。
2. 土钉墙施工:(1) 钻孔:根据设计要求进行土钉墙钻孔,钻孔直径和深度由设计规定。
(2) 清洗孔道:使用水冲洗钻孔,清理孔道中的土屑和杂物。
(3) 安装土钉:将土钉插入钻孔中,注意保持垂直和正确的位置。
(4) 填充混凝土:在土钉周围注入混凝土,建议采用喷射混凝土施工方法。
(5) 填充密实:对注入的混凝土进行振捣和密实处理,确保土体和混凝土的良好粘结。
(6) 加固夹层:根据设计要求,在土钉墙表面加固一层防水和防腐材料。
四、验收标准1. 施工质量:(1) 锚杆材料应符合设计要求,无明显氧化和腐蚀。
(2) 钻孔应完全贯穿到设计要求的深度,并保持垂直度。
(3) 锚杆和土钉应牢固固定,无松动或变形现象。
(4) 填充的混凝土应均匀分布,无空洞或砂浆分离。
(5) 土钉墙表面应平整光滑,无明显裂缝和渗漏现象。
锚杆及土钉墙施工技术交底一、引言随着城市建设的不断发展,特别是在土地资源有限的城市中,土钉墙和锚杆逐渐成为常用的土木工程技术,用于稳定土体和防止土壤滑坡。
本文将就锚杆及土钉墙的施工技术进行交底,以帮助施工人员更好地掌握施工流程和注意事项。
二、锚杆施工技术交底1. 施工前的准备工作在进行锚杆施工之前,需要进行一系列的准备工作,包括土体勘察、设计参数的确定、施工方案的制定等。
在确定好施工方案后,需提前准备好必要的设备和材料,包括钻机、钢筋、灌浆材料等。
2. 钻孔施工钻孔是锚杆施工中的关键步骤,影响着后续锚杆的质量和效果。
在钻孔过程中,应根据设计要求选择合适的钻机,并确保钻孔的位置、深度和直径与设计一致。
钻孔时要注意控制参数,如转速、进给速度等,以确保钻孔的平整和稳定。
3. 锚杆安装钻孔完成后,需要对锚杆进行安装。
在安装过程中,应注意以下几点:首先,选择合适的锚杆材料和规格;其次,确保锚杆与钻孔之间有一定的间隙,便于注浆;最后,锚杆的固定长度应符合设计要求,同时在钻孔底部可适当设置锚杆套管以增加锚固力度。
4. 注浆灌注注浆是锚杆施工中的关键环节,直接影响着锚杆的固结质量。
在进行注浆灌注时,应选择适合的灌浆材料,并根据设计要求选择合适的注浆方法,如低压注浆、高压注浆等。
注浆过程中需注意浆液的流动情况,保证其均匀填充整个孔道。
5. 锚杆的拉拔和锚固在注浆灌注完成后,需进行锚杆的拉拔和锚固工作。
拉拔过程中,应合理设置拉拔方式和拉拔力度,保证锚杆的拉拔质量。
随后进行锚固工作,即将锚杆牢固地固定在土体中,使其能够承受预期的荷载。
锚固时,应根据土体的性质和设计要求选择合适的固结方式,如扩径式锚固、摩擦式锚固等。
三、土钉墙施工技术交底1. 墙面地基处理在进行土钉墙施工之前,需对墙面地基进行充分的处理。
首先,清理墙面上的杂物和泥土;其次,确保墙面地基的平整和水平,以保证土钉的钻入效果和墙体的整体稳定性。
2. 土钉的钻孔和安装钻孔和土钉的安装是土钉墙施工的关键步骤。
预应力锚杆技术交底一、工程概述本次施工涉及的工程为_____,工程地点位于_____。
该工程中预应力锚杆技术将被应用于_____(具体部位),以增强结构体的稳定性和承载能力。
二、施工准备1、技术准备熟悉施工图纸和相关技术规范,了解预应力锚杆的设计要求和施工参数。
进行现场勘察,掌握地质情况和周边环境条件。
制定施工方案和技术交底,明确施工流程和质量控制要点。
2、材料准备预应力锚杆:选用符合设计要求的高强度锚杆,其材质、直径、长度等应符合规范标准。
锚具:包括锚垫板、夹片等,应与锚杆配套使用,具有足够的承载能力和锚固性能。
水泥:采用标号不低于_____的普通硅酸盐水泥。
砂:选用质地坚硬、清洁的中粗砂,细度模数宜为_____。
石子:采用粒径为_____的碎石,含泥量不大于_____%。
外加剂:根据需要添加适量的外加剂,如早强剂、减水剂等。
3、主要机具准备钻孔设备:根据地质条件和锚杆直径选择合适的钻孔机械,如潜孔钻机、地质钻机等。
注浆设备:包括注浆泵、搅拌机等。
张拉设备:采用专用的预应力张拉千斤顶和油压表,其精度应满足设计要求。
4、作业条件准备施工现场应具备“三通一平”条件,即通水、通电、通路和平整场地。
测量放线工作已完成,确定了锚杆的位置和标高。
在施工区域设置必要的警示标志和防护设施,确保施工安全。
三、施工工艺流程1、钻孔根据设计要求确定钻孔位置和角度,并用红油漆做好标记。
调整钻孔机械的钻进参数,如钻进速度、风压、水压等,以保证钻孔质量。
钻孔过程中应做好记录,包括钻进速度、岩芯情况、孔内异常等。
钻孔达到设计深度后,用高压风清孔,将孔内的岩屑和积水清除干净。
2、锚杆制作与安装按照设计要求制作预应力锚杆,锚杆的长度、直径、钢筋规格等应符合设计要求。
在锚杆上每隔_____m 设置一个定位支架,以保证锚杆在孔内居中。
将制作好的锚杆缓慢插入孔内,避免锚杆弯曲或损坏。
锚杆插入孔内的深度应符合设计要求,外露长度应满足张拉要求。
一、交底目的为确保锚杆土钉施工过程中的安全,预防安全事故的发生,提高施工质量,现将锚杆土钉施工过程中的安全技术要求进行交底。
二、适用范围本交底适用于所有涉及锚杆土钉施工的工程项目。
三、交底内容1. 施工前准备(1)施工人员应充分了解工程地质、水文地质条件,掌握锚杆土钉施工工艺和施工规范。
(2)施工人员必须熟悉锚杆土钉施工图纸,明确设计要求。
(3)施工前,应组织相关人员对施工现场进行勘察,了解施工环境,确保施工安全。
2. 施工工艺(1)锚杆施工:1)钻孔:采用钻机进行钻孔,钻孔深度、孔径、倾角应符合设计要求。
2)锚杆制作:根据设计要求,制作锚杆,锚杆长度、直径、锚杆材料应符合设计要求。
3)锚杆安装:将锚杆插入孔内,确保锚杆与孔壁紧密贴合。
4)锚杆注浆:注浆应饱满,注浆压力应符合设计要求。
5)锚杆张拉:按照设计要求进行锚杆张拉,确保锚杆预应力满足设计要求。
(2)土钉施工:1)钻孔:采用钻机进行钻孔,钻孔深度、孔径、倾角应符合设计要求。
2)土钉制作:根据设计要求,制作土钉,土钉长度、直径、土钉材料应符合设计要求。
3)土钉安装:将土钉插入孔内,确保土钉与孔壁紧密贴合。
4)土钉注浆:注浆应饱满,注浆压力应符合设计要求。
3. 安全技术措施(1)施工人员必须佩戴安全帽、安全带、防护眼镜等安全防护用品。
(2)施工现场应设置警示标志,明确警示区域。
(3)施工过程中,应确保钻孔、锚杆安装、土钉安装等工序的连续性,避免发生安全事故。
(4)施工过程中,应严格按照设计要求进行锚杆土钉施工,确保施工质量。
(5)施工过程中,应加强施工现场的管理,确保施工环境安全。
四、施工注意事项1. 施工过程中,应严格按照施工图纸和施工规范进行操作。
2. 施工过程中,应加强施工人员的安全教育,提高安全意识。
3. 施工过程中,应加强施工现场的巡查,发现问题及时处理。
4. 施工过程中,应确保施工质量,防止因质量问题引发安全事故。
五、施工记录1. 施工人员应详细记录施工过程中的各项数据,包括钻孔深度、孔径、倾角、锚杆土钉长度、直径、注浆压力等。