卷材防水屋面单元工程质量评定表
- 格式:doc
- 大小:38.00 KB
- 文档页数:1
SBS防水卷材报验申请表
工程名称:xxxx工程编号:
致:xxxx监理有限公司(监理单位)
我单位已经完成了木甲板区管理房SBS工作,现报上该工程报验申请表,请予以审
查和验收。
附件:卷材防水层检验批质量验收记录表
隐蔽工程验收记录
承包单位:(章)
项目经理:
日期:年一月一日
审查意见:
项目监理机构:xxxx监理有限公司
总/专业监理工程师: ____________________________________
日期:年月日
卷材防水层检验批质量验收记录表
GB50207- 2002
隐蔽工程验收记录
隐蔽工程内容:
1、卷材防水层所用材料有出产合格证、检验报告、产品性能和使用说明书;
2、卷材的铺贴方向正确,卷材搭接允许偏差符合要求;
3、卷材防水层的搭接缝粘结牢固,密封严密,无皱折、翘边和鼓泡等缺陷;防水层的收头
与基层粘结牢固,缝口严密,无翘边;
隐蔽工程图示:
详见设计施工图
验收结论:
项目专业质量检查员:
施工单位
(
建
设
)
单
工程项目技术负责人:
年月日
专业监理工程师:
(建设单位项目专业技术负责人)
单位(子单位)工程名称xxxxx
分部(子分部)工程名称装饰装修分部分项工程名称卷材防水
施工单位xxxx有限公司分包单位
项目经理分包项目经理
施工执行标准名称及编号GB50207-2002 验收部位管理房屋面防水。
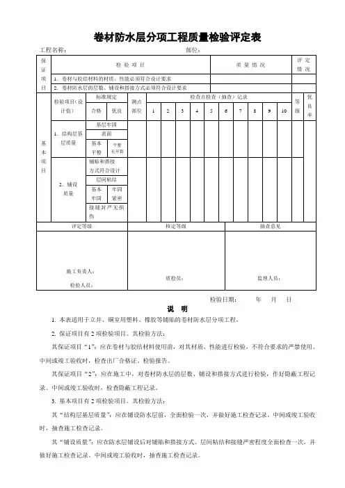
卷材防水层分项工程质量检验评定表
工程名称:部位:
检验日期:年月日
说明
1. 本表适用于立井、硐室用塑料、橡胶等铺贴的卷材防水层分项工程。
2. 保证项目有2项检验项目。
其检验方法:
其保证项目“1”:应在卷材与胶结材料使用前,对其材质、性能进行检验,不符合要求的严禁使用。
中间或竣工验收时,检查出厂合格证、检验报告。
其保证项目“2”:应在施工中,对卷材防水层的层数、铺设和搭接方式进行检验,作好隐蔽工程记录。
中间或竣工验收时,检查隐蔽工程记录。
3. 基本项目有2项检验项目。
其检验方法:
其“结构层基层质量”:应在铺设防水层前,全面检验一次,并做好施工检查记录。
中间或竣工验收时,抽查施工检查记录。
其“铺设质量”:应在防水层铺设后对铺贴和搭接方式、层间粘结和接缝严密程度全面检查一次,并做好施工检查记录。
中间或竣工验收时,抽查施工检查记录。
GBJ301-88建12-3-1 卷材防水屋面分项工程质量检验评定表年月日《卷材防水屋面分项工程质量检验评定表》使用说明本表适用于以沥青胶结材料铺贴的卷材防水屋面工程。
检查数量:按铺贴面积每100m2抽查1处,每处10m2,但不少于3处(允许偏差项目的1项每处测2点;2、3项每项不少于4次)。
(1)保证项目检验方法:1项观察检查和检查产品出厂合格证、配合比和试验报告。
2项雨后或泼水观察检查。
(2)基本项目评定代号:优良√,合格○,不合格×。
1项坡度:合格:基本符合排水要求,无明显积水现象。
优良:符合排水要求,无积水现象。
检验方法:观察检查(平整度)。
2项卷材铺贴:合格:冷底子油涂刷均匀,铺贴方法,压接顺序和搭接长度基本符合施工规范规定,粘贴牢固,无滑移、翘边缺陷。
优良:在合格的基础上,粘贴牢固,无滑移、翘边、起泡、皱折等缺陷。
检验方法:观察检查。
3项泛水、檐口及变形缝:合格:粘贴牢固,封盖严密;卷材附加层、泛水立面收头等做法基本符合施工规范规定。
优良:粘贴牢固,封盖严密;卷材附加层、泛水立面收头等做法符合施工规范规定。
检验方法:观察检查。
4项保护层:①绿豆砂保护层合格:粒径符合施工规范规定,筛洗干净、撒铺均匀,贴粘牢固。
优良:粒径符合施工规范规定,筛洗干净,预热干燥,撒铺均匀,粘贴牢固,表面清洁。
检验方法:观察和手扳检查。
②板材和整体保护层合格:板块无裂纹、缺楞、掉角,整体表面密实压光、无明显裂纹、脱皮、麻面和起砂现象。
优良:表面洁净,接缝均匀,周边顺直,板块无裂纹、缺椤、掉角等缺陷,整体表面密实光洁、无裂纹、脱皮、麻面和起砂等现象。
检验方法:观察检查。
5项排汽屋面孔道留设:合格:排汽道纵横贯通,排汽孔安装牢固,封闭严密。
优良:排汽道纵横贯通,无堵塞;排汽孔安装牢固,位置正确,封闭严密。
检验方法:观察检查。
6项水落口及变形缝:合格:各种配件均安装牢固,并涂刷防锈漆。
优良:安装牢固,水落口平正,变形缝、檐口等处薄钢板安装顺直,防锈漆涂刷均匀。
卷材防水屋面单元工程质量评定表
单位工程名称单元工程量
分部工程名称施工单位
单元工程名称、部位评定时间年月日
保证项目
项目质量情况1
油毡卷材和胶结材料的品种、标号及瑪蹄脂配合
比,必须符合设计要求和施工规范规定
2 屋面卷材防水层、严禁有渗漏现象
基本项目
项目
质量情况
等级
1 2 3 4 5 6 7 8 9 10
1 坡度(平整)
2 卷材铺贴
3 泛水、檐口及变形缝
4 保护层(豆石、板块、整体)
5 排气屋面孔道留设
6 水落口及变形缝
允许偏差项目
项目
允许偏
差(mm)
实测值(mm)
1 2 3 4 5 6 7 8 9 10
1 卷材搭接宽度-10
2 瑪蹄脂软化点±5℃
3 沥青胶结材料温度-10℃
检测结果
保证项目
基本项目检查项,其中优良项,优良率%
允许偏差项目实测点,其中合格项,合格率%
施工单位自评意见自评质量等级建设(监理)单位复核意见核定质量等级
保证项目,基本项目
检查点其中合格
点,合格率
允许偏差项目实测点
,其中合格点,合格
率。
施工单位
监理单位建设单位初检负责人复检负责人终检负责人。