H型钢拼接和对接标准及重量
- 格式:doc
- 大小:362.00 KB
- 文档页数:8
H型钢标准重量表背景H型钢是一种常用的结构钢材料,广泛应用于建筑、桥梁、机械设备等领域。
标准重量表是对不同规格的H型钢进行重量计算的参考工具,能够帮助工程师、设计师等专业人士进行结构设计、材料选择等工作。
目的本文档旨在提供一份全面且易于使用的H型钢标准重量表,为相关专业人士提供准确的数据参考,以便在结构设计和材料选择过程中得到最佳的结果。
内容以下是一份H型钢标准重量表,包含了常用的规格和对应的重量数据:上述表格中的规格为H型钢的横截面尺寸,其中第一个数字代表宽度,第二个数字代表高度,第三个数字代表腰厚(即腰部宽度),第四个数字代表腰厚(即腰部高度)。
重量数据为每米钢材的重量。
此外,还可以根据实际需要在表格中添加更多规格和对应的重量数据,以满足具体的项目要求。
使用方法使用该标准重量表非常简单,只需根据项目需要选择合适的H 型钢规格,然后在表格中查找对应的重量数据即可。
例如,如果需要使用150x150x7x10规格的H型钢,可以直接在表格中找到对应的重量数据为31.9kg/m。
注意事项在使用该标准重量表时,请注意以下几点:1. 标准重量表提供的数据仅为参考值,实际使用中可能存在一定的误差,建议在计算和设计中留出一定的余量。
2. 标准重量表提供的规格和重量数据为常见的H型钢,对于特殊需求或非标准规格的H型钢,需要进行额外的计算和评估。
3. 在使用H型钢时,还需要考虑其他因素,如强度、稳定性、连接方式等,以保证结构的安全性和稳定性。
结论H型钢标准重量表是一份有用的工具,可以为工程师、设计师等提供准确的数据参考,帮助他们进行结构设计和材料选择。
通过合理使用该标准重量表,可以提高工作效率,确保项目的质量和安全性。
以上就是H型钢标准重量表的内容,希望对您有所帮助。
如有任何疑问或建议,请随时与我们联系。
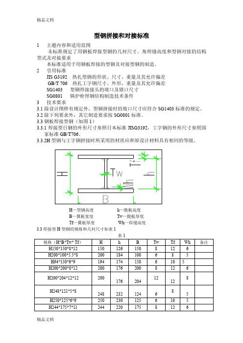
型钢拼接和对接标准1主题内容和适用范围未标准规定了用钢板焊接型钢的几何尺寸、角焊缝高度和型钢对接的结构型式及对接要求本标准适用于用钢板焊接的型钢及对接型钢的制造。
2引用标准JIS G3192 热扎型钢的形状、尺寸、重量及其允许偏差GB/T 706 热扎工字钢尺寸、外形、重量及其允许偏差SG1403 型钢焊接接头的坡口及锁口尺寸SG0801 锅炉栓焊钢结构制造技术条件3技术要求3.1除设计图样有规定外,型钢拼接时的坡口尺寸应符合SG1403标准的规定。
3.2除下列要求外,其它制造要求按SG0801标准。
3.3钢板焊接型钢(如图1)3.3.1焊接型日钢的外形尺寸参照日本标准JISG3192,工字钢的外形尺寸参照国家标准GB/T706。
3.3.2H型钢与工字钢拼接时所采用的材质应和原设计材料具有相同的等级。
B—翼板宽度Tw—腹板厚度Tf—翼板厚度Wh—焊缝高度3.3焊接型H型钢的规格和几何尺寸如表1表13 型钢的对接3.4.1型钢的对接优先采用有加强板的对接型式,当产品因为结构原因而不允许采用加强板时,允许采用插入的对接型式,如图2b所示。
3.4.2翼缘拼接焊缝(与腹板接合处)应磨平后,再与腹板焊接。
3.4.3所有型钢拼接时,被加强板覆盖的对接焊缝应采用保证能全焊透的坡口形式。
焊后表面磨平后再焊加强板。
3.4.4插入的对接型钢,其对极为焊缝应100%UT及100%MT检查合格,在拼接的十字焊缝处除坡口外,还应开圆弧缺口(R=200mm),并修磨至圆滑。
角焊缝高度按表1。
3.4.5除设计图样有规定外,拼接加强板的尺寸应按图2及表3-6的规定。
3.4.6H型钢作为立柱使用时,可取消腹板加强板件号2,但柱腹板对接焊缝需X射线或超声波检查合格;H型钢作为钢梁使用时,可取消翼板加强件号1,但梁翼板对接焊缝需X射线或超声波检查合格。
3.4.7所有的对接焊缝均应进行100%UT检查合格。
对接焊缝后需热处理的厚度按SG0801的规定。
型钢拼接和对接标准1主题内容和适用范围未标准规定了用钢板焊接型钢的几何尺寸、角焊缝高度和型钢对接的结构型式及对接要求本标准适用于用钢板焊接的型钢及对接型钢的制造。
2引用标准JIS G3192 热扎型钢的形状、尺寸、重量及其允许偏差GB/T 706 热扎工字钢尺寸、外形、重量及其允许偏差SG1403 型钢焊接接头的坡口及锁口尺寸SG0801 锅炉栓焊钢结构制造技术条件3技术要求3.1除设计图样有规定外,型钢拼接时的坡口尺寸应符合SG1403标准的规定。
3.2除下列要求外,其它制造要求按SG0801标准。
3.3钢板焊接型钢(如图1)3.3.1焊接型日钢的外形尺寸参照日本标准JISG3192,工字钢的外形尺寸参照国家标准GB/T706。
H—型钢高度h—腹板高度B—翼板宽度Tw—腹板厚度Tf—翼板厚度Wh—焊缝高度3.3焊接型H型钢的规格和几何尺寸如表13 型钢的对接,当产品因为结构原因而不允许采用加强板时,允许采用插入的对接型式,如图2b所示。
3.4.2翼缘拼接焊缝(与腹板接合处)应磨平后,再与腹板焊接。
,被加强板覆盖的对接焊缝应采用保证能全焊透的坡口形式。
焊后表面磨平后再焊加强板。
,其对极为焊缝应100%UT及100%MT检查合格,在拼接的十字焊缝处除坡口外,还应开圆弧缺口(R=200mm),并修磨至圆滑。
角焊缝高度按表1。
,拼接加强板的尺寸应按图2及表3-6的规定。
,可取消腹板加强板件号2,但柱腹板对接焊缝需X射线或超声波检查合格;H型钢作为钢梁使用时,可取消翼板加强件号1,但梁翼板对接焊缝需X射线或超声波检查合格。
一、中国标准热扎H型钢GB/T 11263-1998宽、中、窄翼缘H型钢截面尺寸、截面面积、理论重量和截面特性冷弯内卷边槽钢(GB6723-86)。
技术说明本标准按《钢结构设计规范》GB50017-2003,《锅炉钢结构技术条件》JB/T1620-1993综合编制。
本标准适用于本公司承制的工业与民用钢结构及一般构筑物钢结构工程。
型钢接头所用钢材的材质与被连接型钢相同。
型钢接头焊接材料:材质为Q235B时,用E43系列焊材;材质为Q345B 时,用E50系列焊材。
特殊情况按设计要求。
焊缝质量标准按《钢结构工程施工质量验收规范》GB50205-2001的要求。
对接焊缝采用全焊透的坡口形式,无加强板的对接焊缝为一级,有加强板处对接焊缝清根焊透后磨平,再贴紧加强板焊接。
对接焊缝全焊透坡口形式,当δ﹤16㎜时,采用单面V行坡口,当δ≧16㎜时,采用双面V行坡口。
超长构件在分段时的现场拼接接头形式应按图纸设计要求执行。
第1页第一章角钢拼接1,角钢接头采用加强板进行对接的方式,对接焊缝清根焊透后磨平,再贴紧加强板焊接。
2,对接焊缝及拼接加强板尺寸应按图1及表1的规定。
注:1,V行坡口背向加强板,加强板覆盖处焊缝磨平图1 2,当δ≧16㎜时,采用双面V行坡口。
表1:角钢对接加强板规格角钢规格 .A.B.t .单重(kg) .焊缝高度K .L50及小于L50不采用加强板L56703064 L63803564说明:不等边角钢的加强板按等边角钢等同肢宽选用。
第 2 页第二章槽钢拼接1,槽钢接头采用腹板加强板进行对接的方式,腹板对接焊缝须清根焊透后磨平,再贴紧加强板焊接,翼缘必须焊透并达到一级焊缝标准。
2,对接焊缝及拼接加强板尺寸应按图2及表2的规定。
注:1,V行坡口背向加强板,加强板覆盖处焊缝磨平图2 2,当δ≧16㎜时,采用双面V行坡口。
表2:槽钢对接加强版规格槽钢规格 .A.B.t .单重(kg) .焊缝高度K .小于[14不采用加强板[14a [14b14010065 [16a [16b16012065 [18a [18b18012065 [20a [20b20014065 [22a [22b22015085 [25a [25b25016085 [28a [28b [28c 28018085[32a [32b [32c32022085[36a [36b [36c36024086[40a [40b [40c400280108说明:轻型槽钢的加强板参本表使用。
技术说明本标准按《钢结构设计规范》GB50017-2003,《锅炉钢结构技术条件》J B/T1620-1993综合编制。
本标准适用于本公司承制的工业与民用钢结构及一般构筑物钢结构工程。
型钢接头所用钢材的材质与被连接型钢相同。
型钢接头焊接材料:材质为Q235B时,用E43系列焊材;材质为Q345B 时,用E50系列焊材。
特殊情况按设计要求。
焊缝质量标准按《钢结构工程施工质量验收规范》GB50205-2001的要求。
对接焊缝采用全焊透的坡口形式,无加强板的对接焊缝为一级,有加强板处对接焊缝清根焊透后磨平,再贴紧加强板焊接。
对接焊缝全焊透坡口形式,当δ﹤16㎜时,采用单面V行坡口,当δ≧16㎜时,采用双面V行坡口。
超长构件在分段时的现场拼接接头形式应按图纸设计要求执行。
第1页第一章角钢拼接1,角钢接头采用加强板进行对接的方式,对接焊缝清根焊透后磨平,再贴紧加强板焊接。
2,对接焊缝及拼接加强板尺寸应按图1及表1的规定。
注:1,V行坡口背向加强板,加强板覆盖处焊缝磨平图1 2,当δ≧16㎜时,采用双面V行坡口。
表1:角钢对接加强板规格角钢规格 .A.B.t .单重(kg) .焊缝高度K .L50及小于L50不采用加强板L567364L6383564L70100464L75100465L801004565L90100565L100100665L1101006565L125100766L140120886L16012010086L18014012086L20014014086第 2 页第二章槽钢拼接1,槽钢接头采用腹板加强板进行对接的方式,腹板对接焊缝须清根焊透后磨平,再贴紧加强板焊接,翼缘必须焊透并达到一级焊缝标准。
2,对接焊缝及拼接加强板尺寸应按图2及表2的规定。
注:1,V行坡口背向加强板,加强板覆盖处焊缝磨平图2 2,当δ≧16㎜时,采用双面V行坡口。
表2:槽钢对接加强版规格槽钢规格 .A.B.t .单重(kg) .焊缝高度K .小于[14不采用加强板[14a [14b14010065[16a [16b16012065[18a [18b18012065[20a [20b20014065[22a [22b21852050[25a [25b25016085[28a [28b [28c28018085[32a [32b [32c32022085[36a [36b [36c36024086[40a [40b [40c400280108第3页第三章工字钢拼接1,工字钢接头采用腹板加强板进行对接的方式,腹板对接焊缝须清根焊透后磨平,再贴紧加强板焊接,翼缘必须焊透并达到一级焊缝标准。
WORD 整理版型钢拼接和对接标准主题内容和适用范围1未标准规定了用钢板焊接型钢的几何尺寸、角焊缝高度和型钢对接的结构型式及对接要求本标准适用于用钢板焊接的型钢及对接型钢的制造。
引用标准2 JIS G3192 热扎型钢的形状、尺寸、重量及其允许偏差GB/T 706 热扎工字钢尺寸、外形、重量及其允许偏差SG1403 型钢焊接接头的坡口及锁口尺寸SG0801 锅炉栓焊钢结构制造技术条件3技术要求3.1 标准的规定。
SG1403 除设计图样有规定外,型钢拼接时的坡口尺寸应符合3.2 SG0801 标准。
除下列要求外,其它制造要求按 3.3 )钢板焊接型钢(如图 1 焊接型日钢的外形尺寸参照日本标准JISG3192,工字钢的外形尺寸参照国3.3.1家标准GB/T706。
3.3.2H 型钢与工字钢拼接时所采用的材质应和原设计材料具有相同的等级。
H—型钢高度h—腹板高度B—翼板宽度Tw—腹板厚度Tf —翼板厚度Wh —焊缝高度 3.3 焊接型H 型钢的规格和几何尺寸如表11 表H*B*Tw* 规格(备Wh H B h Tw Tf Tf 注)H150*150*8*12150 8 126150 12 658 6 200 H200*100*5.5*8 1001845 10 194H94*150*6*9 174150 66200H200*200*8*12 176 200 812176 204 12 12 200 H200*204*12*12 8 232 124H248*121*5*8 2486 85H250*125*6*9 250 230 12556 1012 6 H244*175*7*11 244 220 1758 68 12 200250 H250*200*8*12 226 14H250*250*9*14250 222250108优质参考资料.WORD 整理版H250*250*14*1255 14 14 250 222 4106 8294 200270 H294*200*8*12 12H294*302*12*1 294270 12 2302 12 8H298*110*5.5* 5 6449 2988282 8H300*150*6.5* 645095 300280 10H300*300*10*1 83005300268 10 16H300*305*15*110 530026816 16 3058312H340*250*9*14 14 10 250 340H341*348*10*1 344816 10 312 348610 174 346 326H346*174*6*9 65 12 6 3268175H350*175*7*11 350H350*350*12*1 20350 9350310 12 8H388*402*15*110 16 516 356 388402H394*398*11*18 839118 398 12 35812 199 8 372 H396*199*7*11396 6 14 8H400*200*8*13 400 3726 200H390*300*10*1 3586 39010 8 16 300H400*400*13*210 1360 400 14 20 400H100*408*21*212 20 360 40020 1408H414*105*18*210 18 28 358 8414405H428*407*20*312 428203585354072 表备hWh Tw Tf BH 规格注17612 6 2001008120a176 812 200 120b 10210222 250 125a 6 8 11614222 61410118 250125b130a 300 268 126 10 16 816 810 328136a 360 13618 8136b 12 328 138 360 400 18 364 12 140a 142 810 18 144 400140b 14 36418 150 414 812 450 145a10 14 414 450 18 145b 15210 22 560 14 156a 16651610 16156b516 560168 223型钢的对接 3.4.1 型钢的对接优先采用有加强板的对接型式,当产品因为结构原因而不允许采用加强板时,允许采用插入的对接型式,如图2b 所示。
H型钢理论重量表H型钢是一种常见的结构钢材,具有良好的刚性和强度特性,广泛应用于建筑、桥梁、机械制造等领域。
在设计和计算H型钢结构时,了解其理论重量是非常重要的。
本文将介绍H型钢理论重量表,并对其中的相关概念进行解释。
首先,我们需要明确H型钢的基本构造。
H型钢由热轧或焊接而成,具有“H”字形的横截面。
它通常由两个平行的翼板和一个连接这两个翼板的腹板组成。
根据不同的规格和尺寸,H型钢的重量也会有所不同。
H型钢理论重量表是根据国家标准规定的H型钢尺寸和截面面积计算而得。
下面是一份典型的H型钢理论重量表,以供参考:名称规格(mm) 理论重量(kg/m)H100×100 100×100 16.9H125×125 125×125 23.6H150×150 150×150 31.5H175×175 175×175 41.8H200×200 200×200 49.9H250×250 250×250 72.4H300×300 300×300 94.0以上只是一小部分常见规格的H型钢,实际上还有更多不同规格的H型钢可供选择。
在计算H型钢理论重量时,需要用到截面面积和密度的知识。
H型钢截面面积的计算公式为:截面面积=2×翼板宽度×翼板厚度+腹板宽度×腹板厚度。
H型钢的密度通常为7850千克/立方米。
因此,理论重量的计算公式为:理论重量=截面面积×7850。
需要注意的是,理论重量仅供参考,实际使用时还要考虑工程实际情况和安全系数的要求。
除了理论重量,H型钢还有其他重要的性能参数,如惯性矩、抗弯矩等。
这些参数对于结构设计和计算也非常重要。
因此,在实际应用中,除了了解H型钢的理论重量,还需要深入了解其它性能参数,并参考相应的规范和标准进行设计。
型钢接头标准及理论重量表Document serial number【UU89WT-UU98YT-UU8CB-UUUT-UUT108】技术说明本标准按《钢结构设计规范》GB50017-2003,《锅炉钢结构技术条件》JB/T1620-1993综合编制。
本标准适用于本公司承制的工业与民用钢结构及一般构筑物钢结构工程。
型钢接头所用钢材的材质与被连接型钢相同。
型钢接头焊接材料:材质为Q235B时,用E43系列焊材;材质为Q345B 时,用E50系列焊材。
特殊情况按设计要求。
焊缝质量标准按《钢结构工程施工质量验收规范》GB50205-2001的要求。
对接焊缝采用全焊透的坡口形式,无加强板的对接焊缝为一级,有加强板处对接焊缝清根焊透后磨平,再贴紧加强板焊接。
对接焊缝全焊透坡口形式,当δ﹤16㎜时,采用单面V行坡口,当δ≧16㎜时,采用双面V行坡口。
超长构件在分段时的现场拼接接头形式应按图纸设计要求执行。
第1页第一章角钢拼接1,角钢接头采用加强板进行对接的方式,对接焊缝清根焊透后磨平,再贴紧加强板焊接。
2,对接焊缝及拼接加强板尺寸应按图1及表1的规定。
注:1,V行坡口背向加强板,加强板覆盖处焊缝磨平图1 2,当δ≧16㎜时,采用双面V行坡口。
表1:角钢对接加强板规格角钢规格 .A.B.t .单重(kg) .焊缝高度K .L50及小于L50不采用加强板L56703064 L63803564 L701004064L751004065L801004565L901005065L1001006065L1101006565L1251007066L1401208086L16012010086L180********L20014014086说明:不等边角钢的加强板按等边角钢等同肢宽选用。
第 2 页第二章槽钢拼接1,槽钢接头采用腹板加强板进行对接的方式,腹板对接焊缝须清根焊透后磨平,再贴紧加强板焊接,翼缘必须焊透并达到一级焊缝标准。
H型钢理论重量表H型钢是一种具有H形截面的结构钢,因其截面形状如字母“H"而得名。
H型钢广泛应用于建筑、机械制造、桥梁建设等领域,对于计算和设计工作而言,了解H型钢的理论重量是非常重要的。
本文将提供一张H型钢理论重量表,方便工程师和设计师在工作中进行准确的计算。
一、H型钢的定义H型钢是一种具有良好可塑性和抗拉强度的结构钢,其截面形状呈H字形。
H型钢通常由两个水平翼板和一个垂直腹板组成,形状稳定且承载能力强。
二、下表为常见规格的H型钢的理论重量表,单位为千克/米。
规格(mm) 理论重量(kg/m)100×100 16.9125×125 23.6148×100 20.7150×75 14.0194×150 47.1200×200 49.9248×124 43.6250×250 72.4300×150 55.7300×300 85.0346×174 82.0350×350 106.0400×200 66.0400×400 140.0450×200 79.9450×300 107.0500×200 89.6500×300 120.0600×200 105.0600×300 134.0请注意,以上重量仅为理论数值,实际重量可能会因钢材成分或其他制造因素而略有差异。
因此,在实际设计或计算中,建议根据具体情况进行准确测算。
三、如何使用1. 首先,确定需要使用的H型钢的规格尺寸,比如100×100、200×200等。
2. 在重量表中找到对应规格的H型钢,查找相应的理论重量数值。
3. 将找到的理论重量数值代入计算公式或设计方案中,以得到准确的重量数据。
例如,如果需要计算一段长度为10米的300×300规格的H型钢的理论重量,可以按照以下步骤进行计算:1. 在重量表中找到300×300规格的H型钢,对应的理论重量为85.0kg/m。
热轧H型钢理论重量表2012-9-24H型钢理论重量表及H型钢计算公式热轧H型钢理论重量计算公式:热轧H型钢理论重量==*L*7.85*1/1000--高度(mm),b--脚宽(mm),d--腰厚(mm),r--内面圆角半径(mm),r1--边端圆角半径(mm),L--长度(m)方管重量计算公式;4 x 壁厚 x (边长-壁厚) x 7.85 其中,边长和壁厚都以毫米为单位,直接把数值代入上述公式,得出即为每米Q235方管的重量,以克为单位。
如30 x 30 x 2.5毫米的方管,按上述公式即可算出其每米重量为: 4 x 2.5 x (30-2.5) x 7.85=275 x 7.85=2158.75克,即约2.16公斤.当壁厚和边长都以毫米为单位时,4 x壁厚x (边长-壁厚)算出的是每米长度方管的体积,以立方厘米为单位,再乘以铁的比重每立方厘米7.85克,得出即为每米方管以克为单位的重量。
方紫铜棒重量(千克)=0.0089×边宽×边宽×长度方黄铜棒重量(千克)=0.0085×边宽×边宽×长度方铝棒重量(千克)=0.0028×边宽×边宽×长度六角紫铜棒重量(千克)=0.0077×对边宽×对边宽×长度六角黄铜棒重量(千克)=0.00736×边宽×对边宽×长度六角铝棒重量(千克)=0.00242×对边宽×对边宽×长度方钢重量(千克)=0.00785×边宽×边宽×长度角钢重量(千克)=0.00785×(边宽+边宽-边厚)×边厚×长度钢板重量(千克)=7.85×厚度×面积钢管重量(千克)=0.02466×壁厚×(外径-壁厚)×长度扁钢重量(千克)=0.00785×厚度×边宽×长度紫铜板重量(千克)=0.0089×厚×宽×长度黄铜板重量(千克)=0.0085×厚×宽×长度铝板重量(千克)=0.00171×厚×宽×长度圆铝棒重量(千克)=0.0022×直径×直径×长度圆紫铜管重量(千克)=0.028×壁厚×(外径-壁厚)×长度圆黄铜管重量(公斤)=0.0267×壁厚×(外径-壁厚)×长度圆铝管重量(千克)=0.00879×壁厚×(外径-壁厚)×长度六角钢重量(千克)=0.0068×对边宽×对边宽×长度八角钢重量(千克)=0.0065×对边宽×对边宽×长度圆紫铜棒重量(千克)=0.00698×直径×直径×长度圆黄铜棒重量(千克)=0.00668×直径×直径×长度上一篇:槽钢符号下一篇:工字钢符号相关新闻欢迎您的下载,资料仅供参考!致力为企业和个人提供合同协议,策划案计划书,学习资料等等打造全网一站式需求。
H型钢理论重量全表H型钢是一种成形钢材,具有优异的机械性能和技术性能,被广泛应用于建筑、机械、汽车、航空航天、轨道交通等领域。
H型钢的理论重量是计算其截面积和密度得出的,下面是H型钢的理论重量全表。
一、H型钢的定义和分类H型钢是由上下两个翼板和中间的腰板组成的钢材。
根据翼板和腰板的尺寸比例不同,H型钢可以分为多种规格和型号,例如常见的HW、HM、HN等型号。
二、H型钢的理论重量计算公式H型钢的理论重量是根据其截面积和密度计算得出的,计算公式如下:H型钢理论重量(kg/m)=截面积(cm²)×钢材密度(g/cm³)÷10其中,截面积是指H型钢的横截面积,密度是指H型钢的材料密度,10是一个换算因子,用于将结果从g/cm³换算成kg/m。
三、H型钢的理论重量全表下面是H型钢的理论重量全表,其中数据是根据国家标准GB/T11263-2017计算得出的:HW型(mm)H×B×t1×t2 理论重量(kg/m)100×100×6×8 17.2125×125×6.5×9 23.8150×150×7×10 31.9175×175×7.5×11 40.4200×200×8×12 50.5250×250×9×14 72.4300×300×10×15 94.6350×350×12×19 137.4400×400×13×21 172.4450×450×14×23 206.0500×500×15×24 240.0600×600×15×28 287.0700×700×20×30 390.0800×800×20×30 460.0900×900×20×36 529.01000×1000×20×40 648.0HM型(mm)H×B×t1×t2 理论重量(kg/m)100×100×6×8 21.2125×125×6.5×9 29.7150×150×7×10 40.6175×175×7.5×11 51.2200×200×8×12 63.5250×250×9×14 89.9300×300×10×15 118. 1350×350×12×19 171.6400×400×13×21 215.6450×450×14×23 259.8500×500×15×24 304.0600×600×15×28 356.3700×700×20×30 470.0800×800×20×30 550.0900×900×20×36 641.01000×1000×20×40 785.0HN型(mm)H×B×t1×t2 理论重量(kg/m)100×100×6×8 25.8125×125×6.5×9 35.6150×150×7×10 48.1175×175×7.5×11 60.8200×200×8×12 75.3250×250×9×14 106.0300×300×10×15 139.0350×350×12×19 202.4400×400×13×21 255.9450×450×14×23 309.6500×500×15×24 363.0600×600×15×28 423.5700×700×20×30 556.0800×800×20×30 643.0900×900×20×36 747.01000×1000×20×40 916.0四、H型钢的特点和应用H型钢具有许多优异的特点,例如重量轻、强度高、稳定性好、耐热、耐腐蚀等。
技术说明1.1 本标准按《钢结构设计规范》GB50017-2003,《锅炉钢结构技术条件》J B/T1620-1993综合编制。
1.2 本标准适用于本公司承制的工业与民用钢结构及一般构筑物钢结构工程。
1.3 型钢接头所用钢材的材质与被连接型钢相同。
1.4 型钢接头焊接材料:材质为Q235B时,用E43系列焊材;材质为Q345B时,用E50系列焊材。
特殊情况按设计要求。
1.5 焊缝质量标准按《钢结构工程施工质量验收规范》GB50205-2001的要求。
1.6 对接焊缝采用全焊透的坡口形式,无加强板的对接焊缝为一级,有加强板处对接焊缝清根焊透后磨平,再贴紧加强板焊接。
1.7 对接焊缝全焊透坡口形式,当δ﹤16㎜时,采用单面V行坡口,当δ≧16㎜时,采用双面V行坡口。
1.8 超长构件在分段时的现场拼接接头形式应按图纸设计要求执行。
第1页第一章角钢拼接1,角钢接头采用加强板进行对接的方式,对接焊缝清根焊透后磨平,再贴紧加强板焊接。
2,对接焊缝及拼接加强板尺寸应按图1及表1的规定。
注:1,V行坡口背向加强板,加强板覆盖处焊缝磨平图1 2,当δ≧16㎜时,采用双面V行坡口。
表1:角钢对接加强板规格第二章槽钢拼接1,槽钢接头采用腹板加强板进行对接的方式,腹板对接焊缝须清根焊透后磨平,再贴紧加强板焊接,翼缘必须焊透并达到一级焊缝标准。
2,对接焊缝及拼接加强板尺寸应按图2及表2的规定。
注:1,V行坡口背向加强板,加强板覆盖处焊缝磨平图2 2,当δ≧16㎜时,采用双面V行坡口。
表2:槽钢对接加强版规格第三章工字钢拼接1,工字钢接头采用腹板加强板进行对接的方式,腹板对接焊缝须清根焊透后磨平,再贴紧加强板焊接,翼缘必须焊透并达到一级焊缝标准。
2,对接焊缝及拼接加强板尺寸应按图3及表3的规定。
注:1,V行坡口背向加强板,加强板覆盖处焊缝磨平图3 2,当δ≧16㎜时,采用双面V行坡口。
表三:工字钢对接加强板规格第四章轧制H型钢拼接1,轧制H型钢接头采用腹板加强板进行对接的方式,腹板对接焊缝须清根焊透后磨平,再贴紧加强板焊接,翼缘必须焊透并达到一级焊缝标准。
技术说明本标准按《钢结构设计规范》GB50017-2003,《锅炉钢结构技术条件》JB/T1620-1993综合编制。
本标准适用于本公司承制的工业与民用钢结构及一般构筑物钢结构工程。
型钢接头所用钢材的材质与被连接型钢相同。
型钢接头焊接材料:材质为Q235B时,用E43系列焊材;材质为Q345B 时,用E50系列焊材。
特殊情况按设计要求。
焊缝质量标准按《钢结构工程施工质量验收规范》GB50205-2001的要求。
对接焊缝采用全焊透的坡口形式,无加强板的对接焊缝为一级,有加强板处对接焊缝清根焊透后磨平,再贴紧加强板焊接。
对接焊缝全焊透坡口形式,当δ﹤16㎜时,采用单面V行坡口,当δ≧16㎜时,采用双面V行坡口。
超长构件在分段时的现场拼接接头形式应按图纸设计要求执行。
第1页第一章角钢拼接1,角钢接头采用加强板进行对接的方式,对接焊缝清根焊透后磨平,再贴紧加强板焊接。
2,对接焊缝及拼接加强板尺寸应按图1及表1的规定。
注:1,V行坡口背向加强板,加强板覆盖处焊缝磨平图1 2,当δ≧16㎜时,采用双面V行坡口。
表1:角钢对接加强板规格角钢规格 .A.B.t .单重(kg) .焊缝高度K .L50及小于L50不采用加强板L56703064 L63803564说明:不等边角钢的加强板按等边角钢等同肢宽选用。
第 2 页第二章槽钢拼接1,槽钢接头采用腹板加强板进行对接的方式,腹板对接焊缝须清根焊透后磨平,再贴紧加强板焊接,翼缘必须焊透并达到一级焊缝标准。
2,对接焊缝及拼接加强板尺寸应按图2及表2的规定。
注:1,V行坡口背向加强板,加强板覆盖处焊缝磨平图2 2,当δ≧16㎜时,采用双面V行坡口。
表2:槽钢对接加强版规格槽钢规格 .A.B.t .单重(kg) .焊缝高度K .小于[14不采用加强板[14a [14b14010065 [16a [16b16012065 [18a [18b18012065 [20a [20b20014065 [22a [22b22015085 [25a [25b25016085 [28a [28b [28c 28018085[32a [32b [32c32022085[36a [36b [36c36024086[40a [40b [40c400280108说明:轻型槽钢的加强板参本表使用。
H型钢国家标准规格重量统计
背景
H型钢是一种常用的结构钢材料,广泛应用于建筑、制造业等
领域。
为了实现生产和使用H型钢的标准化,国家制定了一系列的标准规格。
目的
本文档旨在统计和概述H型钢国家标准规格的重量范围,以便用户在选择和使用H型钢时有所参考。
数据来源
本文档所统计的数据主要来自国家标准化机构公布的相关文件、标准以及相关产业协会的数据报告。
不引用无法确认的内容。
概述
H型钢的重量范围是根据其规格型号和材料组成进行计算的。
国家标准规定了H型钢的型号、尺寸、截面尺寸、壁厚等参数,并对每个规格型号的重量进行了限定或范围描述。
统计结果
以下是一些常见的H型钢规格以及其重量范围统计:
1. H型钢规格型号:H100x100,重量范围:100kg/m - 120kg/m
2. H型钢规格型号:H150x150,重量范围:150kg/m - 180kg/m
3. H型钢规格型号:H200x200,重量范围:200kg/m - 240kg/m
注意:以上数据仅为示例,实际的H型钢规格和重量范围可能会根据特定标准进行调整。
结论
本文档提供了H型钢国家标准规格的重量范围统计,帮助用户在选择和使用H型钢时做出合理的决策。
需要注意的是,实际使用时应根据具体的项目需求和标准要求进行确认和选择。
参考文献。
H型钢理论重量表H型钢是一种常用的金属结构材料,由两个平行的翼缘和连接翼缘的腹板构成。
由于其承载能力和抗压性能优异,广泛应用于建筑、桥梁、机械制造等领域。
在项目设计和施工中,准确计算H型钢的重量是至关重要的。
以下是H型钢理论重量表,可帮助您快速准确地计算H型钢的重量。
表格1:型号规格(mm)断面面积(cm^2)单位长度重量(kg/m)HW150×75 150×75 14.0 17.0HW175×90 175×90 16.8 20.7HW200×100 200×100 20.6 25.5HW250×125 250×125 29.6 36.7HW300×150 300×150 36.7 45.3HW350×175 350×175 44.4 54.9HW400×200 400×200 55.8 69.1HW450×200 450×200 62.1 77.1HW500×200 500×200 69.2 86.0HW600×200 600×200 80.4 99.9注:以上数据仅供参考,实际重量需根据实际材质及尺寸进行测算。
根据以上重量表,可以发现H型钢的重量与其规格尺寸呈正比关系。
在进行H型钢结构设计时,可以根据具体需要选择适当的型号和规格,以满足承载要求。
同时,需要注意考虑施工及运输的限制,确保能够满足实际使用的需要。
以上是H型钢理论重量表,希望这份表格可以帮助您快速准确地计算H型钢的重量。
在实际工程中,还需要结合具体情况进行实际测量和计算,确保设计和施工的精确性和安全性。
型钢拼接和对接标准
1主题内容和适用范围
未标准规定了用钢板焊接型钢的几何尺寸、角焊缝高度和型钢对接的结构型式及对接要求
本标准适用于用钢板焊接的型钢及对接型钢的制造。
2引用标准
JIS G3192 热扎型钢的形状、尺寸、重量及其允许偏差
GB/T 706 热扎工字钢尺寸、外形、重量及其允许偏差
SG1403 型钢焊接接头的坡口及锁口尺寸
SG0801 锅炉栓焊钢结构制造技术条件
3技术要求
3.1除设计图样有规定外,型钢拼接时的坡口尺寸应符合SG1403标准的规定。
3.2除下列要求外,其它制造要求按SG0801标准。
3.3钢板焊接型钢(如图1)
3.3.1焊接型日钢的外形尺寸参照日本标准JISG3192,工字钢的外形尺寸参照国
家标准GB/T706。
3.3.2H型钢与工字钢拼接时所采用的材质应和原设计材料具有相同的等级。
H—型钢高度h—腹板高度
B—翼板宽度Tw—腹板厚度
Tf—翼板厚度Wh—焊缝高度3.3焊接型H型钢的规格和几何尺寸如表1
3 型钢的对接
3.4.1型钢的对接优先采用有加强板的对接型式,当产品因为结构原因而不允许采用加强板时,允许采用插入的对接型式,如图2b所示。
3.4.2翼缘拼接焊缝(与腹板接合处)应磨平后,再与腹板焊接。
3.4.3所有型钢拼接时,被加强板覆盖的对接焊缝应采用保证能全焊透的坡口形式。
焊后表面磨平后再焊加强板。
3.4.4插入的对接型钢,其对极为焊缝应100%UT及100%MT检查合格,在拼接的十字焊缝处除坡口外,还应开圆弧缺口(R=200mm),并修磨至圆滑。
角焊缝高度按表1。
3.4.5除设计图样有规定外,拼接加强板的尺寸应按图2及表3-6的规定。
3.4.6H型钢作为立柱使用时,可取消腹板加强板件号2,但柱腹板对接焊缝需X射线或超声波检查合格;H型钢作为钢梁使用时,可取消翼板加强件号1,但梁翼板对接焊缝需X射线或超声波检查合格。
3.4.7所有的对接焊缝均应进行100%UT检查合格。
对接焊缝后需热处理的厚度按SG0801的规定。
表3
一、中国标准热扎H型钢
GB/T 11263-1998
宽、中、窄翼缘H型钢截面尺寸、截面面积、理论重量和截面特性
宽、中、窄翼缘H型钢尺寸、外型允许偏差
冷弯内卷边槽钢(GB6723-86)。