常用五金材料数据速查表
- 格式:xls
- 大小:1020.50 KB
- 文档页数:1
常用金属材料理论重量速查表标记举例:由B3号钢制成的,尺寸为4mmX1000mmX4000mm,菱形花纹的钢板,其标记为:菱形花纹钢板B3-4X1000X4000-YB184X65复制带链接的文本推荐到其它网站→H型钢理论重量表焊接H型钢规格理论重量表(公斤/米)(H高度,B宽度,t1腹板厚度,t2翼缘厚度)类别型号H×B(mm) t1(mm) t2(mm) 理论重量HW 200×200200×200 8 12 50.5200×204 12 12 56.7 250×250250×250 9 14 72.4250×255 14 14 82.2 300×300294×302 12 12 85300×300 10 15 94.5300×305 15 15 106 350×350344×348 10 16 115350×350 12 19 137 400×400388×402 15 15 141394×398 11 18 147400×400 13 21 172400×408 21 21 197414×405 18 28 233428×407 20 35 284458×417 30 50 415498×342 45 70 605HM 150×100 148×100 6 9 21.4 200×150 194×150 6 9 31.2 250×175 244×175 7 11 44.1方钢理论重量表大全28 7.84 6.15 100 100.00 78.50<>热轧轻型槽钢规格理论重量表大全/每米型号h b d t r r1截面面积(cm2) 理论重量(kg/m)5 50 32 4.4 7.0 6.0 2.5 6.16 4.846.5 65 36 4.47.2 6.0 2.5 7.51 5.908 80 40 4.5 7.4 6.5 2.5 8.89 7.0510 100 46 4.5 7.6 7.0 3.0 10.90 8.5912 120 52 4.8 7.8 7.5 3.0 13.30 10.414 140 58 4.9 8.1 8.0 3.0 15.60 12.314a 140 62 4.9 8.7 8.0 3.0 17.00 13.316 160 64 5.0 8.4 8.5 3.5 18.10 14.216a 160 68 5.0 9.0 8.5 3.5 19.50 15.318 180 70 5.1 8.7 9.0 3.5 20.70 16.318a 180 74 5.1 9.3 9.0 3.5 22.20 17.420 200 76 5.2 9.0 9.5 4.0 23.4 18.420a 200 80 5.2 9.7 9.5 4.0 25.2 19.822 220 82 5.4 9.5 10.0 4.0 26.7 21.022a 220 87 5.4 10.2 10.0 4.0 28.8 22.624 240 90 5.6 10.0 10.5 4.0 30.6 24.024a 240 95 5.6 10.7 10.5 4.0 32.9 25.827 270 95 6.0 10.5 11 4.5 35.2 27.730 300 100 6.5 11.0 12 5 40.5 31.833 330 105 7.0 11.7 13 5 46.5 36.5标记举例:普通碳素钢甲类平炉3号沸腾钢180mmX70mmX5.1mm的热轧轻型槽钢的标记为:180mm*70mm*5.1mm花纹铝板理论重量表热轧轻型工字钢理论重量表大全:热轧轻型工字钢规格理论重量表大全/每米型号尺寸(毫米)截面面积(厘米2)理论重量(公斤/米) h b d t10 100 55 4.5 7.2 12.0 9.46 12 120 64 4.8 7.3 14.7 11.5 14 140 73 4.9 7.5 17.4 13.7 16 160 81 5.0 7.8 20.2 15 18 180 90 5.1 8.1 23.4 18.4 18a 180 100 5.1 8.3 25.4 19.9 20 200 100 5.2 8.4 26.8 21.0 20a 200 110 5.2 8.6 28.9 22.7 22 220 110 5.4 8.7 30.6 24.0 22a 220 120 5.4 8.9 32.8 25.8 24 240 115 5.6 9.5 34.8 27.3 24a 240 125 5.6 9.8 37.5 29.4 27 270 125 6.0 9.8 40.2 31.5 27a 270 135 6.0 10.2 43.2 33.9 30 300 135 6.5 10.2 46.5 36.5 30a 300 145 6.5 10.7 49.9 39.2 33 330 140 7.0 11.2 53.8 42.2 36 360 145 7.5 12.3 61.9 48.6 40 400 155 8.0 13.0 71.4 56.145 450 160 8.6 14.2 83.0 65.250 500 170 9.5 15.2 97.8 76.855 550 180 10.3 16.5 114 89.860 600 190 11.1 17.8 132 10465 650 200 12 19.2 153 12070 700 210 13 20.8 176 13870a 700 210 15 24.0 202 15870b 700 210 17.5 28.2 234 184热轧工字钢规格型号表时间:2010-01-15 20:16:41 来源:资料室作者:复制带链接的文本推荐到其它网站→热轧工字钢规格型号表热轧工字钢规格理论重量表大全/每米型号尺寸(毫米)截断面积(厘米2)理论重量(公斤/米)h b d t r10 100 68 4.5 7.6 3.3 14.3 11.2 12.6 126 74 5 8.4 3.5 18.1 14.2 14 140 80 5.5 9.1 3.8 21.5 16.9槽钢理论重量表大全:复制带链接的文本推荐到其它网站→轻型槽钢理论重量表大全<>热轧轻型槽钢规格理论重量表大全/每米型号h b d t r r1截面面积(cm2) 理论重量(kg/m)5 50 32 4.4 7.0 6.0 2.5 6.16 4.846.5 65 36 4.47.2 6.0 2.5 7.51 5.908 80 40 4.5 7.4 6.5 2.5 8.89 7.0510 100 46 4.5 7.6 7.0 3.0 10.90 8.5912 120 52 4.8 7.8 7.5 3.0 13.30 10.414 140 58 4.9 8.1 8.0 3.0 15.60 12.314a 140 62 4.9 8.7 8.0 3.0 17.00 13.316 160 64 5.0 8.4 8.5 3.5 18.10 14.216a 160 68 5.0 9.0 8.5 3.5 19.50 15.318 180 70 5.1 8.7 9.0 3.5 20.70 16.318a 180 74 5.1 9.3 9.0 3.5 22.20 17.420 200 76 5.2 9.0 9.5 4.0 23.4 18.420a 200 80 5.2 9.7 9.5 4.0 25.2 19.822 220 82 5.4 9.5 10.0 4.0 26.7 21.022a 220 87 5.4 10.2 10.0 4.0 28.8 22.624 240 90 5.6 10.0 10.5 4.0 30.6 24.024a 240 95 5.6 10.7 10.5 4.0 32.9 25.8标记举例:普通碳素钢甲类平炉3号沸腾钢180mmX70mmX5.1mm的热轧轻型槽钢的标记为:180mm*70mm*5.1mm•介:常用S型钢、方管、铜管、H型钢、圆钢、方钢、花纹板、扁钢、钢板、槽钢、工字钢、角钢、焊接(镀锌)钢管、冷轧无缝钢管、热轧无缝钢管、常用无缝钢管。
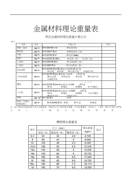
金属材料理论重量表
黑色金属材料理论重量计算公式
表1
注:由于型材在制造过程中有允许偏差值,因此用公式计算的理论重量,与实际重量有一定的出入(误差一般约为0.2~0.7%之间),只能作为估算时的参考。
槽钢理论重量表
圆钢直径和方钢边长及理论重量表表1-1
注:1、表中的理论重量是按钢的密度为7.85计算的。
2、表中带*者不推荐使用。
3、螺纹钢6、7、8、9、10、12、1
4、16、18、20、22、2
5、28、32、3
6、40的理论重量同圆钢的理论重量。
工字钢理论重量
无缝钢管理论重量
注:钢管的理论重量(密度为7.85)按公称尺寸计算,其计算公式为P=0.02466*S(D-S),式中:D为钢管的公称外径(㎜);S为钢管的公称壁厚(㎜)。
花纹钢板理论重量
钢丝绳理论重量
说明:表中前者为6芯钢丝绳,后者为8芯钢丝绳.
等边角钢理论重量
不等边角钢理论重量。
金属材料理论重量表黑色金属材料理论重量计算公式表1名称单位计算公式附注圆钢、盘条㎏/m W=0.006165×d2d=直径(㎜)螺纹钢㎏/m W=0.00617×d2 d=断面直径(㎜)方钢㎏/m W=0.00785×d2d=边宽(㎜)扁钢㎏/m W=0.00785×d×b d=边宽(㎜)b=厚(㎜)六角钢㎏/m W=0.006798×d2d=对边距离(㎜)八角钢㎏/m W=0.0065×d2d=对边距离(㎜)等边角钢㎏/m W=0.00785×[d×(2b-d)+0.215(R2-2r2)]b=边宽d=边厚R=内弧半径r=端弧半径不等边角钢㎏/m W=0.00785×[d(B+b-d)+ 0.215(R2-2r2)]B=长边宽b=短边宽d=边厚R=内弧半径r=端弧半径槽钢㎏/m W=0.00785×[hd+2t(b-d)+ 0.349(R2-r2)]H=高b=腿长d=腰厚t=平均腿长R=内弧半径r=端弧半径工字钢㎏/m W=0.00785×[hd+2t(b-d)+ 0.8584(R2-r2)] H=高b=腿长d=腰厚t=平均腿长R=内弧半径r=端弧半径钢板㎏/㎡W=7.85×b b=厚钢管(无缝及焊接钢管)㎏/m W=0.02466×S(D-S)D=外径S=壁厚注:由于型材在制造过程中有允许偏差值,因此用公式计算的理论重量,与实际重量有一定的出入(误差一般约为0.2~0.7%之间),只能作为估算时的参考。
槽钢理论重量表型号尺寸(mm)理论重量(kg/m)备注高度(h)腿宽度(b)腰厚度(d)6.3 63 40 4.8 6.709 8 80 43 5 8.045 10 100 48 5.3 10.007 12.6 126 53 5.5 12.318 14a 140 58 6 14.535 14b 140 60 8 16.733 16a 160 63 6.5 17.240 16 160 658.5 19.752 18a 180 68 7.0 20.174 18 180 70 9.0 23.00020a 200 73 7 22.63720 200 75 9 25.77722a 220 77 7 24.99922 220 79 9 28.45324a 240 78 7.0 26.86024b 240 80 9.0 30.62824c 240 82 11.0 34.39625a 250 80 7 27.41025b 250 82 9 31.33525c 250 82 11 35.26027a 270 82 7.5 30.83827b 270 84 9.5 35.07727c 270 86 11.5 39.31628a 280 82 7.5 31.42728b 280 84 9.5 35.82328c 280 86 11.5 40.21930a 300 85 7.5 34.46330b 300 87 9.5 39.17330c 300 89 11.5 43.88332a 320 88 8 38.08332b 320 90 10 43.10732c 320 92 12 48.13136a 360 96 9 47.81436b 360 98 11 53.46636c 360 100 13 59.11840a 400 100 10.5 58.92840b 400 102 12.5 65.20840c 400 104 14.5 71.488圆钢直径和方钢边长及理论重量表表1-1圆钢直径d 方钢边长a (㎜)理论重量(㎏/m)圆钢直径d方钢边长a(㎜)理论重量(㎏/m)圆钢直径d方钢边长a(㎜)理论重量(㎏/m)圆钢方钢圆钢方钢圆钢方钢5.5 0.186 0.237 *27 4.49 5.72 *68 28.51 36.306 0.222 0.238 28 4.83 6.15 70 30.21 38.476.5 0.260 0.332 *29 5.18 6.60 75 34.86 44.167 0.302 0.385 30 5.55 7.06 80 39.46 50.248 0.395 0.502 *31 5.93 7.54 85 44.55 56.729 0.499 0.636 32 6.31 8.04 90 49.94 63.5910 0.617 0.785 *33 6.71 8.55 95 55.64 70.85 *11 0.746 0.950 34 7.13 9.07 100 61.65 78.5012 0.888 1.13 *35 7.55 9.62 105 68.97 86.5013 1.043 1.33 36 36 36 110 74.60 95.0014 1.209 1.54 38 8.90 11.24 115 81.5 10415 1.388 1.77 40 9.87 12.56 120 88.78 11316 1.58 2.01 42 10.87 13.85 125 96.33 12317 1.783 2.27 45 12.48 15.90 130 104.20 13318 1.999 2.54 48 14.21 18.09 140 120.84 15419 2.227 2.82 50 15.42 19.63 150 138.72 17720 2.468 3.14 53 17.30 22.10 160 157.83 20121 2.72 3.46 *55 18.65 23.75 170 178.18 22722 2.984 3.80 *56 19.33 24.61 180 200.00 254 *23 3.26 4.15 *58 20.74 26.41 190 223.00 28324 3.55 4.52 60 22.19 28.26 200 247.00 31425 3.85 4.91 63 24.47 31.16 220 298.40 -26 4.17 5.30 *65 26.05 33.17 250 385.34 -注:1、表中的理论重量是按钢的密度为7.85计算的。
金属材料理论重量表黑色金属材料理论重量计算公式表1名称单位计算公式附注圆钢、盘条㎏/m W=0.006165×d2d=直径(㎜)螺纹钢㎏/m W=0.00617×d2 d=断面直径(㎜)方钢㎏/m W=0.00785×d2d=边宽(㎜)扁钢㎏/m W=0.00785×d×b d=边宽(㎜)b=厚(㎜)六角钢㎏/m W=0.006798×d2d=对边距离(㎜)八角钢㎏/m W=0.0065×d2d=对边距离(㎜)等边角钢㎏/m W=0.00785×[d×(2b-d)+0.215(R2-2r2)] b=边宽d=边厚R=内弧半径r=端弧半径不等边角钢㎏/m W=0.00785×[d(B+b-d)+ 0.215(R2-2r2)]B=长边宽b=短边宽d=边厚R=内弧半径r=端弧半径槽钢㎏/m W=0.00785×[hd+2t(b-d)+ 0.349(R2-r2)]H=高b=腿长d=腰厚t=平均腿长R=内弧半径r=端弧半径工字钢㎏/m W=0.00785×[hd+2t(b-d)+ 0.8584(R2-r2)]H=高b=腿长d=腰厚t=平均腿长R=内弧半径r=端弧半径钢板㎏/㎡W=7.85×b b=厚钢管(无缝及焊接钢管)㎏/m W=0.02466×S(D-S)D=外径S=壁厚注:由于型材在制造过程中有允许偏差值,因此用公式计算的理论重量,与实际重量有一定的出入(误差一般约为0.2~0.7%之间),只能作为估算时的参考。
槽钢理论重量表型号尺寸(mm)理论重量(kg/m)备注高度(h)腿宽度(b)腰厚度(d)6.3 63 40 4.8 6.709 8 80 43 5 8.045 10 100 48 5.3 10.007 12.6 126 53 5.5 12.318 14a 140 58 6 14.535 14b 140 60 8 16.733 16a 160 63 6.5 17.240 16 160 658.5 19.752 18a 180 68 7.0 20.174 18 180 70 9.0 23.00020a 200 73 7 22.63720 200 75 9 25.77722a 220 77 7 24.99922 220 79 9 28.45324a 240 78 7.0 26.86024b 240 80 9.0 30.62824c 240 82 11.0 34.39625a 250 80 7 27.41025b 250 82 9 31.33525c 250 82 11 35.26027a 270 82 7.5 30.83827b 270 84 9.5 35.07727c 270 86 11.5 39.31628a 280 82 7.5 31.42728b 280 84 9.5 35.82328c 280 86 11.5 40.21930a 300 85 7.5 34.46330b 300 87 9.5 39.17330c 300 89 11.5 43.88332a 320 88 8 38.08332b 320 90 10 43.10732c 320 92 12 48.13136a 360 96 9 47.81436b 360 98 11 53.46636c 360 100 13 59.11840a 400 100 10.5 58.92840b 400 102 12.5 65.20840c 400 104 14.5 71.488圆钢直径和方钢边长及理论重量表表1-1圆钢直径d 方钢边长a (㎜)理论重量(㎏/m)圆钢直径d方钢边长a(㎜)理论重量(㎏/m)圆钢直径d方钢边长a(㎜)理论重量(㎏/m)圆钢方钢圆钢方钢圆钢方钢5.5 0.186 0.237 *27 4.49 5.72 *68 28.51 36.306 0.222 0.238 28 4.83 6.15 70 30.21 38.476.5 0.260 0.332 *29 5.18 6.60 75 34.86 44.167 0.302 0.385 30 5.55 7.06 80 39.46 50.248 0.395 0.502 *31 5.93 7.54 85 44.55 56.729 0.499 0.636 32 6.31 8.04 90 49.94 63.5910 0.617 0.785 *33 6.71 8.55 95 55.64 70.85*11 0.746 0.950 34 7.13 9.07 100 61.65 78.5012 0.888 1.13 *35 7.55 9.62 105 68.97 86.5013 1.043 1.33 36 36 36 110 74.60 95.0014 1.209 1.54 38 8.90 11.24 115 81.5 10415 1.388 1.77 40 9.87 12.56 120 88.78 11316 1.58 2.01 42 10.87 13.85 125 96.33 12317 1.783 2.27 45 12.48 15.90 130 104.20 13318 1.999 2.54 48 14.21 18.09 140 120.84 15419 2.227 2.82 50 15.42 19.63 150 138.72 17720 2.468 3.14 53 17.30 22.10 160 157.83 20121 2.72 3.46 *55 18.65 23.75 170 178.18 22722 2.984 3.80 *56 19.33 24.61 180 200.00 254*23 3.26 4.15 *58 20.74 26.41 190 223.00 28324 3.55 4.52 60 22.19 28.26 200 247.00 31425 3.85 4.91 63 24.47 31.16 220 298.40 -26 4.17 5.30 *65 26.05 33.17 250 385.34 - 注:1、表中的理论重量是按钢的密度为7.85计算的。
金属材料理论重量表
黑色金属材料理论重量计算公式
表1
注:由于型材在制造过程中有允许偏差值,因此用公式计算的理论重量,与实际重量有一定的出入(误差一般约为0.2~0.7%之间),只能作为估算时的参考。
槽钢理论重量表
圆钢直径和方钢边长及理论重量表表1-1
2、表中带*者不推荐使用。
3、螺纹钢6、7、8、9、10、12、1
4、16、18、20、22、2
5、28、32、3
6、40的理论重量同
圆钢的理论重量。
工字钢理论重量
无缝钢管理论重量
D 为钢管的公称外径(㎜);S 为钢管的公称壁厚(㎜)。
花纹钢板理论重量
钢丝绳理论重量
等边角钢理论重量
不等边角钢理论重量。
金属材料理论重量表
黑色金属材料理论重量计算公式
表1
注:由于型材在制造过程中有允许偏差值,因此用公式计算的理论重量,与实际重量有一定的出入(误差一般约为0.2〜0.7%之间),只能作为估算时的参考。
槽钢理论重量表
圆钢直径和方钢边长及理论重量表
注:1、表中的理论重量是按钢的密度为7.85计算的。
2、表中带*者不推荐使用。
3、螺纹钢6、7、8、9、10、12、1
4、16、18、20、22、2
5、28、32、3
6、40 的理论重量同
圆钢的理论重量
工字钢理论重量
无缝钢管理论重量
注:钢管的理论重量(密度为7.85)按公称尺寸计算,其计算公式为 P=0.02466*S (D-S ),式中: D
为钢管的公称外径(伽);S
为钢管的公称壁厚(伽)。
花纹钢板理论重量
钢丝绳理论重量
说明:表中前者为6芯钢丝绳,后者为8芯钢丝绳.
等边角钢理论重量
不等边角钢理论重量。
金属材料理论重量表
黑色金属材料理论重量计算公式
表1
注:由于型材在制造过程中有允许偏差值,因此用公式计算的理论重量,与实际重量有一定的出入(误差一般约为~%之间),只能作为估算时的参考。
槽钢理论重量表
圆钢直径和方钢边长及理论重量表表1-1
2、表中带*者不推荐使用。
3、螺纹钢6、7、8、9、10、12、1
4、16、18、20、22、2
5、28、32、3
6、40的理论重量同
圆钢的理论重量。
工字钢理论重量
无缝钢管理论重量
公称外径(㎜);S 为钢管的公称壁厚(㎜)。
花纹钢板理论重量
钢丝绳理论重量
等边角钢理论重量
不等边角钢理论重量。
金属材料理论重量表
黑色金属材料理论重量计算公式
表1
注:由于型材在制造过程中有允许偏差值,因此用公式计算的理论重量,与实际重量有一定的出入(误差一般约为0.2~0.7%之间),只能作为估算时的参考。
槽钢理论重量表
圆钢直径和方钢边长及理论重量表表1-1
2、表中带*者不推荐使用。
3、螺纹钢6、7、8、9、10、12、1
4、16、18、20、22、2
5、28、32、3
6、40的理论重量同
圆钢的理论重量。
工字钢理论重量
无缝钢管理论重量
D 为钢管的公称外径(㎜);S 为钢管的公称壁厚(㎜)。
花纹钢板理论重量
钢丝绳理论重量
等边角钢理论重量
不等边角钢理论重量。