midas Civil荷载和边界条件
- 格式:docx
- 大小:100.24 KB
- 文档页数:2
第五章“荷载”中的常见问题 (2)5.1 为什么自重要定义为施工阶段荷载? (2)5.2 “支座沉降组”与“支座强制位移”的区别? (2)5.3 如何定义沿梁全长布置的梯形荷载? (3)5.4 如何对弯梁定义径向荷载? (4)5.5 如何定义侧向水压力荷载? (5)5.6 如何定义作用在实体表面任意位置的平面荷载? (6)5.7 如何按照04公路规范定义温度梯度荷载? (7)5.8 定义“钢束布置形状”时,直线、曲线、单元的区别? (8)5.9 如何考虑预应力结构管道注浆? (8)5.10 为什么预应力钢束采用“2-D输入”与“3-D输入”的计算结果有差别? (9)5.11 “几何刚度初始荷载”与“初始单元内力”的区别? (10)5.12 定义索单元时输入的初拉力与预应力荷载里的初拉力的区别? (11)5.13 为什么定义“反应谱荷载工况”时输入的周期折减系数对自振周期计算结果没有影响? (11)5.14 定义“反应谱函数”时,最大值的含义? (12)5.15 为什么定义“节点动力荷载”时找不到已定义的时程函数? (12)5.16 如何考虑移动荷载横向分布系数? (14)5.17 为什么按照04公路规范自定义人群荷载时,分布宽度不起作用? (14)5.18 定义车道时,“桥梁跨度”的含义? (15)5.19 如何定义曲线车道? (15)5.20 定义“移动荷载工况”时,单独与组合的区别? (15)5.21 定义移动荷载子荷载工况时,“系数”的含义? (16)5.22 为什么定义车道面时,提示“车道面数据错误”? (16)5.23 “结构组激活材龄”与“时间荷载”的区别? (17)5.24 施工阶段定义时,边界组激活选择“变形前”与“变形后”的区别? (17)5.25 定义施工阶段联合截面时,截面位置参数“Cz”和“Cy”的含义? (17)第五章“荷载”中的常见问题5.1为什么自重要定义为施工阶段荷载?具体问题一次落架桥梁,没有施工阶段划分,自重还需定义为施工阶段荷载吗?施工阶段荷载和其他荷载类型有什么区别?相关命令荷载〉静力荷载工况...问题解答如果不进行施工阶段分析,那么自重的荷载类型应选择“恒荷载”。
midas Civil 基本操作——by 石头歌一、材料定义三种定义材料的方法:1、导入数据库中的材料性能参数2、用户自定义【材料和截面】对话框——【添加】——【设计类型】选择【用户定义】,输入【名称】和【用户定义】中的材料性能参数,【确认】。
3、导入其它模型中的材料性能参数【材料和截面】对话框——【导入】,打开其它模型,从【选择列表】中选择不导入的材料,输回到【材料列表】,【编号类型】选择【新号码】以避免覆盖已存在的材料,点击【确认】。
二、时间依存材料定义时间依存材料是英文说法的直译,在国内就是指混凝土的收缩徐变特性,在其他国家还包含混凝土抗压强度随时间变化的特性。
1、徐变和收缩在这里,先介绍混凝土收缩徐变特性的定义方法。
三个步骤:(1)定义收缩徐变函数【特性】——【时间依存性材料】——【徐变/收缩】——【时间依存性材料(徐变和收缩)】对话框——【添加】,输入【名称】,选择【设计规范】,例如选择【China (JTG D62-2004)】,输入各参数,【确认】。
注意:【构件理论厚度】可暂时输入一个正数值,以后在利用软件的自动计算功能进行修改;【水泥种类系数】规范中只给出一个值,一般的硅酸盐水泥或快硬水泥取 5 。
国外相关论文对该系数的解释:与水泥种类有关的系数,对于慢硬水泥(SL)取4;对于普通水泥(N)和快硬水泥(R)取5;对于快硬高强水泥(RS)取8。
用户也可以自定义混凝土的收缩徐变函数:【特性】——【时间依存性材料】——【用户定义】。
用户自定义混凝土收缩徐变函数很少使用,所以不再介绍。
(2)将定义好的收缩徐变函数与材料相连接【特性】——【时间依存性材料】——【材料连接】,选择【徐变和收缩】名称,【选择指定的材料】,点击【添加/编辑】。
(3)修改单元依存材料特性【特性】——【时间依存性材料】——【修改特性】,选中要修改的单元,选择要修改的参数,例如,选择【构件的理论厚度】,采用【自动计算】,选择【中国标准】,输入参数【a】,【适用】。
midas时程荷载工况中几个选项的说明时程荷载工况中几个选项的说明动力方程式如下:在做时程分析时,所有选项的设置都与动力方程中各项的构成和方程的求解方法有关,所以在学习时程分析时,应时刻联想动力方程的构成,这样有助于理解各选项的设置。
另外,正如哲学家所言:运动是绝对的,静止是相对的。
静力分析方程同样可由动力方程中简化(去掉加速度、速度项,位移项和荷载项去掉时间参数)。
0.几个概念自由振动: 指动力方程中P(t)=0的情况。
P(t)不为零时的振动为强迫振动。
无阻尼振动: 指[C]=0的情况。
无阻尼自由振动: 指[C]=0且P(t)=0的情况。
无阻尼自由振动方程就是特征值分析方程。
简谐荷载: P(t)可用简谐函数表示,简谐荷载作用下的振动为简谐振动。
非简谐周期荷载: P(t)为周期性荷载,但是无法用简谐函数表示,如动水压力。
任意荷载: P(t)为随机荷载(无规律),如地震作用。
随机荷载作用下的振动为随机振动。
冲击荷载: P(t)的大小在短时间内急剧加大或减小,冲击后结构将处于自由振动状态。
1.关于分析类型选项目前有线性和非线性两个选项。
该选项将直接影响分析过程中结构刚度矩阵的构成。
非线性选项一般用于定义了非弹性铰的动力弹塑性分析和在一般连接中定义了非线性连接(非线性边界)的结构动力分析中。
当定义了非弹性铰或在一般连接中定义了非线性连接(非线性边界),但是在时程分析工况对话框中的分析类型中选择了“线性”时,动力分析中将不考虑非弹性铰或非线性连接的非线性特点,仅取其特性中的线性特征部分进行分析。
只受压(或只受拉)单元、只受压(或只受拉)边界在动力分析中将转换为既能受压也能受拉的单元或边界进行分析。
如果要考虑只受压(或只受拉)单元、只受压(或只受拉)边界的非线性特征进行动力分析应该使用边界条件>一般连接中的间隙和钩来模拟。
2.关于分析方法选项目前有振型叠加法、直接积分法、静力法三个选项。
这三个选项是指解动力方程的方法。
1、如何利用板单元建立变截面连续梁(连续刚构)的模型建立模型后如何输入预应力钢束?使用板单元建立连续刚构(变截面的方法)可简单说明如下:1)首先建立抛物线(变截面下翼缘) ;2)使用单元扩展功能由直线扩展成板单元,扩展时选择投影,投影到上翼缘处。
;3)在上翼缘处建立一直线梁(扩展过渡用),然后分别向横向中间及外悬挑边缘扩展成板单元;4)使用单元镜像功能横向镜像另一半;5) 为了观察方便,在单元命令中使用修改单元参数功能中的修改单元坐标轴选项,将板单元的单元坐标轴统一起来。
在板单元或实体块单元上加预应力钢束的方法,目前设计人员普遍采用加虚拟桁架单元的方法,即用桁架单元模拟钢束,然后给桁架单元以一定的温降,从而达到加除应力的效果。
温降的幅度要考虑预应力损失后的张力。
这种方法不能真实模拟沿钢束长度方向的预应力损失量,但由于目前很多软件不能提供在板单元或块单元上可以考虑六种预应力损失的钢束,所以目前很多设计人员普遍在采用这种简化分析方法。
MIDAS目前正在开发在板单元和块单元上加可以考虑六种预应力损失的钢束的模块,以满足用户分析与设计的要求。
2、如果梁与梁之间是通过翼板绞接,Midas/Civil应如何建模模拟梁翼板之间的绞接?可以在主梁之间隔一定间距用横向虚拟梁连接,并且将横向虚拟梁的两端的弯矩约束释放。
此类问题关键在于横向虚拟梁的刚度取值。
可参考有关书籍,推荐写的"Bridge deck behaviour",该书对梁格法有较为详尽的叙述。
3、如果梁与梁之间是通过翼板绞接,Midas/Civil应如何建模模拟梁翼板之间的绞接可否自己编辑截面形式可以在定义截面对话框中点击"数值"表单,然后输入您自定义的截面的各种数据。
您也可以在工具>截面特性值计算器中画出您的截面,然后生成一个截面名称,程序会计算出相应截面的特性值。
您也可以从CAD中导入截面(比如单线条的箱型截面,然后在截面特性值计算器中赋予线宽代表板宽)。
Midas各种边界条件比较Midas的提供的边界条件非常多,而且各有用途,初学Midas的朋友们都想看看到底不同边界条件之间有什么区别,下面在Midas帮助文件选取下来的,只是作一个比较,各种边界条件的具体使用参照MIDAS帮助文件。
1.定义一般弹性支承类型SDx-SDy整体坐标系X轴方向和Y轴方向(或已定义的节点局部坐标系x方向和y方向)的相关弹性支承刚度。
注一般弹性支承通常用于反映桩的支承刚度,结构分析时可以考虑与各个自由度有关的桩支承刚度。
在典型的建筑结构中,分析模型不包括桩基础。
而是假定在基础底面或桩帽处存在弹性边界。
下面的通用刚度给出了桩单元的实际刚度。
对斜桩,用节点局部坐标轴计算斜向的刚度。
2.一般弹性支承分配定义的一般弹性支撑类型,或输入节点通用刚度矩阵(6×6)。
其中包括选定的节点在整体坐标系或节点局部坐标系内各自由度之间相关的刚度,也可以替换或删除先前定义的弹性支承刚度SDxSDySDzSRxSRySRz注在一般弹性支承类型对话框中,上述6个弹性支承刚度值只表示6 x 6阶刚度矩阵中的6个对角线刚度值。
实际分配给节点的刚度值为6 x 6阶刚度。
3.面弹性支承输入平面或实体单元单位支承面上的弹簧刚度形成弹性支承。
并可同时形成弹性连接的单元。
该功能主要用于在基础或地下结构分析中考虑地基的弹性支承条件。
弹性连接长度:弹性连接单元的长度。
该数据对分析结果没有影响,只是为在分析中定义一个内部矢量。
只受拉,只受压:选中选项指定弹性连接为只受拉或只受压单元。
4.弹性连接形成或删除弹性连接。
由用户定义弹性连接及其弹性连接的两个节点。
SDxSDySDzSRxSRySRz。
5.一般连接特性值建立、修改或删除非线性连接的特性值。
一般连接功能应用于建立减隔振装置、只受拉/受压单元、塑性铰、弹性支撑等模型。
一般连接可利用弹簧的特性,赋予线性或非线性的特性。
一般连接的作用类型分为单元类型和内力类型。
MIDASCivil 使用中的一些常见问题.定义移动荷载的步骤a.在主菜单的荷载>移动荷载分析数据>车辆中选择标准车辆或自定义车辆。
b.对于人群移动荷载,按用户定义方式中的汽车类型中的车道荷载定义成线荷载加载(如将规范中的荷载0.5tonf/m**2乘以车道宽3m,输入1.5tonf/m)。
c.布置车道或车道面(梁单元模型选择定义车道,板单元模型选择定义车道面),人群荷载的步行道也应定义为一个车道或车道面。
d.定义车辆组。
该项为选项,仅用于不同车道允许加载不同车辆荷载的特殊情况中。
e.定义移动荷载工况。
例如可将车道荷载定义为工况-1,车辆荷载定义为工况-2。
在定义移动荷载工况对话框中的子荷载工况中,需要定义各车辆要加载的车道。
例如: 用户定义了8个车道,其中4个为左侧偏载、4个为右侧偏载,此时可定义两个子荷载工况,并选择“单独”,表示分别单独计算,程序自动找出最大值。
在定义子荷载工况时,如果在“可以加载的最少车道数”和“可以加载的最大车道数”中分别输入1和4,则表示分别计算1、2、3、4种横向车辆布置的情况(15种情况)。
布置车辆选择车道时,不能包含前面定义的人群的步行道。
f. 定义移动荷载工况时,如果有必要将人群移动荷载与车辆的移动荷载进行组合时,需要在定义移动荷载工况对话框中的子荷载工况中,分别定义人群移动荷载子荷载工况(只能选择步道)和车辆的移动荷载子荷载工况,然后选择“组合”。
2.关于移动荷载中车道和车道面的定义A.当使用板单元建立模型时a. 程序对城市桥梁的车道荷载及人群荷载默认为做影响面分析,其他荷载(公路荷载和铁路荷载)做影响线分析。
b. 只能使用车道面定义车的行走路线。
对于城市桥梁的车道荷载及人群荷载以外的荷载,输入的车道面宽度不起作用,按线荷载或集中荷载加载在车道上。
c. 对于城市桥梁的车道荷载及人群荷载,在程序内部,自动将输入的荷载除以在”车道面”中定义的车道宽后,按面荷载加载在车道上。
MIDAS/Civil不仅为用户提供了一般的约束边界,而且为用户提供了弹性支撑单元、只受压单元和只受拉单元等各种非线性边界单元。
在建立与地基直接接触的结构物的边界条件时(如筏式基础或隧道等),面弹性支撑首先计算出板单元或实体单元的有效接触面积和地基反力系数,然后程序将自动计算出等效的弹性支撑刚度。
在建立桥梁模型时,用弹性连接模拟桥梁支座并给出支撑方向的刚度值,程序将自动计算出各支座的反力。
释放板端约束与释放梁端约束一样可以释放单元的约束条件。
局部坐标轴一般用于输入倾斜的边界,这样可以输出局部坐标系方向的支座反力。
有扩幅段的弯桥的倾斜边界示意图将箱型钢桥梁的主梁和桥墩用刚性连接单元连接成一体有紧急出口的隧道护壁模型和自动生成的等效Soil Spring示意图财务管理工作总结[财务管理工作总结]2009年上半年,我们驻厂财会组在公司计财部的正确领导下,在厂各部门的大力配合下,全组人员尽“参与、监督、服务”职能,以实现企业生产经营目标为核心,以成本管理为重点,全面落实预算管理,加强会计基础工作,充分发挥财务管理在企业管理中的核心作用,较好地完成了各项工作任务,财务管理水平有了大幅度的提高,财务管理工作总结。
现将二00九年上半年财务工作开展情况汇报如下:一、主要指标完成情况:1、产量90万吨,实现利润1000万元(按外销口径)2、工序成本降低任务:上半年工序成本累计超支1120万元,(受产量影响)。
二、开展以下几方面工作:1、加强思想政治学习,用学习指导工作2009年是转变之年,财务的工作重心由核算向管理转变,全面参与生产经营决策。
对财会组来说,工作重心从确认、核算、报表向预测、控制、分析等管理职能转变,我们就要不断的加强政治学习,用学习指导工作,因此我们组织全组认真学习“十七大”、学习2009年马总的《财务报告》,在学习实践科学发展观活动中,反思过去,制定了2009年工作目标,使我们工作明确了方向,心里也就有了底,干起活来也就随心应手。
Midas各种边界条件比较Midas 各种边界条件比较Midas 的提供的边界条件非常多,而且各有用途,初学看看到底不同边界条件之间有什么区别,下面在只是作一个比较,各种边界条件的具体使用参照 1. 定义一般弹性支承类型SDx-SDy整体坐标系X 轴方向和Y 轴方向(或已定义的节点局部坐标系x 方向和y 方向 )的相关弹性支承刚度。
一般弹性支承通常用于反映桩的支承刚度,结构分析时可以考虑与各个自由度有关的桩支承刚度。
在典型的建筑结构中,分析模型不包括桩基础。
而是假定在基础底面或桩帽处存在弹性边界。
下面的通用刚度给出了桩单元的实际刚度。
对斜桩,用节点局部坐标轴计算斜向的刚度。
2. 一般弹性支承分配定义的一般弹性支撑类型,或输入节点通用刚度矩阵(6 X 6)其中包括选定的节点在整体坐标系或节点局部坐标系内各自由度之间相关的刚度,也可以替换或删除先前定义的弹性支承刚度 SDxSDySDzSRxSRySRz在一般弹性支承类型对话框中,上述6个弹性支承刚度值只表示6 x 6阶刚度矩阵中的 6 个对角线刚度值。
实际分配给节点的刚度值为6 x 6阶刚度。
3. 面弹性支承Midas 的朋友们都想Midas 帮助文件选取下来的, MIDAS 帮助文件。
输入平面或实体单元单位支承面上的弹簧刚度形成弹性支承。
并可同时形成弹性连接的单元。
该功能主要用于在基础或地下结构分析中考虑地基的弹性支承条件。
弹性连接长度:弹性连接单元的长度。
该数据对分析结果没有影响,只是为在分析中定义一个内部矢量。
只受拉,只受压:选中选项指定弹性连接为只受拉或只受压单元。
4. 弹性连接形成或删除弹性连接。
由用户定义弹性连接及其弹性连接的两个节点。
SDxSDySDzSRxSRyS Rz5. 一般连接特性值建立、修改或删除非线性连接的特性值。
一般连接功能应用于建立减隔振装置、只受拉/ 受压单元、塑性铰、弹性支撑等模型。
一般连接可利用弹簧的特性,赋予线性或非线性的特性。
06-定义边界条件MIDAS/Civil 里包含多种边界表现形式。
这里介绍的比较常用的一般支撑、 节点弹性支 撑、面弹性支撑、刚性连接等边界条件的定义方法。
一般支撑是应用最广的边界条件, 选择要施加一般支撑的节点,选择约束自由度方向即 完成一般支撑的定义。
节点弹性支撑的定义方法同一般支撑, 不同的是在定义约束的自由度 方向要输入约束刚度。
的连接条件时应用比较广。
需要输入的参数地基弹 性模量,这个可以在地质勘查报告中查得。
示为面弹性支撑定义对话框。
对于弹性连接和刚性连接涉及的都是两个节点间的连接情况。
对于弹性连接选择连接的自由度方向和该方向的刚度参数就可以了, 弹性连接的方向是按照连接的两个节点间的局部坐标系方向来h -Atf x CsA HJ i ElTfetU w- Pf td per HyJc ks :!讷訥J L K oFSu&id*条訥讪单三撻型 I 磯川八一叫■•实儒面) 均绘押d 丄审.巫— 卫=5刃竝渤卫誤Ki : |0 Kv ; [0输入基床 系数2)!冈『性连接是强制从属节点的某些 J (如图一 ....... ............世肆追S 旃默认值22 ...自由度从属于主节点(如图 3所示)。
定义的 <•痣別 圭苹点 主衣占寻指占 八、、 的7 DX厂UZRXNode :PldieXY *KDX VRI定主节 ,与选择从属节 建立刚 连接。
图1面弹性支撑定义旨礎亞奄口占 八、、 性 面弹性支撑不仅可以针对板单元来定义弹性支撑条件,而且可以对梁单元、实体单元来定义面弹性支撑。
这种支撑条件在模拟结构与土体SE-SW。
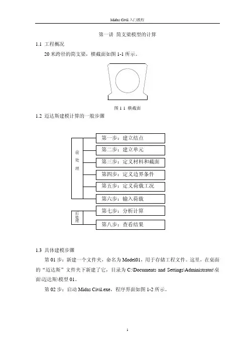
第一讲 简支梁模型的计算1.1 工程概况20米跨径的简支梁,横截面如图1-1所示。
图1-1 横截面1.2 迈达斯建模计算的一般步骤 后处理理处前第五步:定义荷载工况第八步:查看结果第七步:分析计算第六步:输入荷载第四步:定义边界条件第三步:定义材料和截面第二步:建立单元第一步:建立结点1.3 具体建模步骤第01步:新建一个文件夹,命名为Model01,用于存储工程文件。
这里,在桌面的“迈达斯”文件夹下新建了它,目录为C:\Documents and Settings\Administrator\桌面\迈达斯\模型01。
第02步:启动Midas Civil.exe ,程序界面如图1-2所示。
第03步:选择菜单“文件(F)->新项目(N)”新建一个工程,如图1-3所示。
图1-3 新建工程第04步:选择菜单“文件(F)->保存(S)”,选择目录C:\Documents andSettings\Administrator\桌面\迈达斯\模型01,输入工程名“简支梁.mcb”。
如图1-4所示。
图1-4 保存工程第05步:打开工程目录C:\Documents and Settings\Administrator\桌面\迈达斯\模型01,新建一个excel文件,命名为“结点坐标”。
在excel里面输入结点的x,y,z 坐标值。
如图1-5所示。
图1-5 结点数据第06步:选择树形菜单表格按钮“表格->结构表格->节点”,将excel里面的数据拷贝到节点表格,并“ctrl+s”保存。
如图1-6所示。
图1-6 建立节点第07步:打开工程目录C:\Documents and Settings\Administrator\桌面\迈达斯\模型01,再新建一个excel文件,命名为“单元”。
在excel里面输入单元结点号。
如图1-6所示。
图1-6 单元节点第08步:选择树形菜单表格按钮“表格->结构表格->单元”,将excel里面的数据拷贝到单元表格的“节点1、节点2”列,并“ctrl+s”保存。
目录“文件”相关问题 (1)1.1 如何方便地实现对施工阶段模型的数据文件的检查? (1)1.2 如何导入CAD图形文件? (2)1.3 如何将几个模型文件合并成一个模型文件? (3)1.4 如何将模型窗口显示的内容保存为图形文件? (5)“编辑”相关问题 (6)2.1 如何实现一次撤销多步操作? (6)“视图”相关问题 (7)3.1 如何方便地检查平面模型中相交单元是否共节点? (7)3.2 为什么板单元消隐后不能显示厚度? (8)3.3 如何在模型窗口中显示施加在结构上的荷载? (9)3.4 如何修改模型窗口背景颜色? (11)3.5 如何修改内力结果图形中数值显示的字体大小和颜色? (12)“模型”相关问题 (15)4.1 如何进行二维平面分析? (15)4.2 如何修改重力加速度值? (15)4.3 使用“悬索桥建模助手”时,如何建立中跨跨中没有吊杆的情况? (16)4.4 使用“悬臂法桥梁建模助手”时,如何定义不等高桥墩? (16)4.5 程序中的标准截面,为什么消隐后不能显示形状? (17)4.6 如何复制单元时同时复制荷载? (17)4.7 复制单元时,单元的结构组信息能否同时被复制? (18)4.8 薄板单元与厚板单元的区别? (18)4.9 如何定义索单元的几何初始刚度? (19)4.10 索单元输入的初拉力是i端或j端的切向拉力吗? (20)4.11 如何考虑组合截面中混凝土的收缩徐变? (20)4.12 定义收缩徐变函数时的材龄与定义施工阶段时激活材龄的区别? (21)4.13 如何自定义混凝土强度发展函数? (21)4.14 如何定义变截面梁? (22)4.15 使用“变截面组”时,如何查看各个单元截面特性值? (23)4.16 如何定义鱼腹形截面? (24)4.17 如何定义设计用矩形截面? (24)4.18 如何输入不同间距的箍筋? (25)4.19 定义联合截面时,“梁数量”的含义? (26)4.20 如何定义哑铃形钢管混凝土截面? (26)4.21 导入mct格式截面数据时,如何避免覆盖已有截面? (27)4.22 如何定义“设计用数值型截面”的各参数? (29)4.23 如何考虑横、竖向预应力钢筋的作用? (30)4.24 板单元“面内厚度”与“面外厚度”的区别? (31)4.25 定义“塑性材料”与定义“非弹性铰”的区别? (32)4.26 定义“非弹性铰”时,为什么提示“项目:不能同时使用的材料、截面和构件类型”? (32)4.27 为什么“非弹性铰特性值”不能执行自动计算? (33)4.28 为什么“非弹性铰特性值”自动计算的结果P1〉P2? (34)4.29 程序中有多处可定义“阻尼比”,都适用于哪种情况? (34)4.30 如何定义弯桥支座? (37)4.31 如何快速定义多个支承点的只受压弹性连接? (37)4.32 如何模拟满堂支架? (38)4.33 如何连接实体单元和板单元? (38)4.34 如何模拟桩基础与土之间的相互作用? (39)4.35 梁格法建模时,如何模拟湿接缝? (39)4.36 为什么用“弹性连接”模拟支座时,运行分析产生了奇异? (40)4.37 为什么两层桥面之间用桁架单元来连接后,运行分析产生奇异? (41)4.38 “梁端刚域”与“刚域效果”的区别? (41)4.39 为什么定义梁端刚域后,梁截面偏心自动恢复到中心位置? 424.40 为什么“只受压弹性连接”不能用于移动荷载分析? (42)4.41 为什么“刚性连接”在施工阶段中不能钝化? (43)4.42 如何考虑PSC箱梁的有效宽度? (43)4.43 为什么只考虑节点质量进行“特征值分析”时,程序提示“ERROR”? (44)4.44 如何删除重复单元? (45)“荷载”相关问题 (46)5.1 为什么自重要定义为施工阶段荷载? (46)5.2 “支座沉降组”与“支座强制位移”的区别? (46)5.3 如何定义沿梁全长布置的梯形荷载? (47)5.4 如何对弯梁定义径向荷载? (48)5.5 如何定义侧向水压力荷载? (49)5.6 如何定义作用在实体表面任意位置的平面荷载? (50)5.7 如何按照04公路规范定义温度梯度荷载? (52)5.8 定义“钢束布置形状”时,直线、曲线、单元的区别? (52)5.9 如何考虑预应力结构管道注浆? (53)5.10 为什么预应力钢束采用“2-D输入”与“3-D输入”的计算结果有差别? (54)5.11 “几何刚度初始荷载”与“初始单元内力”的区别? (54)5.12 定义索单元时输入的初拉力与预应力荷载里的初拉力的区别? (55)5.13 为什么定义“反应谱荷载工况”时输入的周期折减系数对自振周期计算结果没有影响? (56)5.14 定义“反应谱函数”时,最大值的含义? (57)5.15 为什么定义“节点动力荷载”时找不到已定义的时程函数? (57)5.16 如何考虑移动荷载横向分布系数? (58)5.17 为什么按照04公路规范自定义人群荷载时,分布宽度不起作用? (59)5.18 定义车道时,“桥梁跨度”的含义? (60)5.19 如何定义曲线车道? (60)5.20 定义“移动荷载工况”时,单独与组合的区别? (60)5.21 定义移动荷载子荷载工况时,“系数”的含义? (61)5.22 为什么定义车道面时,提示“车道面数据错误”? (61)5.23 “结构组激活材龄”与“时间荷载”的区别? (62)5.24 施工阶段定义时,边界组激活选择“变形前”与“变形后”的区别? (62)5.25 定义施工阶段联合截面时,截面位置参数“Cz”和“Cy”的含义? (63)“分析”相关问题 (64)6.1 为什么稳定分析结果与理论分析结果相差很大?(是否考虑剪切对稳定的影响) (64)6.2 为什么定义几何刚度初始荷载对结构的屈曲分析结果没有影响? (65)6.3 为什么不能同时执行屈曲分析与移动荷载分析? (66)6.4 为什么特征值分析时,提示“错误:没有质量数据”? (66)6.5 如何在“特征值分析”时,考虑索单元初始刚度? (67)6.6 为什么“反应谱分析”时,提示“没有质量数据”? (67)6.7 定义“移动荷载分析控制”时,影响线加载与所有点加载的区别? (68)6.8 定义“移动荷载分析控制”时,“每个线单元上影响点数量”的含义? (69)6.9 如何对某个施工阶段进行稳定分析? (70)6.10 如何对存在索单元的模型进行“移动荷载分析”? (70)6.11 如何考虑普通钢筋对收缩徐变的影响? (72)6.12 定义“施工阶段分析控制”时,体内力与体外力的区别? (73)6.13 为什么不能使用“施工阶段非线性累加模型分析”功能? (73)6.14 为什么定义了“悬索桥分析控制”,执行分析后不能进入后处理? (74)6.15 定义“悬索桥分析控制数据”时,更新节点组与垂点组区别? (75)6.16 能否指定分析所需内存? (75)“结果”相关问题 (77)7.1 施工阶段分析时,自动生成的“CS:恒荷载”等的含义? (77)7.2 为什么“自动生成荷载组合”时,恒荷载组合了两次? (77)7.3 为什么“用户自定义荷载”不能参与自动生成的荷载组合? (78)7.4 为什么在自动生成的正常使用极限状态荷载组合中,汽车荷载的组合系数不是0.4或0.7? (79)7.5 为什么在没有定义边界条件的节点上出现了反力? (79)7.6 为什么相同的两个模型,在自重作用下的反力不同? (80)7.7 为什么小半径曲线梁自重作用下内侧支反力偏大? (81)7.8 为什么移动荷载分析得到的变形结果与手算结果不符? (82)7.9 为什么考虑收缩徐变后得到的拱顶变形增大数十倍? (82)7.10 为什么混凝土强度变化,对成桥阶段中荷载产生的位移没有影响? (83)7.11 为什么进行钢混叠合梁分析时,桥面板与主梁变形不协调? 83 7.12 为什么悬臂施工时,自重作用下悬臂端发生向上变形? (84)7.13 为什么使用“刚性连接”连接的两点,竖向位移相差很大? 86 7.14 为什么连续梁桥合龙后变形达上百米? (87)7.15 为什么主缆在竖直向下荷载作用下会发生上拱变形? (88)7.16 为什么索单元在自重荷载作用下转角变形不协调? (89)7.17 为什么简支梁在竖向荷载下出现了轴力? (90)7.18 为什么“移动荷载分析”时,车道所在纵梁单元的内力远大于其它纵梁单元的内力? (91)7.19 如何在“移动荷载分析”时,查看结构同时发生的内力? (91)7.20 空心板梁用单梁和梁格分析结果相差15%? (93)7.21 为什么徐变产生的结构内力比经验值大上百倍? (93)7.22 如何查看板单元任意剖断面的内力图? (94)7.23 为什么相同荷载作用下,不同厚度板单元的内力结果不一样? (96)7.24 为什么无法查看“板单元节点平均内力”? (97)7.25 如何一次抓取多个施工阶段的内力图形? (97)7.26 如何调整内力图形中数值的显示精度和角度? (98)7.27 为什么在城-A车道荷载作用下,“梁单元组合应力”与“梁单元应力PSC”不等? (101)7.28 为什么“梁单元组合应力”不等于各分项正应力之和? (101)7.29 为什么连续梁在整体升温作用下,跨中梁顶出现压应力? .. 101 7.30 为什么PSC截面应力与PSC设计结果的截面应力不一致? 102 7.31 为什么“梁单元应力PSC”结果不为零,而“梁单元应力”结果为零? (103)7.32 如何仅显示超过某个应力水平的杆件的应力图形? (104)7.33 为什么“水化热分析”得到的地基温度小于初始温度? (105)7.34 “梁单元细部分析”能否查看局部应力集中? (106)7.35 为什么修改自重系数对“特征值分析”结果没有影响? (107)7.36 为什么截面偏心会影响特征值计算结果? (108)7.37 为什么“特征值分析”没有扭转模态结果? (109)7.38 “屈曲分析”时,临界荷载系数出现负值的含义? (109)7.39 “移动荷载分析”后自动生成的MVmax、MVmin、MVall工况的含义? (110)7.40 为什么“移动荷载分析”结果没有考虑冲击作用? (110)7.41 如何得到跨中发生最大变形时,移动荷载的布置情况? (111)7.42 为什么选择影响线加载时,影响线的正区和负区还会同时作用有移动荷载? (112)7.43 为什么移动荷载分析得到的结果与等效静力荷载分析得到结果不同? (113)7.44 如何求解斜拉桥的最佳初始索力? (114)7.45 为什么求斜拉桥成桥索力时,“未知荷载系数”会出现负值? (115)7.46 为什么定义“悬臂法预拱度控制”时,提示“主梁结构组出错”? (116)7.47 如何在预拱度计算中考虑活载效应? (116)7.48 桥梁内力图中的应力、“梁单元应力”、“梁单元应力PSC”的含义? (117)7.49 由“桥梁内力图”得到的截面应力的文本结果,各项应力结果的含义? (117)7.50 为什么定义查看“结果>桥梁内力图”时,提示“设置桥梁主梁单元组时发生错误!”? (119)7.51 为什么无法查看“桥梁内力图”? (120)7.52 施工阶段分析完成后,自动生成的“POST:CS”的含义?1207.53 为什么没有预应力的分析结果? (120)7.54 如何查看“弹性连接”的内力? (122)7.55 为什么混凝土弹性变形引起的预应力损失为正值? (122)7.56 如何查看预应力损失分项结果? (123)7.57 为什么定义了“施工阶段联合截面”后,无法查看“梁单元应力”图形? (124)7.58 为什么拱桥计算中出现奇异警告信息? (125)7.59 如何在程序关闭后,查询“分析信息”的内容? (126)“设计”相关问题 (127)8.1 能否进行钢管混凝土组合结构的设计验算.... (127)8.2 施工阶段联合截面进行PSC设计的注意事项? (127)8.3 PSC设计能否计算截面配筋量? (128)8.4 为什么执行PSC设计时提示“跳过:没有找到钢束序号为(1)的构件”? (128)8.5 为什么执行PSC设计时提示“钢束组中有其他类型的钢束材料”? (129)8.6 为什么PSC设计时,提示“PSC设计用荷载组合数据不存在”? (129)8.7 A类构件能否分别输出长、短期荷载组合下的正截面抗裂验算结果? (130)8.8 为什么PSC设计结果中没有“正截面抗裂验算”结果? (130)8.9 为什么PSC设计时,斜截面抗裂验算结果与梁单元主拉应力分析结果不一致? (131)8.10 为什么承载能力大于设计内力,验算结果仍显示为“NG”? (131)8.11 PSC设计斜截面抗剪承载力结果表格中“跳过”的含义? (132)8.12 为什么改变箍筋数量后,对斜截面抗剪承载力没有影响? .. 1338.13 为什么定义“截面钢筋”后,结构承载能力没有提高? (134)8.14 如何指定PSC设计计算书封面上的项目信息内容? (136)“查询”相关问题 (138)9.1 如何查询任意节点间距离? (138)9.2 如何查询梁单元长度、板单元面积、实体单元体积? (138)9.3 如何查询模型的节点质量? (139)“工具”相关问题 (140)10.1 如何取消自动保存功能? (140)10.2 如何定义快捷键? (140)10.3 如何查询工程量? (141)10.4 为什么采用SPC计算的薄壁钢箱截面的抗扭惯性矩小于理论计算值? (142)10.5 为什么相同的截面用CAD与SPC计算的截面特性不同? (143)10.6 为什么SPC里定义的截面无法导出sec格式文件? (143)“文件”相关问题1.1 如何方便地实现对施工阶段模型的数据文件的检查?具体问题本模型进行施工阶段分析,在分析第一施工阶段时出现“WARNING:NODENO.7DXDO FMAYBESINGULAR”,如下图所示。
MIDASCivil 使用中的一些常见问题定义移动荷载的步骤a.在主菜单的荷载>移动荷载分析数据>车辆中选择标准车辆或自定义车辆。
b.对于人群移动荷载,按用户定义方式中的汽车类型中的车道荷载定义成线荷载加载(如将规范中的荷载0.5tonf/m**2乘以车道宽3m,输入1.5tonf/m)。
c.布置车道或车道面(梁单元模型选择定义车道,板单元模型选择定义车道面),人群荷载的步行道也应定义为一个车道或车道面。
d.定义车辆组。
该项为选项,仅用于不同车道允许加载不同车辆荷载的特殊情况中。
e.定义移动荷载工况。
例如可将车道荷载定义为工况-1,车辆荷载定义为工况-2。
在定义移动荷载工况对话框中的子荷载工况中,需要定义各车辆要加载的车道。
例如:用户定义了8个车道,其中4个为左侧偏载、4个为右侧偏载,此时可定义两个子荷载工况,并选择“单独”,表示分别单独计算,程序自动找出最大值。
在定义子荷载工况时,如果在“可以加载的最少车道数”和“可以加载的最大车道数”中分别输入1和4,则表示分别计算1、2、3、4种横向车辆布置的情况(15种情况)。
布置车辆选择车道时,不能包含前面定义的人群的步行道。
f.定义移动荷载工况时,如果有必要将人群移动荷载与车辆的移动荷载进行组合时,需要在定义移动荷载工况对话框中的子荷载工况中,分别定义人群移动荷载子荷载工况(只能选择步道)和车辆的移动荷载子荷载工况,然后选择“组合”。
2.关于移动荷载中车道和车道面的定义A.当使用板单元建立模型时a.程序对城市桥梁的车道荷载及人群荷载默认为做影响面分析,其他荷载(公路荷载和铁路荷载)做影响线分析。
b.只能使用车道面定义车的行走路线。
对于城市桥梁的车道荷载及人群荷载以外的荷载,输入的车道面宽度不起作用,按线荷载或集中荷载加载在车道上。
c.对于城市桥梁的车道荷载及人群荷载,在程序内部,自动将输入的荷载除以在”车道面”中定义的车道宽后,按面荷载加载在车道上。
最近将阳光论坛上的几个常见的问题整理了一下,与大家共勉。
1.在midas中横向计算问题.在midas中横向计算时遇到下列几个问题,请教江老师.1.荷载用"用户定义的车辆荷载",DD,FD,BD均取1.3m,P1,P2为计算值,输入时为何提示最后一项的距离必须为0?2.同样在桥博中用特列荷栽作用时,计算连续盖梁中中支点的负弯距相差很大.其他位置相差不多.主要参数:两跨2X7.5m,bXh=1.4X1.2m,P1,P2取100midas结果支点活载负弯矩-264.99kn.m桥博结果支点活载负弯矩-430kn.m通过多次尝试及MIDAS公司的大力支持,现在最终的结果如下:肯定是加载精度的问题,可以通过将每个梁单元的计算的影响线点数改成6,或者,将梁单元长度改成0.1米,就能保证正好加载到这一点上。
由这个精度引起的误差应该可以接受的,如果非要消除,也是有办法的。
2.梁板模拟箱梁问题腹板用梁单元,顶底板用板单元,腹板和顶底板间用什么连接,刚性?用这个模型做顶底板验算是否合适?在《铁道标准》杂志的“铁道桥梁设计年会专辑”上有一篇文章,您可以参考一下:铁四院康小英《组合截面计算浅析》里面讨论组合截面分别用MIDAS施工阶段联合截面与梁+板来实现,最后得出结论是用梁+板的结果是会放大板的内力。
可能与您关心的问题有相似的地方。
建议您可以先按您的想法做一个,再验证一下,一定要验证!c3.midas里面讲质量转换为荷载什么意思!是否为“荷载转为质量”?在线帮助中这么写:将输入的荷载(作用于整体坐标系(-)Z方向)的垂直分量转换为质量并作为集中质量数据。
该功能主要用于计算地震分析时所需的重力荷载代表值。
直观的理解就是将已输入的荷载,转成质量数据,不必第二次输入。
一般用得比较多的是将二期恒载转成质量。
另外,这里要注意的是,自重不能在这里转换,应该在模型--结构类型中转换。
准确来讲,是算自振频率时(特征值分析)时用的,地震计算时需要各振形,所以间接需要输入质量。
1、如何利用板单元建立变截面连续梁(连续刚构)的模型?建立模型后如何输入预应力钢束?使用板单元建立连续刚构(变截面的方法)可简单说明如下:1)首先建立抛物线(变截面下翼缘) ;2)使用单元扩展功能由直线扩展成板单元,扩展时选择投影,投影到上翼缘处。
;3)在上翼缘处建立一直线梁(扩展过渡用),然后分别向横向中间及外悬挑边缘扩展成板单元;4)使用单元镜像功能横向镜像另一半;5) 为了观察方便,在单元命令中使用修改单元参数功能中的修改单元坐标轴选项,将板单元的单元坐标轴统一起来。
在板单元或实体块单元上加预应力钢束的方法,目前设计人员普遍采用加虚拟桁架单元的方法,即用桁架单元模拟钢束,然后给桁架单元以一定的温降,从而达到加除应力的效果。
温降的幅度要考虑预应力损失后的张力。
这种方法不能真实模拟沿钢束长度方向的预应力损失量,但由于目前很多软件不能提供在板单元或块单元上可以考虑六种预应力损失的钢束,所以目前很多设计人员普遍在采用这种简化分析方法。
MIDAS目前正在开发在板单元和块单元上加可以考虑六种预应力损失的钢束的模块,以满足用户分析与设计的要求。
2、如果梁与梁之间是通过翼板绞接,Midas/Civil应如何建模模拟梁翼板之间的绞接?可以在主梁之间隔一定间距用横向虚拟梁连接,并且将横向虚拟梁的两端的弯矩约束释放。
此类问题关键在于横向虚拟梁的刚度取值。
可参考有关书籍,推荐E.C.Hambly写的"Bridge deck behaviour",该书对梁格法有较为详尽的叙述。
3、如果梁与梁之间是通过翼板绞接,Midas/Civil应如何建模模拟梁翼板之间的绞接?可否自己编辑截面形式可以在定义截面对话框中点击"数值"表单,然后输入您自定义的截面的各种数据。
您也可以在工具>截面特性值计算器中画出您的截面,然后生成一个截面名称,程序会计算出相应截面的特性值。
您也可以从CAD中导入截面(比如单线条的箱型截面,然后在截面特性值计算器中赋予线宽代表板宽)。