螺旋输送机输送量计算
- 格式:docx
- 大小:10.45 KB
- 文档页数:2
螺旋输送机输送量计算螺旋输送机是一种常用的输送设备,广泛应用于煤矿、建材、化工等行业中。
其主要作用是将物料从一个地方输送到另一个地方,具有输送效率高、占地面积小、操作简便等优点。
在使用螺旋输送机时,我们需要对其输送量进行计算,以满足生产需求。
Q=K*(π/4)*(D^2-d^2)*S*n其中,Q表示输送量,K为修正系数,一般取0.08-0.12;D为螺旋叶片外径,单位为m;d为螺旋叶片内径,单位为m;S为输送机螺旋叶片的进给角,单位为弧度;n为螺旋叶片转速,单位为r/min。
在计算螺旋输送机的输送量时,我们需要先确定修正系数K的具体取值。
修正系数K的大小与物料的输送能力、特性、螺旋叶片形状等有关。
通常情况下,我们可以根据经验值选择参考修正系数。
接下来,我们需要测量螺旋叶片的外径D和内径d。
外径D是指螺旋叶片外部圆周上相对应的两点之间的距离。
内径d是指螺旋叶片内部圆周上相对应的两点之间的距离。
计算螺旋叶片的进给角S时,我们需要考虑物料的属性和工况要求。
进给角S是指螺旋叶片的进给方向与水平面的夹角。
最后,我们需要确定螺旋叶片的转速n。
螺旋输送机的转速会直接影响到输送量的大小。
一般情况下,转速n可以根据工作要求和设备的额定转速来选择。
通过以上参数的测量和确定,我们就能够计算出螺旋输送机的输送量。
需要注意的是,在实际使用中,我们还需要考虑到一些影响输送量的因素,如物料的含水量、物料的粘性以及输送机的摩擦阻力等。
这些因素都会对螺旋输送机的实际输送量产生影响,需要综合考虑并进行修正。
总之,螺旋输送机的输送量计算需要根据具体的参数和工况进行,可以通过以上公式和方法来进行计算。
在实际应用中,我们需要根据实际情况进行调整和修正,以满足生产需要。
螺旋输送机设计计算1 螺旋输送机输送量按下式计算:Q = 60 π D2 S n ϕ r C / 4 (t / h)式中:G—螺旋输送机的输送能力(t / h)D—螺旋叶片直径(m)S—螺距(m)对于实体螺旋,S = 0.8D;对于带式螺旋,S = Dn—螺旋转速(r / min )ϕ—物料填充系数(见表1)r—物料容积密度(t / m3)C—螺旋输送机的倾钭度系数(见表2)说明:容积密度值仅供计算螺旋输送机输送量时参考。
螺旋轴的转速随输送能力、螺旋直径及输送物料的特性而不同,为了保证在一定输送量下,物料不因受太大的切向力而被抛起,螺旋轴转速有一定极限,一般可按下面的经验公式计算:n = K2 / √ D (r / min)式中:n—螺旋轴的极限转速(r / min)D—螺旋叶片直径(m)K2 —物料特性系数(见表1)上述公式计算出的转速应圆整。
2 螺旋输送机轴功率螺旋输送机轴功率按下式计算:N0 = GL(ξCOSβ± Sinβ)K3 / 367即:N0 = G K3(ξ Ln ± H)/ 367 (Kw)式中:N0 —螺旋输送机计算轴功率(Kw)G —螺旋输送机计算输送量(t / h)K3—功率储备系数K3 = 1.2~1.4ξ—物料的阻力系数(见表1)Ln —螺旋输送机的水平投影长度(m)H —螺旋输送机的垂直投影长度(m)当向上输送时,取+号;向下输送时,取-号。
所需电动机功率:N = N0 / η(Kw)式中:N —输送机所需电动机功率(Kw)η—驱动装置的传动效率(η = 0.94)双管螺旋喂料机双管螺旋喂料机的输送能力按下式计算:Q = 30 π n ϕ(D2-d2)(S-δ)(m3 / h)式中:Q —双管螺旋喂料机喂料能力(m3 / h)D —螺旋叶片直径(m)d —螺旋轴的直径(m)S —螺旋叶片的节距(m)δ—螺旋叶片的厚度(m)n —螺旋的转速(r / min)ϕ—物料的填充系数(一般取0.9)短螺距单头螺旋,螺距减少到2 / 3直径称为短螺距,推荐用于倾角超过20︒的倾钭螺旋输送机,甚至可以垂直使用,也常用于螺旋喂料机,较短的螺距可防止流态化的物料产生自流。
水平螺旋输送机计算程序水平螺旋输送机是一种常见的输送设备,广泛用于水泥、冶金、化工和煤炭等行业。
它由机壳、螺旋刀片、传动装置和输送管道等组成,通过螺旋刀片的旋转,将物料从一个位置输送到另一个位置。
为了确保输送机的安全高效运行,需要进行相关的计算和设计。
首先,我们需要计算水平螺旋输送机的功率和扭矩,以确定所需的传动装置。
计算公式如下:1.功率计算:输送功率=物料质量流量*提升高度*重力加速度/传送效率其中,物料质量流量是指单位时间内输送的物料质量。
它可以根据物料的密度和螺旋输送机的设计参数计算得出。
提升高度是指物料从输送口到卸料口的垂直高度差。
重力加速度是常量,取9.81m/s^2传送效率是指螺旋输送机的输送效率,它可以根据螺旋刀片的设计参数和物料特性进行估算。
2.扭矩计算:扭矩=输送功率*60/2π/输送机转速其中,转速是指螺旋刀片的旋转速度。
通过计算功率和扭矩,可以选择合适的电机和传动装置,以确保输送机的正常运行。
其次,我们还需要计算输送机的设计参数,以满足物料输送的要求。
主要包括以下几个方面:1.螺旋刀片直径和螺距的选择:螺旋刀片直径和螺距的选择需要考虑物料的特性、物料流量和输送机的转速。
一般来说,螺旋刀片直径越大,输送能力越强;螺旋刀片螺距越大,物料的升运能力越强。
2.输送机长度的确定:输送机长度的确定需要考虑物料的输送距离和卸料口位置。
一般来说,输送机的长度应足够长,以确保物料在输送过程中可以充分混合和升运。
3.输送机的倾角:输送机的倾角是指螺旋刀片与水平面的夹角。
倾角的大小会影响物料的输送能力和卸料口位置。
一般来说,倾角越大,物料的输送能力越强,但同时也会增加对传动装置的要求。
最后,我们还需要进行输送机的结构计算和强度校核,以确保输送机的结构稳定和安全。
通常包括以下几个方面:1.输送机的支撑形式和材料的选择:输送机的支撑形式可以选择为悬挂式或支承式,具体取决于输送机的长度和物料的输送量。
螺旋输送机设计技术参数手册时间:2010-9-1117:05:07文章来自于:(输送机械网)2螺旋输送机主要设计参数分析2.1输送量输送量是衡量螺旋输送机生产能力的一个重要指标,一般根据生产需要给定,但它与其他参数密切相关。
在输送物料时,螺旋轴径所占据的截面虽然对输送能力有一定的影响,但对于整机而言所占比例不大,因此,螺旋输送机的物料输送量可粗略按下式计算:2.2螺旋轴转速螺旋轴的转速对输送量有较大的影响。
一般说来,螺旋轴转速加快,输送机的生产能力提高,转速过小则使输送机的输送量下降。
但转速也不宜过高,因为当转速超过一定的极限值时,物料会因为离心力过大而向外抛,以致无法输送。
所以还需要对转速n进行一定的限定,不能超过某一极限值。
当位于螺旋外径处的物料颗粒不产生垂直于输送方向的径向运动时,则它所受惯性离心力的最大值与其自身重力之间应有如下关系:物料综合特性系数为经验数值。
一般说来,根据物料性质,可将物料分成4类。
第1类为流动性好、较轻且无磨琢性的物料;第2类为无磨琢性但流动性较第1类差的物料;第3类为粒度尺寸及流动性同第2类接近,但磨琢性较大的物料;第4类为流动性差且磨琢强烈的物料。
各种物料的K值见表2。
螺旋叶片的直径通常制成标准系列,D=100,120,150,200,250,300,400,500和600mm,目前发展到D=1000mm,最大可达1250mm。
为限制规格过多过乱.国际标准化组织在系统研究、试验的基础上制订了螺旋输送机标准草案,规定螺旋直经采用R10基本系列优先数系。
根据式(5)计算出来的D值应尽量圆整成标准直径(mm)。
2.4螺距螺距不仅决定着螺旋的升角,还决定着在一定填充系数下物料运行的滑移面,所以螺距的大小直接影响着物料输送过程。
输送量Q 和直径D一定时,螺距改变,物料运动的滑移面随着改变,这将导致物料运动速度分布的变化。
通常螺距应满足下列两个条件:即考虑螺旋面与物料的摩擦关系以及速度各分量间的适当分布关系两个条件,来确定最合理的螺距尺寸。
垂直螺旋输送机输送能力的计算篇11. 垂直螺旋输送机输送能力计算的重要性在现代工业生产中,垂直螺旋输送机作为一种重要的物料输送设备,其输送能力的准确计算对于生产流程的优化、设备的选型以及成本的控制都具有至关重要的意义。
在建筑材料输送领域,准确计算垂直螺旋输送机的输送能力可以确保建筑施工过程中原材料的及时供应,避免因输送不足而导致的施工延误。
而在粮食加工行业,合理计算输送能力有助于保障粮食的高效处理,提高生产效率和质量。
2. 垂直螺旋输送机输送能力计算的原理和方法垂直螺旋输送机的输送能力主要取决于螺旋的直径、螺距、转速、填充系数以及物料的物理特性等因素。
螺旋的直径越大,其输送能力通常越强。
螺距的大小也会影响输送能力,较大的螺距可以在单位时间内输送更多的物料。
转速的高低则直接关系到物料的输送速度,然而,转速并非越高越好,过高的转速可能导致物料的破碎和设备的磨损。
填充系数是指螺旋输送机中物料所占的体积比例,不同的物料具有不同的填充系数。
例如,颗粒较大、流动性较好的物料填充系数相对较高,而细小、粘性较大的物料填充系数则较低。
在计算输送能力时,还需要考虑物料的物理特性,如密度、湿度、粒度等。
对于密度较大的物料,相同体积下的质量更大,输送能力也相应较大。
湿度较高的物料可能会粘结在螺旋叶片上,影响输送效率。
以建筑材料输送为例,如水泥的输送。
由于水泥颗粒较小且具有一定的吸水性,其填充系数相对较低,在计算输送能力时需要充分考虑这些因素。
而在粮食加工行业中,输送的粮食颗粒大小和形状较为均匀,填充系数相对较高,但不同种类的粮食(如小麦、玉米)的密度和流动性也有所差异,计算时需分别对待。
3. 总结与展望通过以上对垂直螺旋输送机输送能力计算原理和方法的阐述,我们可以看出,准确计算输送能力需要综合考虑多个因素,并结合实际应用场景中的物料特性进行细致分析。
随着工业技术的不断发展,未来垂直螺旋输送机的设计和应用将更加智能化和精准化。
宙斯重工混凝土搅拌站在生产工作中,混凝土搅拌站水泥等粉料的输送必需在完全密封的腔体内进行,以免污染环境和输送物料受潮。
O 形截面的螺旋输送机是应用最广泛的粉料供料输送装置。
其机壳采用无缝钢管,常见规格有219、273、325。
机壳尾部入口通过球形绞链与筒仓翻板门连接,头部出口通过帆布袋柔软连接通向主体上的粉料秤斗。
安装倾角一般在30° ~45° 之间,必要时可达60° 。
螺旋的长度不应超过 14m ,可通过更换中间节段得到不同的螺旋总长度。
更长的输送间隔可通过螺旋接力的方式实现,接续螺旋设置两个进料口。
机壳中的旋转体由芯管与连续式的螺旋叶片组焊而成,中间节段的旋转体采用中间支承和无油润滑的联轴节。
螺旋体的直径 D=φ- 2 ( b+δ)其中:φ与 b 为机壳的外径与壁厚,δ为旋转体与机壳的间隙,δ/D 值以 0.04 ~ 0.05 为宜,芯管直径 d 一般按旋转体直径 D 的三分之一左右选择。
混凝土搅拌站螺旋节距t=0.8D. 螺旋转速 n 的范围一般为150~300rpm,应用较多的为160 rpm和210 rpm。
影响螺旋输送机出产效率的因素良多,螺旋输送能力 Q=33.5KxKαKβrD3n(t/h) 。
首先输送能力取决于旋转体的直径和转速。
Q 与 D3n 成正比;其次,轴向泄漏系数 Kx 旋转体与机壳之间的间隙有关, Kx=1 - 4.5δ/D ,一般 Kx=0.77 ~ 0.82 ;此外,切向滞后系数 Kα与螺旋面的均匀螺旋角α和粉料对钢的摩擦系数tg ∮ 有关。
一般 Kα=0.75 ~ 0.82;另外 , 倾角系数 Kβ与螺旋安装角度β有关 , 当β=0° 时 , Kβ=1 ,β=30° 时, Kβ=0.75 ~ 0.85 ,β=45° 时, Kβ=0.65 ~ 0.72; 而且,粉料的容重与其堆积状态有关,变化范围较大,如水泥 r=0.9 ~ 1.7 ,粉料进入螺旋后的充填密度又与供料的流量有关;因此输送时的粉料实际容重也可能差异很大。
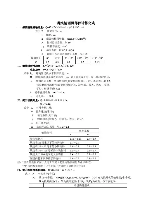
抛丸清理机部件计算公式一、螺旋输送器输送量:Q=47×D2×t×n×ρ0×ψ×C t/h式中D----螺旋直径,m;t----螺距,m;n----螺旋轴极限转数,r/min,n≤A/(D)0.5;A----物料特性系数,取30;ρ0----物料堆密度,t/m3;ψ----填充系数,取0.25~0.30;二、螺旋轴所需功率:P0=[Q×(ωL h±H)]/367 Kw电机功率:P=(k×P0)/ηKw式中L h----螺旋输送机水平投影长度,m;H----螺旋输送机垂直投影高度,m,向上输送取正号,向下输送取负号;ω----物料阻力系数,磨琢性大的(典型物料如卵石、砂、水泥等)取3.2;强烈磨琢性或粘性(典型物料如炉灰、造型土、石灰、焦炭、硫磺、矿砂、砂糖等)取4.0;k----功率备用系数,k=1.2~1.4;η----总功率,η<0.9。
三、提升机提升量:Q=3.6×i0×v×ψ×γ/a;Q实=Q/K;式中i0----料斗容积(升)v----提升速度(米/秒)ψ----填充系数(见下表)γ----物料容重(吨/米3),对钢丸、铁丸,取4.5a----料斗间距(米)注:*栏内的数据来源于大连工学院《起重运输机械化专业班讲义》**栏内的数据来源于化工部第七设计院《磷肥设计手册》四、提升机所需电机功率:N=(N0×K′)/(η1×η2)式中N----电机功率(千瓦)N0----轴功率(千瓦) N0={(Q×H)(1.15+K1K2V)}/367 其中Q为提升机的输送量(吨/小时),η1----摆线针轮减速机的传动效率,η1=0.90η2----三角皮带或链传动的传动效率:对三角皮带传动,η2=0.96;对链传动,η2=0.93 K′----功率备用系数,此值与提升机的高度H有关:当H<10m时,K′=1.45当10<H<20m时,K′=1.25当H>20m时,K′=1.15。
无轴螺旋输送机运送量计算公式:
1 输送量Q=47b•j•r•D2•S•n(t/h)
其中:b-倾斜系数,见表2,j-物料填充系数,r-物料容重(t/m3),D-直径m,S-螺距m,n-转速r/min。
填充系数一般为:流动性良好、轻度磨琢性粉状和细粒状物料取j=0.45(如粮食),流动性一般、中等磨琢性物料取j=0.33(如煤、灰、水泥),极大磨琢性物料取j=0.15(如炉渣、河砂)。
2转速
无轴螺旋输送机的转速不允许过大,否则被输送的物料受到强离心作用,使输送过程受到影响,参照
JB/T7679-95《无轴螺旋输送机》标准每种规格有4种转速供选用长的4倍。
3 螺旋直径
由转速及输送量确定最小螺旋直径,并满足下列条件:对输送块状物料,螺旋直径D至少应为颗粒最大边长的10倍,如果大颗粒的含量少时,也可选用较小的螺旋直径。
4 电机功率
P=0.9[Q(λ?L+H)/367+D?L/20]
N=K?P
其中:P-功率kw,Q-输送量t/h,λ-运行阻力系数,L-螺旋长度m,H-螺旋倾斜高度m,D-螺旋直径m,N-电机功率kw,K-功率系数。
(end)。
螺旋输送机输送量计算
1.经验公式法
经验公式法是根据实际操作经验得到的一种计算方法。
根据输送机的直径、转速、螺距等参数,使用经验公式计算出输送机的理论输送量。
对于常用的标准螺旋输送机,其经验公式可以表达为:
Q=β*η*D*S
其中,Q为输送量(单位为t/h),β为填充系数,取值一般在
0.6~0.9之间;η为螺旋输送机的效率,取值一般在0.9左右;D为螺旋输送机的直径(单位为m);S为螺旋输送机螺距(单位为m)。
2.理论公式法
理论公式法是基于质量和动量守恒原理建立的一种计算方法。
对于理想状态下的螺旋输送机,其输送量可以通过下面的公式计算:Q=π*r^2*ω*ρ*H
其中,Q为输送量(单位为m^3/s),π为圆周率,r为螺旋输送机直径的一半(单位为m),ω为螺旋输送机转速(单位为rad/s),ρ为物料的密度(单位为kg/m^3),H为螺旋输送机输送长度(单位为m)。
3.试验计算法
试验计算法是通过实际试验获得螺旋输送机的输送量。
首先确定试验条件,包括输送机的转速、物料的种类和性质、物料的质量或体积等。
然后进行实际的试验操作,根据试验结果计算出螺旋输送机的实际输送量。
总结起来,螺旋输送机的输送量可以通过经验公式法、理论公式法和试验计算法来计算。
不同方法适用于不同的情况,实际应用中需要结合具体情况选择合适的方法进行计算。
螺旋输送机输送量简单计算公式
螺旋输送机,俗称“绞龙”。
螺旋输送机是利用旋转的螺旋将被输送的物料沿固定的机壳内
推移而进行输送工作。
螺旋输送机旋转轴的旋向,决定了物料的输送方向。
螺旋输送机一直被广泛用于国民经济各部门,如建材、冶金、化工、电力、煤炭、机械、轻工、粮食及食品行业,适宜输送粉状、颗粒状、小块状物料,如水泥、煤粉、粮食、化肥、灰渣、沙子、焦炭等.不宜输送易变质、粘性大、易结块的物料。
近似计算公式:
输送量Q = 47 D2 ntΦpC(t/h)
式中:D—输送机直径m、n--螺旋轴转速r/min、t—螺距m、Φ—物料充填系数、p—物料容重t/m3、c—输送机倾角系数轴功率P0=【Q(ω0L+H)/367】+DL/20
式中:Q—输送量、ω0—物料阻力数(1.2-4)、L—输送长度m、D—输送机直径m、H—倾斜布置时的垂高度m。
螺旋输送机的规格、型号与技术参数:规格:LS100,160,200,250,315,400,500,630,800,1000,1250长度从4m到70m,每隔8.5m一档,当长度超过35m时,采用双端驱动,选型时应符合标准公称长度,特殊需要可在选配节中另行提出。
LS型螺旋输送机规格、技术参数:表一:注:1、n—转速r/min(偏差允许在10%范围内)2、输送量Q—m3/h1. LS螺旋输送机的外形尺寸图及外形尺寸表:一、选型计算、长度组合1.选型计算1 计算输送量:Q=60φ.β0.k.r.n.D3式中: Q—输送量 t/hφ—物料填充系数,选用见表3β0—倾斜系数,选用见表4K—螺距与直径比例系数,由选定规格的螺旋输送机计算求值r—物料容重 t/m3 见表5n—转速 r/mind—螺旋直径m表三表42 选用螺旋输送机最小螺旋直径取决于所要求的输送量及散块粒度的大小.对于输送块物料,未分选物料:D≥(8~10)d分选物料:D≥(4~6)dmd=物料的平均块度(mm)dm=物料的最大块度(mm)3 螺旋输送机的圆周速度不允许过大,否则被输送的物料受到强离心作用,使输送过程受到影响,LS螺旋输送机参照国际标准,不同规格确定有四种不转速(见技术性能表,即表1)推荐使用,如有特殊要求,订货时另提出。
4 功率计算:(先自ISO>119~1981)P=Q(λL+H)367式中:P—螺旋机功率 KWλ—运行阻力系数见表5L—螺旋长度 mH—螺旋倾斜高度 mD—螺旋直径 m5 电机功率P0=p/ηη一般取0.88~0.942长度组合表见表6若干散料的容重r及运行阻力系数入(总阻力系数)表5灰泥岩 1.6~1.9 2.2砂桨 1.8~2.1 3玉米、黑麦、稻谷0.5~0.7 1.9砂 1.4~1.7 3小麦0.8 1.9重诺除尘杨朝辉0317-825-0801。
螺旋输送机选型计算方法1.输送量Q=47β*φ*ρ*D2*S*n(t/h)式中:β——倾斜系数;φ——物料填充系数;ρ——物料容量重(t/m3);D——螺旋叶直径(m),S——螺距(m),n——转速(r/min).填充系数一般为,流动性良好,轻度磨琢性粉状和细粒状物料φ=0.45(如粮食),流动性一般,中等磨琢性物料取φ=0.33(如煤,灰,水泥),极大磨琢性物料取φ=0.15(如炉潭,河砂)。
2.螺旋直径3.由转速及输送量确定最小螺旋直径,并满足下列条件:对输送块状物料螺旋直径D至少应为颗粒最大边长的10倍,如果大颗粒的含量少时,也可选用较小的螺旋直径,但至少应为颗粒最大边长的4倍。
4.5.3.转速6.螺旋机的转速不允话过大,否则被输送的物料受到强离心作用,使输送过程受到影响,参照JB/T7679-95《螺旋输送机》标准每种规格有4种转速供选用。
7.8.4.电机功率9.P=0.9[Q(λ*L+H)/367+D*L/20]10.N=K*P11.P——功率(KW),Q——输送量(t/h),λ——运行阻力系数,L——螺旋长度(m),H——螺旋倾斜高度(m),D——螺旋直径(m),N——电机功率(KW),K——功率系数。
螺旋输送机的输送量计算有下面的公式计算而来Q=60ψ*β0*r*K*n*D3Q—输送量t/hψ—物料填充系数,见表1β0—倾斜系数,见表2K—螺距与直径比例系数,由选定规格的螺旋输送机计算求值r—物料容重t/m3见表3n—转速r/mind—螺旋直径m螺旋转速乘以单转传输量。
Q=V*M其中:Q----运输量;V----螺旋转数;M----运输单量;。
螺旋输送机选型计算方法
1.输送量Q=47β*φ*ρ*D2*S*n(t/h)
式中:β——倾斜系数;φ——物料填充系数;ρ——物料容量重(t/m3);D——螺旋叶直径(m),S——螺距(m),n——转速(r/min).
填充系数一般为,流动性良好,轻度磨琢性粉状和细粒状物料φ=(如粮食),流动性一般,中等磨琢性物料取φ=(如煤,灰,水泥),极大磨琢性物料取φ=(如炉潭,河砂)。
2.螺旋直径
3.由转速及输送量确定最小螺旋直径,并满足下列条件:对输送块状物料螺旋直径D至少应为颗粒最大边长的10倍,如果大颗粒的含量少时,也可选用较小的螺旋直径,但至少应为颗粒最大边长的4倍。
4.
5.3.转速
6.螺旋机的转速不允话过大,否则被输送的物料受到强离心作用,使输送过程受到影响,参照
JB/T7679-95《螺旋输送机》标准每种规格有4种转速供选用。
7.
8.4.电机功率
9.P=[Q(λ*L+H)/367+D*L/20]
10.N=K*P
11.P——功率(KW),Q——输送量(t/h),λ——运行阻力系数,L——螺旋长度(m),H——螺旋倾斜高度(m),D——螺旋直径(m),N——电机功率(KW),K——功率系数。
的输送量计算有下面的公式计算而来
Q=60ψ*β0*r*K*n*D3
Q—输送量t/h
ψ—物料填充系数,见表1
β0—倾斜系数,见表2
K—螺距与直径比例系数,由选定规格的计算求值r—物料容重t/见表3
n—转速r/min
d—螺旋直径m
螺旋转速乘以单转传输量。
Q=V*M
其中:
Q----运输量;V----螺旋转数;
M----运输单量;。