译码器、编码器及其应用实验报告
- 格式:doc
- 大小:332.02 KB
- 文档页数:7
译码器及其应用实验报告译码器是一种能够将数字信号转换为模拟信号或者将模拟信号转换为数字信号的设备,它在通信、控制系统以及各种电子设备中都有着广泛的应用。
本实验旨在通过对译码器的实际操作,深入了解其工作原理和应用场景。
实验一,译码器的基本原理。
首先,我们需要了解译码器的基本原理。
译码器是一种数字电路,它能够将输入的数字信号转换为相应的模拟信号输出。
在实验中,我们使用了常见的二进制译码器,通过对不同的输入信号进行转换,观察输出信号的变化,从而验证译码器的工作原理。
实验二,译码器的应用场景。
译码器在数字通信系统中有着重要的应用,比如在调制解调器中,译码器可以将数字信号转换为模拟信号进行传输,而在接收端,又可以将模拟信号转换为数字信号进行解码。
此外,在控制系统中,译码器也扮演着重要的角色,它能够将数字控制信号转换为模拟控制信号,实现对各种设备的精确控制。
实验三,译码器的性能评估。
在实验中,我们对译码器的性能进行了评估。
通过测量译码器的输入输出特性、信噪比、失真度等指标,我们可以全面了解译码器的性能优劣,并对其在实际应用中的适用性进行评估。
实验四,译码器的改进与优化。
最后,我们对译码器进行了改进与优化。
通过对译码器电路的调整和优化设计,我们可以提高译码器的性能指标,使其在实际应用中具有更好的稳定性和可靠性。
总结:通过本次实验,我们深入了解了译码器的工作原理和应用场景,掌握了对译码器性能进行评估和优化的方法,这对我们进一步深入研究译码器的工作原理和应用具有重要意义。
译码器作为一种重要的数字电路设备,在通信、控制系统等领域有着广泛的应用前景,我们有信心通过不断的研究和实践,进一步提升译码器的性能和应用水平,为数字化时代的发展做出更大的贡献。
译码器及其应用试验汇报范文5试验三译码器及其应用一、试验目旳1、掌握译码器旳测试措施。
2、理解中规模集成译码器旳功能,管脚分布,掌握其逻辑功能。
3、掌握用译码器构成组合电路旳措施。
、学习译码器旳扩展。
4二、试验设备及器件1、数字逻辑电路试验板 1块2、74HC138 3-8线译码器 2片3、74HC20 双4输入与非门 1片三、试验原理1、中规模集成译码器74HC13874HC138是集成3线,8线译码器,在数字系统中应用比较广泛。
图3,1是其引脚排列。
其中 A2 、A1 、A0为地址输入端, 0Y, 7Y为译码输出端,S1、2S、3S为使能端。
表3-1为74HC138真值表。
74HC138工作原理为:当S1=1,S2+S3=0时,电路完毕译码功能,输出低电平有效。
其中:2、译码器应用由于74HC138 三-八线译码器旳输出包括了三变量数字信号旳所有八种组合,每一种输出端表达一种最小项,因此可以运用八条输出线组合构成三变量旳任意组合电路。
四、试验内容1、译码器74HC138 逻辑功能测试(1)控制端功能测试测试电路如图3-2所示。
按表3-2所示条件输入开关状态。
观测并记录译码器输出状态。
LED指示灯亮为0,灯不亮为1。
测试成果如下:输入输出 S1 ,S2 ,S3 A2 A1 A0 Y0 Y1 Y2 Y3 Y4 Y5 Y6 Y7 1 x x x x x 1 1 1 1 1 1 1 1 1 1 0 x x x 1 1 1 1 1 1 1 1 1 0 1 x x x 1 1 1 1 1 1 1 11 1 1 x x x 1 1 1 1 1 1 1 1(2)逻辑功能测试将译码器使能端 S1、,S2、,S3地址端A2、A1、A0 分别接至逻辑电平开关输出口,八个输出端依次连接在逻辑电平显示屏旳八个输入口上,拨动逻辑电平开关,按表3, 3逐项测试74HC138旳逻辑功能。
逻辑功能测试,成果如下:输入输出 S1 ,S2+,S3 A2 A1 A0 Y0 Y1 Y2 Y3 Y4 Y5 Y6 Y7 1 0 0 0 0 0 1 1 1 1 1 1 1 1 0 0 0 1 1 0 1 1 1 1 1 1 1 0 0 1 0 1 1 0 1 1 1 1 1 1 0 0 1 1 1 1 1 0 1 1 1 1 1 0 1 0 0 1 1 1 1 0 1 1 1 1 0 1 0 1 1 1 1 1 1 0 1 1 1 0 1 1 0 1 1 1 1 1 1 0 1 1 0 1 1 1 1 1 1 1 1 1 1 0 0 x x x x 1 1 1 1 11 1 1 x 1 x x x 1 1 1 1 1 1 1 1 当时我A2A1A0旳状态是111,老师问我在发光二极管应对应哪个灯亮,我回答是八。
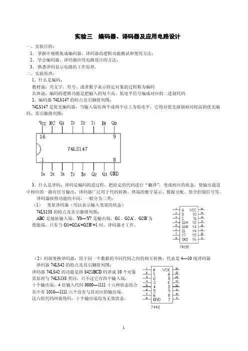
实验三编码器、译码器及应用电路设计一、实验目的:1、掌握中规模集成编码器、译码器的逻辑功能测试和使用方法;2、学会编码器、译码器应用电路设计的方法;3、熟悉译码显示电路的工作原理。
二、实验原理:1、什么是编码:教材说:用文字、符号、或者数字表示特定对象的过程称为编码具体说:编码的逻辑功能是把输入的每个高、低电平信号编成对应的二进制代码2、编码器74LS147的特点及引脚排列图:74LS147是优先编码器,当输入端有两个或两个以上为低电平,它将对优先级别相对较高的优先编码。
其引脚排列图:3、什么是译码:译码是编码的逆过程,把给定的代码进行“翻译”,变成相应的状态,使输出通道中相应的一路有信号输出,译码器广泛用于代码转换、终端的数字显示、数据分配、组合控制信号等。
译码器按照功能的不同,一般分为三类:(1)变量译码器(用以表示输入变量的状态)74LS138的特点及其引脚排列图:ABC是地址输入端,Y0—Y7是输出端,G1、G2A’、G2B’为使能端,只有当G1=G2A’=G2B’=1时,译码器才工作。
(2)码制变换译码器:用于同一个数据的不同代码之间的相互转换,代表是4—10线译码器译码器74LS42的特点及其引脚排列图:译码器74LS42的功能是将8421BCD码译成10个对象其原理与74LS138类同,只不过它有四个输入端,十个输出端,4位输入代码0000—1111十六种状态组合其中有1010—1111六个没有与其对应的输出端,这六组代码叫做伪码,十个输出端均为无效状态。
(3)数码显示与七段译码驱动器:将数字、文字、符号的代码译成数字、文字、符号的电路a、七段发光二极管数码显示管的特点:(共阴极)b、七段译码驱动器:此类译码器型号有74LS247(共阳)、74LS248(共阴)、CC4511(共阴)等等,本实验采用CC4511BCD码(锁存/七段译码/驱动器)来驱动共阴数码管。
图6—5为CC4511引脚排列:4、在本数字电路实验装置上已完成了译码器74LS48和数码管之间的连接图。
实验报告: 编码器和译码器1. 背景在信息传输和存储过程中,编码器和译码器是两个关键的组件。
编码器将信息从一个表示形式转换成另一个表示形式,而译码器则将编码的信息还原为原始的表示形式。
编码器和译码器在各种领域中都得到广泛应用,如通信系统、数据压缩、图像处理等。
编码器和译码器可以有不同的实现方式和算法。
在本次实验中,我们将研究和实现一种常见的编码器和译码器:霍夫曼编码器和译码器。
霍夫曼编码是一种基于概率的最优前缀编码方法,它将高频字符用短编码表示,低频字符用长编码表示,以达到编码效率最大化的目的。
2. 分析2.1 霍夫曼编码器霍夫曼编码器的实现包括以下几个步骤:1.统计字符出现频率:遍历待编码的文本,统计所有字符出现的频率。
2.构建霍夫曼树:根据字符频率构建霍夫曼树。
树的叶子节点代表字符,节点的权重为字符频率。
3.生成编码表:从霍夫曼树的根节点出发,遍历树的每个节点,记录每个字符对应的编码路径。
路径的左移表示0,右移表示1。
4.编码文本:遍历待编码的文本,将每个字符根据编码表进行编码,得到编码后的二进制序列。
2.2 霍夫曼译码器霍夫曼译码器的实现包括以下几个步骤:1.构建霍夫曼树:根据编码器生成的编码表,构建霍夫曼树。
2.译码二进制序列:根据霍夫曼树和待译码的二进制序列,从根节点开始遍历每个二进制位。
当遇到叶子节点时,将对应的字符输出,并从根节点重新开始遍历。
3.重建原始文本:将译码得到的字符逐个组合,得到原始的文本。
3. 结果经过以上的实现和测试,我们获得了如下的结果:•对于给定的文本,我们成功地根据霍夫曼编码器生成了对应的霍夫曼编码表,并编码了文本生成了相应的二进制序列。
•对于给定的二进制序列,我们成功地根据霍夫曼译码器进行了译码,并将译码得到的字符逐个组合,得到了原始的文本。
实验结果显示,霍夫曼编码器和译码器能够有效地将文本进行压缩和恢复,达到了编码效率最大化和数据传输压缩的目的。
编码后的文本长度大大减小,而译码后的原始文本与编码前几乎完全一致。
编码器和译码器实验报告一、实验目的本次实验的主要目的是了解编码器和译码器的工作原理,掌握它们的应用方法,以及通过实际操作加深对它们的理解。
二、实验原理1. 编码器编码器是将输入信号转换为不同形式输出信号的电路。
常见的编码器有二进制编码器、格雷码编码器等。
其中,二进制编码器将输入信号转换为二进制数输出,而格雷码编码器则将输入信号转换为格雷码输出。
2. 译码器译码器是将输入信号转换为相应输出信号的电路。
常见的译码器有二进制译码器、BCD译码器等。
其中,二进制译码器将输入信号转换为相应位置上为1的二进制数输出,而BCD译码器则将4位二进制数转换为相应十进制数输出。
三、实验步骤1. 实验材料准备:编码开关、LED灯、电源线等。
2. 搭建编码-解码电路:将编码开关接入编码器输入端,并将LED灯接入对应位置的解码器输出端。
3. 进行测试:打开电源后,在编码开关上随意调整开关状态,观察LED灯是否能够正确显示对应的输出状态。
4. 实验记录:记录每次调整开关状态后LED灯的输出状态,以及对应的二进制数或十进制数。
四、实验结果与分析经过实验,我们得到了以下结果:1. 二进制编码器测试结果:编码开关状态 | 输出LED灯状态 | 二进制数---|---|---0000 | 0001 | 00000001 | 0010 | 00010010 | 0100 | 00100011 | 1000 | 00110100 | 0001 | 01000101 | 0010 | 01010110 | 0100 | 01100111 | 1000 | 0111从上表中可以看出,二进制编码器将输入的四位开关状态转换为相应的四位二进制数输出。
2. BCD译码器测试结果:编码开关状态(二进制)| 输出LED灯状态(十进制)---|---0000-1001(十进制)| 对应数字的十进制形式从上表中可以看出,BCD译码器将输入的4位二进制数转换为相应的十进制数字输出。
译码器和编码器实验报告一、实验目的。
本实验旨在通过对译码器和编码器的实验操作,加深对数字通信原理中编码解码技术的理解,掌握其工作原理和实际应用。
二、实验原理。
1. 译码器。
译码器是一种将数字信号转换为模拟信号或者模拟信号转换为数字信号的设备。
在数字通信系统中,译码器通常用于将数字信号转换为模拟信号,以便在模拟信道上传输。
在接收端,译码器将模拟信号转换为数字信号,以便进行数字信号处理和解码。
2. 编码器。
编码器是一种将数字信号转换为另一种数字信号的设备。
在数字通信系统中,编码器通常用于将数字信号转换为便于传输和存储的编码形式,以提高传输效率和数据安全性。
三、实验内容。
1. 实验仪器与材料。
本实验使用的仪器包括译码器、编码器、示波器、信号发生器等。
实验材料包括数字信号发生器、示波器连接线等。
2. 实验步骤。
(1)连接实验仪器,将数字信号发生器连接到编码器的输入端,将编码器的输出端连接到译码器的输入端,再将译码器的输出端连接到示波器。
(2)设置实验参数,调节数字信号发生器的频率和幅度,设置编码器和译码器的工作模式和参数。
(3)观察实验现象,通过示波器观察编码器和译码器的输入输出波形,记录实验数据。
(4)分析实验结果,根据实验数据分析编码器和译码器的工作原理和特性,总结实验结果。
四、实验结果与分析。
通过本次实验,我们成功观察到了编码器和译码器的输入输出波形,并记录了相应的实验数据。
通过分析实验结果,我们深入理解了译码器和编码器的工作原理和特性,对数字通信原理有了更深入的认识。
五、实验总结。
本次实验通过实际操作加深了我们对译码器和编码器的理解,提高了我们的实验操作能力和数据分析能力。
译码器和编码器作为数字通信系统中重要的组成部分,对数字信号的处理和传输起着至关重要的作用,我们应进一步深入学习和掌握其原理和应用。
六、实验心得。
通过本次实验,我们不仅学习到了译码器和编码器的工作原理,还提高了实验操作和数据分析的能力。
学生实验报告学院:课程名称:数字电路实验与设计专业班级:姓名:学号:学生实验报告(一)学生姓名学号同组人: 实验项目编码器、译码器的功能测试及应用■必修□选修□演示性实验■验证性实验□操作性实验□综合性实验实验地点W105 实验仪器台号指导教师实验日期及节次一、实验综述1. 实验目的:(1)了解编码器、译码器和数码管的管脚排列和管脚功能。
(2)掌握编码器、译码器和数码管的性能和使用方法。
2. 实验所用仪器及元器件:(1)示波器、信号源、万用表、数字实验箱和电脑。
(2)集成电路TTL74LS147、TTL74LS148、TTL74LS47、TTL74LS04、电阻和电位器等。
3. 实验原理:(1) 10- 4线优先编码器74HC14774HC147外引线排列如图1所示,逻辑符号如图2所示。
图1 74HC147外引脚排列图图2 74HC147逻辑符号如图74HC147有9路输入信号,4位BCD码输出,因输出端带圈,所以输入输出均为低电平有效。
他将0—9十个十进制数编成4位BCD码,可把输入端的9路输入信号和隐含的不变信号按优先级进行编码,且优先级别高的排斥级别低的。
当输入端都无效时,隐含着对0路信号进行编码(输出采用反码输出)。
74HC147的功能见表1。
表1 10- 4线优先编码器74HC147输入输出I2I3I4I5I6I7I8I9I3Y2Y1Y0Y1H H H H H H H H H H H H H××××××××L L H H L×××××××L H L H H H××××××L H H H L L L×××××L H H H H L L H××××L H H H H H L H L×××L H H H H H H L H H××L H H H H H H H H L L×L H H H H H H H H H L HL H H H H H H H H H H H L (2) 8-3线优先编码器74LS14874LS148是8-3线优先编码器逻辑符号如图3,外引线排列如图4所示。
译码器、编码器及其应用实验报告实验四译码器、编码器及其应用实验人员:班号:学号:一、实验目的(1) 掌握中规模集成译码器的逻辑功能和使用方法;(2) 熟悉掌握集成译码器和编码器的应用;(3) 掌握集成译码器的扩展方法。
二、实验设备数字电路实验箱,74LS20,74LS138。
三、实验内容(1) 74LS138译码器逻辑功能的测试。
将74LS138输出接数字实验箱LED管,地址输入接实验箱开关,使能端接固定电平(或GND)。
电路图如Figure 1所示:Figure 2时,任意拨动开关,观察LED显示状态,记录观察结果。
时,按二进制顺序拨动开关,观察LED显示状态,并与功能表对照,记录观察结果。
用Multisim进行仿真,电路如Figure 3所示。
将结果与上面实验结果对照。
Figure 4(2) 利用3-8译码器74LS138和与非门74LS20实现函数:四输入与非门74LS20的管脚图如下:对函数表达式进行化简:按Figure 5所示的电路连接。
并用Multisim进行仿真,将结果对比。
Figure 6(3) 用两片74LS138组成4-16线译码器。
因为要用两片3-8实现4-16译码器,输出端子数目刚好够用。
而输入端只有三个,故要另用使能端进行片选使两片138译码器进行分时工作。
而实验台上的小灯泡不够用,故只用一个灯泡,而用连接灯泡的导线测试,在各端子上移动即可。
在multisim中仿真电路连接如Figure 7所示(实验台上的电路没有接下面的两个8灯LED):Figure 8四、实验结果(1) 74LS138译码器逻辑功能的测试。
当输入时,应该是输出低电平,故应该第一个小灯亮。
实际用实验台测试时,LE0灯显示如Figure 9所示。
当输入时,应该是输出低电平,故理论上应该第二个小灯亮。
实际用实验台测试时,LE0灯显示如Figure 6所示。
Figure 10Figure 11同理进行其他的测试。
ck a b g f 译码器编码器及数码管显示实验一、实验目的(1)掌握组合逻辑电路的分析测试、设计方法和步骤;(2)掌握编码器、译码器等常用中规模集成电路的性能及使用方法; (3)掌握数码显示、译码器的应用。
二、实验仪器与元器件 (1)HBE 硬件基础电路实验箱; (2)元器件:74LS138、74LS148。
三、实验概述(1)编码编码是指赋予选定的一系列二进制代码以固定的含义。
74LS148(8-3编码器)为8-3线优先编码器,8个输入端为D 0-D 7,8种状态,与之对应的输出为A 0、A 1、A 2,共三位二进制数。
(2)译码译码是编码的逆过程,即将某二进制翻译成电路的某种状态。
在数字电路中译码器是一种应用广泛的多输入、多输出的组合逻辑电路。
它是把给定的代码进行“翻译”,变成相应的状态,使输出通道中相应的一路有信号输出。
通常译码器可分为通用译码器和显示译码器两大类。
前者又分为变量译码器和代码变换译码器。
(3)数码显示译码器LED 数码管是目前最常用的数字显示器,下图为共阴管和共阳管的电路及两种不同出现形式的引出脚功能图。
共阴数码管连接电路 共阳数码管连接电路a b e d c h cka b g f a b e d c hckck共阴极符号及引脚功能 共阳极符号及引脚功能四、实验内容1.测试变量译码器的逻辑功能(1)根据74LS138的逻辑,写出各输出端的逻辑表达式,列出真值表,根据真值表对逻辑电路进行测试,验证其功能。
由图2-6-3可知逻辑表达式:Y 0=ABC ,Y 1=ABC ,Y 2=ABC ,Y 3=ABC ,Y 4=ABC ,Y 5=ABC ,Y 6=ABC ,Y 7=ABC 。
真值表: A B C Y 0 Y 1 Y 2 Y 3 Y 4 Y 5 Y 6 Y 7 0 0 0 0 1 1 1 1 1 1 1 0 0 1 1 1 1 1 0 1 1 1 0 1 0 1 1 0 1 1 1 1 1 0 1 1 1 1 1 1 1 1 0 1 11111111a b gchdef a bgch def1 0 1 1 1 1 1 1 0 1 11 1 0 1 1 1 0 1 1 1 11 1 1 1 1 1 1 1 1 1 0分析:由于A、B、C之间是与、非的关系,对于不同的A、B、C的值,只会有一种情况是0。
一、实验目的1. 理解译码器的基本原理和功能。
2. 掌握中规模集成译码器(如74HC138)的逻辑功能和使用方法。
3. 熟悉译码器在数字系统中的应用,如地址译码、信号控制等。
4. 提高动手能力和实验操作技能。
二、实验器材1. 数字逻辑电路实验板2. 74HC138 3-8线译码器3. 数码管显示器4. 连接线5. 电源6. 计算器三、实验原理译码器是一种将输入的二进制代码转换成特定输出的逻辑电路。
它广泛应用于数字系统中,如地址译码、信号控制、编码器/译码器等。
本实验以74HC138 3-8线译码器为例,介绍译码器的基本原理和应用。
74HC138是一种常见的3-8线译码器,它具有3个地址输入端(A2、A1、A0)和8个输出端(Y0-Y7)。
当输入端A2、A1、A0的编码为000、001、010、011、100、101、110、111时,相应的输出端Y0-Y7输出低电平,其他输出端输出高电平。
四、实验内容1. 译码器功能测试(1)按照实验指导书连接电路,将74HC138的输入端A2、A1、A0连接到数字逻辑电路实验板的地址输入端。
(2)将译码器的输出端Y0-Y7连接到数码管显示器的输入端。
(3)根据74HC138的功能表,输入不同的地址码,观察数码管显示器的输出结果。
2. 地址译码电路设计(1)设计一个简单的地址译码电路,将输入端A0、A1、A2作为地址输入,输出端Y0-Y7作为片选信号。
(2)根据地址译码电路的设计,编写程序,实现数据的输入输出。
五、实验步骤1. 译码器功能测试(1)连接电路:将74HC138的输入端A2、A1、A0连接到数字逻辑电路实验板的地址输入端,将输出端Y0-Y7连接到数码管显示器的输入端。
(2)设置地址码:使用计算器设置地址码(A2、A1、A0),例如000、001、010、011、100、101、110、111。
(3)观察输出结果:观察数码管显示器的输出结果,确认是否与74HC138的功能表一致。
编码器及其应用实验报告一、实验目的本次实验的主要目的是深入了解编码器的工作原理,并通过实际操作和实验数据,探究编码器在不同应用场景中的性能和特点,从而为今后在相关领域的应用提供实践基础和理论支持。
二、实验原理编码器是一种将旋转运动或直线运动转化为数字信号的装置。
根据工作原理的不同,编码器主要分为增量式编码器和绝对式编码器。
增量式编码器通过记录脉冲的数量来确定位置的变化。
每当编码器的轴旋转一定角度,就会产生一个脉冲信号。
通过计算脉冲的数量,可以计算出轴的旋转角度或移动距离。
然而,增量式编码器在断电后重新上电时,无法记住之前的位置信息。
绝对式编码器则在每一个位置都有唯一的编码输出。
即使在断电后重新上电,也能立即准确地知道当前的位置。
三、实验设备本次实验所使用的设备包括:1、旋转编码器:选用了精度为每转 1024 个脉冲的增量式编码器和分辨率为 12 位的绝对式编码器。
2、数据采集卡:用于采集编码器输出的脉冲信号。
3、计算机:安装了相应的数据采集和分析软件。
4、电机驱动系统:用于控制电机的旋转速度和方向,以带动编码器旋转。
四、实验步骤1、设备连接与设置将编码器安装在电机轴上,并确保连接牢固。
将编码器的输出信号连接到数据采集卡的相应通道。
在计算机上打开数据采集软件,设置采集参数,如采样频率、通道选择等。
2、增量式编码器实验启动电机,使其以不同的速度匀速旋转。
观察数据采集软件中脉冲数量的变化,并记录下来。
改变电机的旋转方向,再次观察脉冲数量的变化。
停止电机,然后重新上电,观察编码器是否能准确记录位置变化。
3、绝对式编码器实验同样启动电机,使其旋转到不同的位置。
读取数据采集软件中编码器输出的绝对位置编码,并与实际位置进行对比。
重复多次,验证绝对式编码器的位置准确性和稳定性。
4、应用场景模拟实验搭建一个简单的位置控制系统,使用编码器作为反馈元件。
通过调整控制参数,观察系统的响应性能和精度。
五、实验数据与结果分析1、增量式编码器实验结果在电机匀速旋转时,脉冲数量与旋转角度呈线性关系,符合预期。
四川大学网络教育学院实践课程报告实践课程便码器和译码器校外学习中心广东肇庆职业学校奥鹏学习中心专业电气工程及其自动化层次专升本年级 0809学生姓名吴凤仪学号aDH1082jg0042011年 8 月 01 日一、实验目的1.掌握二进制编码器的逻辑功能及编码方法。
2.掌握译码器的逻辑功能,了解常用集成译码器件的使用方法。
3.掌握译码器、编码器的工作原理和特点。
4.熟悉常用译码器、编码器的逻辑功能及典型应用。
二、实验原理1、编码器用n 位二进制代码对2n个信号进行编码的电路就是二进制编码器。
编码器由一个中心有轴的光电码盘,其上有环形通、暗的刻线,有光电发射和接收器件读取,获得四组正弦波信号组合成A、B、C、D,每个正弦波相差90度相位差(相对于一个周波为360度),将C、D信号反向,叠加在A、B两相上,可增强稳定信号;另每转输出一个Z相脉冲以代表零位参考位。
由于A、B两相相差90度,可通过比较A相在前还是B 相在前,以判别编码器的正转与反转,通过零位脉冲,可获得编码器的零位参考位。
编码器码盘的材料有玻璃、金属、塑料,玻璃码盘是在玻璃上沉积很薄的刻线,其热稳定性好,精度高,金属码盘直接以通和不通刻线,不易碎,但由于金属有一定的厚度,精度就有限制,其热稳定性就要比玻璃的差一个数量级,塑料码盘是经济型的,其成本低,但精度、热稳定性、寿命均要差一些。
分辨率—编码器以每旋转360度提供多少的通或暗刻线称为分辨率,也称解析分度、或直接称多少线,一般在每转分度5~10000线。
74LS148是8-3线优先编码器表 1 11 1 11 X X X X X X X X 4.10 74LS148编码器功能表1 00 10 10 10 10 10 10 10 11 1 10 0 00 0 10 1 00 1 11 0 01 0 11 1 01 1 10 1 1 1 1 1 1 1 1 0 0 X X X X X X X 0 1 0 X X X X X X 0 1 1 0 X X X X X 0 1 1 1 0 X X X X 0 1 1 1 1 0 X X X 0 1 1 1 1 1 0 X X 0 1 1 1 1 1 1 0 X 0 1 1 1 1 1 1 1 0GS EO Y 2Y 1Y 0EI I 7I 6I 5I 4I 3I 2I 1I 0输出输入74L S 148逻辑符号2、译码器译码是编码的逆过程,在编码时,每一种二进制代码,都赋予了特定的含义,即都表示了一个确定的信号或者对象。
实验3编码器译码器及应用电路设计引言:编码器和译码器是数字电路中常用的电路模块。
它们分别用于将逻辑信号转换为编码信号和将编码信号转换为逻辑信号。
本实验将介绍编码器、译码器的基本原理以及它们的应用电路设计。
一、编码器的原理及应用编码器是一种多输入、多输出的逻辑电路。
它根据输入的逻辑信号,将其编码成对应的输出信号。
常见的编码器有BCD二进制编码器、优先编码器、旋转编码器等。
1.BCD二进制编码器BCD二进制编码器是一种将BCD码转换为二进制码的电路。
BCD码是由4位二进制数表示的十进制数。
BCD编码器可以将输入的BCD码(0-9)转换为对应的二进制码(0000-1001)。
2.优先编码器优先编码器是一种将多个输入信号优先级编码成二进制输出的电路。
它可用于实现多路选择器和多路复用器等电路。
优先编码器将输入的信号进行优先级编码,并将最高优先级的信号对应的二进制码输出。
3.旋转编码器旋转编码器是一种可以检测旋转方向和位移的编码器。
它通常用于旋转开关、旋钮等输入设备的位置检测。
旋转编码器可以将旋转输入转换为相应的编码输出信号,以便进行方向和位移的判断。
二、译码器的原理及应用译码器是一种将编码信号转换为对应的逻辑信号的逻辑电路。
它与编码器相反,根据输入的编码信号选择对应的输出信号。
常见的译码器有BCD译码器、行列译码器等。
1.BCD译码器BCD译码器是一种将BCD编码转换为对应的逻辑信号的电路。
它可以将输入的BCD编码(0000-1001)转换为对应的输出信号(0-9)。
BCD译码器可以用于显示数字、控制LED灯等应用。
2.行列译码器行列译码器是一种多输入、多输出的译码器。
它常用于矩阵键盘、扫描式显示器等应用中。
行列译码器可以将输入的行列编码转换为对应的输出信号,以实现输入设备和输出设备之间的数据传输。
1.4位BCD码转换为二进制码的电路设计该电路可以将输入的4位BCD码转换为对应的二进制码。
采用BCD二进制编码器进行设计,具体连接方式如下:-将4个BCD输入信号与编码器的输入端相连;-将编码器的输出信号与对应的二进制码输出端相连。
实验7 译码器、编码器、数码管一、实验目的1、掌握中规模集成译码器、编码器的逻辑功能和使用方法2、熟悉数码管的使用二、实验原理译码器是一个多输入、多输出的组合逻辑电路。
它的作用是把给定的代码进行“翻译”,变成相应的状态,使输出通道中相应的一路有信号输出。
译码器在数字系统中有广泛的用途,不仅用于代码的转换、终端的数字显示,还用于数据分配,存贮器寻址和组合控制信号等。
不同的功能可选用不同种类的译码器。
以3线-8线译码器74LS138为例进行分析,图1(a)、(b)分别为其逻辑图及引脚排列。
其中 A2、A1、A为地址输入端,0Y~7Y为译码输出端,S1、2S、3S为使能端。
表1为74LS138功能表当S1=1,2S+3S=0时,器件使能,地址码所指定的输出端有信号(为0)输出,其它所有输出端均无信号(全为1)输出。
当S1=0,2S+3S=X时,或 S1=X,2S+3S=1时,译码器被禁止,所有输出同时为1。
(a) (b)图1 3-8线译码器74LS138逻辑图及引脚排列表1二进制译码器实际上也是负脉冲输出的脉冲分配器。
若利用使能端中的一个输入端输入数据信息,器件就成为一个数据分配器(又称多路分配器),如图2所示。
若在S 1输入端输入数据信息,2S =3S =0,地址码所对应的输出是S 1数据信息的反码;若从2S 端输入数据信息,令S 1=1、3S =0,地址码所对应的输出就是2S 端数据信息的原码。
若数据信息是时钟脉冲,则数据分配器便成为时钟脉冲分配器。
根据输入地址的不同组合译出唯一地址,故可用作地址译码器。
接成多路分配器,可将一个信号源的数据信息传输到不同的地点。
二进制译码器还能方便地实现逻辑函数,如图3所示,实现的逻辑函数是 Z =C B A C B A C B A +++ABC图6-2 作数据分配器 图6-3 实现逻辑函数利用使能端能方便地将两个 3/8译码器组合成一个4/16译码器,如图4所示。
译码器及其应用实验报告译码器及其应用实验报告引言:译码器是一种重要的电子元件,它能将输入的数字信号转化为特定的输出信号,广泛应用于通信、计算机和电子设备中。
本实验旨在通过对译码器的实际应用进行探索,深入了解其原理和功能。
实验目的:1. 理解译码器的基本原理;2. 掌握译码器的工作方式和应用场景;3. 进行实际应用实验,验证译码器的功能和效果。
实验器材:1. 译码器芯片2. 实验电路板3. 连接线4. 开关和LED灯实验步骤:1. 实验前准备:在实验电路板上搭建一个简单的电路,将译码器芯片与开关和LED灯连接起来。
2. 连接电路:使用连接线将开关与译码器芯片的输入端相连,将LED灯与译码器芯片的输出端相连。
3. 设置输入信号:打开开关,向译码器芯片输入不同的数字信号。
观察LED灯的亮灭情况。
4. 分析实验结果:根据LED灯的亮灭情况,判断译码器芯片对输入信号的解码结果。
记录实验数据,并进行分析。
实验结果与讨论:通过实验观察和数据记录,我们可以得出以下结论:1. 译码器的工作原理:译码器根据输入信号的不同组合,将其转化为相应的输出信号。
例如,4-2译码器可以将4位二进制数转化为2位输出信号。
2. 译码器的应用场景:译码器广泛应用于数字电路、通信系统和计算机等领域。
例如,在计算机的内存管理中,译码器用于将内存地址转化为实际的存储单元。
3. 实验结果分析:根据LED灯的亮灭情况,我们可以判断译码器芯片对输入信号的解码结果。
例如,当输入信号为“00”时,LED灯1亮,LED灯2灭,表示译码器将输入信号解码为“01”。
结论:通过本次实验,我们深入了解了译码器的工作原理和应用场景。
译码器作为一种重要的电子元件,在数字电路和通信系统中具有广泛的应用前景。
通过实际应用实验,我们验证了译码器的功能和效果,并对其工作原理有了更深入的理解。
总结:译码器作为一种重要的电子元件,具有广泛的应用领域。
通过本次实验,我们不仅了解了译码器的基本原理和工作方式,还通过实际应用实验验证了其功能和效果。
译码器及应用实验报告译码器及应用实验报告引言:在现代科技的发展中,数字电子技术发挥着至关重要的作用。
而译码器作为数字电子技术中的一种重要元件,被广泛应用于各种电子设备中。
本次实验旨在通过实际操作,深入了解译码器的原理、工作方式以及应用领域。
一、实验目的本次实验的主要目的是掌握译码器的工作原理,并通过实际应用的方式加深对译码器的理解。
同时,通过实验,我们还能够了解译码器在数字电子技术中的广泛应用。
二、实验原理1. 译码器的定义译码器是一种将输入信号转换为输出信号的数字电路。
它可以将不同的输入组合转换为特定的输出信号,从而实现信息的解码。
2. 译码器的工作原理译码器的工作原理可以简单地理解为将不同的输入信号映射到特定的输出信号。
它通过内部的逻辑门电路实现这一转换过程。
常见的译码器有BCD译码器、二进制译码器等。
3. 译码器的应用领域译码器广泛应用于数字电子技术领域,特别是在数字系统中。
它可以用于将数字信号转换为特定的控制信号,从而实现各种功能。
例如,译码器可以用于将二进制代码转换为七段数码管的控制信号,实现数字显示。
三、实验步骤1. 实验器材准备本次实验所需的器材包括译码器芯片、数字信号发生器、示波器等。
2. 连接电路根据实验要求,将译码器芯片与其他器材进行连接。
确保连接正确无误后,接通电源。
3. 发送输入信号通过数字信号发生器,发送不同的输入信号给译码器芯片。
观察输出信号的变化,并记录实验数据。
4. 数据分析根据实验数据,分析输入信号与输出信号之间的关系。
探究译码器的工作原理,并进一步了解其应用领域。
四、实验结果与讨论通过实验,我们成功地观察到了译码器的工作过程,并记录了输入信号与输出信号的变化情况。
通过对实验数据的分析,我们可以清晰地了解到译码器的工作原理以及其在数字电子技术中的应用。
译码器作为数字电子技术中的重要元件,广泛应用于各种电子设备中。
例如,它可以用于将二进制代码转换为七段数码管的控制信号,实现数字显示;它还可以用于将输入的BCD码转换为相应的控制信号,实现BCD码的解码。
译码器和编码器实验报告一、实验目的。
本实验旨在通过对译码器和编码器的实验操作,加深对数字电路中信号处理的理解,掌握数字电路的基本原理和实际应用技能。
二、实验原理。
1. 译码器。
译码器是将输入的代码转换成特定的输出形式的数字电路。
它可以将一个或多个输入代码转换成一个或多个输出代码。
常见的译码器有BCD译码器、7段译码器等。
2. 编码器。
编码器是将输入的信息转换成特定的代码输出的数字电路。
它可以将一个或多个输入信息转换成一个或多个输出代码。
常见的编码器有BCD编码器、优先编码器等。
三、实验内容。
1. 验证74LS138译码器的功能。
将74LS138译码器连接至示波器和开关,输入不同的代码,观察输出端的变化情况,并记录实验数据。
2. 验证74LS147编码器的功能。
将74LS147编码器连接至示波器和开关,输入不同的信息,观察输出端的变化情况,并记录实验数据。
3. 总结实验数据。
分析实验数据,总结译码器和编码器的功能特点,对比它们的异同点。
四、实验步骤。
1. 将74LS138译码器按照电路连接图连接至示波器和开关,依次输入不同的代码,记录输出端的变化情况。
2. 将74LS147编码器按照电路连接图连接至示波器和开关,依次输入不同的信息,记录输出端的变化情况。
3. 对比实验数据,总结译码器和编码器的功能特点,撰写实验报告。
五、实验数据记录与分析。
1. 74LS138译码器实验数据。
输入代码,000,输出端,Y0=1,Y1=0,Y2=0。
输入代码,001,输出端,Y0=0,Y1=1,Y2=0。
输入代码,010,输出端,Y0=1,Y1=1,Y2=0。
输入代码,011,输出端,Y0=0,Y1=0,Y2=1。
输入代码,100,输出端,Y0=1,Y1=0,Y2=1。
输入代码,101,输出端,Y0=0,Y1=1,Y2=1。
输入代码,110,输出端,Y0=1,Y1=1,Y2=1。
输入代码,111,输出端,无输出。
2. 74LS147编码器实验数据。
实验四 译码器、编码器及其应用
实验人员: 班号: 学号:
一、实验目的
(1) 掌握中规模集成译码器的逻辑功能和使用方法; (2) 熟悉掌握集成译码器和编码器的应用; (3) 掌握集成译码器的扩展方法。
二、实验设备
数字电路实验箱,74LS20,74LS138。
三、实验容
(1) 74LS138译码器逻辑功能的测试。
将74LS138输出Y 0̅̅̅̅~Y 7̅̅̅̅接数字实验箱LED 管,地址Y 2Y 1Y 0输入接实验箱开关,使能端接固定电平(Y YY 或GND )。
电路图如Figure 1所示:
Figure 1
E Y 1YY 2Y ̅̅̅̅̅̅̅̅̅̅ YY 2Y ̅̅̅̅̅̅̅̅̅̅≠100时,任意拨动开关,观察LED 显示状态,记录观察结果。
E Y 1YY 2Y ̅̅̅̅̅̅̅̅̅̅ YY 2Y ̅̅̅̅̅̅̅̅̅̅=100时,按二进制顺序拨动开关,观察LED 显示状态,并与功能表对照,记录观察结果。
用Multisim 进行仿真,电路如Figure 2所示。
将结果与上面实验结果对照。
Figure 2
(2) 利用3-8译码器74LS138和与非门74LS20实现函数:
Y =Y ̅̅̅Y ̅̅̅+Y ̅̅̅Y
̅̅̅+YYY
四输入与非门74LS20的管脚图如下:
对函数表达式进行化简:
Y =Y ̅̅̅Y ̅̅̅+Y ̅̅̅Y
̅̅̅+YYY =Y ̅̅̅Y ̅̅̅Y ̅̅̅+Y ̅̅̅Y ̅̅̅Y +A Y ̅̅̅Y
̅̅̅+YYY =Y 0+Y 1+Y 4+Y 7=Y 0̅̅̅̅Y 1̅̅̅̅Y 4̅̅̅̅Y 7̅̅̅̅̅̅̅̅̅̅̅̅̅̅̅̅̅̅̅̅̅
按Figure 3所示的电路连接。
并用Multisim 进行仿真,将结果对比。
Figure 3
(3) 用两片74LS138组成4-16线译码器。
因为要用两片3-8实现4-16译码器,输出端子数目8×2=16刚好够用。
而输入端只有A、B、C三个,故要另用使能端进行片选使两片138译码器进行分时工作。
而实验台上的小灯泡不够用,故只用一个灯泡,而用连接灯泡的导
̅̅̅̅̅,在各端子上移动即可。
在multisim中仿真电路连接如Figure 4所示线测试Y Y
(实验台上的电路没有接下面的两个8灯LED):
Figure 4
四、实验结果
(1) 74LS138译码器逻辑功能的测试。
当输入CBA=000时,应该是Y0输出低电平,故应该第一个小灯亮。
实际用
实验台测试时,LE0灯显示如Figure 5所示。
当输入CBA=001时,应该是Y1输
出低电平,故理论上应该第二个小灯亮。
实际用实验台测试时,LE0灯显示如Figure 6所示。
Figure 5
Figure 6
同理进行其他的测试。
将测试结果列为真值表,如下:
(2) 利用3-8译码器74LS138和与非门74LS20实现函数。
输入ABC=111,由Y=Y̅̅̅Y̅̅̅+Y̅̅̅Y̅̅̅+YYY可知,小灯应该亮。
在实验台测试结果如Figure 7所示。
输入ABC=111,分析知小灯应该灭,测试结果如Figure 8所示。
输入ABC=110,分析知小灯应该亮,测试结果如Figure 9所示。
Figure 7
Figure 8
Figure 9
(3) 用两片74LS138组成4-16线译码器。
在实验台上进行测试,得到的结果列为真值表如下:
在Multisim中测试,分别取Y1YYY=1100和Y1YYY=0111,如下面的所示Figure 10、Figure 11所示:
Figure 10
此仿真结果与实验台结果相一致。
Figure 11
此仿真结果与实验台结果相一致。
五、故障排除
在实验二中进行Multisim仿真的时候,二极管的方向接错了,得到了相反的结果。
反复排查之后,发现了错误,得到了预期的结果。
在进行实验三的时候,由于线比较多,所以有两个端子接错了,导致结果不正确。
在修正之后,得到了预期的结果。
六、心得体会
我一直都没搞清楚用两个3-8译码器连成4-16译码器时,哪一片是扩展高位的哪一片是低位的。
经过这次实验我懂得了,哪一片都可以最为扩展为最高位。
根据使能端片选确定先后工作的顺序,因而确定哪一位是最低位,哪一位是最高位。
并且通过本次实验,我学会了怎么将multisim中的元件的名称隐藏起来,以节省空间。