恒定电流实验2012.03.25
- 格式:doc
- 大小:745.50 KB
- 文档页数:7
恒定电流实验一、实验仪器的读数高考要求会正确使用的电学仪器有:电流表、电压表、多用电表、滑动变阻器、电阻箱等等。
除了滑动变阻器以外,其它仪器都要求会正确读出数据。
读数的基本原则是:凡仪器最小刻度是10分度的,要求读到最小刻度后再往下估读一位(估读的这位是不可靠数字);凡仪器最小刻度不是10分度的,只要求读到最小刻度所在的这一位,不再往下估读。
电阻箱是按照各个数量级上指针的对应数值读数的,指针必须指向某一个确定的数值,不能在两个数值之间,因此电阻箱测量结果的各位读数都是从电阻箱上指针所指位置直接读出的,不再向下估读。
例1、右图是电压表的刻度盘。
若当时使用的是该表的0-3V 量程,那么电压表读数为____ _ 若当时使用的是该表的0-15V 量程,那么电压表度数为_________例2、右图是电阻箱示意图,试读出当时电阻箱的阻值_____________Ω。
二、常规实验 1.伏安法测电阻伏安法测电阻有a 、b 两种接法,如图a 叫______法,b 叫_______法。
外接法的系统误差是由电压表的_________引起的,测量值总小于真实值,小电阻应采用外接法;内接法的系统误差是由___________表的分压引起的,测量值总大于真实值,大电阻应采用_______法。
如果被测电阻阻值为R x ,伏特表和安培表的内阻分别为R V 、R A ,若xV AR R R <,则采用外接法。
若xV AR R R >,则采用内接法。
如果无法估计被测电阻的阻值大小,可以利用试触法:如图将电压表的左端接a 点,而将右端第一次接b 点,第二次接c 点,观察电流表和电压表示数的变化。
若电流表示数变化大,说明被测电阻是大电阻,应该用______法测量;若电压表读数变化大,说明被测电阻是小电阻,应该用_______法测量。
(这里所说的变化大,是指相对变化,即ΔI /I 和ΔU/U )。
2.滑动变阻器的两种接法滑动变阻器在实验电路中常用的接法有两种,分别用下面a 、b 两图表示:a 叫_______,b 叫______。
物理恒定电流实验实验1.描绘小灯泡的伏安特性曲线【实验目的】通过实验来,描绘小灯泡的伏安特性曲线并分析曲线的变化规律.【实验原理】在纯电阻电路中,电阻两端的电压和通过电阻的电流呈线性关系,也就是U-I曲线是条过原点的直线。
但是实际电路中由于各种因素的影响,U-I曲线就可能不是直线。
如图3-1所示,根据分压电路的分压作用,当滑片C由A端向B端逐渐移动时,流过小电珠(“、”或“4V、”)的电流和小电珠两端的电压,由零开始逐渐变化,分别由电流表、电压表示出其值大小,将各组I、U值描绘到U--I坐标上,用平滑的曲线连接各点,即得到小灯泡的伏安特性曲线。
金属物质的电阻率随温度升高而增大,从而测得一段金属导体的电阻随温度发生相应变化。
本实验通过描绘伏安特性曲线的方法来研究钨丝灯泡在某一电压变化范围内阻值的变化,从而了解它的导电特性。
【步骤规范】实验步骤操作规范一.连接实验电路1.对电流表、电压表进行机械调零2.布列实验器材,接图3-1连接实验电路,电流表量程,电压表量程3V 1.若表针不在零位,用螺丝刀旋动机械调零螺钉,使其正对。
2.电键接入电路前,处于断开位置;闭合电键前,滑动变阻器的电阻置于阻值最大;电线连接无“丁”字形接线。
【注意事项】1.本实验中,因被测小灯泡灯丝电阻较小,因此实验电路必须采用电流表外接法.2.因本实验要作I-U图线,要求测出一组包括零在内的电压、电流值,因此变阻器要采用分压接法.3.电键闭合后,调节变阻器滑片的位置,使灯泡的电压逐渐增大,可在伏特表读数每增加一个定值(如)时,读取一次电流值,并将数据(要求两位有效数字)记录在表中.调节滑片时应注意伏特表的示数不要超过小灯泡的额定电压.4.在坐标纸上建立一个直角坐标系,纵轴表示电流,横轴表示电压,两坐标轴选取的标度要合理,使得根据测量数据画出的图线尽量占满坐标纸;要用平滑曲线将各数据点连接起来。
【典型例题】例一某同学用如图1所示电路,测绘标有“,”的小灯泡的灯丝电阻R随电压U变化的图象.①除了导线和开关外,有以下一些器材可供选择:电流表:A1(量程100mA,内阻约2Ω)、A2(量程,内阻Ω);电压表:V1(量程5V,内阻约5kΩ)、V2(量程15V,内阻约15kΩ);滑动变阻器:R1(阻值范围0-100Ω)、R2(阻值范围0-2kΩ);电源:E1(电动势为,内阻为Ω)、E2(电动势为4V,内阻约为Ω).为了调节方便,测量准确,实验中应选用电流表______,电压表______,滑动变阻器______,电源______(填器材的符号).②根据实验数据,计算并描绘出R-U的图象如图2所示.由图象可知,此灯泡在不工作时,灯丝电阻为______;当所加电压为时,灯丝电阻为______,灯泡实际消耗的电功率为______W.③根据R-U图象,可确定小灯泡耗电功率P与外加电压U的关系.符合该关系的示意图是下列图中的______.例2“220V100W ”的白炽灯泡A 和“220V60W ”的白炽灯泡B 的伏安特性曲线如图所示.若将两灯泡并联接在110V 的电源上时,两灯泡实际消耗的功率为多大例3.(04上海)小灯泡灯丝的电阻会随温度的升高而变大.某同学为研究这一现象,用实验得到如下数据(I 和U 分别表示小灯泡上的电流和电压):(1)在左下框中画出实验电路图.可用的器材有:电压表、电流表、滑线变阻器(变化范围0—10Ω)、电源、小灯泡、电键、导线若干.(2)在右图中画出小灯泡的U —I 曲线.(3)如果实验中已知电池的电动势是,内阻是Ω.问:将本题中的灯泡接在该电池两端,小灯泡的实际功率是多少(简要写出求解过程;若需作图,可直接画在第(2)小题的方格图中)【实验目的】1.练习使用螺旋测微器;2.学会用伏安法测电阻;3.测定金属的电阻率 I (A )U (V )实验2:测定金属的电阻率【实验原理】1.根据电阻定律有,金属的电阻率因此,只要测出金属丝的长度l,横截面积S和导线的电阻R,就可以求出金属丝的电阻率ρ①根据部分电路的欧姆定律可知R=U/I只要测出金属丝两端的电压U和金属丝中的电流I,就可以测出金属丝的电阻.即用伏安法测出金属丝的电阻R②金属丝的长度l可以用米尺测量.③金属丝的横截面积S由金属丝的直径d算出,即S=πd2/4.由于金属丝的直径较小,因此需要用比较精密的测量长度的仪器——螺旋测微器来测量.这就是本实验的实验原理.若用实验中直接测出的物理量来表示电阻率,则金属丝的电阻率的表达式为2.在测定金属线的电阻时,为了防止金属线过热造成金属线的长度及电阻率的变化,因此,流过金属线的电流不宜太大.【步骤规范】实验步骤操作规范一.测量金属导线的直径1.观察螺旋测微器两小砧合拢时,可动刻度上的零刻度线和固定刻度上的零刻度线是否重合,观察螺旋测微器的最小分度值2.将金属导线放在螺旋测微器的小砧和测微螺杆之间,正确操作螺旋测微1.螺旋测微器的最小分度是,应估读到2.⑴螺旋测微器的正确握法是:用左手食指侧面和大拇指握住框架塑料防热片的左侧,用右手大拇指和食指旋动旋钮⑵调节旋钮时,应先用粗调旋钮,使小砧与金属导线接近,然后改用微调旋钮推进活动小砧,当听到棘轮打滑空转并发出“咯1.用毫米刻度尺测量固定在木条上视线要跟尺垂直;有估读(即读出)连入电路中的金属导线的长度2.以毫米刻度尺的不同起点再测两次3.算出金属导线长度平均值【螺旋测微器的读数】读数时,被测物体长度大于o.5 mm的部分在固定刻度上读出,不足o.5 mm的部分在可动刻度上读出,读可动刻度示数时,还要注意估读一位数字.螺旋测微器的读数可用下面公式表示:螺旋测微器的读数=固定刻度上的读数+可动刻度上的格数×精确度 mm【典型例题】例1、在“测定金属的电阻率”的实验中,用螺旋测微器测量金属丝直径时的刻度位置如图所示,用米尺测量金属丝的长度L=。
恒定电流实验操作教案设计一、实验目的1、了解电流随时间的变化趋势。
2、探究电流和电压、阻值之间的关系。
3、实验验证欧姆定律的正确性。
二、实验原理在电路中加入一个电阻R,并接上一个电池和开关,然后通过电流表I测量电流强度,通过电压表V测量电路两端的电压。
三、实验材料和器材电阻R=100欧姆、1k欧姆、10k欧姆、100k欧姆各1个;电池(9V)1个;电流表1个;电压表1个;开关1个;导线若干条。
四、实验操作1、接线方法:按实验电路图所示接线。
2、调节电源稳定器调节电压为9V左右,经准备实验。
3、通过电流表I读取电路的电流强度。
4、通过电压表V读取电路两端的电压。
5、重复实验1~4,分别记录不同电阻值下的电流强度和电压,并计算出它们之间的关系。
6、根据欧姆定律的公式计算得到电路中的电阻值。
五、实验数据处理与结果分析1、根据测得的电流强度、电压和电阻值的数据,用I=V/R求得电路的电阻值R并记录。
2、对比不同电阻下的电流强度和电压数据,分析它们之间的关系,探究电流和电压、阻值之间的关系。
3、验证欧姆定律的正确性。
六、实验注意事项1、接线要求正确,实验中切勿直接使用杜邦线插入芯片。
2、不同电阻值的电阻器之间要进行切换时,需要关闭电源开关,切勿将开关扼死,防止出现短路。
3、在进行读数时,需要注意读数的准确性。
4、实验时要谨慎操作,不得随意改动实验装置。
七、实验扩展1、通过改变电源电压来观察电流和电压、电流和电阻之间的关系。
2、探究不同材质、不同长度、不同截面积的导线对电路电流和电压、电阻值的影响。
3、利用实验数据,制成电流与电压、电流与电阻之间的折线图,直观地展示它们之间的变化规律。
实验一 描绘小灯泡的伏安特性曲线一、实验目的描绘小灯泡的伏安特性曲线,并分析曲线的变化规律。
二、实验原理根据部分电路欧姆定律,R U I =可得RU I 1=,测出灯泡两端电压与流过它的电流即可在I-U 坐标系中描出灯泡的伏安特性曲线,从而了解灯泡的导电特性。
三、实验器材学生电源(4~6V 直流),小电珠(“4V 0.7A ”或“3.8V 0.3A ”),电流表(内组较小),电压表(内组很大),开关和导线。
四、实验步骤(1)确定电流表、电压表的量程,照图连好电路。
(注意开关应断开,滑动变阻器与灯泡并联部分电阻为零)。
(2)闭合开关S ,调节滑动变阻器,使电流表、电压表有较小的明显示数,记录一组电压U 和电流I 值。
(3)用同样的方法测量并记录约12组U 值和I 值。
(4)断开开关S ,整理好器材。
(5)在坐标纸上,以U 为横坐标、I 为纵坐标建立直角坐标系,并根据表中数据描点,连接各点得到I -U 图线,(注意:连接各点时,不要出现折线)【数据处理】【结论】描绘出的图线是一条 线。
它的斜率随电压的增大而 ,这表明小灯泡的电阻随电压(温度)升高而实验二、测定金属的电阻率一、实验目的:学会用伏安法测量电阻的阻值,测定金属的电阻率。
二、实验原理:用刻度尺测一段金属导线的长度L ,用螺旋测微器测导线的直径d ,用伏安法测导线的电阻R=U/I ,根据电阻定律,金属的电阻率ρ=RS/L=πd 2U/4LI三、实验器材:被测金属丝、螺旋测微器、刻度尺、电流表、电压表、直流电源、滑动变阻器、电键、导线若干。
【点拨】被测金属丝要选用电阻率大的材料,电阻5~10欧之间为宜,在此前提下,电源选3伏直流电源,安培表选0.6安量程,伏特表选3伏档,滑动变阻器选50欧。
四、实验步骤(1)用螺旋测微器三次测量导线不同位置的直径取平均值D 求出其横截面积S=πD 2/4. (2)将金属丝两端固定在接线柱上悬空挂直,用毫米刻度米尺测量接入电路的金属丝长度L ,测三次,求出平均值L 。
恒定电流之电容与实验一、电路中有关电容器的计算。
(1)电容器跟与它并联的用电器的电压相等。
(2)在计算出电容器的带电量后,必须同时判定两板的极性,并标在图上。
(3)在充放电时,电容器两根引线上的电流方向总是相同的,所以要根据 正极板电荷变化情况来判断电流方向。
(4)如果变化前后极板带电的电性相同,那么通过每根引线的电荷量等于 始末状态电容器电荷量的差;如果变化前后极板带电的电性改变,那 么通过每根引线的电荷量等于始末状态电容器电荷量之和。
二、电表的改装(1)电流表原理和主要参数电流表G 是根据通电线圈在磁场中受磁力矩作用发生偏转的原理制成的,且指什偏角θ与电流强度I 成正比,即θ=kI ,故表的刻度是均匀的。
电流表的主要参数有,表头内阻R g :即电流表线圈的电阻;满偏电流I g :即电流表允许通过的最大电流值,此时指针达到满偏;满偏电压U :即指针满偏时,加在表头两端的电压,故U g =I g R g (2)电流表改装成电压表方法:串联一个分压电阻R ,如图所示,若量程扩大n 倍,即n =gU U,则根据分压原理,需串联的电阻值g g gRR n R U U R )1(-==,故量程扩大的倍数越高,串联的电阻值越大。
(3)电流表改装成电流表方法:并联一个分流电阻R ,如图所示,若量程扩大n 倍,即n =gI I ,则根据并联电路的分流原理,需要并联的电阻值1-==n R R I I R g g Rg ,故量程扩大的倍数越高,并联电阻值越小。
三、伏安法——电阻的测量电阻的测量有多种方法,主要有伏安法、欧姆表法, 除此以外,还有半偏法测电阻、 电桥法测电阻、等效法测电阻等等. 伏安法测电阻的电路选择1.伏安法测电阻的两种电路形式(如图所示)2.实验电路(电流表内外接法)的选择3、如下图a 电流表内接测R >实R4、如下图b 电流表外接测R <实RA K =Ax R RV K =xV R R(1)若A x R R >x V R R ,一般选电流表的内接法。
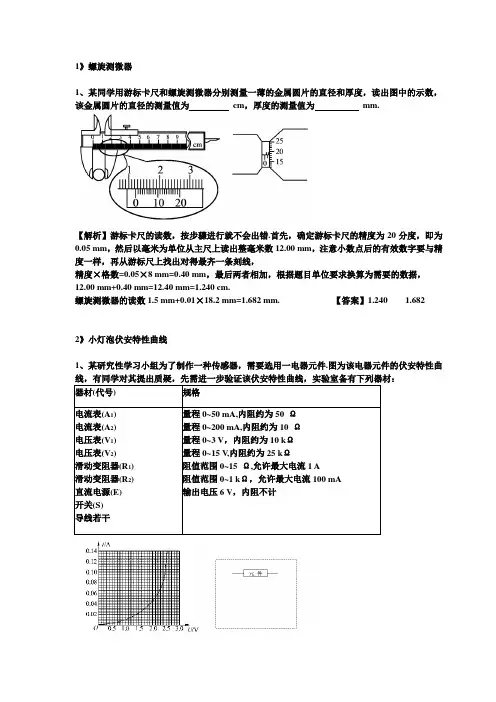
1》螺旋测微器1、某同学用游标卡尺和螺旋测微器分别测量一薄的金属圆片的直径和厚度,读出图中的示数,该金属圆片的直径的测量值为 cm ,厚度的测量值为 mm.【解析】游标卡尺的读数,按步骤进行就不会出错.首先,确定游标卡尺的精度为20分度,即为0.05 mm ,然后以毫米为单位从主尺上读出整毫米数12.00 mm ,注意小数点后的有效数字要与精度一样,再从游标尺上找出对得最齐一条刻线,精度×格数=0.05×8 mm=0.40 mm ,最后两者相加,根据题目单位要求换算为需要的数据, 12.00 mm+0.40 mm=12.40 mm=1.240 cm.螺旋测微器的读数1.5 mm+0.01×18.2 mm=1.682 mm. 【答案】1.240 1.6822》小灯泡伏安特性曲线1、某研究性学习小组为了制作一种传感器,需要选用一电器元件.图为该电器元件的伏安特性曲线,有同学对其提出质疑,先需进一步验证该伏安特性曲线,实验室备有下列器材:(1)为提高实验结果的准确程度,电流表应选用;电压表应选用;滑动变阻器应选用.(以上均填器材代号)(2)为达到上述目的,请在虚线框内画出正确的实验电路原理图,并标明所用器材的代号.(3)若发现实验测得的伏安特性曲线与图中曲线基本吻合,请说明该伏安特性曲线与小灯泡的伏安特性曲线有何异同点?相同点:,不同点:.【解析】(1)图象中电流0~0.14 A,电流表选A2;电源电压6 V,但图象只要求电压在0~3 V之间调整,为了测量准确电压表选V1;由于绘制图象的需要,要求电压在0~3 V之间调整,所以滑动变阻器只能采用分压式接法,为了能很好调节电压,滑动变阻器应选用阻值较小的R1.(2)该元件电阻约几十欧,故R V/R>R/R A,电压表的分流作用可以忽略,所以采用电流表外接法;实验数据的采集要求从零开始,所以滑动变阻器采用分压式接法.如图所示.(3)相同点:通过该元件的电流与电压的变化关系和通过小灯泡的电流与电压的变化关系都是非线性关系.不同点:该元件的电阻随电压的增大而减小,而小灯泡的电阻随电压的升高而增大.3》测定电源的电动势和内阻1、某同学采用如图甲所示的电路测定电源电动势和内电阻.已知干电池的电动势约为1.5 V,内阻约为1 Ω;电压表(0~3 V,3 kΩ)、电流表(0~0.6 A,1.0 Ω)、滑动变阻器有R1(10 Ω,2 A)和R2(100 Ω,0.1 A)各一只.(1)实验中滑动变阻器应选用(填“R1”或“R2”).(2)在实验中测得多组电压和电流值,得到如图乙所示的U-I图线,由图可较准确地求出该电源电动势E=V;内阻r= Ω.【解析】(1)将滑动变阻器全部接入电路,取10 Ω,电流约为0.15 A,取100 Ω,电阻约为0.015 A,故滑动变阻器选R1.(2)曲线在纵轴上的截距等于电动势,E=1.46 V;曲线的斜率的绝对值等于电源的内阻,r=1.8 Ω.【答案】(1)R1 (2)1.46 1.83》练习使用多用电表(1)用多用表的欧姆挡测量阻值约为几十千欧的电阻Rx,以下给出的是可能的操作步骤,其中S为选择开关,P为欧姆挡调零旋钮,把你认为正确的步骤前的字母按合理的顺序填写在下面的横线上.a. 将两表笔短接,调节P使指针对准刻度盘上欧姆挡的零刻度,断开两表笔b. 将两表笔分别连接到被测电阻的两端,读出Rx的阻值后,断开两表笔c. 旋转S使其尖端对准欧姆挡×1 kd. 旋转S使其尖端对准欧姆挡×100e. 旋转S使其尖端对准交流500 V挡,并拔出两表笔根据图中所示指针位置,此被测电阻的阻值约为.(2)下述关于用多用表欧姆挡测电阻的说法中正确的是( )A. 测量电阻时如果指针偏转过大,应将选择开关S拨至倍率较小的挡位,重新调零后测量B. 测量电阻时,如果红、黑表笔分别插在负、正插孔,则会影响测量结果C. 测量电路中的某个电阻,应该把该电阻与电路断开D. 测量阻值不同的电阻时都必须重新调零(1)测量几十千欧的电阻Rx我们一般选择较大的挡位先粗测,使用前应先进行调零,然后依据欧姆表的示数,再更换挡位,重新调零,再进行测量;使用完毕应将选择开关置于OFF位置或者交流电压最大挡,拔出表笔.欧姆表的示数乘以相应挡位的倍率即为待测电阻的阻值30 kΩ. (2)欧姆挡更换规律“大小,小大”,即当指针偏角较大时,表明待测电阻较小,应换较小的挡位;反之应换较大的挡位.电流总是从红表笔流入从黑表笔流出多用电表,每次换挡一定要进行欧姆调零,测量电阻一定要断电作业.【答案】(1)c、a、b、e 30 kΩ(2)AC2、图示为简单欧姆表原理示意图,其中电流表的满偏电流Ig=300 μA,内阻Rg=100 Ω,可变电阻R的最大阻值为10 kΩ,电池的电动势E=1.5 V,内阻r=0.5Ω,图中与接线柱A相连的表笔颜色应是色,按正确使用方法测量电阻Rx的阻值时,指针指在刻度盘的正中央,则Rx= kΩ.若该欧姆表使用一段时间后,电池电动势变小,内阻变大,但此表仍能调零,按正确使用方法再测上述Rx其测量结果与原结果相比较(填“变大”、“变小”或“不变”).【解析】欧姆表是电流表改装的,必须满足电流的方向“+”进“-”出,即回路中电流从标有“+”标志的红表笔进去,所以与A相连的表笔颜色是红色;当两表笔短接(即Rx=0)时,电流表应调至满偏电流Ig,设此时欧姆表的内阻为R内此时有关系Ig=E/R内得R内=E/Ig=5 kΩ;当指针指在刻度盘的正中央时I=Ig/2,有Ig/2=E/(R 内+Rx ),代入数据可得Rx=R 内=5 k Ω;当电池电动势变小、内阻变大时,欧姆表需重新调零,由于满偏电流Ig 不变,由公式Ig=E/R 内,欧姆表内阻R 内需调小,待测电阻的测量值是通过电流表的示数体现出来的,由 I=E/(R 内+Rx )=IgR 内/(R 内+Rx )=Ig/(1+Rx/R 内),可知当R 内变小时,I 变小,指针跟原来的位置相比偏左了,欧姆表的示数变大了. 【答案】红 5 变大4》电表的改装 电阻的测量 黑盒子问题1、有一个灵敏的电流表它的满偏电流m I g100=A ,内阻Ω=0.2g R 。
恒定电流实验报告实验目的本实验旨在通过调节电路中的电阻,观察电流是否能保持恒定,并分析电流稳定性的影响因素。
实验原理在一个电路中,当电动势(电源)为恒定时,只有当电路中的电阻恒定时,电流才能保持恒定。
根据欧姆定律,电流与电压成正比,电阻越大,电流越小;电阻越小,电流越大。
因此,通过更改电阻的大小,我们可以观察电流是否能保持恒定。
实验器材- 电流表- 电源- 不同大小的电阻- 线路连接导线实验步骤1. 将电流表、电源和电阻等器材连接在一起,建立起一个电路。
2. 打开电源,调节电阻的大小,使电流表读数保持恒定。
3. 记录下此时电流表的读数,并记录下所使用的电阻大小。
实验结果根据实验步骤,我们依次使用了不同大小的电阻,记录下了对应的电流表读数如下:电阻大小(欧姆)电流表读数(安培)-50 0.25100 0.50150 0.75200 1.00250 1.25300 1.50通过上述数据可以看出,在我们的实验中,电流表读数确实能够保持恒定。
无论使用何种大小的电阻,电流表的读数均保持在一个固定的值。
这证明了电流的恒定性与电源电动势的恒定性以及电路中电阻的稳定性密切相关。
实验讨论在本实验中,电流表读数能够保持恒定的原因在于电路中的总阻值保持不变。
只有在电动势恒定的情况下,电路的总阻值不变,电流才能保持恒定。
这是由欧姆定律所决定的。
然而,在实际的电路应用中,电阻可能会因为各种因素而发生变化,导致电流不再恒定。
例如,电阻的温度变化可能导致电阻值的变化,从而影响电路中的电流。
此外,电路中的电源也可能发生故障,导致电动势的变动,进而影响电流恒定性。
为了确保电流的稳定性,我们在实际应用中常常使用稳压电源和稳流电源来提供恒定的电动势和恒定的电流。
这些设备能够自动调节输出电压或电流,以保持电路中的电流恒定。
结论通过本实验,我们验证了恒定电流的原理。
只有在电路中的电源电动势恒定且电阻值稳定的情况下,电流才能保持恒定。
然而,在实际应用中,电路中的各种因素可能导致电流的不稳定。
高二物理恒定电流实验报告实验六描绘小灯泡的伏安特性曲线[实验目的]掌握用伏安法研究非线性电阻伏安特性的方法[实验原理]1.据部分电路的欧姆定律知,在纯电阻电路中,电阻R两端的电压U与电流I成正比,即U=IR,其U—I图线是一条过原点的直线.由于小灯泡灯丝的电阻率随着温度的升高而增大,其电阻也随着温度的升高而增大,故小灯泡的伏安特性曲线应为曲线.2.实验中选用“3.8 V,0.3 A”的小灯泡,故电流表的量程选用0.6 A,电压表的量程选用15V.由于这种规格的小灯泡的电阻很小,当它与电流表串联时,电流表的分压影响很大,为了减小实验误差,应采用电流表“外接法”.本实验中,为了使小灯泡两端的电压从零开始连续变化,滑动变阻器应采用“分压接法”。
[实验器材]小灯泡(3.8 V,0.3 A)、电压表(0~3,0~15V)、电流表(0~0.6 0~3 A)、滑动变阻器(20Ω)、学生低压直流电源(或电池组)、电键、导线若干、坐标纸、铅笔。
[实验步骤]1.根据实验要求,设计实验的电路图如图所示.2.根据电路图连接实验电路.用导线将小灯泡、电流表、电压表、滑动变阻器、电源、电键连接成实验所需的电路.滑动变阻器采用分压接法,电流表采用外接法,电流表的量程用0.6 A,电压表的量程先用0~3 V,电压超过3V时,采用15 V的量程.3.测出小灯泡在不同电压下的电流值闭合电键S前,滑动变阻器的滑片P应位于最左端,这样闭合电键后,小灯泡两端的电压可以从零开始连续变化,同时这样做也起到了保护用电器的作用,防止灯泡两端的电压过大而烧坏小灯泡及电表.闭合电键S后,使滑动变阻器的滑片户由左向右移动,在0~3.8 V范围内读取大的误差.4.在坐标纸上画出伏安特性曲线在坐标纸上,以U为横轴,以I为纵轴,建立平面直角坐标系.根据实验测得的数据,描出各组数据所对应的点,将描出的各点用平滑的曲线连接起来,就得到了小灯泡的伏安特性曲线.坐标系中,横、纵轴的标度要适中,以使所描绘的图线占据整个坐标纸为宜。
恒定电流学生实验(五个)实验一:描绘小电珠的伏安特性曲线【实验目的】通过实验来描绘小灯泡的伏安特性曲线,并分析曲线的变化规律.【实验原理】在纯电阻电路中,电阻两端的电压和通过电阻的电流呈线性关系,也就是U-I曲线是条过原点的直线。
但是实际电路中由于各种因素的影响,U-I曲线就可能不是直线。
如图3-1所示,根据分压电路的分压作用,当滑片C由A端向B端逐渐移动时,流过小电珠(“3.8V、0.3A”或“4V、0.7A”)的电流和小电珠两端的电压,由零开始逐渐变化,分别由电流表、电压表示出其值大小,将各组I、U值描绘到U--I坐标上,用平滑的曲线连接各点,即得到小灯泡的伏安特性曲线。
;图3-1 金属物质的电阻率随温度升高而增大,从而测得一段金属导体的电阻随温度发生相应变化。
本实验通过描绘伏安特性曲线的方法来研究钨丝灯泡在某一电压变化范围内阻值的变化,从而了解它的导电特性。
【步骤规范】实验步骤操作规范一.连接实验电路1.对电流表、电压表进行机械调零2.布列实验器材,接图3-1连接实验电路,电流表量程0.6A,电压表量程3V1.若表针不在零位,用螺丝刀旋动机械调零螺钉,使其正对。
2.电键接入电路前,处于断开位置;闭合电键前,滑动变阻器的电阻置于阻值最大;电线连接无“丁”字形接线。
二.读取I、U数据1.将滑动变阻器的滑片C向另一端滑动,读取一组电流表和电压表的读数2.逐渐移动滑动变阻器的阻值,在“0~3.8V”或“0~4V”范围内记录12组电压值U和相应的电流值I1.使电路中灯泡两端电压从0开始逐渐增大,可在伏特表读数每增加一个定值(如0.5V)时,读取一次电流值,并将数据记录在表中。
调节滑片时应注意伏特表的示数不要超过小灯泡的额定电压2.电流表和电压表读数要有估读(一般可估读到最小分度的101三.描绘图线将12组U、I值,描绘到I—U坐标上,画出I—U曲线在坐标纸上建立一个直角坐标系,纵轴表示电流,横轴表示电压,两坐标轴选取的标度要合理,使得根据测量数据画出的图线尽量占满坐标纸;要用平滑曲线将各数据点连接起来。
高考物理题型扫描——有关恒定电流创新实验的问题李树祥王广运恒定电流创新实验因为有较强的综合性,便于考查学生多方面的能力,因此历年来都是高考的必考内容。
每年的高考实验题,都是通过对教材内容的翻新设疑,考查学生对基本实验方法的迁移和灵活运用能力,很多题目虽然新颖独特,但原理均来源于课本的加工和深化,它是一种高层次综合能力的考核,真正的题在书外而理在书中,它将实验考查推向了更新的高度。
一、主要题型及对应策略1、欧姆表的使用及读数欧姆表使用时注意:(1)、使用多用表时不管测量的项目是什么,电流都要由电流表的正极流入,负极流出,所以使用欧姆档时,多用表内部的电池正极接的是黑表笔,负极接的是红表笔。
(2)、测量前应根据估计阻值选用适当档位。
(3)、每变换一次档位,都要重新进行电阻调零。
(4)、由于欧姆表盘刻度不均匀,难于估读,测量结果只需取两位有效数字,读数时不要忘记乘上相应档位的倍率。
(5)、多用表使用完毕后,不要忘记将选择开关拨离欧姆档,一般旋至空挡或交流电压最高档。
2、仪器的选择及实物图连接仪器的选择一般应考虑三个方面因素:第一,安全因素,如通过电源和电阻的电流不能超过其允许的最大电流;第二,误差因素,如选用电表量程应考虑尽可能减小测量的相对误差,电压表、电流表在使用时应该超过满刻度的中间量程,使用欧姆表时宜选用指针尽可能在中间刻度附近的倍率档位;第三,便于操作,如选用滑动变阻器时应考虑电压的变化范围既能满足实验要求又要便于调节。
连接实物图的基本方法:第一,画出实验电路图;第二,分析各元件的连接方式,明确电表量程;第三,画线连接各元件。
一般先从电源正极出发,到开关,再到滑动变阻器等,按顺序依单线连接方式将主电路中要串联的元件串联起来,其次将要并联的元件并连到电路中去,连接完毕,应进行检查,检查电路也应该按照连线的方法和顺序。
3、设计性试验所谓设计性试验,就是要求学生根据实验目的,运用学过的物理规律、实验方法和熟悉的实验仪器自行设计实验方案的实验,它涉及选择实验器材、安排实验步骤、设计实验表格、进行误差分析,等等。
恒定电流实验总结LEKIBM standardization office【IBM5AB- LEKIBMK08- LEKIBM2C】实验测定金属的电阻率一、螺旋测微器1.构造如图所示是常用的螺旋测微器,它的测砧A和固定刻度G固定在框架F上,旋钮K、微调旋钮K′和可动刻度H,测微螺杆P连在一起,通过精密螺纹套在G上.2.原理精密螺纹的螺距是,即K每旋转一周,P前进或后退,可动刻度分成50等份,每一等份表示,即可动刻度每转过一等份,P前进或后退.因此,从可动刻度旋转了多少个等份就知道长度变化了多少个.用它测量长度,可以精确到 mm,还可以估读到(即毫米的千分位),因此螺旋测微器又称为千分尺.3.读数方法先从固定刻度G上读出半毫米整数倍的部分,不足半毫米的部分由可动刻度读出,即看可动刻度上的第几条刻度线与固定刻度线上的横线重合,从而读出可动刻度示数(注意估读).即有:测量长度=固定刻度示数+可动刻度示数×精确度.(注意单位为mm)如图所示,不足半毫米而从可动刻度上读的示数为格,最后的读数为:4.注意事项(1)测量前须校对零点:先使小砧A与测微螺杆P并拢,观察可动刻度的零刻度线与固定刻度的轴向线是否重合,以及可动刻度的边缘与固定刻度的零刻度线是否重合,否则应加以修正.(2)读数时,除注意观察毫米整数刻度线外,还要特别注意半毫米刻度线是否露出.螺旋测微器要估读,以毫米为单位时要保留到小数点后第三位.(3)测量时,当螺杆P快要接触被测物体时,要停止使用粗调旋钮K,改用微调旋钮K′,当听到“咔、咔”响声时,停止转动微调旋钮K′,并拧紧固定旋钮.这样做既可保护仪器,又能保证测量结果的准确性.二、游标卡尺1.构造:如图实-1-4所示,主尺、游标尺(主尺和游标尺上各有一个内外测量爪),游标尺上还有一个深度尺,尺身上还有一个紧固螺钉.2.用途:测量厚度、长度、深度、内径、外径.3.原理:利用主尺的最小分度与游标尺的最小分度的差值制成.不管游标尺上有多少个小等分刻度,它的刻度部分的 总长度比主尺上的同样多的小等分刻少1 mm.常见的 游标卡尺的游标刻度格数 (分度) 刻度总长度 差值精确度(可准确到) 10 9mm 20 19mm 50 49mm 4.读数:若用x 表示由主尺上读出的整毫米数,K 表示从 游标尺上读出与主尺上某一刻线对齐的游标的格数, 则记录结果表达为(x +K ×精确度) mm . 三、测定金属的电阻率 1.实验目的(1)练习使用螺旋测微器(2)学会用伏安法测量电阻的阻值 (3)测定金属的电阻率 2.实验原理欧姆定律和电阻定律.由R =ρLS得要测ρ,需要测R 、L 、S.用毫米刻度尺测出金属丝的长度L ;用螺旋测微器测出金属丝的直径d ,得到横截面积S =πd 24;用伏安法测出金属丝的电阻R ,由R =ρL S ,得ρ=RS L =πd 2R4L.3.实验器材米尺(最小分度值1mm)、螺旋测微器、直流电压表和直流电流表、滑动变阻器、电池、开关及连接导线、金属电阻丝. 4.实验步骤(1)用螺旋测微器在被测金属导线上三个不同位置各测一次直径,求出其平均值d ,计算出导线的横截面积S .(2)用毫米刻度尺测量接入电路中的被测量金属导线的有效长度,反复测量3次,求出其平均值l.(4)电路经检查无误后,闭合开关S ,改变滑动变阻器滑动片的位置,读出几组相应的电流表、电压表的示数I 和U 的值,记入记录表格内,断开开关S ,求出电阻R 的平均值.(5)将测得的R 、l 、d 的值代入电阻率计算公式ρ=RS L =πd 2R4L.中,计算出金属导线的电阻率5.注意事项(1)本实验中被测金属导线的电阻值较小,因此实验电路必须采用电流表外接法.(2)实验连线时,应先从电源的正极出发,依次将电源、开关、电流表、待测金属导线、滑动变阻器连成主干线路(闭合电路),然后再把电压表并联在待测金属导线的两端.(3)金属导线的长度,应该是在连入电路之后再测量,测量的是接入电路部分的长度,并且要在拉直之后再测量.(4)接通电源的时间不能过长,通过电阻丝的电流不能过大,否则金属丝将因发热而温度升高,这样会导致电阻率变大,造成较大误差.(5)要恰当选择电流表、电压表的量程,调节滑动变阻器的阻值时,应注意同时观察两表的读数,尽量使两表的指针偏转较大,以减小读数误差1.在“测定金属的电阻率”的实验中,用螺旋测微器测量金属丝直径时的刻度位置如图所示,用米尺测出金属丝的长度L,金属丝的电阻大约为5 Ω,先用伏安法测出金属丝的电阻R x,然后根据电阻定律计算出该金属材料的电阻率.(1)从图中读出金属丝的直径为________ mm.(2)为此取来两节新的干电池、开关和若干导线及下列器材:A.电压表0~3 V,内阻10 kΩB.电压表0~15 V,内阻50 kΩC.电流表0~0.6 A,内阻ΩD.电流表0~3 A,内阻ΩE.滑动变阻器,0~10 ΩF.滑动变阻器,0~100 Ω①要求较准确地测出其阻值,电压表应选________,电流表应选________,滑动变阻器应选________________________________________________________________________. (填序号)②实验中实物接线如图7-4-9所示,请指出该同学实物接线中的两处明显错误.1________________________________________________________________________2________________________________________________________________________2.一位电工师傅为测量某电线厂生产的铜芯电线的电阻率,他截取了一段长为L的电线,并测得其直径为D,用多用电表测其电阻发现阻值小于1 Ω.为提高测量的精度,他从图7-4-10器材中挑选了一些元件,设计了一个电路,重新测量这段导线(下图中用R x表示)的电阻A.电源E:电动势为 V,内阻不计B.电压表V1:量程为0~ V,内阻约为2 kΩC.电压表V2:量程为0~ V,内阻约为6 kΩD.电流表A1:量程为0~0.6 A,内阻约为1 ΩE.电流表A2:量程为0~3.0 A,内阻约为ΩF.滑动变阻器R1:最大阻值5 Ω,额定电流2.0 AG.滑动变阻器R2:最大阻值1 kΩ,额定电流1.0AH.开关S一个,导线若干(1)实验时电压表选________;电流表选________;滑动变阻器选________(填元件符号).(2)请设计合理的测量电路,把电路图画在作图框中,在图中表明元件符号.(3)在实物图中用笔画线替代导线连接元件.(4)某次测量时,电压表示数为U,电流表示数为I,则该铜芯电线材料的电阻率的表达式为ρ=________.3.将右图所示的螺旋测微器的读数写出来.甲.______mm乙.______cm3.(2008·全国卷Ⅱ)某同学用螺旋测微器测量一铜丝的直径,测微器的示数如图实所示,该铜丝的直径为________mm.解析:螺旋测微器固定刻度部分读数为4.5 mm,可动刻度部分读数为0.093 mm,所以所测铜丝直径为4.593 mm.4.(1)用游标为50分度的游标卡尺测量某工件的长度时,示数如下图所示,则测量结果应该读作________mm.(2)用螺旋测微器测圆柱体的直径时,示数如下体所示,此示数为________mm.5.在“测定金属的电阻率”的实验中,待测金属丝的电阻R x约为5 Ω,实验室备有下列实验器材:A.电压表○V1 (量程0~3 V,内阻约为15 kΩ)B.电压表○V2 (量程0~15 V,内阻约为75 kΩ)C.电流表○A1 (量程0~3 A,内阻约为Ω)D.电流表○A2 (量程0~0.6 A,内阻约为1 Ω)E.变阻器R1(0~100 Ω,0.6 A)F.变阻器R2(0~2000 Ω,0.1 A)G.电池组E(电动势为3 V,内阻约为Ω)H.开关S,导线若干(1)为减小实验误差,应选用的实验器材有____________________(填代号).(2)为减小实验误差,应选用图中________[填(a)或(b)]为该实验的电路原理图,并按所选择的电路原理图把实物图用线连接起来.(3)若用毫米刻度尺测得金属丝长度为60.00 cm,用螺旋测微器测得金属丝的直径及两电表的示数如图所示,则金属丝的直径为________mm,电阻值为________Ω.实验描绘小灯泡的伏安特性曲线1.在用电压表和电流表研究小灯泡在不同电压下的功率的实验中,实验室备有下列器材供选择:A.待测小灯泡“ V、W”B.电流表(量程3 A,内阻约为1 Ω)C.电流表(量程0.6 A,内阻约为5 Ω)D.电压表(量程 V,内阻约为10 kΩ)E.电压表(量程 V,内阻约为50 kΩ)F.滑动变阻器(最大阻值为100 Ω,额定电流50 mA)G.滑动变阻器(最大阻值为10 Ω,额定电流1.0 A)H.电源(电动势为 V,内阻不计)I.电键及导线等(1)为了使实验完成的更好,电流表应选用________;电压表应选用________;滑动变阻器应选用________.(只需填器材前面的字母即可)(2)请在虚线框内画出实验电路图.(3)某同学在一次测量时,电流表、电压表的示数如图7-5-5所示.则电压值为________ V,电流值为________ A,小灯泡的实际功率为________ W.解析:待测小灯泡“ V、W”,额定电流0.5 A,额定电压为3 V,因此电流表选C,电压表选D,滑动变阻器采用分压式接法较准确,滑动变阻器选G,小灯泡电阻很小,电流表外接.答案:(1)C D G (2)如解析图所示(3)2.在“描绘小灯泡的伏安特性曲线”的实验中,可供选择的实验仪器如下:小灯泡L,“ V、0.3 A”电压表V,量程0~5 V,内阻5 kΩ电流表A1,量程0~100 mA,内阻4 Ω电流表A2,量程0~500 mA,内阻Ω滑动变阻器R1,最大阻值10 Ω,额定电流 A滑动变阻器R2,最大阻值5 Ω,额定电流0.5 A直流电源E,电动势约为6 V,内阻约为Ω(1)在上述器材中,滑动变阻器应选 ;电流表应选 .(2)在虚线框内画出实验的电路图,并在图中注明各元件的符号。
专题四 恒定电流实验(电流表 电压表 使用 改装 实验设计与分析)一、伏安法测电阻1. 用伏安法测小灯泡的电阻 (1)画出电路图(2)将图中实物按电路图连接好 (3)连电路时, 开关应 ;连完电路后, 闭合开关前, 应将滑动片置于 端。
(4)若电流表示数如图所示,电压表读数为4.5伏, 则灯泡电阻是 , 在图中画出电压表的指针位置, 并画出接线以表明测量时所用量程。
内接法与外接法 ○1电流表外接法电压真实,电流较真实值大,测量值总小于真实值 适用于R v>>R x, 即小电阻 ○2电流表内接法电流真实,电压较真实值大,测量值总大于真实值 适用于R X>>R A, 即大电阻1.先后按图中(1)、(2)所示电路测同一未知电阻阻值R x ,已知两电路的路端电压恒定不变,若按图(1)所示电路测得电压表示数为6V ,电流表示数为2mA ,那么按图(2)所示电路测得的结果应有( )A .电压表示数为6V ,电流表示数为2mAB .电压表示数为6V ,电流表示数小于2mAC .电压表示数小于6V ,电流表示数小于2mAD .电压表示数小于6V ,电流表示数大于2mAxR R R //v =测IUR =测vI I U R x -=IIR U R x A-=xR R R +=A 测IUR =测2.如图所示的电路待测电阻R X 电阻,已知电压表的读数为20V, 电流表读数为0.4A, 电压表的的内电阻为2.0╳103Ω,电流表的的内电阻为1.0╳10-2Ω,待测电阻R X 的测量值为 Ω,其真实值为 Ω.3. 如图所示是用伏安法测电阻的部分电路,开关先接通a 和b 时,观察电压表和电流表示数的变化,那么( )A. 若电压表示数有显著变化, 测量R 的值时,S 应接aB. 若电压表示数有显著变化, 测量R 的值时,S 应接bC. 若电流表示数有显著变化, 测量R 的值时,S 应接aD. 若电流表示数有显著变化, 测量R 的值时,S 应接b 实验中电表选择原则1.如图所示是某同学测量电阻R X 的电路。
恒定电流实验2012 .03.25一. 电学实验中电路的选择和仪器的选择1. 基本原则(1)精确—尽可能减少实验误差(2)方便—在保证实验正常进行的前提下,选用的电路和器材应便于操作(3)安全—不损坏实验器材(4)符合题设要求2. 实验器材的选择(1)电源通过的实际电流应小于它的最大允许电流(2)用电器的实际电流应小于它的额定电流(3)限流电路电路(串联分压)中滑动变阻器的阻值一般应大于用电器的阻值,分压电路(并联分压电路)中滑动变阻器的阻值一般应小于用电器的阻值,(4)电压表和电流表的量程应大于并尽可能接近被测量的电压和电流值。
(但量程太大导致表的读数太小则不可取,这时可考虑使用小于并接近被测量值的量程)(5)选择器材时应注意:已知内阻的电压表可以当电流表使用;同样,已知内阻的电流表也可以当电压表使用.必要时还可以利用定值电阻改变量程。
3. 电路的选择(1)滑动变阻器组成的限流电路和分压电路的选择:①若用电器的阻值比滑动变阻器的全值电阻小或相差不多,且实验要求电压变化范围不大时,一般采用限流电路②若用电器的阻值远大于滑动变阻器的全值电阻,且实验要求电压变化范围较大时,一般采用分压电路③若采用限流电路时,电路中的最小电流仍超过用电器的额定电流时,则应换用分压电路④若要求用电器的电流或电压从零开始调节,则必须使用分压电路⑤若两种电路都能满足要求时,从省电和连接方便考虑,应优先选用限流电路(2)伏安法测电阻有两种电路:即安培表内接法和安培表外接法,应根据被测电阻的阻值大小进行选择。
一般的原则是“大内偏大,小外偏小”二. 测量电流表或电压表的内阻的原理和基本方法:(一)原理:电压表和电流表在电路中具有双重作用。
一方面作为电阻参与电路的连接,另一方面作为电表指示其自身的电压和电流。
所以在测量时只需将它们看成已知电压或电流的电阻即可。
(二)基本方法:1.半偏法 2.置换法 3.伏安法(安安法、伏伏法)4.利用串联电路和并联电路的基本公式进行测量(三)不能用欧姆表直接测量电流表的内阻三. 能正确地对各种测量仪表进行读数:1. 电流表、电压表2. 欧姆表、电阻箱3. 刻度尺、游标卡尺、螺旋测微器(千分尺)4. 天平、秒表四. 能根据电路图在器材的实物图上正确连线,或反过来根据器材的实物连线图画出正确的电路图五. 例题1、在做《测定金属的电阻率》的实验中,若待测电阻丝的电阻约为5 Ω,要求测量结果尽量准确,备有以下器材:A.电池组(3 V、内阻l Ω) B.电流表(0~3 A,内阻0.0125 Ω)C.电流表(0~0.6 A,内阻0.125Ω) D.电压表(0~3 V,内阻4 kΩ)E.电压表(0-15 V,内阻15 kΩ)F.滑动变阻器(0-20 Ω,允许最大电流l A)G.滑动变阻器(0~2000 Ω,允许最大电流0.3 A)H.开关、导线上述器材中应选用的是____________ .(只填写字母代号)2、用伏安法测量一个定值电阻的阻值,备用器材如下:待测电阻R x(阻值约为25kΩ)电流表A1:(量程100μA,内阻2kΩ)电流表A2:(量程500μA,内阻300Ω)电压表V1:(量程10V,内阻100kΩ)电流表V2:(量程50V,内阻500kΩ)电源E:(电动势15V,允许最大电流1A)滑动变阻器R:(最大阻值1kΩ)电键S,导线若干为了尽量减小实验误差,要求测多组数据.(1)电流表应选_____,电压表应选______.(2)画出实验电路图.3.有一只电阻R X,其阻值大约在40-50Ω之间,需要进一步测定其阻值。
现有的器材有:①电池组E(电动势9V,内阻约0.5Ω)②伏特表V(量程0-10V,内阻约20kΩ)③毫安表A1(量程0-50mA,内阻约20Ω)④毫安表A2(量程0-300mA,内阻约4Ω)⑤滑动变阻器R1(0-100Ω,额定电流1A)⑥滑动变阻器R2(0-1700Ω,额定电流0.3A)⑦电键一只,导线若干。
有两种可供选择的电路如图1和图2所示。
实验中要求多测几组电流、电压值。
⑴为了实验能正常进行并减小系统误差,而且要求滑动变阻器要便于调节,在实验中应选图______所示的电路;应选代号为___的毫安表和代号为___的滑动变阻器。
该实验的系统误差主要是由____________引起的,这个因素总是使实验的测量值比真实值偏______。
⑵若已知所用的毫安表的准确电阻值,则应选用图_____所示的电路进行测量。
4. 某同学测量阻值约为25kΩ的电阻R x,现备有下列器材:A.电流表(量程100 μA,内阻约为 2 kΩ);B.电流表(量程500 μA,内阻约为300 Ω);C.电压表(量程15 V,内阻约为100 kΩ);D.电压表(量程50 V,内阻约为500 kΩ);E.直流电源(20 V,允许最大电流1 A);F.滑动变阻器(最大阻值1 kΩ,额定功率1 W);G.电键和导线若干。
⑴电流表应选,电压表应选。
(填字母代号)⑵该同学正确选择仪器后连接了以下电路,为保证实验顺利进行,并使测量误差尽量减小,实验前请你检查该电路,指出电路在接线上存在的问题:_____________________;________________________ 5. 用以下器材测量电阻R x的阻值(900-1000Ω):电源E,有一定内阻,电动势约为9.0V;电压表V1,量程为1.5V,内阻r1=750Ω;电压表V2,量程为5V,内阻r2=2500Ω;滑线变阻器R,最大阻值约为100Ω;单刀单掷开关K,导线若干。
(1)测量中要求电压表的读数不小于其量程的1/3,试画出测量电阻R x的一种实验电路原理图(原理图中的元件要用题中相应的英文字母标注)。
(2)若电压表V1的读数用U1表示,电压表V2的读数用U2表示,则由已知量和测得量表示R x的公式为R x= 。
6.从下列器材中选出适当的实验器材,设计一个电路来测量电流表A1的内阻r1,要求方法简捷,有尽可能高的精确度,并测量多组数据。
(1)画出实验电路图:标明所用器材的代号。
(2)若选取测量中的一组数据来计算r1,则所用的表达式r1= ,式中各符号的意义是:。
器材(代号)与规格如下:电流表A1,量程10mA,内阻待测(约40Ω);电流表A2,量程500μA,内阻r2=750Ω;电压表V,量程10V,内阻r2=10kΩ电阻R1,阻值约为100Ω;(保护电阻)滑动变阻器R2,总阻值约50Ω;电池E,电动势1.5V,内阻很小;电键K,导线若干。
7、用以下器材测量一待测电阻的阻值。
器材(代号)与规格如下:电流表A1(量程250mA,内阻r1为5Ω);标准电流表A2(量程300mA,内阻r2约为5Ω);待测电阻R1(阻值约为10Ω),滑动变阻器R2(最大阻值10Ω);电源E(电动势约为10V,内阻r约为1Ω),单刀单掷开关S,导线若干。
(1)要求方法简捷,并能测多组数据,画出实验电路原理图,并标明每个器材的代号。
(2)实验中,需要直接测量的物理量是,用测的量表示待测电阻R1的阻值的计算公式是R1= 。
8. 实际电流表有内阻,可等效为理想电流表与电阻的串联。
测量实际电流表G1内阻r1的电路如图所示。
供选择的仪器如下:①待测电流表G1 (0~5m A,内阻约300Ω),②电流表G2 (0~10m A,内阻约100Ω),③定值电阻R1 (300Ω),④定值电阻R2 (10Ω),⑤滑动变阻器R3 (0~10000Ω),⑥滑动变阻器R4 (0~20Ω),⑦干电池(1.5V),⑧电键S及导线若干。
(1)定值电阻应选,滑动变阻器应选。
(在空格内填写序号)(2)用连线连接实物图。
(3)补全实验步骤:①按电路图连接电路,;②闭合电键S,移动滑动触头至某一位置,记录G1,G2的读数I1,I2;③;④以I2为纵坐标,I1为横坐标,作出相应图线,如图所示。
(4)根据I2-I1图线的斜率k及定值电阻,写出待测电流表内阻的表达式。
9.要测量电压表V1的内阻R V,其量程为2V,内阻约2KΩ。
实验室提供的器材有:电流表A,量程0.6A,内阻约0.1Ω;电压表V2,量程5V,内阻为5KΩ;定值电阻R1,阻值30Ω;定值电阻R2,阻值为3KΩ;滑动变阻器R3,最大阻值100Ω,额定电流1.5A;电源E,电动势6V,内阻约0.5Ω;开关S一个,导线若干。
①有人拟将待测电压表V1和电流表A串联接入电压合适的测量电路中,测出V1 的电压和电流,再计算出R V。
该方案实际不可行,其最主要的原因是②请从上述器材中选择必要的器材,设计一个测量电压表V1内阻R V的实验电路。
要求测量尽量准确,实验必须在同一电路中,且在不增减元件的条件下完成。
试画出符合要求的实验电路图(图中电源与开关已连接好),并标出所选元件的相应字母代号:③由上问写出V1内阻R V的表达方式,说明式中各测量量的物理意义。
10.测量一块量程已知的电压表的内阻,器材如下:A.待测电压表(量程3V,内阻约3KΩ)B.电流表(量程3A,内阻0.01Ω)C.定值电阻(R=3KΩ,额定电流0.5A)D.电池组(电动势略小于3V,内阻不计)E.开关两只F.导线若干有一同学利用上面所给器材,进行如下实验操作:(1)为了更准确的测出该电压表内阻的大小,该同学设计了如图甲、乙两个实验电路。
你认为其中相对比较合理的是(填“甲”或“乙”)电路。
其理由是:。
(2)用你选择的电路进行实验时,需要直接测量的物理量 ;用上述所测各物理量表示电压表内阻,其表达式应为R v = 。
11. 用如图所示的电路测量量程为800 m V 的电压表内阻R V ,R V约为900Ω,某同学的实验步骤如下:a.按电路图正确连接好电路,将变阻器R 1的滑片移到最右端,电阻箱的阻值调到最大; b .合上开关S 1和S 2并调节R 1,使电压表的指针指到满刻度;c .合上开关S 1并打开S 2,调整电阻箱R 的阻值及变阻器R 1的大小,使电压表的指针指到满偏的一半;d .读出电阻箱的阻值R ,即为电压表内阻. 在该实验中,除滑线变阻器R 1外,其他器材均符合实验要求,现有两个变阻器可供选择:变阻器A :最大阻值200 Ω,额定电流1 A 变阻器B :最大阻值10 Ω,额定电流2 A 根据以上设计的实验方法,回答下列问题.(1)选用的变阻器为 .(2)上述实验步骤中,有错误的步骤是 ,应改正为 .(3)该实验中存在着系统误差,设R v 的测量值为R 测,真实值为R 真,则R 测 R 真 (填“>”“=”或“<”).12.在测量电源的电动势和内阻的实验中,由于所用的电压表(视为理想电压表)的量程较小,某同学设计了如图所示的实物电路。
(1)试验时,应先将电阻箱的电阻调到____.(选填“最大值”、“最小值”或“任意值”)(2)改变电阻箱的阻值R ,分别测出阻值R 0=10Ω的定值电阻两端的电压U ,下列两组R 的取值方案中,比较合理的方案是____.(选填1或2) (3)根据实验数据描点,绘出的1R U-图像是一条直线。