综采维修钳工中级技能鉴定试题C
- 格式:docx
- 大小:257.47 KB
- 文档页数:4
中级钳工试卷学校__________ 班级_________ 姓名____________ 得分一、单选题(共50小题每题1分,小计50分)1.钻削黄铜齿轮时,为了避免扎刀现彖,钻头需修磨()。
A.前面B.主切削刃C.横刃2.套螺纹时圆杆直径应()螺纹大径。
A.等于B.小于C.大于3.使用千斤顶支承划线工件时,一般()为一组。
A.二个B.三个C.四个4.在攻制丁件台阶旁边或机体内部的螺孔时,可选用()狡杠。
A.普通较杠13.普通活动较杠C.固定或活动的丁字较杠5.刃磨鑒子时,主要确定()的大小。
A.前角B.楔角C.后角6.鑒削时,鑒子切入工件太深的原因是()。
A.楔角太小B.前角太大C.后角太大7.锯削管了和薄板材料时,应选择()锯条。
A.粗齿B.中齿C.细齿8.钻孔时加切削液的主要目的是()。
A・润滑作用B.冷却作用C.清洗作用9.钻孔时,钻头绕本身轴线的旋转运动称为()。
A.进给运动B.主运动C.旋转运动10.可调节手狡刀主要用來狡削()的孔。
A.非标准B.标准系列C.英制系列11.锯条冇了锯路,可使工件上的锯缝宽度()锯条背部的厚度。
A.小于B.等于C.大于12.麻花钻刃磨时,其刃磨部位是()。
A.前面B.后面C.副后面13.划线时,应使划线基准与()一致。
A.设计苹准B.女装基准C.测量基准14.立体划线要选择()划线基准。
A.—个B.二个C.三个15.鑒子楔角的大小应根据()选择。
A.工件材料的软硬B.工件形状大小16.锥形镌钻,按其锥角大小可分为60。
、75°、90°和120。
等四种,其中()使用最多。
A.60°B.75°C.90°D.120°17.分度头手柄转一周,装夹在主轴上的工件转()周。
A.40 周B.1/40 周C.1周18.在承受单向受力的机械上,如压力机、冲床的螺杆,一般采用()螺纹。
A.锯齿形B.三角螺纹C.圆形螺纹19.在工件上鑒削沟槽和分割曲线形板料时,应选用()。
职业技能评价理论试题工种:综采维修钳工 等级:初级注意事项:1.答卷前将装订线左边的项目填写清楚。
2.答卷必须用蓝色或黑色钢笔、圆珠笔、不许用铅笔或红笔。
3.本份试卷共5道大题,满分100分,考试时间120分钟。
一、填空题 1、综合机械化采煤工作面是指用采煤机、自移式液压支架、可弯曲刮板输送机以及其它附同设备,包括通讯、照明等进行配套生产的工作面。
2、热装时工件加热温度不应超过 400 摄氏度。
3、允许尺寸变化的两个界限值称为 极限尺寸 。
4、液压支架按适用采高分为薄煤层支架、中煤层支架和 大采高支架 3 种。
5、《采煤工作面工程质量标准》规定:液压支架的初撑力不低于规定值的80 %。
6、轴承在装配时,轴承上注有字样的端面应朝 外 。
7、左图游标卡尺读数为多少 41.20 mm 。
8、我国安全生产管理方针: 安全第一、 预防为主 、综合治理 。
9、齿轮泵是液压系统中的 动力 原件。
10、润滑油的作用为 减振 、减磨 、冲洗、 缓冲 、防腐。
11、双滚筒采煤机常用的旋向是:面向采煤机左滚筒采用 左 旋, 逆 时针旋转。
12、按轴承受力方向的不同,滚动轴承可分为三种形式,即向心轴承,推力轴承,向心推力轴承。
13、溢流能力为10~200L /min 的安全阀为中流量安全阀14、锉刀的粗细等级要根据加工余量的大小、加工工件材料的性质、 加工精度的高低和表面粗糙度的要求等进行综合考虑后选用。
15、使用小型压力机拆装滚动轴承,应注意压力应直接加在待装配或拆卸的里圈或外圈的端面上。
16、标准公差是国家标准表列出的用以确定公差带大小的任一公差。
17、圆锥体大小直径之差与长度之比叫锥度 。
18、带式输送机应使用阻燃输送带。
19、采煤机检修后整机应做操作实验、空运转实验和调高系统实验。
20、综合机械化采煤是指采煤的全部生产过程,包括落煤、运煤、支护、顶板控制以及工作面运输巷运输等全部实现机械化。
21、综采工作面乳化液泵站压力不小于30MPa 。
中级钳工技能鉴定考核试题库附答案2015中级钳工技能鉴定考核试题库(附答案)一、判断题。
(每题2分,共20分)1、螺纹的完整标记由螺纹代号、螺纹公差代号和螺纹精度等级代号所组成。
( )2、对设备进行日常检查的目的是及时发现不良现象,并加以排除。
( )3、静压轴承的钢度是用载荷变化与轴颈偏心距变化的比值来表示的。
( )4、离心式鼓风机产生的压力为0.2~0.3Mpa ,所以只需要一个工作叶轮。
( )5、主要用于承受径向载荷的轴承,称为向心轴承。
( )6、螺纹线就是螺纹的基准线。
( )7、张紧力是保证传递功率的大小的,张紧力越大传递的功率越大传动效率越高。
( )8、圆形锉刀和矩形锉刀的尺寸规格,是以锉刀尖部到根部的长度表示的。
( )9、机修钳工在修理中常用千斤顶等其中设备。
( )10、一般正常钻孔加工的表面粗糙度可达Ra25~6.3μm。
( )二、填空题。
(每空3分,共30分)1、研磨小平面工作通常都采用_________________轨迹。
2、将两块钢板置于同一平面利用单盖板或双盖板的铆接形式叫做___________。
3、张紧力的调整方法是_________________________________。
4、V带传动机构中,带在带轮上的包角不能小于________度,否则容易容易打滑。
5、动压轴承具有_________________ 和 ___________________的特点。
6、滚动轴承基本代号的排列顺序为____________、____________、____________。
7、高度游标卡尺的读数值一般为______________。
三、选择题。
(每题2分,共20分)1、垫片式调整机构是通过改变垫片的_______来实现消除间隙和预紧的调整。
A 长度B 宽度C 厚度2、故障的类型很多由于操作人员操作不当所产生的故障可归纳为_________。
A 技术性故障B 规律性故障C 偶发性故障3、机械产生温升过高现象反映了轴承等________部位的工作状况失常。
职业技能鉴定钳工中级实操技能试题2、考核时间:240分钟(准备时间30分钟)3、考核形式:实操4、考核要求:1)准备工作:穿戴劳保用品,准备齐全工具,认真阅读试题图样和要求。
2)操作过程:按照图样和技术要求,使用合理的加工工艺进行制作,达到精度要求。
3)使用工具:正确使用工具,工具摆放整齐。
4)安全及其他:严格遵守安全操作规程,服从考评工作人员的指挥,保持工作场地清洁整齐有序,规定时间内完成操作,考试结束时清理现场。
5、图样:拼块六方技术要求:1、各锉削面未注平面度0.02mm。
2、件1为基准件,件2配作。
3、各面正反配合间隙≤0.06mm。
4、各锉削面未注表面粗糙度Ra1.6μm。
5、孔口倒角C0.5.6、锐角倒钝R0.3. 6、评分标准:序号考核项目评分标准配分实测扣分得分结果1准备工作穿戴劳保用品工具准备齐全未穿戴整齐扣3分2使用工具正确使用工具工具摆放整齐工具选择不正确扣2分工具乱摆乱放扣3分3加工制作按照技术要求加工制作20±0.04(2处)45°±4′(2处)30±0.260±0.230±0.0560±0.240±0.215±0.05(4处)Ø10H7(2处)垂直度0.02正反配合间隙≤0.06(5处)翻边间隙≤0.06(5处)错位量≤0.06XXX(16处)孔口倒角C0.5;锐角倒钝R0.3.4使用工具正确维护工具按规定使用工具违规1次总分扣5分,严重违规停止操作5安全及其他严格遵守安全操作规程在规定时间内完成操作超时1分钟总分扣5分,超时3分钟停止操作工作场地保持清洁整齐有序合计考评人员100评分人员总评成绩。
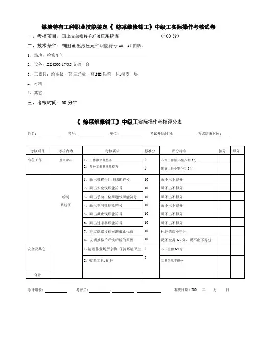
煤炭特有工种职业技能鉴定《综采维修钳工》中级工实际操作考核试卷
一、考核项目:画出支架推移千斤液压系统图(100分)
二、技术条件:制图.画出液压元件职能符号A3、A4图纸。
1、场地:检修车间
2、设备:ZZ4200-17/35支架一台
3、工器具:绘图仪一套,三角板一套,HB铅笔一只,橡皮一块
4:材料:
5、其它:
三、考核时间:60分钟
《综采维修钳工》中级工实际操作考核评分表
姓名:考号:单位:考试开始时间:考试结束时间:
考评组长:考评员:、、考核日期:200 年月日
煤炭特有工种职业技能鉴定《综采维修钳工》中级工实际操作考核试卷(标准模板)
一、考核项目:更换采煤机截齿,齿套(100分)
二、技术条件:能正确使用卡簧钳
1、场地:机修车间
2、设备:MG300/690-W采煤机滚筒
3、工器具:手锤,一字螺丝刀,轴用挡圈钳,截齿起子
4:材料:截齿,齿套
5、其它:
三、考核时间:60分钟
《综采维修钳工》中级工实际操作考核评分表
姓名:考号:单位:考试开始时间:考试结束时间:
考评组长:考评员:、、考核日期:200 年月日。
钳工中级考试试题及答案一、单项选择题(每题2分,共20分)1. 钳工常用的量具不包括以下哪一项?A. 游标卡尺B. 千分尺C. 钢卷尺D. 电子秤答案:D2. 在钳工操作中,用于测量工件内孔直径的工具是?A. 外径千分尺B. 内径百分表C. 内径千分尺D. 外径百分表答案:C3. 钳工划线时,用于确定工件中心位置的划线工具是?A. 划针B. 划线规C. 划线盘D. 划线锤答案:C4. 钳工锉削时,正确的锉削方向是?A. 从左向右B. 从右向左C. 从上向下D. 从下向上5. 钳工钻孔时,用于确定钻孔位置的工具是?A. 划线盘B. 钻头C. 钻夹头D. 中心冲答案:D6. 钳工攻丝时,用于控制螺纹深度的工具是?A. 丝锥B. 丝攻板手C. 螺纹规D. 螺纹塞规答案:C7. 钳工锯削时,用于固定工件的工具是?A. 台钳B. 手锯C. 锯条D. 锯架答案:A8. 钳工铰孔时,用于确定孔径大小的工具是?A. 铰刀B. 铰刀柄C. 铰刀套D. 铰刀夹答案:A9. 钳工矫正工件时,用于测量工件弯曲度的工具是?B. 角度尺C. 弯曲度规D. 平行规答案:C10. 钳工装配时,用于固定零件位置的工具是?A. 手锤B. 螺丝刀C. 扳手D. 定位销答案:D二、多项选择题(每题3分,共15分)1. 钳工常用的手工具包括以下哪些?A. 锉刀B. 手锯C. 电钻D. 扳手答案:ABD2. 钳工划线时,常用的划线工具包括?A. 划线规B. 划线盘C. 划线锤D. 划针答案:ABCD3. 钳工锉削时,正确的操作方法包括?A. 锉削方向应与工件表面平行B. 锉削时用力要均匀C. 锉削时工件应固定在台钳上D. 锉削时可以随意改变锉削方向答案:ABC4. 钳工钻孔时,常用的辅助工具包括?A. 钻夹头B. 中心冲C. 钻头D. 台钳答案:ABD5. 钳工攻丝时,常用的工具包括?A. 丝锥B. 丝攻板手C. 螺纹规D. 螺纹塞规答案:ABC三、判断题(每题2分,共20分)1. 钳工在进行锉削操作时,应使用锉刀的整个平面进行锉削。
中级钳工试卷学校___________ 班级________ 姓名___________ 得分_____一、单选题( 共50小题每题1分, 小计50分)1. 钻削黄铜齿轮时,为了避免扎刀现象,钻头需修磨()。
A. 前面B. 主切削刃C. 横刃2. 套螺纹时圆杆直径应()螺纹大径。
A. 等于B. 小于C. 大于3. 使用千斤顶支承划线工件时,一般()为一组。
A. 二个B. 三个C. 四个4. 在攻制工件台阶旁边或机体内部的螺孔时,可选用()铰杠。
A. 普通铰杠B. 普通活动铰杠C. 固定或活动的丁字铰杠5. 刃磨錾子时,主要确定()的大小。
A. 前角B. 楔角C. 后角6. 錾削时,錾子切入工件太深的原因是()。
A. 楔角太小B. 前角太大C. 后角太大7. 锯削管子和薄板材料时,应选择()锯条。
A. 粗齿B. 中齿C. 细齿8. 钻孔时加切削液的主要目的是()。
A. 润滑作用B. 冷却作用C. 清洗作用9. 钻孔时,钻头绕本身轴线的旋转运动称为()。
A. 进给运动B. 主运动C. 旋转运动10. 可调节手铰刀主要用来铰削()的孔。
A. 非标准B. 标准系列C. 英制系列11. 锯条有了锯路,可使工件上的锯缝宽度()锯条背部的厚度。
A. 小于B. 等于C. 大于12. 麻花钻刃磨时,其刃磨部位是()。
A. 前面B. 后面C. 副后面13. 划线时,应使划线基准与()一致。
A. 设计基准B. 安装基准C. 测量基准14. 立体划线要选择()划线基准。
A. 一个B. 二个C. 三个15. 錾子楔角的大小应根据()选择。
A. 工件材料的软硬B. 工件形状大小16. 锥形锪钻,按其锥角大小可分为60°、75°、90°和120°等四种,其中()使用最多。
A. 60°B. 75°C. 90°D. 120°17. 分度头手柄转一周,装夹在主轴上的工件转()周。
职业技能鉴定国家题库——钳工中级理论知识试卷及其参考答案2注 意 事 项1、考试时间:、考试时间:120120120分钟。
分钟。
分钟。
2、请首先按要求在答题纸上填写您的参考工种、等级、试卷号、准考证号、姓名。
3. 请仔细阅读各种题目的回答要求,在答题纸对应位置上填写您的答案。
请仔细阅读各种题目的回答要求,在答题纸对应位置上填写您的答案。
一、单项选择(第1题~第160题。
选择一个正确的答案,将相应的字母填入答题纸的相应位置中。
每题0.5分,满分80分。
) 1. 职业道德体现了职业道德体现了( a )( a )。
A 、从业者对所从事职业的态度、从业者对所从事职业的态度 B B 、从业者的工资收入、从业者的工资收入C 、从业者享有的权利、从业者享有的权利D D 、从业者的工作计划、从业者的工作计划2. 职业道德的实质内容是职业道德的实质内容是( c )( c )。
A 、改善个人生活、改善个人生活 B B 、增加社会的财富、增加社会的财富 C 、树立全新的社会主义劳动态度、树立全新的社会主义劳动态度 D D 、增强竞争意识、增强竞争意识3. 职业道德基本规范不包括职业道德基本规范不包括( b )( b )。
A 、遵纪守法廉洁奉公、遵纪守法廉洁奉公 B B 、公平竞争,依法办事、公平竞争,依法办事C 、爱岗敬业忠于职守、爱岗敬业忠于职守D D 、服务群众奉献社会、服务群众奉献社会4. 忠于职守就是要求把自己忠于职守就是要求把自己( b)( b)的工作做好。
的工作做好。
A 、道德范围内、道德范围内B B 、职业范围内、职业范围内C C 、生活范围内、生活范围内D D 、社会范围内、社会范围内5. 遵守法律法规不要求遵守法律法规不要求( c )( c )。
A 、遵守国家法律和政策、遵守国家法律和政策 B B 、遵守安全操作规程、遵守安全操作规程C 、加强劳动协作、加强劳动协作D D 、遵守操作程序、遵守操作程序6. 具有高度责任心应做到具有高度责任心应做到( c )( c )。
中级综采维修电工鉴定试题一、判断题1. 当温度升高时金属导体电阻增加。
(√)2. 电容器串联电容量增加,电容器并联电容量减小。
(×)3. 熔断器时过负荷保护装置。
(×)4. 橡套电缆的接地芯线,除用作监测回路外,不得兼作其它用途。
(√)5. 不延燃的橡套电缆就是橡套不能点燃。
(×)6. 胶圈外径D与腔室内径间隙不大于2mm。
(√)7. 在采煤机上必须装有能停止和开动刮板输送机的控制装置。
(×)8. 每周必须对低压检漏装置的运行情况进行1次跳闸试验。
(√)9. 1140V设备及综掘工作面的660V及380V设备必须用分相屏蔽不延燃橡套电缆。
(√)10.更换截齿或距滚筒上下3m以内有人工作时,都必须切断电源,并打开离合器。
(√)二、选择题1. 单位时间内交流电重复变化的次数叫 B 。
A. 周期B. 频率C. 角频率2. 用表测量晶体二极管的正向电阻与反向电阻,相差越 B 越好。
A. 小B. 大C. 相等3. 低压电缆主芯线截面选取原则;通过电缆实际负荷电流I i A 电缆长时间允许负荷电流I y。
A.﹤(小于)B. ﹥(大于)4. 漏电闭锁装置是用以对 B 的供电干线或分支线的对地绝缘态进行监视。
A. 送电B. 未送电5. 使用稳压二极管时应注意极性不能接错,否则会造成电源 A 。
A. 短路B. 断路6. 移动变电站的干式变压器一次侧线圈匝数减少,二次电压 A 。
A. 升高B. 降低7. 当变压器初级线圈和次级线圈有电流通过时,因线圈自身电阻引起的电能损耗叫 B 。
A. 铁损B. 铜损8. 普通型携带式电气测量仪表,只准在瓦斯浓度 A 以下的地点使用。
A. 1%B. 1.5%9. 煤矿用电气设备(Ⅰ类)表面可能堆积煤粉时,允许最高表面温度为A ℃。
A. +150B. +10010.带式输送机必须使用 A 。
A. 阻燃输送带B. 普通易燃输送带三、填空题1. 在电路的任一节点处,电流的代数和等于零,这就是基尔霍夫第一定律。
综采维修钳工理论考试(中级)---贺晓明煤炭特有工种职业技能鉴定《综采维修钳工》中级工(四级)理论考试试卷(卷)一、判断题(每题1分,共40分,请在您认为正确的题后括号内打“√”,错误的打“×”):1、碳素工具钢最适合作高速切削刀具用。
(×)2、车刀在刀架上安装位置的高低对切削工作角度无影响。
(×)3、在车削过程中产生积屑瘤,易影响工件的加工精度。
(×)4、工件残余应力引起的误差和变形都很小,不会对机器构成影响。
(×)5、各种液压油性能都差不多,因此可任意混合使用。
(×)6、钻削精密孔的关键是钻床精度高且转速及进给量合适,而与钻头无关。
(×)7、提高切削速度是提高切削效率的最有效途径。
(×)8、提高切削速度是提高刀具寿命的最有效途径。
(×)9、零件的机械加工质量包括加工精度和表面质量两个部份。
(×)10、加工精度的高低主要取决于机床的好坏。
(×)11、容积泵是依靠工作室容积的间歇改变来输送液体。
(√)12、离心泵流量的单位一般用m3表示。
(×)13、离心泵扬程的单位是MPa。
(×)14、离心泵在启动前应灌满液体并将出口管路上的阀门关闭。
(√)15、离心泵一般属于高压泵。
(×)16、在工业企业中,设备管理是指对设备的物质运动形态的技术管理。
(×)17、生产技术准备周期是从生产技术工作开始到结束为止的经历的总时间。
(×)18、一般刀具材料的高温硬度越高,耐磨性越好,刀具寿命也越长。
(√)19、用硬质合金车削硬钢时,切削速度越慢刀具寿命越长。
(×)20、刀具刃磨后,刀面越平整,表面粗糙度越小,刀具寿命越长。
(√)21、刀具刃磨后,刀刃的直线度和完整程度越好,加工出的工件表面质量越好。
(√)22、加工精度的高与低是通过加工误差的大和小来表示的。
职业技能鉴定国家统一试卷中级工具钳工知识试卷1204 621 一002姓名:准考证号:工考单位注意事项1 .请首先按要求在试卷的标封处坡写您的姓名、考号和所在单位的名称.2 .请仔细阅读各种题目的回答要求.在规定的位笠填写您的答案.一、填空题(第 1 ~10 题.将适当的词语填入题中的划线处.每顺题2 . 0 分。
满分20 分):1 .W18cr4v 是,常用来制造一些形状比较复杂的刀具·2 .细刮刀的楔角一般应刃磨成左右,刀刃梢带圆弧.3 .标准群钻修磨横刃后.内刃前角,切削省力,可加大切削速度,4 .止端螺纹环规检查工件外螺纹的单一.5 .址针法测盘螺纹中径的方法.应用最广泛的是·6 .折线形齿背是在齿沟加工结束后,用单角铣刀的锥面齿或双角铣刀的锥面齿铣削而成。
7 .丝锥制造过程中抛槽工序的目的是为了清除后留下的污垢.8 .分组选配法的装配精度取决干零件的.9 .锻摸热处理淬火后模措可用装上各种形状的砂轮进行精磨..机床电气控制线路中,热继电器主要起保护.二、选择题(第11~30 题.选择正确的答案,将相应的字母填入题内的括号中.每题 2 .0分.满分40 分):11 .用半径为R 的圆弧外切连接两个半径分别为R1,R2 的圆弧.确定连接画弧圆心的方法为:分别以两己知圆弧的圆心O1 ,O2 为圆心,以()为半径作圆弧,其交点即为连接弧的圆心O。
( A ) R 一Rl 、R 一RZ ( B ) R + Rl 、R + RZ〔C ) Rl 一R 、RZ 一R (D } R 一Rl 、R + RZ12.金属切削刀具的切削部分的材料,应具有高硬度,一般在常温下的硬度应在( )以上.( A ) 80HRC ( B ) 70HRC ( c ) 200HBS (D)60HRC13 .在主剖面内测量的前刀面与基面之间的夹角叫() .(A)刃倾角λ0(B)主后角α(C)主偏角K , (D)前角γ。
国家职业技能鉴定一工(中级)考试试卷及其参考答案注意事项:1.答卷前将密封线内的项目填写清楚。
2.填写答案必须用蓝色(或黑色)钢笔、圆珠笔,不许用铅笔或红笔。
3.本份试卷共1道大题,满分118分,考试时间120分钟。
评卷人得分----------------一、判断题(每小题1分,共118分)1.C6140普通车床的溜板刀架纵,横向运动,可由光杠,丝杠传动而得。
()2.被装配产品的产量,在很大程度上将决定产品的装配程序和装配方法。
()3.标准群钻上的分屑槽,能使宽的切屑变窄,从而使排屑流畅。
()4.表面粗糙度代号应注在可见轮廓线、尺寸线、尺寸界线或它们的延长线上。
()5.薄膜式气缸价廉,省气,体积小,但工作行程较短。
()6.采用近似加工原理的加工方法很难做出合格产品。
()7.测量误差主要是人的失误造成,和量具、环境无关。
()8.产品按专业化组织生产,使生产过程比较简单,有利于提高生产率和产品质量,降低成本。
()9.车刀在刀架上安装位置的高低对切削工作角度无影响。
()10.齿轮游标卡尺是用来测量齿轮直径的。
()11 .粗刮是增加研点,改善表面质量,使刮削面符合精度要求。
()12.铿削工作范围较广,可以铿削工件上的律种内、外表面,包括形状较为夏杂的表面。
()13.单件小批生产由于数最少,因此对工人技术水平要求比大批量生产方式要低。
()14.单件小批生产中应多用专用机床以提高效率。
()15.单件小批生产中应尽量多用专用夹具。
()16.刀具对加工精度的影响,将因刀具种类的不同而不同。
()17.刀具切削部分常用的材料,红硬性最好的高速钢。
()18.刀具刃磨后,刀面越平整,表面粗糙度越小,刀具寿命就越长。
()19.刀具刃磨后,刀刃的直线度和完整程度越好,加工出的工件表面质量越好。
()20.动压润滑是利用外界的汕压系统供给一定的压力润滑汕使轴颈与轴承孔之间处于完全液体摩擦状态。
()21 .阀门研磨时,多数是采用配对互研。
中级钳工试卷学校___________ 班级________ 姓名___________ 得分_____一、单选题( 共50小题每题1分, 小计50分)1. 钻削黄铜齿轮时,为了避免扎刀现象,钻头需修磨()。
A. 前面B. 主切削刃C. 横刃2. 套螺纹时圆杆直径应()螺纹大径。
A. 等于B. 小于C. 大于3. 使用千斤顶支承划线工件时,一般()为一组。
A. 二个B. 三个C. 四个4. 在攻制工件台阶旁边或机体内部的螺孔时,可选用()铰杠。
A. 普通铰杠B. 普通活动铰杠C. 固定或活动的丁字铰杠5. 刃磨錾子时,主要确定()的大小。
A. 前角B. 楔角C. 后角6. 錾削时,錾子切入工件太深的原因是()。
A. 楔角太小B. 前角太大C. 后角太大7. 锯削管子和薄板材料时,应选择()锯条。
A. 粗齿B. 中齿C. 细齿8. 钻孔时加切削液的主要目的是()。
A. 润滑作用B. 冷却作用C. 清洗作用9. 钻孔时,钻头绕本身轴线的旋转运动称为()。
A. 进给运动B. 主运动C. 旋转运动10. 可调节手铰刀主要用来铰削()的孔。
A. 非标准B. 标准系列C. 英制系列11. 锯条有了锯路,可使工件上的锯缝宽度()锯条背部的厚度。
A. 小于B. 等于C. 大于12. 麻花钻刃磨时,其刃磨部位是()。
A. 前面B. 后面C. 副后面13. 划线时,应使划线基准与()一致。
A. 设计基准B. 安装基准C. 测量基准14. 立体划线要选择()划线基准。
A. 一个B. 二个C. 三个15. 錾子楔角的大小应根据()选择。
A. 工件材料的软硬B. 工件形状大小16. 锥形锪钻,按其锥角大小可分为60°、75°、90°和120°等四种,其中()使用最多。
A. 60°B. 75°C. 90°D. 120°17. 分度头手柄转一周,装夹在主轴上的工件转()周。
综采维修钳中级试题1一、填空题(每空2分,共10分)1、允许尺寸变化的两个界限值称为。
2、液压支架按适用采高分为薄煤层支架、中煤层支架和支架3种。
3、溢流能力为 L/min的安全阀为中流量安全阀。
4、《采煤工作面工程质量标准》规定:液压支架的初撑力不低于规定值的 %。
5、双滚筒采煤机常用的旋向是:面向采煤机左滚筒采用旋,时针旋转。
二、选择题(每题二分,共30分)(1)保证零部件互换性,允许加工的误差称为。
A配合 B公差 C 行位公差(2)油液动力粘度与密度的比值称为粘度。
A 运动 B. 恩氏 C. 雷氏(3)螺栓性能等级是按螺栓进行划分的。
A. 屈服点 B。
屈服强度 C. 抗拉强度(4)掩护式支架平衡千斤顶,用以调整顶梁和掩护梁间的夹角,提高顶梁的性能。
A. 切顶B. 支撑C. 防倒(5)《液压支架检修质量标准》规定:构件平面上出现的凹坑面积不得超过 c㎡,深度不得超过20mm。
A.50B. 80C. 100(6)推移框架杆的直线度不得超过 %A. 1B. 5C. 10(7)无链牵引采煤机的有点之一是:消除由于牵引链工作中的引起采煤机移动不平息。
A. 脉动B. 振动C. 滑动(8)液压牵引采煤机常用的主油泵有斜轴式、通轴式和轴向柱塞泵。
A. 单轴式B. 多轴式C. 直轴式(9)采煤机滑靴磨损均匀,磨损量不大于 mm。
A. 5B. 10C. 15(10)刮板上的两股链条中心距不小于中部槽宽度50%的为。
A. 边双链 B。
准边双链 C. 中双链(11)液力耦合器安装在轴上的轮为涡轮。
A. 电动机B.机头C. 减速器(12)瓦斯是一种无色、无味、。
A. 无臭B. 有臭C. 有毒(13)采掘工作面的进风流中,按体积计算,氧气不得低于 %。
A. 10B. 15C. 20(14)煤的是不在层间的裂隙。
A. 层理B. 节理C. 脆性(15)倾角在25°至的煤层为倾斜煤层。
A. 40°B. 45°C. 50°三、判断题(每题二分,共30分)1、液压传动与液力传动不同,采煤机上采用的是液力传动。
华电煤业集团有限公司全员持证上岗考试卷(液压泵工C)试卷说明:1、本试卷共4页,四种题型,满分100分。
2、本次考试为闭卷,考试时间为90分钟。
3、各位学员将答案一律写在答题纸上,试卷上作答无效。
一、判断题(共10小题,每题1分,共10分。
真确的填“√”,错误的填“×”。
并将答案填在答题纸内。
)1、绞车刹车带与闸轮的接触面积不少于闸带面积的60% ()2、安全生产教育、培训,应坚持“统一规划,归口管理,分级实施,分类指导,教考分离”的原则。
()3、公司安全生产责任制度按照“管生产必须管安全”、“谁主管、谁负责”的原则制定。
()4、矿帽可保护头部免遭垮落的小块煤岩击伤,也可减少不小心碰到支架及其它坚硬物体的伤害。
()5、拆除侧护板前,一定要将液压支架的侧护板用天车绑好。
()6、用止血带止血时,应将止血带紧紧扎在伤口上。
()7、清洗工作时使用各类油脂场地可以吸烟。
()8、运转中的机器、机械传动装置,可以进行润滑和清理。
()9、井下紧急避险系统包括临时避难硐室、永久避难硐室和救生舱。
()10、锉刀木柄不得有裂纹、松动,但可不装金属箍。
()二、单项选择题(共10小题,每题2分,共20分。
选出一个正确的答案,并将字母标号填在答题纸内。
)1、《中华人民共和国劳动法》规定,工资分配应当遵循按劳分配原则,实行()。
A.劳有所得B.效率优先C.公平合理D.同工同酬2、()在井下拆开、敲打、撞击矿灯。
A.严禁B.可以C.矿灯有故障时才能3、根据现行有关规定,我国目前使用的安全色中的(),表示禁止、停止,也代表防火。
A.红色B.黄色C.绿色4、“安全第一”就是要始终把安全放在首要位置,优先考虑从业人员和其他人员的安全,实行()的原则。
A.生产优先B.安全优先C.管生产必须管安全5、机组整机空转时滚筒调至最高位置,牵引部正向牵引运转()小时A.1B.1.5C.0.56、煤矿用产品安全标志标识符号为()。
A.GBB.MAC.KY7、机组试转后要测定空载电机功率和()。
综采维修钳工中级技能
鉴定试题C
Document number【AA80KGB-AA98YT-AAT8CB-2A6UT-A18GG】
职业技能鉴定国家题库综采维修钳(中级)理论知识复习题C
一、选择题
1、发出的矿灯,最低应能连续使用小时。
A、8
B、11
C、24
2、在煤体中不在层间的裂隙。
A、层理
B、节理
C、裂隙
3、瓦斯爆炸的浓度界限为。
A、1-8%
B、2-10%
C、5-16%
4、更换滚筒属于( C )工作
A: 故障处理 B:设备检修 C:设备维护
5、截割较硬的煤层时,对滚筒应选择( B )
A: 较大的滚筒 B:较低的转速 C: 较高的转速
6、采煤机应安装有效的喷雾装置。
A、内
B、外
C、内外
7、采煤机滑靴磨损量不得大于。
A、5mm
B、10mm
C、20mm
8、液压支架不降架的原因是( B );
A:立柱窜液 B:液控单向阀损坏 C:顶板压力大
9、ZCA操纵阀的中位职能是( B );
A:O 型 B:Y 型 C:N型
10、当采高超过或片帮严重时,液压支架必须设有护帮板。
A、2m
B、2.5m
C、3m
11、工作面倾角大于时,液压支架必须采用防滑、防倒措施。
A、100
B、150
C、200
12、推移中部溜槽时应滞后采煤机进行。
A、6m
B、12m
C、18m
型乳化液泵站管路抖动厉害的原因是()
13、XRB
2B
A:压力高 B:流量大 C:蓄能器无压力
型乳化液泵不能反转的原因是()
14、XRB
2B
A:泵会损坏 B:流量小 C:压力低
15、乳化液泵空载启动的意图是()
A:延长泵的寿命 B:防止液体倒流 C:减小启动电流
16、乳化液泵使用的乳化液,为()种液体。
A:水包油型 B:油包水型 C:化合型
17、检修质量标准规定;刮板弯曲变形不得大于
A 5 mm B、6 mm C、7 mm
18、铺设封底溜槽时,每隔块应铺设一块有活动窗口的溜槽。
A、3-4
B、4-6
C、4-6
19、安装刮板链时,上部立环的焊口应朝向中板的
A、下方
B、上方
C、前方
20.下面哪一种表示的是中双链型转载机
A、SGZ764/132
B、SGB764/112
C、SGD730/110
二、判断题
1、液压马达在液压系统中是动力元件(×)
2、蓄能器在液压系统中属于控制元件(×)
3、液压泵是将机械能转换为液体压力能的装置(√)
4、对于双滚筒采煤机,滚筒直径应选的多大于最大采高的一半(√)
5、为了增强采煤机工作稳定性,采煤机两滚筒的转向应相同(×)
6、右截割部配置右螺旋滚筒,应按顺时针转动。
(√)
7、相邻截齿间的距离称为截距(√)
8、在滚筒上镐形截齿一般是径向安装的(×)
9、液控单向阀若密封不严,会导致不降柱故障(×)
10、调整液压支架间距时,应沿工作面自上而下的顺序进行(√)
11、移架步距应为千斤顶的伸缩长度(×)
12、液压支架的架间距等于一节标准溜槽的长度(√)、
13泵站压力低可能是安全阀整定值低(×)
14两台乳化液泵同时工作的目的是增大工作压力(×)
15刮板输送机溜槽间的转角一般为2~4°(√)
16、采用自上而下的推移顺序,在一定程度上可阻止刮板输送机的下滑(×)
17、桥式转载机是横向前移的(×)
18、调节溜槽的长度是1.5m (×)
19缓冲托辊的安装距离为1500mm。
(×)
20、在采煤机上可以开停胶带输送机(×)
三、填空题
1、电流的基本单位是安培。
2、电压的基本单位是伏特。
3、液压系统中液体的流量常用字母Q 表示。
4、油泵输入的能量是机械能。
5、油马达输出的转动方式为机械能。
5、采煤机外喷雾的供水压力不得小于1.5Mpa。
6、前顶后底截割时,采煤机两滚筒应对向旋转
7、前底后顶截割时,采煤机两滚筒应背向旋转
8、液控双向锁,距离较近的两个接口,应与操纵阀相连;
9、先推溜后移架,是滞后支护方式;
10、推移中部溜槽,应滞后采煤机10~15mm 进行;
11、移动式乳化液泵站,安置在距采煤工作面30~50m的风巷内。
12、用袖珍折光仪检测乳化液浓度时,环境温度低于200C,实际浓度应减
修正值。
13、左视图与主视图的对应关系是宽相等
14、封底式溜槽铺设时每隔4~5节装一节带有开窗口的溜槽。
15、清扫器与胶带的接触长度不得小于85%。
16、胶带在托辊上跑偏时,应顺着胶带运行的方向,将胶带偏移侧的托辊一端向前调
17、主视图与俯视图的对应关系是长对正。
18、更换截齿时,为保证安全,应在馈电开关上隔离电源
19、三个柱塞泵的压力流量脉动现象,是由蓄能器加以缓解的。
20、定轴轮系传动比i=被动齿轮齿数的积/ 主动齿轮齿数的积
四、问答题
1、何谓内喷雾装置,其降尘的方式是什么?
答:安装在滚筒上的喷雾嘴称为内喷雾装置。
在截齿落煤的过程中用雾状的水喷洒在煤壁上,起到拟制煤尘产生的作用
2、什么叫液压支架的工作阻力?
答:操作液压支架在顶板压力作用下,当立柱下腔内的液体压力达到安全阀整定压力时,支架对顶板的支撑力。
3、底座与掩护梁之间采用四连杆机构的优点是什么?
答:一是增强支架的纵向稳定性、二是液压支架在升降过程中保持梁端距基本不变。
泵站问答题
4、刮板输送机有那几部分组成?
答:刮板输送机主要有机头部、中间部(机身)、机尾部、刮板链及辅助装置五部分组成。
5、刮板输送机的溜槽按安装位置不同,分为哪几种?
答:刮板输送机的溜槽按安装位置不同分为标准溜槽、过度溜槽、调节溜槽、变线槽、
开窗溜槽
五、叙述题
1、叙述采煤机液压牵引部油液温升高的原因及处理方法。
答:1、操作不当,采煤机长时过载,按规程操作;2、冷却不良,检查水压及水量;3、压力控制阀标定不当,或高、或低,逐项检验;4、油液变质,更换油液;5、泵或马达磨损,应更换
2、叙述刮板输送机安装的程序及方法。
答:1、将机头放置在合适的位置;2、铺设下部刮板链及中部溜槽;3、安装机尾部
4、铺设上部溜槽;
5、紧链位置应在主机后方自由下垂2—3个链环为宜。
3、分析乳化液泵站流量小的原因及处理方法。
答:1、吸液过滤器阻塞,清洗;2、液体量少,添加液体;3、卸载阀未关严,再关闭;4、供液管路漏夜,检查处理;5、吸排阀密封不严;6、泵柱塞磨损,检修或换泵;
4、截齿的更换
1、用专用的工具拆下残损的截齿
2、将齿座清理干净
3、装入完好的截齿
4、用专用的工具将截齿固定好
5、清点工具、清理现场。