有毒气体检测报警仪技术条件及检验方法.
- 格式:doc
- 大小:73.50 KB
- 文档页数:7
化工生产中可燃气体和有毒气体检测报警仪的设置在化工生产过程中要使用或生产多种危险化学品,其中具有毒性和燃爆特性的物质比较多,危险性也较大。
在工艺设计中,不仅通过采用密闭操作、保持安全距离、设置机械通风、保证泄压面积等手段以保证生产的安全,通过采取必要的监控措施也会大大降低危险性。
由于经济的发展及国力的增强,可燃和有毒气体检侧报警装置在生产中的使用越来越广泛,种类也越来越多。
另外规范要求也进一步严格,2023版的《建筑设计防火规范》比2023版的要求安装可燃气体检测装置的场所大大增加,乙类,甚至有些情况下丙类的场所也需要安装。
但是在安全评价和安全设施设计过程中发现,许多企业都没有按照新规范要求安装。
许多企业对可燃气体和有毒气体报警装置不了解,已安装的报警装置,许多也不符合规范要求。
下面对报警仪设置场所、设置要求等方面的内容进行探讨分析,为企业的安全生产提供借鉴。
一、检测报警仪的设置场所在工业生产中,可燃和有毒气体探测报警装置的设置场所要依据现行的国家标准《建筑设计防火规范》(GB50016-2023)、《石油化工企业设计防火规范》(GB50160-92,99年修订版)确定。
《建筑设计防火规范》(GB50016-2023)中规定,建筑物内可能散发可燃气体、可燃蒸气的场所应设可燃气体报警装置(11.4.2条)。
《石油化工企业设计防火规范》(GB50160-92,99年修订版)中规定,在使用或产生甲类气体或甲、乙A类液体的装置内宜接区域控制和重点控制相结合的原则,设置可燃气体报警器探头(4.6.11条);在可能泄漏甲类气体和液体的场所内,应设可燃气体报警仪(5.1.4条)。
还有一个行业标准,《石油化工企业可燃气体和有毒气体检测报警设计规范》(SH3063-1999),是检测仪设置的主要依据,其中规定,生产或使用可燃气体的工艺装置和储运设施(包括甲类气体和液化烃、甲B类液体的储罐区、装卸设施、灌装站等,下同)的2区内及附加2区内,应设置可燃气体检测报警仪。
有毒气体检测报警仪技术条件及检验方法1. 引言大家好,今天咱们来聊聊一个很重要的话题——有毒气体检测报警仪。
听起来挺严肃的,但咱们轻松点聊,毕竟生命健康最重要嘛!这玩意儿在工厂、实验室等场所可谓是“贴心小棉袄”,时刻保护着我们免受有害气体的侵害。
谁不想在工作的时候安全无忧呢?2. 技术条件2.1 基本要求首先,咱们得了解一下这些仪器的基本技术要求。
一个好的有毒气体检测报警仪,首先得具备高灵敏度。
也就是说,能在气体浓度超标时迅速反应,别让危险来得太突然,吓得你跳起来。
所以,选择时要看看它的灵敏度指标,比如说能检测到的最低浓度是多少,这可是生命线啊,不能马虎!接着,耐用性也是不可忽视的。
毕竟,这种仪器通常得在恶劣环境中工作,比如说潮湿、温度变化大等。
所以,材质得结实,抗摔抗压,跟个“钢铁侠”似的,才不容易被干扰。
再者,电池续航能力也得强大,最好能持续工作好几天,这样才能让你心里踏实。
2.2 操作界面然后,咱们再聊聊操作界面。
这就像是给你做饭的厨师,越简单越好,别让人看了头大。
仪器的显示屏要清晰,信息得一目了然,简单明了的操作步骤可不可以?如果一开机就让人看得眼花缭乱,那可真是“自讨苦吃”了!而且,报警音量得适中,别像火灾报警器那样,吓得你以为要天崩地裂。
3. 检验方法3.1 检验流程说完了技术条件,咱们再来看看这些仪器的检验方法。
首先,检验的流程一般分为几个步骤。
第一步,得进行外观检查,看看有没有损坏、锈蚀或是其他明显问题。
你说这就像看一台二手车,车漆得光鲜,才能买得放心,对吧?接着,就是功能测试了。
这个环节可得认真,通常会在实验室环境下进行。
我们得模拟不同浓度的有毒气体,看看仪器的反应是不是及时,报警的准确性如何。
要是它能及时发出警报,那就算合格了,万一反应慢,那可就得“打入冷宫”了。
3.2 维护保养最后,咱们得说说维护保养。
仪器就像我们身体一样,需要定期检查和保养。
通常建议每隔一段时间就要进行校准,确保它的灵敏度和准确性。
可燃气体和有毒气体检测报警仪安装规范.使用规范.设计规范1.0.1 为保障石油化工企业的生产安全和/或人身安全,检测泄漏的可燃气体或有毒气体的浓度并及时报警以预防火灾与爆炸和/或人身事故的发生,特制定本规范.1.0.2 本规范适用于石油化工企业泄漏的可燃气体和有毒气体的检测报警设计.1.0.3 执行本规范时,尚应符合现行有关强制性标准规范的规定.2 术语,符号2.1 术语2.1.1 可燃气体combustible gas本规范中的可燃气体系指气体的爆炸下限浓度(V%)为10%以下或爆炸上限与下限之差大于20%的甲类气体或液化烃,甲B,乙A类可燃液体气化后形成的可燃气体或其中含有少量有毒气体. 2.1.2 有毒气体toxic gas本规范中的有毒气体系指硫化氢,氰化氢,氯气,一氧化碳,丙烯腈,环氧乙烷,氯乙烯.2.1.3 最高容许浓度allowable maximum concentration系指车间空气中有害物质的最高容许浓度,即工人工作地点空气中有害物质所不应超过的数值.此数值亦称上限量.2.2 符号2.2.1 LEL可燃气体爆炸下限浓度(V%)值.2.2.2 TLV车间空气中有害物质的最高允许浓度值.3 一般规定3.0.1 生产或使用可燃气体的工艺装置和储运设施(包括甲类气体和液化烃,甲B类液体的储罐区,装卸设施,灌装站等,下同)的2区内及附加2区内,应按本规范设置可燃气体检测报警仪.生产或使用有毒气体的工艺装置和储运设施的区域内,应按本规范设置有毒气体检测报警仪.1 可燃气体或其中含有毒气体,一旦泄漏,可燃气体可能达到25%LEL,但有毒气体不能达到最高容许浓度时,应设置可燃气体检测报警仪;2 有毒气体或其中含有可燃气体,一旦泄漏,有毒气体可能达到最高容许浓度,但可燃气体不能达到25%LEL时,应设置有毒气体检测报警仪;3 既属可燃气体又属有毒气体,只设有毒气体检测报警仪;4 可燃气体与有毒气体同时存在的场所,应同时设置可燃气体和有毒气体检测报警仪.注:2区及附加2区的划分见《爆炸和火灾危险环境电力装置设计规范》GB50058.3.0.2 可燃气体和有毒气体检测报警,应为一级报警或二级报警.常规的检测报警,宜为一级报警.当工艺需要采取联锁保护系统时,应采用一级报警和二级报警.在二级报警的同时,输出接点信号供联锁保护系统使用.3.0.3 工艺有特殊需要或在正常运行时人员不得进入的危险场所,应对可燃气体和/或有毒气体释放源进行连续检测,指示,报警,并对报警进行记录或打印.3.0.4 报警信号应发送至工艺装置,储运设施等操作人员常驻的控制室或操作室.3.0.5 可燃气体检测报警仪必须经国家指定机构及授权检验单位的计量器具制造认证,防爆性能认证和消防认证.有毒气体检测报警仪必须经国家指定机构及授权检验单位的计量器具制造认证.防爆型有毒气体检测报警仪还应经国家指定机构及授权检验单位的防爆性能认证.3.0.6 凡使用可燃气体和有毒气体检测报警仪的企业,应配备必要的标定设备和标准气体.3.0.7 检测器宜布置在可燃气体或有毒气体释放源的最小频率风向的上风侧.3.0.8 可燃气体检测器的有效覆盖水平平面半径,室内宜为7.5m;室外宜为15m.在有效覆盖面积内,可设一台检测器.有毒气体检测器与释放源的距离,室外不宜大于2m,室内不宜大于1m.3.0.9 按本规范规定,应设置可燃气体或有毒气体检测报警仪的场所,宜采用固定式,当不具备设置固定式的条件时,应配置便携式检测报警仪.3.0.10 可燃气体和有毒气体检测报警系统宜为相对独立的仪表系统.4 检测点的确定4.1 工艺装置4.1.1 下列可燃气体,有毒气体的释放源,应设检测器:1 甲类气体或有毒气体压缩机,液化烃泵,甲B类或成组布置的乙A类液体泵和能挥发出有毒气体的液体泵的动密封;2 在不正常运行时可能泄漏甲类气体,有毒气体,液化烃或甲B类液体和能挥发出有毒气体的液体采样口和不正常操作时可能携带液化烃,甲B类液体和能挥发出有毒气体的液体排液(水)口;3 在不正常运行时可能泄漏甲类气体,有毒气体,液化烃的设备或管法兰,阀门组.4.1.2 第4.1.1条规定的可燃气体释放源处于露天或半露天布置的设备区内,当检测点位于释放源的最小频率风向的上风侧时,可燃气体检测点与释放源的距离不宜大于15m,有毒气体检测点与释放源的距离不宜大于2m;当检测点位于释放源的最小频率风向的下风侧时,可燃气体检测点与释放源的距离不宜大于5m,有毒气体检测点与释放源的距离小于1m.4.1.3 第4.1.1条规定的可燃气体释放源处于封闭或半封闭厂房内,每隔15m可设一台检测器,且检测器距任一释放源不宜大于7.5m.有毒气体检测器距释放源不宜大于1m.4.1.4 当封闭或半封闭厂房内布置不同火灾危险类别的设备时,应在第4.1.1条规定的可燃气体释放源的7.5m范围内设检测器.4.1.5 第4.1.1条规定的比空气轻的可燃气体释放源处于封闭或半封闭厂房内,应在释放源上方设置检测器,还应在厂房内最高点易于积聚可燃气体处设置检测器.4.2 储运设施4.2.1 液化烃,甲B类液体储罐,应在下列位置设检测器:1 在液化烃罐组防火堤内,每隔30m宜设一台检测器,且距罐的排水口或罐底接管法兰,阀门不应大于15m.2 在甲B类液体储罐的防火堤内,应设检测器,且储罐的排水口,采样口或底(侧)部接管法兰,阀门等与检测器的距离不应大于15m.4.2.2 液化烃,甲B类液体的装卸设施,应在下列位置设检测器:1 小鹤管铁路装卸栈台,在地面上每隔一个车位宜设一台检测器,且检测器与装卸车口的水平距离不应大于15m;2 大鹤管铁路装置栈台,宜设一台检测器;3 汽车装卸站的装卸车鹤位与检测器的水平距离,不应大于15m.当汽车装卸站内设有缓冲罐时,应安本规范第4.1.2条的规定设检测器.4.2.3 装卸设施的泵或压缩机的检测器设置,应符合本规范第4.1.1条,第4.1.2条和第4.1.3条规定., 4.2.4 液化烃灌装站的检测器设置,应符合下列要求:1 封闭或半封闭的灌瓶间,灌装口与检测器的距离宜为5~7.5m;2 封闭或半封闭式储瓶库,应符合本规范第4.1.3条规定;半露天储瓶库四周每15~30m设一台,当四周长小于15m时,应设一台;3 缓冲罐排水口或阀组与检测器的距离,宜为5~7.5m.4.2.5 封闭或半封闭氢气灌瓶间,应在灌装口上方的室内最高点易于滞留气体处设检测器.4.2.6 液化烃,甲B,乙A类液体装卸码头,距输油臂水平平面15m范围内,应设一台检测器.当无法安装检测器时,装卸码头的可燃气体检测,应符合本规范第3.0.9规定.4.2.7 有毒气体储运设施的有毒气体检测器,应按第4.1.2条和第4.1.3条的规定设置.4.3 可燃气体,有毒气体的扩散与积聚场所4.3.1 明火加热炉与甲类气体,液化烃设备以及在不正常运行时,可能泄漏的释放源之间,约距加热炉5m或在防火墙外侧,宜设检测器.4.3.2 控制室,配电室与甲类气体,有毒气体,液化烃,甲B类液体的工艺设备组,储运设施相距30m 以内,并具备下列条件之一的,宜设检测器:1 门窗朝向工艺设备组或储运设施的;2 地上敷设的仪表电力线缆槽盒或配管进入控制室或配电室的.4.3.3 设在2区范围内的在线分析仪表间,应设检测器.对于检测比空气轻的可燃气体,应于在线分析仪表间内最高点易于积聚可燃气体处设置检测器.4.3.4 不在检测器有效覆盖面积内的下列场所,宜设检测器:1 使用或产生液化烃和/或有毒气体的工艺装置,储运设施等可能积聚可燃气体,有毒气体的地坑及排污沟最低处的地面上.2 易于积聚甲类气体,有毒气体的"死角".5 可燃气体和有毒气体检测报警系统5.1 系统的构成及技术性能5.1.1 系统的最基本的构成应包括检测器和报警器组成的可燃气体或有毒气体报警仪,或由检测器和指示报警器组成的可燃气体或有毒气体检测报警仪,也可以是专用的数据采集系统与检测器组成的检测报警系统.5.1.2 系统的构成应满足以下要求:1 选用mV信号,频率信号或4~20mA信号输出的检测器时,指示报警器宜为专用的报警控制器;也可选用信号设定器加闪光报警单元构成的报警器;至联锁保护系统及报警记录设备的信号,宜从报警控制器或信号设定器输出.2 选用触点输出的检测器时,报警信号宜直接接至闪光报警系统或联锁保护系统,至报警记录设备的信号可以闪光报警系统或联锁保护系统输出.3 可燃气体和/或有毒气体检测报警的数据采集系统,宜采用专用的数据采集单元或设备,不宜将可燃气体和/或有毒气体检测器接入其他信号采集单元或设备内,避免混用.5.1.3 当选用信号设定器和报警控制器时,应按本规范第3.0.3条的规定设置报警记录设备,报警记录设备应具有报警打印及历史数据储存功能.报警记录设备可以是DCS或其他数据采集系统,也可选用专用的工业微机或系统.5.1.4 检测器,指示报警器或报警器的技术性能,应符合现行《作业环境气体检测报警仪通用技术要求》GB12358的有关规定.5.2 检测器的选用5.2.1 可燃气体检测器的选用,应符合下列规定:1 宜选用催化燃烧型检测器,也可选用其他类型的检测器;2 当使用场所空气中含有少量能使催化燃烧型检测元件中毒的硫,磷,砷,卤素化合物等介质时,应选用抗毒性催化燃烧型检测器或半导体型检测器;3 氢气的检测宜选用电化学型或导体型检测器.5.2.2 有毒气体检测器的型式,可根据被检测的有毒气体的具体特性确定:1 硫化氢,一氧化碳气体可选用定电位电解型或半导体型;2 氯气可选用隔膜电极型,定电位电解型或半导体型;3 氰化氢气体可选用凝胶化电解(电池式)型,隔膜电极型或定电位电解型;4 环氧乙烷,丙烯腈气体可选用半导体型或定电位电解型;5 氯乙烯气体宜选用半导体型或光子电离型.5.2.3 有毒气体检测器的选用,应考虑被检测的有毒气体与安装环境中可能存在的其他气体的交叉影响.5.2.4 检测器防爆类型的选用,应符合下列规定:1 根据使用场所爆炸危险区域的划分,选择检测器的防爆类型;2 根据被检测的可燃性气体的类别,级别,组别选择检测器的防爆等级,组别;3 对催化燃烧型检验器,宜选用隔爆型;4 对电化学型检测器和半导体型检测器,可选用隔爆型或本质安全防爆型;5 对电动吸入式采样器应选用隔爆结构.5.2.5 根据使用场所的不同,按以下规定选用检测器的采样方式:1 宜采用扩散式检测器.2 下列情况宜采用单点或多点吸入式检测器;a 因少量泄漏有可能引起严重后果的场所;b 由于受安装条件和环境条件的限制,难于使用扩散式检测器的场所;c Ⅰ级(极度危害)有毒气体释放源;d 有毒气体释放源较集中的地点.3 采用吸入式有毒气体检测器检测可燃性有毒气体时,宜选用气动吸入式采样系统.5.3 指示报警器或报警器的选用5.3.1 指示报警器或报警器应分别具有以下基本功能:1 能为可燃气体或有毒气体检测器及所连接的其他部件供电.2 能直接或间接地接收可燃气体和/或有毒气体检测器及其他报警触发部件的报警信号,发出声光报警信号,并予以保持.声报警信号应能手动消除,再次有报警信号输入时仍能发出报警.3 检测可燃气体的测量范围:0~100%LEL;有毒气体的测量范围宜为0~3TLV.在上述测量范围内,指示报警器应能分别给予明确的指示;采用无测量值指示功能的报警器时,应按本规范第3.0.3条的规定,将模拟信号引入多点信号巡检仪,DCS或其他仪表设备进行指示.4 指示报警器(报警控制器)应具有为消防设备或联锁保护用的开关量输出功能.5 多点式指示报警器或报警器应具有相对独立,互不影响的报警功能,并能区分和识别报警场所位号.6 指示报警器或报警器发出报警后,即使环境内气体浓度发生变化,仍应继续报警,只有经确认并采取措施后,才停上报警.7 在下列情况下,指示报警器应能发出与可燃气体或有毒气体浓度报警信号有明显区别的声,光故障报警信号:a 指示报警器与检测器之间连线断路;b 检测器内部元件失效;c 指示报警器电源欠压.8 报警记录设备应具有以下功能:a 能记录可燃气体和有毒气体报警时间,计时装置的日计时误差不超过30s;b 能显示当前报警部位总数;c 能区分最先报警部位;d 能追索显示以前至少1周内的报警部位并区分最先报警部位.5.3.2 报警设定值应根据下列规定确定:1 根据本规范第3.0.2条规定,选用一级或一,二级报警;2 可燃气体的一级报警(高限)设定值小于或等于25%LEL;3 可燃气休的二级报警(高限)设定值小于或等于50%LEL;4 有毒气体的报警设定值宜小于或等于1TLV,当试验用标准气调制困难时,报警设定值可为2TLV 以下.5.3.3 指示误差和报警误差应符合下列规定:1 可燃气体的指示误差:指示范围为0~100%LEL时,±5%LEL.2 有毒气体的指示误差:指示范围为0~3TLV时,±10%指示值:指示范围高于3TLV时,±10%量程值.3 可燃气体的报警误差:±25%设定值以内.4 有毒气体的报警误差:±25%设定值以内.5 电源电压的变化小于或等于10%时,指示和报警精度不得降低.5.3.4 检测报警响应时间应符合下列规定:1 可燃气体检测报警:扩散式小于30s;吸入式小于20s.2 有毒气体检测报警:扩散式小于60s;吸入式小于30s.6 检测报警仪表的安装6.1 检测器的安装6.1.1 检测比空气重的可燃气体或有毒气体的检测器,其安装高度应距地坪(或楼地板)0.3~0.6m. 注:气体密度大于0.97kg/m3(标准状态下)即认为比空气重;气体密度小于0.97kg/m3(标准状态下)的即认为比空气轻.6.1.2 检测比空气轻的可燃气体或有毒气体的检测器,其安装高度宜高出释放源0.5~2m.6.1.3 检测器宜安装在无冲击,无振动,无强电磁场干扰的场所,且周围留有不小于0.3m的净空. 6.1.4 检测器的安装与接线按制造厂规定的要求进行,并应符合防爆仪表安装接线的有关规定.6.2 指示报警器或报警器的安装6.2.1 当工艺装置或储运设施有中心控制室时,指示报警器或报警器应安装在中心控制室内.6.2.2 当工艺装置或储运设施设有中心控制室以外的其他控制室或操作室时,其操作管辖区内设置的可燃气体和/或有毒气体指示报警器或报警器,宜安装在该控制室或操作室内;需要时,其报警信号再转送至中心控制室.6.2.3 指示报警器或报警器,应有其对应检测器所在位置的指示标牌或检测器的分布图.6.2.4 一般报警用的报警系统,可使用普通仪表电源供电.6.2.5 下列情况的检测报警系统,应采用不间断电源(UPS)供电;1 与自动保护系统相连的可燃气体或有毒气体的检测;2 人员常去场所的可能泄漏Ⅰ级(极度危害)和Ⅱ级(高度危害)有毒气体的检测.附录A 可燃气体和有毒气体蒸汽特性表表A 可燃气体,蒸汽特性续表续表注:①本表数值来源基本上以《化学易燃品参考资料》(北京消防研究所译自美国防火手册)为主,并与《压力容器中化学介质毒性危险和爆炸危险程度分类》HGJ43-91,《石油化工工艺计算图表》,《可燃气体报警器》JJG693-90进行了对照,仅调整了个别栏目的数值;②"蒸气密度"一栏是在原"蒸气比重"数值上乘以1.293,其密度为标准状态下的.表B 有毒气体,蒸汽特性表注:①本表中,第1~7项数值来源基本以上《常用化学危险物品安全手册》为主,并与《工业企业卫生标准》TJ36-79及《有毒化学品卫生与安全实用手册》进行了对照,第8项数值来自《石油化工企业设计防火规范》GB50160-92;第9项数值来自《职业性接触毒物危害程度分级》GB5044-85.②环氧乙烷危害程度分级中的Ⅱ来自《石油化工企业职业安全卫生设计规范》SH3047-93.用词说明对本规范条文中要求执行严格程度不同的用词,说明如下:1 表示很严格,非这样做不可的用词正面词采用"必须";反面词采用"严禁".2 表示严格,在正常情况下应这样做的用词正面词采用"应".反面词采用"不应"或"不得".3 表示允许稍有选择,在条件许可时首先应这样做的用词正面词采用"宜";反面词采用"不宜".表示有选择,在一定条件下可以这样做,采用"可".条文说明1 总则1.0.2 本规范适用于石油化工企业泄漏的可燃气体和有毒气体检测报警设计,包括新建,扩建,改建及原有工艺装置和储运设施不进行任何改动仅增设有毒气体检测报警的设计.1.0.3 与本规范有关的标准《石油化工企业设计防火规范》GB50160《爆炸和火灾危险环境电力装置设计规范》GB50058《作业环境气体检测报警仪通用技术要求》GB12358《中华人民共和国国家计量检定规程可燃气体检测报警器》JJG693《建筑设计防火规范》GBJ16《工业企业设计卫生标准》TJ36《职业性接触毒物危害程度分级》GB5044《石油化工企业职业安全卫生设计规范》SH30472 术语,符号2.1.1 按《石油化工企业设计防火规范》GB50160-92规定:甲类气体是指可燃气体与空气混合物的爆炸下限小于10%(体积)的气体;液化烃(甲A)是指15℃时的蒸气压力大于0.1MPa的烃类液体及其它类似的液体,例如液化石油气,液化乙烯,液化甲烷,液化环氧乙烷等;甲B类液体是指除甲A 以外,闪点小于28℃的可燃液体;乙A类液体是指闪点等于或大于28℃至等于45℃的可燃液体.甲B与乙A类液体也可称为易燃液体.由于乙A类液体泄漏后挥发为蒸气或呈气态泄漏,该气体在空气中的爆炸下限小于10%(体积)属于甲类气体,可形成爆炸危险区.但是,该气体易于空气中冷凝,所以扩散距离较近,其危险程度低于甲A,甲B类.可燃气体的爆炸浓度上限与下限之差大于20%时作为甲类气体对待,系根据API及欧州等国家标准(对物质的火灾危险性分类为甲类)的规定,但是我国在制定GB50160-92时,只考虑下限值,不考虑上限的差值,所以该物质的火灾危险性分类定为乙类.本规范从防爆检测和报警角度考虑,认为按甲类对待为宜.2.1.2 根据国际TJ36-79规定,氨属车间空气中的有害物质,所以是有毒气体,但国标GB5044-83中规定,氨属轻度危害,因此本规范不规定检测.按日本有关标准规定,氨也作为有毒气体进行检测. 按我国的GBJ16-87和GB50160-92规定,一氧化碳为乙类气体.由于其爆炸下限与上限之差大于20%,危险性较大.按国外规定属于甲类气体.又因一氧化碳气体无色,无味不引起人们警惕,吸入较高浓度引起急性脑缺氧性疾病,损害人体的中枢神经.按国标TJ36-79规定,一氧化碳属车间空气有害物质.按国标GB5044-83规定,一氧化碳属Ⅱ级毒物危害程度.因此本规范将一氧化碳作为有毒气体进行检测.本规范中的有毒气体是根据国标GB5044-83毒物危害程度分级中的极度,高度的危害气体,并根据目前有检测仪表而确定的.也参照日本标准规定的10种有毒气体.2.1.3 最高允许浓度定义引自TJ36-79第三章表4中注①.根据国外有关资料介绍,最高允许浓度系指一般人在有害气体的环境中,以中等强度每天连续工作八小时,对健康无害的环境中有毒气体浓度的界限.2.2.1 LEL为Low Explosion Limit缩写.TLV为Threshold Limit Value缩写.3 一般规定3.0.1 本条可燃气体规定是符合GB50160-92第4.6.11条"在使用或产生甲类气体或甲,乙A类液体的装置内,宜按区域控制和重点控制相结合的原则,设置可燃气体报警器探头"和第5.1.4条"在可能泄漏液化烃场所内,宜设可燃气体报警器探头"的规定并且更具体化了.2区及附加2区的划分见《爆炸和火灾危险环境电力装置设计规范》GB50058-92第2.2.5,第2.3.3,第2.3.4,第2.3.7,第2.3.8,第2.3.9条.3.0.3 在正常运行时人员不得进入的危险场所可能有几台检测器是一级或二级报警,仅甲类气体和有毒气体(属Ⅰ或Ⅱ级)释放源进行连续检测,指示,报警,并对报警进行记录或打印,以便随时观察发展趋势和留作档案资料.3.0.4 通常情况下,工艺装置或储运设施的控制是操作人员常驻和能够采取措施的场所.但是,不是所有情况都如此.例如某厂装卸栈台的可燃气体检测报警仪的报警器集中安装在远离栈台的控制室里,而在栈台上操作室的操作人员既看不见也听不到报警信号,更谈不上采取措施了,因此,做了本条规定.3.0.7 本条规定主要是使一旦泄漏的可燃气体或有毒气体除自身扩散外又可被风吹到检测器,其机率在全年来说最多.3.0.8 本条规定的根据是:(1)洛阳石化工程公司与辽阳石油化纤公司仪表厂合作进行的液化石油气扩散速率经验;(2)日本《一般高压气体安全规则中LPG安全规则》.根据液化石油气速率试验,室内当释放流率为600L/h(10L/min)时,LPG的扩散速度为0.15m/s,泄漏发生1~1.5min内即可检测到,扣除仪表本身响应时间30s后,扩散时间为30~60s,扩散距离4.5~9m. 由此推论,一台在室内安装的检测器其有效覆盖半径可按4.5~9m考虑.按日本LPG安全规则关于《可燃气体及毒性气体的泄漏检测报警器的布置》.室内布置的容易泄漏的高压气体设备,于易滞留可燃气体的场所,在这些设备群的周围以10m一个以上的比例计算设置检测器的数量.在室外布置的容易泄漏的高压气体设备在邻近高压设备,墙壁及其它构筑物,在坑槽等易于滞留气体的场所,在这设备群的周围以20m一个以上的比例计算设置检测器的数量.上述容易泄漏的高压气体设备一般指压缩机,泵,反应器,储罐等.分析日本的规定可折算为:检测器的有效覆盖水平平面半径,在室内为5m,在室外为10m.据有的资料报导:通过试验在泄放量为5~10L/min,连续释放5min,检测器与泄放点的最灵敏区为10m以内,有效检测距离是20m.本条规定,可燃气体泄漏30~60s即应响应报警,取其扩散距离的平均值即为7.5m.参照日本的规定,室外为室内的2倍,故室外的有效覆盖水平平面半径为15m.有毒气体检测器与释放源距离是根据对四个石化企业调查结果规定的,一般检测器距释放源室外不大于2m,室内不大于1m,多为靠近释放源0.5~0.6m设置,其它装高度比空气轻的不大于1.5m,比空气重的距地面约0.4~0.6m.3.0.9 本条所说"不具备安装固定式的":系指该处无法安装检测器:环境湿度过高;环境温度过低;没有非爆炸危险区安装指示报警器等其中任何一条均认为不具备安装固定可燃气体或有毒气体检测报警仪的.3.0.10 可燃气体和有毒气体检测报警是为防止爆炸和保障人身安全而设置的,其可靠性应受到高度重视,检测报警系统相对独立是保证其可靠性的有效措施之一.所谓相对独立,即该检测报警系统的检测与发出报警信号的功能不受其它仪表或仪表系统故障的影响.4 检测点的确定4.1 工艺装置4.1.1 本规范所指的可燃气体释放源即可能释放出形成爆炸性混合物的物质所在的位置或点.本规范所指的有毒气体释放源即可释放出对人体健康产生危害的物质所在的位置或点.可燃气体释放源根据《爆炸和火灾危险环境电力装置设计规范》规定,释放源应按易燃物质的释放频繁程度和持续时间长短分级.其分为连续释放源,第一级释放源,第二级释放源,多级释放源.。
有毒气体检测报警仪技术条件及检验方法字体大小:大 - 中 - 小 waiyingm 发表于 09-02-05 10:21 阅读(181) 评论(0)中华人民共和国化学工业部1999—08—04发布 1993—01—01实施1 主题内容与适用范围本标准规定了有毒气体检测报警仪分类、技术要求、检验方法等。
本标准适用于有毒气体检测报警仪的质量评价、检验和选型。
2 引用标准GB2421 电工电子产品基本环境试验规程总则GB3836.1 爆炸性环境用防爆电气设备通用要求GB3836,2 爆炸性环境用防爆电气设备隔爆型电气设备“d”GB3836.4 爆炸性环境用防爆电气设备本质安全型电路和电气设备“i”GB5274 气体分析校准用混合气体的制备称量法GB5275 气体分析校准用混合气体的制备渗透法GB12358 作业环境气体检测报警仪通用技术要求3 术语3.1 有毒气体检测报警仪(以下简称仪器)用于监测空气中对人体有毒有害气体的仪器(包括检测仪、报警仪、检测报警仪)。
3.2 零气不含被测气体或其它干扰气体的清洁空气或氮气。
3.3 标准混合气(简称标准气)被测气体和零气的混合气,其浓度和不确定度均为已知。
3.4 标定用标准混合气(简称标定气)用仪器全量程(50—70)%浓度的标准气做为标定气。
4 仪器分类表1 仪器分类表5 技术要求5.1 结构要求5.1.1 防爆型的仪器必须符合GB3836.1、GB3836.2和GB3836.4的规定要求并取得防爆检验合格证。
5.1.2 仪器要坚固耐用,便于操作、维修、标定和校验。
5.1.3 仪器与有害气体以及其它腐蚀性物质接触的部分应使用耐腐蚀性材料或经过耐腐蚀处理的材料制作。
5.2 功能要求5.2.1 仪器是否处于工作状态,应有明确显示。
5.2.2 报警信号应有明显的报警作用。
5.2.3 设置多点监测报警的仪器,应保证即使某一点正在报警而其它点出现报警条件时,也应该进行报警,并且能够分别指示报警场所。
可燃、有毒气体检测报警仪和在线分析仪表管理规定第一章. 可燃、有毒气体检测报警仪管理第1条凡新建、扩建、改建的生产装置及贮运设施,如有可燃、有毒气体意外泄漏可能的,无论是引进项目还是国内配套项目,必须按照“三同时”原则配备可燃、毒性气体检测报警仪。
第2条可燃、有毒气体检测报警仪的配置、选型应严格执行《可燃气体和有毒气体检测报警设计规范》的规定。
报警仪的选型应符合下列规定:(一)可燃气体报警器的功能、结构、性能和质量应符合国家法定要求,并取得国家计量行政部门颁发的计量器具生产许可证、国家指定防爆检验部门发放的防爆合格证。
(二)技术先进、质量稳定、反应灵敏、便于维修、保证备品备件的供应。
(三)根据使用场所爆炸危险区域的划分,选择检测器的防爆类型;根据使用场所被检测的可燃性气体的类别、级别、组别,选择检测器的防爆等级、组别。
(四)当使用场所存在能使检测元件中毒的硫、砷、磷、卤素化合物等介质时,应选择抗毒性检测器。
(五)多点式指示报警器应具有相对独立、互不影响的报警功能,并能区分和识别报警场所的位号。
第3条可燃、毒性气体报警器的安装必须符合有关规范规定的要求。
(一)根据可燃、毒性气体的密度和主导风向,确定检测器的安装高度和位置。
(二)检测器宜安装在无冲击、无振动、无强电磁场干扰的场所。
(三)尽可能减少雨水对检测元件的影响。
(四)指示报警器或报警器的安装安置,应考虑便于操作和监测的原则。
报警器应有其对应检测器所在位置的指示标牌或检测器的分布图。
(五)检测器的安装和接线应按制造厂规定的要求进行,并应符合防爆仪表安装接线的有关规定。
第4条加强对可燃气体检测报警仪的日常维护、故障处理及检修管理。
(一)检测器为隔爆型时,不得在超出规定的条件范围下使用;在仪表通电情况下,严禁拆卸检测器。
(二)每日巡回检查时,应按动试验按钮,检查指示、报警系统是否工作正常;经常检查检测器是否意外进水,防止检测元件浸水受潮后影响其工作性能。
( 安全管理 )单位:_________________________姓名:_________________________日期:_________________________精品文档 / Word文档 / 文字可改可燃气体和有毒气体检测报警器安全管理规定(2020版)Safety management is an important part of production management. Safety and production are inthe implementation process可燃气体和有毒气体检测报警器安全管理规定(2020版)第一条应用可燃气体和有毒气体检测报警器(以下简称报警器)监视生产现场可燃气体和有毒气体泄漏和积聚状况,是预防爆炸和中毒事故的重要手段,为了加强对报警器的管理工作,特制定本规定。
第二条报警器的安装率、使用率、完好率应达到100%。
第三条选择报警器应满足以下条件:1.功能、结构、性能和质量符合国家法定要求;2.取得国家法定计量单位颁发的计量器具生产许可证;3.取得国家指定的防爆检验部门发放的防爆合格证,并达到安装现场所要求的防爆等级;4.技术先进,质量稳定,反应灵敏,便于维修,保证备品备件的供应;5.受其它气体的干扰小,受温度、湿度影响小;6.符合国家或行业标准规范要求。
第四条凡新建、扩建、改建的石油石化生产装置及贮运系统,存在可燃气体和有毒气体意外泄漏可能的,必须按照“三同时”原则和设计规范的要求配备报警器。
引进项目和国内配套项目也应按照这一原则配备报警器。
第五条报警器设置的地点、数量、方式,应严格执行石化集团公司《石油化工企业可燃气体和有毒气体检测报警设计规范》(SH3063-1999)有关规定。
第六条报警器安装场所应注意的主要问题:1.可能泄漏的可燃气体和有毒气体的密度;2.室外安装时主导风向等环境因素;3.雨水及有毒气体对检测元件的影响。
可燃、有毒气体检测报警仪的强制检定到底是怎么规定的可燃有毒气体检测报警仪现在已经成了各个石油化工企业以及涉及到重大危险源的企业的一种标配了,也成了政府和专家们隐患排查的一个几乎必查项目,尤其是2017年安监总局发布了第121号文《化工和危险化学品生产经营单位重大生产安全事故隐患判定标准》之后,可燃有毒气体检测报警仪的设置与否直接上升到重大安全隐患的层面了,由此可见,相关部门对可燃有毒气体检测报警系统的重视程度了。
但是今天我写这篇文章的目的不是去研究可燃有毒气体报警设置的技术问题,而是重点探讨一下可燃有毒气体检测报警仪设置之后的后续工作,也就是检测报警仪的维护、检测、检定等事宜。
关于检测报警仪的维护、检测、检定等后续工作事宜,也是一件令大家闻之头疼的事情,因为这里面的事情给人一种毫无头绪的感觉,群里也是为此展开过热烈的讨论,但总归无果而终。
那么今天我们就从头捋一捋气体检测报警仪的维护、检测、检定等方面的问题。
当一个气体检测报警仪从它在现场安装完成之后,并且正式投用的那一刻起,该气体检测报警仪实际上也正式进入了全生命周期的后半辈子环节,也就是运行、维护、报废环节。
此处的词语“维护”代表的是广义上的维护,它包含了保养、维修、检测、检定等内容。
我们正式探讨第一个问题,气体检测报警仪的维护是必须要做的吗?答案是肯定,但我们并不是仅仅要一个肯定的答复,我们习惯于从法律法规、政策条文中寻找依据。
在2021年6月10日通过的《安全生产法》中,第三十六条:第三十六条向我们传达了两个信息,第一明确规定了安全设备需要定期的维护,第二明确规定了安全设备的检测应当符合国家标准或行业标准。
可能较真的网友会问,气体检测报警仪属不属于安全设备呢?这个问题确实很普遍,那么我们必须把安全设备的范围讲清楚,一部法律的出台,并不能够解决所有的细节问题,这个时候就需要对法律进行释义,新《安全生产法》颁布了,目前还没公布条文释义,但我们可以参考2014版《安全生产法》条文释义,在2014版《中华人民共和国安全生产法释义》中对安全设备做了以下解释:“安全设备主要是指为了保护从业人员安全、防止生产安全事故发生以及在发生生产安全事故时勇于救援而安装使用的机械设备和器械,如矿山使用的自救器、灭火设备以及各种安全检测仪器,包括安全检测系统、瓦斯检测器、测风表、氧气检测仪、顶板压力检测仪等。
有毒有害、可燃气体泄漏检测报警管理制度(实用版)编制人:__________________审核人:__________________审批人:__________________编制单位:__________________编制时间:____年____月____日序言下载提示:该文档是本店铺精心编制而成的,希望大家下载后,能够帮助大家解决实际问题。
文档下载后可定制修改,请根据实际需要进行调整和使用,谢谢!并且,本店铺为大家提供各种类型的实用资料,如教学心得体会、工作心得体会、学生心得体会、综合心得体会、党员心得体会、培训心得体会、军警心得体会、观后感、作文大全、其他资料等等,想了解不同资料格式和写法,敬请关注!Download tips: This document is carefully compiled by this editor.I hope that after you download it, it can help you solve practical problems. The document can be customized and modified after downloading, please adjust and use it according to actual needs, thank you!And, this store provides various types of practical materials for everyone, such as teaching experience, work experience, student experience, comprehensive experience, party member experience, training experience, military and police experience, observation and feedback, essay collection, other materials, etc. If you want to learn about different data formats and writing methods, please pay attention!有毒有害、可燃气体泄漏检测报警管理制度第1篇有毒有害、可燃气体泄漏检测报警管理制度1、目的为了加强对可燃气体泄漏检测报警系统的管理,及时发现有毒有害、可燃气体泄漏,防止人员中毒、火灾爆炸事故的发生。
【发布文号】GB12358-90【发布日期】2007-6-1【生效日期】2007-6-1作业环境气体检测报警仪通用技术要求GB12358-90自 1991-5-1 起执行1 主题容与适用围本标准规定了作业环境用气体检测报警仪的术语、分类、技术要求、试验方法、检验规则与标志等。
本标准适用于作业环境可燃性气体(含甲烷)、有毒气体和氧气检测报警仪。
2 引用标准GB2421 电工电子产品基本环境试验规程总则GB3836.1 爆炸性环境用防爆电气设备通用要求GB3836.2 爆炸性环境用防爆电气设备隔爆型电气设备“d”GB3836.4 爆炸性环境用防爆电气设备本质安全型电路和电气设备“i”GB4798.10 电工电子产品应用环境条件导言GB4857.5 运输包装件基本试验垂直冲击跌落试验条件GB5274 气体分析校准用混合气体的制备称量法GB5275 气体分析校准用混合气体的制备渗透法3 术语3.1 检测器由采样装置、传感器和前置放大电路组成的部件。
3.2 传感器将样品气体的浓度转换为测量信号的部件。
3.3 指示器指示气体浓度测量结果的部件。
3.4 报警器气体浓度达到或超过报警设定值时发出报警信号的部件,常用有蜂呜器、指示灯。
3.5 检测围报警仪在试验条件下能够测出被测气体的浓度围。
3.6 检测误差在试验条件下,报警仪用标准气体校正时,指示值与标准值之间允许出现的最大误差。
3.7 报警误差在试验条件下,报警仪用标准气体校正时,报警指示值与报警设定值之间允许出现的最大误差。
3.8 报警设定值根据有关法令或标准或现场状况,报警仪预先设定的报警浓度值。
3.9 重复性同一报警仪在相同条件下,对同一检测对象在短时间重复测定,各指示值间的重合程度。
3.10 稳定性在试验条件下,报警仪保持一定时间的工作状态后性能变化的程度。
3.11 响应时间在试验条件下,从检测器接触被测气体至达到稳定指示值的时间。
通常,读取达到稳定指示值90%的时间作为响应时间。
FRI ND OF MI L INDUS TRY3安全与环境化工之友2007.N O .111有毒气体和可燃气体的划分有毒气体是指吸入人体或人体接触后对人体健康产生伤害的气体;可燃气体指在满足一定的条件下能够产生气相燃烧或爆炸的气体。
2气体检测的方法随着科学技术的发展,气体检测传感技术近几十年发展的很快,测量方法也越来越多,目前的气体检测传感技术根据工作原理上可分为三大类:(1)利用物理化学性质检测。
如半导体式(金属氧化物半导体、有机半导体等)、催化燃烧式、固体热导式等气体传感器;(2)利用物理性质检测。
如热传导式、光干涉式、红外吸收式等;(3)利用电化学性质检测。
如定电位电解式、迦伐尼电池式、隔膜离子电极式、固体电解式等。
2.1催化燃烧式传感器催化燃烧式传感器内一对匹配的检测元件和补偿元件组成检测桥路的半个桥臂(另外半个桥臂位于信号处理电路板上)。
其中检测元件对可燃气敏感,补偿元件对可燃气不敏感,它们由变送器电路提供的电流电加热。
当空气中无可燃气体时,桥路输出为零;当环境空气中有可燃气存在时,检测元件发生催化燃烧反应,伴随着温度变化,其电阻值也发生变化,从而导致桥路失去平衡,产生一个与可燃气体浓度成正比的差压信号输出。
补偿元件则是用来补偿环境对检测元件的影响。
变送器信号处理电路将传感器输出的电信号进行处理,转换成线性化的4-20m A 标准信号输出。
催化燃烧式检测方法由于其具有灵敏度高、反应速度快、工作稳定可靠、价格低廉等特点,因此在作业现场得到广泛的应用。
一般说,催化燃烧式传感器工作电流越大,传感器的性能越好。
2.2电化学式气体传感器电化学式传感器是利用电化学现象实现对气体浓度的检测。
从原理上大体分为:(1)利用气体在电极与电解液界面保持一定电位的装置中直接氧化还原,在外部电路中产生电流变化而实现传感(定电位电解式传感器)。
(2)气体溶解于电解质溶液中,形成气态物质的电离,通过离子电极作用产生电势变化而实现传感。
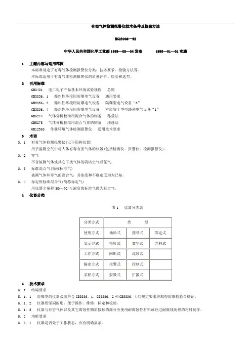
有毒气体检测报警仪技术条件及检验方法HG23006—92中华人民共和国化学工业部1999—08—04发布 1993—01—01实施1 主题内容与适用范围本标准规定了有毒气体检测报警仪分类、技术要求、检验方法等。
本标准适用于有毒气体检测报警仪的质量评价、检验和选型。
2 引用标准GB2421 电工电子产品基本环境试验规程总则GB3836.1 爆炸性环境用防爆电气设备通用要求GB3836,2 爆炸性环境用防爆电气设备隔爆型电气设备“d”GB3836.4 爆炸性环境用防爆电气设备本质安全型电路和电气设备“i”GB5274 气体分析校准用混合气体的制备称量法GB5275 气体分析校准用混合气体的制备渗透法GB12358 作业环境气体检测报警仪通用技术要求3 术语3.1 有毒气体检测报警仪(以下简称仪器)用于监测空气中对人体有毒有害气体的仪器(包括检测仪、报警仪、检测报警仪)。
3.2 零气不含被测气体或其它干扰气体的清洁空气或氮气。
3.3 标准混合气(简称标准气)被测气体和零气的混合气,其浓度和不确定度均为已知。
3.4 标定用标准混合气(简称标定气)用仪器全量程(50—70)%浓度的标准气做为标定气。
4 仪器分类表1 仪器分类表5 技术要求5.1 结构要求5.1.1 防爆型的仪器必须符合GB3836.1、GB3836.2和GB3836.4的规定要求并取得防爆检验合格证。
5.1.2 仪器要坚固耐用,便于操作、维修、标定和校验。
5.1.3 仪器与有害气体以及其它腐蚀性物质接触的部分应使用耐腐蚀性材料或经过耐腐蚀处理的材料制作。
5.2 功能要求5.2.2 报警信号应有明显的报警作用。
5.2.3 设置多点监测报警的仪器,应保证即使某一点正在报警而其它点出现报警条件时,也应该进行报警,并且能够分别指示报警场所。
5.2.4 仪器有较高的抗干扰能力。
5.2.5 连续式仪器应有故障报警功能。
5.3 性能要求5.3.1 仪器性能指标应符合表2的要求。
作业场所环境气体检测报警仪通用技术要求前言本标准代替GB 12358-1990 《作业场所气体检测报警仪通用技术要求》与GB 12358-1990 相比较,主要变化如下:——增加了电磁兼容,选择了适当的严酷等级,与国际和国内标准对应;——针对关于产品安全性的要求,增加了绝缘电阻和耐压试验;——完善检验规则,增加了使用说明书的要求,有利于产品的规模化生产本标准由国家安全生产监督管理总局提出。
本标准负责起草单位:北京市劳动保护科学研究所。
本标准参加起草单位:华瑞科力恒(北京)科技有限公司本标准主要起草人:杨铸、姜传胜、朱刚、姜波。
作业场所环境气体检测报警仪通用技术要求1 范围本标准规定了作业场所气体检测报警仪(以下简称“检测报警仪” )的术语、分类、技术要求、试验方法、检测规则与标识等。
本标准适用于中华人民共和国境内作业场所可燃性气体、有毒气体和氧气检测报警仪的生产和使用。
其他特种场所中使用的检测报警仪,除由有关标准另行规定外,亦应执行本标准。
2 规范性引用文件下列文件中的条款通过本标准的引用而成为本标准的条款。
凡是注日期的引用文件,其随后所有的修改(不包括勘误的内容)或修订版均不适用于本标准,然而,鼓励根据本标准达成协议的各方研究是否可使用这些文件的最新版本。
凡是不注日期的引用文件,其最新版本适用于本标准。
GB/T 2421 电工电子产品环境试验第1 部分:总则GB/ 3836.1 爆炸性气体环境用电气设备第1 部分:通用要求GB/ 3836.2 爆炸性气体环境用电气设备第2 部分:隔爆型“ d”GB/ 3836.4 爆炸性气体环境用电气设备第4 部分:本质安全型“ i ”GB/T 4798.10 电工电子产品应用环境条件导言GB/T 4857.5 包装运输包装件跌落试验方法GB 15322-2003(所有部分)可燃气体探测器GBZ 2-2002 工作场所有害因素职业接触限值3 术语和定义下列术语和定义适用于本标准。
可燃、有毒气体检测报警仪管理制度简介本文档是针对现场可燃、有毒气体检测报警仪进行管理的制度,旨在保障人员与设备安全,防止因气体泄露和意外事故造成生命和财产损失。
检测报警仪的使用选择合适的检测报警仪在使用检测报警仪之前,必须对场所内的气体类型进行了解和分析,并选用合适的检测报警仪。
根据不同的场所和气体类型,选择不同的检测报警仪进行检测,确保检测结果的准确性和有效性。
操作前的检查在每次使用检测报警仪之前,必须对仪器进行检查,确保正常工作和外观完好无损。
检查内容包括电池电量、传感器灵敏度、仪器响应速度等方面。
如果在检查的过程中发现仪器存在问题,应当及时停止使用,并在仪器检修后再次进行检测。
操作方法在进行检测操作的时候,必须清晰明了地了解检测区域的情况,包括气体类型、浓度以及其他相关信息。
在检测位置周围张贴相应的警示标识,提醒工作人员保持警惕。
在进行操作时,必须遵守操作规程,按照要求完成检测任务。
必须保持操作仪器的安全操作距离,防止触电和其他事故发生。
预防措施在使用检测报警仪时,必须采取预防措施,避免意外事故的发生。
应当建立完善的安全管理制度,加强人员技能培训和教育,提高操作人员的专业素质。
除此之外,应当加强常规维护和保养,以进一步提升仪器的稳定性和可靠性。
备案管理制度为了保证检测报警仪的准确性和有效性,必须建立备案管理制度,对使用过的检测报警仪进行登记备案。
备案管理制度应当包括以下内容:登记备案每一个使用过的检测报警仪,必须进行登记备案。
备案内容包括仪器名称、编号、使用时间、使用地点、检测的气体类型和浓度等方面的信息。
检验标准备案管理制度要求对检测报警仪进行周期性的检验和校准。
根据仪器的既定检验标准,对检测报警仪进行检验和校准,确保仪器的准确性和可靠性。
维护管理备案管理制度要求对检测报警仪进行日常维护和保养。
维护内容包括清洁、充电(更换电池)、灵敏度调整等方面。
报废管理备案管理制度要求对检测报警仪进行报废处理。
作业场所环境气体检测报警仪通用技术要求
作业场所环境气体检测报警仪的通用技术要求包括以下几个方面:
1. 探测范围:能够准确快速地检测和监测多种有害气体,如可燃气体、有毒气体、氧气等,并具备对不同气体的可调范围。
2. 灵敏度:能够在低浓度下检测到有害气体,并及时报警,以确保作业人员的安全。
3. 反应时间:具备快速的响应时间,能够在检测到有害气体时立即报警,以便作业人员能够迅速采取相应的应对措施。
4. 精确度:具备高精确度的气体检测和测量能力,能够提供准确可靠的气体浓度数据。
5. 报警方式:能够通过声音、光线、振动等多种方式进行报警,以提醒作业人员注意有害气体的存在。
6. 显示方式:具备清晰明确的显示界面,能够直观地显示气体浓度、报警状态等信息。
7. 多参数监测:能够同时监测多种气体,并可调整监测的气体种类和数量,以适应不同作业场所的需求。
8. 防爆性能:具备良好的防爆性能,以适应各种危险场所的要求。
9. 可靠性:具备稳定可靠的工作性能,能够长时间稳定运行,并具备自动校准、故障自诊断等功能。
10. 兼容性:能够与其他系统(如安全监控系统、报警系统等)进行联动,实现综合监测和管理。
11. 电池寿命:具备长时间的电池寿命,以确保报警仪在作业
期间持续运行。
12. 轻便易携:具备轻便易携的特点,方便作业人员进行携带
和操作。
总之,作业场所环境气体检测报警仪应具备广泛的探测范围、高灵敏度、快速的反应时间、精确的测量能力、多样化的报警方式、清晰明确的显示界面、稳定可靠的工作性能等特点,以保障作业人员的安全。
有毒气体检测仪外观标准
毒气体检测仪的外观标准通常是根据行业标准和相关法规制定的。
一般来说,毒气体检测仪的外观标准应当符合以下几个方面:
1. 外壳材质,毒气体检测仪的外壳通常采用工程塑料或者金属材质制成,以确保设备具有一定的耐用性和防护性能。
外壳材质应当符合相关的防爆、防水、防尘等标准要求。
2. 外观设计,毒气体检测仪的外观设计应当简洁、美观,符合人体工程学原理,方便操作人员携带和使用。
同时,外观设计也应当考虑到设备的易清洁性和防护性能,确保设备在恶劣环境下也能正常工作。
3. 操作界面,毒气体检测仪的操作界面应当清晰易懂,按钮、指示灯等操作元素布局合理,便于操作人员快速准确地使用设备。
同时,操作界面也应当考虑到在不同光线条件下的可视性和易操作性。
4. 标识标志,毒气体检测仪的外观应当标注清晰的产品型号、生产厂家、生产日期、安全警示标志等必要信息,以便用户了解设
备的基本信息和注意事项。
总的来说,毒气体检测仪的外观标准应当符合相关的安全、耐用、易用等方面的要求,以确保设备在使用过程中能够有效地发挥作用,保障人员的安全和健康。
有毒气体检测报警仪技术条件及检验方法
自 1993-1-1 起执行
1 主题内容与适用范围
本标准规定了有毒气体检测报警仪分类、技术要求、检验方法等。
本标准适用于有毒气体检测报警仪的质量评价、检验和选型。
2 引用标准
GB2421 电工电子产品基本环境试验规程总则
GB3836.1 爆炸性环境用防爆电气设备通用要求
GB3836.2 爆炸性环境用防爆电气设备隔爆型电气设备“d”
GB3836.4 爆炸性环境用防爆电气设备本质安全型电路和电气设备“i”
GB5274 气体分析校准用混合气体的制备称量法
GB5275 气体分析校准用混合气体的制备渗透法
GB12358 作业环境气体检测报警仪通用技术要求
3 术语
3.1 有毒气体检测报警仪(以下简称仪器)
用于监测空气中对人体有毒有害气体的仪器(包括检测仪、报警仪、检测报警仪)。
3.2 零气
不含被测气体或其它干扰气体的清洁空气或氮气。
3.3 标准混合气(简称标准气)
被测气体和零气的混合气,其浓度和不确定度均为已知。
3.4 标定用标准混合气(简称标定气)
用仪器全量程(50—70)%浓度的标准气做为标定气。
4 仪器分类
表1 仪器分类表
5 技术要求
5.1 结构要求
5.1.1 防爆型的仪器必须符合GB3836.1、GB3836.2和GB3836.4的规定要求并取得防爆检验合格证。
5.1.2 仪器要坚固耐用,便于操作、维修、标定和校验。
5.1.3 仪器与有害气体以及其它腐蚀性物质接触的部分应使用耐腐蚀性材料或经过耐腐蚀处理的材料制作。
5.2 功能要求
5.2.1 仪器是否处于工作状态,应有明确显示。
5.2.2 报警信号应有明显的报警作用。
5.2.3 设置多点监测报警的仪器,应保证即使某一点正在报警而其它点出现报警条件时,也应该进行报警,并且能够分别指示报警场所。
5.2.4 仪器有较高的抗干扰能力。
5.2.5 连续式仪器应有故障报警功能。
5.3 性能要求
5.3.1 仪器性能指标应符合表2的要求。
表2 性能指标
5.3.2 温度变化影响
按6.6.9试验,示值误差和报警点设置误差应符合5.3.1要求。
5.3.3 电源变化影响
按6.6.10试验,示值误差和报警点设置误差应符合5.3.1要求。
5.3.4 振动影响
按6.6.11试验,示值误差和报警点设置误差应符合5.3.1要求。
5.3.5 跌落影响
按6.6.12试验,示值误差和报警点设置误差应符合5.3.1要求。
6 试验
6.1 技术文件的审查
送检仪器应备有下列资料:
a.产品标准或技术条件;
b.使用说明书;
c.其它有关材料。
6.2 试验条件
6.2.1 环境温度:15℃-35℃
6.2.2 环境湿度:≤85%RH
6.2.3 供电电源
a.直流电源:额定值±10%
b.交流电源:220V+10% 220V-15%
6.2.4 周围环境应无干扰检测的因素
6.3 仪器外观、结构和功能检查
a.仪器外表涂层应色泽均匀,不得有明显的擦伤、露底、裂纹及起泡现象;
b.紧固件、开关、旋钮等部件装配应可靠,使用方便,性能良好;
c.仪器的结构应符合5.1要求;
d.仪器的零点、量程、报警点三个电位器应调节方便,设置可靠;
e.仪器通电检查其功能应符合5.2要求。
6.4 试验前的准备
6.4.1 试验前仪器稳定时间
按仪器生产厂家规定的稳定时间。
6.4.2 试验前调零
经过6.4.1条规定的稳定时间后,在零气条件下调节仪器的零点使指示值为零。
6.4.3 试验前仪器标定
经6.4.2条调零后,在通入标定气条件下调节仪器,使其指示值与标定气浓度值相对应。
6.5 试验要求
6.5.1 试验前按6.4条做好试验准备。
6.5.2 标准气选用该仪器检测气体与空气(或氮气)的混合气,按GB5274、GB5275配制,其浓度的不确定度在±3%以内。
6.5.3 试验时通气方法要严格模拟该仪器的使用情况
a.泵吸式仪器,标准气流量要恒定在额定值,不应因入口压力变化而使标准气流量波动。
b.扩散式仪器,标准气接触检测器的压力要求恒定在常压(大气压)或一个微小的压力(其值不得超过100Pa),通气流量要恒定。
6.6 试验项目及方法
6.6.1 示值误差试验
a.示值误差
指示值与标准气浓度值之差,用相对量表示,按下式计算:
b.试验方法
用仪器满刻度值(20±5)%、(40±5)%、(60±5)%、(80±5)%四种浓度的标准气分别通入仪器,待指示稳定后记录示值,每种浓度的标准气重复试验3次,各示值分别按上式计算示值误差,选其中最大者为仪器的示值误差。
6.6.2 重复性试验
a.重复性
对同一种标准气短时间内测量结果的重现性,用变异系数C.V表示,计算公式如下:
式中:
为仪器测量结果的平均值;
N为测量次数;
X n为各次测量的指示值。
b.试验方法
在条件不变的情况下,用仪器满刻度值(40-60)%的任一种浓度的标准气通入仪器,指示稳定后记录示值Xn,然后仪器通入零气,重复试验6次,计算C.V值。
6.6.3 零点漂移试验
a.零点漂移
连续式仪器,在试验条件下,通入零气连续工作,在一定时间内其指标值的变化,用下式表示:
b.试验方法
连续式仪器通入零气连续工作24小时,每隔2小时记录一次指示值,取其中最大值和最小值,按上式计算(指针式仪器把零点调到最低量程的5%左右,再开始试验)。
6.6.4 稳定性试验
a.稳定性
仪器在试验条件下连续工作,在一定时间内示值变化程度为仪器稳定性,用下式表示:
b.试验方法
仪器在通入零气的状况下,保持一定时间的工作状态,用满刻度值(40±5)%的同一种浓度的标准气试验。
对间断式仪器,保持2小时工作状态,期间每隔0.5小时通入一次标准气,记录示值,共做5次为一周期,取其中最大指示值和最小指示值按上式计算。
每天试验一周期,重复3天,取其中最大的计算值为仪器稳定性。
对连续式仪器保持72小时连续工作状态,期间每隔4小时通入一次标准气并记录示值,取其中最大指示值和最小指示值,按上试计算仪器稳定性。
6.6.5 响应时间试验
a.响应时间
仪器在通入零气的情况下,从瞬时变为通入标定气,到指示值上升到标定气浓度值的90%所需的时间。
b.试验方法
仪器在通入零气的情况下,瞬时变为通入标定气,并同时记录指示值上升到标定气浓度的90%所需的时间,重复做3次取其平均值。
6.6.6 恢复时间试验
a.恢复时间
仪器在通入标定气的情况下,从瞬时变为通入零气到仪器指示值下降到标定气浓度值的10%所需的时间。
b.试验方法
仪器在通入标定气情况下,瞬时变为通入零气到仪器指示值下降到标定气浓度值10%所需时间,重复做3次取其平均值。
6.6.7 报警点设置误差试验
a.报警点设置误差
仪器开始报警时最低指示值与设定值之差为报警设置误差,用相对值表示,如下式:
b.报警点的设置
调节调零电位器,使仪器指示值为报警设置浓度,再缓慢调节报警设定电位器,当报警信号开始出现时,立即停止调节,然后反方向调节调零电位器使指示值为零,保持其设定值。
c.试验方法
报警点设定后,调节调零电位器或者通入1.5倍报警设定值浓度的标准气,使仪器指示值从零点上升,记录报警信号出现时的指示值,并按上式计算,重复3次,取其中最大计算值为报警点设置误差。
6.6.8 报警动作响应时间试验。