ISO90012015版质量管理体系过程方法内审检查表
- 格式:doc
- 大小:508.33 KB
- 文档页数:26
内审检查表SEC.1 被审核部门管理层审核员及所属部门标准条款检查项目检查方法审核证据判定4.1 是否对公司及其环境进行了评估是否有从目标和战略方向评估影响质量管理体系的环境问题?□合格□不合格□建议项这些问题是否从内部和外部的方向均有考虑?考虑是否充分?□合格□不合格□建议项这些考虑的问题以什么方式来体现和应对?□合格□不合格□建议项以上是否有文件信息证据?□合格□不合格□建议项4.2 对相关方的需求和期望是否策划了识别利益相关方?□合格□不合格□建议项了解利益相关方的要求如何体现?□合格□不合格□建议项4.3 确定质量管理体系的范围组织是否对质量管理体系确定了范围?是否有所描述或记录?□合格□不合格□建议项4.4 质量管理体系体系管理的过程有是否有被建立?□合格□不合格□建议项5.1 最高管理者为其做出的管理承诺,即“建立、实施质量管理体系并持续改进其有效性”,开展了哪些活动总经理是否制定并批准书面的质量方针和目标,并采取措施使员工正确理解并贯彻执行?□合格□不合格□建议项是否通过培训、宣传、会议、评审、报告、文件等方式将相关方(客户)的要求、法律法规的要求传达到各阶层?□合格□不合格□建议项各阶层员工是否充分理解这些要求的重要性,并在工作中确保这些要求的实现?□合格□不合格□建议项是否定期进行管理评审,确保质量管理体系的适宜性、有效性和充分性□合格□不合格□建议项是否为每项活动提供充分的资源□合格□不合格□建议项5.1.2 如何开展以顾客为关注焦点是通过什么方法掌握顾客对产品质量的要求?又是如何转化为各项工作的要求并实施?达到顾客满意了?□合格□不合格□建议项5.2 质量方针的制定及内容是否与公司的宗旨、规模、产品特点相适宜?是否体现满足顾客的要求,持续改进的精神?□合格□不合格□建议项质量方针的沟通与管理如何向全体员工传达的?采取了什么方式?询问员工,看员工是否了解质量方针?□合格□不合格□建议项质量方针的评审是否有定期评审质量方针的规定?是否开展评审活动?□合格□不合格□建议项5.3 管理者代表的任命、职责的规定和所负职责的具体落实是否任命管理者代表?管理者代表有效发挥作用?□合格□不合格□建议项建立适当的沟通过程是否有内部沟通的程序?程序中是否对沟通的方式、内容作了规定?有没有沟通的记录及证据?□合格□不合格□建议项质量目标达成、质量体系审核情况的通报是否将质量目标达成、质量管理体系审核和评审结果通报组织内所有有关人员□合格□不合格□建议项6.1对风险和机遇的识别风险与机遇的识别是否有被确定?□合格□不合格□建议项风险和机遇的应对措施这些风险是否有应对的措施?□合格□不合格□建议项6.2 质量目标的设定目标是否形成文件?是否分解到各职能和层次?是否符合方针的要求?可测量吗?是否体现了持续改进的精神?□合格□不合格□建议项目标的实现受审部门是否均有相应的目标?检查目标统计结果,确认目标是否得到实现?□合格□不合格□建议项目标的定期评审、修订目标是否定期评审、修订?依据什么评审、修订?目标的评审、修订是否体现持续改进?□合格□不合格□建议项策划是否满足质量目标及质量管理体系总要求?策划的输出是否形成文件?如何保证策划能满足质量目标及质量管理体系总要求?形成了多少程序文件?是否满足要求?体现持续改进了?□合格□不合格□建议项职责、权限得到规定是否有清晰的组织结构?相关职能部门或岗位的职责是否得到规定,并充分沟通?□合格□不合格□建议项6.3 变更的策划公司的变更是否有策划控制方法?□合格□不合格□建议项9.3 管理评审定期进行,评审输入要充分管理评审是否由总经理亲自主持并定期进行,输入内容符合体系要求吗?评审内容覆盖全面吗?□合格□不合格□建议项评审输出内容的全面性,后续工作及验证评审结论有输出吗?有无后续工作?如何开展的?结果验证并反馈最高管理者了?□合格□不合格□建议项内审检查表SEC.2 被审核部门营业部审核员及所属部门标准条款检查项目检查方法审核证据判定5.3 职责权限和沟通了解该部门的组织机构图和工作流程。
过程特性:是否是否对下述有关支持性过程的问题加以澄清?是否 是否已确定过程的所有人?X 做什么?X是否已对过程加以定义?X 谁做?X过程是否已文件化?X 用哪些指标衡量?X是否已对过程的接口加以定义?X 在哪里做?X过程是否监控?X记录是否保存?X2)与顾客相关的主要过程和支持性程3)输入 /输出4)绩效指标5)相关质量文件6)ISO9001:2015 相关的条款7)审核记录8)结果C1订单评审输入:1)顾客交付订单2)顾客规范要求3)法律法规要求4)库存状况5)生产能力6)供方信息。
输出:1)合同评审记录2)生产计划3)交付计划4)采购需求合同评审率《顾客沟通控制程序》《产品有关要求评审控制程序》8.2经查客户的订单,常规订单公司由市场部人员签字确认或者回复邮件告知客户,可达成。
特殊订单按照新产品开发流程,评审,打样等保留评审记录。
符合过程特性:是否是否对下述有关支持性过程的问题加以澄清?是否 是否已确定过程的所有人?X 做什么?X是否已对过程加以定义?X 谁做?X过程是否已文件化?X 用哪些指标衡量?X是否已对过程的接口加以定义?X 在哪里做?X过程是否监控?X记录是否保存?X2)与顾客相关的主要过程和支持性程3)输入 /输出4)绩效指标5)相关质量文件6)ISO9001:2015 相关的条款7)审核记录8)结果COP2过程开发过程输入:1)新产品开发协议2)产品图纸和技术规范3)市场调查结果4)法律法规要求5)行业信息6)顾客开发周期输出:1)图纸2)作业指导书3)检验指导书4)BOM清单送样一次合格率《产品质量先期策划控制程序》8.1/8.3/8.5.6新产品开发按照,客户的技术要求进行策划过程设计开发,输出设备台账、工装台账、加工指导书、检验指导书、包装指导书等过程指标一样送样合格率达到目标值,符合OK过程特性:是否是否对下述有关支持性过程的问题加以澄清?是否 是否已确定过程的所有人?X 做什么?X是否已对过程加以定义?X 谁做?X过程是否已文件化?X 用哪些指标衡量?X是否已对过程的接口加以定义?X 在哪里做?X过程是否监控?X记录是否保存?X2)与顾客相关的主要过程和支持性程3)输入 /输出4)绩效指标5)相关质量文件6)ISO9001:2015 相关的条款7)审核记录8)结果COP3制造过程输入:1) 生产作业计划;2) 产品特性信息;3) QC工程图;4) 作业指导书;5) 人员/设备/工装/监视装置信息;6) 质量信息反馈。
审核准则符合说明涉及条款范围ISO9001-2015、体系文件、适用法律法规○”符合;“?”观察项;“△”一般不符合;“×”重大不符合※不符时记入证据、事实。
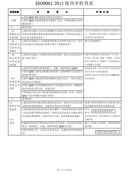
审核内容、证据及方法1.组织QMS覆盖范围和过程是否有缺失?2.组织QMS对标准条款是否剪裁?如有,所剪裁条款中过程确凿没有?审核记录无缺失、覆盖全面生产和服务的设计不适用,此不影响公司提供满足法律法规及顾客要求的产品最高管理者应确定与本公司质量目标和战略方向相关并影响实现质量管理体系预期结果的各种内部因素(公司的价值观、文化、知识、绩效等相关因素)和外部因素(国际、国家、地区和当地的各种法律法规、技术、竞争、文化和社会因素等)。
这些因素可以包括需要考虑的正面和负面因素或条件。
√审核发现√4.1 1.组织是否确定与其目标和战略方向相关并影响其实现质量管理体系预期结果的各种外部和内部因素?是否对这些相关信息进行监视和评审?理解组织及其环境本公司定期对这些内部和外部因素的相关信息进行监视和评审,以确保其充分和适宜。
4.2理解相关方的需求和期望1.组织是否确定了与质量管理体系有关的所有相关方?是否对这些相关方制定相关要求并进行了监视和评审?公司应确定:a)与质量管理体系有关的相关方;√b)这些相关方的要求;公司应对这些相关方及其要求的相关信息进行监视和评审,以便于理解和持续满足相关方的需求和期望。
组织应考虑以下相关方:--顾客;--最终用户或受益人;--法人,股东;--银行;--外部供应商;--雇员及其他为组织工作者;--法律法规及监管机关;--地方社区团体;--非政府组织;。
审核准则符合说明涉及条款ISO9001-2015、体系文件、适用法律法规○”符合;“?”观察项;“△”一般不符合;“×”重大不符合※不符时记入证据、事实。
审核内容、证据及方法审核记录理解相关方的需求和期望可以帮助本公司更好的建立清晰的方针和目标,做到目的明确。
ISO9001:2015 版内审检查表(完整记录)受审核部门审核日期审核员审核准则ISO9001、体系文件、适用法律法规符合说明○”符合;“?”观察项;“△”一般不符合;“×”重大不符合※不符时记入证据、事实。
涉及条款审核内容、证据及方法审核记录审核发现范围 1. 组织QMS覆盖范围和过程是否有缺失?无缺失、覆盖全面√2. 组织QM S对标准条款是否剪裁?如有,所剪裁条款中过生产和服务的设计不适用,此不影响公司提供满足法律法规及顾客要求的产品程确凿没有?4.1理解组织及其环境1. 组织是否确定与其目标和战略方向相关并影响其实现质量管理体系预期结果的各种外部和内部因素?是否对这些相关信息进行监视和评审?最高管理者应确定与本公司质量目标和战略方向相关并影响实现质量管理体系预√期结果的各种内部因素(公司的价值观、文化、知识、绩效等相关因素)和外部因素(国际、国家、地区和当地的各种法律法规、技术、竞争、文化和社会因素等)。
这些因素可以包括需要考虑的正面和负面因素或条件。
本公司定期对这些内部和外部因素的相关信息进行监视和评审,以确保其充分和适宜。
4.2理解相关方的需求和期望1. 组织是否确定了与质量管理体系有关的所有相关方?是否对这些相关方制定相关要求并进行了监视和评审?公司应确定:√a)与质量管理体系有关的相关方;b)这些相关方的要求;公司应对这些相关方及其要求的相关信息进行监视和评审,以便于理解和持续满足相关方的需求和期望。
组织应考虑以下相关方:-- 顾客;-- 最终用户或受益人;-- 法人,股东;-- 银行;-- 外部供应商;-- 雇员及其他为组织工作者;-- 法律法规及监管机关;-- 地方社区团体;-- 非政府组织;。
理解相关方的需求和期望可以帮助本公司更好的建立清晰的方针和目标,做到目的明确。
满足相关方的要求并争取做到更高的期望值。
表1 外部相关方及要求与期望相关方要求与期望法律法规及监管机关符合法律法规要求顾客、最终用户或受益人提供的技术方案或研发的产品符合最初提出的要求银行有能力支付银行的款项外部供应商价格合理,结算及时,有规范的流程或手续第三方认证服务机满足ISO9001 体系要求,持续改进质量管理体系构第三方监测机构配合监测表2 内部相关方及要求与期望相关方要求与期望法人,股东合法,客户满意,成本低雇员及其他为组织工作者清洁卫生,工作时间合理,工作强度不大、薪酬合理4.3确定质量管理体系的范围1. 组织是否确定了质量管理体系的范围?是否对这些信息形成了相关文件?组织应明确质量管理体系的边界和适用性,以确定其范围。
质量管理体系内部审核检查表注:“检查结果记录”栏:符合√,轻微不符合▲,严重不符合×(有不符合时要记录证据,并要求受审核部门见证人签名确认)。
质量管理体系内部审核检查表注:“检查结果记录”栏:符合√,轻微不符合▲,严重不符合×(有不符合时要记录证据,并要求受审核部门见证人签名确认)。
质量管理体系内部审核检查表注:“检查结果记录”栏:符合√,轻微不符合▲,严重不符合×(有不符合时要记录证据,并要求受审核部门见证人签名确认)。
管理体系内部审核检查表注:“检查结果记录”栏:符合√,轻微不符合▲,严重不符合×(有不符合时要记录证据,并要求受审核部门见证人签名确认)。
管理体系内部审核检查表注:“检查结果记录”栏:符合√,轻微不符合▲,严重不符合×(有不符合时要记录证据,并要求受审核部门见证人签名确认)。
管理体系内部审核检查表注:“检查结果记录”栏:符合√,轻微不符合▲,严重不符合×(有不符合时要记录证据,并要求受审核部门见证人签名确认)。
管理体系内部审核检查表注:“检查结果记录”栏:符合√,轻微不符合▲,严重不符合×(有不符合时要记录证据,并要求受审核部门见证人签名确认)。
管理体系内部审核检查表注:“检查结果记录”栏:符合√,轻微不符合▲,严重不符合×(有不符合时要记录证据,并要求受审核部门见证人签名确认)。
管理体系内部审核检查表注:“检查结果记录”栏:符合√,轻微不符合▲,严重不符合×(有不符合时要记录证据,并要求受审核部门见证人签名确认)。
管理体系内部审核检查表注:“检查结果记录”栏:符合√,轻微不符合▲,严重不符合×(有不符合时要记录证据,并要求受审核部门见证人签名确认)。
管理体系内部审核检查表注:“检查结果记录”栏:符合√,轻微不符合▲,严重不符合×(有不符合时要记录证据,并要求受审核部门见证人签名确认)。
注1:文件查阅含记录的查阅。
注1:文件查阅含记录的查阅。
注1:文件查阅含记录的查阅。
注1:文件查阅含记录的查阅。
注1:文件查阅含记录的查阅。
注1:文件查阅含记录的查阅。
注1:文件查阅含记录的查阅。
注1:文件查阅含记录的查阅。
注1:文件查阅含记录的查阅。
注1:文件查阅含记录的查阅。
注1:文件查阅含记录的查阅。
注1:文件查阅含记录的查阅。
注1:文件查阅含记录的查阅。
注1:文件查阅含记录的查阅。
注1:文件查阅含记录的查阅。
注1:文件查阅含记录的查阅。
注1:文件查阅含记录的查阅。
注1:文件查阅含记录的查阅。
注1:文件查阅含记录的查阅。
注1:文件查阅含记录的查阅。
注1:文件查阅含记录的查阅。
注1:文件查阅含记录的查阅。
注1:文件查阅含记录的查阅。
注1:文件查阅含记录的查阅。
注1:文件查阅含记录的查阅。
注1:文件查阅含记录的查阅。