桥梁工程施工资料方法及内容附全套表格
- 格式:docx
- 大小:234.05 KB
- 文档页数:57
桥梁工程施工计划表一、引言桥梁工程是连接河流、海峡、山谷等地理障碍的重要设施,对于促进地区经济发展、改善民生具有重要意义。
本文将介绍一份桥梁工程施工计划表,涵盖了施工前准备、施工过程和施工后检查等阶段,以期为相关工程提供参考。
二、施工前准备1、现场勘查:对桥梁施工地点进行实地勘查,了解地形、地质、水文等情况,为施工方案制定提供依据。
2、方案设计:根据现场勘查结果,进行桥梁设计方案制定,包括桥梁结构、材料、跨度、荷载等级等。
3、施工组织设计:确定施工队伍、设备、材料等需求,制定施工进度计划和质量控制措施。
4、施工现场准备:清理施工现场,平整场地,搭建临时设施,确保施工顺利进行。
三、施工过程1、基础工程施工:包括桥墩基础、桥台基础的施工,根据设计要求进行地基处理、钢筋绑扎、模板支设、混凝土浇筑等作业。
2、主体结构施工:根据设计方案进行梁体预制、吊装、连接等作业,确保桥梁主体结构的稳定性和承载能力。
3、桥面铺装施工:对桥面进行防水层处理、钢筋网铺设、混凝土浇筑等作业,确保桥面铺装质量。
4、附属设施施工:安装栏杆、路灯、交通标志等附属设施,确保桥梁使用安全。
四、施工后检查1、结构稳定性检查:对桥梁主体结构进行稳定性检测,确保桥梁在使用过程中不发生倾斜或下沉等现象。
2、承载能力检测:对桥梁进行承载试验,检测桥梁的承载能力是否符合设计要求。
3、外观质量检查:对桥梁外观进行质量检查,包括梁体表面平整度、光泽度等,以及附属设施的安装质量。
4、使用功能检查:检查桥梁的使用功能是否正常,如通行能力、排水功能等。
五、结论本文介绍了一份详细的桥梁工程施工计划表,涵盖了施工前准备、施工过程和施工后检查等阶段。
实施该计划表有助于确保桥梁工程施工的顺利进行,提高工程质量,降低工程风险,实现安全、可靠的桥梁建设目标。
在具体的实施过程中,需要根据不同工程的实际情况进行适当调整和完善,以满足特定需求。
桥梁施工进度计划表桥梁施工进度计划表是工程项目中至关重要的部分,它不仅反映了工程的整体规划,还为项目的执行提供了明确的方向。
桥梁工程施工资料范本一、工程概况1.1 工程简介本项目为XX市XX桥梁工程,位于XX河上,连接XX路与XX路,是一座全长XX米,宽XX米的预应力混凝土桥梁。
桥梁上部结构采用预制箱梁和现浇连续梁,下部结构采用柱式墩台和肋式桥台。
1.2 工程目标确保工程质量、安全、进度和投资控制四个方面达到预期目标,打造优质桥梁工程,为公司树立良好口碑。
二、施工组织与管理2.1 施工组织本项目成立专门的项目管理部,负责全面协调、管理和控制工程质量、安全、进度和投资。
项目管理部下设施工技术组、质量控制组、安全监督组和材料设备组,各组职责明确,相互协作。
2.2 施工管理(1)施工技术管理:严格按照施工图纸和施工方案进行施工,确保工程质量。
针对关键技术问题,组织专家研讨,确保解决方案的科学性和可行性。
(2)质量管理:实行全过程质量管理,从原材料采购、施工工艺、施工过程到验收环节,严格把关,确保工程质量达到优良标准。
(3)安全管理:落实安全生产责任制,加强施工现场安全管理,定期进行安全教育培训和安全隐患排查,确保施工现场安全无事故。
(4)投资控制:合理规划施工进度和资金使用,严格控制工程成本,确保项目投资控制在预算范围内。
三、施工流程与工艺3.1 施工准备(1)施工现场勘察:了解施工现场环境、地质条件、交通状况等,为施工方案制定提供依据。
(2)施工方案制定:根据勘察结果,制定详细的施工方案,包括施工工艺、施工进度、人员配置、材料供应等。
(3)施工图纸审查:认真审查施工图纸,确保图纸的正确性和完整性。
(4)施工现场布置:合理规划施工现场,设置施工临时设施,确保施工现场秩序井然。
3.2 施工过程(1)地基处理:根据地质条件,采取相应的地基处理措施,确保地基承载力满足桥梁要求。
(2)墩台施工:按照施工方案进行墩台施工,确保墩台结构安全、稳定。
(3)预制箱梁施工:采用预制箱梁施工工艺,严格控制预制梁的质量,确保预制梁的拼装顺利进行。
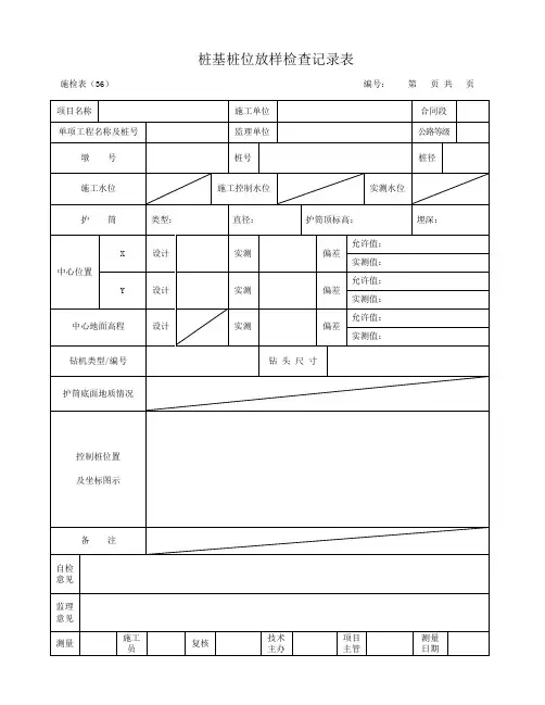
桩基桩位放样检查记录表施检表(36)编号:第页共页项目名称施工单位合同段单项工程名称及桩号监理单位公路等级墩号桩号桩径施工水位施工控制水位实测水位护筒类型:直径:护筒顶标高:埋深:中心位置X 设计实测偏差允许值:实测值:Y 设计实测偏差允许值:实测值:中心地面高程设计实测偏差允许值:实测值:钻机类型/编号钻头尺寸护筒底面地质情况控制桩位置及坐标图示备注自检意见监理意见测量施工员复核技术主办项目主管测量日期水准测量记录表施检表(8)编号:第页共页项目名称施工单位合同段测量范围监理单位公路等级允许误差闭合差仪器产地型号测点或桩号水准尺读数仪器高标高备注后视前视自检意见监理意见测量计算复核技术主办项目主管测量日期施检表(46)编号:第页共页项目名称施工单位合同段单项工程名称监理单位公路等级施工部位砂含水量碎石含水量设计配合比水泥:砂:石:水:粉煤灰:外加剂现场计量方式碎石规格产地:砂规格产地:施工时间开始结束施工气温最高最低混凝土标号拌和方式运输方式振捣方式水泥品种及标号水泥用量(kg/m3)施工配合比水泥:砂 :石:水:粉煤灰:外加剂水灰比外加剂名称掺入量实测坍落度(mm) 1:2:3:平均:留取试样组数编号设计方数实浇方数施工间断情况记录自检意见监理意见检测施工员复核技术主办项目主管检测日期施检表(42)编号:第页共页项目名称施工单位合同段墩(台)桩编号监理单位公路等级桩径(m) 设计孔底标高(m)灌注前孔底标高(m) 护筒顶标高(m)钢筋骨架底标高(m) 混凝土标高(m)水泥标号水灰比坍落度(mm) 每盘混凝土数量(m3)计算混凝土数量(m3)/厚度(m) 储料斗体积(m3)水泥:砂:砾石:水:粉煤灰:外加剂总盘数/总数量(m3)时间总孔深A(m)基准面到混凝土顶面高度B(m)混凝土浇筑厚度(m)导管总长(m)基准面到导管顶面高度导管埋深拆管长度(m)重要记录拆管前/后(m)拆管前/后(m)1 2 3=1-2 4 5 6=4-2-5自检意见监理意见检测施工员复核技术主办项目主管测量日期冲击钻成孔记录表施检表(38)编号:第页共页项目名称承包单位监理单位合同段编号开钻日期墩号桩号桩径 (cm) 地面标高(m) 设计桩尖标高(m) 护筒长度(m) 护筒顶标高(m) 护筒埋置深度(m) 冲锤形式和直径(m) 冲锤质量(kg)上班交班时进尺(m) 本班进尺(m) 累计进尺(m) 由月日时分至月日时分起止时间共计(h) 工作项目冲程(m)冲击次数(次/分)钻进深度(m) 检孔深度(m)孔底标高(m)孔内水位(m)地质情况泥浆比重H min h min 本次累计时间统计纯钻时间辅助生产时间(h)非生产停钻时间(h)合计自检意见取渣检孔检查钻具接钢丝换绳投石投土小计孔内事故机械事故待料停电小计监理意见班长施工员记录技术主办项目主管测量日期桩基终孔后灌注混凝土前检查记录表施检表(41)编号:第页共页项目名称施工单位合同段单项工程名称监理单位公路等级墩(台)号桩编号护筒顶高程(m) 护筒长度(m) 倾斜度设计直径(mm) 终孔直径(m) 孔位偏差(mm)设计孔底高程(m) 终孔孔底高程(m)清孔后孔底高程(m) 灌注前孔底高程(m)灌注前泥浆比重含砂率(%)沉淀层厚度(mm)钻孔中出现的问题及处理钢筋骨架主筋直径及根数(根) 主筋长度(m) 骨架总长(m) 骨架底面高程(m)骨架每节长度(m) 焊接方法及搭接长度(mm)备注附件:测孔原始记录自检意见监理意见检测计算复核技术主办项目主管测量日期桩基成桩记录表施检表(40)编号:第页共页项目名称施工单位合同段单项工程名称监理单位公路等级墩(台)、桩编号设计桩顶高程(m) 成桩顶高程(m)桩心坐标X 设计实测偏差允许值:实测值:Y 设计实测偏差允许值:实测值:桩头直径(cm) 设计实测偏差允许值:实测值:桩头凿除高度(cm) 接桩长度(cm)最小保护层(cm)有无露筋及处理方法混凝土外貌检查图示自检意见监理意见检测计算复核技术主办项目主管测量日期钢筋加工及安装质量检验报告单检表(44) 编号: 第 页 共 页 检测: 复核: 施工员: 质检负责人: 技术主管: 项目主管: 日期:项目名称 施工单位 合同段 施工日期 桩号及部位监理单位公路等级检测日期项次检 测 项 目单位 规定值或允许偏差检 测 值 1△受力钢筋间距 两排以上排距mm ±5 同排梁、板、拱肋mm±10 基础、墩台、柱、锚锭 mm±20 灌注桩mm ±20 2 箍筋、横向水平钢筋、螺旋筋间距 mm ±10 3 钢筋骨架尺寸长 mm ±10 宽、高或直径 mm ±5 4弯起钢筋位置mm ±20 5△保护层厚度柱、梁、拱肋mm ±5 基础、墩台、锚锭mm ±10 板mm±3外 观 检 查自 检 意 见签名: 日期: 监 理意 见签名: 日期:施工放线测量记录表施检表(7)编号:第页共页项目名称施工单位监理单位合同段公路等级测点范围仪器型号测点或桩号设计坐标实测坐标计算距离(m)计算角度(°′″)计算水平度盘读数(°′″)距离读数(m)竖盘读数(°′″)实测距离(m)实测水平度盘读数(°′″)实测角度(°′″) X Y X Y计算数据测站点坐标X= Y=对点观测数据斜距离D=草图后视点坐标X= Y= 竖直度盘Q=距离AB= 实测水平距离AB=水平度盘自检意见监理意见测量计算复核技术主办项目主管测量日期钻孔灌注桩质量检验报告单检表(35) 编号: 第 页 共 页 检测: 复核: 施工员: 质检负责人: 技术主管: 项目主管: 日期:项目名称 施工单位 合 同 段 施工日期 桥梁名称监理单位公路等级检测日期项次 检 测 项 目 单位 规定值或 允许偏差 检 测 值 1△砼强度Mpa 在合格标准内2△桩位 群桩mm 100 排架桩 允许mm 50 极值mm 100 3△ 孔深 m 不小于设计 4△ 孔径 mm 不小于设计 5钻孔倾斜度 mm 1%桩长,且不大于500 6△沉淀 厚度摩擦桩 mm 符合设计规定,设未规定时按施工规范要求支撑桩mm 不大于设计规定7 钢筋骨架底面高程 mm±50钻孔取芯情况结论 无破损检测结论外 观 检 查自 检 意 见 签名: 日期: 监 理意 见签名: 日期:监表1 施工放样报验单承包单位:合同段号:监理单位:编号:致(测量监理工程师):根据合同要求,我们已经完成(起止桩号或工程部位)的施工放样工作,清单如下,请予查验。
……………………………………………………………精品资料推荐…………………………………………………桥梁工程施工资料桥梁由基础及下部构造、上部构造预制和安装、总体桥面和附属工程、防护工程和引道等分部工程构成。
第一节施工试验报告1、水泥混凝土和砂浆配合比试验报告。
其混合料应按《公路工程水泥混凝土试验规程》的规定进行试验。
报告应包括配合比设计计算书,试验室确定的配合比及强度试验报告,所用原材料试验报告。
试验报告按单位工程组卷。
要求监理审批意见在前,试验报告在后。
2 、锚具、夹具、连接器和千斤顶检验报告:1)锚具、夹具、连接器。
预应力筋锚具、夹具、连接器验收批的划分:在同种材料和同一生产工艺条件下,锚具、夹具应以不超过1000套组为一个验收批;连接器以不超过500套组为一个验收批。
(1)外观检查:应从每批中抽取10%的锚具且不少于10套,检查其外观和尺寸。
如有一套表面裂纹或超过产品标准及设计图纸规定尺寸的允许偏差,则应另取双倍数量的锚具重做检查,如仍有一套不符合要求,则应逐套检查,合格者方可使用。
(2)硬度检验:应从每批中抽取5%的锚具且不少于5套,对其中有硬度要求的零件作硬度试验,对多孔夹片式锚具的夹片每套至少抽取5片。
每个零件测试3点,其硬度应在设计要求范围内,如有一个零件不合格,则应另取双倍数量的锚具重做试验,如仍有一个零件不合格,则应逐个检查。
合格者方可使用。
(3)静载锚固性能试验:对大桥等重要工程,经上述两项试验合格后,应从同批中抽取6套锚具(夹具或连接器)组成3个预应力筋锚具组装件,进行静载锚固性能试验,如有一个试件不符合要求,则应另取双倍数量的锚具(夹具或连接器)重做试验,如仍有一个试件不符合要求,则该批锚具(夹具或连接器)为不合格品。
2)千斤顶检验。
当千斤顶使用超过6个月或200次,或在使用过程中出现不正常现象,检修后均须重新检验。
3)检验报告组卷要求。
预应力用锚具、夹具和连接器、千斤顶等的检验报告按器具种类、检验时间顺序组卷。
桥梁工程施工资料桥梁由基础及下部构造、上部构造预制和安装、总体桥面和附属工程、防护工程和引道等分部工程构成。
第一节施工试验报告1、水泥混凝土和砂浆配合比试验报告。
其混合料应按《公路工程水泥混凝土试验规程》的规定进行试验。
报告应包括配合比设计计算书,试验室确定的配合比及强度试验报告,所用原材料试验报告。
试验报告按单位工程组卷。
要求监理审批意见在前,试验报告在后。
2 、锚具、夹具、连接器和千斤顶检验报告:1)锚具、夹具、连接器。
预应力筋锚具、夹具、连接器验收批的划分:在同种材料和同一生产工艺条件下,锚具、夹具应以不超过1000套组为一个验收批;连接器以不超过500套组为一个验收批。
(1)外观检查:应从每批中抽取10%的锚具且不少于10套,检查其外观和尺寸。
如有一套表面裂纹或超过产品标准及设计图纸规定尺寸的允许偏差,则应另取双倍数量的锚具重做检查,如仍有一套不符合要求,则应逐套检查,合格者方可使用。
(2)硬度检验:应从每批中抽取5%的锚具且不少于5套,对其中有硬度要求的零件作硬度试验,对多孔夹片式锚具的夹片每套至少抽取5片。
每个零件测试3点,其硬度应在设计要求范围内,如有一个零件不合格,则应另取双倍数量的锚具重做试验,如仍有一个零件不合格,则应逐个检查。
合格者方可使用。
(3)静载锚固性能试验:对大桥等重要工程,经上述两项试验合格后,应从同批中抽取6套锚具(夹具或连接器)组成3个预应力筋锚具组装件,进行静载锚固性能试验,如有一个试件不符合要求,则应另取双倍数量的锚具(夹具或连接器)重做试验,如仍有一个试件不符合要求,则该批锚具(夹具或连接器)为不合格品。
2)千斤顶检验。
当千斤顶使用超过6个月或200次,或在使用过程中出现不正常现象,检修后均须重新检验。
3)检验报告组卷要求。
预应力用锚具、夹具和连接器、千斤顶等的检验报告按器具种类、检验时间顺序组卷。
3、桥梁支座和伸缩装置检验报告。
进场的桥梁支座和伸缩装置必须有生产厂家的合格证和产品质量检验报告,并应按图纸和规范要求进行检验,检验报告按生产厂家、材料种类、检验时间顺序组卷。
桥梁工程施工资料一、项目背景桥梁作为连接两个地区的重要交通设施,对于城市的发展和经济的繁荣起着至关重要的作用。
本项目位于某市的主干道上,是一座横跨江河的大型桥梁工程。
该桥梁工程的建设将极大地促进该市的经济发展和交通便利。
二、施工单位本项目的施工单位为某市知名的建筑施工公司,拥有丰富的桥梁工程施工经验和技术实力。
施工单位将以确保施工质量和工期为目标,全力以赴完成本项目的建设任务。
三、工程概况本项目的桥梁全长约800米,宽度为12米,是一座双向四车道大桥。
桥梁采用预应力混凝土箱梁结构,主桥段为一跨简支梁、两跨连续梁组合结构。
桥梁两侧设置护栏和人行道,以确保行人和车辆的安全通行。
四、施工方案1. 桥梁测量:施工前将对桥梁进行详细的测量和勘测,确定桥梁的具体位置和高程,为后续的施工提供准确的基础数据。
2. 地基处理:根据设计要求对桥墩基础的地基进行处理,确保基础的承载力和稳定性。
3. 桥墩施工:采用模板浇筑的方式对桥墩进行施工,确保桥墩的准确度和牢固性。
4. 梁体安装:梁体采用吊装的方式安装在桥墩上,牢固地连接各梁段。
5. 梁体浇筑:对梁体进行混凝土浇筑,保证梁体的强度和耐久性。
6. 桥面铺设:对桥面进行沥青铺设,确保车辆行驶的平稳和舒适。
7. 护栏安装:在桥梁两侧设置护栏,为行人和车辆提供安全保障。
8. 照明系统安装:对桥梁进行照明系统的安装,确保夜间通行的安全性。
五、施工周期本项目的施工周期为一年,其中包括前期勘测和设计阶段、施工阶段和后期验收阶段。
施工单位将按照施工计划和进度表,确保工程按时完工。
六、质量控制1. 施工过程中将严格按照设计图纸和施工规范进行施工,确保桥梁工程的质量。
2. 针对重要节点和关键工序将进行实时监控和检测,及时处理出现的质量问题。
3. 每个工序完成后将进行验收,确保每个环节都符合要求。
4. 完工后将进行整体验收和结构检测,确保桥梁的使用安全性和稳定性。
七、安全防护1. 施工现场将设置明显的安全警示标志,确保施工现场的人员和车辆安全。
第1篇一、工程概况本工程为某地区一座跨径为30米的预应力混凝土连续梁桥,全长320米。
主桥采用预应力混凝土连续梁结构,桥面宽度为24.5米,单幅桥面宽度为12.25米。
桥梁两侧各设置2米宽的人行道。
主梁采用单箱单室截面,截面尺寸为8.5米×3.5米。
桥墩采用柱式墩,基础采用桩基础。
二、施工准备1. 技术准备:组织施工技术人员、班组负责人员、施工设计人员共同确定施工技术以及施工方案,确保施工过程中的技术质量。
2. 材料准备:对实际施工中使用到的材料质量证明、检验报告进行审核,确保施工中使用的材料质量。
3. 场地准备:对施工现场进行平整压实,合理规划材具位置,确保施工场地满足施工需求。
4. 标高数据:精确测量标高数据,开展支模工作。
5. 混凝土:根据设计要求,确定混凝土配合比和骨料选择,确保混凝土强度、坍落度、初凝时间、终凝时间等指标符合要求。
三、施工工艺1. 钢筋施工:按设计图纸及规范要求下料、成型和绑扎钢筋。
墩身预埋钢筋位置准确、牢固,钢筋搭接长度满足规范要求。
2. 模板施工:采用组合钢模,确保模板强度、刚度和稳定性,保证结构各部形状、尺寸的准确。
模板内设拉筋,周边用钢管或方木支顶牢固,模板要求平整,接缝严密。
3. 混凝土浇筑:按大体积混凝土施工要求,优化混凝土配合比,改善骨料级配、降低水灰比、减小水泥用量。
采用低水化热水泥、级配良好的碎石、优质中砂,优质高效缓凝减少剂,改善和提高混凝土和易性,延缓水泥水化热峰值出现的时间。
4. 混凝土养护:混凝土强度达到2.5MPa时进行拆模,拆模过程进行全面检查。
模板拆除后,对混凝土进行养护,确保混凝土质量。
5. 预应力施工:按照设计要求,对预应力混凝土连续梁进行张拉,确保梁体预应力达到设计要求。
6. 桥面施工:桥面铺装、伸缩缝安装、桥面排水系统施工等。
四、质量控制1. 施工过程中,严格按照设计图纸及规范要求进行施工,确保工程质量。
2. 对施工过程中使用的材料、设备进行检查,确保符合质量要求。
第1篇一、工程概况1. 工程名称:XX桥梁工程2. 工程地点:XX省XX市XX县3. 工程性质:公路桥梁工程4. 工程规模:全长XX米,主桥跨径XX米5. 工程投资:XX万元6. 工程工期:XX个月二、施工组织设计1. 施工单位名称:XX建设集团有限公司2. 施工项目经理:XX3. 施工组织机构:项目指挥部、项目经理部、施工班组4. 施工方法:采用分段施工、流水作业、分层分段浇筑、悬臂浇筑等施工方法。
5. 施工工艺:预应力混凝土结构、钢筋砼结构、桩基础、承台、墩身、梁板、桥面系等。
三、施工进度计划1. 施工阶段划分:施工准备、基础工程、下部结构、上部结构、桥面系、附属工程、验收交工。
2. 施工进度安排:根据工程规模、工期要求,制定详细施工进度计划。
四、施工质量保证措施1. 施工单位建立健全质量保证体系,确保工程质量。
2. 严格执行国家、行业及地方有关工程质量标准。
3. 施工材料、设备、人员、工艺等符合质量要求。
4. 施工过程中加强质量控制,严格执行“三检制”(自检、互检、专检)。
五、施工安全保证措施1. 施工单位建立健全安全生产责任制,确保施工安全。
2. 严格执行国家、行业及地方有关安全生产法规。
3. 施工现场设置安全警示标志,加强安全教育培训。
4. 定期开展安全隐患排查治理,确保施工安全。
六、施工环境保护措施1. 施工单位建立健全环境保护责任制,确保施工环境达标。
2. 严格执行国家、行业及地方有关环境保护法规。
3. 施工现场采取防尘、降噪、防污染等措施,减少对环境的影响。
4. 施工废水、废气、固体废弃物等处理达标排放。
七、施工资料整理要求1. 施工资料应按照国家、行业及地方有关要求整理。
2. 施工资料应包括:施工组织设计、施工进度计划、施工质量保证措施、施工安全保证措施、施工环境保护措施、施工日志、施工记录、试验报告、验收报告等。
3. 施工资料应分类整理,便于查阅和使用。
4. 施工资料应归档保存,确保资料完整、准确、及时。
第1篇一、工程概况桥梁结构工程施工是一项复杂而重要的工程,其质量直接关系到交通安全、桥梁寿命和人民群众的生命财产安全。
以下将从工程概况、施工准备、施工过程和施工质量控制等方面对桥梁结构工程施工资料进行详细介绍。
一、工程概况1. 工程名称:某城市某跨河大桥2. 工程地点:某城市某区某河段3. 工程规模:全长XX米,主桥宽XX米,桥面净宽XX米,双向六车道,设计时速XX公里/小时。
4. 工程结构形式:主桥采用预应力混凝土连续梁结构,引桥采用预应力混凝土T 梁结构。
5. 工程特点:本工程位于城市中心区域,交通流量大,施工环境复杂,对施工质量和进度要求较高。
二、施工准备1. 施工图纸及资料:熟悉施工图纸,了解工程结构、施工工艺、材料要求等。
2. 施工组织设计:制定详细的施工组织设计,明确施工方案、施工顺序、施工进度等。
3. 材料设备准备:采购符合设计要求的材料,检查设备性能,确保施工质量。
4. 人员培训:对施工人员进行技术培训,提高施工技能和安全意识。
5. 施工现场布置:合理规划施工现场,确保施工安全和施工效率。
三、施工过程1. 基础工程:进行基础开挖、基础垫层、基础混凝土浇筑等工序。
2. 钢筋工程:进行钢筋绑扎、钢筋焊接、钢筋加工等工序。
3. 混凝土工程:进行混凝土浇筑、混凝土养护、混凝土切割等工序。
4. 桥面工程:进行桥面防水、桥面铺装、桥面栏杆等工序。
5. 附属工程:进行伸缩缝、排水设施、照明设施等工序。
四、施工质量控制1. 材料质量:严格把控原材料质量,确保符合设计要求。
2. 施工工艺:严格按照施工规范和施工工艺进行施工,确保施工质量。
3. 施工检验:定期进行施工检验,发现问题及时整改。
4. 施工记录:详细记录施工过程,为工程验收提供依据。
5. 施工安全:加强施工现场安全管理,确保施工安全。
五、施工进度控制1. 制定合理的施工进度计划,确保工程按期完成。
2. 优化施工组织,提高施工效率。
3. 加强施工现场协调,确保施工顺利进行。
桥梁工程内业资料,干桥梁的赶紧收藏啦~素材:工程资料员基础及下部构造一)扩大基础(一)开工报告及附件1、工程开工申请单(分项)2、工程开工申请批复单3、施工技术方案报验单4、施工放样报验单(桥涵施工测量放样原始记录、高程检测记录、计算表)5、施工图纸6、建筑材料报验单7、进场机械设备报验单8、标准试验报告9、分项工程月进度计划(二)工序报验资料及附件1、基坑⑴、中间检验申请单⑵、检验申请批复单⑶、桥涵基坑现场质量检验报告单⑷、基坑检查原始记录⑸、地基承载力检验报告(触探仪法)⑹、高程检测记录、计算表2、模板⑴、中间检验申请单⑵、检验申请批复单⑶、模板、支架及拱架安装现场检验报告单⑷、模板检查原始记录3、基础砼⑴、中间检验申请⑵、检验申请批复单⑶、混凝土基础现场质量检验报告单⑷、基础现场质量检查记录⑸、桥(涵)施工测量检测原始记录⑹、高程检测记录、计算表⑺、混凝土施工原始记录(三)分项工程报验资料及附件1、中间交工证书2、工程报验单3、扩大基础(分项评定)4、桥(涵)施工测量检测原始记录5、高程检测记录、计算表6、混凝土抗压强度试验报告7、混凝土抗压强度评定报告8、混凝土抗压强度汇总表二)、桩基础(一)开工报告及附件1、工程开工申请单(分项)2、工程开工申请批复单3、施工技术方案报验单4、施工放样报验单(桥涵施工测量放样原始记录、高程检测记录、计算表)5、施工图纸6、建筑材料报验单7、进场机械设备报验单8、标准试验报告9、分项工程月进度计划(二)工序报验资料及附件1、钢筋加工及安装⑴、中间检验申请单⑵、检验申请批复单⑶、钻孔桩钢筋现场质量检验报告单⑷、钢筋现场质量检查记录⑸、钢筋制作与焊接记录2、钻孔桩成孔⑴、中间检验申请单⑵、检验申请批复单⑶、钻(挖)孔桩成孔现场质量检验报告单⑷、钻孔桩钻孔记录⑸、钻、挖孔成孔质量检测记录表⑹、桥(涵)施工测量检测原始记录⑺、高程检测记录、计算表2)、钻孔桩灌注⑴、中间检验申请单⑵、检验申请批复单⑶、钻孔灌注桩现场质量检验报告单(4)、钻孔桩护筒埋设原始记录(5)、水下混凝土灌注记录(6)、高程检测记录、计算表(7)、混凝土施工原始记录(三)分项工程报验资料及附件1、钢筋安装⑴、中间交工证书⑵、工程报验单⑶、桩基础钢筋安装(分项评定)⑷、钢筋现场质量检查记录2、钻孔灌注桩⑴、中间交工证书⑵、工程报验单⑶、钻孔灌注桩(分项评定)⑷、钻(挖)孔灌注桩质量检查记录⑸、桥(涵)施工测量检测原始记录⑹、钻孔桩护筒埋设原始记录⑺、高程检测记录、计算表⑻、混凝土抗压强度试验报告⑼ 、混凝土抗压强度评定报告⑽ 、混凝土抗压强度汇总表三)承台(一)开工报告及附件1、工程开工申请单(分项)2、工程开工申请批复单3、施工技术方案报验单4、施工放样报验单(桥涵施工测量放样原始记录、高程检测记录、计算表)5、施工图纸6、建筑材料报验单7、进场机械设备报验单8、标准试验报告9、分项工程月进度计划(二)工序报验资料及附件1、钢筋加工及安装⑴、中间检验申请单⑵、检验申请批复单⑶、钢筋现场质量检验报告单⑷、钢筋现场质量检查记录⑸、钢筋制作与焊接记录2、模板⑴、中间检验申请单⑵、检验申请批复单⑶、模板、支架及拱架安装现场检验报告单⑷、模板检查原始记录3、承台砼⑴、中间检验申请单⑵、检验申请批复单⑶、承台现场质量检验报告单⑷、承台(系梁)现场质量检查记录⑸、桥(涵)施工测量检测原始记录⑹、高程检测记录、计算表⑺、混凝土施工原始记录(三)分项工程报验资料及附件1、钢筋安装⑴、中间交工证书⑵、工程报验单⑶、钢筋安装(分项评定)⑷、钢筋现场质量检查记录2、承台砼⑴、中间交工证书⑵、工程报验单⑶、承台(分项评定)⑷、桥(涵)施工测量检测原始记录⑸、高程检测记录、计算表⑹、混凝土抗压强度试验报告⑺、混凝土抗压强度评定报告⑻、混凝土抗压强度汇总表四)柱式墩台(一)开工报告及附件1、工程开工申请单(分项)2、工程开工申请批复单3、施工技术方案报验单4、施工放样报验单(桥涵施工测量放样原始记录、高程检测记录、计算表)5、施工图纸6、建筑材料报验单7、进场机械设备报验单8、标准试验报告9、分项工程月进度计划(二)工序报验资料及附件1、钢筋加工及安装⑴、中间检验申请单⑵、检验申请批复单⑶、钻孔桩钢筋现场质量检验报告单⑷、钢筋现场质量检查记录⑸、钢筋制作与焊接记录2、模板⑴、中间检验申请单⑵、检验申请批复单⑶、模板、支架及拱架安装现场检验报告单⑷、模板检查原始记录3、柱式墩砼⑴、中间检验申请单⑵、检验申请批复单⑶、柱或双壁墩身现场质量检验报告单⑷、墩、台身现场质量检查记录⑸、桥(涵)施工测量检测原始记录⑹、高程检测记录、计算表⑺、混凝土施工原始记录(三)分项工程报验资料及附件1、钢筋安装⑴、中间交工证书⑵、工程报验单⑶、钢筋安装(分项评定)⑷、钢筋现场质量检查记录2、柱式墩砼⑴、中间交工证书⑵、工程报验单⑶、柱式墩台分项评定表⑷、墩、台身现场质量检查记录⑸、桥(涵)施工测量检测原始记录⑹、高程检测记录、计算表⑺、混凝土抗压强度试验报告⑻、混凝土抗压强度评定报告⑼、混凝土抗压强度汇总表五)砼台身(一)开工报告及附件1、工程开工申请单(分项)2、工程开工申请批复单3、施工技术方案报验单4、施工放样报验单(桥涵施工测量放样原始记录、高程检测记录、计算表)5、施工图纸6、建筑材料报验单7、进场机械设备报验单8、标准试验报告9、分项工程月进度计划(二)工序报验资料及附件(无钢筋,如有钢筋加钢筋安装分项)1、模板⑴、中间检验申请单⑵、检验申请批复单⑶、模板、支架及拱架安装现场检验报告单⑷、模板检查原始记录2、砼台身⑴、中间检验申请单⑵、检验申请批复单⑶、柱或双壁墩身现场质量检验报告单⑷、墩、台身现场质量检查记录⑸、桥(涵)施工测量检测原始记录⑹、高程检测记录、计算表⑺、混凝土施工原始记录(三)分项工程报验资料及附件1、台身(无钢筋,如有钢筋加钢筋安装分项)⑴、中间交工证书⑵、工程报验单⑶、墩、台帽或盖梁(分项评定)⑷、桥(涵)施工测量检测原始记录⑸、高程检测记录、计算表⑹、混凝土抗压强度试验报告⑺、混凝土抗压强度评定报告⑻、混凝土抗压强度汇总表六)墩台帽或盖梁(一)开工报告及附件1、工程开工申请单(分项)2、工程开工申请批复单3、施工技术方案报验单4、施工放样报验单(桥涵施工测量放样原始记录、高程检测记录、计算表)5、施工图纸6、建筑材料报验单7、进场机械设备报验单8、标准试验报告9、分项工程月进度计划(二)工序报验资料及附件1、钢筋加工及安装⑴、中间检验申请单⑵、检验申请批复单⑶、钻孔桩钢筋现场质量检验报告单⑷、钢筋现场质量检查记录⑸、钢筋制作与焊接记录2、模板⑴、中间检验申请单⑵、检验申请批复单⑶、模板、支架及拱架安装现场检验报告单⑷、模板检查原始记录3、墩台帽或盖梁⑴、检验申请批复单⑵、中间检验申请单⑶、墩、台帽或盖梁现场质量检验报告单⑷、墩、台帽或盖梁现场质量检查记录⑸、桥(涵)施工测量检测原始记录⑹、高程检测记录、计算表⑺、混凝土施工原始记录(三)分项工程报验资料及附件1、钢筋安装⑴、中间交工证书⑵、工程报验单⑶、钢筋安装(分项评定)⑷、钢筋现场质量检查记录2、墩台帽或盖梁⑴、中间交工证书⑵、工程报验单⑶、墩、台帽或盖梁(分项评定)⑷、桥(涵)施工测量检测原始记录⑸、高程检测记录、计算表⑹、混凝土抗压强度试验报告⑺、混凝土抗压强度评定报告⑻、混凝土抗压强度汇总表七)台背填土(一)开工报告及附件1、工程开工申请单(分项)2、工程开工申请批复单3、施工技术方案报验单4、施工放样报验单5、施工图纸6、建筑材料报验单7、进场机械设备报验单8、标准试验报告9、分项工程月进度计划(二)工序报验资料及附件⑴、中间检验申请单⑵、检验申请批复单⑶、台背填土现场质量检验报告单⑷、压实度(灌砂法)检查记录表⑸、压实评定报告(三)分项工程报验资料及附件1、中间交工证书2、工程报验单3、台背填土(分项评定)4、压实度(灌砂法)检查记录表5、压实度评定报告6、压实度汇总表八)挡块(一)开工报告及附件1、工程开工申请单(分项)2、工程开工申请批复单3、施工技术方案报验单4、施工放样报验单(桥涵施工测量放样原始记录、高程检测记录、计算表)5、施工图纸6、建筑材料报验单7、进场机械设备报验单8、标准试验报告9、分项工程月进度计划(二)工序报验资料及附件1、钢筋加工及安装⑴、中间检验申请单⑵、检验申请批复单⑶、钢筋现场质量检验报告单⑷、钢筋现场质量检查记录⑸、钢筋制作与焊接记录2、模板⑴、中间检验申请单⑵、检验申请批复单⑶、模板、支架及拱架安装现场检验报告单⑷、模板检查原始记录3、挡块砼⑴、中间检验申请单⑵、检验申请批复单⑶、挡块现场质量检验报告单⑷、挡块质量检查记录⑸、桥(涵)施工测量检测原始记录⑹、高程检测记录、计算表⑺、混凝土施工原始记录(三)分项工程报验资料及附件1、钢筋安装⑴、中间交工证书⑵、工程报验单⑶、钢筋安装(分项评定)⑷、钢筋现场质量检查记录2、挡块(1)、中间交工证书(2)、工程报验单(3)、挡块(分项评定)(4)、挡块质量检查记录(5)、桥(涵)施工测量检测原始记录(6)、高程检测记录、计算表(7)、混凝土抗压强度试验报告(8)、混凝土抗压强度评定报告(9)、混凝土抗压强度汇总表九)支座垫石(一)开工报告及附件1、工程开工申请单(分项)2、工程开工申请批复单3、施工技术方案报验单4、施工放样报验单(桥涵施工测量放样原始记录、高程检测记录、计算表)5、施工图纸6、建筑材料报验单7、进场机械设备报验单8、标准试验报告9、分项工程月进度计划(三)分项工程报验资料及附件(钢筋同上程序)1、中间交工证书2、工程报验单3、支座垫石(分项评定)4、支座垫石质量检查记录5、桥(涵)施工测量检测原始记录6、高程检测记录、计算表8、混凝土抗压强度评定报告9、混凝土抗压强度汇总表十、锥、护坡(一)开工报告及附件1、工程开工申请单(分项)2、工程开工申请批复单3、施工技术方案报验单4、施工放样报验单(桥涵施工测量放样原始记录、高程检测记录、计算表)5、施工图纸6、建筑材料报验单7、进场机械设备报验单8、标准试验报告9、分项工程月进度计划(二)工序报验资料及附件⑴、中间检验申请单⑵、检验申请批复单⑶、锥、护坡现场质量检验报告单⑷、锥、护坡质量检查记录⑸、高程检测记录、计算表⑹、砌体施工原始记录(三)分项工程报验资料及附件1、中间交工证书2、工程报验单3、锥、护坡(分项工程质量检验评定表)4、锥、护坡质量检查记录5、高程检测记录、计算表7、砂浆抗压强度评定报告8、砂浆抗压强度汇总表上部构造预制和安装一)梁(板)预制(一)开工报告及附件1、工程开工申请单(分项)2、工程开工申请批复单3、施工技术方案报验单4、施工图纸5、建筑材料报验单6、进场机械设备报验单7、标准试验报告8、分项工程月进度计划(二)工序报验资料及附件1、钢筋加工及安装⑴、中间检验申请单⑵、检验申请批复单⑶、钢筋现场质量检验报告单⑷、钢筋现场质量检查记录⑸、钢筋制作与焊接记录2、模板⑴、中间检验申请单⑵、检验申请批复单⑶、模板、支架及拱架安装现场检验报告单⑷、模板检查原始记录3、梁(板)预制⑴、中间检验申请单⑵、检验申请批复单⑶、梁(板)预制现场质量检验报告单⑷、梁(板)预制质量检查记录⑸、混凝土施工原始记录(三)分项工程报验资料及附件1、钢筋安装⑴、中间交工证书⑵、工程报验单⑶、钢筋安装(分项评定)⑷、钢筋现场质量检查记录2、梁(板)预制⑴、中间交工证书⑵、工程报验单⑶、梁(板)预制(分项评定)⑷、预制梁(板)质量检查记录⑸、混凝土抗压强度试验报告⑹、混凝土抗压强度评定报告⑺、混凝土抗压强度汇总表二)预应力筋的加工和张拉(一)开工报告及附件1、工程开工申请单(分项)2、工程开工申请批复单3、施工技术方案报验单4、施工图纸5、建筑材料报验单6、进场机械设备报验单7、标准试验报告8、分项工程月进度计划(二)工序报验资料及附件⑴、中间检验申请单⑵、检验申请批复单(3)、钢绞线后张法现场质量检验报告单(4)、预应力管道质量检查记录(5)、预应力(后张法)张拉记录(三)分项工程报验资料及附件1、中间交工证书2、工程报验单3、预应力筋的加工和张拉(后张法)分项评定表4、预应力管道质量检查记录5、预应力(后张法)张拉记录三)梁(板)安装(一)开工报告及附件1、工程开工申请单(分项)2、工程开工申请批复单3、施工技术方案报验单4、施工放样报验单(桥涵施工测量放样原始记录、高程检测记录、计算表)5、施工图纸6、建筑材料报验单7、进场机械设备报验单8、标准试验报告9、分项工程月进度计划(二)工序报验资料及附件⑴、中间检验申请单⑵、检验申请批复单⑶、梁(板)安装现场质量检验报告单⑷、梁、板安装质量检查记录⑸、桥(涵)施工测量检测原始记录⑹、高程检测记录、计算表(三)分项工程报验资料及附件(每跨)1、中间交工证书2、工程报验3、梁(板)安装(分项评定)4、梁、板安装质量检查记录5、桥(涵)施工测量检测原始记录6、高程检测记录、计算表总体、桥面系及附属工程桥面系一)桥面铺装(一)开工报告及附件⑴、工程开工申请单(分项)⑵、工程开工申请批复单⑶、施工技术方案报验单(桥涵施工测量放样原始记录、高程检测记录、计算表)⑷、施工图纸⑸、建筑材料报验单⑹、进场机械设备报验单⑺、标准试验报告⑻、分项工程月进度计划(二)工序报验资料及附件1、钢筋加工及安装⑴、中间检验申请单⑵、检验申请批复单⑶、钢筋安装现场质量检验报告单⑷、钢筋网现场质量检验报告单⑸、钢筋现场质量检查记录⑹、钢筋制作与焊接记录2、桥面铺装⑴、中间检验申请单⑵、检验申请批复单⑶、桥面铺装现场质量检验报告单⑷、桥面混凝土铺装质量检查记录⑸、检测记录、计算表⑹、混凝土施工原始记录(三)分项工程报验资料及附件1、钢筋加工及安装⑴、中间交工证书⑵、工程报验单⑶、钢筋安装(分项评定)⑷、钢筋现场质量检查记录2、桥面铺装⑴、中间交工证书⑵、工程报验单⑶、桥面铺装(分项评定)⑷、复合桥面水泥砼铺装分项评定表⑸、桥面混凝土铺装质量检查记录⑹、高程检测记录、计算表⑺、混凝土抗压强度试验报告⑻、混凝土抗压强度评定报告⑼、混凝土抗压强度汇总表二)桥面防水层(一)开工报告及附件⑴、工程开工申请单(分项)⑵、工程开工申请批复单⑶、施工技术方案报验单⑷、施工图纸⑸、建筑材料报验单⑹、进场机械设备报验单⑺、试验报告⑻、分项工程月进度计划(二)工序报验资料及附件⑴、中间检验申请单⑵、检验申请批复单⑶、桥面防水层现场质量检验报告单(三)分项工程报验资料及附件⑴、中间交工证书⑵、工程报验单⑶、防水层施工分项评定表三)支座安装(一)开工报告及附件⑴、工程开工申请单(分项)⑵、工程开工申请批复单⑶、施工技术方案报验单(桥涵施工测量放样原始记录、高程检测记录、计算表)⑷、施工图纸⑸、建筑材料报验单⑹、进场机械设备报验单⑺、试验报告⑻、分项工程月进度计划(二)工序报验资料及附件⑴、中间检验申请单⑵、检验申请批复单⑶、支座安装现场质量检验报告单⑷、支座安装质量检查记录⑸、桥(涵)施工测量检测原始记录⑹、高程检测记录、计算表(三)分项工程报验资料及附件⑴、中间交工证书⑵、工程报验单⑶、支座安装(分项评定)⑷、桥(涵)施工测量检测原始记录⑸、高程检测记录、计算表四)伸缩缝安装(一)开工报告及附件⑴、工程开工申请单(分项)⑵、工程开工申请批复单⑶、施工技术方案报验单(桥涵施工测量放样原始记录、高程检测记录、计算表)⑷、施工图纸⑸、建筑材料报验单⑹、进场机械设备报验单⑺、试验报告⑻、分项工程月进度计划(二)工序报验资料及附件⑴、中间检验申请单⑵、检验申请批复单⑶、伸缩缝安装现场质量检验报告单⑷、伸缩缝质量检查记录⑸、桥(涵)施工测量检测原始记录⑹、高程检测记录、计算表(三)分项工程报验资料及附件⑴、中间交工证书⑵、工程报验单⑶、伸缩缝安装(分项评定)⑷、桥(涵)施工测量检测原始记录⑸、高程检测记录、计算表五)护栏安装(一)开工报告及附件⑴、工程开工申请单(分项)⑵、工程开工申请批复单⑶、施工技术方案报验单(桥涵施工测量放样原始记录、高程检测记录、计算表)⑷、施工图纸⑸、建筑材料报验单⑹、进场机械设备报验单⑺、标准试验报告⑻、分项工程月进度计划(二)工序报验资料及附件⑴、中间检验申请单⑵、检验申请批复单⑶、护栏安装现场质量检验报告单⑷、桥(涵)施工测量检测原始记录⑸、高程检测记录、计算表(三)分项工程报验资料及附件⑴、中间交工证书⑵、工程报验单⑶、护栏安装(分项评定)⑷、桥(涵)施工测量检测原始记录⑸、高程检测记录、计算表六)人行道铺设(一)开工报告及附件⑴、工程开工申请单(分项)⑵、工程开工申请批复单⑶、施工技术方案报验单(桥涵施工测量放样原始记录、高程检测记录、计算表)⑷、施工图纸⑸、建筑材料报验单⑹、进场机械设备报验单⑺、标准试验报告⑻、分项工程月进度计划(二)工序报验资料及附件⑴、中间检验申请单⑵、检验申请批复单⑶、人行道铺设现场质量检验报告单⑷、桥(涵)施工测量检测原始记录⑸、高程检测记录、计算表(三)分项工程报验资料及附件⑴、中间交工证书⑵、工程报验单⑶、人行道铺设分项评定表⑷、桥(涵)施工测量检测原始记录⑸、高程检测记录、计算表附属工程一)搭板(一)开工报告及附件⑴、工程开工申请单(分项)⑵、工程开工申请批复单⑶、施工技术方案报验单(桥涵施工测量放样原始记录、高程检测记录、计算表)⑷、施工图纸⑸、建筑材料报验单⑹、进场机械设备报验单⑺、标准试验报告⑻、分项工程月进度计划(二)工序报验资料及附件1、钢筋加工及安装⑴、中间检验申请单⑵、检验申请批复单⑶、钢筋安装现场质量检验报告单⑷、钢筋网现场质量检验报告单⑸、钢筋现场质量检查记录⑹、钢筋制作与焊接记录2、模板⑴、中间检验申请单⑵、检验申请批复单⑶、模板、支架及拱架安装现场检验报告单⑷、模板检查原始记录3、搭板⑴、中间检验申请单⑵、检验申请批复单⑶、桥头搭板现场质量检验报告单⑷、桥头搭板质量检查记录⑸、混凝土施工原始记录⑹、高程检测记录、计算表(三)分项工程报验资料及附件1、钢筋加工及安装⑴、中间交工证书⑵、工程报验单⑶、钢筋安装(分项评定)⑷、钢筋现场质量检查记录2、搭板砼⑴、中间交工证书⑵、工程报验单⑶、搭板分项评定表⑷、桥头搭板质量检查记录⑸、高程检测记录、计算表⑹、混凝土抗压强度试验报告⑺、混凝土抗压强度评定报告⑻、混凝土抗压强度汇总表二)桥梁总体(一)开工报告及附件1、工程开工申请单(分项)2、工程开工申请批复单3、施工技术方案报验单4、施工放样报验单(桥涵施工测量放样原始记录、高程检测记录、计算表)5、施工图纸6、建筑材料报验单7、进场机械设备报验单8、标准试验报告9、分项工程月进度计划(二)工序报验资料及附件⑴、中间检验申请单⑵、检验申请批复单⑶、桥梁总体现场质量检验报告单⑷、桥梁总体质量检查记录⑸、桥(涵)施工测量检测原始记录⑹、高程检测记录、计算表(三)分项工程报验资料及附件⑴、中间交工证书⑵、工程报验单⑶、桥梁总体分项评定表⑷、桥梁总体质量检查记录⑸、桥(涵)施工测量检测原始记录⑹、高程检测记录、计算表。
桥梁施工资料明细桥梁施工资料明细一、前期准备阶段1. 工程背景与目标1.1 工程背景介绍1.2 工程目标设定2. 工程地点选择与规划2.1 地理条件评估2.2 地质条件评估2.3 影响因素分析2.4 选择合适的地点与规划方案3. 工程设计与方案制定3.1 结构设计3.2 施工工艺与方案3.3 材料选择与使用4. 资金与人力资源准备4.1 资金预算与筹措方案4.2 人力资源招募与培训计划4.3 设备与材料采购计划5. 安全与环境保护措施5.1 安全评估与风险分析5.2 安全管理制度与操作规程5.3 环境影响评估与处理方案二、施工执行阶段1. 进场准备与施工组织1.1 施工组织设计与调度计划 1.2 施工队伍组建与管理1.3 施工设备与材料进场与安排2. 基础施工2.1 地基处理工程2.2 基础桩基础施工2.3 基础混凝土施工2.4 基础防水处理3. 上部结构施工3.1 桥台墩和支座施工3.2 主梁制作与安装3.3 预应力张拉与调整3.4 防腐防水处理4. 桥面铺装与其他工程4.1 桥面铺装施工4.2 栏杆安装4.3 施工排水与照明设施安装5. 质量控制与监测5.1 施工质量控制计划5.2 控制点设置与监测方案5.3 施工过程中的质量检测与纠正三、验收与交付阶段1. 施工验收准备工作1.1 验收标准制定1.2 验收测试与检测1.3 文件整理与资料准备2. 施工验收与测试2.1 结构验收2.2 功能测试与可用性评估3. 完工与交付3.1 完工确认与整理3.2 交付手续办理3.3 最终资料归档附录:附件一:地理地质评估报告附件二:工程设计图纸集附件三:施工组织计划书附件四:施工安全管理制度附件五:施工过程质量记录附件六:施工验收报告法律名词及注释:1. 建设工程质量管理条例:是指国家对建设工程质量管理实施的法规和政策的总称。
2. 承建单位:指被委托承担建设工程项目施工的企事业单位、个人合同。
3. 总监理工程师:一个工程项目中由监理单位主持的总监理工程师。
..桥梁工程施工资料桥梁由基础及下部构造、上部构造预制和安装、总体桥面和附属工程、防护工程和引道等分部工程构成。
第一节施工试验报告1、水泥混凝土和砂浆配合比试验报告。
其混合料应按《公路工程水泥混凝土试验规程》的规定进行试验。
报告应包括配合比设计计算书,试验室确定的配合比及强度试验报告,所用原材料试验报告。
试验报告按单位工程组卷。
要求监理审批意见在前,试验报告在后。
2 、锚具、夹具、连接器和千斤顶检验报告:1)锚具、夹具、连接器。
预应力筋锚具、夹具、连接器验收批的划分:在同种材料和同一生产工艺条件下,锚具、夹具应以不超过1000套组为一个验收批;连接器以不超过500套组为一个验收批。
(1)外观检查:应从每批中抽取10%的锚具且不少于10套,检查其外观和尺寸。
如有一套表面裂纹或超过产品标准及设计图纸规定尺寸的允许偏差,则应另取双倍数量的锚具重做检查,如仍有一套不符合要求,则应逐套检查,合格者方可使用。
(2)硬度检验:应从每批中抽取5%的锚具且不少于5套,对其中有硬度要求的零件作硬度试验,对多孔夹片式锚具的夹片每套至少抽取5片。
每个零件测试3点,其硬度应在设计要求范围内,如有一个零件不合格,则应另取双倍数量的锚具重做试验,如仍有一个零件不合格,则应逐个检查。
合格者方可使用。
(3)静载锚固性能试验:对大桥等重要工程,经上述两项试验合格后,应从同批中抽取6套锚具(夹具或连接器)组成3个预应力筋锚具组装件,进行静载锚固性能试验,如有一个试件不符合要求,则应另取双倍数量的锚具(夹具或连接器)重做试验,如仍有一个试件不符合要求,则该批锚具(夹具或连接器)为不合格品。
2)千斤顶检验。
当千斤顶使用超过6个月或200次,或在使用过程中出现不正常现象,检修后均须重新检验。
3)检验报告组卷要求。
预应力用锚具、夹具和连接器、千斤顶等的检验报告按器具种类、检验时间顺序组卷。
3、桥梁支座和伸缩装置检验报告。
进场的桥梁支座和伸缩装置必须有生产厂家的合格证和产品质量检验报告,并应按图纸和规范要求进行检验,检验报告按生产厂家、材料种类、检验时间顺序组卷。
桥梁工程施工资料大汇总,别再到处瞎找了!桥梁是生活中常见的构筑物,一般架设在江河湖海上,桥梁使道路、铁路或人行道跨越河流、湖泊、河谷、峡谷或其他道路。
使车辆行人等能顺利通行。
桥梁一般由上部构造、下部结构、支座和附属构造物组成,上部结构又称桥跨结构,是跨越障碍的主要结构;下部结构包括桥台、桥墩和基础;支座为桥跨结构与桥墩或桥台的支承处所设置的传力装置;附属构造物则指桥头搭板、锥形护坡、护岸、导流工程等。
桥梁按照受力特点划分,有梁式桥、拱式桥、刚架桥、悬索桥、组合体系桥(斜拉桥)五种基本类型。
梁式桥:包括简支板梁桥,悬臂梁桥,连续梁桥.其中简支板梁桥跨越能力最小,一般一跨在8-20m。
连续梁桥国内最大跨径在200m以下,国外已达240m。
梁式桥桥梁施工图纸汇总四孔一联中墩固结连续箱梁桥桥梁施工图简支连续刚构梁桥桥梁全套施工图纸一联预应力混凝土连续箱梁桥施工图纸预应力混凝土连续梁桥全套施工图纸三跨预应力混凝土变高度连续梁桥施工图纸单跨13米简支T梁桥桥梁施工图纸全封闭、全立交连续箱梁桥施工图纸5跨20米简支T梁桥桥梁施工图纸五孔变截面预应力混凝土连续箱梁桥施工图纸3跨13米简支T梁桥桥梁施工图纸预应力混凝土刚构连续梁桥全套施工图纸5跨20米连续简支T梁桥桥梁施工图纸双向预应力混凝土连续刚构箱梁桥桥梁施工图纸简支变连续小箱梁桥桥梁施工图纸416米预应力简支T梁桥通道桥施工图纸连续钢箱梁桥桥梁施工图纸预制无砟轨道后张法预应力砼简支箱梁桥施工图纸先简支后连续后张法预应力T梁桥施工图纸120米跨预应力后张T梁先简支后连续梁桥施工图纸钢混组合梁桥设计图纸预应力混凝土连续刚构箱梁桥全套施工图纸3x16M钢筋普通砼现浇T梁桥施工图纸三跨预应力混凝土连续刚构箱梁桥桥梁全套施工图纸25M简支转连续小箱梁桥施工图纸拱桥:在竖向荷载作用下,两端支承处产生竖向反力和水平推力,正是水平推力大大减小了跨中弯矩,使跨越能力增大.理论推算,混凝土拱极限跨度在500m左右,钢拱可达1200m.亦正是这个推力,修建拱桥时需要良好的地质条件.拱桥桥梁施工图纸汇总40米细钢拱桥设计图纸60米拱桥施工图纸石拱桥修复工程设计图纸1-60m石拱桥施工图纸(含拱架)景观拱桥设计图纸石拱桥设计图钢架拱桥全套设计图纸中承式钢管拱桥施工图纸6米跨拱桥设计图纸刚架拱桥设计图纸古典拱桥全套结构设计图纸20米钢筋混凝土拱桥施工图纸下承式混凝土系杆拱桥施工图纸肋拱桥施工图纸30+110+30m钢管混凝土中承式提篮拱特大桥施工图纸中承式钢管混凝土系杆拱桥施工图高速公路扩建工程分离式立体交叉拱桥施工图纸斜靠式拱桥施工图纸10.5+29.0+10.5拱型连续箱梁施工图纸钢管拱桥施工图纸空腹式钢筋混凝土连孔板拱桥设计图纸钢筋混凝土箱型拱桥施工图110米斜靠式拱桥(带观光台)施工图纸景观拱桥施工图缆索承重桥(斜拉桥和悬索桥) 是建造跨度非常大的桥梁最好的设计.道路或铁路桥面靠钢缆吊在半空,缆索悬挂在桥塔之间。
桥梁总体桥评-01表桥梁总体质量检验评定表钻孔桩监-02表工程分项开工申请批复单监-07表中间交工证书桥评-02表钢筋加工及安装质量检验评定表桥评-13表钻孔灌注桩质量检验评定表监-03表检验申请批复单桥施-02-1表钻孔记录表(冲击钻)桥施-02-2表钻孔施工原始记录(回旋钻进)桥检-02表灌注桩成孔检查原始记录监-03表检验申请批复单桥施-05表钢筋施工原始记录桥检-01表钻孔桩终孔后灌注混凝土前检查表监-03表检验申请批复单桥施-06-1表混凝土施工原始记录桥施-04表水下混凝土灌注施工原始记录"承台支撑梁(下系梁)"监-02表工程分项开工申请批复单监-07表中间交工证书桥评-02表钢筋加工及安装质量检验评定表桥评-21表承台质量检验评定表监-03表检验申请批复单桥施-05表钢筋施工原始记录监-03表检验申请批复单桥施-06-2表混凝土施工原始记录台背填土监-02表工程分项开工申请批复单监-07表中间交工证书桥评-28表台背填土质量检验评定表监-03表检验申请批复单路检-02-1表压实度检测记录表(灌砂法)台身监-02表工程分项开工申请批复单监-07表中间交工证书桥评-02表钢筋加工及安装质量检验评定表桥评-23表墩、台身质量检验评定表监-03表检验申请批复单桥施-05表钢筋施工原始记录桥检-07表模板、拱架支架安装检查记录监-03表检验申请批复单桥施-06-2表混凝土施工原始记录"墩台身(柱式双壁墩)"监-02表工程分项开工申请批复单监-07表中间交工证书桥评-02表钢筋加工及安装质量检验评定表桥评-24表柱或双壁墩身质量检验评定表监-03表检验申请批复单桥施-05表钢筋施工原始记录桥检-07表模板、拱架支架安装检查记录监-03表检验申请批复单桥施-06-2表混凝土施工原始记录"墩台帽(盖梁)"监-02表工程分项开工申请批复单监-07表中间交工证书桥评-02表钢筋加工及安装质量检验评定表桥评-26表墩、台帽或盖梁身质量检验评定表监-03表检验申请批复单桥施-05表钢筋施工原始记录桥检-07表模板、拱架支架安装检查记录监-03表检验申请批复单桥施-06-2表混凝土施工原始记录"梁板预制(先张)"监-02表工程分项开工申请批复单监-07表中间交工证书桥评-02表钢筋加工及安装质量检验评定表桥评-05表钢丝、钢绞线先张法质量检验评定表桥评-29表梁(板)预制质量检验评定表监-03表检验申请批复单△桥施-05表钢筋施工原始记录△桥检-07表模板、拱架支架安装检查记录△监-03表检验申请批复单△桥施-08表预应力张拉施工原始记录△监-03表检验申请批复单△桥施-06-2表混凝土施工原始记录△"梁板安装(以孔为单位)"监-02表工程分项开工申请批复单△监-07表中间交工证书△桥评-30表梁板安装质量检验评定表△○桥评-93表支座安装质量检验评定表△○监-03表检验申请批复单△桥施-11表梁板安装施工原始记录△桥面铺装监-02表工程分项开工申请批复单△监-07表中间交工证书△桥评-03表钢筋网现场质量检验评定表△○桥评-87表桥面铺装质量检验评定表△○监-03表检验申请批复单△桥施-05表钢筋施工原始记录△监-03表检验申请批复单△桥施-06-2表混凝土施工原始记录△"混凝土护拦(防撞墙)"监-02表工程分项开工申请批复单△监-07表中间交工证书△桥评-02表钢筋加工及安装质量检验评定表△○桥评-99表混凝土防撞护拦浇筑质量检验评定表△○监-03表检验申请批复单△桥施-05表钢筋施工原始记录△桥检-07表模板、拱架支架安装检查记录△监-03表检验申请批复单△桥施-06-2表混凝土施工原始记录△桥头搭板监-02表工程分项开工申请批复单△监-07表中间交工证书△桥评-02表钢筋加工及安装质量检验评定表△○桥评-100表桥头搭板质量检验评定表△○监-03表检验申请批复单△桥施-05表钢筋施工原始记录△监-03表检验申请批复单△桥施-06-2表混凝土施工原始记录△八字墙监-03表检验申请批复单△涵评-09表一字墙、八字墙质量检验评定表△○桥施-06-2表混凝土施工原始记录△。
桥梁工程施工资料方法及内容附全套表格集团标准化工作小组 [Q8QX9QT-X8QQB8Q8-NQ8QJ8-M8QMN]桥梁工程施工资料桥梁由基础及下部构造、上部构造预制和安装、总体桥面和附属工程、防护工程和引道等分部工程构成。
第一节施工试验报告1、水泥混凝土和砂浆配合比试验报告。
其混合料应按《公路工程水泥混凝土试验规程》的规定进行试验。
报告应包括配合比设计计算书,试验室确定的配合比及强度试验报告,所用原材料试验报告。
试验报告按单位工程组卷。
要求监理审批意见在前,试验报告在后。
2 、锚具、夹具、连接器和千斤顶检验报告:1)锚具、夹具、连接器。
预应力筋锚具、夹具、连接器验收批的划分:在同种材料和同一生产工艺条件下,锚具、夹具应以不超过1000套组为一个验收批;连接器以不超过500套组为一个验收批。
(1)外观检查:应从每批中抽取10%的锚具且不少于10套,检查其外观和尺寸。
如有一套表面裂纹或超过产品标准及设计图纸规定尺寸的允许偏差,则应另取双倍数量的锚具重做检查,如仍有一套不符合要求,则应逐套检查,合格者方可使用。
(2)硬度检验:应从每批中抽取5%的锚具且不少于5套,对其中有硬度要求的零件作硬度试验,对多孔夹片式锚具的夹片每套至少抽取5片。
每个零件测试3点,其硬度应在设计要求范围内,如有一个零件不合格,则应另取双倍数量的锚具重做试验,如仍有一个零件不合格,则应逐个检查。
合格者方可使用。
(3)静载锚固性能试验:对大桥等重要工程,经上述两项试验合格后,应从同批中抽取6套锚具(夹具或连接器)组成3个预应力筋锚具组装件,进行静载锚固性能试验,如有一个试件不符合要求,则应另取双倍数量的锚具(夹具或连接器)重做试验,如仍有一个试件不符合要求,则该批锚具(夹具或连接器)为不合格品。
2)千斤顶检验。
当千斤顶使用超过6个月或200次,或在使用过程中出现不正常现象,检修后均须重新检验。
3)检验报告组卷要求。
预应力用锚具、夹具和连接器、千斤顶等的检验报告按器具种类、检验时间顺序组卷。
3、桥梁支座和伸缩装置检验报告。
进场的桥梁支座和伸缩装置必须有生产厂家的合格证和产品质量检验报告,并应按图纸和规范要求进行检验,检验报告按生产厂家、材料种类、检验时间顺序组卷。
4、桩基无损检测报告、钻芯取样资料、桥梁荷载试验报告和梁板试验报告以结构物为单元分别组卷。
5、施工期间水泥混凝土抗压强度抽检试验记录,按分项工程组卷;工程全部完工后,按单位工程进行同一强度等级评定。
6、施工期间水泥砂浆抗压强度抽检试验记录组卷、评定如上。
某某高速公路建设项目水泥混凝土抗压强度试验结果汇总表施工单位:合同号:水泥混凝土抗压强度评定表施工单位:合同号:期:水泥砂浆抗压强度试验结果汇总表施工单位:合同号:期:某某高速公路建设项目水泥砂浆抗压强度评定表施工单位: 合同号:期:第二节施工检验资料整理顺序桥梁工程施工检验记录以分项工程为单元组卷。
(一)基础及下部构造资料整理顺序若基础及下部构造资料较多时,可分为几个分部工程组卷:卷内资料以墩(台)为单元,按基础、墩(台)身、墩(台)帽或盖梁等分项工程顺序排列,并将分项工程质量评定表放在各分项工程检验记录表之前;也可按整桥部位进行分项划分。
1-1混凝土基础包括以下表格:1)交工证书、认可书、工程报验单2)混凝土基础分项工程质量检验评定表3)基坑检验记录表4)地基承载力试验记录表5)混凝土基础检验记录6)模板检验记录表7)混凝土浇筑记录8)水泥混凝土抗压强度报告(略)9)钢筋加工及安装分项工程质量检验评定表(略)10)钢筋加工及安装检验记录(略)11)施工放样报验单某某高速公路建设项目工程报验单施工单位:合同号:监理单位:编号:基坑检验记录表施工单位:合同号:结构物基底承载力试验记录表施工单位:合同号:分项工程质量检验评定表分项工程名称:填写质量划分体系中的分项工程所属分部工程:填写质量体系划分中的分部工程所属建设项目:某某高速公路工程部位:施工单位:监理单位:某某高速公路建设项目混凝土基础检验记录表施工单位:合同号:某某高速公路建设项目模板检验记录表施工单位:合同号:某某高速公路建设项目混凝土浇筑检验记录表施工单位:合同号:某某高速公路建设项目施工放样报验单施工单位:合同号:1-2 桩基础包括以下表格:1)交工证书、认可书、工程报验单(略)2)钻孔灌注桩分项工程质量检验评定表3)钻孔原始记录4)钻孔桩水下混凝土灌注记录5)钻孔桩钻孔终孔后灌注砼前检验记录6)桩头破除后检验记录表7)钢筋加工及安装分项工程质量检验评定表(略)8)钢筋加工及安装检验记录表(略)9)施工放样报验单(略)10)水泥混凝土抗压强度报告(略)11)泥浆比重、含砂率、稠度(略)12)桩基无破损检测报告(略)13)DX 挤扩桩检验记录表分项工程质量检验评定表分项工程名称:填写质量划分体系中的分项工程所属分部工程:填写质量体系划分中的分部工程所属建设项目:某某高速公路工程部位:施工单位:监理单位:某某高速公路建设项目钻孔原始记录施工单位:合同号:某某高速公路建设项目钻孔桩水下混凝土灌注记录施工单位:合同号:某某高速公路建设项目钻孔桩钻孔终孔后灌注砼前检验记录表施工单位:廊坊市交通局公路工程有限公司合同号:TC-2某某高速公路建设项目桩头破除后质量检查记录施工单位:桥梁名称:K19+213小桥合同号:注:此表应附平面位置检测记录、高程检测记录。
其他所有涉及到平面位置、高程的表格须附此两表。
某某高速公路建设项目DX挤扩桩检验记录表施工单位:合同号:2-1承台、系梁包括以下表格:1)交工证书、认可书、工程报验单(略)2)承台、系梁分项工程质量检验评定表3)承台、系梁检验记录表4)钢筋加工及安装分项工程质量检验评定表(略)5)钢筋加工及安装检验记录表(略)6)模板检验记录表(略)7)混凝土浇筑记录(略)8)施工放样报验单(略)9)水泥混凝土抗压强度报告(略)分项工程质量检验评定表分项工程名称:填写质量划分体系中的分项工程所属分部工程:填写质量体系划分中的分部工程所属建设项目:某某高速公路工程部位:施工单位:监理单位:某某高速公路建设项目承台、系梁检验记录表施工单位:合同号:检验人:复核:技术负责人:日期:2-2 墩台身包括以下表格:1)交工证书、认可书、工程报验单(略)2)墩台身分项工程质量检验评定表3)墩台身检验记录表4)钢筋加工及安装分项工程质量检验评定表(略)5)钢筋加工及安装检验记录表(略)6)模板检验记录表(略)7)混凝土浇筑记录(略)8)施工放样报验单(略)9)水泥混凝土抗压强度报告(略)分项工程质量检验评定表分项工程名称:填写质量划分体系中的分项工程所属分部工程:填写质量体系划分中的分部工程所属建设项目:某某高速公路工程部位:施工单位:监理单位:检验:复核:技术负责人:日期:某某高速公路建设项目墩、台身检查记录表施工单位:合同号:2-3 柱式墩包括以下表格:1)交工证书、认可书、工程报验单(略)2)柱或双壁墩分项工程质量检验评定表3)柱或双壁墩检验记录表4)钢筋加工及安装分项工程质量检验评定表(略)5)钢筋加工及安装检验记录表(略)6)模板检验记录表(略)7)混凝土浇筑记录(略)8)施工放样报验单(略)9)水泥混凝土抗压强度报告(略)。
分项工程质量检验评定表分项工程名称:填写质量划分体系中的分项工程所属分部工程:填写质量体系划分中的分部工程所属建设项目:某某高速公路工程部位:施工单位:监理单位:检验:复核:技术负责人:日期:某某高速公路建设项目柱或双壁墩检查记录施工单位:合同号:3、墩、台帽或盖梁包括以下表格:1)交工证书、认可书、工程报验单(略)2)墩、台帽或盖梁分项工程质量检验评定表3)墩、台帽或盖梁检验记录表4)钢筋加工及安装分项工程质量检验评定表(略)5)钢筋加工及安装检验记录表(略)6)模板检验记录表(略)7)混凝土浇筑记录(略)8)施工放样报验单(略)9)水泥混凝土抗压强度报告(略)。
分项工程质量检验评定表分项工程名称:墩、台帽或盖梁所属分部工程:基础及下部构造所属建设项目:某某高速公路工程部位:施工单位:监理单位:某某高速公路建设项目墩、台帽或盖梁检查记录施工单位:合同号:4、支座垫石包括以下表格:1)交工证书、认可书、工程报验单(略)2)支座垫石分项工程质量检验评定表3)支座垫石检验记录表4)钢筋加工及安装分项工程质量检验评定表(略)5)钢筋加工及安装检验记录表(略)6)混凝土浇筑记录(略)7)施工放样报验单(略)8)水泥混凝土抗压强度报告(略)。
分项工程质量检验评定表分项工程名称:支座垫石所属分部工程:基础及下部构造所属建设项目:某某高速公路工程部位:施工单位:监理单位:检验:复核:技术负责人:日期:某某高速公路建设项目支座垫石检验记录表施工单位:合同号:5、挡块包括以下表格:1)交工证书、认可书、工程报验单(略)2)挡块分项工程质量检验评定表3)挡块检验记录表4)钢筋加工及安装分项工程质量检验评定表(略)5)钢筋加工及安装检验记录(略)6)混凝土浇筑记录(略)7)施工放样报验单(略)8)水泥混凝土抗压强度报告(略)。
分项工程质量检验评定表分项工程名称:挡块所属分部工程:基础及下部构造所属建设项目:某某高速公路工程部位:施工单位:监理单位:某某高速公路建设项目挡块检验记录表施工单位:合同号:期:。