精密机械-微动装置课设说明书
- 格式:doc
- 大小:1.19 MB
- 文档页数:12
精密机床通用操作规程精密机床是一种高精度、高灵敏度的机械设备,对于操作人员的要求较高。
为了能够更好地保证设备的正常运行和维护设备的好状态,特制定了本操作规程,以便操作人员能够遵循规范的操作流程和注意事项。
一、机床的开机操作1.在进行开机操作之前,要先检查机床的电源线路、液压油路、润滑油路、气路以及冷却循环水路等是否连接良好,检查各部位的紧固件是否松动或缺失。
机床上的各种限位开关和传感器是否处于非正常位置或损坏。
2.启用机床之前,先启动系统程序, 如Fanuc 0i-MF CNC 系统或Mitsubishi 等CNC 系统,并检查程序是否完整,各部位数据是否正确。
3.启动机床时,在安全门或保护罩处检查清除工件或夹具等是否符合安全要求,关紧安全门或保护罩并栓住,确认紧固无误,方可启动机床。
4.机床打开电源后,在电控柜中选择“机床启动”按钮,并确认机床的加工状态(PROGRAM 或MDI)。
二、机床常用操作1.机床手动操作。
(1)切换模式: 选择手动模式。
(2)初始位置: 对于精密机床而言,手动模式一般只从初始位置启动,初始位置可以是机床归位位置或者被夹紧的工件起始位置。
(3)手动操作:通过手动操作按钮控制每个轴的前进、后退、左右移动、上下移动等操作2.自动加工操作。
(1)编程:输入机床控制程序,包括加工轴坐标、速率、加工刀具号码、加工路线等。
如何编程可以参照相应的用户手册。
(2)工件数据:将将要加工的工件数据输入机床控制系统。
(3)程序操作:根据机床的加工程序和加工数据进行控制,并且依次完成加工轮廓的切削。
(4)手动干预:如果加工过程中出现卡夹、刀具磨损等情况,要通过手动模式解决问题并继续自动加工。
3.机器人操作。
复杂的机床加工往往涉及到一定程度的机器人协助,为了圆满完成机械加工的工作任务,注意以下操作:(1)设置机器人路径和工具轨迹计划。
(2)进行机器人联动,程序输入和检查。
(3)并行处理多个模型、多个任务,提高操作效率。
YP系列压机微动功能的设置及应用一、微动功能的作用:在一般情况下,由于布料的不均及刮料速度的影响,会使布在模腔内的粉料密度不一样,从而导致压制完成后的砖坯密度及厚度不均,最终造成烧成后的砖坯出现大小头、窄腰及厚度不均等现象。
YP系列带伺服顶出装置的压机,都具有微动功能。
它的作用是当料车在布料过程中下模可以按照设定位置上下浮动,改变填料深度,使成型后的砖坯密度及厚度保持一致。
此微动功能只能用来调节砖坯的前后偏差,不能用来调节砖坯的左右偏差。
二、微动动作的设置:1. YP系列压机最多设置了五个微动动作,每一个微动动作依照设定的距离及速度完成。
微动距离的上下限在内部参数里限定。
2. 微动距离是一个相对值,当用户选择一次布料时,微动距离以一次落模位置为基准。
当用户选择二次布料时,微动距离以二次落模位置为基准。
微动距离为正值时表示填料深度增加,顶出装置往下运动。
微动距离为负值时表示填料深度减少,顶出装置往上运动。
微动距离为0时表示保持在落模位置。
3. 微动速度的大小决定了微动动作的快慢。
4. 微动动作有效范围:若用户选择一次布料,则在模具一次下降和墩料之间微动。
若用户选择二次布料,则在模具二次下降和墩料之间微动。
三、微动动作的应用:微动动作的应用因布料系统的不同而分为三种:1. 配恒力泰曲柄一次料车。
曲柄一次料车的微动动作设置画面如图1如果要实现微动功能,首先将开关“选择第一/第二次布料时微调”设为第一次布料,将开关“微调运行选择”设为运行。
此时,微动功能将以一次填料位置为基准而按照所设的调整量进行动作。
微动位置的设置以角度为单位,微动速度为“擦模”速度。
图1料车五段微动位置的设置关系为:模芯一次下落位置<1段微动位置≤2段微动位置≤3段微动位置≤4段微动位置≤5段微动位置<360度当料车位置>1段微动位置时下模按调整量1微动,当料车位置>2段微动位置时下模按调整量2微动,依此类推。
一般情况下,微动动作只需1—2次即可。
精密机械课程设计说明书二自由度机械手学院光电学院班级测控1302小组组长耿华婧2013010413小组成员李庆龄2013010415马文 2013010418孙亚培 2013010420指导老师闫光课设日期2016.1前言机械手工程是近二十多年来迅速发展起来的综合学科,它集中了机械工程、电子工程、计算机工程、自动控制工程以及人工智能等多种学科的最新,机械手的研究、制造和应用水平,是一种机体独立,动作自由度较多,自动化程度高的自动操作机械。
机械手的研究、制造和应用水平,是一个国家科技水平和经济实力的象征,正受到许多国家的广泛重视。
通常把传送机构的运动称为传送机构的自由度。
从力学的角度分析,物件在空间只有6个自由度。
因此为抓取和传送在空间不同位置和方位物件,传送机构也应具有6个自由度。
常用的机械手传送机构的自由度还多为少于6个的。
一般的专用机械手只有2~4个自由度,而通用机械手则多数为3~6个自由度(这里所说的自由度数目,均不包括手指的抓取动作)。
我们小组选择设计一个二自由度机械手,通过齿轮和齿条的传动,以及电机旋转的带动作用,实现上下移动和绕轴旋转这两个自由度。
具体设计情况见后文。
目录一、设计任务及小组分配 (5)1.课程设计目的 (5)2.主要任务 (6)二、结构设计说明 (7)1.初始方案草图 (7)2.存在问题及解决方案 (8)三、主要参数计算过程及结果 (10)1.各部分材料选择说明 (10)2.底座外形尺寸及质量初步估计 (11)3.齿轮和直齿条的相关计算 (12)4.电机的选择 (14)5.联轴器的相关计算 (16)6.电机处四个螺栓的计算 (17)7.板材右侧及左侧配重的计算 (17)四、其它技术说明 (18)五、改进设想 (18)六、设计小结 (19)一、设计任务及小组分配1.课程设计目的“精密机械设计基础”课程设计作为实践环节对于整个课程具有非常重要的意义。
学生在这个环节中不仅是完成一项指定任务,更重要的是实际走过一个完整的设计过程。
D2UC精密工装操作说明1.三色灯状态说明(从上到下)①蜂鸣器:每一个完整动作完成时,蜂鸣器短鸣提示操作员可以下一步动作。
②黄灯:按下按钮,动作开始,黄灯亮起代表动作过程中,不能进行下一步动作(动作完成熄灭)。
③绿灯:每一步动作完成时绿灯亮,此时代表了可以下一步动作。
④红灯:动作异常或动作规定时间未完成,红灯亮起,相应异常动作自动回到相应初始状态,2.按钮灯状态说明①1号启动按钮灯:闪烁,系统处于初始状态;常亮,工件夹紧完成。
②2号启动按钮灯:闪烁,第一步完成,第二步可以动作;常亮,整个动作完成。
3.使用前检查①检查电源与气源是否接通。
②主气路三联件调压阀调至0.5-0.6MPa,分支气路调压阀调至0.4-0.5MPa,具体数值以实际使用需要为准。
③设备动作范围无异物或阻挡。
4.正常启动过程①上电,检查初始状态位(标志为1号启动灯的状态)②1号启动灯闪烁状态,标志初始状态位完成③1号启动灯熄灭状态,此时同时按下2号启动按钮和回退启动按钮持续一秒钟,1号启动灯状态位不变,单独按下回退按钮,1号气动灯闪烁。
④摆上零件后按下1号启动按钮(零件夹紧),动作完成三色灯绿灯亮,摆上组合零件,按下2号启动按钮,顶针完全进入孔位后动作完成绿灯亮,然后锁住螺栓。
注:锁住螺栓阶段,有动作对错的判断,若三颗螺丝没有按规定锁紧,工件将无法进入正常后退阶段,比如检测到少于3次(3颗螺丝)或多余三次的锁紧动作完成,此时按下回退按钮将无法释放工件。
解决办法:按下急停按钮(红色蘑菇头按钮),若按钮处于按下状态,必须旋转复位后再次按下,进入正常回退过程。
(此时进行复位操作也是可以进入正常回退阶段)5.正常后退过程①第一次按下回退按钮,顶针滑台后退;②第二次按下回退按钮,夹具张开,工件释放。
6.手动模式若进针过程多次不顺为不影响生产线生产可临时改用手动模式工作,将手动/自动选择开关切换至手动模式后,控制顶针的气缸都改为手动伸缩,待休息时间再行排错。
目录1.绪论 (1)2.设计理念 (1)图1 万能工具显微镜 (1)3.材料选择 (2)4.实验原理 (2)图2齿轮杠杆微动装置原理图 (2)5.齿轮零件图 (4)图3 齿轮零件图 (4)图4 齿轮零件实物图 (5)6.加工工艺路线 (6)7.齿轮加工方法 (7)图5齿轮插刀加工齿轮 (7)8.夹具选择 (8)图6 夹具示意图 (8)9.定位误差分析 (9)10.夹紧力大小的计算 (10)11.总结与心得体会 (10)参考文献: (11)齿轮—杠杆微动装置1.绪论日常生活中我们常用“失之毫厘,谬以千里”来形容一点点的错误可能会带来很大的谬误,影响大局,告诫我们做事要注重细节。
而在微动的世界里恰好相反,我们将细小的距离进行放大,来实现微动,因此装置就是个“放大器”。
微动装置一般用于精确、微量地调节某一部件的相对位置,它们是构成精密机械和仪器的不可缺少的部分或重要部件。
2.设计理念齿轮微动装置一般用于精确、微量地调节某一部件的相对位置,它们是构成精密机械和仪器的不可缺少的部分或重要部件。
这次的设计我们想的是用于显微镜的作台的轴向微动,以实现高倍率物镜的精确调焦。
图1 万能工具显微镜3.材料选择我们的的设计主要包括有齿轮、弧形杠杆、顶杆,由于是运用于显微镜工作台的轴向微动,所以要求它的精度要高。
而保证精度的主要是齿轮之间的传动。
所以在选择齿轮材料的时候,必须要保证它的强度,以减少齿轮传动磨损造成的影响。
故而,我们选择的齿轮材料是45号钢,弧形杠杆有齿轮,因此也选择45号钢。
4.实验原理实验原理图如图2所示。
图2齿轮杠杆微动装置原理图原动部分是带有小齿轮(z1)的手柄轴A,转动手柄时,通过三级齿轮(z1,z2,z3,z4,z5)减速,带动扇形齿轮(z6)的微小转动,再借助杠杆使顶杆C 上下运动,因顶杆C离轴很近,而扇形齿轮直径很大,形成较大的杠杆比加之齿轮转动比很大(1:400以上),故微动手轮转动一个较大角度时,顶杆只做很小的上下直线运动。
目录1.绪论 (1)2.设计理念 (1)图1 万能工具显微镜 (1)3.材料选择 (2)4.实验原理 (2)图2齿轮杠杆微动装置原理图 (2)5.齿轮零件图 (4)图3 齿轮零件图 (4)图4 齿轮零件实物图 (5)6.加工工艺路线 (6)7.齿轮加工方法 (7)图5齿轮插刀加工齿轮 (7)8.夹具选择 (8)图6 夹具示意图 (8)9.定位误差分析 (9)10.夹紧力大小的计算 (10)11.总结与心得体会 (10)参考文献: (11)齿轮—杠杆微动装置1.绪论日常生活中我们常用“失之毫厘,谬以千里”来形容一点点的错误可能会带来很大的谬误,影响大局,告诫我们做事要注重细节。
而在微动的世界里恰好相反,我们将细小的距离进行放大,来实现微动,因此装置就是个“放大器”。
微动装置一般用于精确、微量地调节某一部件的相对位置,它们是构成精密机械和仪器的不可缺少的部分或重要部件。
2.设计理念齿轮微动装置一般用于精确、微量地调节某一部件的相对位置,它们是构成精密机械和仪器的不可缺少的部分或重要部件。
这次的设计我们想的是用于显微镜的作台的轴向微动,以实现高倍率物镜的精确调焦。
图1 万能工具显微镜3.材料选择我们的的设计主要包括有齿轮、弧形杠杆、顶杆,由于是运用于显微镜工作台的轴向微动,所以要求它的精度要高。
而保证精度的主要是齿轮之间的传动。
所以在选择齿轮材料的时候,必须要保证它的强度,以减少齿轮传动磨损造成的影响。
故而,我们选择的齿轮材料是45号钢,弧形杠杆有齿轮,因此也选择45号钢。
4.实验原理实验原理图如图2所示。
图2齿轮杠杆微动装置原理图原动部分是带有小齿轮(z1)的手柄轴A,转动手柄时,通过三级齿轮(z1,z2,z3,z4,z5)减速,带动扇形齿轮(z6)的微小转动,再借助杠杆使顶杆C 上下运动,因顶杆C离轴很近,而扇形齿轮直径很大,形成较大的杠杆比加之齿轮转动比很大(1:400以上),故微动手轮转动一个较大角度时,顶杆只做很小的上下直线运动。
精密机械设计基础课程设计
一、课程设计的目的
1)通过对机械设计的一般方法的学习,掌握机构设计的步骤过程。
2)进行机械设计基本技能的训练,如计算、绘图,运用设计资料、手册、标准和规范以及使用经验结算和处理数据的能力。
3)培养学生综合运用所学的机械系统的知识去解决生产实际问题的能力
二、任务书
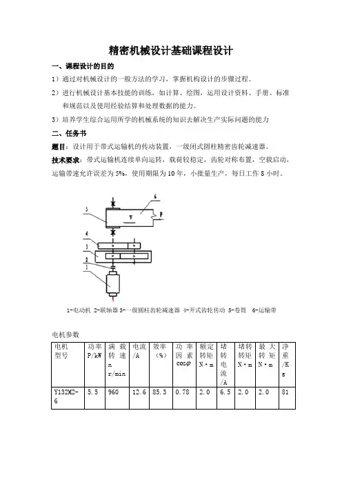
题目:设计用于带式运输机的传动装置,一级闭式圆柱精密齿轮减速器。
技术要求:带式运输机连续单向运转,载荷较稳定,齿轮对称布置,空载启动,运输带速允许误差为5%,使用期限为10年,小批量生产,每日工作8小时。
1-电动机 2-联轴器3-一级圆柱齿轮减速器 4-开式齿轮传动 5-卷筒 6-运输带
电机参数
设计数据:
三、设计任务
①零件工作图2张(大齿轮、轴,A3图纸);
②设计计算说明书1份。
说明书内容应包括:拟定机械系统方案,进行机构运动和动力分析,选择电动机,进行传动装置运动动力学参数计算,传动零件设计,轴承寿命计算、轴(许用应力法和安全系数法)、键的强度校核,联轴器的选择、设计总结、参考文献、设计小结等内容。
四、设计进度
1、第一阶段:传动装置运动和动力参数计算
2、第二阶段:传动零件的设计计算(齿轮设计及校核、轴的设计及校核)
3、第三阶段:齿轮工作图、轴的尺寸图绘制
4、第四阶段:计算说明书的编写。
精密机械设计课程设计指导书光电信息与通信工程学院测控技术与仪器系2008.12题目一:百分表的设计一设计目标设计钟表式百分表,具体技术要求如下:1 百分表测量范围为0~5或0~10mm,分度值为0.01mm;2 百分表的外形尺寸和配合尺寸应符合下图规定;(图1)3 百分表的测力应在0.5N至1.5N之间,测力落差(同一点正反向测力之差)不大于0.4N,单向行程测力变化不大于0.5N;4 示值误差:1)对于测量范围0~10的表,示值总误差不大于0.018 mm,对于测量范围0~5的表,不大于0.016 mm;2)任意一毫米内示值误差不大于0.01 mm;3)回程误差不大于0.003 mm;4)示值变动性不大于0.003 mm;5 测杆应移动平衡、灵活、无卡住现象;6 测杆处于自由状态时,指针应位于从零位开始逆时针方向30°~90°之间;7 当转数指针指示整转数时,指针偏离整转数刻度不大于15°;8 测杆行程应至少超出工作行程终点0.5mm;9 指针尖端应盖过短刻线长度的30%~80%;10 指针尖端与表盘之间距离不大于0.7mm;11 表盘刻线宽度和指针尖端宽度应为0.15~0.25mm。
二课程设计的目的、任务和要求1 目的本次课程设计是《精密机械设计》课的重要组成部分,是打好技术基础和进行技能训练的重要环节。
其目的是:(1)巩固《精密机械设计》课程所学内容,综合运用所学课程的知识进行设计,培养分析和解决实际工程问题的能力;(2)学习仪器结构设计的一般方法和步骤,提高机械设计水平,树立正确的设计思想;(3)扩大知识范围,学会运用各类技术资料,包括技术标准、手册等。
2 任务设计一种钟式百分表,在分析样图和参考图的基础上,进行结构方案的比较和选择。
包括示数装置、传动系统、消除空回装置、产生测力装置、导轨、支承、限动器和联接等。
然后进行总体布局、设计计算,绘制草图和正式图,编写说明书。
精密机械课程设计报告微动螺旋机构设计车刀进给机构是车床中的重要机构,刀具进给的精度决定了工件的精度。
本文设计的是一个提高车床车刀进给精度的装置。
该装置采用的是螺旋差动微动原理,实现车刀进给量的微米级精确控制,比普通的车刀进给装置精度上有了大幅的提升。
该装置的示数原理与螺旋测微器相似,是通过长刻度筒和圆刻度筒确定车刀当前位置。
然后论述了该装置的加工工艺并分析了影响该装置精度的一些因素。
关键词:车刀;进给量;精度;螺旋微动1 绪论 (1)2 方案论证 (2)3 结构设计 (3)3.1整体结构设计 (3)3.2微动装置设计 (3)3.3示数装置设计 (5)3.4导轨设计 (6)3.4.1 结构设计 (6)3.4.2工艺设计 (7)4误差分析 (9)5 总结体会 (10)参考文献 (11)1 绪论车削加工可以实现工件的外表面、端面、内表面以及内外螺纹的加工,不仅是切削加工中应用最广泛的形式,并且在整个机加工中占据着重要位置。
车削加工过程由主运动和进给运动两种运动形式构成。
主运动是指车床主轴的回转运动,是切削力的主要来源;进给运动指的是刀具的移动,包括沿工件轴向的进给运动、沿工件径向的进给运动和斜向运动,刀具的运动决定了工件的外形轮廓,当然也决定了工件的加工精度。
传统刀架是通过螺纹杆的转动利用螺旋副直接实现前进或回退的。
由于人手灵敏度的限制,刀具进给最小刻度一般不小于0.02mm,不可能实现微米级的精确进给控制,无法实现精确的尺寸控制。
目前解决这一问题的方法主要是靠数控加工,或使用精密车床,但数控车床或者精密车床成本都很高,因此只适用于批量加工。
针对这一缺陷,本文介绍了一种新的刀具进给控制机构。
这种机构采用的是差动螺旋微动机构的原理,用机械的方式提高了加工精度。
经过这种改造,普通车床也能实现较高精度要求零件的加工,可以为小批量生产节约生产成本。
12 方案论证方案一:减小螺纹螺距螺距就是螺杆旋转一周时所前进的距离(单线螺纹),减小螺距必然可以实现更高精度的进给量控制。
精密机械课程设计一、课程目标知识目标:1. 让学生掌握精密机械的基本概念、分类及在工程中的应用。
2. 了解精密机械的组成、工作原理及其在设计过程中的关键参数。
3. 掌握精密机械设备的安装、调试与维护方法。
技能目标:1. 培养学生运用精密机械进行简单工程设计和创新的能力。
2. 提高学生分析、解决精密机械故障和问题的能力。
3. 培养学生实际操作精密机械设备的能力,提高动手实践能力。
情感态度价值观目标:1. 培养学生对精密机械的兴趣,激发学习热情,形成积极的学习态度。
2. 培养学生的团队协作精神,学会与他人共同分析、解决问题。
3. 增强学生的工程意识,认识到精密机械在国民经济发展中的重要作用,培养社会责任感。
本课程针对高中年级学生,结合学科特点,注重理论知识与实际应用相结合。
在教学过程中,充分考虑学生的认知水平、兴趣和需求,采用案例教学、小组讨论、实践操作等多种教学方法,使学生在掌握基本知识的同时,提高综合运用能力。
通过本课程的学习,旨在培养学生成为具备创新精神和实践能力的工程技术人才。
二、教学内容1. 精密机械概述:介绍精密机械的定义、分类及其在工程中的应用,让学生对精密机械有全面的了解。
- 教材章节:第一章 精密机械概述- 内容列举:精密机械的定义、分类、应用领域2. 精密机械的组成与工作原理:分析精密机械的主要组成部分,讲解其工作原理及关键参数。
- 教材章节:第二章 精密机械的组成与工作原理- 内容列举:主要组成部分、工作原理、关键参数介绍3. 精密机械的设计与制造:探讨精密机械设计的基本原则,介绍制造过程中的关键技术。
- 教材章节:第三章 精密机械的设计与制造- 内容列举:设计原则、制造工艺、关键技术4. 精密机械设备的安装、调试与维护:讲解精密机械设备在安装、调试及维护过程中的注意事项。
- 教材章节:第四章 精密机械设备的安装、调试与维护- 内容列举:安装步骤、调试方法、维护保养措施5. 精密机械应用案例分析:通过具体案例分析,让学生了解精密机械在实际工程中的应用。
微动触发机构是一种特殊的机械装置,主要用于检测设备的运行状态并触发相应的动作。
这种机构通常包括可转动的连动杆,连动杆的一端连接有旋转机构,旋转机构的一侧设置有固定板,固定板上连接有可相对其滑动的滑块,旋转机构上设置有与滑块相接触的定位销。
以下是一些关于微动触发机构设计的建议:
确定功能需求:在设计微动触发机构之前,首先需要明确其功能需求。
例如,需要确定触发机构的触发条件、触发力的大小、触发后的动作等。
选择合适的材料:微动触发机构需要具有一定的强度和耐用性,因此需要选择合适的材料。
一般来说,金属材料具有较好的强度和耐磨性,适用于制造微动触发机构的主要部件。
优化结构设计:结构设计是微动触发机构设计的关键。
需要考虑如何合理地布置各个部件,使它们能够协调工作,并满足功能需求。
同时,还需要考虑结构的稳定性和可靠性,避免因结构不合理而导致机构失效。
考虑加工和装配工艺:在设计微动触发机构时,需要考虑其加工和装配工艺。
设计时应尽量简化结构,避免过于复杂的加工和装配过程。
同时,还需要考虑如何保证加工和装配的精度,以确保机构的性能。
进行性能测试:完成设计后,需要对微动触发机构进行性能测试。
测试应包括触发力的大小、触发速度、触发稳定性等指标。
通过
测试,可以发现机构存在的问题并进行改进。
总之,微动触发机构设计需要综合考虑功能需求、材料选择、结构设计、加工和装配工艺以及性能测试等多个方面。
只有全面考虑并不断优化设计,才能制造出性能稳定、可靠的微动触发机构。
前言微动装置一般用于精确、微量地调节某一部件的相对位置,它们常常是构成精密机械和仪器的不可缺少的部分或重要的部件。
常见的微动装置的结构形式有螺旋---微动、螺旋---斜面微动、螺旋---杠杆微动、螺旋---齿轮微动、弹性微动等。
如:显微镜中,调节物体相对物镜的距离,使物象在视场中清晰,便于观察;在仪器的读数系统中,调整刻度尺的零位,如在万能测长仪中,用摩擦微动装置调整刻度尺的零位;还可用于仪器工作台的微调,如万能工具显微镜中工作台的微调装置。
微动装置性能的好坏,在一定程度上影响精密机械的精度和操作性能。
因此,对微动装置的基本要求是:(1)应有足够的灵敏度,使微动装置的最小位移量能满足精密机械的使用要求。
(2)传动灵活、平稳,无空回产生。
(3)工作可靠,调整好的位置应保持稳定。
(4)若微动装置包括在仪器的读数系统中,则要求微动手轮的转动角度与直线微动(或角度微动)的位移量成正比。
(5)微动手轮应布置得当,操作方便。
(6)要有良好的工艺性,并经久耐用。
目录1总体方案 (1)微动装置结构分析 (1)螺旋微动装置的用途 (2)螺旋微动的工作原理 (2)2结构设计 (3)螺杆的设计 (3)紧定螺钉的选用 (3)螺母的设计 (3)刻度套筒的设计 (4)手轮的设计 (5)螺钉的选用 (5)减速杠杆的设计 (6)弹簧的选择 (6)3主要零件--螺杆的工艺 (6)零件工艺分析 (6)工艺流程 (7)4总结 (8)参考文献 (9)螺旋杠杆微动装置设计1总体方案微动装置结构分析图如图所示,这次设计的是一个螺旋-杠杆微动装置。
图中,左侧是一个螺旋微动装置,下方是一个杠杆,右侧是工作台。
旋动左侧的螺旋微动装置,推进螺杆,使杠杆向左倾斜,从而提升右边的工作台;当左侧的螺旋微动装置往回旋转,螺杆向上缩回时,右侧的平台受弹簧的施力作用而向下移动。
该装置中采用的:螺杆的螺距是1mm,刻度手轮等分为50份,减速杠杆的比值为2:1 。
H a r b i n I n s t i t u t e o f T e c h n o l o g y课程设计说明书(论文)课程名称:精密机械设计基础课程设计设计题目:六自由度多关节坐标测量仪院系:班级:设计者:学号:指导教师:叶东设计时间:2011.01.10~2011.01.21哈尔滨工业大学哈尔滨工业大学课程设计任务书*注:此任务书由课程设计指导教师填写。
目录1. 概述 (1)1.1设计背景 (1)1.2技术参数和设计要求 (1)2. 总体设计 (2)3. 关节结构设计 (3)3.1轴径选择 (3)3.1.1轴2受力分析 (3)3.1.2轴2弯曲挠度分析 (3)3.1.3其余轴径选择 (3)3.2轴承选择 (3)3.3轴壳尺寸的确定 (3)4. 关键结构件设计 (4)4.1关节联接结构设计 (4)4.1.1轴臂联接机构 (5)4.2力平衡机构设计 (5)4.3测头机械结构设计 (7)5. 装配要求 (7)6. 总结 (7)6.1结论 (7)6.2存在问题 (8)6.2.1螺钉的相关画法 (8)6.2.2编码器杯盖的有关问题 (8)6.3心得体会 (8)参考文献 (8)1.概述 1.1设计背景坐标测量仪是近几十年来迅速发展起来的新型精密测量仪器,它用途广泛,可用于多种制造业的各种零件形体几何参数测量。
本次课程设计的任务就是模仿FARO 公司的SpaceArm 产品,进行六自由度关节式坐标测量仪机械结构设计。
FARO 公司的产品相比其他公司在测量臂外增加了外壳,可以减少与外界接触而引起的热变形,减少灰尘的影响,同时外形看起来更加美观、小巧,但从测量范围上看要小一些,在1200mm-3600mm 。
其产品外观图如图1-1-1所示。
图1-1-1 FARO 公司的SpaceArm 产品外观图六自由度多关节坐标测量仪是由多杆件通过旋转关节串联而成的空间开放式连杆机构,具有有以下特点:①运动学模型比较复杂;②结构简单;③测量范围大;④可对表面进行测量。
精密机械-微动装置课设说明书-CAL-FENGHAI.-(YICAI)-Company One1前言微动装置一般用于精确、微量地调节某一部件的相对位置,它们常常是构成精密机械和仪器的不可缺少的部分或重要的部件。
常见的微动装置的结构形式有螺旋---微动、螺旋---斜面微动、螺旋---杠杆微动、螺旋---齿轮微动、弹性微动等。
如:显微镜中,调节物体相对物镜的距离,使物象在视场中清晰,便于观察;在仪器的读数系统中,调整刻度尺的零位,如在万能测长仪中,用摩擦微动装置调整刻度尺的零位;还可用于仪器工作台的微调,如万能工具显微镜中工作台的微调装置。
微动装置性能的好坏,在一定程度上影响精密机械的精度和操作性能。
因此,对微动装置的基本要求是:(1)应有足够的灵敏度,使微动装置的最小位移量能满足精密机械的使用要求。
(2)传动灵活、平稳,无空回产生。
(3)工作可靠,调整好的位置应保持稳定。
(4)若微动装置包括在仪器的读数系统中,则要求微动手轮的转动角度与直线微动(或角度微动)的位移量成正比。
(5)微动手轮应布置得当,操作方便。
(6)要有良好的工艺性,并经久耐用。
目录1总体方案 (1)微动装置结构分析 (1)螺旋微动装置的用途 (2)螺旋微动的工作原理 (2)2结构设计 (3)螺杆的设计 (3)紧定螺钉的选用 (3)螺母的设计 (3)刻度套筒的设计 (4)手轮的设计 (5)螺钉的选用 (5)减速杠杆的设计 (6)弹簧的选择 (6)3主要零件--螺杆的工艺 (6)零件工艺分析 (6)工艺流程 (7)4总结 (8)参考文献 (9)螺旋杠杆微动装置设计1总体方案微动装置结构分析图如图所示,这次设计的是一个螺旋-杠杆微动装置。
图中,左侧是一个螺旋微动装置,下方是一个杠杆,右侧是工作台。
旋动左侧的螺旋微动装置,推进螺杆,使杠杆向左倾斜,从而提升右边的工作台;当左侧的螺旋微动装置往回旋转,螺杆向上缩回时,右侧的平台受弹簧的施力作用而向下移动。
该装置中采用的:螺杆的螺距是1mm,刻度手轮等分为50份,减速杠杆的比值为2:1 。
则装置的精度S= ,由此可得要提高精度可减小螺距或增到手轮等分数和减速杠杆比。
该装置不仅采用螺旋微动部分,还加上了减速杠杆。
该减速杠杆不仅使我们更容易控制微小的位移,由上面的公式也可知由于减速杠杆的引用是精度也大大的提高了(提高的比例及为减速杠杆的比)。
另外由于位移量只取决于螺杆的螺距、手轮的等分数、减速杠杆的比,因此其它参数的选择比较自由,这也使在参数确定方面较为容易。
整个装置结构简单,操作便捷,传动误差小,控制精度高,具有很高的实用价值。
螺旋微动装置的用途螺旋微动装置既可以用于对未消量的精确测量,也可以用于对微小移动量的控制。
前者的实际利用例子有螺旋测微器,后者的实际利用例子是机床上对刀具的微量移动的控制,以切削得到尺寸精确的零件螺旋微动的工作原理螺旋微动装置由螺母、调节螺母、微动手轮、螺杆等组成。
整个装置固定在测微外套上。
旋转微动手轮时,螺杆前后移动。
螺旋微动装置的最小微动量螺旋微动装置的最小微动量S min为S min=P(△φ/360°)式中P为螺杆的螺距;△φ为人手的灵敏度,即人手轻微旋转手轮一下,手轮的最小转角。
在良好的工作条件下,当手轮的直径为φ15-φ60mm时,△φ为1°-1/4°。
手轮的直径大,灵敏度也高些。
由上面的式子可知,要想进一步提高螺旋微动装置的灵敏度,可以增大手轮和减小螺距。
但手轮太大不仅使微动装置的空间体积增大,而且由于操作不灵便反而使灵敏度降低。
若螺距太小,则加工难度太大,使用时也容易磨损。
也正是这些原因,本次设计我们采用了螺旋-杠杆装置,来提高微动装置的灵敏度。
螺旋微动装置的精度△S=P/N式中,P为螺杆的螺距,N为手轮上刻度的个数。
本次设计中,选取螺距P为1mm的螺纹,手轮上的刻度个数N为50,则该微动装置的精度△S=P/N=1mm/50=。
该装置的最小微动量S min必须小于其精度△S。
材料说明该微动装置实现的是精度传导,不是传递动力,其各个零件受力均非常小,各零件尺寸大小适中选取即可,无需对其进行强度及刚度的校核,可省略不必要的、复杂的计算。
2结构设计螺杆的设计螺杆的尺寸设计螺杆的总长设计为122mm,查询常用螺纹的用途和特征表可知,普通螺纹应用最广泛,生产成本低,其细牙螺纹适用于轴向微调机构,因此,螺杆上的螺纹选用普通螺纹;为了工作中传导能够平稳精确,旋合长度需要足够长,所以螺纹的设计长度为40mm;根据普通螺纹直径与螺距标准组合列表,选用螺纹M12x1。
螺杆的表面粗糙度螺杆的右边圆柱表面粗糙度采用,以使螺杆与螺母光滑精密配合,实现对螺杆的精确导向;螺杆右端的圆柱体,其右端面与手轮通过螺钉紧固连接,为了使连接牢固,采用的表面粗糙度。
螺杆的材料选择螺杆的材料选择9Mn2V合金钢,其进行的热处理为:淬火并低温回火。
该材料的耐磨性高,有较好的尺寸稳定性,适用于精密螺旋传动。
紧定螺钉的选用紧定螺钉常用于定位而受力较小的情况,因此该处选用紧定螺钉。
考虑到螺杆直径较小,在其上钻孔不宜过大,因此在螺钉标准中,选用螺钉GB/T71-2000M4x10。
螺母的设计尺寸设计螺母总长为66mm,外螺纹长度为36mm,内螺纹长度为26mm。
内螺纹与螺杆螺纹行成螺旋副,实现精度传导,内螺纹选用M12x1,根据普通螺纹直径与螺距标准组合系列表,外螺纹选用.外螺纹与机架内螺纹形成紧密配合,以固定螺母,为了连接紧固,在螺母上设计一个圆周肩,肩高为4mm,肩宽为8mm。
肩的左右端面与内螺纹退刀槽两端面的水平距离分别设计为2mm和4mm,以保证足够的强度及刚度。
螺母下端钻有直径为12mm,长度为26mm的光孔,其与螺杆配合,实现对螺杆的精确导向作用。
表面粗糙度的选择螺母采用铸造成型,采用切削进行加工。
圆周肩的右端面与机架结合,通过螺纹连接实现紧固连接,为使连接牢固,其表面粗糙度选用,螺母左端处钻的小圆柱孔,与螺杆进行精密的间隙配合,以实现精确导向,其表面粗糙度选用;对于螺母内直径为10mm,长度为20mm的圆柱孔,其粗糙度选用;螺母上所有倒角的表面粗糙度为;其余为Ra0,即其余表面是用不去除材料的方法获得的。
材料的选择螺母的材料选用ZCuSn10Zn2。
该材料与与钢制螺杆配合,摩擦系数低,有较好的额抗胶合能力和耐磨性,适用于轻载、传动精度高的传动。
刻度套筒的设计尺寸的设计因为螺杆的最大行程为30mm,考虑到刻度的余量及手轮与套筒配合最小量适中,刻度套筒长20mm;套筒螺纹与机架外螺纹配合,形成紧固连接,螺纹自套筒上端起,长度为30mm,根据普通螺纹直径与螺距标准组合系列表,选用螺纹M20x2;套筒圆柱外表面的直径设计为40mm;由于螺杆导程为1mm,即手轮每旋转一周,螺杆前进或后退1mm,因此套筒上的最小分度值取为1mm,刻度线自距套筒左端5mm处开始,一直到距右端5mm处,即整个刻度部分长为40mm,示数为从-5mm到35mm;刻度线的长度:逢5刻度线的长度为4mm,逢10刻度线的长度为6mm,其余刻度线长度为2mm。
表面粗糙度的选择为使刻度套筒与机架连接牢固可靠,套筒左端面的表面粗糙度选用Ra=。
对于套筒外表面,为实现与手轮配合间隙适中,且摩擦小,并使与套筒上的刻度线精确清晰,套筒外表面的表面粗糙度选用Ra=.套筒右端面无特殊作用,其表面粗糙选用Ra=0。
材料的选择刻度套筒属于量具,其材料选用具有高硬度,高耐磨性的高级优质碳素工具钢T12A。
手轮的设计尺寸的设计手轮总长为53mm,右端壁厚为5mm,左侧5mm处钻有直径为4mm的通孔。
手轮左端的刻度圆锥面的水平距离为8mm,垂直高度为2mm。
手轮内圆柱孔与刻度套筒外表面形成间隙适中的配合,其基本尺寸为40mm,则刻度圆盘的最小直径为40mm,其对应的周长为40╳π=。
为使该装置的精度△s达到,则要求刻度圆盘等分为100份。
距手轮左端20mm处,有网状的滚花,其长度为20mm,以增大人手接触手轮的摩擦力,使用方便。
表面粗糙度的选择手轮与螺杆通过螺钉连接在一起,为使连接牢固,手轮右端面的表面粗糙度选用Ra=.手轮上直径为40mm,长为48mm的圆孔,与刻度套筒形成间隙适中的配合,为了减小手轮与刻度手轮之间的摩擦,其表面粗糙度选用Ra=.手轮左端的刻度圆锥面,为使其上的刻度清晰精确,其表面粗糙度选用Ra=。
材料的选择手轮属于量具,其材料选用具有高硬度,高耐磨性的高级优质碳素工具钢T12A 。
螺钉的选用图螺钉使螺母与手轮紧密牢固连接在一起。
为使足够牢固,在螺钉的标准表格中选用螺钉GB/T65-2000-M4X10。
则手轮上端孔的直径应为,即;螺杆的材料为钢,为连接牢固,则选用的螺钉旋入螺杆的长度bm>=d,本设计中dm=10mm。
减速杠杆的设计由于杠杆的比例变化也会导致测量结果过的变化,因此一但确定了比例后就不能有所更改,如果发生更改那么实际位移与刻度示数将不再对应,然而减速杠杆起传递位移和力的作用,因此必须保证杠杆有一定的刚度,使其在载荷作用下也几乎不会发生变形,因此选用高强度16Mn高强度钢。
弹簧的选择该装置中弹簧连接工作台与支架,且弹簧一直处于压缩状态这样不仅可以消除螺杆螺纹的间隙,而且也使螺杆在向上移动时杠杆始终保持与螺杆一致,因此弹簧的质量也需要保证,本次设计采用的弹簧是KH12X50,弹簧的外径为12mm,内径为6mm可得线径为3mm,弹簧自由长度为50mm。
这种弹簧不仅可以承受重载而且抗疲劳强度高。
3主要零件-螺杆的工艺图如图是本次设计微动装置中的重要零件-螺杆零件工艺分析零件的工艺分析就是通过对零件图纸的分析研究,判断该零件的结构和技术要求是否合理,是否符合工艺性要求。
(1)审查零件图纸通过对该零件图的重新绘制,知原图样的视图正确,尺寸、公差及技术要求齐全。
(2)零件的结构工艺性分析该零件比较简单,材料为9Mn2V合金钢,没有复杂的结构和较高的加工要求,主要加工有各个外圆表面、端面的车削、磨削等,各个待加工表面的加工精度和表面粗糙度都不难获得。
该零件除主要工作表面加工精度均较低,不需要高精度机床加工。
通过车削的粗加工半精加工等就可以达到加工要求;而主要工作表面(螺纹面)加工精度要求相对较高,需要高精度机床加工。
总体都可以在正常生产条件下,有此可见,该零件的工艺性较好。
另外,为了防止加工变形,加工螺杆时,应采用两顶尖装夹并辅以跟刀架,以承受工件因重力及切削力作用而产生的下垂和振动。
此外,还应施以充足的切削液,有用弹簧后顶尖,使耐磨和合理几何角度的车刀,并选用合理切削用量。
工艺流程备料:9Mn2V圆棒料,毛坯为25mmX200mm。
要求毛坯全长弯曲度小于1mm,如超过1mm,则不能使用。