安全生产应急救援名单及应急物资清单(双桥)
- 格式:doc
- 大小:19.50 KB
- 文档页数:1
应急救援物资清单工程项目施工应急救援物资清单:序号物资名称规格数量存放地点备注1 安全帽顶 50 项目部2 安全绳米 50 项目部3 体温计只 10 公司、项目部4 担架副 2 项目部5 灭火器只 50 项目部6 消防栓把 10 项目部7 警戒带米 150 项目部8 药箱(药棉、纱带、止血绷带、胶布、棉签、创可贴、医用酒精、云南白药、红花油、救心丸等)套 5 仓库9 毛巾只 20 仓库10 手电筒只 20 现场及仓库11 防尘口罩只 2 仓库12 防毒面罩只 20 仓库13 防护手套双 20 现场及仓库14 消防斧把 10 仓库15 防护服套 200 仓库16 绝缘手套双 20 仓库17 对讲机只 2 现场及仓库18 医用氧气罩只 2 仓库19 铁锹把 20 项目部20 雨衣、雨鞋、雨裤套 10 项目部21 蛇皮袋只 200 项目部22 水泵台 5 项目部23 挖掘机台 2 项目部24 铲车台 1 项目部25 发电机台 1 项目部26 救援车辆台 2 项目部以上是工程项目施工应急救援物资清单。
在施工过程中,这些物资将被用于应对突发事件和紧急情况。
改写后的每段话:这份清单列出了工程项目施工应急救援所需的物资清单。
清单中包括了各种应急物资,例如安全帽、安全绳、体温计、担架、灭火器、消防栓、警戒带、药箱等。
这些物资将被用于应对突发事件和紧急情况。
清单中的物资数量、规格以及存放地点都已经明确列出。
例如,安全帽有50顶,存放在项目部;药箱有5套,存放在仓库。
此外,还有一些特殊物资,如挖掘机、铲车、发电机、救援车辆等,也被列入清单。
在施工过程中,这些物资将被妥善保管,以备突发情况。
例如,在发生火灾或其他紧急情况时,灭火器、消防栓等物资将被用于灭火和救援。
同时,药箱中的药品和医疗器械也将在需要时被使用。
总之,这份清单是工程项目施工过程中必不可少的应急物资清单。
它将确保项目在遇到突发事件时能够快速应对,最大程度地减少损失。
最新应急救援器械清单
以下是最新的应急救援器械清单,为各种应急情况提供必要的设备和工具。
这些器械和工具可以帮助应急救援人员快速、有效地处理紧急情况,保障人们的安全。
1. 急救箱
- 医疗用手套
- 止血带
- 纱布和绷带
- 创可贴
- 创伤敷料
- 口罩和面罩
- 着装保护用品
2. 救生器械
- 救生衣
- 救生圈
- 救生绳
- 救生哨
- 浮动装置
3. 照明设备
- 手电筒和备用电池- 蓄电手灯
- 关键区域照明灯具
4. 通信工具
- 手提对讲机
- 无线电台
- 手机和充电器
5. 定位和导航工具- 地图和指南针
- GPS设备
- 信标和标志物
6. 水净化器材
- 水过滤器
- 消毒药品
- 和储存袋
7. 搜救和解救工具
- 救援绳索
- 搜救用具
- 低温保护装备
- 斧子和锤子
8. 简易维修工具
- 螺丝刀、扳手
- 绝缘胶带和线缆
- 简易修补材料
9. 避难所设备
- 帐篷
- 塑料布和绳索
- 折叠椅和桌子
以上清单列举了常见的应急救援器械,但根据具体应急情况的不同,可能还需要其他专业设备和工具。
在应急救援行动中,保持
设备的完好性和有效性非常重要。
应急救援团队应定期检查和维护这些器械,确保在需要时能够有效使用。
注意:此清单仅供参考,具体应急救援行动应根据实际情况进行评估和调整。
8生产安全事故应急救援措施、救援器材、设备清单和救援人员名单XX字【2018】第XXX号关于生产安全事故应急救援措施、救援器材、设备清单和救援人员名单的通知致各部门:根据《中华人民共和国安全生产法》、《国务院建设工程安全生产管理条例》,为了迅速、有效的处理生产安全事故,最大限度地减少因此而造成的人员伤亡和财产损失、减少对企业形象和信誉的影响,现将公司《生产安全事故应急救援预案》印发给你们,有关事项通知如下,请遵照执行:一、成立生产安全事故应急救援预案领导小组组长:XX副组长:XXXXXX成员:XXXXXXXXX XXXXXXXXX二、生产安全事故应急救援预案领导小组职责:1、根据在建工程施工特点、范围对施工现场易发生重大安全事故的部分环节进行监控,在每周生产调度会上进行通报,督促各项目部制定施工现场生产安全事故应急救援预案。
2、督促公司各项目部建立应急救援小组并配备应急救援预案器材、设备。
3、各项目部施工现场发生重伤以上及多人事故,领导小组组长或副组长应带领有关人员立即赶赴现场,组织抢救,保护现场,防止事态扩大。
公司总经理应将事故情况如实上报当地安全生产监督管理部门、建设行政主管部门,如发生特种设备安全事故,应同时向特种设备安全监督部门报告。
4、公司各项目部施工现场发生生产安全变乱后,项目经理应采纳措施防止变乱扩展,变乱发生后2小时之内应当将变乱情况上报公司总经理、分管安全工作的副总经理、公司安全管理部,同时保护变乱现场。
5、事故现场处理:公司各项目经理为保证事故调查取证客观、公正进行,对事故现场保护应做好以下工作:1)事故发生后,应救护受伤者,采取措施制止事故蔓延扩大。
2)认真保护变乱现场,凡与变乱有关的物体、痕迹、状态不得破坏。
3)为抢救受伤害者,需要移动现场某个物体时,必须作好现场标志。
4)保护事故现场区域,不要破坏现场,除非还有危险存在,准备必须的草图概况和图片,仔细记录或进行拍照、录像并保证记录的准确性。
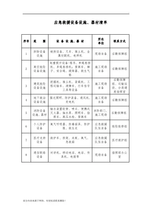
应急救援器材清单
应急救援体系基本框架结构包括应急救援器材清单。
清单中列出了各种规格和型号的物资,包括防毒口罩、个体防护服、安全帽、警戒警示带、灭火消防栓、对讲机、移动电话、电话传真机、担架、急救箱、叉车、破拆切割机、电气焊机、堵漏沙土、通风扇、排烟、排风扇、照明工作灯、LED发电机等。
这些物资的设置位置和主要用途也在清单中列出。
需要注意的是,清单中有一些明显有问题的段落,应当删除。
此外,一些段落的表述也需要改善。
例如,可以将“良好
库房现场防护”改为“库房现场防护良好”,这样更加清晰明了。
同时,可以将“应急电话”改为“运送受伤人员的应急电话”,以
便更好地说明其用途。
最后,应在每页的页脚中添加相应内容,方便管理和查找。
企业生产安全事故应急救援措施目的:为了规范生产安全事故的报告和调查处理,落实生产安全事故责任追究制度,防止和减少生产安全事故,根据《中华人民共和国安全生产法》和有关法律,紧急情况下采取有效的应急救援措施,防止伤亡事故扩大或造成二次伤害,把损失降低到最低限度。
编制依据:《中华人民共和国建筑法》、《中华人民共和国消防法》、《生产安全事故报告和调查处理条例》(国务院 493 号令)、《中华人民共和国安全生产法》、《建筑工程安全生产管理条例》、《安全生产许可条例》等。
一、组织机构1、领导小组组长:副组长:成员:安全生产办公室:2、机构设置领导小组办公室设在工程部:信息联络组:救护组:保工组:事故组:二、相应职责:组长:全方面辅助应急救援准备与实施工作。
(一)信息联络组职责:1、负责与各级领导部门报告事故情况。
2、保持通讯系统通畅,做好通讯记录。
(二)事故组职责:负责下达发出警报、抢修令,召集抢修队,动员全体人员进行抢救、抢险工作。
(三)保工组职责:组长:负责组织发出警报,人员及重要物资撤离危险区域,对危险区域进行隔离,标出明显警示,组织按方案进行抢修,受组长指挥。
(四)救护组职责:组长:负责组织对受伤人员的救护,受组长指挥。
三、信息联络公司办公室电话:安全处电话:消防报警电话: 119公安: 110急救: 120市安全生产监督局电话:四、救援程序1、应急救援: 1)工程项目部应针对工程特点,进行重大危险源的辨识。
应制定防触电、防坍塌、防高处坠落、防起重及机械伤害、防火灾、防物体打击等主要内容的专项应急救援预案,并对施工现场易发生重大安全事故的部位、环节进行监控; 2)施工现场应建立应急救援组织,培训、配备应急救援人员,定期组织员工进行应急救援演练; 3 )急救援预案要求,应配备应急救援器材和设备。
2、应急救援准备对应急救援人员进行应急培训,由安全科组织应急救援人员进行演练,检查应急准备工作的充分性;制定切实可行的安全施工方案及安全技术交底,备足、备好应急救援工具盒应急用品,做好预防准备。
新疆准南东煤矿安全生产应急指挥(管理)机构及救援设备装备情况表二零一七年新疆准南东煤矿安全生产应急指挥(管理)机构安全生产应急救援队伍基本情况表安全生产应急救援设备装备情况表重要救援装备也必须填写。
2、主要参数以生产产家的参数说明为准。
3、同一型号的同种装备应填写在同一张表中。
4、表格不够,可自行添加。
安全生产应急物资普查登记表用到的重要救援装备也必须填写。
2、主要参数以生产产家的参数说明为准。
3、同一型号的同种装备应填写在同一张表中。
4、表格不够,可自行添加。
安全生产应急救援设备装备情况表重要救援装备也必须填写。
2、主要参数以生产产家的参数说明为准。
3、同一型号的同种装备应填写在同一张表中。
4、表格不够,可自行添加。
安全生产应急救援设备装备情况表重要救援装备也必须填写。
2、主要参数以生产产家的参数说明为准。
3、同一型号的同种装备应填写在同一张表中。
4、表格不够,可自行添加。
安全生产应急救援设备装备情况表重要救援装备也必须填写。
2、主要参数以生产产家的参数说明为准。
3、同一型号的同种装备应填写在同一张表中。
4、表格不够,可自行添加。
安全生产应急救援设备装备情况表重要救援装备也必须填写。
2、主要参数以生产产家的参数说明为准。
3、同一型号的同种装备应填写在同一张表中。
4、表格不够,可自行添加。
安全生产应急救援设备装备情况表重要救援装备也必须填写。
2、主要参数以生产产家的参数说明为准。
3、同一型号的同种装备应填写在同一张表中。
4、表格不够,可自行添加。
安全生产应急物资普查登记表用到的重要救援装备也必须填写。
2、主要参数以生产产家的参数说明为准。
3、同一型号的同种装备应填写在同一张表中。
4、表格不够,可自行添加。
安全生产应急救援设备装备情况表重要救援装备也必须填写。
2、主要参数以生产产家的参数说明为准。
3、同一型号的同种装备应填写在同一张表中。
4、表格不够,可自行添加。
安全生产应急救援设备装备情况表重要救援装备也必须填写。
应急预案物质救援物质清单1、潜水泵(4台)----——————---—-———--——---—--------—————--—---—-——---———-—已配备;2、水带(6卷)————-———--—-——-—-—--——-——-—---—--——---—-—--—--—-——--——-———-—--已配备;3、氧气、乙炔、电焊机、焊接具(2台)———-——-—-———--———-————-—-已配备;4、钢丝绳、铁丝2分、8#(若干)--——-—----—已配备钢丝绳2捆、铁丝4捆;5、棉纱绳、白棕绳(2捆)—--—---------—-——-——-——-—-——------——--—-———-已配备;6、应急灯(4只)—--———--——--——-————-———-————-——-———-—-——----—-——————-—---已配备;7、照明箱动力箱(4个)—-—-—-—--——-—---———-—---—--—---------——-———--—-—已配备;8、小太阳(4只)——--—-———--—------—————-————-—--—---———-------——-—--—-—-—已配备;9、彩条布(3卷)——---—-———---——----——-————--—-----——----—--—-—---—-—-----已配备;10、蛇皮袋(100只)—-——-——--—--—----——--—--——-——--————-—-———-—--—---————已配备;11、绝缘雨鞋(4双)——---——---—-—---—-————-—--—--———--—-————-—-——-————-——已配备;12、绝缘手套(4付)-—------—————-----—--——--——------—————--——---—---——-—已配备;13、雨衣(10件)—-——————--——————--—-———-———-—————-—--——---—-——--——---—-——已配备;14、铁锹(10把)-—-——----——-—-———————-——----—-—-—-—--———-----—-—-—————---已配备;15、备用小汽车5座(1辆)——--————--—--——--——-————-—-———---—--————-已配备16、起重设备25T (1台)——---—-——---—-—--——--—-—————--————-——--—正在筹备配备中;17、医疗箱一只(包含人丹、消毒药水、医疗器材--——-——————---—--配备中;18、灭火器材———--——-—---——-—-———--———---—-—--——--——------—-—--——————-——-——-已配备;19、消防栓-————————-——-—-—--—-----—--——--—---————--————--—-—----————--—-————-—已配备;。