混凝土质量评定表.doc
- 格式:doc
- 大小:2.59 MB
- 文档页数:9
砼结构(模板)分项工程(安装)检验批质量验收评定记录表格说明主控项目:检查数量:第2、3项全数检查。
检查方法:第1项:检查模板设计。
第2项:对照模板设计文件和施工技术方案观察。
第3项:观察。
一般项目:检查数量:第1、2项:全数检查。
第3项:在同一检验批内,对梁,应抽查构件数量的10%,且不应少于3件;对板,应按有代表性的自然间抽查10%,且不少于3间;对大空间结构,板可按纵、横轴线划分检查面,抽查10%,且不少于3面。
第4项:在同一检验批内,对梁、柱和独立基础,应抽查构件数量的10%,且不少于3件;对墙和板,应按有代表性的自然间抽查10%,且不少于3间;对大空间结构,墙可按相邻轴线间高度5m左右划分检查面,板可按纵横轴线划分检查面,抽查10%,且均不少于3面。
第5项:在同一检验批内,对梁、柱和独立基础,应抽查构件数量的10%,且不少于3件;对墙和板,应按有代表性的自然间抽查10%,且不少于3间;对大空间结构,墙可按相邻墙可按相邻轴线间高度5m左右划分检查面,板可按纵横轴线划分检查面,抽查10%,且均不少于3面。
检查方法:第1、2项:观察。
第3项:水准仪或拉线、钢尺检查。
第4项:钢尺检查。
第5项:轴线位置,钢尺检查;底模板表面标高,水准仪或拉线、钢尺检查;截面内部尺寸,钢尺检查;层高垂直度,经纬仪或吊线、钢尺检查;相邻两板表面高低差,钢尺检查;表面平整度,2m靠尺和塞尺检查。
注:检查中心线位置、轴线位置时,应沿纵、横两个方向量测,并取其中较大值。
山西铝业监督站制砼结构(模板)分项工程(预制构件)检验批质量验收评定记录表格说明主控项目:检查数量:第1项:全数检查。
检查方法:第1项:观察。
一般项目:检查数量:第1、2项:全数检查。
第3项:在同一检验批内,对梁,应抽查构件数量的10%,且不应少于3件;对板,应按有代表性的自然间抽查10%,且不少于3间;对大空间结构,板可按纵、横轴线划分检查面,抽查10%,且不少于3面。
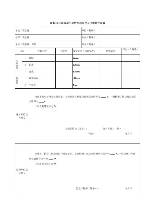
表1.5 混凝土单元工程质量评定表
表1.5 混凝土单元工程质量评定表
表1.5 混凝土单元工程质量评定表
表1.5 混凝土单元工程质量评定表
表1.5 混凝土单元工程质量评定表
表1.5 混凝土单元工程质量评定表
表1.5 混凝土单元工程质量评定表
表1.5 混凝土单元工程质量评定表
表1.5 混凝土单元工程质量评定表
表1.5 混凝土单元工程质量评定表
表1.5 混凝土单元工程质量评定表
表1.5 混凝土单元工程质量评定表
表1.5 混凝土单元工程质量评定表
表1.5 混凝土单元工程质量评定表
表1.5 混凝土单元工程质量评定表
表1.5 混凝土单元工程质量评定表
表1.5 混凝土单元工程质量评定表
表1.5 混凝土单元工程质量评定表
表1.5 混凝土单元工程质量评定表。
水泥混凝土路面单元工程质量评定表评定表——水泥混凝土路面单元工程质量
单位工程名称:
分部工程名称:
单元工程名称、部位:
项次检查项目:
1.路床(槽)面清理和处理(无路基填筑)
2.取样检验
3.路基
4.水泥、砂、碎石等原材料及混凝土配合比
5.摊铺、碾压施工方法和程序
6.施工缝
7.单元工程量
8.施工单位
9.评定日期年月日
质量标准检查记录:
路床(槽)面应清理至原状土质,填筑夯实,符合设计和规定要求。
表面无不合格土树根、草皮、乱石、水井泉眼、地质探坑等。
符合设计要求。
混凝土路面应满足设计要求和规范规定。
表面不应出现脱皮、蜂窝、裂纹、麻面、起砂和缺边掉角等病害现象。
检验面积内病害现象不超过0.3%。
施工缝应采用模板做堵头,留直槎,符合设计要求和规范规定。
宜采用切缝法施工,当混凝土达到设计强度的25%~30%时,采用切缝机进行切割,切割深度不应小于板厚的1/3.缝内应清洁、干燥,填缝料应与混凝土缝壁黏附紧密、灌平。
养护及时,混凝土表面保持湿润,符合设计要求和规范规定。
路肩宽度应+20~-10,路缘石宽度应+5~-5.纵、横坡不陡
于设计值,中线位移≤30,纵断高程+15~-15.
检测结果共检测点,其中合格点,合格率%。
主要检查项目全部符合质量标准,一般检查项目符合质量标准。
检测项目实测点,合格率%。
评定意见:单元工程质量等级合格。
施工单位:
评定日期年月日:
建设(监理)单位:。
一般混凝土工程评估表单元工程施工质量验收评估表(不划分工序)(一般混凝土)单元工程施工质量验收评估表(划分工序)表2.2.1 基础面处理施工质量原则表2.2.1—1 基础面处理施工质量验收评估表表2.2.1(续) 混凝土施工缝处理质量原则表2.2.1—2 混凝土施工缝处理质量验收评估表模板制作及安装施工质量验收评估表表4.3.2表钢筋制作及安装施工质量原则表—1 钢筋制作及安装施工质量验收评估表表—2钢筋连接施工质量原则(附讲解评估表)表—2钢筋连接施工质量原则评估表表—1 伸缩缝(填充材料)施工质量原则表—1 伸缩缝(填充材料)施工质量验收评估表表—2 排水系统施工质量原则表—2 排水系统施工质量验收评估表表—3冷却及灌浆管路施工质量原则(按上表描述)表—4 铁件施工质量原则表—4 铁件施工质量验收评估表(按上表描述)表-5 止水片(带)施工质量原则表—5 止水片(带)施工质量验收评估表表混凝土浇筑施工质量原则表混凝土浇筑施工质量验收评估表表外观质量原则表外观质量验收评估表碾压混凝土层面处理、缝面处理、模板制作及安装,预埋件、外观质量与一般混凝土部分基本相似,不在反复。
表B—10 -1 混凝土铺筑碾压施工质量原则表—1 混凝土铺筑碾压施工质量验收评估表—2 变态混凝土施工质量原则表B—10表—2 变态混凝土施工质量验收评估表表B—11 碾压混凝土成缝施工质量原则表碾压混凝土成缝施工质量验收评估表混凝土面板工程趾板混凝土评估与一般混凝土部分相似,不在反复。
表B—19 面板基面清理施工质量原则表面板基面清理施工质量验收评估表表B—20 滑膜制作及安装施工质量原则表滑膜制作及安装施工质量验收评估表表B—22—1 预埋件止水片(带)施工质量原则表—1 止水片(带)施工质量验收评估表表B—22—2 伸缩缝施工质量原则表—2 伸缩缝施工质量验收评估表(定性表述定数量测)表B—23 混凝土面板浇筑施工质量原则表混凝土面板浇筑施工质量验收评估表注混凝土面板外观质量评估同一般混凝土沥青混凝土表B—25 基座结合面处理及沥青混凝土结合层面处理施工质量原则表基座结合面处理及沥青混凝土结合层面处理施工质量验收评估表模板制作及安装施工质量原则同一般混凝土模板制作及安装施工质量验收评估表(同一般混凝土)表B—27 沥青混凝土旳铺筑施工质量原则表沥青混凝土旳铺筑施工质量验收评估表(同碾压砼坝)表B—28 沥青混凝土面板整平胶结层(含排水层)施工质量原则表沥青混凝土面板整平胶结层(含排水层)施工质量验收评估表表B—29 防渗层施工质量原则。