铟冶炼工艺流程图
- 格式:doc
- 大小:60.50 KB
- 文档页数:1
电解法提纯金属铟粗铟(>99%)因含较多的杂质,不能直接工业应用,需提纯至>99.995%的金属铟。
目前,国内普遍采用湿法电解予以提纯。
具体原理是:用钛板作阴极,粗铟铸板作阳极,插入硫酸铟溶液中并提供一定的整流电源,在电场的作用下,铟离子向阴极运动并获得电子而还原成金属铟,阳极上的粗铟在电解体系作用下失去电子向溶液释放,形成一定的电解平衡,一定时间后,将钛板上还原出的金属铟(>99.995%)取下,重熔铸锭成成品。
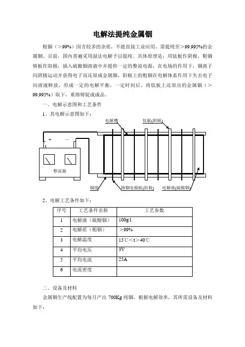
一、电解示意图和工艺条件2、电解工艺条件如下:二、设备及材料金属铟生产线配置为每月产出700Kg纯铟,根据电解效率,其所需设备及材料如下:三、操作过程(一)准备工作1、设备安装根据电解示意图将整流器和电解槽及铜排、接线安装就绪。
2、电解液制备将纯铟(>99.995%)用硫酸溶解,调整浓度和酸度后按一定量充入电解槽。
3、钛板(阴极)加工将铜管一边加工切槽,将钛板插入一边已切槽的铜管槽中,铆固好。
4、铸铟电极板(阳极)包装制作将前工段制取的粗铟放入搪瓷盆中,加入适量甘油,接通电炉加热,粗铟熔化后,用不锈钢杯(勺)勺取熔融金属铟至木模成型。
成型后铟板用滤纸包捆后放入滤布袋,将袋口系好。
(二)电解按一定次序将钛板和铸铟电极板放入电解槽中并支承在铜排上,接通整流器电源,并调整整流器输出的电流电压,经过一定时间(一般约1个星期)的电解后,钛板上会覆盖一层金属铟,此时关闭电源,停止电解,将钛板和废铸铟电极板从电解槽上取下,剥(取)出钛板上金属铟,放入搪瓷盆,在甘油保护下,接通电炉加热至熔化,然后用不锈钢杯(勺)勺取熔融金属铟至不锈钢模具中铸锭成型,最后进行包装。
废铸铟电极板放入水中,清洗滤布袋和滤纸,渣物(约占粗铟的五分之一)至前工段回收铟。
钛板和新铸铟电极板再次放入电解槽,进行下一周期电解作业。
电解液因夹带损耗需定期适当补充。
另粗铟中杂质不断释放至电解液中,当杂质积累至电解出金属铟质量不合格时,应更换电解液,正常生产情况下,每年需更换一次电解液,废电解液返至前工段回收铟。
电解法提纯金属铟粗铟(>99%)因含较多的杂质,不能直接工业应用,需提纯至>99.995%的金属铟。
目前,国内普遍采用湿法电解予以提纯。
具体原理是:用钛板作阴极,粗铟铸板作阳极,插入硫酸铟溶液中并提供一定的整流电源,在电场的作用下,铟离子向阴极运动并获得电子而还原成金属铟,阳极上的粗铟在电解体系作用下失去电子向溶液释放,形成一定的电解平衡,一定时间后,将钛板上还原出的金属铟(>99.995%)取下,重熔铸锭成成品。
一、电解示意图和工艺条件2、电解工艺条件如下:二、设备及材料金属铟生产线配置为每月产出700Kg纯铟,根据电解效率,其所需设备及材料如下:三、操作过程(一)准备工作1、设备安装根据电解示意图将整流器和电解槽及铜排、接线安装就绪。
2、电解液制备将纯铟(>99.995%)用硫酸溶解,调整浓度和酸度后按一定量充入电解槽。
3、钛板(阴极)加工将铜管一边加工切槽,将钛板插入一边已切槽的铜管槽中,铆固好。
4、铸铟电极板(阳极)包装制作将前工段制取的粗铟放入搪瓷盆中,加入适量甘油,接通电炉加热,粗铟熔化后,用不锈钢杯(勺)勺取熔融金属铟至木模成型。
成型后铟板用滤纸包捆后放入滤布袋,将袋口系好。
(二)电解按一定次序将钛板和铸铟电极板放入电解槽中并支承在铜排上,接通整流器电源,并调整整流器输出的电流电压,经过一定时间(一般约1个星期)的电解后,钛板上会覆盖一层金属铟,此时关闭电源,停止电解,将钛板和废铸铟电极板从电解槽上取下,剥(取)出钛板上金属铟,放入搪瓷盆,在甘油保护下,接通电炉加热至熔化,然后用不锈钢杯(勺)勺取熔融金属铟至不锈钢模具中铸锭成型,最后进行包装。
废铸铟电极板放入水中,清洗滤布袋和滤纸,渣物(约占粗铟的五分之一)至前工段回收铟。
钛板和新铸铟电极板再次放入电解槽,进行下一周期电解作业。
电解液因夹带损耗需定期适当补充。
另粗铟中杂质不断释放至电解液中,当杂质积累至电解出金属铟质量不合格时,应更换电解液,正常生产情况下,每年需更换一次电解液,废电解液返至前工段回收铟。
湿法炼锌生产中铟的富集实践郭天立 任益民(葫芦岛锌厂,葫芦岛,125003)摘 要 本文介绍了某湿法炼锌企业挥发窑氧化锌回收锌及铟的连续浸出工艺及生产实践,通过生产中的探索确定了最佳生产操作技术条件。
关键词 湿法炼锌 挥发窑氧化锌 综合回收 铟渣富集 湿法炼锌生产过程中,产出的各种烟尘、中间渣及溶液常含有多种有价金属,稀有金属铟便是其中之一。
铟伴生于锌精矿中,随着湿法炼锌生产过程的进行,锌精矿中的铟绝大部分进入浸出渣,并在挥发窑处理浸出渣时进入挥发窑氧化锌中。
通常挥发窑氧化锌含铟0.05%~0.09%,湿法炼锌生产中铟的综合回收,便是从挥发窑氧化锌的处理开始的。
1 传统的铟富集工艺在湿法炼锌生产过程中,传统的铟富集工艺便是传统的氧化锌浸出工艺。
我国的湿法炼锌厂,氧化锌浸出通常采用两段间断浸出,一段为中性浸出,一段为酸性浸出。
至于把中性浸出做为第一段还是把酸性浸出做为第一段,要视氧化锌中各种成份的组成及以提取哪种有价金属为主而定。
例如株洲冶炼厂,氧化锌的处理采用一段中性浸出和两段酸性浸出,生产多年,一直很顺畅。
其工艺流程见图1。
2 氧化锌连续浸出流程随着生产规模的扩大,为了减少设备,增大氧化锌处理能力,某企业采用了氧化锌连续浸出流程,其工艺流程见图2。
硫酸废电解液废电解液送矿粉系统氧化锌焙砂(送铅系统)滤液滤渣过滤中和底流上清液浓密高酸浸出In Ge Ga离心萃取滤液滤渣过滤上清液底流浓密低酸浸出滤渣滤液过滤底流上清液浓密中性浸出球磨图1 株洲冶炼厂ZnO浸出流程图氧化锌浸出槽7个,其中中浸槽4个,酸浸槽3个,单槽容积45m 3。
浸出槽采用阶梯形配置,利用槽与槽之间的高度差形成液位差保证浸出液的流动,槽内安装铅制缓冲筒,机械搅拌。
主要技术条件为: 浆化液固比:9~11∶1;中性浸出终点p H 值:5.0~5.2;中浸温度:60~70℃;中浸时间:1~1.5h ;酸浸温度:65~75℃;酸浸终点酸度:18~20g/L ;酸浸时间:8h 。
从含铟物料中提取铟一、概述我国工厂多用P204有机溶剂萃取法从冶炼中间产物中提取铟,其优点是:(一)P204对铟选择性较好,能从含铟很低的混合液中萃取铟。
(二)萃取富集倍率高达100倍以上。
(三)工艺简单,操作连续,便于实现自动化。
(四)铟的萃取回收率达高达96%~99%。
从竖罐炼锌的中间产物中回收铟的原料有1、焦结所产含铟氧化锌焦结过程中,铟随碳氢化合物燃而挥发进入氧化锌(含铟0.1%~0.2%,含锌50%~60%)中。
它是竖罐炼锌过程中数量最多、含铟品位较高的原料,约占铟总回收量的70%~80%。
2、镉系统酸浸液提镉原料中含有0.01%~0.008%的铟在中浸终点时水解,酸浸时进入酸浸液。
3、锌精馏过程副产的含铟粗铅锌精馏时,高沸点金属进入铅塔熔析炉,经熔析分离,铟富集于底层的粗铅中,含铟达0.5%~1.2%。
由于原料不同,制造萃取原液的方法也有所不同。
含铟氧化锌经酸浸、沉硅、过滤后即得萃取原液,提镉酸浸液经沉硅、过滤后即为萃取原液。
对含铟粗铅,则选经熔化,在750~800℃的温度下鼓风氧化,使铟呈氧化铟进入浮渣,用球磨机粉碎、过筛,所得粉状氧化铟以稀硫酸浸出得到硫酸铟溶液,再与氧化锌沉硅过滤后液合并。
图1为从竖罐炼锌中间产物中回收铟工艺流程实例。
图1 竖罐炼锌中间产物中回收铟工艺流程二、原料表1为竖罐炼锌的含铟中间产物成分实例。
三、技术操作条件(一)料液制备1、氧化锌浸出浸出可在机械搅拌槽内进行,采用一段酸性浸出,终点含酸20~30g/L。
氧化锌的主要成分是可溶性金属氧化物,易溶于稀硫酸溶液中,浸出率很高,渣率仅1%~5%,因此右浸出10个周期左右再排渣一次。
氧化锌浸出技术操作条件实例如下:温度85~95℃液固比(5~6)∶1始酸150~160g/L 终酸20~30g/L浸出时间2~3h 澄清时间3~4h2、沉硅氧化锌浸出液与镉酸浸液含二氧化硅(SiO2)都较高,而且波动范围很大。
实践中,原液含二氧化硅超过0.5g/L时,萃取过程中产生第三相。
高纯铟1.金属铟概述1.1 铟的性质铟(In)属于稀散金属,位于周期表ⅢA族,原子序数为49,相对原子质量为114.82,在地壳中含量与银相似,为1 x 10-5%;价数有+1和+3。
铟呈银白色,有强金属光泽,可塑性很大,延展性好,可以压延成极薄的铟片,莫氏硬度为1.2。
化学性质和铁相近,常温时不为空气所氧化,加热超过其熔点则迅速和氧、硫化合,无毒性。
铟可溶于各种浓度的盐酸、硫酸和硝酸等无机酸,致密的铟在沸水及某些碱液中不被腐蚀。
铟和溴在常温时即发生化合,加热时则可以与碘发生化合。
铟可以与多种金属生成合金。
应用形式为小锭或棒、丸、条、板、粒和单晶。
纯度分工业级和高纯度级(不纯物少于10×10-4%)。
表1为金属铟的主要物理性质。
表1 金属铟的主要物理性质性质参数性质参数密度(20℃)/g.cm-3 7.31 溶化热/Kj·mol-l 3.27熔点/℃ 156.6 汽化热/Kj·mol-l 232.4沸点/℃ 2075 热导率/W·mol-l 80.0平均比热容243 电阻率/uΩ·cm 8.8(0~lOO℃)/J.(kg·K)-11.2 铟的用途铟是一种多用途金属,是制造半导体、焊料、无线电工业、整流器和热电偶的重要材料,且随着科技的进步其应用范围在不断扩大,特别是在高科技领域,铟的应用具有广阔的前景,图4示出了铟的主要用途。
图 4 铟的用途A 易熔合金低熔点合金如伍德合金中每加1%的铟可降低熔点1.45℃,当加铟到19.1%时熔点可降到47℃。
铟基低熔点合金是作热信号及热控制器件的材料,主要用于弱电器件及光学工业中;在特殊电气真空仪器中作可动元件的特殊润滑剂;作自动消火栓;作异型薄管制弯曲处加工的固形充填物,而不发生如用砂时的易滑动、用树脂或铅的易断裂以及没有用树脂或铅时的难以清洗与清除之弊;利用含Bi大于55%的低熔点合金在凝固时的膨胀可充作安装难以固定的卡夹用材,或做珠宝加工的支撑夹具,便于精加工;无论作填充物或作夹具用,一旦加工完后,只需加热到其低熔点的温度时即可与主体分离,而低熔点合金仍可再用,类此还可作铸造模型的母型材用;作焊料,铟与锡的合金可作真空密封之用,如作玻璃-玻璃和玻璃-金属间的焊剂,In-Me远较Pb-Sn及Au-Sn优越,经登月舱在月球上着陆,查明了铟材在低温下的延展性十分可靠且不脆化与开裂;铟的二元、三元等低熔合金具有良好的高温抗伸强度及抗疲劳强度,常见的铟基低熔点合金见表2。
铟的生产工艺铟的提取工艺以萃取-电解法为主,这也是现今世界上铟生产的主流工艺技术。
其原则工艺流程是:含铟原料→富集→化学溶解→净化→萃取→反萃取→锌(铝)置换→海绵铟→电解精炼→精铟。
世界上铟产量的90%来自铅锌冶炼厂的副产物。
铟的冶炼回收方法主要是从铜、铅、锌的冶炼浮渣、熔渣及阳极泥中通过富集加以回收。
根据回收原料的来源及含铟量的差别,应用不同的提取工艺,达到最佳配置和最大收益。
常用的工艺技术有氧化造渣、金属置换、电解富集、酸浸萃取、萃取电解、离子交换、电解精炼等。
当前较为广泛应用的是溶剂萃取法,它是一种高效分离提取工艺。
离子交换法用于铟的回收,还未见工业化的报导。
在从较难挥发的锡和铜内分离铟的过程中,铟多数集中在烟道灰和浮渣内。
在挥发性的锌和镉中分离时,铟则富集于炉渣及滤渣内。
在ISP炼铅锌工艺中,精矿中的铟较大部分富集于粗锌精馏工序产出的粗铅中,回收富铟粗铅的铟,一直采用碱煮提铟工艺,存在生产能力小、生产成本高、金属回收率低等缺点。
为了简化铟的提取流程,降低生产成本,提高金属回收率,针对原有的提铟生产工艺,本项目通过条件试验、循环实验及综合试验,研究开发了“富铟粗铅电解-铅电解液萃铟”提取工艺,确定了新工艺的最佳工艺参数。
工艺流程为:粗铅熔化铸成极板,装入电解槽通电进行电解,阳极中的铟溶解进入电解液,当铟富集到一定浓度后,抽出电解液进行萃取、反萃,富铟反萃液经pH调节、置换、压团熔铸后得到粗铟。
分离提取铟的几种新技术:这些新技术使用的主要分离材料包括液膜、螯合树脂、浸渍树脂和微胶囊。
在合适的条件下,运用这些技术可对铟进行有效地分离回收。
这些新技术为分离回收铟提供了新的选择。
真空蒸发机镀铟的工艺流
真空蒸发机镀铟的工艺流程一般如下:
1. 准备工作:清洁和准备基材的表面,确保它没有任何油脂、污垢或氧化物。
2. 将基材放置在真空蒸发机的装载台上。
3. 将铟材料放置在真空蒸发机的炉子中,通常为一个石英舟或钨舟。
4. 开始真空抽气过程,使腔体内部的压力降到较低的水平,通常为10^-3或10^-4帕。
5. 开始加热炉子,使铟材料升温,直至达到其蒸发温度,通常为约150-200摄氏度。
炉子内的铟材料开始升华。
6. 铟蒸气通过热传递,到达基材表面并附着在其上。
基材受热可以促进沉积的均匀性和质量。
7. 控制沉积时间,以便得到所需的铟镀层厚度。
通常通过监测镀层生长速率或使用预设的时间来确定。
8. 镀层达到所需厚度后,关闭炉子加热源。
9. 停止真空抽气过程,将蒸镀机腔体的压力恢复到大气压。
10. 将镀好的基材取出,并进行必要的后续处理,如清洗或其他镀后处理步骤。
需要注意的是,以上流程仅为一般的示例,具体的工艺流程可能会因设备型号、材料性质等因素而有所不同。
硅片上的铟柱成球工艺
硅片上的铟柱成球工艺是一种制备球状铟结构的方法。
该工艺步骤如下:
1. 准备硅片和铟材料:首先准备一块干净的硅片和足够数量的铟材料。
2. 热源准备:准备一个热源,例如火炬或电炉。
3. 加热硅片:使用热源将硅片加热到一定温度,以使其表面形成薄的液态硅层。
4. 添加铟材料:当硅片达到一定温度时,将铟材料均匀地撒在硅片的表面上。
5. 热处理:继续加热硅片和铟材料,使铟材料熔化并与硅片表面相互作用。
6. 铟柱成球:在热处理过程中,铟材料会从硅片上形成小球状结构。
通过调控温度、时间和铟材料的厚度,可以控制铟球的大小和形状。
7. 冷却和固化:热处理结束后,将硅片冷却,使铟球固化在硅片上。
这样,通过硅片上的铟柱成球工艺,可以制备出具有一定形状和尺寸的铟球结构。
这种结构在材料科学、电子器件和纳米技术等领域具有广泛应用。
doi:xx.3969/j.issn.xxxx-7545.2xx 4.xx .xx 4熔盐电解法制备高纯铟高远,朱刘(xx先导稀材股份有限公司先进材料研究院,xxxx 5xx5xx)摘要:以还原ITO废料得到的铟锡合金为原料,氯化铟和氯化锌的混合盐为电解质,采用熔盐电解法经过两次电解,可以制备出纯度达到4N5的高纯铟,相对于湿法电解工艺,产率提高至少2倍,且工艺过程不产生废水。
关键词:高纯铟;熔盐电解;ITO废靶材;铟锡合金中图分类号:TN3xx.xx7 文献标志码:A 文章编号:xxxx-7545(2xx4)xx-0000-00Preparation of High-purity Indium by Molten Salt ElectrolysisGAO Y uan, ZHU Liu(Research Department of Advanced Materials, Guangdong First Rare Materials Co.Ltd., Qingyuan 51xxxx,Guangdong, China)Abstract:With indium-tin alloy scrap reducedfrom waste ITO target as raw material,mixed indium chloride and zinc chloride salt as electrolyte, indium with purity of 4N5 was prepared after twice electrolysis by molten salt electrolysis. In comparison with the conventional aqueous electrolysis, theproductivity of the process under study is improved at least twice with no waste water outlet.Keywords: high-purity indium; molten salt electrolysis; waste ITO target;indium-tin alloy高纯铟[1]主要用于发光二极管、激光管、液晶显示及液晶摄像管。
Q/ZYJ 株洲冶炼集团有限责任公司企业标准Q/ZYJ 05.01.12.04—2005代替Q/ZYJ 05.01.12.04—2004锌Ⅰ系统氧化锌浸出及铟锗富集工艺操作规程2005-09-05 发布2005-10-08 实施株洲冶炼集团有限责任公司发布Q/ZYJ 05.01.12.04—2005前言本标准是对Q/ZYJ 05.01.12.04—2004《锌Ⅰ系统氧化锌浸出及铟锗富集工艺操作规程》的修订。
编写规则符合GB/T1.1—2000《标准化工作导则第1部分:标准的结构和编写规则》的要求。
本标准从实施之日起,原Q/ZYJ 05.01.12.04—2004《锌Ⅰ系统氧化锌浸出及铟锗富集工艺操作规程》同时废止。
本标准由株洲冶炼集团有限责任公司产品与工艺技术标准化工作分会提出。
本标准由株洲冶炼集团有限责任公司标准化管理委员会办公室归口。
本标准起草单位:湖南株冶火炬金属股份有限公司锌浸出厂本标准主要起草人:易雄辉刘文敏袁建明本标准主要审核人:刘朗明陈爱国朱北平苗华磊肖康谷卫胜周新海唐守层唐凌本标准主要审编人:钟鸣谭仪文本标准批准人:王辉本标准1995年12月30日首次发布,2000年6月12日第一次修订。
IQ/ZYJ 05.01.12.04—2005 锌Ⅰ系统氧化锌浸出及铟锗富集工艺操作规程1 范围本标准规定了锌Ⅰ系统氧化锌浸出及铟锗富集工艺流程、基本原理、原材料质量要求、工艺操作条件、岗位操作法、产出物料及质量要求、主要技术经济指标和主要设备。
本标准适用于锌Ⅰ系统氧化锌浸出及铟锗富集工艺操作过程。
2 规范性引用文件下列文件中的条款通过本标准的引用而成为本标准的条款。
凡是注日期的引用文件,其随后所有的修改单(不包括勘误的内容)或修订版均不适用于本标准,然而,鼓励根据本标准达成协议的各方研究是否可使用这些文件的最新版本。
凡是不注日期的引用文件,其最新版本适用于本标准。
GB/T 13940 聚丙烯酰胺Q/ZYJ 04.02.05—2002 工业用布技术条件Q/ZYJ 06.05.01.04—2005 氧化锌焙砂Q/ZYJ 06.05.02.02—2005 氧化锌中性上清Q/ZYJ 06.05.02.07—2005 铟锗富集渣Q/ZYJ 06.05.02.12—2005 氧化锌浸出渣Q/ZYJ 06.05.02.13—2005 自用锌粉Q/ZYJ 06.05.03.02—2005 锌电解废液3工艺流程(见图1)4基本原理利用氧化锌作原料,采用浸出和置换等工艺,达到分离铅、锌和富集铟锗的目的。
(中南)铟的精炼是指除去原料铟中的一些杂质元素,而杂质中最难以除去的主要是镉、铊、锡、铅等,这是由于这四种元素的化学电位与铟的电位相近,必须通过控制电解液的组分进行精炼提纯。
区域熔炼法(周智华):由于铟具有较低的蒸气压,采用区域熔炼的方法,可使其它一些不能和铟起作用的杂质挥发,如分离B、Au、Ag、Ni 等。
尤其适合于铟汞齐精炼后的处理。
将汞齐电解后的铟置于涂炭的石英舟中,在温度600~700℃,真空度1.33×10-2~1.33×10-3Pa下,处理3~4 h,汞含量可降低至0.08μg/g。
但S、Se、Te等对铟具有更高的亲和力,不能用区域熔炼法分离。
电解法:化学电位比铟低的金属杂质沉积在阳极,成为阳极泥;而化学电位比铟高的金属,若将其浓度降低到足够低的程度,则残留在电解液中而不至沉积在阴极。
电解法按照电极状态的不同,可以分为2大类:液体铟汞齐电解法和固体铟阳极电解法。
而通常所说的电解精炼法是指固体铟阳极电解法。
铟汞齐电解法:由于铟在汞中有较大的溶解度(70.3%,铟的原子百分数),而其它杂质元素难溶于汞,故可用此法来精炼铟。
Gaumann最先提出用汞齐电解法精炼铟,发现该方法制得铟纯度高,但同时也发现该方法不能通过一次电解将杂质降低到需要的范围。
Козин采用阶梯式双性汞齐电极和点阴极的电解槽进行多次精炼,可使杂质含量进一步降低。
铟汞齐电解法的优点有:①使用铟汞齐电极,由于杂质扩散速度快,可避免电位较正的杂质在阳极表面累积。
②杂质元素有一部分不溶于汞,而铟能较好地溶于汞,在阳极过程中即电解汞齐时,铟又能和杂质较好分离。
③纯度比固体铟阳极电解法的纯度高。
但该法也有它的不足之处:①铟对汞具有高亲和性,导致难以除去汞。
②高温除汞造成产品容易被容器材料污染。
③必须利用一系列其他高纯试剂。
④汞具有毒性。
阳极铟电解法:由于铟中镉、铊电位与铟很接近,难以通过电解法将其除去,往往需对其进行预先纯化。