土力学习题及答案-第七章
- 格式:doc
- 大小:460.50 KB
- 文档页数:24
土力学习题及详细解答《土力学》习题绪论一、填空题1.就与建筑物荷载关系而言,地基的作用是荷载,基础的作用是荷载。
2.地基基础设计,就地基而言,应满足条件和条件。
3.土层直接作为建筑物持力层的地基被称为地基,埋深小于5m的基础被称为基础。
二、名词解释1.人工地基2.深基础3.基础4.地基第1章土的组成一、填空题1.若某土样的颗粒级配曲线较缓,则不均匀系数数值较,其夯实后密实度较。
2.级配良好的砂土是指不均匀系数≥且曲率系数为的土。
3.利用曲线可确定不均匀系数Cu;为了获得较大密实度,应选择Cu值较的土作为填方工程的土料。
4.能传递静水压力的土中水是水和水。
5.影响压实效果的土中气是与大气的气体,对工程性质影响不大的土中气是与大气的气体。
6.对于粒径小于0.075mm的颗粒分析应采用法,对于粒径大于0.075mm的颗粒分析应采用法。
7.粘性土越坚硬,其液性指数数值越,粘性土的粘粒含量越高,其塑性指数数值越。
8.小于某粒径土的质量占土总质量10%的粒径,称为粒径,小于某粒径土的质量占土总质量60%的粒径,称为粒径。
二、名词解释1.土的结构2.土的构造3.结合水4.强结合水5.颗粒级配三、单项选择题1.对工程会产生不利影响的土的构造为:(A)层理构造(B)结核构造(C)层面构造(D)裂隙构造您的选项()2.土的结构为絮状结构的是:粉粒碎石粘粒砂粒您的选项()3.土粒均匀,级配不良的砂土应满足的条件是(C U为不均匀系数,C C为曲率系数):C U< 5C U>10C U> 5 且C C= 1へ3C U< 5 且C C= 1へ3您的选项()4.不能传递静水压力的土中水是:毛细水自由水重力水结合水您的选项()第2章土的物理性质及工程分类一、填空题1.处于半固态的粘性土,其界限含水量分别是、。
2.根据塑性指数,粘性土被分为土及土。
3.淤泥是指孔隙比大于且天然含水量大于的土。
4.无粘性土根据土的进行工程分类,碎石土是指粒径大于2mm的颗粒超过总质量的土。
土力学习题集及详细解答《土力学》习题第1章土的组成一、填空题1.若某土样的颗粒级配曲线较缓,则不均匀系数数值较大,其夯实后密实度较大。
2.级配良好的砂土是指不均匀系数≥ 5 且曲率系数为 1~3 的土。
3.利用级配曲线可确定不均匀系数Cu;为了获得较大密实度,应选择Cu值较大的土作为填方工程的土料。
4.能传递静水压力的土中水是毛细水和重力水。
5.影响压实效果的土中气是与大气隔绝的气体,对工程性质影响不大的土中气是与大气连通的气体。
6.对于粒径小于0.075mm的颗粒分析应采用沉降分析法,对于粒径大于0.075mm的颗粒分析应采用筛分法。
7.粘性土越坚硬,其液性指数数值越小,粘性土的粘粒含量越高,其塑性指数数值越大。
8.小于某粒径土的质量占土总质量10%的粒径,称为有效粒径,小于某粒径土的质量占土总质量60%的粒径,称为限制粒径。
二、名词解释1.土的结构2.土的构造3.结合水4.强结合水5.颗粒级配三、单项选择题1.对工程会产生不利影响的土的构造为:(A)层理构造(B)结核构造(C)层面构造(D)裂隙构造您的选项( D )2.土的结构为絮状结构的是:(A)粉粒(B)碎石(C)粘粒(D)砂粒您的选项( C )3.土粒均匀,级配不良的砂土应满足的条件是(C U为不均匀系数,C C为曲率系数):(A)C U< 5(B)C U>10(C)C U> 5 且C C= 1へ3(D)C U< 5 且C C= 1へ3您的选项( A)4.不能传递静水压力的土中水是:(A)毛细水(B)自由水(C)重力水(D)结合水您的选项( D )第2章土的物理性质及工程分类一、填空题1.处于半固态的粘性土,其界限含水量分别是缩限、塑限。
2.根据塑性指数,粘性土被分为粘土及粉质粘土。
3.淤泥是指孔隙比大于 1.5 且天然含水量大于 W L 的土。
4.无粘性土根据土的颗粒级配进行工程分类,碎石土是指粒径大于2mm的颗粒超过总质量 50% 的土。
《土质学与土力学》习题集第一章习题一.填空题1.土粒粒径越,颗粒级配曲线越,不均匀系数越,颗粒级配越。
为了获得较大密实度,应选择级配的土粒作为填方或砂垫层的材料。
2.粘土矿物基本上是由两种原子层(称为品片)构成的,一种是,它的基本单元是Si—0四面体,另一种是,它的基本单元是A1—OH八面体。
3.土中结构一般分为、和三种形式。
4.衡量天然状态下粘性土结构性强弱的指标是,其定义是值愈大,表明土的结构性,受扰动后土的强度愈多。
5.土中主要矿物有、和。
它们都是由和组成的层状晶体矿物。
6.饱和细砂土和干细砂土都无法形成直立边坡,而非饱和细砂土则可以,这是因为在起作用。
二.选择题1.在毛细带范围内,土颗粒会受到一个附加应力。
这种附加应力性质主要表现为( )(A)浮力; (B)张力; (C)压力。
2.对粘性土性质影响最大的是土中的( )。
(A)强结合水; (B)弱结合水; (C)自由水; (D)毛细水。
3.砂类土的重要特征是( )。
(A)灵敏度与活动度; (B)塑性指数与液性指数;(C)饱和度与含水量; (D)颗粒级配与密实度。
4.土中所含“不能传递静水压力,但水膜可缓慢转移从而使土具有一定的可塑性的水,称为( )。
(A)结合水; (B)自由水; (C)强结合水; (D)弱结合水。
5.软土的特征之一是( )。
(A)透水性较好; (B)强度较好; (C)天然含水量较小; (D)压缩性较高。
6.哪种土类对冻胀的影响最严重?( )(A)粘土; (B)砂土; (C)粉土。
7.下列粘土矿物中,亲水性最强的是( )。
(A)高岭石; (B)伊里石; (C)蒙脱石8.对土粒产生浮力的是( )。
(A)毛细水; (B)重力水; (C)强结合水, (D)弱结合水。
(9)毛细水的上升,主要是水受到下述何种力的作用?( )(A)粘土颗粒电场引力作用; (B)孔隙水压力差的作用(C)水与空气交界面处的表面张力作用。
(10)软土的特征之一是( )。
第7章土的抗剪强度强度指标实质上是抗剪强度参数,也就是土的强度指标,为什么?所测定的抗剪强度指标是有变化的,为什么?极限平衡条件?粘性土和粉土与无粘性土的表达式有何不同?中某点剪应力最大的平面不是剪切破坏面?如何确定剪切破坏面与小主应力作用方向夹角?剪试验和三轴压缩试验的土样的应力状态有什么不同?并指出直剪试验土样的大主应力方向。
的抗剪强度可表达为,称为抗剪强度指标,抗剪强度指标实质上就是抗剪强度参数。
于同一种土,抗剪强度指标与试验方法以及实验条件都有关系,不同的试验方法以及实验条件所测得的抗剪强度指标是不同。
)土的极限平衡条件:即或衡状态时破坏面与大主应力作用面间的夹角为,且粘性土()时,或为在剪应力最大的平面上,虽然剪应力最大,但是它小于该面上的抗剪强度,所以该面上不会发生剪切破坏。
剪切破坏面与小剪试验土样的应力状态:;三轴试验土样的应力状态:。
直剪试验土样的大主应力作用方向与水平面夹剪试验三种方法和三轴压缩试验三种方法的异同点和适用性。
直剪试验三轴压缩试验试验方法试验过程成果表达试验方法试验过程成果表达快剪(Q-test, quick sheartest)试样施加竖向压力后,立即快速(0.02mm/min)施加水平剪应力使试样剪切,不固结不排水三轴试验,简称不排水试验(UU-test,unsolidation试样在施加围压和随后施加竖向压力直至剪切破坏的整个过程中都不允许排水,,undrained test)试验自始至终关闭排水阀门 固结快剪(consolidated quick shear test)允许试样在竖向压力下排水,待固结稳定后,再快速施加水平剪应力使试样剪切破坏,固结不排水三轴试验,简称固结不排水试验(CU-test,consolidation undrainedtest)试样在施加围压时打开排水阀门,允许排水固结,待固结稳定后关闭排水阀门,再施加竖向压力,使试样在不排水的条件下剪切破坏 ,慢剪(S-test, slowshear test)允许试样在竖向压力下排水,待固结稳定后,则以缓慢的速率施加水平剪应力使试样剪切,固结排水三轴试验,简称排水试验(CD-test,consolidationdrained test)试样在施加围压时允许排水固结,待固结稳定后,再在排水条件下施加竖向压力至试件剪切破坏,室内测定土的抗剪强度指标的常用手段一般是三轴压缩试验与直接剪切试验,在试验方法上按照排水条件又各自分为不固结不排水剪结排水剪与快剪、固结快剪、慢剪三种方法。
第一章:土的物理性质及工程分类名词解释1、土粒级配:是指土中各粒组的相对百分含量,或土中中各粒组占总质量的百分数。
2、不均匀系数:用来描述土粒的不均匀性大小的指标。
用公式表示 1060d d C u =3、曲率系数:用来反映颗分曲线的整体形状和细粒含量多少的指标。
用公式表示1060230)(d d d C c =4、液限:是指土体处于可塑态和流动态的界限含水率,用w l 表示。
5、塑限:是指土体处于可塑态和半固态的界限含水率。
用w p 表示。
6、塑性指数:表示粘性土呈可塑状态的含水率的变化范围,其大小等于液限与塑限的差值(去百分号)。
用公式表示100)(⨯-=p l p w w I7、液性指数:表征了粘性土的天然含水率和界限含水率之间的相对关系,用来区分天然土所处的状态。
用公式表示pppl p l I w w w w w w I -=--=8、最大干密度:在击实曲线中,当土的含水率增加到某一值时,干密度可以达到了最大值,这一干密度称为最大干密度,用ρdmax 表示。
9、最优含水率:在击实曲线中,当土的含水率增加到某一值时,干密度可以达到了最大值,这一含水率称为最优含水率,用w op 表示。
10、灵敏度:原状土的单轴抗压强度与重塑土的单轴抗压强度之比。
用公式表示uu t q q S =简答1、A 土样的孔隙比小于B 土样的孔隙比,那么A 土样一定比B 土样密实么?为什么? 答:不一定;如果对于同一种土来说,孔隙比的大小可以反映出土的密实程度;而对于不同土来说,仅仅用孔隙比是无法判断土的密实程度的,还与土样的物理性质有关。
2、什么是颗分试验?有几种方法?适用范围是什么?答:测定土体中各粒组的质量占总土重百分数,确定各粒径分布范围的试验。
常用方法有:筛分法,适用于粒径d ≥0.075mm 且P ≥90%的粗粒土;密度计法,适用于粒径d ≤0.075mm 且P ≥90%的细粒土。
对于粗细混合土可采用联合测定法。
《土力学》课后习题答案第一章1-1:已知:V=72cm3m=129.1g m s=121.5g G s=2.70则:129.1121.56.3%121.5ssm mwm--===3333 129.1*1017.9/72121.5452.77245271.0*27121.5*1020.6/72sssV ssat w V ssat satmg g KN mvmV cmV V V cmm V mg g g KN mV Vγρρργρ========-=-=++=====3320.61010.6/121.5*1016.9/72sat wsdsat dKN mmg KN mVγγγγγγγγ'=-=-===='>>>则1-2:已知:G s=2.72 设V s=1cm3则33332.72/2.722.72*1016/1.72.720.7*1*1020.1/1.720.11010.1/75%1.0*0.7*75%0.5250.52519.3%2.720.525 2.721.sssd ds V wwrw w V rwsw sg cmm gmg g KN mVm Vg g KN mVKN mm V S gmwmm mg gVργρργργγγργρ======++===='=-=-========++===当S时,3*1019.1/7KN m=1-3:3477777331.70*10*8*1013.6*1013.6*10*20%2.72*1013.6*10 2.72*10850001.92*10s d w s s wm V kg m m w kg m m V m ρρ======++==挖1-4: 甲:33334025151* 2.72.7*30%0.81100%0.812.70.811.94/10.8119.4/2.71.48/1.8114.8/0.81p L P s s s s w r wV ws w s w s d s w d d vsI w w V m V g m g S m V m m g cm V V g KN m m g cm V V g KN m V e V ρρργρργρ=-=-=======∴==++===++=====+====设则又因为乙:3333381 2.682.68*22%0.47960.47962.680.47962.14/10.47962.14*1021.4/2.681.84/1.47961.84*1018.4/0.4796p L p s s s s w s V s w s V s d s w d d VsI w w V m V g m m w g V cm m m g cm V V g KN m m g cm V V g KN m V e V ρργρργρ=-========++===++======+=====设则则γγ∴<乙甲 d d γγ<乙甲 e e >乙甲 p p I I >乙甲则(1)、(4)正确1-5:1s w d G eρρ=+ 则2.7*1110.591.7022%*2.7185%0.59s wds r G e wG S e ρρ=-=-====>所以该料场的土料不适合筑坝,建议翻晒,使其含水率降低。
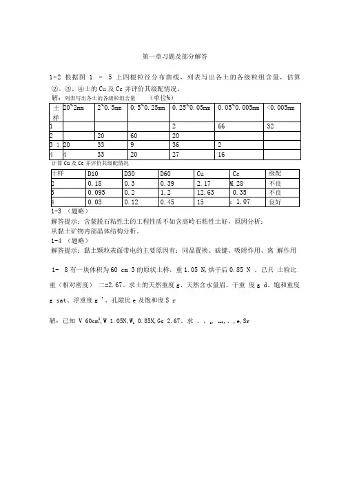
第一章习题及部分解答1-2根据图 1 - 5上四根粒径分布曲线,列表写出各土的各级粒组含量,估算②、③、④土的Cu及Cc并评价其级配情况。
解:列表写出各土的各级粒组含量(单位%)计算及并评价其级配情况1-3 (题略)解答提示:含蒙脱石粘性土的工程性质不如含高岭石粘性土好,原因分析:从黏土矿物内部晶体结构分析。
1-4 (题略)解答提示:黏土颗粒表面带电的主要原因有:同晶置换、破键、吸附作用、离解作用1-8有一块体积为60 cm 3的原状土样,重1.05 N,烘干后0.85 N 。
已只土粒比重(相对密度)二=2.67。
求土的天然重度g、天然含水量眉、干重度g d、饱和重度g sat、浮重度g '、孔隙比e及饱和度S r解:已知 V 60cm3,W 1.05N,W s 0.85N,Gs 2.67。
求,,d, sat,、,e,SrW/V 17.5kN/m3Ww/Ws 23.53%d Ws/V 14.1667kN/m3e wGs(1——)1 0.8470Gs e18 6609kN /3sat _ w i o.oou/ 11 io1 e、w 8.8609kN/m3satG s 74.174%Sre1-10某工地在填土施工中所用土料的含水量为5%,为便于夯实需在土料中加水,使其含水量增至15%,试问每1000 kg质量的土料应加多少水?1-11用某种土筑堤,土的含水量= 15 %,土粒比重G s = 2.67 。
分层夯实,每层先填0.5m,其重度等g = 16kN/ m3,夯实达到饱和度’’=85% 后再填下一层,如夯实时水没有流失,求每层夯实后的厚度。
1-12某饱和土样重0.40N,体积为21.5 cm3,将其烘过一段时间后重为0.33N,体积缩至15.7 cm 3 ,饱和度'■ = 75%,试求土样在烘烤前和烘烤的含水量及孔隙比和干重度。
解:已知烘烤前Sr=1 , W=0.4N, V=21.5cm3,烘过一段时间后W'=0.33N, V'=15.7cm3, Sr'=75%,求w w' e e'烘过一段时间后,失去水分重量0.07N,体积为0.07*1000/9.8=7.1429cm3 烘前Sr=1, Vv=Vw=21.5-Vs (1)烘后Sr=0.75=(Vw-7.1429)/(15.7-Vs) (2)由(1)、(2)求解出:Vs=10.3284cm3 Vw=11.1716cm3因此:烘前Ww=11.1716*9.8/1000=0.1095NWs=0.4-0.1095=0.2905NWw/Ws=37.6936%e=Vv/Vs=1.0816d Ws/V=13.5116kN/m3烘后Ww'=0.1095-0.07=0.0395NWw'/Ws=13.5972% e=Vv'/Vs=0.5201Ws/V'=18.5032kN/m31- 16 (题略) 解: 已知 WL=44%,Wp=28%, W=0.401N, Ws=0.264N 。
土力学习题及详细解答《土力学》习题绪论一、填空题1.就与建筑物荷载关系而言,地基的作用是承受荷载,基础的作用是传递荷载。
2.地基基础设计,就地基而言,应满足强度条件和变形条件。
3.土层直接作为建筑物持力层的地基被称为天然地基,埋深小于5m的基础被称为浅基础。
二、名词解释1.人工地基2.深基础3.基础4.地基第1章土的组成一、填空题1.若某土样的颗粒级配曲线较缓,则不均匀系数数值较大,其夯实后密实度较好。
2.级配良好的砂土是指不均匀系数≥ 5 且曲率系数为 1~3 的土。
3.利用级配曲线可确定不均匀系数Cu;为了获得较大密实度,应选择Cu值较大的土作为填方工程的土料。
4.能传递静水压力的土中水是毛细管水和重力水。
5.影响压实效果的土中气是与大气隔绝的气体,对工程性质影响不大的土中气是与大气联通的气体。
6.对于粒径小于0.075mm的颗粒分析应采用密度计法,对于粒径大于0.075mm的颗粒分析应采用筛分法。
7.粘性土越坚硬,其液性指数数值越小,粘性土的粘粒含量越高,其塑性指数数值越大。
8.小于某粒径土的质量占土总质量10%的粒径,称为有效粒径,小于某粒径土的质量占土总质量60%的粒径,称为控制粒径。
二、名词解释1.土的结构2.土的构造3.结合水4.强结合水5.颗粒级配三、单项选择题1.对工程会产生不利影响的土的构造为:(A)层理构造(B)结核构造(C)层面构造(D)裂隙构造您的选项( D )2.土的结构为絮状结构的是:粉粒碎石粘粒砂粒您的选项(C)3.土粒均匀,级配不良的砂土应满足的条件是(C U为不均匀系数,C C为曲率系数):C U< 5C U>10C U> 5 且C C= 1へ3C U< 5 且C C= 1へ3您的选项( A)4.不能传递静水压力的土中水是:毛细水自由水重力水结合水您的选项( D)第2章土的物理性质及工程分类一、填空题1.处于半固态的粘性土,其界限含水量分别是塑限、缩限。
第2章土的物理性质及分类1. 有一完全饱和的原状土样切满于容积为21.7cm3的环刀内,称得总质量为72.49g,经1 05℃烘干至恒重为61.28g,已知环刀质量为32.54g,土粒相对密度(比重)为2.74,试求该土样的湿密度、含水量、干密度及孔隙比(要求按三项比例指标定义求解)。
2. 某原状土样的密度为1.85g/cm 3、含水量为34%、土粒相对密度为2.71,试求该土样的饱和密度、有效密度和有效重度(先导得公式然后求解)。
3. 某砂土土样的密度为1.77g/cm3,含水量为9.8%,土粒相对密度为2.67,烘干后测定最小孔隙比为0.461,最大孔隙比为0.943,试求孔隙比和相对密度,判断该砂土的密实度。
4. 某一完全饱和粘性土试样的含水量为30%,土粒相对密度为2.73 ,液限为33%,塑限为17%,试求孔隙比、干密度和饱和密度,并按塑性指数和液性指数分别定出该粘性土的分类名称和软硬状态。
1.解:2.解:设土颗粒体积为1由得3.解:由因为1/3< SPAN>所以该砂土的密实度为中密。
4.解:由得因为10<I P=16<17,该粘性土应定名为粉质粘土;因为0.75<I L=0.81<1.0,所以该粘性土的状态为软塑。
第3章土的渗透性及渗流3. 某渗透装置如图3-3所示。
砂Ⅰ的渗透系数;砂Ⅱ的渗透系数;砂样断面积A=200,试问:(1)若在砂Ⅰ与砂Ⅱ分界面处安装一测压管,则测压管中水面将升至右端水面以上多高?(2)砂Ⅰ与砂Ⅱ界面处的单位渗流量q多大?4. 定水头渗透试验中,已知渗透仪直径,在渗流直径上的水头损失,在60s时间内的渗水量,求土的渗透系数。
一、简答题1地下水渗流时为什么会产生水头损失?水在土体中流动时,由于受到土粒的阻力,而引起水头损失。
并称单位体积土颗粒所受到的渗流作用力称为渗流力。
3.为什么室内渗透试验与现场测试得出的渗透系数有较大差别?3. 【答】室内试验和现场试验渗透系数有较大差别,主要在于试验装置和试验条件等有关,即就是和渗透系数的影响因素有关,详见上一题。
《土力学》第七章习题及答案《土力学》第七章习题及答案第7章土的抗剪强度一、填空题1.直剪试验一般分为剪、慢剪和剪三种类型。
2.若建筑物施工速度较慢,而地基土的透水性较大且排水良好时,可采用直剪试验的剪试验结果或三轴压缩试验的剪试验结果进行地基稳定分析。
3. 粘性土当采用三轴压缩试验的方法时,其抗剪强度包线为水平线。
二、名词解释1.无侧限抗压强度2.抗剪强度三、单项选择题1.由直剪实验得到的抗剪强度线在纵坐标上的截距、与水平线的夹角分别被称为:(A)粘聚力、内摩擦角(B)内摩擦角、粘聚力(C)有效粘聚力、有效内摩擦角(D)有效内摩擦角、有效粘聚力您的选项()2.固结排水条件下测得的抗剪强度指标适用于:(A)慢速加荷排水条件良好地基(B)慢速加荷排水条件不良地基(C)快速加荷排水条件良好地基(D)快速加荷排水条件不良地基您的选项()3.当摩尔应力圆与抗剪强度线相离时,土体处于的状态是:(A)破坏状态(B)安全状态(C)极限平衡状态(D)主动极限平衡状态您的选项()4.某土样的排水剪指标Cˊ=20 kPa,?ˊ=30?,当所受总应力σ1=500kPa,σ3=120kPa时,土样内尚存的孔隙水压力u=50kPa,土样所处状态为:(A)安全状态(B)破坏状态(C)静力平衡状态(D)极限平衡状态您的选项()5.某土样的粘聚力为10KPa,内摩擦角为300,当最大主应力为300KPa,土样处于极限平衡状态时,最小主应力大小为:(A)88.45KPa(B)111.54KPa(C)865.35KPa(D)934.64KPa您的选项()6.分析地基的长期稳定性一般采用:(A)固结排水实验确定的总应力参数(B)固结不排水实验确定的总应力参数(C)不固结排水实验确定的有效应力参数(D)固结不排水实验确定的有效应力参数您的选项()7.内摩擦角为100的土样,发生剪切破坏时,破坏面与最大主应力方向的夹角为:(A)400(B)500(C)800(D)1000您的选项()8.根据三轴试验结果绘制的抗剪强度包线为:(A)一个摩尔应力圆的切线(B)一组摩尔应力圆的公切线(C)一组摩尔应力圆的顶点连线(D)不同压力下的抗剪强度连线您的选项()9.现场测定土的抗剪强度指标采用的实验方法是:(A)三轴压缩试验(B)标准贯入试验(C)平板载荷试验(D)十字板剪切试验您的选项()10.某饱和粘土进行三轴不固结不排水剪切试验,得到的抗剪强度指标C、?大小为:(A) C= 0.5(σ1-σ3)、?=00(B) C= 0.5(σ1-σ3)、?>00(C) C =0.5(σ1+σ3)、?=00(D) C =0.5(σ1+σ3)、?>00您的选项()第7章土的抗剪强度一、填空题1.快、固结快2.慢、固结排水3.饱和、不固结不排水二、名词解释1.无侧限抗压强度:在不施加任何周围压力的情况下,施加垂直压力,直到试样剪切破坏为止,剪切破坏时试样所能承受的最大轴向压力。
《土力学》作业答案 第一章1—1根据下列颗粒分析试验结果,作出级配曲线,算出Cu 及Cv 值,并判断其级配情况是否良好。
解: 级配曲线见附图。
小于某直径之土重百分数%土粒直径以毫米计习题1-1 颗粒大小级配曲线由级配曲线查得:d 60=0.45,d 10=0.055,d 30=0.2;18.8055.045.01060===d d C u 62.1055.045.02.026010230=⨯==d d d C cC u >5,1<C c <3;故,为级配良好的土。
(2)确定不均匀系数Cu 及曲率系数Cv ,并由Cu 、Cv 判断级配情况。
解:土粒直径以毫米计小于某直径之土重百分数%习题1-2 颗粒大小级配曲线1—3某土样孔隙体积等于颗粒体积,求孔隙比e 为若干? 若Gs=2.66,求ρd =? 若孔隙为水所充满求其密度ρ和含水量W 。
解:111===s v V V e ; /33.1266.2g V M s d ===ρ.12166.2V M M w s =+=+=ρ%6.3766.21===s w M M ω。
1—4在某一层土中,用容积为72cm 3的环刀取样,经测定,土样质量129.1g ,烘干后质量121.5g ,土粒比重为2.70,问该土样的含水量、密度、饱和密度、浮密度、干密度各是多少?解:3457.25.121cm G MV s ss ===;✞3274572cm V V V s V =-=-=;%26.60626.05.1215.1211.129==-==s w M M ω; 3/79.1721.129cm g V M ===ρ; 3/06.2722715.121cm g V V M v w s sat =⨯+=+=ρρ;3/06.1724515.121'cm g V V M s w s =⨯-=-=ρρ;[或3/06.1106.2'cm g w sat =-=-=ρρρ];3/69.1725.121cm g V M s d ===ρ。
土力学习题答案第七章
土力学习题答案第七章:深基坑支护设计与施工
深基坑支护是土力学中一个重要的课题,它涉及到地下工程中的安全和稳定性问题。
在地下工程中,深基坑支护设计与施工是非常关键的环节,它直接关系到工程的质量和安全。
在深基坑支护设计与施工中,需要考虑的因素有很多,比如地质条件、地下水情况、周围建筑物的影响等。
在设计阶段,需要进行详细的地质勘察和分析,以确定地下水位、土层性质、地下岩体情况等,从而选择合适的支护结构和施工方案。
在施工阶段,需要严格按照设计要求进行操作,确保支护结构的稳定性和安全性。
同时,需要加强监测和控制,及时发现并处理施工中的问题,确保工程的顺利进行。
深基坑支护设计与施工是一个复杂的过程,需要多方面的专业知识和经验。
只有充分考虑各种因素,科学合理地设计和施工,才能保证地下工程的安全和稳定性。
在今后的工程实践中,我们需要不断总结经验,加强技术研究,提高深基坑支护设计与施工的水平,为地下工程的发展做出更大的贡献。
希望通过我们的努力,能够建造更加安全可靠的地下工程,为社会发展做出更大的贡献。
土力学习题集及详细解答《土力学》习题二、名词解释1.人工地基2.深基础3.基础4.地基第1章土的组成一、填空题二、名词解释1.土的结构2.土的构造3.结合水4.强结合水5.颗粒级配三、单项选择题第一章土的组成二、名词解释1.土的结构:土粒或土粒集合体的大小、形状、相互排列与联结等综合特征。
2.土的构造:在同一土层剖面中,颗粒或颗粒集合体相互间的特征。
3.结合水:受电分子引力吸附于土粒表面的土中水。
4.强结合水:紧靠土粒表面的结合水膜。
5.颗粒级配:土中各个粒组的相对含量。
第二章土的物理性质及工程分类二、名词解释2.可塑状态:当粘性土含水量在某一围时,可用外力塑成任何形状而不发生裂纹,并当外力移去后仍能保持既得的形状,这种状态称为可塑状态。
4.土的湿陷性:在一定压力作用下,受水浸湿后土的结构迅速破坏而发生显著附加下陷的特性。
5.土的天然稠度:原状土样测定的液限和天然含水量的差值与塑性指数之比。
6.触变性:饱和粘性土的结构受到扰动,导致强度降低,当扰动停止后,抗剪强度随时间恢复的胶体化学性质。
第8章土压力一、填空题1.计算车辆荷载引起的土压力时,∑G应为挡土墙的长度与挡土墙后填土的长度乘积面积的车轮重力。
2.产生于静止土压力的位移为,产生被动土压力所需的微小位移超过产生主动土压力所需的微小位移。
二、名词解释1.被动土压力2.主动土压力三、单项选择题1.挡土墙后填土的摩擦角φ、聚力C大小不同,对被动土压力E P大小的影响是:(A)φ越大、C越小,E P越大(B)φ越大、C越小,E P越小(C)φ、C越大,E P越大(D)φ、C越大,E P越小您的选项()2.朗肯土压力理论的适用条件为:(A)墙背光滑、垂直,填土面水平(B)墙背光滑、俯斜,填土面水平(C)墙后填土必为理想散粒体(D)墙后填土必为理想粘性体您的选项()3.均质粘性土被动土压力沿墙高的分布图为:(A)矩形(B)梯形(C)三角形(D)倒梯形您的选项()4.某墙背光滑、垂直,填土面水平,墙高6m,填土为摩擦角ϕ=300、粘聚力C=8.67KPa、重度γ=20KN/m3的均质粘性土,作用在墙背上的主动土压力合力为:(A)60KN/m(B)75KN/m(C)120KN/m(D)67.4KN/m您的选项()5.某墙背倾角α为100的仰斜挡土墙,若墙背与土的摩擦角δ为100,则主动土压力合力与水平面的夹角为:(A)00(B)100(C)200(D)300您的选项()6.某墙背倾角α为100的俯斜挡土墙,若墙背与土的摩擦角δ为200,则被动土压力合力与水平面的夹角为:(A)00(B)100(C)200(D)300您的选项()7.某墙背直立、光滑,填土面水平的挡土墙,高4m,填土为摩擦角ϕ=200、粘聚力C=10KPa、重度γ=17KN/m3的均质粘性土,侧向压力系数K0=0.66。
7-1 某挡土墙高6m,填土ψ=34°,c=0,γ=19kN/m3,填土面水平,顶面均布荷载q =10kPa,试求主动土压力及作用位置。
解7-2 某挡土墙,墙背填土为砂土,试用水土分算法计算主动土压力和水压力。
解7-3 某挡土墙,墙高5m,墙背倾角10°,填土为砂,填土面水平β=0,墙背摩擦角δ=15°,γ=19kN/m3,ψ=30°,c=0,试按库仑土压力理论和朗肯土压力理论计算主动土压力。
解(1)按库仑土压力理论计算α=80°,β=0,δ=15°,η=0,ψ=30°,K q=1主动土压力系数(2)按朗肯土压力理论计算朗肯主动土压力适用于墙背竖直(墙背倾角为0)、墙背光滑(δ=0)、填土水平(β=0)的情况。
该挡土墙,墙背倾角为10°,δ=15°,不符合上述情况。
现从墙脚B作竖直线BC,用朗肯主动土压力理论计算作用在BC面上的主动土压力。
近似地假定作用在墙背AB 上的主动土压力为朗肯主动土压力正。
与土体ABC重力G的合力。
作用在BC上的朗肯主动土压力土体ABC的重力作用在AB上的合力E合力E与水平面夹角θ7-4 某拱桥,高6m,土层分布和土指标如图所示,试计算墙背静止土压力和被动土压力(K0=0.5)。
解(1)静止土压力计算a点σ0=0b点σ0=K0γh=0.5×18×4=36kPa6点黏土顶面σ0=0.5×18.0×4=36kPac点σ0=0.5×(γ1h1+γ2h2)=0.5×(18×4+17.5×2)=0.5×107=53.5kPa(2)被动土压力计算7-5 某挡土墙高12m,试计算主动土压力。
解将地面均布荷载换算成填土的当量土层厚度。
a点土压力强度e a=γhK a1=20×2.5×0.333=16.65kPab点土压力强度e b1=γhK a1=20×(2.5+2.0)×0.333=29.97kPab点水位处土压力强度e b2=20×(2.5+2.0)×0.39=35.1kPac点土压力强度e c=(q+γ1h1+γ2h2)×K a2=(50+20×2+10×10)×0.39=74.1kPab点水压力强度e bw=0c点水压力强度e cw=γw h=10×10=100kPa总压力E=E a+E w=592.6+500=1092.6kN/m7-6 某挡土墙高6m,试计算墙所受到的主动土压力。
第一章土的物质成分与结构1.在一土样中,小于1mm的颗粒占98%,小于0.1mm的占59%,小于0.01mm的占24%,小于0.001mm 的占11%。
绘出粒度累积曲线,并求有效粒径及不均匀系数。
2.什么是有效粒径?它是依据什么定义的?试根据经验公式k=d102,式中k为渗透系数(cm/s),d10为有效粒径(mm),估算《土质学与土力学》中土样B、D的渗透系数。
3.筛析法和沉降法测得的粒径在概念上有和区别?4.从结晶结构差异性,说明由蒙脱石、伊利石和高岭石类粘土矿物在一系列工程性质的差异性。
5.什么是双电层、扩散层?从影响扩散层厚度变化的因素和离子交换讨论改善粘性土土质的可能性。
6.用简图表示由蒙脱石组成的土中的水的类型,并说明其中各种水对土的性质的影响。
7.区分下列两组概念:(1)粘粒、粘土矿物、粘土;(2)毛细水、毛细现象。
8.从粘性土的结构特点说明其重塑后为何强度降低?强度降低的程度用何指标度量?9.取50g小于0.075mm土样,作沉降分析,用比重计在深度100mm处经过51.6分钟测得的密度为1.0078g/cm3。
求测点处的粒径及该粒径的累计百分含量。
(ρs=2.65g/cm3,V=1000ml,η=0.001Pa.sec)第二章土的物理性质1.用100ml比重瓶测定土的比重,瓶质量20g,瓶和干土质量35g,水充满比重瓶刻度时土样、瓶、水总质量为129.5g(20°C),比重瓶只充满水时质量为120g,求Gs。
2.由环刀中取出的饱水粘土试样的总质量为152.6g,干土质量为105.3g,固体颗粒的比重为2.7。
确定这个试样的含水量、孔隙比、孔隙度和重力密度。
3.有一密度为1.54g/cm3,含水量为80%的饱和土试样,试求此试样的孔隙比和土粒比重(提示:可用三相图求解,可假设Vs=1)。
4.试求含水量35.6%的土饱和度分别为28%和65%的孔隙比(土粒比重为2.65)。
习题第一章 土的物理性质及工程分类选择题1.土颗粒的大小及其级配,通常是用颗粒级配曲线来表示的。
级配曲线越平缓表示: A .土颗粒大小较均匀,级配良好 B.土颗粒大小不均匀,级配不良 C. 土颗粒大小不均匀,级配良好2.作为填土工程的土料,压实效果与不均匀系数u C 的关系:A .u C 大比u C 小好 B. u C 小比u C 大好 C. u C 与压实效果无关3.有三个同一种类土样,它们的含水率w 都相同,但是饱和度r S 不同,饱和度r S 越大的土,其压缩性有何变化?A.压缩性越大B. 压缩性越小C. 压缩性不变4.有一非饱和土样,在荷载作用下,饱和度由80%增加至95%。
试问土样的重度γ和含水率w 怎样改变?A .γ增加,w 减小 B. γ不变,w 不变 C. γ增加,w 增加 5.土的液限是指土进入流动状态时的含水率,下述说法哪种是对的? A .天然土的含水率最大不超过液限 B. 液限一定是天然土的饱和含水率C. 天然土的含水率可以超过液限,所以液限不一定是天然土的饱和含水率 判断题6.甲土的饱和度大与乙土的饱和度,则甲土的含水率一定高于乙土的含水率7.粘性土的物理状态是用含水率表示的,现有甲、乙两种土,测得它们的含水率乙甲w w ,则可以断定甲土比乙土软8.土的液性指数L I 会出现L I >0或L I <0的情况 9.土的相对密实度r D 会出现r D >1或r D <1的情况 10.土的天然重度越大,则土的密实性越好 计算题11.击实试验,击实筒体积1000cm 2,测得湿土的质量为1.95kg ,取一质量为17.48kg 的湿土,烘干后质量为15.03kg ,计算含水率w 和干重度d r 。
12.已知某地基土试样有关数据如下:①天然重度r =18.4 kN/m 3,干密度d r =13.2 kN/m 3;②液限试验,取湿土14.5kg ,烘干后质量为10.3kg ;③搓条试验,取湿土条5.2kg ,烘干后质量为4.1kg ,求(1)土的天然含水率,塑性指数和液性指数;(2)土的名称和状态。
第7章土的抗剪强度指标实质上是抗剪强度参数,也就是土的强度指标,为什么?定的抗剪强度指标是有变化的,为什么?平衡条件?粘性土和粉土与无粘性土的表达式有何不同?点剪应力最大的平面不是剪切破坏面?如何确定剪切破坏面与小主应力作用方向夹角?验和三轴压缩试验的土样的应力状态有什么不同?并指出直剪试验土样的大主应力方向。
验三种方法和三轴压缩试验三种方法的异同点和适用性。
系数A、B的物理意义,说明三轴UU和CU试验中求A、B两系数的区别。
土等建筑材料相比,土的抗剪强度有何特点?同一种土其强度值是否为一个定值?为什么?强度的因素有哪些?剪应力面是否就是剪切破裂面?二者何时一致?同的试验方法会有不同的土的强度,工程上如何选用?土的抗剪强度表达式有何不同?同一土样的抗剪强度是不是一个定值?为什么?度指标是什么?通常通过哪些室内试验、原位测试测定?验按排水条件的不同,可分为哪几种试验方法?工程应用时,如何根据地基土排水条件的不同,选择土的抗剪强度指标?的优缺点。
【三峡大学2006年研究生入学考试试题】坏的极限能力称为土的________。
剪强度来源于___________。
力极限平衡状态时,剪裂面与最大主应力作用面的夹角为。
剪强度库仑定律的总应力的表达式,有效。
度指标包括、。
量越大,其内摩擦角越。
,,该点最大剪应力值为,与主应力的夹角为。
土,若其无侧限抗压强度为,则土的不固结不排水抗剪强度指标。
,,该点最大剪应力作用面上的法向应力为,剪应力为某点应力状态的莫尔应力圆处于该土的抗剪强度线下方,则该点处于____________状态。
2005年招收硕士学位研究生试题】排水条件可分为、、三种。
截面与大主应力作用面的夹角为。
摩尔应力圆与抗剪强度包线相切,表示它处于状态。
力(大于、小于、等于)零。
点应力状态的莫尔应力圆与抗剪强度包线相切,则表明土中该点()。
面上的剪应力都小于土的抗剪强度面上的剪应力超过了土的抗剪强度点所代表的平面上,剪应力正好等于抗剪强度应力作用面上,剪应力正好等于抗剪强度剪切破坏时,破裂面与小主应力作用面的夹角为()。
(B)(C) (D)剪切破坏时,破裂面与大主应力作用面的夹角为()。
(B)(C) (D)征之一是()。
(B)孔隙比(C)灵敏度较高(D)粘聚力的抗剪强度的因素中,最重要的因素是试验时的()。
(B)剪切速率(C)应力状态(D)应力历史确的是()度与该面上的总正应力成正比度与该面上的有效正应力成正比发生在最大剪应力作用面上主应力作用面的夹角为不排水抗剪强度等于其无侧限抗压强度试验的()。
(B)1倍(C)1/2倍(D)1/4倍度可用()测定。
试验(B)室内压缩试验(C)标准贯入试验(D)十字板剪切试验抗剪强度指标()。
有关(B)与基础宽度有关剪切速率无关(D)与土中孔隙水压力是否变化无关抗压强度试验可以测得粘性土的()。
(B)和(C)和(D)和坏通常是由于()。
于土的抗压强度所致度过低所致剪应力达到土的抗剪强度所致力作用面上发生剪切破坏所致现场原位进行的。
试验(B)无侧限抗压强度试验切试验(D)三轴压缩试验验的主要优点之一是()。
制排水条件(B)能进行不固结不排水剪切试验简单(D)试验操作简单强度试验属于()。
排水剪(B)固结不排水剪(C)固结排水剪(D)固结快剪试验属于()。
排水剪(B)固结不排水剪(C)固结排水剪(D)慢剪试验常用于测定()的原位不排水抗剪强度。
(B)粉土(C)粘性土(D)饱和软粘土快.地基土的透水性低且排水条件不良时,宜选择()试验。
排水剪(B)固结不排水剪(C)固结排水剪(D)慢剪验在不同排水条件下得到的内摩擦角的关系是()。
(B)(D)样进行无侧限抗压强度试验,测得其无侧限抗压强度为40kPa,则该土的不排水抗剪强度为()。
(B)20kPa(C)10kPa(D)5kPa剪切试验得到的强度与室内哪一种试验方法测得的强度相当?()(B)固结快剪(C)快剪过程中,其应力-应变曲线具有峰值特征的称为()。
型(B)加工硬化型(C)塑性型样的三个饱和试样进行三轴不固结不排水剪切试验,其围压分别为50、100、150kPa,最终测得的强度有何区别?()。
强度越大孔隙水压力越大,强度越小,强度相似一个松砂饱和试样,进行三轴不固结不排水剪切试验,试问破坏时试样中的孔隙水压力有何差异?()(B)松砂大(C)密砂大,正确的是()。
度破坏是由于土中某点的剪应力达到土的抗剪强度所致生强度破坏时,破坏面上的剪应力达到最大值剪强度就是土体中剪应力的最大值土和无粘性土具有相同的抗剪强度规律,正确的是()。
剪强度包线与摩尔应力圆相离时,土体处于极限平衡状态剪强度包线与摩尔应力圆相切时,土体处于弹性平衡状态剪强度包线与摩尔应力圆相割时,说明土体中某些平面上的剪应力超过了相应面的抗剪强度剪强度包线与摩尔应力圆相离时,土体处于剪坏状态中,实际土样剪切面上的正应力:不变(B)逐渐减小(C)逐渐增大接剪切试验的叙述中,正确的是()。
沿最薄弱的面发生剪切破坏(B)剪切面上的剪应力分布不均匀面上的剪应力分布均匀(D)试验过程中,可测得孔隙水压力质上是土的抗剪强度,下列有关抗剪强度的叙述正确的是()。
的抗剪强度是由内摩擦力和粘聚力形成的、粘性土的抗剪强度是由内摩擦力和粘聚力形成的的抗剪强度是由内摩擦力形成的向应力一定的条件下,土的粘聚力越大,内摩擦力越小,抗剪强度愈大轴压缩试验的叙述中,错误的是()。
压缩试验能严格地控制排水条件压缩试验可量测试样中孔隙水压力的变化过程中,试样中的应力状态无法确定,较复杂面发生在试样的最薄弱处,最小主应力方向和破裂面的夹角为(B) (C)强度试验适用于()的抗剪强度指标的测定。
(B)粘性土(C)粉土(D)饱和粘性土的抗剪强度指标()。
水条件无关(B)与排水条件有关中孔隙水压力的变化无关(D)与试验时的剪切速率无关粘性土抗剪强度表达式为:几项中,全部是土的抗剪强度指标的是()。
(B)σ、(C)c、ϕ(D)σ、ϕ的饱和软粘性土层上修建筒仓建筑时,对土的抗剪强度宜采用()(B)固结不排水剪(C)排水剪三轴不排水试验中,围压越大,则测出的不排水强度()。
(B)越小(C)不变的破坏面在上下剪切盒之间,三轴试验土样的破坏面?()【湖北工业大学2005年招收硕士学位研究生试卷】面夹角呈面(B)与试样顶面夹角呈面夹角呈的不固结不排水强度主要取决于()【三峡大学2006年研究生入学考试试题】小(B)土的原有强度(C)孔隙压力系数大小(D)偏应力大小题的优点是可以严格控制排水条件,而且设备简单.操作方便。
度由摩擦力和粘聚力两部分组成。
验不能用来测定软粘土的灵敏度。
,常用无侧限抗压强度试验代替三轴仪不固结不排水剪切试验。
实质上就是土的抗剪强度问题。
,代表土中某点应力状态的莫尔应力圆不可能与抗剪强度包线相割。
于不排水状态时,可认为土的抗剪强度为一定值。
,试验时的剪切速率是影响土体强度的最重要的因素。
面成的平面上剪应力最大,故该平面总是首先发生剪切破坏。
主应力作用线的夹角为。
原状土样的土类,如在自重作用下不能保持原形的软粘土,其抗剪强度的测定应采用现场原位测试的方法进行。
快的砂土地基,宜采用三轴仪不固结不排水试验或固结不排水试验的强度指标作相关的计算。
水剪切试验得到的指标称为土的不排水抗剪强度。
态的砂土常根据标准贯入试验锤击数按经验公式确定其内摩擦角。
抗剪强度指标,,问当地基中某点的大主应力,而小主应力为多少时,该点刚好发生剪切破坏强度指标,,若作用在土中某平面上的正应力和剪应力分别为.,问该平面是否会发生进行三轴固结排水剪切试验,测得试样破坏时的主应力差,周围压力,试求该砂土的抗剪强度指标试样在三轴仪中进行固结不排水试验,施加周围压力,试样破坏时的主应力差,测得孔隙水压力效应力强度指标.。
问:(1)破坏面上的法向应力和剪应力以及试样中的最大剪应力为多少?(2)为什么试而不发生在最大剪应力的作用面?和粘性土样在三轴仪中进行固结不排水剪切试验,试件在周围压力作用下,当通过传力杆施加的竖向压力达到20中的孔隙水压力。
试求土地有效粘聚力和有效内摩擦角.破坏面上的有效正应力和剪应力。
.,承受大主应力.小主应力的作用,测得孔隙水压力,试判断土样是否达到极试样进行固结不排水剪切试样,施加的周围压力,试样破坏时的主应力差。
已知土的粘聚力明为什么试样的破坏面不发生在最大剪应力的作用面?层中取出土样加工成三轴试样,由固结不排水试验得,。
若对同样的土样进行不固结不排水试验,当试样放入压力,然后关闭排水阀,施加周围压力,随后施加竖向压力至试样破坏,测得破坏时的孔隙压力系数,求此数为,强度指标,。
若作用在土样上的大小主应力分别为和,问该土样是否破坏样能经受的最大主应力为多少?一点的大主应力为,地基土的粘聚力和内摩擦角分别为和。
求该点的抗剪强度。
土样,已知土的抗剪强度指标为,;,;,,则:样在作用下进行三轴固结不排水剪切试验,则破坏时的约为多少?,,时土样可能破裂面上的剪应力是多少?土样是否会破坏?土由无侧限抗压强度试验测得其不排水抗剪强度,如对同一土样进行三轴不固结不排水试验,问:围压,轴向压力,该试样是否破坏?压,若测得破坏时孔压系数,此时轴向压力和孔压多大?与水平面的夹角。
上修筑一土堤,软土的不排水强度参数,,土堤填土的重度为,试问土堤一次性堆高最多能达到几太沙基承载力公式中)的三轴室压力作用下完全排水固结,然后关闭排水阀门,将三轴室压力升至,再增加偏压力直至试样破,有效内摩擦角,孔隙压力系数,,试确定破坏时的偏应力。
基,,,,,,静止侧压力系数,地下水位在地基表面处。
今地基中距地面5米深度处.与水平面成550角的平面上且当土的固结度达到90%时,土的抗剪强度是多少?强度的净增长值为多少?土地基的有效重度为,静止侧压力系数为,有效粘聚力为,有效内摩擦角为,地下水位与地面齐平。
当地面承受宽度为心点下深度为的点在不排水条件下剪切破坏,此时,孔隙水压力值为。
在原始应力状态下和破坏时的总应力圆和有效应力圆,以及相应的莫尔破坏包线示意图;地基土的不排水抗剪强度的表达式可以写成:中任一点由引起的附加主应力为:——该点到均布条形荷载两端的夹角。
土地表瞬时施加一宽度为的均不条形荷载,引起荷载中心线下深度处点的孔隙水压力增量,饱和重度,有效应力指标,。
地下水位在地表。
试计算点在时间和时直剪试验,在法向压力为100、200、300、400kPa时,测得抗剪强度分别为52、83、115、145kPa,试求:(a)用作图法确)如果在土中的某一平面上作用的法向应力为260kPa,剪应力为92 kPa,该平面是否会剪切破坏?为什么?土无侧限抗压强度试验的不排水抗剪强度,如果对同一土样进行三轴不固结不排水试验,施加周围压力,下发生破坏?在三轴仪中进行固结不排水试验,破坏时的孔隙水压力为,两个试件的试验结果为:图法确定该黏土试样的;(b)试件Ⅱ破坏面上的法向有效应力和剪应力;(c)剪切破坏时的孔隙水压力系数A。