混凝土强度评定验收记录表最新版
- 格式:docx
- 大小:41.56 KB
- 文档页数:14
结构实体混凝土强度验收记录注:1、本表中强度等级数量应根据实际情况确定;2、同条件养护试件的取样、留置、养护和强度代表值的确定应符合规范10.1节和附录D的规定;3、表中与未一强度等级对应的试件强度代表值,上一行填写根据GBJ107确定的数值,下一行填写乘以折算系数后的数值;4、表中对每一强度等级可填写10组试件的强度代表值,试件的具体组数应根据实际情况确定;5、同条件养护试件的留置组数、取样部位、放置位置、等效养护龄期、实际养护龄期和相应的温度测量等记录和资料应作结构实体混凝土强度验收记录注:1、本表中强度等级数量应根据实际情况确定;2、同条件养护试件的取样、留置、养护和强度代表值的确定应符合规范10.1节和附录D的规定;3、表中与未一强度等级对应的试件强度代表值,上一行填写根据GBJ107确定的数值,下一行填写乘以折算系数后的数值;4、表中对每一强度等级可填写10组试件的强度代表值,试件的具体组数应根据实际情况确定;5、同条件养护试件的留置组数、取样部位、放置位置、等效养护龄期、实际养护龄期和相应的温度测量等记录和资料应作为本表的附件;结构实体混凝土强度验收记录注:1、本表中强度等级数量应根据实际情况确定;2、同条件养护试件的取样、留置、养护和强度代表值的确定应符合规范10.1节和附录D的规定;3、表中与未一强度等级对应的试件强度代表值,上一行填写根据GBJ107确定的数值,下一行填写乘以折算系数后的数值;4、表中对每一强度等级可填写10组试件的强度代表值,试件的具体组数应根据实际情况确定;5、同条件养护试件的留置组数、取样部位、放置位置、等效养护龄期、实际养护龄期和相应的温度测量等记录和资料应作为本表的附件;结构实体混凝土强度验收记录注:1、本表中强度等级数量应根据实际情况确定;2、同条件养护试件的取样、留置、养护和强度代表值的确定应符合规范10.1节和附录D的规定;3、表中与未一强度等级对应的试件强度代表值,上一行填写根据GBJ107确定的数值,下一行填写乘以折算系数后的数值;4、表中对每一强度等级可填写10组试件的强度代表值,试件的具体组数应根据实际情况确定;5、同条件养护试件的留置组数、取样部位、放置位置、等效养护龄期、实际养护龄期和相应的温度测量等记录和资料应作为本表的附件;。
普通混凝土单元工程施工质量验收评定表
基础面或施工缝处理工序施工质量验收评定表
模板制作及安装工序施工质量验收评定表
模板制作及安装工序施工质量验收评定表续表1
预埋件制作及安装工序施工质量验收评定表
混凝土浇筑工序施工质量验收评定表
外观质量检查工序施工质量验收评定表
7
监理单
位
复核意
见
经复核,主控项目检验点100%合格,一般项目逐项检验点的合格率 %,且不合格点不集中分布。
工序质量等级评定为: (签字,加盖公章) 年 月
日。
混凝土子分部工程质量验收记录表————————————————————————————————作者:————————————————————————————————日期:模板分项工程质量验收记录表工程名称海东市核心区地下综合管廊PPP项目结构类型管廊里程K4+693-K4+770施工单位中建隧道建设有限公司项目经理段强项目技术负责人罗文帮分包单位/分包单位负责人/分包项目经理/序号检验批部位、区段施工单位检验评定结果监理(建设)单位验收结论1K4+693-K4+710底板模板√2K4+693-K4+710侧墙、顶板模板√3K4+710-K4+740底板模板√4K4+710-K4+740侧墙、顶板模板√5 K4+740-K4+770底板模板√6 K4+740-K4+770侧墙、顶板模板√/ / / /共6个检验批文件,本页6个检查结论项目专业技术负责人:年月日验收结论监理工程师:(建设单位项目专业技术负责人)年月日钢筋分项工程质量验收记录表工程名称海东市核心区地下综合管廊PPP项目结构类型管廊里程K4+693-K4+770施工单位中建隧道建设有限公司项目经理段强项目技术负责人罗文帮分包单位/分包单位负责人/分包项目经理/序号检验批部位、区段施工单位检验评定结果监理(建设)单位验收结论1K4+693-K4+710底板钢筋√2K4+693-K4+710侧墙、顶板钢筋√3K4+710-K4+740底板钢筋√4K4+710-K4+740侧墙、顶板钢筋√5 K4+740-K4+770底板钢筋√6 K4+740-K4+770侧墙、顶板钢筋√/ / / /共6个检验批文件,本页6个检查结论项目专业技术负责人:年月日验收结论监理工程师:(建设单位项目专业技术负责人)年月日混凝土工程分项工程质量验收记录表工程名称海东市核心区地下综合管廊PPP项目结构类型管廊里程K4+693-K4+770施工单位中建隧道建设有限公司项目经理段强项目技术负责人罗文帮分包单位/分包单位负责人/分包项目经理/序号检验批部位、区段施工单位检验评定结果建立(建设)单位验收结论1 K4+693-K4+740垫层砼√2 K4+693-K4+740保护层砼√3 K4+693-K4+710底板砼√4 K4+693-K4+710侧墙顶板砼√5 K4+710-K4+740底板砼√6 K4+710-K4+740侧墙顶板砼√7 K4+740-K4+770垫层砼√8 K4+740-K4+770保护层砼√9 K4+740-K4+770底板砼√10 K4+740-K4+770侧墙顶板砼√/ / / /说明:1.垫层混凝土强度等级C20,留置标养试块一组,合格;2.保护层细石混凝土强度等级C20,留置标养试块一组,合格;3.底板、侧墙和顶板混凝土强度等级C35,标养试块《混凝有强度评定C-17》评定结果合格,结构实体检验试块《结构实体混凝土强度评定C-18》评定结果合格。
混凝土分项工程检验批质量验收记录————————————————————————————————作者:————————————————————————————————日期:B.1.5混凝土浇筑报审表工程名称:编号:B.1.5-致:(项目监理机构)我方已完成部位的钢筋、模板、水电安装和预埋件等工作,并已经项目监理机构的验收合格。
□土建工序质量报审表(B.1.4 ,,)□安装工序质量报审表(B.1.4 ,,)□施工方案报审表(B.0.1 )□现混凝土浇筑准备工作已就绪,申请于月日时至月日时浇筑混凝土,请予以批准。
混凝土生产单位混凝土设计坍落度混凝土强度等级混凝土预计浇筑量混凝土质保资料编号施工值班负责人施工项目经理部(章):项目经理(签字)年月日项目监理机构签收人姓名及时间施工项目经理部签收人姓名及时间审查意见:专业监理工程师(土建)(签字):年月日专业监理工程师(安装)(签字):年月日审核意见:□同意。
□不同意。
项目监理机构(章):总监理工程师/总监理工程师代表(签字):年月日注:1、施工单位项目经理部应在混凝土浇筑前提出本报审表,未获批准不得擅自浇筑混凝土。
2、安装等工序如是平行发包的,则其工序报审栏的编号由项目监理机构补填。
3、如现场自拌混凝土,还应提供原材料使用报审表及人、料、机准备情况。
江苏省住房和城乡建设厅监制B.1.4工程质量报验表工程名称:编号:B.1.4 -致:(项目监理机构)我方已完成工作,经自检合格,请予以验收。
附件:□隐蔽工程质量检验资料□□检验批质量检验资料□□分项工程质量检验资料□□测量放线资料施工项目经理部(章):项目经理:年月日项目监理机构签收人姓名及时间施工项目经理部签收人姓名及时间监理验收及平行检验情况:1、收到施工单位自检资料和验收记录表共页,该项报验内容系第次报验。
检查人(签字):年月日监理验收意见:□验收合格,可进行后续施工。
□验收不合格,不得进入下道工序施工,应于月日前整改完毕自检合格后重新报验。
工程报验申请表(工序报验)工程名称:山西中南部铁路通道工程ZNTJ-1标编号:致华铁监理工程咨询有限公司山西中南部铁路通道工程ZNTJ-1标监理站:根据施工承包合同和设计文件的要求,我单位已完成刘家峁大桥3#墩1#桩基混凝土工程并自验合格,报请检查。
附件:1、混凝土(原材料及配合比)检验批质量验收记录表(Ⅰ)2、混凝土(施工)检验批质量验收记录表(Ⅱ)3、钻孔桩灌注水下砼施工记录4、工程检查证(检查桥梁桩基水下混凝土灌注前桩孔及钢筋笼情况)主管工程师:质检工程师:日期:监理工程师意见:专业监理工程师:年月日注:本表一式三份,施工单位二份,监理单位一份。
混凝土(原材料及配合比)检验批质量验收记录表(Ⅰ)03010405□□□单位工程名称山西中南部铁路通道工程 DK6+556.87 刘家峁大桥分部工程名称钻孔桩和挖孔桩分项工程名称混凝土验收部位3号墩1#桩施工单位中铁十二局集团有限公司项目负责人张德生施工质量验收标准名称及编号[A]:《铁路混凝土与砌体工程施工质量验收标准》TB10424—2003[B]:《铁路桥涵工程施工质量验收标准》TB10415—2003施工质量验收标准的规定施工单位检查评定记录监理单位验收记录主控项目1 水泥质量[A]第6.2.1条[A]第9.3.4条合格证1份,编号:P.O-075-B,试验报告1份,编号:4-6-SNS-20090320-1,质量合格2 细骨料质量[A]第6.2.2条试验报告1份,编号:4-6-FMH-20090313-1,质量合格3 粗骨料质量[A]第6.2.3条[A]第9.3.5条试验报告1份,编号:4-6-FMH-20090313-1,质量合格4 外加剂质量[A]第6.2.4条合格证1份,编号:90120N72,检验报告1份,编号:4-6-WJJ-20090210-1,质量合格5 拌合用水质量[A]第6.2.5条分析报告1份,编号:NO.08建0504,质量合格6 掺和料质量[A]第6.2.6条合格证1份,编号:;试验报告1份,编号:。
水泥混凝土垫层检验批质
量验收记录表
The following text is amended on 12 November 2020.
水泥混凝土垫层检验批质量验收记录表
水泥混凝土垫层报验申请表
工程名称:顺德区均安镇永安路2号地商住小区4区GD2202004□□□
水泥混凝土垫层检验批质量验收记录表
水泥混凝土垫层报验申请表
工程名称:顺德区均安镇永安路2号地商住小区4区GD2202004□□□
水泥混凝土垫层检验批质量验收记录表GB50209-2002(Ⅶ)
水泥混凝土垫层报验申请表
工程名称:顺德区均安镇永安路2号地商住小区4区GD2202004□□□
水泥混凝土垫层检验批质量验收记录表GB50209-2002(Ⅶ)
水泥混凝土垫层报验申请表
工程名称:顺德区均安镇永安路2号地商住小区4区GD2202004□□□
水泥混凝土垫层检验批质量验收记录表GB50209-2002(Ⅶ)。
绿化园林工程结构实体混凝土强度验收记录
1:表中某一强度等级对应的试件强度代表值,上一行填写根据GB107确定的数值,下一行填写乘以折算系数后的值。
2:本表应附以下附件:
a) 同条件养护方式件的取样部位应由监理(建设)、施工单位共同选定,有相应文字记录;
b) 混凝土结构工程的各混凝土强度等级均应留置同条件养护方法应符合GB50204—2002中10.2节和附录D的规定,有相应文字记录;
c) 如采用:温度一时间累计(600℃.d)确定同条件混凝土试件等效养护龄期的,应有相应温度测量记录;
d) 同条件试件取样应实行有见证取样和送检,有相应混凝土抗压强度报告。
混凝土强度评定标准检验批质量验收记录编号:FJ01-01-02-02-03-006 表D.0.1混凝土强度评定标准检验批质量验收记录编号:FJ02-01-02-02-03-006 表D.0.1混凝土强度评定标准检验批质量验收记录编号:FJ03-01-02-02-03-006 表D.0.1混凝土强度评定标准检验批质量验收记录编号:FJ04-01-02-02-03-006 表D.0.1混凝土强度评定标准检验批质量验收记录编号:FJ05-01-02-02-03-006 表D.0.1混凝土强度评定标准检验批质量验收记录编号:FJ06-01-02-02-03-006 表D.0.1混凝土强度评定标准检验批质量验收记录编号:FJ07-01-02-02-03-006 表D.0.1混凝土强度评定标准检验批质量验收记录编号:FJ08-01-02-02-03-006 表D.0.1混凝土强度评定标准检验批质量验收记录编号:FJ09-01-02-02-03-006 表D.0.1混凝土强度评定标准检验批质量验收记录编号:FJ10-01-02-02-03-006 表D.0.1混凝土强度评定标准检验批质量验收记录编号:FJ11-01-02-02-03-006 表D.0.1混凝土强度评定标准检验批质量验收记录编号:FJ12-01-02-02-03-006 表D.0.1混凝土强度评定标准检验批质量验收记录编号:FJ13-01-02-02-03-006 表D.0.1混凝土强度评定标准检验批质量验收记录编号:FJ14-01-02-02-03-006 表D.0.1混凝土强度评定标准检验批质量验收记录编号:FJ15-01-02-02-03-006 表D.0.1混凝土强度评定标准检验批质量验收记录编号:FJ16-01-02-02-03-006 表D.0.1混凝土强度评定标准检验批质量验收记录编号:FJ17-01-02-02-03-006 表D.0.1混凝土强度评定标准检验批质量验收记录编号:FJ18-01-02-02-03-006 表D.0.1混凝土强度评定标准检验批质量验收记录编号:FJ19-01-02-02-03-006 表D.0.1混凝土强度评定标准检验批质量验收记录编号:FJ20-01-02-02-03-006 表D.0.1混凝土强度评定标准检验批质量验收记录编号:FJ21-01-02-02-03-006 表D.0.1混凝土强度评定标准检验批质量验收记录编号:FJ22-01-02-02-03-006 表D.0.1混凝土强度评定标准检验批质量验收记录编号:FJ23-01-02-02-03-006 表D.0.1混凝土强度评定标准检验批质量验收记录编号:FJ24-01-02-02-03-006 表D.0.1混凝土强度评定标准检验批质量验收记录编号:FJ25-01-02-02-03-006 表D.0.1混凝土强度评定标准检验批质量验收记录编号:FJ26-01-02-02-03-006 表D.0.1混凝土强度评定标准检验批质量验收记录编号:FJ27-01-02-02-03-006 表D.0.1混凝土强度评定标准检验批质量验收记录编号:FJ28-01-02-02-03-006 表D.0.1混凝土强度评定标准检验批质量验收记录编号:FJ29-01-02-02-03-006 表D.0.1混凝土强度评定标准检验批质量验收记录编号:FJ30-01-02-02-03-006 表D.0.1混凝土强度评定标准检验批质量验收记录编号:FJ31-01-02-02-03-006 表D.0.1混凝土强度评定标准检验批质量验收记录编号:FJ32-01-02-02-03-006 表D.0.1混凝土强度评定标准检验批质量验收记录编号:FJ33-01-02-02-03-006 表D.0.1混凝土强度评定标准检验批质量验收记录编号:FJ34-01-02-02-03-006 表D.0.1混凝土强度评定标准检验批质量验收记录编号:FJ35-01-02-02-03-006 表D.0.1混凝土强度评定标准检验批质量验收记录编号:FJ36-01-02-02-03-006 表D.0.1混凝土强度评定标准检验批质量验收记录编号:FJ37-01-02-02-03-006 表D.0.1混凝土强度评定标准检验批质量验收记录编号:FJ38-01-02-02-03-006 表D.0.1混凝土强度评定标准检验批质量验收记录编号:FJ39-01-02-02-03-006 表D.0.1混凝土强度评定标准检验批质量验收记录编号:FJ40-01-02-02-03-006 表D.0.1混凝土强度评定标准检验批质量验收记录编号:FJ41-01-02-02-03-006 表D.0.1混凝土强度评定标准检验批质量验收记录编号:FJ42-01-02-02-03-006 表D.0.1混凝土强度评定标准检验批质量验收记录编号:FJ43-01-02-02-03-006 表D.0.1混凝土强度评定标准检验批质量验收记录编号:FJ44-01-02-02-03-006 表D.0.1混凝土强度评定标准检验批质量验收记录编号:FJ45-01-02-02-03-006 表D.0.1混凝土强度评定标准检验批质量验收记录编号:FJ46-01-02-02-03-006 表D.0.1混凝土强度评定标准检验批质量验收记录编号:FJ47-01-02-02-03-006 表D.0.1。
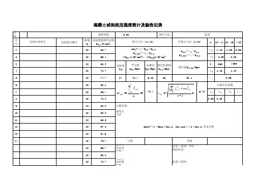
混凝土强度评定验收记录表最新版
混凝土抗压强度统计评定记录
程名称:山西山阴二期2×350MW低热值煤发电供热工程编号:F5912S-XBJS-001
评
定
计
法
定
/ / / / /
评定方法
统计方法(二) 非统计方法
mƒ
cu
-λ
1
×S
ƒcu
λ
2
׃
cu,k 1.15
ƒcu,k 0.95ƒcu,k / / 17.20 14.25
评定
公式mƒcu-λ1×Sƒcu ≥ƒ
cu,k ƒcu,min≥λ2ƒ
cu,k
mƒcu≥λ3ƒcu,kƒcu,min≥λ
结果/ / 合格合格
强的格定数试件
组数
10
~
14
15
~
19
≥
20
砼
强
度
合
格
判
定
依
据
非
统
计
方
法
mƒcu≥λ3ƒcu,k λ1 1.15 1.05 0.95 ƒcu,min≥λ4ƒcu,k
统
计
方
法
(二
mƒ
cu
-λ
1
×S
ƒcu≥ƒλ20.90 0.85 ƒcu,min≥λ2ƒcu,k
混凝土抗压强度统计评定记录
程名称:山西山阴二期2×350MW低热值煤发电供热工程编号:F5912S-XBJS-002
BY-013 40 BY-024 39.1 BY-035 40.1 BY-046 39.3 BY-014 39.8 BY-025 38.9 BY-036 40.1 BY-047 39.7 BY-015 40 BY-026 39 BY-037 39.2 BY-048 40.1
BY-0
16 39.9 BY-0
27 39.9 BY-0
38 40 BY-0
49 40.2 计 标准值(MPa ) ƒcu,k
标准差(MPa) S ƒcu
试块组数 n 平均强度值 m ƒcu
最小强度
值(MPa ƒcu,min
统方
评定 / / / / /
计
法
定
35 0.71 48 39.59 37.4
混凝土抗压强度统计评定记录
程名称:山西山阴二期2×350MW低热值煤发电供热工程编号:F5912S-XBJS-003
) BY-0
56 40.6
BY-0
67 40.1
BY-0
78 40.2
BY-0
89 39.4 BY-0
57 40.9
BY-0
68 40.9
BY-0
79 38.8
BY-0
90 40.1 BY-0
58 40.4
BY-0
69 40.5
BY-0
80 39.9
BY-0
91 40.7 BY-0
59 40
BY-0
70 39.4
BY-0
81 41.3
BY-0
92 40.8 BY-0
60 40.7
BY-0
71 39.9
BY-0
82 39.9
BY-0
93 41.1 BY-0
61 41.7
BY-0
72 38.1
BY-0
83 40.6 以下无BY-0
62 41.6
BY-0
73 40.7
BY-0
84 40.7
BY-0BY-0BY-0
评
定
计
法
定
35 0.71 40 40.29 38.1
评定方法
统计方法(二) 非统计方法
mƒ
cu
-λ
1
×S
ƒcu
λ
2
׃
cu,k 1.15
ƒcu,k 0.95ƒcu,k 39.49 29.75 / /
评定
公式mƒcu-λ1×Sƒcu ≥ƒ
cu,k ƒcu,min≥λ2ƒ
cu,k
mƒcu≥λ3ƒcu,kƒcu,min≥λ
结果合格合格/ /
强的格定数试件
组数
10
~
14
15
~
19
≥
20
砼
强
度
合
格
判
定
依
据
非
统
计
方
法
mƒcu≥λ3ƒcu,k λ1 1.15 1.05 0.95 ƒcu,min≥λ4ƒcu,k
统
计
方
法
(二
mƒ
cu
-λ
1
×S
ƒcu≥ƒλ20.90 0.85 ƒcu,min≥λ2ƒcu,k
混凝土抗压强度统计评定记录
程名称:山西山阴二期2×350MW低热值煤发电供热工程编号:F5912S-XBJS-004
BY-101 50.6 BY-112 50.1 BY-123 49.8 BY-134 50 BY-145 49.7 BY-102 49 BY-113 50.2 BY-124 50.2 BY-135 49.3 BY-146 50.2 BY-103 49.9 BY-114 48.3 BY-125 49.9 BY-136 50.3 BY-1
47 50.7 BY-1
04 48.9 BY-1
15 49.8 BY-1
26 49.6 BY-1
37 49.8 / 计 标准值(MPa ) ƒcu,k
标准差(MPa) S ƒcu
试块组数 n 平均强度值 m ƒcu
最小强度
值(MPa ƒcu,min
统方
评定 / / / / /
计
法
定
45 0.90 59 50.12 48.3
混凝土抗压强度统计评定记录
程名称:山西山阴二期2×350MW低热值煤发电供热工程编号:F5912S-XBJS-005
) BY-1
50 45.1
BY-1
61 46.6
BY-1
72 47 BY-1
51 45.3
BY-1
62 44.8
BY-1
73 45.1 BY-1
52 45.8
BY-1
63 44.4
BY-1
74 44.5 BY-1
53 44.9
BY-1
64 45.9
BY-1
75 44.2 BY-1
54 44.2
BY-1
65 46.2
BY-1
76 46.4 BY-1
55 47
BY-1
66 45 以下无BY-1
56 44.8
BY-1
67 47
BY-1BY-1
评
定
计
法
定
40 0.93 29 45.43 44
评定方法
统计方法(二) 非统计方法
mƒ
cu
-λ
1
×S
ƒcu
λ
2
׃
cu,k 1.15
ƒcu,k 0.95ƒcu,k 44.55 34 / /
评定
公式mƒcu-λ1×Sƒcu ≥ƒ
cu,k ƒcu,min≥λ2ƒ
cu,k
mƒcu≥λ3ƒcu,kƒcu,min≥λ
结果合格合格/ /
强的格定数试件
组数
10
~
14
15
~
19
≥
20
砼
强
度
合
格
判
定
依
据
非
统
计
方
法
mƒcu≥λ3ƒcu,k λ1 1.15 1.05 0.95 ƒcu,min≥λ4ƒcu,k
统
计
方
法
(二
mƒ
cu
-λ
1
×S
ƒcu≥ƒλ20.90 0.85 ƒcu,min≥λ2ƒcu,k。