医用空气压缩机的全面详解
- 格式:docx
- 大小:135.78 KB
- 文档页数:10
空气压缩机的组成和工作原理空气压缩机是一种用来将空气压缩成高压气体的设备。
它在各种工业领域中扮演着重要的角色,例如供应给工厂的动力系统、清洁系统和制造系统。
下面将从空气压缩机的组成和工作原理两个方面进行详细介绍。
一、空气压缩机的组成1. 电动机:空气压缩机的电动机一般使用交流电机或者直流电机,其功率大小取决于压缩机的型号和工作要求。
电动机通过带动压缩机的其他部件来实现整个系统的工作。
2. 过滤器:空气中含有大量的尘埃和杂质,如果直接将其压缩会对压缩机造成损害。
在进入压缩机前,需要通过过滤器对空气进行预处理,去除尘埃和杂质。
3. 压缩组件:压缩组件是空气压缩机的核心部件,它主要包括压缩机头、压缩室、活塞、气阀等。
压缩组件的作用是将外界的低压空气压缩成高压气体,为后续的使用提供条件。
4. 冷却系统:在空气被压缩的过程中,会产生大量的热量,如果不进行及时冷却,会对压缩机的正常工作造成影响。
空气压缩机通常会配备冷却系统,用来降低压缩机的温度。
5. 控制系统:空气压缩机的控制系统用来监控和调节压缩机的工作状态,包括启停、压力调节、故障检测等功能。
二、空气压缩机的工作原理1. 吸气阶段:当压缩机启动时,活塞开始向下运动,使压缩室内的压力降低,外部空气通过进气阀进入压缩室。
2. 压缩阶段:当活塞向上运动时,密封在压缩室内的空气被压缩成高压气体。
同时活阀关闭,阻止高压气体返回进气阀。
3. 排气阶段:当压缩室内的压力达到设定值时,排气阀打开,将高压气体排出压缩机,用于后续的工业生产或其他用途。
4. 冷却循环:在工作过程中,压缩机不断循环工作,产生大量热量。
冷却系统通过循环水或者风扇等方式,将压缩机降温,保持其正常工作温度。
5. 控制系统:压缩机的控制系统对整个工作过程进行监控和调节,包括监测压力、温度,保证压缩机的安全稳定工作。
空气压缩机通过吸气、压缩、排气等步骤,将外部低压空气转变为高压气体,为各种工业生产和设备提供动力和气体介质。
第 1 章,空压机简介2第1节空压机的作用和种类31.功能32. 类型3第二节、回转式空压机泵体的结构及工作原理5一、泵体零件5二、回转式空压机的工作原理7第 2 章,空压机的 3D 建模和组装9第 1 节,轴承座 3D 设计9第 2 节,曲轴13第三节、空压机泵体重要部件的设计流程131.1 设置工作目录131.2 曲轴图纸13第 4 节,泵体的组装20第三章、轴承的加工工艺22第 1 节,生产计划22第二节,零件结构的常见分析23第三节,确定空白23第 4 节,设备和工艺设备的选择25第 5 节,工艺设计和工艺文件填写26(1)、工艺设计26(2)、填写工艺文件271.填写加工工艺综合卡272.填写指定工序的加工工艺卡27第 1 章,空压机简介空气压缩机(英文:aircompressor)是气源装置的主体。
它是将原动机(通常是电动机)的机械能转化为气体压力能的装置,是压缩空气的压力产生装置。
空气压缩机的种类很多。
按工作原理可分为容积式压缩机、调速式压缩机、容积式压缩机。
工作原理是压缩一定体积的气体,使单位体积的气体分子密度增加,从而提高压缩空气的压力;调速压缩机的工作原理是提高气体分子的速度,使气体分子的动能转化为气体的压力能,从而提高压缩空气的压力。
我国空压机行业市场规模以8%以上的增速增长,2010-2011年增速甚至超过28%,市场规模迅速扩大。
然而,在如此巨大的市场中,在过去很长一段时间里,外资企业控制了大部分市场。
2009年我国空压机行业生产企业近400家,其中近90%为外资企业,销售总收入约60亿元,占全行业的40%;外资企业数量接近10%,实现销售收入。
总额约90亿元,占整个行业的60% 。
第一节、空压机的作用和种类一、功能空气压缩机(aircompressor)是一种压缩空气以增加气体压力或输送气体的机器。
随着气压技术的不断发展,空压机已广泛应用于生产和建筑领域。
压缩机是制冷系统的心脏。
空气压缩机工作原理空气压缩机是一种将气体增压的设备,通过压缩空气来提高其压力和密度。
它在各个领域都有广泛的应用,如制氮机、氧气发生器、工业生产等。
本文将详细介绍空气压缩机的工作原理。
一、基本原理空气压缩机的基本原理是利用活塞或旋转动力,将入口气体吸入压缩腔,并通过压缩来增加其压力。
当气体通过压缩腔时,腔内的体积减小,使气体分子之间的距离变近,从而使气体的压力增加。
二、工作过程1. 吸气阶段在吸气阶段,活塞或旋转机构移动,使压缩腔的容积增大。
此时,外部的空气通过进气阀进入压缩腔。
同时,压缩机驱动系统给予机械能,使活塞或旋转机构能继续向前移动。
2. 压缩阶段在压缩阶段,活塞或旋转机构开始向后移动,使压缩腔的容积减小。
此时,由于压缩腔体积的减小,压缩腔内的气体被逐渐压缩,压力不断增加。
进气阀关闭,防止气体倒流。
3. 排气阶段当活塞或旋转机构达到最高点时,压缩腔内的气体压力达到最大值。
此时,排气阀打开,将压缩腔内的气体排出。
然后,活塞或旋转机构开始向前移动,容积增大,进入下一个吸气循环。
三、压缩机类型根据不同的工作原理和压缩方式,空气压缩机可以分为往复式压缩机和旋转式压缩机两类。
1. 往复式压缩机往复式压缩机通过活塞来实现气体的压缩。
活塞在气缸内做往复运动,压缩腔体积的变化导致气体的压力变化。
这种类型的压缩机结构较为简单、耐用,适用于中小型的压缩应用。
2. 旋转式压缩机旋转式压缩机通过旋转运动来实现气体的压缩。
常见的旋转式压缩机有螺杆压缩机和离心压缩机。
螺杆压缩机利用两个螺杆的相互啮合完成气体的压缩;离心压缩机则通过旋转离心力将气体推向离心机壳壁进行压缩。
这种类型的压缩机结构紧凑、效率高,适用于大型的压缩应用。
四、应用领域空气压缩机广泛应用于各个领域,包括但不限于以下几个方面:1. 工业生产空气压缩机在工业生产过程中被广泛使用,如冷却、气体输送、动力系统、设备清洗等。
其在制造业、化工、能源等行业中扮演着重要的角色。
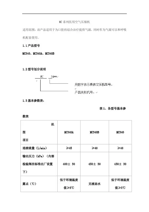
MC系列医用空气压缩机适用范围:该产品适用于为口腔科综合治疗提供气源,同时作为气源可以和呼吸机配套使用。
1.1产品型号MC340、MC340A、MC340B1.2型号划分说明1.3基本参数表:表1、各型号基本参数表1.4产品组成标配:医用空气压缩机主机选配:空气输气管2.1 工作条件a)环境温度10℃~40 ℃;b) 相对湿度≤80%;c) 大气压强为86kPa~106 kPa;d) 电源电压为AC220V,频率50Hz。
2.2 外观质量要求表面应平整光洁,色泽均匀,不得有明显的锋棱、划痕和掉漆,金属件不得锈蚀和其它机械损伤。
2.3 性能要求2.3.1 输出压力压缩机输出压力见表1。
2.3.2 流量压缩机正常工作状态下,在工作压力为350kPa时,连续流量输出见表1。
2.3.3 气路安全压力安全阀限压为: 450kPa~500kPa.当工作压力超过安全压力时,安全阀应开放卸压。
2.3.4 气密性开机,当压力升至350kPa±30kPa时,关机后,经30s后压力下降小于10kPa。
2.3.5 升压时间空气压缩机开启后,压力升至350kPa±30kPa,所需的时间不大于30s。
2.3.6 噪音MC340噪音为<52dB(A),MC340A噪音为<49 dB(A),MC340B噪音为<54dB(A)。
2.3.7 Standby功能(仅适用于MC340A选配)开机,启动压缩机,当接在压缩机气源输入接口的外部气源压力大于330 kPa 时,并且持续时间大于20秒时,压缩机泵芯停止工作,并且压缩机的“Ready”和“Wall Air”指示灯亮;当接在压缩机气源输入接口的外部气源压力小于280 kPa,同时持续时间超过3秒时,压缩机泵芯工作,同时“Compressor On”指示灯亮。
2.3.8 低压报警功能(仅适用于MC340A)空气压缩机开启时,压力表显示小于 200kPa,持续30s后,低压报警指示灯亮,蜂鸣器鸣叫,压力表显示大于250kPa后,低压报警指示灯灭,蜂鸣器停止鸣叫;压缩机工作中,压力表显示小于 200kPa,低压报警指示灯立刻亮,蜂鸣器立刻鸣叫,压力表显示大于250kPa后,低压报警指示灯灭,蜂鸣器停止鸣叫。
空气压缩机介绍范文压缩部件是空气压缩机最关键的组成部分。
常见的压缩机类型有活塞式、螺杆式、滚子式和离心式。
活塞式压缩机通过活塞的往复运动来完成压缩过程,适用于中小功率的空压机。
螺杆式压缩机由两个螺杆转子在密封的腔室中旋转来完成压缩过程,适用于中大功率的空压机。
滚子式压缩机和离心式压缩机适用于超大功率的空压机。
动力部件是为压缩机提供能源的部分,通常是电动机或内燃机。
电动机驱动的空气压缩机广泛使用于工厂和商业用途,因为其运行成本低、运行稳定。
内燃机驱动的空气压缩机适用于户外或临时使用的场合,例如在建筑工地和野外作业。
控制系统是用于监测和控制空气压缩机运行的部分。
它通常包括压力开关、温度传感器、润滑系统等。
压力开关可根据设定压力,自动控制压缩机的启停。
温度传感器用于监测和保护压缩机,一旦温度超过设定值,会触发报警或自动停机。
润滑系统保证压缩机各部件的正常运行,常用的润滑方式有湿式润滑和干式润滑。
空气压缩机有许多应用场景。
在工业中,它被广泛应用于原料输送、气动工具、喷涂设备、冷冻设备、空气分离和压缩空气输送等。
在商业中,空气压缩机常用于汽车修理、汽车洗车、商业建筑的供暖和冷却系统等。
在家庭中,空气压缩机则常用于充气物品、喷涂家用器具、打气球等。
在使用空气压缩机时,需要注意一些安全事项。
首先,操作人员应该熟悉设备的工作原理和使用规程,避免人为误操作。
其次,压缩机应定期维护和检修,例如清洗和更换过滤器,检查电机和润滑系统的运行情况。
最后,在压缩机运行期间,应保持通风良好,以防止空气中的湿气和污染物进入压缩机引起故障。
医用空气压缩机说明书一、产品概述医用空气压缩机是一款专为医疗领域设计的设备,用于提供稳定、纯净的压缩空气。
该设备采用先进的技术和高质量的材料制造而成,具有高效、可靠、安全等特点。
医用空气压缩机广泛应用于呼吸机、麻醉机、血液透析仪等医疗设备中,为医疗工作提供稳定的气源支持。
二、主要特点1.高效稳定:医用空气压缩机采用先进的压缩技术,能够快速提供稳定的气流,满足医疗设备的连续使用需求。
2.纯净度高:设备内部设有高效过滤系统,能够去除空气中的杂质和微粒,保证输出空气的纯净度。
3.安全可靠:医用空气压缩机具有多重安全保护措施,如过热保护、过载保护等,确保设备的安全运行。
4.易于维护:设备结构紧凑、操作简单,方便用户进行日常维护和保养。
三、技术参数1.电源:AC 220V ± 10%,50Hz2.工作压力:0.6-0.8MPa3.空气流量:≥30L/min4.噪音:≤60dB5.尺寸:(长×宽×高)500mm × 350mm × 700mm6.重量:约50kg四、使用方法1.安装:将医用空气压缩机放置在平整、通风的地方,确保设备与周围物体保持一定距离,便于散热和维护。
2.连接:使用专用管道将医用空气压缩机的输出端口与医疗设备的进气端口连接起来,确保连接牢固、密封。
3.开机:插上电源插头,打开电源开关,设备即进入待机状态。
按下启动按钮,设备开始工作,输出压缩空气。
4.调节:根据医疗设备的需求,调节医用空气压缩机的输出压力和流量。
5.关机:按下停止按钮,设备停止工作。
断开电源开关,拔掉电源插头。
五、注意事项1.安全用电:请使用符合规格的电源插座和电源线,避免过载和短路。
2.定期维护:定期对医用空气压缩机进行清洁和保养,检查设备内部零件是否松动或损坏,及时更换损坏的零件。
3.使用环境:避免在高温、潮湿或灰尘较多的环境中使用设备,以免影响其性能和寿命。
4.故障排除:如设备出现故障或异常情况,请立即停止使用,并及时联系专业维修人员进行检查和维修。
医用空气压缩机医用空气压缩机(英文名:Medical air compressor)是为需要气源的医疗保健设备提供充足、洁净的气源,上海岭泉实业发展有限公司专业生产医用空压机,质量过硬,品质优良。
适用于牙科治疗设备、制氧机设备、呼吸机设备、医药气动设备等。
概述《2013-2017年中国医用空气压缩机行业产销需求与转型升级分析报告》数据显示,我国的医用空气压缩机行业的市场规模均为8%以上的增速增长,2010-2011年增长率甚至超过了28%,市场规模扩张迅速。
随着空气压缩机的行业的不断发转,越来越多的企业进入气压缩机行业,越来越多的人对气压缩机行业青睐,同时很多企业脱颖而出,例如上海岭泉实业发展有限公司为一家专业空压机及后处理设备的知名企业,主要经营产品:医用空压机、一体式空压机、吸附式干燥机(吸干机)、模块式吸干机及过滤器等等,并可提供压缩空气系统解决方案。
然而,在规模如此巨大的市场上,过去很长一段时间由外资企业掌握绝大部分市场。
2009年度,我国医用空气压缩机行业共有生产企业近400家,其中内资企业数量接近90%,实现销售收入总额约为60亿元,占全行业的40%;外资企业数量接近10%,实现销售收入总额约为90亿元,占全行业的60%。
简介医用空气压缩机主要是为需要气源的医疗保健设备提供充足、洁净的气源,适用于牙科治疗设备、制氧机设备、呼吸机设备、医药气动设备等。
工作原理医用空压机是属于微型无油往复活塞式压缩机,电机单轴驱动曲轴错角为180°分布的两组曲柄摇杆机构,主运动副为活塞环,付运动副为铝合金圆柱面,运动副之间由活塞环自润滑而不需添加任何润滑剂。
压缩机通过曲柄摇杆的往复运动使圆柱面气缸的行程容积发生周期性变化,电机运转一周,每组气缸的行程容积将各有两次方向相反的变化。
当活塞向轴运动时,气缸容积增大,缸内为负压,这时大气压大于气缸内压力,空气通过进气阀进入气缸,此时为吸气过程:当活塞向盖运动时,进入气缸内的气体受到压缩,气体内的压力迅速增加,当压力大于排气腔压力时,排气阀被打开,此时为排气过程。
医用空气压缩机医用空气压缩机(英文名:Medical air compressor)是为需要气源的医疗保健设备提供充足、洁净的气源,上海岭泉实业发展有限公司专业生产医用空压机,质量过硬,品质优良。
适用于牙科治疗设备、制氧机设备、呼吸机设备、医药气动设备等。
概述《2013-2017年中国医用空气压缩机行业产销需求与转型升级分析报告》数据显示,我国的医用空气压缩机行业的市场规模均为8%以上的增速增长,2010-2011年增长率甚至超过了28%,市场规模扩张迅速。
随着空气压缩机的行业的不断发转,越来越多的企业进入气压缩机行业,越来越多的人对气压缩机行业青睐,同时很多企业脱颖而出,例如上海岭泉实业发展有限公司为一家专业空压机及后处理设备的知名企业,主要经营产品:医用空压机、一体式空压机、吸附式干燥机(吸干机)、模块式吸干机及过滤器等等,并可提供压缩空气系统解决方案。
然而,在规模如此巨大的市场上,过去很长一段时间由外资企业掌握绝大部分市场。
2009年度,我国医用空气压缩机行业共有生产企业近400家,其中内资企业数量接近90%,实现销售收入总额约为60亿元,占全行业的40%;外资企业数量接近10%,实现销售收入总额约为90亿元,占全行业的60%。
简介医用空气压缩机主要是为需要气源的医疗保健设备提供充足、洁净的气源,适用于牙科治疗设备、制氧机设备、呼吸机设备、医药气动设备等。
工作原理医用空压机是属于微型无油往复活塞式压缩机,电机单轴驱动曲轴错角为180°分布的两组曲柄摇杆机构,主运动副为活塞环,付运动副为铝合金圆柱面,运动副之间由活塞环自润滑而不需添加任何润滑剂。
压缩机通过曲柄摇杆的往复运动使圆柱面气缸的行程容积发生周期性变化,电机运转一周,每组气缸的行程容积将各有两次方向相反的变化。
当活塞向轴运动时,气缸容积增大,缸内为负压,这时大气压大于气缸内压力,空气通过进气阀进入气缸,此时为吸气过程:当活塞向盖运动时,进入气缸内的气体受到压缩,气体内的压力迅速增加,当压力大于排气腔压力时,排气阀被打开,此时为排气过程。
2.性能指标2.1.外观与结构2.1.1.医用空气压缩机的文字和标记应准确、清晰、牢固,不得有明显划痕。
其外壳不得有锋棱、毛刺。
2.1.2.医用空气压缩机的整体结构及紧固件应牢固,不得有松动;其操作件应灵活可靠。
2.1.3.医用空气压缩机外表面油漆涂层应均匀,不得有气泡、脱层或明显划痕。
2.2.医用空气压缩机所制的压缩空气的理化指标:2.2.1.露点温度≤-46℃。
2.2.2.二氧化碳含量≤0.05%。
2.2.3.一氧化碳含量≤0.0005%。
2.2.4.固体颗粒物:2 级。
0.1μm<d≤0.5μm 颗粒数:100000 个/m3;0.5μm<d≤1.0μm 颗粒数:1000 个/m3;1.0μm<d≤5.0μm 颗粒数:10 个/m3;2.2.5.压缩空气应无气味。
2.2.6.油含量≤0.1mg/m³。
2.3.气密性所有紧固件连接应牢靠,不得有任何松动,各种管路、管汇及阀门排列应整齐,其连接处不得漏气。
2.4.噪声医用空气压缩机的工作噪声应不大于 85dB(A)。
2.5.医用空气压缩机开机后,所有电、气动阀及压力表、指示灯均应正常工作,并有空气输出。
2.6.指示灯及按钮(除以文字数字显示外)的颜色要求2.6.1.当医用空气压缩机发生故障时,应使用连续红灯以向操作人员提示。
2.6.2.红灯闪烁表示紧急情况。
2.6.3.绿灯表示医用空气压缩机启动前的准备工作已完成,或表示医用空气压缩机正处于正常运行状态。
2.7.产气量医用空气压缩机开机 30min 后,各型号机组产气量应符合 1.1 的规定。
2.8.压力容器上的铭牌至少应标明生产厂厂名、合格证号、出厂日期、工作压力。
2.9.基本要求2.9.1.压缩泵2.9.1.1.压缩泵出气口应配有高温停机传感器、隔离阀及单向阀、安全阀;压缩泵启停压力范围:在 0.5MPa~0.8MPa 内可调。
2.9.1.2.压缩泵应配有进气过滤器、内置后冷却器。
医用中心供氧系统主要技术参数医用中心供氧系统是一种重要的医疗设备,用于为医疗机构提供安全可靠的氧气供应。
主要包括压缩空气系统、液化空气系统、分离空气系统、纯化空气系统、储气系统、送气系统等几个主要组成部分。
下面将详细介绍医用中心供氧系统的主要技术参数。
1.压缩空气系统:压缩空气系统是医用中心供氧系统的核心组成部分,提供压缩空气以满足液化空气系统和分离空气系统的需求。
主要技术参数包括:-压缩机类型:常见的有滑片式压缩机和螺杆式压缩机,其中螺杆式压缩机具有高效节能的特点。
-压缩机功率:根据医院的氧气消耗量和设备的规模来确定,一般以千瓦为单位。
-压缩机排气量:单位时间内压缩机排出的气体体积,一般以升/分钟为单位。
-压缩机噪音:由于医院环境对噪音的要求较高,压缩空气系统的噪音水平应该低于标准规定。
2.液化空气系统:液化空气系统用于将压缩空气转化为液态氧气,以便储存和使用。
主要技术参数包括:-液化空气装置类型:常见的有贮液式液化空气装置和增温式液化空气装置。
-液化空气装置功率:根据医院的氧气需求量和液化装置的规模来确定,一般以千瓦为单位。
-液化空气流量:单位时间内液化空气装置产出的液态氧气流量,一般以升/小时为单位。
-液化空气温度:液化空气的温度应控制在合适的范围内,以确保液态氧气的品质。
3.分离空气系统:分离空气系统用于将压缩空气中的各种成分分离出来,得到高纯度的氧气。
主要技术参数包括:-分离空气装置类型:常见的有冷压吸附式分离空气装置和膜式分离空气装置,其中膜式分离空气装置具有体积小、结构简单等优点。
-分离空气装置功率:根据医院的氧气需求量和分离装置的规模来确定,一般以千瓦为单位。
-分离空气流量:单位时间内分离空气装置产出的氧气流量,一般以升/小时为单位。
-氧气纯度:分离空气装置的设计要求是能够产生高于93%的氧气纯度。
4.纯化空气系统:纯化空气系统用于除去氧气中的杂质,得到纯净的医用氧气。
主要技术参数包括:-纯化空气装置类型:常见的有吸附式纯化空气装置和膜式纯化空气装置。
压缩空气在医用气体中的作用压缩空气在医用气体中的作用是医疗领域中至关重要的一个方面。
通过将大气中的空气经过压缩和净化处理后,可以得到高纯度的氧气、氧气混合气体以及其他医用气体,这些气体在各种临床诊断和治疗中起着至关重要的作用。
本文将探讨压缩空气在医用气体中的作用,包括其在医疗设备中的应用、与氧疗的关系、以及在病房、手术室等场所中的重要性。
压缩空气在医用气体中的作用不仅仅是提供氧气。
在医疗设备中,空气压缩机是一个关键的部件。
医院中许多设备都需要使用压缩空气才能正常运转,比如呼吸机、吸引器等。
呼吸机是重症监护室不可缺少的设备,可以为呼吸不顺畅的患者提供辅助呼吸。
呼吸机通过调节压缩空气的流量和浓度,可以满足不同患者的需求,帮助呼吸困难的患者呼吸更顺畅。
此外,吸引器也是医院中常见的设备,用于清除气管、呼吸道中的分泌物,保持呼吸道通畅。
吸引器通过提供高压的压缩空气,将分泌物吸出,减轻患者呼吸困难的症状。
除了在医疗设备中的应用外,压缩空气在氧疗中也发挥着重要作用。
氧疗是一种通过给患者提供高浓度氧气来改善组织缺氧状态的治疗方法。
在氧气疗法中,通常需要使用氧气输送系统,将高浓度氧气输送到患者体内。
这些输送系统通常需要依靠压缩空气来提供动力,以确保氧气能够顺利输送到患者体内。
此外,在手术室中,医用气体的准确控制也离不开压缩空气。
手术室中通常会使用氧气混合器来调节氧气和空气的比例,以满足不同患者的需求。
而这些氧气混合器往往需要依赖于高质量的压缩空气才能正常工作。
在医院的病房中,压缩空气也扮演着重要角色。
病房中的一些设备,如雾化器、氧气呼吸器等,都需要使用压缩空气来提供动力。
雾化器是一种常见的治疗患者呼吸道疾病的设备,通过将药物雾化成微小颗粒,让患者通过呼吸器吸入,可以有效治疗肺部感染、支气管炎等疾病。
而氧气呼吸器则是一种常见的治疗患者缺氧的设备,通过给患者提供高浓度氧气,帮助患者缓解呼吸困难的症状。
这些设备的正常运转都依赖于高品质的压缩空气。
DA/AT系列医用无油空气压缩机技术说明书使用说明书产品标准号:产品注册号:生产许可证号:苏食药监械生产许2012-0047号。
(在使用、保养或维修设备前请仔细阅读说明书,说明书只作指导用,公司有权对设备进行改进设计)目录第一章概述 (3)1.1 使用说明书所包含的内容 (3)1.2 产品结构及组成 (3)1.3 产品适用范围 (3)1.4 安全信息 (3)1.5 产品信息 (4)1.6 版本信息 (4)第二章技术参数 (5)2.1 技术参数 (5)2.2 产品分类 (6)2.3 运输储存和使用环境 (6)2.4 产品铭牌 (6)2.5 图例说明 (6)第三章医用无油空气压缩机整体结构 (7)第四章产品性能……………………………………………………………………………… .17 第五章产品安装……………………………………………………………………………… .18 第六章调试使用……………………………………………………………………………… .19 第七章保养及维护…………………………………………………………………………… .20 第八章注意事项……………………………………………………………………………… .22 第九章装箱清单……………………………………………………………………………… .23 第十章电路及气路原理图…………………………………………………………………… .24 第十一章外包装标签及内容………………………………………………………………… .29非常感谢您选择使用本公司生产的医用无油空气压缩机!在第一次安装和使用医用无油空气压缩机之前,请您务必先仔细阅读随机附送的所有资料,特别是本使用说明书中安装信息及其它条款所提及的注意事项。
这会有助于您更好地使用岱洛产品。
免责声明本使用说明书的描述不代表对岱洛产品的规格和配置的任何说明,有关产品规格及配置情况,请查阅与岱洛产品的相关协议、装箱单或向产品的直接经销商咨询。
空气压缩机基本工作原理
空气压缩机是一种将气体压缩成高压气体的机械设备。
它通过吸入空气并将其
压缩,使其体积减小,从而增加了空气份子之间的密度,进而提高了气体的压力。
空气压缩机的基本工作原理可以分为以下几个步骤:
1. 吸气过程:空气压缩机通过一个吸气阀门从外部环境吸入空气。
在这个过程中,活塞向下挪移,扩大了气缸内的容积,从而降低了压力。
由于外部环境的压力高于气缸内的压力,空气会被自动吸入气缸。
2. 压缩过程:在吸气过程结束后,活塞开始向上挪移,减小了气缸内的容积。
这导致了气体的压缩,使得气体份子之间的距离变得更近,从而增加了气体的压力。
在这个过程中,吸气阀门关闭,防止气体逆流。
3. 排气过程:当气体被压缩到所需的压力后,排气阀门打开,压缩机将高压气
体排出。
在这个过程中,活塞继续向上挪移,增大了气缸内的容积,从而降低了气体的压力。
由于气缸内的压力低于外部环境的压力,气体味被推出气缸。
4. 冷却过程:由于气体在压缩过程中会产生热量,因此需要进行冷却。
空气压
缩机通常配备有冷却装置,例如冷却片或者冷却液,以防止机器过热。
空气压缩机的工作原理可以应用于许多不同的领域和行业。
例如,它可以用于
工业生产中的气动设备、空调系统中的冷凝器、汽车发动机中的涡轮增压器等。
总结起来,空气压缩机的基本工作原理是通过吸气、压缩、排气和冷却等过程,将气体压缩成高压气体。
这种机械设备在工业和日常生活中有着广泛的应用,为许多行业提供了必要的压缩气体。
医用空气压缩机医用空气压缩机(英文名:Medical air compres sor)是为需要气源的医疗保健设备提供充足、洁净的气源,上海岭泉实业发展有限公司专业生产医用空压机,质量过硬,品质优良。
适用于牙科治疗设备、制氧机设备、呼吸机设备、医药气动设备等。
概述《2013-2017年中国医用空气压缩机行业产销需求与转型升级分析报告》数据显示,我国的医用空气压缩机行业的市场规模均为8%以上的增速增长,2010-2011年增长率甚至超过了28%,市场规模扩张迅速。
随着空气压缩机的行业的不断发转,越来越多的企业进入气压缩机行业,越来越多的人对气压缩机行业青睐,同时很多企业脱颖而出,例如上海岭泉实业发展有限公司为一家专业空压机及后处理设备的知名企业,主要经营产品:医用空压机、一体式空压机、吸附式干燥机(吸干机)、模块式吸干机及过滤器等等,并可提供压缩空气系统解决方案。
然而,在规模如此巨大的市场上,过去很长一段时间由外资企业掌握绝大部分市场。
2009年度,我国医用空气压缩机行业共有生产企业近400家,其中内资企业数量接近90%,实现销售收入总额约为60亿元,占全行业的40%;外资企业数量接近10%,实现销售收入总额约为90亿元,占全行业的60%。
简介医用空气压缩机主要是为需要气源的医疗保健设备提供充足、洁净的气源,适用于牙科治疗设备、制氧机设备、呼吸机设备、医药气动设备等。
工作原理医用空压机是属于微型无油往复活塞式压缩机,电机单轴驱动曲轴错角为180°分布的两组曲柄摇杆机构,主运动副为活塞环,付运动副为铝合金圆柱面,运动副之间由活塞环自润滑而不需添加任何润滑剂。
压缩机通过曲柄摇杆的往复运动使圆柱面气缸的行程容积发生周期性变化,电机运转一周,每组气缸的行程容积将各有两次方向相反的变化。
如何选择医用的空压机
医用空压机是医疗过程中经常用到的工具,主要是用于提供洁净的气体。
由于医用压缩空气主要针对的是呼吸用气和医疗器械用气,属于生命支持系统,所有它的重要性不言而喻。
目前我国针对医用压缩空气,主要参照GB 50751-2012 医用气体工程技术规范,对压缩空气气质指标有明确的要求。
所以,选择医用空压机的关键,是在于输出气体的品质。
一般都会选择无油空压机,免去了普通空压机定期加油保养和因漏油造成环境污染的风险。
另外,在气罐内喷涂银离子涂层,既可以抑制大肠埃希氏菌、金黄色葡萄球菌、白色念珠菌等,也能防止气罐内壁生锈。
由于医疗场所需要安静,静音也是医用空压机必不可少的要求。
除了这三个相对重要的功能(无油,抑菌,静音),医用空压机还应该具体:体积小巧,安装使用方便,异常警示,性能稳定,使用寿命长等特点。
具备了这些优点的医用静音无油空压机,将会在使用过程中,给医护人员提供很大的帮助。
医用空压机的作用及用途
《医用空压机的作用及用途》
嘿呀,咱今儿就来说说这医用空压机。
这玩意儿啊,可真是在医疗领域有着大作用呢!
就说有一次吧,我去医院看望一个生病的朋友。
我在病房外面就听到一种“嗡嗡”的声音,一开始我还以为是啥奇怪的机器呢。
后来一问护士,才知道那就是医用空压机在工作呀。
护士姐姐跟我说,这医用空压机就像是医院里的“大力士”,能提供稳定可靠的压缩空气呢。
它可以给一些医疗设备供气,比如呼吸机啥的。
你想啊,要是没有它,那些病人呼吸不顺畅的时候可咋办呀!
它还能用于牙科治疗呢。
我记得我那次看到牙医那边也有个小小的空压机,牙医说有了它才能让那些工具好好工作,给病人把牙齿处理得干干净净、健健康康的。
而且啊,这医用空压机还挺耐用的,就一直默默地在那工作着,为病人的健康保驾护航。
它虽然不是最起眼的那个,但绝对是不可或缺的呀!
总之呢,这医用空压机虽然看起来不咋起眼,但作用可大着呢,是医疗工作中非常重要的小伙伴哟!咱可不能小瞧了它呀!哈哈!。
医用空气压缩机医用空气压缩机(英文名:Medical air compressor)是为需要气源的医疗保健设备提供充足、洁净的气源,上海岭泉实业发展有限公司专业生产医用空压机,质量过硬,品质优良。
适用于牙科治疗设备、制氧机设备、呼吸机设备、医药气动设备等。
概述《2013-2017年中国医用空气压缩机行业产销需求与转型升级分析报告》数据显示,我国的医用空气压缩机行业的市场规模均为8%以上的增速增长,2010-2011年增长率甚至超过了28%,市场规模扩张迅速。
随着空气压缩机的行业的不断发转,越来越多的企业进入气压缩机行业,越来越多的人对气压缩机行业青睐,同时很多企业脱颖而出,例如上海岭泉实业发展有限公司为一家专业空压机及后处理设备的知名企业,主要经营产品:医用空压机、一体式空压机、吸附式干燥机(吸干机)、模块式吸干机及过滤器等等,并可提供压缩空气系统解决方案。
然而,在规模如此巨大的市场上,过去很长一段时间由外资企业掌握绝大部分市场。
2009年度,我国医用空气压缩机行业共有生产企业近400家,其中内资企业数量接近90%,实现销售收入总额约为60亿元,占全行业的40%;外资企业数量接近10%,实现销售收入总额约为90亿元,占全行业的60%。
简介医用空气压缩机主要是为需要气源的医疗保健设备提供充足、洁净的气源,适用于牙科治疗设备、制氧机设备、呼吸机设备、医药气动设备等。
工作原理医用空压机是属于微型无油往复活塞式压缩机,电机单轴驱动曲轴错角为180°分布的两组曲柄摇杆机构,主运动副为活塞环,付运动副为铝合金圆柱面,运动副之间由活塞环自润滑而不需添加任何润滑剂。
压缩机通过曲柄摇杆的往复运动使圆柱面气缸的行程容积发生周期性变化,电机运转一周,每组气缸的行程容积将各有两次方向相反的变化。
当活塞向轴运动时,气缸容积增大,缸内为负压,这时大气压大于气缸内压力,空气通过进气阀进入气缸,此时为吸气过程:当活塞向盖运动时,进入气缸内的气体受到压缩,气体内的压力迅速增加,当压力大于排气腔压力时,排气阀被打开,此时为排气过程。
单轴双缸的结构使压缩机排气量为单缸的两倍,由于错角为180°分布的曲柄摇杆机构使得压缩机产生的振动和噪音得到了很好的改善,整体结构更加紧凑。
主要特点1、体积小紧凑、合理的结构设计,有效的降低了产品的占地面积。
2、噪音低输出气体平稳无波动、合理的减震降噪设计,最大限度减少噪音污染。
3、抑菌内喷涂采用最新纳米抗菌喷涂技术,能有效抑制大肠埃希氏菌、金黄色葡萄球菌、白色念珠菌等。
4、安装方便只需与用气设备连接,然后接通电源即可正常工作。
5、使用寿命长按规定使用,使用寿命超过15000小时6、免维护无油润滑设计,解决了普通空压机定期加油保养和因漏油造成的环境污染。
技术参数产品名称:医用空压机电压/频率:可定制功率:0-4000W 产品特点:性能可靠、维修率低、震动小、噪音低、体积小、耗电省、外型美观、操作简单、免维护、移动方便、连续运转性能稳定、使用寿命长。
操作规程与维护要点空压机是不少企业主要的机械动力设备之一,保持空压机安全操作是非常必要的。
严格执行空压机操作规程,不仅有助于延长空压机的使用寿命,而且能确保空压机操作人员安全,下面我们来了解一下空压机操作规程。
一、在空压机操作前,应该注意以下几个问题:1.保持油池中润滑油在标尺范围内,空压机操作前应检查注油器内的油量不应低于刻度线值。
2.检查各运动部位是否灵活,各联接部位是否紧固,润滑系统是否正常,电机及电器控制设备是否安全可靠。
3.空压机操作前应检查防护装置及安全附件是否完好齐全。
4.检查排气管路是否畅通。
5.接通水源,打开各进水阀,使冷却水畅通。
二、空压机操作时应注意长期停用后首次起动前,必须盘车检查,注意有无撞击、卡住或响声异常等现象。
三、机械必须在无载荷状态下起动,待空载运转情况正常后,再逐步使空气压缩机进入负荷运转。
四、空压机操作时,正常运转后,应经常注意各种仪表读数,并随时予以调整。
五、空压机操作中,还应检查下列情况:1.电动机温度是否正常,各电表读数是否在规定的范围内。
2.各机件运行声音是否正常。
3.吸气阀盖是否发热,阀的声音是否正常。
4.空压机各种安全防护设备是否可靠。
六、空压机操作2小时后,需将油水分离器、中间冷却器、后冷却器内的油水排放一次,储风桶内油水每班排放一次。
七、空压机操作中发现下列情况时,应立即停机,查明原因,并予以排除。
1.润滑油终断或冷却水终断。
2.水温突然升高或下降。
3.排气压力突然升高,安全阀失灵。
压机操作动力部分须遵照内燃机的有关规定执行。
维护保养为了使空压机能够正常可靠地运行,保证机组的使用寿命,须制定详细的维护计划,执行定人操作、定期维护、定期检查保养,使空压机组保持清洁、无油、无污垢。
主要部件维护保养参照下表进行:注意:A.按上表维修及更换各部件时必须确定:空压机系统内的压力都已释放,与其它压力源已隔开,主电路上的开关已经断开,且已做好不准合闸的安全标识。
B.压缩机冷却润滑油的更换时间取决于使用环境、湿度、尘埃和空气中是否有酸碱性气体。
新购置的空压机首次运行500小时须更换新油,以后按正常换油周期每4000小时更换一次,年运行不足4000小时的机器应每年更换一次。
空气压缩机C.油过滤器在第一次开机运行300-500小时必须更换,第二次在使用2000小时更换,以后则按正常时间每2000小时更换。
D.维修及更换空气过滤器或进气阀时切记防止任何杂物落入压缩机主机腔内。
操作时将主机入口封闭,操作完毕后,要用手按主机转动方向旋转数圈,确定无任何阻碍,才能开机。
E.在机器每运行2000小时左右须检查皮带的松紧度,如果皮带偏松,须调整,直至皮带张紧为止;为了保护皮带,在整个过程中需防止皮带因受油污染而报废。
F.每次换油时,须同时更换油过滤器。
G.更换部件尽量采用原装公司部件,否则出现匹配问题,供应商不会负责。
清洁散热空压机每运行2000h左右,为清除散热表面灰尘,需将风扇支架上的冷却器吹扫孔盖打开,用吹尘气枪对冷却器进行吹扫,直至散热表面灰尘吹扫干净。
尚若散热表面污垢严重,难以吹扫干净,可将冷却器卸下,倒出冷却器内的油并将四个进出口封闭以防止污物进入,然后用压缩空气吹除两面的灰尘或用水冲洗,最后吹干表面的水渍。
装回原位。
切记!勿用铁刷等硬物刮除污物,以免损坏散热器表面。
排冷凝水空气中的水分可能会在在油气分离罐中凝结,特别是在潮湿天气,当排气温度低于空气的压力露点或停机冷却时,会有更多的冷凝水析出。
油中含有过多的水份将会造成润滑油的乳化,影响机器的安全运行,可能引起的原因;1.造成压缩机主机润滑不良;2.油气分离效果变差,油气分离器压差变大;3.引起机件锈蚀;因此,应根据湿度情况制定冷凝水排放时间表。
排放方法冷凝水的排放方法、应在机器停机、油气分离罐内无压力、充分冷却、冷凝水得到充分沉淀后进行,如早上开机前。
1、先打开放气阀排除气压2、拧出油气分离罐底部的球阀前螺堵。
3缓慢打开球阀排水,直到有油流出,关闭球阀。
4拧上球阀前螺堵。
维护建议安全阀在整机出厂前已调定,供应商不提倡用户私自调整安全阀。
如确需调整,则应在当地劳动安全部门或供应商维修人员指导下进行,以免造成不良后果。
对一般用户,提供一些压缩机维护建议,用户可参考实行。
①、每周:a.检查机组有无异常声响和泄漏b检查仪表读数是否正确c.检查温度显示是否显示正常。
②、每月:a.检查机内是否有锈蚀、松动之处,如有锈蚀则去锈上油或涂漆,松动处上紧b.排放冷凝水。
③、每三个月:a.清除冷却器外表面及风扇罩、扇叶处的灰尘b.加注润滑油于电动机轴承上c.检查软管有无老化、破裂现象d.检查电器元件,清洁电控箱。
压缩机补油在运行状态下,压缩机的油位应保持在最低与最高油位之间,油多会影响分离效果,油少会影响机器润滑及冷却性能,在换油周期内,如果油面低于最低油位,应及时补充润滑油,方法是:①、停机等内压释放完毕(确认系统无压力),拉下电源总开关。
②、打开油气分离罐上的加油口,补充适量的冷却润滑油。
③、空气压缩机正常运行后的换油时间参见定期维护保养表。
清洗方法空压机长期运行会导致设备被水垢堵塞,将会使效率降低、能耗增加、寿命缩短。
如果水垢不能被及时地清除,就会面临设备维修、停机或者报废更换的危险。
长期以来传统的清洗方式如机械方法(刮、刷)、高压水、化学清洗(酸洗)等在对空压机清洗时出现很多问题:不能彻底清除水垢等沉积物,并对设备造成腐蚀,残留的酸对材质产生二次腐蚀或垢下腐蚀,最终导致更换设备,此外,清洗废液有毒,需要大量资金进行废水处理。
企业可采用高效环保清洗剂避免上述情况,其具有高效、环保、安全、无腐蚀特点,不但清洗效果良好而且对设备没有腐蚀,能够保证空压机的长期使用。
福世泰克清洗剂(特有的添加湿润剂和穿透剂,可以有效清除用水设备中所产生的最顽固的水垢(碳酸钙)、锈垢、油垢、粘泥等沉淀物,同时不会对人体造成伤害,不会对钢铁、紫铜、镍、钛、橡胶、塑料、纤维、玻璃、陶瓷等材质产生侵蚀、点蚀、氧化等其他有害的反应,可大大延长设备的使用寿命。
控制噪音空压机噪声污染的控制噪声是人们不需要的一种声音,是一种公害已经提升到日程需要加以解决,噪声的污染是多方面的,但是对于空压机噪声的污染分类有下,噪声级在40dBA 以上,对于睡眠就有不同程度的影响,长时间暴露在噪声之下,要引起永久性耳聋,往往好会引起消化不良、精神不佳、恶心呕吐、甚至出现人身伤亡事故。
空压机是量大面广的通用机械产品,广泛应用于机械、矿山、化工及建筑等部门,它所产生的噪声级别高、影响大,已经成为重要的环境噪声污染源之一,从生产到制造各个部门来说,解决空压机噪声问题可以一步提高产品的质量,解决空压机噪音能大大有助于改善民生和环境污染,空压机噪音污染需要合理的控制,国家已经在这方面加大了投资力度,噪声污染也是环境污染的一个重要因素,生活在工厂或公路附近的人们,或多或少会受到机械设备以及汽车的噪声的困扰。
将噪声污染指标作为考核工厂和生活环境的指标,早就被国家列入环境保护达标的指数当中。
那么,设备生产供应商也应该有责任、有义务通过技术手段来减低机械设备运行过程中的噪声污染,更好的营造低分贝工作以及生活环境。
注意事项空气压缩机1、空气压缩机应停放在远离蒸汽、煤气迷漫和粉尘飞扬的地方。
进气管应装有过滤装置。
空气压缩机就位后,应用垫块对称楔紧。
2、经常保持贮存罐外部的清洁。
禁止在贮气罐附近进行焊接或热加工。
贮气罐每年应作水压试验一次,试验压力应为工作压力1.5倍。
气压表、安全阀应每年作一次检验。
3、操作人员应经专门培训,必须全面了解空气压缩机及附属设备的构造、性能和作用,熟悉运转操作和维护保养规程。