工程优质结构创优计划书范本(doc 57页)
- 格式:doc
- 大小:7.40 MB
- 文档页数:62
2023年某工程优质结构创优方案范本一、背景为了满足社会发展对工程建设的需求,我们将在2023年启动某工程项目,该项目旨在建造一个具有优质结构的建筑。
优质结构是指具有较高的耐久性、安全性和舒适性,并且在设计、材料和施工方面达到较高的质量标准。
本方案将详细介绍如何通过创新的设计理念、先进的材料和技术以及严格的施工管理来实现优质结构。
二、设计理念1. 全局观念:在设计初期,必须充分考虑项目的整体规划,包括建筑的形态、结构布局、功能分区等。
通过全面的规划,可以避免设计中的瑕疵和不协调之处。
2. 环境友好:在设计过程中,需要考虑到环境保护和可持续发展的要求。
借鉴绿色建筑的概念,采用节能、减排、循环利用等方法来降低对环境的影响。
3. 结构可靠:结构的可靠性是优质结构的基础。
通过采用先进的结构分析和计算方法,确保建筑在自重、风荷载、地震等情况下的稳定性和安全性。
4. 舒适体验:在设计过程中,要注重人的舒适感受。
如通过合理的采光设计、通风系统、隔音措施等,提高居住者的舒适度和生活质量。
三、材料选择1. 高性能混凝土:采用高强度、高耐久性的混凝土材料,以提高建筑的抗压强度和耐久性。
同时,混凝土中添加适量的化学添加剂,以改善混凝土的工作性能和抗裂性能。
2. 高性能钢材:选用高强度、高韧性的钢材,以提高建筑的抗拉强度和韧性。
同时,在设计中合理设置钢材的布置和连接,以确保结构的稳定性和可靠性。
3. 玻璃:选用高性能的隔热玻璃,以提高建筑的隔热性能。
在设计中,要合理设置玻璃的朝向和尺寸,以最大限度地利用自然光线。
4. 可再生材料:在材料选择中,优先考虑可再生材料,如竹木材料和再生型纤维材料。
这些材料具有较低的碳排放和资源消耗,符合可持续发展的原则。
四、施工管理1. 技术研发:在施工过程中,要注重技术研发和创新。
引入先进的施工技术和设备,提高施工效率和质量。
同时,加强与科研机构和高校的合作,推动施工技术的创新和应用。
2. 质量控制:建立严格的质量控制体系,确保施工过程中的每一个环节都符合设计要求和质量标准。
工程优质结构创优计划书工程优质结构创优计划书一、背景随着国民经济的发展和人民生活水平的不断提高,住宅、商业、工业建筑的需求呈现出不断增长的趋势。
而在建筑业中,工程结构的质量是保证建筑安全和长期使用的关键。
然而在实际施工中,由于各种因素的影响,工程结构存在着诸多不足之处,需采取措施加以改进提升。
本计划书旨在通过优质结构创优计划,提高工程结构质量,提升建筑安全和使用性能,促进建筑产业的可持续发展。
二、目标1. 提高工程结构质量2. 提升建筑安全和使用性能3. 促进建筑产业的可持续发展三、内容1. 加强对工程结构设计的监督和管理制定行业标准,规范工程结构设计流程,防止出现设计中存在的漏洞和隐患。
依托现有技术手段,建立起对工程结构设计的全流程监管机制。
2. 加强对工程结构材料的监管和管理严格执行材料标准,严禁使用假冒伪劣建材。
开展对建材供应商的信用评价,建立健全材料供应链。
对工程现场的材料需定期进行检测和质量抽检。
3. 加强工程结构建设过程的监管和管理建立健全施工现场监管机制,加强对施工现场的质量监督,以确保工程结构建设过程中的质量安全。
在施工前进行全面检查,严格按照工程设计程序施工。
4. 强化对工程结构使用的管理建立健全工程结构使用档案和台账,对工程结构的使用情况进行跟踪、监测和评估。
发现问题及时进行整改,修复已有缺陷问题,确保工程结构的使用安全和性能。
5. 推广科技创新和优质工程结构技术注重科技创新,探索研发适应新型建筑结构的材料和技术,推广行业先进的工程结构施工技术和管理经验。
加强国际合作,引进国外先进的工程结构技术和理念,不断提升国内工程结构的水平和标准。
四、计划实施1. 资金投入本计划以官方拨款、企业投资和银行贷款为主要资金来源,以健全的财务管理体系确保资金的有效使用。
2. 重点领域本计划的重点领域为住宅、商业、工业建筑的工程结构,重点关注对地下结构及建筑物外墙抗震性能的提升。
3. 推进机制建立健全加强工程优质结构创优计划的推进机制,设立专项管理组织负责计划的实施,定期评估本计划的实施情况。
某工程优质结构创优方案范本优质结构是指在工程项目中,通过合理的设计和施工方法,使得建筑物具有较高的质量和性能。
优质结构创优方案是为了提高建筑物的耐久性、安全性、舒适性和经济性而制定的一系列措施和方法。
本文将以具体案例为背景,为某工程项目制定一份优质结构创优方案。
一、项目背景和目标本项目是某大型商业综合体的建设工程,由多栋高层建筑组成,总建筑面积约10万平方米,包括商业用房、办公用房和住宅用房等。
项目的目标是打造一个现代化、高品质的商业综合体,满足市场需求,并确保建筑物的质量和性能达到国家标准要求。
二、优质结构创优方案1. 综合设计优化:通过合理的设计优化方案,全面考虑结构的安全性、经济性和施工可行性。
采用先进的软件模拟分析方法,模拟不同负荷和地震情况下的结构响应,在设计阶段就能够发现潜在问题,并及时采取措施解决。
2. 优质材料选用:优先选用高品质、可靠的建筑材料,如高强度混凝土、高性能钢材等。
在选材过程中,严格按照国家标准和相关规范进行验收,确保材料的品质合格。
3. 施工技术创新:采用先进的施工技术,如模块化构件、预制装配等。
这些技术能够提高施工效率和施工质量,并降低施工期间的风险。
4. 强化结构监测:在施工和运营期间设置结构监测系统,实时监测结构的变形和应力情况。
通过监测数据的分析,可以及时发现结构问题,采取相应措施修复。
5. 良好的维护管理:建成后,建立完善的维护管理制度,定期进行设备和结构的维护保养,保证建筑物的长期使用性能和安全性。
6. 绿色环保设计:在设计阶段考虑建筑物的节能、减排和环保性能,如合理进行采光设计、使用节能设备等。
同时,在施工过程中严格控制施工对环境的影响,减少噪音、尘土污染等。
7. 做好安全防护工作:加强建筑施工安全管理,确保工人和周围居民的人身安全。
采取必要的安全措施,如设立安全警示牌、设置安全防护设施等,并定期组织安全培训。
8. 优化设备配置:合理配置建筑物的设备,如通风、空调、消防系统等。
一、工程概况(一)建设概况1、工程名称:×2、工程地址:×3、建设单位:×4、设计单位:×5、勘察单位:×6、监理单位:×7、施工单位:×(二)设计概况1、建筑设计特点(一)模板工程质量创优原则1、模板制作,保证规格尺寸精确,棱、角平直光洁,面层平整,拼缝严密。
新制作模板进行检查验收和试组装,并按规格类型编号标记。
钢模板及其支架、零部件有防锈蚀办法。
2、模板安装,根据施工方案保证模板位置线、轴线、标高、垂直度、构造构件尺寸、门窗、孔洞位置等符合设计规定。
跨度等于或不不大于4m粱板模板按设计规定起拱,起拱高度宜为跨度1/1000至3/1000。
起拱线要顺直,不得有折线。
3、高层构造工程,采用分层分段支模办法,模板竖向支架、支柱底部支承在土层地基时,基土必要坚实,并铺设垫板;雨期施工有排水和防基土沉陷办法。
底部支承在下层楼板顶面时,铺设垫板。
4、模板安装拼缝严密平整,不漏浆、不错台、不跑模,不涨模、不变形。
封堵缝隙胶条、压缝软管或塑料泡沫条等物,不得突出模板表面,严防浇入混凝土内。
预埋件、螺栓、插铁、水、电管线、箱盒,埋设位置尺寸精确,固定牢固。
5、构造工程后浇带或施工缝模板安装位置、留置形式符合规范和设计规定,并安装牢固,保证留茬截面齐整和钢筋位置精确。
节点、板墙与顶板交角和楼梯、阳台、檐口、腰线、滴水槽等模板,保证尺寸精确,棱角顺直、拼缝平整。
6、混凝土接茬处施工缝模板安装前,预先将己硬化混凝土表面层水泥薄膜或松散混凝土及其砂浆软弱层剔凿、清理干净。
7、模板拆除时,构造混凝土强度符合规范和设计规定:A、侧模板拆除时,混凝土强度以能保证其表面及棱角不因拆模而受损坏,预埋件或外露钢筋插铁不因拆模碰挠而松动。
B、底模及其支架拆除,混凝土强度符合下表规定。
底模拆除时混凝土强度规定制或经验算在构造底部增设暂时支撑。
悬挑构造均加暂时支撑。
目录一、工程概况: (2)二、结构优质工程创建意义: (2)三、创建目标: (3)四、创建措施: (3)1。
组织措施:32。
质量体系运行管理:43。
工序控制流程图:64。
结构专项治理落实措施:65。
质量通病的防治:75。
1 模板工程主要质量通病的防治 (7)5。
2 钢筋工程主要质量通病的防治 (8)5。
3 砼工程主要质量通病的防治 (8)5。
4 砌体工程主要质量通病的防治 (9)6。
新技术新工艺推广及应用:10一、工程概况:本工程由咸阳中医学院集资建设,西安现代建筑设计有限责任公司设计,陕西工程监理有限公司监理,浙江欣捷建设有限公司西安分公司施工。
本工程由一个单位工程构成,总建筑面积为:31410.27㎡,地下1层地上26层,剪力墙结构,其中地下室1148。
53㎡,住宅234户。
地下停车库一层,建筑面积3484。
51㎡,属于框架结构。
以上总建筑面积为34894.78㎡。
建筑耐火等级为一级,本工程建筑设计等级为二级,屋面防水等级为Ⅱ级。
工程按丙类建筑进行抗震设防,所在地区地震基本烈度为8度,设计采用的抗震设防烈度为8度,建筑结构安全等级为二级,结构设计使用年限为50年,建筑场地类别为II类。
计划总工期为640日历天,我公司于2011年12月15日开工,拟于2013年9月15日竣工;钢筋工程采用现场制作,现场绑扎。
钢筋接头主要采用电渣压力焊和直螺纹套筒;模板工程采用现场拼装式,主要材料采用60*80mm方木及18mm厚胶板,Φ48钢管支撑体系,立杆支撑全部采用U 型顶托;砼采用商品砼;砌体工程为煤矸石保温环保空心砖。
二、结构优质工程创建意义:“百年大计,质量第一",一个工程一般使用几十年至上百年,它是人们生活或工作集中的地方和场所,而一个工程质量的好坏,结构质量是关键。
它涉及到人民生命财产的安全,所以要狠抓质量,创优质工程。
贯彻部、省、地市对质量要求的各项文件精神。
建设精品工程,树立行业新风尚,使工程质量跃上一个新台阶。
优质结构工程创优规划方案一、引言结构工程是现代建筑工程的重要组成部分,对它的质量要求非常高。
为了提高结构工程的质量,我们需要制定优质结构工程创优规划方案,来指导并推动结构工程的发展与创新。
本文将从以下几个方面进行规划:1)提高工艺和技术水平;2)加强质量管理与监督;3)建立创新机制;4)培养专业人才。
二、提高工艺和技术水平为了提高结构工程的质量,我们应该不断提升工艺和技术水平。
具体可采取以下措施:1)加强技术研发:增加科研投入,完善工艺和技术创新平台,鼓励技术人员开展科学研究,推动结构工程技术的突破和革新。
2)加强人才引进与培养:增加结构工程领域的人才引进渠道,聘请国内外知名专家来指导工程实践并培养本土专业人才。
3)推进建设工地智能化:引入先进的建设管理系统和设备,实现建设过程的智能化和信息化。
三、加强质量管理与监督为了确保结构工程的质量,我们需要加强质量管理与监督。
具体可采取以下措施:1)建立健全质量管理体系:完善工程质量管理体制,建立一套科学、规范、有效的质量管理体系,确保工程质量的稳定和可靠。
2)严格质量监督检查:加强对结构工程的质量监督,加大对施工过程中的关键节点和难点的监督力度,及时发现和解决质量问题,保证工程质量的安全和可靠。
3)加强工程验收:严格按照国家相关标准和规范进行工程验收,确保结构工程的质量符合相关要求。
四、建立创新机制为了推动结构工程的创新发展,我们需要建立创新机制。
具体可采取以下措施:1)鼓励工程创新和技术革新:建立奖励机制,鼓励企业和个人在结构工程领域进行创新和技术革新,提高工程质量和效率。
2)加强行业协作与合作:促进结构工程领域的企业之间加强合作与协作,共同推动行业创新发展,实现优势互补和资源共享。
3)加大对新技术的应用推广:加大对新材料、新工艺和新技术的研发和应用推广力度,推动结构工程的创新与发展。
五、培养专业人才为了提高结构工程的质量,我们需要培养专业人才。
具体可采取以下措施:1)完善教育培训体系:建立完善的结构工程人才培养体系,重视教育和培训,提高结构工程人才的专业素质和技能水平。
结构质量创优计划和措施一、工程概况;1、工程地址:工程位于南京市江宁区禄口街道正阳路;2、建设单位:南京市江宁区禄口街道办事处3、设计单位:江苏龙腾工程设计有限公司4、监理单位:南京明达建设监理公司5、施工单位:海通建设集团有限公司6、结构层数;地上11层、15层,基础类型:桩基;7、工程结构为框架-剪力墙,,建筑场地类别为II级,抗震设防裂度7度,框架抗震等级为三级,剪力墙抗震等级为三级。
二、目标策划与管理质量创优计划:一次性合格率100%。
为保证本工程的质量目标的顺利取得,工程开工前就开始展开了一系列的质量控制措施。
三、结构创优措施一、人员安排在开工前,由公司组建一个具有一定施工经验的项目管理班子:项目经理任德明;技术负责人梁新成;施工员雍本强;安全员任大明、石守伯、陈晶;质量员曾城;资料员孙海燕等人员组成。
为了实现本工程质量目标,公司在项目开展期间,技术科、质量科、总工程师,对项目部的工程质量实行全面监督。
在项目部建立一套质量管理运行体系。
(1)项目部质量管理体系(2)项目部质量管理运行体系在明确项目部质量管理体系,建立项目部质量营行体系的同时,针对工程的施工特点,对施工班组人员的组织,根据施工人员以前所施工的质量状况,确定正式人员。
木模班:由这几年多次做过市优质结构工程的木工班人员组成。
钢筋班:由这几年每年同木模班紧密合作,一道施工,在钢筋翻样、制作、绑扎上面技术过硬的钢筋班人员组成。
砼工班:这几年长期施工结构工程,有混凝土浇捣技术专长的泥工班人员组成。
水电班:这几年长期参加高层施工,在南京市有影响的工程中承担过安装施工的人员组成。
为了配合以上班组施工,外架子的搭设是否质量过关,也至关重要。
所以,挑选了行业当中,专门从事高层外脚手架搭设,能够熟练操作的人员组成架子搭设班。
以上这几班人员,所施工的工程质量,只要在项目部的正确指挥下面,一定能达到项经部所确定的质量目标。
建立健全的岗位责任制度,要让每个在本工地工作人员清楚自己的岗位的职责。
合肥御景城1#、2#、7#楼工程创优措施安徽省第二建筑工程公司二〇一四年五月一号目录前言 (5)第一节编制依据 (5)第二节工程概况 (6)1 工程建设概况 (6)2 工程结构设计概况 (6)第三节质量目标 (7)第四节质量创优措施..................................................................................................................... 第一章组织机构.. (8)第一节质量管理领导小组 (8)第二节成立QC活动小组 (8)第二章质量保证体系及质量责任制 (9)第一节项目质量保证体系 (9)第二节项目主要人员责任制 (10)1 项目经理质量责任制 (10)2 技术负责人质量责任制 (10)3 项目质量员质量责任制 (11)4 项目施工员质量责任制 (12)5 项目测量员质量责任制 (12)6 项目材料员质量责任制 (13)7 项目班组长质量责任制 (14)8 岗位工人质量责任制 (14)第三章工程质量的预控及施工过程控制措施 (15)第一节工程质量的预控 (15)1 进行质量意识的教育 (15)2 加强对分包的培训 (15)3 加强对图纸及规范的学习 (15)4 加强合同的预控作用 (15)第二节施工过程质量控制 (16)1 坚持质量例会制度 (16)2 建立工序管理点 (17)3 做好施工中的技术复核 (18)4 坚持样板开路制度 (18)5 落实质量奖罚制度 (19)6 原材料质量控制 (19)第四章工程施工质量保证措施 (21)第一节测量工程质量保证措施 (21)1 施工准备 (21)2 平面测量质量控制措施 (21)3 高程测量质量控制措施 (23)第二节模板工程质量保证措施 (24)1 模板工程施工质量控制要点 (24)2 模板工程施工防止质量问题的保证措施 (27)3 模板工程质量标准及检验方法 (31)4 剪力墙模板施工质量保证措施 (32)第三节钢筋工程质量保证措施 (37)1 钢筋工程质量控制要点 (37)2 钢筋工程质量通病防治措施 (40)第四节混凝土工程质量保证措施 (51)1 混凝土工程质量控制要点 (51)2 混凝土工程质量通病防治措施 (53)第五节砌体工程质量保证措施 (61)1 砌体工程质量控制要点 (61)2 砌体工程质量标准及检验方法 (62)第五章季节性施工保证措施 (66)第一节雨期施工保证措施 (66)第二节冬期施工保证措施 (68)第三节高温季节施工保证措施 (71)第六章工程质量的检验与验收 (72)第一节认真落实三检制度 (72)1 “三检”制度 (72)2 有关“三检”的管理制度 (73)第二节做好隐蔽验收工作 (73)1 隐验程序 (73)2 隐验要求 (73)第七章工程质量的持续改进 (74)第八章工程资料的管理措施 (76)第一节施工技术资料的管理和流程 (76)第二节管理职责 (76)第三节施工技术资料编制整理 (76)第四节施工技术资料管理基本规定 (77)第五节施工技术资料的管理原则 (77)第九章质量通病防治措施导则前言为保证御景城住宅小区项目工程实现合肥市“优质结构工程”质量目标,根据本工程特点编制“优质结构工程”创优措施,在本工程中贯彻执行。
某工程优质结构质量创优方案(经典)第1页XXXXXXXXXXXX#楼工程质量创优方案XXXXXXXXXXXXXXX年XXX月第2页目目录录一、工程概况一、工程概况11二、工程建设目标二、工程建设目标112.1质量目标12.2安全及文明施工目标12.3环境保护目标2三、工程创优计划三、工程创优计划22四、质量管理体系的建立四、质量管理体系的建立334.1创优组织机构34.2质量管理职责34.3质量控制体系的运作44.3.1质量总控制流程44.3.2各阶段的质量控制措施54.4工程质量管理制度7五、质量创优技术措施五、质量创优技术措施995.1各分项工程质量控制措施95.1.1钢筋工程95.1.2模板工程.115.1.3混凝土工程.135.1.4砌体工程.165.1.5土方回填工程.185.1.6一般抹灰工程.185.1.7室内涂料工程.205.1.8防水工程.215.2其它细部质量控制措施.235.2.1外墙面砖.235.2.2塑钢门窗.24第3页5.2.3木门安装及油漆.245.2.4室外散水.245.2.5交叉污染的防治.24六、材料的试验管理六、材料的试验管理2424七、工程技术资料的管理七、工程技术资料的管理25257.1资料的分类管理.257.2资料的重点管理内容.26八、成品保护八、成品保护27278.1成品保护内容.278.2半成品保护.278.3混凝土结构工程成品保护.288.4砌体成品质量保护.298.5门窗成品质量保护.298.6装饰成品质量保护.308.7屋面防水成品保护.308.8交工前成品保护措施.31第1页一、工程概况一、工程概况本工程为XXXXXXXXXXX楼,位于位于XXXXXXXXXXXXXXXXXX。
本工程建筑面积为10416.06m2,地下二层,地上左侧为16层塔式高层住宅,右侧为18层塔式高层住宅。
XXXXXXXXXX日开工,计划于XXXXXXXXXXX日竣工,合同工期480天。
编制人:审核人:编制日期:第一章工程概况第二章工程创优策划与措施一、创优目标(一)、安全文明施工:重大安全事故发生率为“零”,确保区、市文明工地。
(二)、工程质量总体要求:优良,创市优质结构杯,争创“泉城杯”。
二、创优策划(一)、管理体系策划1、建立一个强有力的项目管理机构及配备各级管理人员:创优总指挥:xxx担任工程创优总指挥,领导和组织整个施工过程的创优策划和实施。
项目经理:xxx负责落实创优策划和实施计划。
项目副经理:xxx全面有效地组织落实创优的各项具体工作。
技术负责人:xxx负责创优策划方案的审核及创优内业资料的管理。
负责施工组织设计、施工方案、施工技术措施的编制,负责各号房分部分项工程的技术交底,工程总结和创优工程的演示资料的编制和整改措施。
专职资料员:xxx负责各单体的技术资料的整理和归档,工程施工记录资料、各类文件资料的收集、整理,负责创优资料的整理,负责各种材料的试验工作。
专职质量员:xxx负责制定创优计划,建立质量考核制度、质量例会制度、质量奖罚制度,负责对施工过程进行过程控制、检查、督促和工序验收工作。
生产负责人:xxx负责整个工程的施工任务,认真贯彻和执行创优方案,并负责向生产班组进行交底,组织好班组自检、互检工作。
项目材料员:xxx负责对进入现场的施工原材料、半成品、成品进行规格、型号、数量、质量、产品合格证进行验收。
对不符合要求的施工原材料、半成品、成品或无产品合格证的应立即清退出场。
2、工程创优管理机构图(二)、施工组织管理策划1、由质量管理小组负责,认真执行《建筑工程施工质量验收规范》GB50300-2013,落实工程实施方案,让全体施工人员学习标准,了解规范,用规范标准指导施工。
2、实行分工负责,对工程各个部位,指定专人进行指导、检验、管理。
质量小组成员均为质量责任人。
3、执行“样板引路”每项工作开始前先按要求做样板,经检验合格后方可大面积展开施工。
4、有针对性的做好施工技术和质量标准交底工作,并及时纠正作业偏差。
2024年某工程优质结构创优方案范本1.引言在2024年,某工程面临着诸多挑战和机遇。
为了确保该工程的质量和可持续性,我们需要制定一套优质结构创优方案,以确保工程的成功实施。
2.目标该优质结构创优方案的主要目标是:- 提高工程的结构安全性和可靠性;- 降低工程的施工成本;- 增强工程的可持续性和环境友好性;- 确保工程能够满足未来的可扩展性和变化需求。
3.优质结构创优方案3.1 深入调研和分析在制定优质结构创优方案之前,我们需要对该工程的背景、地质情况、设计要求和可行性进行深入的调研和分析。
这将为我们提供必要的信息和数据,以便制定出切实可行的优质结构创优方案。
3.2 结构设计优化在工程的结构设计阶段,我们将采用先进的计算机模拟和优化技术,对各种结构方案进行分析和优化。
通过优化设计,可以最大程度地减少结构的材料使用量,提高结构的承载能力和安全性。
3.3 施工工艺创新在工程的施工阶段,我们将采用创新的施工工艺和技术,以提高施工效率和质量。
例如,我们可以采用预制装配式建筑技术,以减少现场施工时间和成本,并提高结构的一致性和可靠性。
3.4 质量管理和控制在整个工程过程中,我们将实施严格的质量管理和控制措施,以确保工程的质量和可靠性。
我们将建立完善的质量管理体系,包括质量检查、质量记录和质量纠正等措施,以减少可能出现的质量问题和风险。
3.5 可持续性和环境友好性在工程的策划和设计阶段,我们将注重可持续性和环境友好性。
我们将采用节能、节水和减少碳排放的技术和措施,以减少对环境的影响,并提高工程的可持续性和低碳性。
3.6 可扩展性和变化适应性在工程的规划和设计阶段,我们将考虑未来的可扩展性和变化需求。
我们将留出足够的空间和资源,以便在未来根据需求的变化进行调整和扩展,以确保工程的长期可持续发展。
4.总结通过制定上述优质结构创优方案,我们可以确保工程的质量和可持续性。
该方案将通过优化设计、创新施工工艺、严格质量管理和环境友好技术等措施,提高工程的结构安全性和可靠性,并降低工程的施工成本。
项目工程创优计划本工程确定创烟台市优质结构工程,项目部成立专门领导小组,以项目经理为组长,做好各项创优准备工作,认真学习创优标准,从资料的收集整理到现场的过程控制等的每一个环节,都要按照市优质结构的标准要求去做。
资料收集方面:需甲方提供的各项审批文件,开工前向甲方索要并保存,过程中的影像资料,安排专人录制,对每一道工序均留下影像资料。
施工过程中积极采取一系列的保证措施,确保创优目标的实现。
1.1施工技术保证措施1.1.1全体技术、质量人员在主任工程师的领导下,熟悉图纸,领会设计意图,发现图纸问题并进行汇总,作好图纸会审,与设计院共同做好会审记录和设计变更洽商。
1.1.2将图纸和设计变更洽商及时通知到有关施共人员,将问题解决在施工之前。
1.1.3认真编制施工组织计、施工方案、施工技术交底,并通过分次交底会,既口头又书面地向操作人员交底,让操作人员对自己要完成的项目事先心中有数。
1.1.4 根据工程实际情况,找出工程难点,组织质量攻关,研究建筑质量通病,采取预防措施。
1.1.5 做好测量、试验、计量等技术保障和复核工作,提供准确无误的数据。
1.1.6根据“建筑工程专项施工方案编制指南”有关规定要求,本工程以下分项工程在施工前需单独编制“建筑工程专项施工方案”,具体如下:(1)模板支撑工程专项施工方案;(2)防水工程专项施工方案;(3)砌体工程专项施工方案;上述专项施工方案有关施工技术质量要求详见具体的专项施工方案。
1.2施工过程控制措施1.2.1采取抓重点,抓关键的原则,对每个重点项工程都要进坚持高标准,出精品。
1.2.2测量工作是施工全过程的基础工作,每个部位每次测量放线完成后,必须坚持责任复核验线,根据规程由技术、质量、监理复验签认,确保放线的准确。
1.2.3每道工序工程施工前必须由技术,生产人员进行技术交底后才得以施工。
1.2.4坚持“样板间”、“样板工序制度”新公项新工序,工程开始前必须做“样板”,“样板”鉴定达标后,才得以大面积铺开,铺开后的工程不得低于“样板”的标准。
工程优质结构创优计划书范本(doc 57页)XXX工程优质结构创优计划书编制:审核:审批:陕西建工第一建设集团有限公司年月日陕建一建创优策划书第1章编制依据1.1. 招标文件、投标文件、施工合同及本公司对建设单位的承诺等文件;1.2. XXX工程设计图纸;1.3.ISO9001(2008版)质量管理体系标准;1.4. 国家现行建筑工程施工质量验收标准、规范、及法律法规;1.5.国务院《建设工程质量管理条例》;1.6.陕西省建设工程技术资料整编手册;1.7. 公司发布的《质量手册》、《程序文件》、《作业指导书》及其实施细则,公司其它有关质量的文件和规定。
第2章工程概况建设单位:XXX;勘察单位:XXX;设计单位:XXX;监理单位:XXX;施工单位:XXX;图审机构:XXX;质量监督部门:XXX。
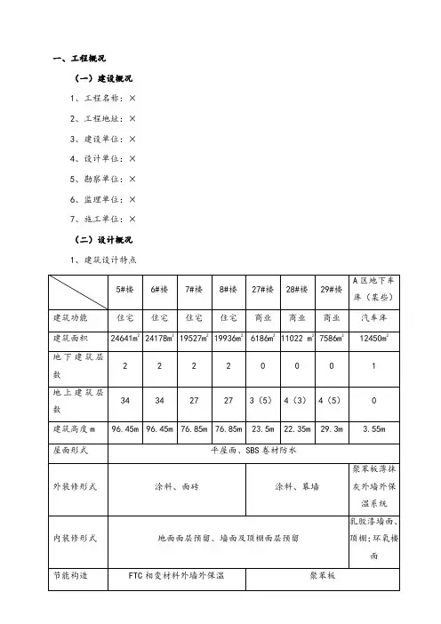
本工程位于X处,由B-8#、B-9#、B-10#楼及地下车库组成。
桩筏基础,主体结构类别为全现浇钢筋混凝土剪力墙结构;建筑工程等级为一级;结构安全等级为二级;地基基础设计等级为甲级;地下室防水等级为一级;抗震设防烈度为8度;工程结构的使用年限为50年。
建筑高度Xm;建筑面积为X㎡,地上X层,地下X层。
第3章工程质量方针与创优目标3.1 质量方针系统思考、持续改进、全面发展。
3.2创优目标3.2.1 单位工程一次验收合格。
3.2.2 质量目标:合格,省级结构示范工程,争创“长安杯”。
3.2.3 管理目标:达到“陕西省文明工地”和“陕西省绿色施工示范工程”标准。
3.2.4 安全目标:杜绝死亡重伤事故。
第4章项目部创优组织机构4.1组织机构本项目质量管理机构如图所示。
对质量、技术全面负责1、 编制和检查技术方案的实施。
2、 检查监督施工质量、 严格控制质量标准,主管 项目质量体系运行,收集 工程创优资料。
受法人委托对工程质量负第一领导责任协调生产与质量的关系 总工长生产 安全科控制过程精品, 保证合格产品劳务队及各班组技术质量科技术负责人预算科负责投标工作、变更签证 办理竣工决算以及分包方 工程款结算,把好结算关施 工 员试 验 员质 量 员材 料 员预 算 员测 量 员安 全 员项目副经理协助项目经理,主持项目的日常生产、质量管理材料科严把材料的进场 检验关,确保 材料合格。
质量管理机构图项目经理4.2质量管理运行:质量管理运行图施工员签发任务书报送材料部门申请施工材料 施工任务下发班组 技术交底下达班组自检合格填写隐、预验申请 组织验收自检不合预检、隐蔽工程验收 不合组织材料进场 班组执行施工操作施工过程监督检查,由劳务队工长或班组长进行自检返工施工合格 对工程质量进行验资料质量监理验收 不合进入下一道工序合格4.3质量保证体系第5章质量岗位责任制和质量管理制度5.1创建优质工程领导小组岗位责任序号分工姓名职务工作任务1 组长XXX 项目经理负责质量定职定岗,形成工程创优管理班子。
2 副组长XXX 项目副经理组织实施施工方案技术措施,组织过程监控。
3 副组长XXX项目技术组织方案优化,协调各个施工方案的统一,积极协项目经技术总总工长栋号长工长安全员质量员资料试验员XX材料员测量员工长栋号长工长栋号长项目副负责人 调土建施工,保证同土建同步进行,验证方案的实施效果。
领导新技术、新材料、新工艺的开发应用和本项目的培训工作,指导项目开展QC 小组活动。
4副组长XXX总工长 5 组 员 XXX 8#楼栋号长 按分工组织各分项工程施工,对分项质量把关,执行质量预防措施和纠正措施,建立施工记录,进行技术交底,组织隐检预检。
6 组 员 XXX 9#楼栋号长 7 组 员 XXX 10#楼栋号长 8组 员 XXX测量员对测量成果负责 9组 员 XXX 质量员负责材料半成品质量验收,过程产品质量监控、验收、组织三检,评定记录。
10组 员XXX 材料员 对原材料、构配件质量把关。
11 组XXX 资料试对技术资料把关,归类员验员整编。
负责原材料、过程产品的试验,试验数据真实、有效。
5.2项目部应建立的质量管理制度5.2.1技术交底与样板制度为避免不必要的返工和提高工程质量,结合质量管理体系的要求,建立技术交底与样板制度,项目部必须严格执行。
5.2.2质量例会制度为及时通报工程质量信息,通过奖优罚劣,促进工程质量的提高,项目部建立质量例会制度。
5.2.3质量检查制度为及时发现工程施工中的质量隐患,确保工程质量,根据质量体系文件要求,特建立本项目部的质量检查制度。
5.2.4工序交接及“三检”制度为保证工程质量,根据《建筑工程施工质量验收统一标准》(GB50300—2001)和质量体系程序文件要求建立工序交接“三检”制度,项目部和各施工班组必须严格执行。
5.2.5材料检验制度原材料的好坏直接关系到工程质量关键问题,把好材料供应关,做好供方的评审工作,合格供方和合格材料方可采购,并做好验证工作,严格进行检查验收,不合格材料严禁使用,并及时进行退货清场。
从源头上消除影响建筑工程的不合格因素,本项目特制订本制度。
5.2.6项目部评比及奖罚制度项目经理部按项目工资总额的一定比例作为质量、安全奖励基金,由项目质量、安全管理领导小组考核使用。
做到职责明确、奖罚分明,充分调动全体员工,搞好工承制量的积极性,坚持做到奖罚兑现。
5.2.7质量与经济挂钩制度为保证工程质量、实现计划目标,项目部建立一套工程质量管理体系,完善各项管理制度,把各项内容,计划目标作为一项硬指标,与经济利益挂钩,对目标计划未实现,项目管理人员扣工资总额的一定比例,目标计划实现,公司给予表彰,经济奖励、晋级等。
按照“谁分管,谁负责”的原则,明确任务和目标,分清职责,严格遵循一级抓好一级。
5.2.8挂牌制度建筑、安装工程施工项目,必须实行挂牌制度,使整个项目成员都了解国家有关方针、政策、法令、法规及公司有关规定制度。
了解工程中所使用的机械操作规程,了解工程中所用建筑材料、技术指标参数,使用方法和工艺。
第6章工程创优目标分解6.1工程质量目标分解序号分部工程子分部工程分项工程合格率1 地基与基础土方工程土方回填100% 地下防水防水混凝土,卷材防水层,涂料防水层100% 混凝土基础模板、钢筋、混凝土,后浇带混凝土,混凝土结构缝处理100%2 主体结混凝土结构模板、钢筋、混凝土,预应力、现浇结构100% 砌体结砖砌体,非承重多孔砖、空心构构砖,填充墙砌体3 建筑装饰装修地面整体面层:基层,水泥混凝土面层,水泥砂浆面层板块面层:基层,地砖面层,花岗岩面层100%4 建筑装饰装修抹灰一般抹灰,装饰抹灰100% 门窗塑钢门窗安装100% 轻质隔墙GRC轻质隔墙100% 饰面板(砖)饰面板安装,饰面砖粘贴100% 涂饰水性涂料涂饰,溶剂型涂料涂饰,美术涂饰100% 细部橱柜制作与安装,窗帘盒、窗台板和暖气罩制作与安装,门窗五金制作与安装,护栏和扶手制作与安装,花饰制作与安装100%5 建筑屋面卷材防水屋面保温层,找平层,卷材防水层,细部构造100% 涂膜防水屋面保温层,找平层,涂膜防水层,细部构造100%6.2新技术、新工艺、新材料应用目标分解根据本工程的设计情况,对新技术应用的特点和难点进行分析,拟定采用的新技术见下表,并按照省级科技示范工程的要求,组织开展新技术应用、管理活动。
工程初步拟采用的新技术、新工艺、新材料项目表序号应用项目应用内容应用部位1 地基基础和地下空间技术1、复合土钉墙支护技术基坑周边2 高性能混凝土技术1、清水混凝土技术基础、主体3 高效钢筋与预应力技术1、粗直径钢筋直螺纹连接技术2、HRB400级钢筋应用技术基础、主体4 新型模板及脚手架应用技术1、附着式升降脚手架应用技术2、清水混凝土模板技术施工全过程5 安装工程应用技术1、给水管卡具连接技术2、火警自动报警系统3、综合布线系统4、电缆热缩头制作技术施工全过程7 建筑节能与环保应用技术1、新型墙体材料应用技术主体、装修2、外墙外保温技术(大模内置)阶段8 建筑防水新技术应用1、新型防水卷材应用建筑屋面及地下室防水9 施工过程测量技术1、全站仪、激光铅垂仪应用基础、主体10 建筑企业管理信息化技术1、项目管理信息化技术施工全过程6.3开展QC小组活动目标分解成立QC小组,针对施工创优的重点、难点问题,开展QC活动。
本项目确定的课题为《提高Ⅲ级钢筋直螺纹连接合格率》和《提高外保温在楼层间连接处的施工质量》。
第7章工程质量过程管理7.1工程质量预控措施7.1.1质量意识教育项目工程师编制质量意识教育计划。
计划内容包括每两周对项目管理人员进行质量意识教育,每周对施工作业人员进行质量意识教育,教育内容包括质量方针、质量目标、项目质量计划、技术法规、规程、工法和质量验评标准。
通过教育提高管理人员和施工操作人员自觉贯彻我公司质量管理体系运行程序,提高工作质量意识,人人树立百年大计、质量第一的思想。
7.1.2对劳务分包的技术质量管理对劳务分包严格考察,选择管理水平高、技术水平强的队伍,进场进行技术工艺再培训和质量教育,建立分包责任制,分包方要服从项目部统一的技术质量管理,对其施工的分项制定质量指标。
7.1.3物资供应商的选择物资供应商在项目考察的合格供应商中择优确定,采用全方位、多角度的选择方式,选定信誉最好的物资供方。
7.1.4材料采购和进场管理材料进场严格执行检验制度,由材料员、专职质量员检查材料规格、名称、型号、数量、合格证、检测报告,把好材料质量关,对特殊及贵重的材料要项目经理、项目工程师与材料员共同验收。
对易燃、易爆材料要单独存放,对易碎、易损材料搬运时要书面交底。
所有进场材料要质量把关,存放适当,收发台帐明细,有保护措施,收集检测报告、材质证明及合格证。
7.1.5技术准备工程应分阶段组织技术、预算、施工准备人员熟悉图纸,报业主组织图纸会审,提前解决图纸问题。
在施工过程对图纸存在问题及时反馈给业主和设计院。
组织施工人员学习技术规范、规程、标准,还要学习应用新材料、新技术、新工艺的施工要求,按规范施工,结合创建科技示范工程,保证精品工程的实现。
7.1.6合同约束,促工程质量任何进场施工劳务方均要和项目部签订劳务合同,对所承担的工程任务,项目部提出质量要求,合同中注明价格、质量标准,责、权、利明确。
加强合同管理是提高工作效益必不可少的手段,要严格执行合同,奖优罚劣,措施强硬。
7.2过程质量控制7.2.1对劳务方的管理对劳务方特别是主体劳务承包方的管理要以合同为依据,生产、技术、质量、安全、物资、文明施工等均以合同来约束,条款清楚,责、权、利分明,使他们分担一定的风险。
把分包方纳入到项目部统一进行管理,分包施工队伍必须要有自己的管理模式,无条件接受项目部的指挥。
对出现的质量问题不论大小不能轻易放过,为工程创优做好基础和铺垫工作。