2017-2018学年高中化学苏教版必修1课时跟踪检测:(十九) 二氧化硫的性质和作用 Word版含解析
- 格式:doc
- 大小:332.00 KB
- 文档页数:8
课时跟踪检测(十九) 二氧化硫的性质和作用1.关于SO2的表达中,正确的选项是()A.SO2是一种无色无味的气体B.SO2在空气中很容易被氧气氧化C.可以用排水法收集SO2气体D.相同条件下,SO2密度比空气大解析:选D SO2有刺激性气味,A项错误;SO2与O2不易反响,需要在一定条件下才可发生反响,B项错误;SO2易溶于水,不能用排水法收集,C项错误.2.以下变化不属于化学变化的是()A.SO2使品红溶液褪色B.氯水使有色布条褪色C.活性炭使红墨水褪色D.H2O2水溶液使染料褪色解析:选C A、B、D都是通过发生化学反响使有色物质褪色.而C是通过活性炭的吸附作用将有色物质吸附从而使颜色褪去,为物理变化 .3.以下关于SO2的说法中,不正确的选项是()A.SO2是硫及某些含硫化合物在空气中燃烧的产物B.SO2具有漂白性,可以使品红溶液褪色C.SO2与水反响生成H2SO4D.SO2是一种大气污染物,它主要来自于化石燃料的燃烧解析:选C SO2与H2O反响生成的是H2SO3 ,而不是H2SO4 .4.检验SO2中是否混有CO2气体,可采用的方法是()A.通过品红溶液B.先通过NaOH溶液,再通过澄清石灰水C.通过澄清石灰水D.先通过酸性KMnO4溶液,再通过澄清石灰水解析:选D A项检验的是SO2;B项不管是否混有CO2都不会产生白色沉淀;C项不管有没有CO2都会产生白色沉淀;D项酸性KMnO4溶液将SO2完全吸收,再通过澄清石灰水,假设有白色沉淀,说明一定有CO2;假设无沉淀,那么无CO2 .5.以下说法正确的选项是()A.因为SO2具有漂白性,所以它能使品红溶液、溴水、酸性KMnO4溶液、石蕊溶液褪色B.能使品红褪色的不一定是SO2C.SO2、漂白粉、活性炭、Na2O2都能使红墨水褪色,其原理相同D.盐酸能使滴有酚酞的NaOH溶液褪色,所以盐酸也有漂白性解析:选B A项,SO2能使品红溶液褪色,利用了其漂白性,使溴水、高锰酸钾溶液褪色,利用其复原性,SO2不能使石蕊溶液褪色,错误;B项,使品红溶液褪色的可能是SO2、Cl2、H2O2、O3等,正确;C项,活性炭具有吸附性,SO2利用其和有色物质的结合,漂白粉和过氧化钠利用其氧化性,原理不同,错误;D项,是盐酸和NaOH发生中和反响,错误.6.能与SO2气体起反响,但无沉淀产生的是()①溴水②Ba(OH)2溶液③石灰水④Na2CO3溶液⑤稀H2SO4⑥H2S⑦Na2SO3溶液A.①B.①④⑤C.④⑥⑦D.①④⑦解析:选D有关反响为①Br2+2H2O+SO2 = = =2HBr+H2SO4②SO2+Ba(OH)2 = = =BaSO3↓+H2O③SO2+Ca(OH)2 = = =CaSO3↓+H2O④SO2+Na2CO3 = = =Na2SO3+CO2⑤SO2+H2SO4―→不反响⑥SO2+2H2S = = =3S↓+2H2O⑦H2O+SO2+Na2SO3 = = =2NaHSO3对照题意,符合条件的有①④⑦,故答案为D .7.在含有FeCl3和BaCl2的强酸性溶液中通入足量的SO2有白色沉淀生成.由此得出的结论是()①白色沉淀是BaSO4②白色沉淀是BaSO3③白色沉淀是BaSO3和BaSO4的混合物④FeCl3被SO2复原为FeCl2A.①③B.②④C.②③D.①④解析:选D强酸性条件下溶液中发生的反响为2Fe3++SO2+2H2O = = =2Fe2++SO2-4+4H+,Ba2++SO2-4 = = =BaSO4↓ ,故①④正确.8.以下装置可用于收集SO2并验证其某些化学性质,以下说法正确的选项是()选项试剂现象结论A 酸性KMnO4溶液溶液褪色SO2有氧化性B 品红溶液溶液褪色SO2有漂白性242物,能与NaOH反响,2NaOH+SO2 = = =Na2SO3+H2O(或NaOH+SO2 = = =NaHSO3) ,但无明显现象,C项错误;SO2不能漂白石蕊溶液,D项错误 .9.A、B是两种常温下有刺激性气味的气体,将A通入品红溶液中,品红溶液变为无色;将B通入品红溶液中,品红溶液也变为无色.将A通入紫色石蕊溶液中,溶液变为红色;将B通入紫色石蕊溶液中,溶液先变红后褪色.将A和B按1∶1的体积比充分混合,通入品红溶液中,品红溶液不褪色,通入紫色石蕊溶液中,溶液只变红不褪色.试答复以下问题:(1)写出A、B的化学式:A________ ,B________ .(2)写出A与NaOH溶液反响的化学方程式:________________________________________________________________________ , 或________________________________________________________________________ .(3)写出B与NaOH溶液反响的离子方程式:__________________________________________________ .(4)加热通入A后变为无色的品红溶液,现象是__________________;加热通入B后变为无色的品红溶液,现象是________________________________________________________________________ .解析:具有漂白作用、能使品红溶液褪色的气体有Cl2、SO2、O3等.A气体不能使紫色石蕊溶液褪色,但能使紫色石蕊溶液变红色,所以A为SO2;B气体使紫色石蕊溶液先变红后褪色,为Cl2;如果将Cl2与SO2等体积混合,通入溶液中,那么发生以下反响:Cl2+SO2+2H2O = = =H2SO4+2HCl ,生成的盐酸和硫酸都没有漂白作用,但它们能使紫色石蕊溶液变红色.答案:(1)SO2Cl2(2)2NaOH+SO2 = = =Na2SO3+H2ONaOH+SO2 = = =NaHSO3(3)2OH-+Cl2 = = =Cl-+ClO-+H2O(4)变为红色无明显变化10.某化学兴趣小组为了探究常温下某非金属氧化物形成的未知气体的成分,将气体通入澄清石灰水中,发现澄清石灰水变浑浊,持续通入发现浑浊又变澄清,由此该小组成员对气体的成分提出猜测.[提出猜测]猜测1:该气体为CO2 .猜测2:该气体为SO2 .猜测3:_____________________________________________________ .为了验证猜测,该小组设计实验加以探究.[实验探究]该小组同学按如下图装置,将气体从a端通入.(1)B中应该装以下________试剂(填编号) .A.NaCl溶液B.酸性KMnO4溶液C.盐酸D.澄清石灰水(2)A中品红溶液的作用是____________________________________________ .(3)D中澄清石灰水的作用是_________________________________________ .通过该实验,该小组同学观察到以下三个实验现象:①A中品红溶液褪色②C中品红溶液不褪色③D中澄清石灰水变浑浊[得出结论](4)由上述现象,该小组同学确认该气体的成分为:_____________________________________________________________________________________________________ .解析:回忆学过的能使澄清石灰水先变浑浊又变澄清的气体,只有CO2和SO2 ,所以提出的猜测是:①气体为CO2;②气体为SO2;③气体为CO2和SO2的混合气体.要验证气体的成分,必须先验证SO2是否存在,并除尽,再验证CO2气体的存在,因为SO2的存在对CO2的验证有干扰.答案:气体为CO2和SO2的混合气体(1)B(2)验证混合气体中是否含有SO2(3)验证混合气体中是否含有CO2(4)CO2和SO2的混合气体1.SO2溶于水后,所得溶液的性质是()A.有氧化性,无复原性,无酸性B.有氧化性,有复原性,有酸性C.有复原性,无氧化性,无酸性D.有复原性,无氧化性,有酸性解析:选B SO2溶于水,与水反响生成H2SO3 ,H2SO3中S的化合价是+4价,处于中间价态,既有氧化性又有复原性;H2SO3属于二元弱酸,有酸性.2.以下实验能证明SO2存在的是()①能使澄清石灰水变浑浊②能使湿润的蓝色石蕊试纸变红③能使品红溶液褪色④通入足量的NaOH溶液中,再滴加BaCl2溶液有白色沉淀生成,该沉淀溶于稀盐酸⑤通入溴水中能使溴水褪色,再滴加Ba(NO3)2溶液有白色沉淀生成A.①②③④⑤B.⑤C.③④⑤D.无解析:选B①、④CO2也能出现该现象;②HCl等也能出现该现象;③Cl2也能出现该现象.3.以下五种有色溶液与SO2作用,均能褪色,其实质相同的是()①品红溶液②酸性KMnO4溶液③溴水④滴有酚酞的NaOH溶液⑤淀粉碘溶液A.①④B.①②③C.②③⑤D.②③④解析:选C SO2使品红溶液褪色,利用其漂白性;SO2使含酚酞的NaOH溶液褪色,利用其酸性氧化物的性质;SO2使KMnO4(H+)、溴水、淀粉碘溶液褪色,利用其复原性,三者实质相同.4.以下实验|报告记录的实验现象正确的选项是()解析:选C SO2溶于水生成H2SO3 ,溶液呈酸性,通入酚酞溶液中,溶液变无色.通入品红溶液中,品红褪色;c中SO2被氯水氧化为SO2-4,生成硫酸钡白色沉淀,同时因Cl2的消耗,溶液变无色.d中SO2与氢氧化钠反响生成Na2SO3 ,生成BaSO3白色沉淀.5.如以下图,在注射器中参加少量Na2SO3晶体,并吸入少量浓硫酸(以不接触纸条为准) .那么以下有关说法正确的选项是()A.湿润蓝色石蕊试纸先变红后褪色B.湿润品红试纸、蘸有酸性KMnO4溶液的滤纸均褪色证明SO2具有漂白性C.湿润淀粉-KI试纸未变蓝说明SO2不能将I-复原为I2D.实验后,可把注射器中的物质推入NaOH溶液,以减少环境污染解析:选D吸入的浓硫酸与Na2SO3反响,产生SO2气体.SO2的酸性能使蓝色石蕊试纸变红,但SO2不能漂白酸碱指示剂,A项错误;SO2的漂白性使品红褪色,SO2的复原性使酸性KMnO4溶液褪色,B项错误;I-转化成I2是氧化过程,不是复原过程,C项错误.6.以下图是一检验气体性质的实验装置.向装置中缓慢通入气体X ,假设关闭活塞K ,那么品红溶液无变化,而澄清石灰水变浑浊;假设翻开活塞K ,那么品红溶液褪色.据此判断气体X和洗气瓶内液体Y可能是()选项 A B C DX CO SO2CO2Cl2Y 浓H2SO4NaHCO3饱和溶液Na2SO3溶液NaHSO3饱和溶液解析:选B CO和CO2不具有漂白性,A、C选项被排除.B选项,当关闭活塞时SO2与NaHCO3溶液起反响生成CO2 ,使石灰水变浑浊,SO2被吸收,不能使品红褪色.D选项,当关闭活塞时,Cl2与NaHSO3发生反响,NaHSO3被氧化成NaHSO4 ,不产生SO2 ,石灰水不变浑浊.7.如以下图,利用培养皿探究SO2的性质.实验时向Na2SO3固体上滴几滴浓硫酸,立即用另一外表皿扣在上面 .下表中对实验现象的描述或所做的解释不正确的选项是()选项实验现象解释A BaCl2溶液变浑浊SO2与BaCl2溶液反响产生了BaSO3沉淀B Na2S溶液变浑浊SO2与Na2S溶液反响产生了S单质C KMnO4溶液褪色SO2具有复原性D 品红溶液褪色SO2具有漂白性解析:选A在Na2SO3固体上滴几滴浓硫酸,发生复分解反响产生SO2 .A项,SO2遇BaCl2溶液假设可以发生反响:BaCl2+SO2+H2O = = =BaSO3↓+2HCl ,由于酸性HCl>H2SO3 ,反响产生的BaSO3溶解变为BaCl2、SO2和H2O ,即不会发生上述变化,错误;B项,SO2具有氧化性可以和Na2S反响生成单质,溶液变浑浊,正确;C项,KMnO4有氧化性,SO2具有复原性,二者会发生氧化复原反响而使KMnO4溶液褪色,正确;D项,SO2具有漂白性,可以使品红溶液褪色,正确.8.如以下图所示是实验室制取SO2并验证SO2某些性质的装置图.试答复:(1)⑥中发生反响的化学方程式为________________________________________________________________________________________________________________ .(2)①中的实验现象为________ ,此实验证明SO2是________氧化物.(3)②中的品红溶液________ ,证明SO2有________性 .(4)③中的实验现象是________ ,证明SO2有________性.(5)④中的实验现象是________ ,证明SO2有________性.(6)⑤的作用是________ ,反响的化学方程式为________________________________ .解析:根据SO2的化学性质及实验室制备SO2的反响原理答复以下问题.答案:(1)Na2SO3+H2SO4(浓) = = =Na2SO4+SO2↑+H2O(2)石蕊溶液变红酸性(3)褪色漂白(4)出现黄色浑浊氧化(5)褪色复原(6)吸收多余的SO2 ,防止污染空气SO2+2NaOH = = =Na2SO3+H2O9.用以下图所示实验装置进行SO2性质的探究实验 .(1)装置A中发生反响的离子方程式为________________________ ,G装置的作用________________________________________________________________________ .(2)简述检查该装置气密性的方法_____________________________________________________________________________________________________________ .(3)能够证明SO2具有复原性、氧化性的实验装置依次为______和________(用字母表示) ,观察到的现象依次是____________________、____________________ .(4)假设要证明酸性:H2CO3>H2SiO3,那么应观察到的实验现象有________________________________________________________________________ .解析:(1)A中浓硫酸与亚硫酸氢钠反响生成二氧化硫气体和水,反响的离子方程式为HSO-3+H+ = = =SO2↑+H2O;SO2属于污染空气的气体,不能排放到大气中,空气中的CO2气体也会和F中的Na2SiO3溶液反响生成白色沉淀,所以G装置的作用是吸收尾气,防止CO2进入F .(3)SO2能与溴水发生反响,化学方程式为SO2+Br2+2H2O = = =2HBr+H2SO4 ,S元素由+4价升高到+6价,表达了SO2的复原性,SO2能与Na2S发生反响,化学方程式为SO2+2Na2S+2H2O = = =3S↓+4NaOH ,该反响SO2中的硫元素由+4价降低到0价,表达了SO2的氧化性,那么能够证明SO2具有复原性、氧化性的实验装置依次为C和B ,观察到的现象依次是C中溴水褪色,B中出现淡黄色沉淀.(4)D装置能生成CO2 ,根据 "强酸制弱酸〞原理,CO2和SO2都能和Na2SiO3溶液反响生成白色沉淀,需要先验证SO2被除去,然后再验证酸性H2CO3>H2SiO3,所以假设要证明酸性:H2CO3>H2SiO3,那么应观察到的实验现象有E中品红不褪色,F中出现浑浊.答案:(1)HSO-3+H+ = = =SO2↑+H2O吸收尾气,防止CO2进入F(2)G中加水至|没过导管口,微热A中圆底烧瓶,假设G中有气泡产生,停止加热,冷却后导管末端形成一段水柱,说明气密性良好(3)C B C中溴水褪色B中出现淡黄色沉淀(4)E中品红不褪色,F中出现浑浊。
课时达标训练(十一) 氧化还原反应1.下列有关氧化还原反应的叙述正确的是( )A .金属单质在反应中只作还原剂B .非金属单质在反应中只作氧化剂C .金属原子失电子越多其还原性越强D .Cu 2+比Fe 2+的氧化性强,Cu 比Fe 的还原性强2.[双选]下列化学反应中电子转移的表示方法正确的是( )A.B .C .D .3.实验室常利用以下反应制取少量氮气:NaNO 2+NH 4Cl=====△NaCl +N 2↑+2H 2O ;关于该反应的下列说法正确的是( )A .NaNO 2是氧化剂B .每生成1 mol N 2时,转移电子的物质的量为6 molC .NH 4Cl 中的氮元素被还原D .N 2既是氧化剂,又是还原剂4.[双选]已知①I 2+SO 2+2H 2O===H 2SO 4+2HI ,②2FeCl 2+Cl 2===2FeCl 3,③2FeCl 3+2HI===2FeCl 2+2HCl +I 2,下列判断正确的是( )A .氧化性:FeCl 3>Cl 2>I 2B .氧化性:Cl 2>FeCl 3>I 2C .还原性:SO 2>HI>FeCl 2D .还原性:SO 2>FeCl 2>HI5.[双选]ClO 2是一种杀菌效率高、二次污染小的水处理剂。
实验室可通过以下反应制得ClO 2:2KClO 3+H 2C 2O 4+H 2SO 4=====△2ClO 2↑+K 2SO 4+2CO 2↑+2H 2O ,下列说法正确的是( )A .KClO 3在反应中得到电子B .H 2C 2O 4在反应中被氧化C .ClO 2是氧化产物D .1 mol KClO 3参加反应有2 mol 电子转移6.已知Co 2O 3在酸性溶液中易被还原成Co 2+,Co 2O 3、Cl 2、FeCl 3、I 2氧化性依次减弱。
下列反应在水溶液中不可能发生的是( )A .3Cl 2+6FeI 2===2FeCl 3+4FeI 3B .Cl 2+FeI 2===FeCl 2+I 2C .Co 2O 3+6HCl===2CoCl 2+Cl 2↑+3H 2OD .2FeCl 3+2KI===2FeCl 2+2KCl +I 27.已知下列5个反应,试从氧化还原反应的角度,回答下列问题。
课时跟踪检测(四)物质的分散系1.2015年12月中、下旬,我国华北地区多次出现大雾,大雾弥漫,能见度降低,使多条高速公路全线封闭。
雾属于下列哪种分散系( )A.乳浊液B.溶液C.胶体 D.悬浊液解析:选C 雾属于胶体。
2.下列物质的水溶液能导电但属于非电解质的是( )A.NH3·H2O B.Cl2C.NH4HCO3 D.SO2解析:选D 选项中四种物质的水溶液均能导电,是否属于非电解质,要按非电解质的概念判断。
电解质、非电解质的范畴是化合物,B是单质,不符合题意;SO2水溶液虽能导电,是因为SO2与水反应生成H2SO3,H2SO3电离出H+和HSO-3使溶液导电,而不是SO2直接电离出导电离子,D项符合题意。
3.下列叙述中正确的是( )A.固体氯化钠不导电,所以氯化钠是非电解质B.铜丝能导电,所以铜是电解质C.氯化氢水溶液能导电,所以氯化氢是电解质D.三氧化硫溶于水能导电,所以三氧化硫是电解质解析:选 C 固体氯化钠在熔融状态或水溶液中能因自身电离出自由移动的离子而导电,所以NaCl是电解质,选项A错误。
铜是单质,不是化合物,选项B错误。
SO3本身不能电离出自由移动的离子,SO3是非电解质选项D错误。
4.大气污染中,PM2.5是主要污染物之一,PM2.5 是指大气中直径约为2.5微米的颗粒物,也称为可吸入肺颗粒物。
根据以上信息你认为下列分散质中分散质粒子直径与PM2.5最接近的是(1微米=10-6 m)( )A.石灰水 B.豆浆C.泥水 D.蔗糖水解析:选C Ca(OH)2和蔗糖分散到水中形成均一、稳定的水溶液,分散质粒子直径小于10-9m;泥水中夹带泥沙,属浊液,分散质粒子直径大于10-7m;豆浆是一种胶体,分散质粒子直径在10-9m到10-7m之间。
空气中PM2.5颗粒直径为2.5微米,为2.5×10-6 m,故浊液中分散质粒子直径与PM2.5最接近。
5.用特殊方法把固体加工到纳米级(直径为1~100 nm,1 nm=10-9m)的超细粉末微粒。
课时跟踪检测(十九)二氧化硫的性质和作用1.关于SO2的叙述中,正确的是()A.SO2是一种无色无味的气体B.SO2在空气中很容易被氧气氧化C.可以用排水法收集SO2气体D.相同条件下,SO2密度比空气大解析:选D SO2有刺激性气味,A项错误;SO2与O2不易反应,需要在一定条件下才可发生反应,B项错误;SO2易溶于水,不能用排水法收集,C项错误。
2.下列变化不属于化学变化的是()A.SO2使品红溶液褪色B.氯水使有色布条褪色C.活性炭使红墨水褪色D.H2O2水溶液使染料褪色解析:选C A、B、D都是通过发生化学反应使有色物质褪色。
而C是通过活性炭的吸附作用将有色物质吸附从而使颜色褪去,为物理变化。
3.下列关于SO2的说法中,不正确的是()A.SO2是硫及某些含硫化合物在空气中燃烧的产物B.SO2具有漂白性,可以使品红溶液褪色C.SO2与水反应生成H2SO4D.SO2是一种大气污染物,它主要来自于化石燃料的燃烧解析:选C SO2与H2O反应生成的是H2SO3,而不是H2SO4。
4.检验SO2中是否混有CO2气体,可采用的方法是()A.通过品红溶液B.先通过NaOH溶液,再通过澄清石灰水C.通过澄清石灰水D.先通过酸性KMnO4溶液,再通过澄清石灰水解析:选D A项检验的是SO2;B项不管是否混有CO2都不会产生白色沉淀;C项不管有没有CO2都会产生白色沉淀;D项酸性KMnO4溶液将SO2完全吸收,再通过澄清石灰水,若有白色沉淀,说明一定有CO2;若无沉淀,则无CO2。
5.下列说法正确的是()A.因为SO2具有漂白性,所以它能使品红溶液、溴水、酸性KMnO4溶液、石蕊溶液褪色B.能使品红褪色的不一定是SO2C.SO2、漂白粉、活性炭、Na2O2都能使红墨水褪色,其原理相同D.盐酸能使滴有酚酞的NaOH溶液褪色,所以盐酸也有漂白性解析:选B A项,SO2能使品红溶液褪色,利用了其漂白性,使溴水、高锰酸钾溶液褪色,利用其还原性,SO2不能使石蕊溶液褪色,错误;B项,使品红溶液褪色的可能是SO2、Cl2、H2O2、O3等,正确;C项,活性炭具有吸附性,SO2利用其和有色物质的结合,漂白粉和过氧化钠利用其氧化性,原理不同,错误;D项,是盐酸和NaOH发生中和反应,错误。
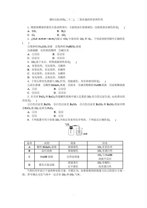
课时达标训练(二十二)二氧化硫的性质和作用1.既能使潮湿的蓝色石蕊试纸变红,又能使品红溶液褪色,还能使溴水褪色的是() A.CO2B.H2SC.Cl2D.SO22.(2016·昆明高一检测)为除去CO2中混有的SO2和O2,下列试剂使用顺序正确的是()①饱和的Na2CO3溶液②饱和的NaHCO3溶液③浓硫酸④灼热的铜网⑤碱石灰A.①③④B.②③④C.②④③D.③④⑤3.SO2溶于水后,所得溶液的性质是()A.有氧化性,无还原性,无酸性B.有氧化性,有还原性,有酸性C.有还原性,无氧化性,无酸性D.有还原性,无氧化性,有酸性4.下列五种有色溶液与SO2作用,均能褪色,其实质相同的是()①品红溶液②酸性KMnO4溶液③溴水④滴有酚酞的NaOH溶液⑤淀粉碘溶液A.①④B.①②③C.②③⑤D.②③④5.在含有FeCl3和BaCl2的强酸性溶液中通入足量的SO2有白色沉淀生成。
由此得出的结论是()①白色沉淀是BaSO4②白色沉淀是BaSO3③白色沉淀是BaSO3和BaSO4的混合物④FeCl3被SO2还原为FeCl2A.①③B.②④C.②③D.①④6.下列装置可用于收集SO2并验证其某些化学性质,下列说法正确的是()7.两位同学设计下述两种实验方案,并都认为,如果观察到的现象与自己的设计方案一致,即可确认无色气体中一定含有SO2和CO2气体。
方案甲:方案乙:请你评价上述两个方案是否严密并说明理由:方案甲:_____________________________________________。
方案乙:________________________________________。
8.如图是实验室制SO2并验证SO2某些性质的装置图,试回答:(1)⑥中发生的化学反应方程式为_____________________________。
(2)①中的实验现象为________________,证明SO2是__________气体。
课时达标训练(四) 物质的分散系1.光束通过下列分散系:①含尘埃的空气;②稀硫酸;③蒸馏水;④墨水,能产生丁达尔效应的是( )A .①②B .②③C .①④D .②④2.(2016·长春高一检测)下列关于Fe(OH)3胶体的叙述中,正确的是( )A .制备Fe(OH)3胶体的化学方程式是FeCl 3+3H 2O=====煮沸Fe(OH)3↓+3HClB .在制备Fe(OH)3胶体的实验中,加热煮沸时间越长,越有利于胶体的生成C .用平行光照射NaCl 溶液和Fe(OH)3胶体时,产生的现象相同D .Fe(OH)3胶体能够吸附水中悬浮的固体颗粒并沉降,达到净水目的3.下列物质的水溶液能导电,但属于非电解质的是( )A .HNO 3B .Cl 2C .NH 3D .NH 4NO 34.下列说法正确的是( )A .某物质不属电解质,就属于非电解质B .SO 3溶于水可导电,SO 3属于电解质C .能导电的物质属于电解质,NaCl 属于电解质,所以NaCl 晶体可导电D .已知氧化铝在熔融状态下能导电,则氧化铝在熔融状态下能电离5.下列物质在水中的电离方程式错误的是( )A .NH 4HCO 3===NH +4+HCO -3B .Ba(NO 3)2===Ba 2++2NO -3C .KAl(SO 4)2===K ++Al 3++2SO 2-4D .Ca(OH)2===Ca 2++(OH)-26.现有以下物质:①NaCl 晶体;②液态SO 3;③液态醋酸;④汞;⑤BaSO 4晶体;⑥纯蔗糖;⑦酒精;⑧熔融KNO 3;⑨O 2。
请回答下列问题(用序号填写)。
(1)以上物质能导电的是________。
(2)以上物质属于电解质的是________。
(3)以上物质属于非电解质的是________。
(4)以上物质溶于水后形成的水溶液能导电的是____________。
(5)以上物质既不是电解质,又不是非电解质的是____________。
课时跟踪检测(二)物质的量1.下列结论中,正确的是()A.摩尔是七个基本物理量之一B.每摩尔物质都含有N A个指定微粒C.1 mol H就是指1 mol氢D.18 g H2O中含有6.02×1023个原子解析:选B物质的量是七个基本物理量之一,摩尔是其单位。
1molH表示1摩尔氢原子,但如果说“1摩尔氢”就违反了使用准则,因为“氢”是元素名称,不是微粒名称,也不是微粒的符号或化学式,不符合要求。
1 mol水的质量在数值上等于其相对分子质量,18 g H2O就是1 mol H2O,一个H2O分子中含有2个氢原子和1个氧原子,故18 g H2O中应含有3 mol原子。
2.下列说法中正确的是()A.1 mol H2SO4的质量为98 g·mol-1B.SO2的摩尔质量为64 g·mol-1C.SO2的摩尔质量与SO2的相对分子质量相等D.1 mol氧的质量为32 g解析:选B A中1 m ol H2SO4的质量是98 g;C中两者数值相等,单位不同;D中1mol氧指代不明。
3.下列有关阿伏加德罗常数的说法,不正确的是()A.6.02×1023就是阿伏加德罗常数,其符号是N AB.0.012 kg C12含有的原子数就是阿伏加德罗常数C.含有阿伏加德罗常数个微粒的物质的量是1 molD.0.1 mol H2中约含有6.02×1022个氢分子解析:选A0.012 kg C12中所含的原子数为阿伏加德罗常数,其符号是N A,6.02×1023mol-1是N A的近似值,而不是准确值,A错误,B、C正确;0.1 mol H2中含有的氢分子数为0.1 mol×6.02×1023mol-1= 6.02×1022,D正确。
4.下列说法正确的是()A.1 mol H2的质量是1 gB.1 mol HCl的质量是36.5 g·mol-1C.Cl2的摩尔质量等于它的相对分子质量D.硫酸根离子的摩尔质量是96 g·mol-1解析:选D 1 mol H2的质量为1 mol×2g·mol-1=2 g,A不正确;质量的单位是g,B不正确;摩尔质量以g·mol-1为单位时,其在数值上等于该物质的相对分子质量或原子质量,C不正确,D正确。
课时跟踪检测(一) 物质的分类与转化1.下列物质属于混合物的是( )①水银 ②空气 ③氯酸钾 ④五氧化二磷 ⑤糖水 ⑥硫粉 ⑦氨气 ⑧盐酸 A .①②⑤⑦ B .①②⑤⑧ C .②⑤⑧D .②③⑤解析:选C 盐酸是氯化氢气体的水溶液属于混合物;空气、糖水也都是混合物。
2.对下列物质分类全部正确的是( )①纯碱 ②食盐水 ③石灰水 ④NaOH ⑤液态氧 ⑥KClO 3 A .碱——①④ B .纯净物——③④⑤ C .盐——①⑥D .混合物——②⑤解析:选C ①纯碱是Na 2CO 3,是盐类,属于纯净物;②食盐水是NaCl 的水溶液,属于混合物;③石灰水是Ca(OH)2的水溶液,属于混合物;④NaOH 是碱类,属于纯净物;⑤液态氧是单质,属于纯净物;⑥KClO 3是盐类,属于纯净物。
3.下列各组物质中,从物质分类的角度看,后者从属于前者的是( ) A .纯净物、混合物 B .金属、非金属 C .纯净物、化合物D .含氧酸、无氧酸解析:选C 纯净物包括单质和化合物。
4.下列反应属于氧化还原反应的是( ) A .2CuO +C=====高温2Cu +CO 2↑ B .CaO +H 2O===Ca(OH)2C .2K 2CrO 4+H 2SO 4===K 2Cr 2O 7+K 2SO 4+H 2OD .NaCl +AgNO 3===AgCl↓+NaNO 3解析:选A 有元素化合价变化的化学反应是氧化还原反应,没有元素化合价变化的化学反应是非氧化还原反应。
A 中铜元素的化合价由+2降为0,碳元素的化合价由0升为+4,属于氧化还原反应。
5.近年来发现,在金星大气层中存在三氧化二碳(C 2O 3),下列物质与它属于同类的是( )A .C 60、O 3B .H 2O 2、N 2O 4C .H 2SO 4、H 2CO 3D .Na 2SO 3、KMnO 4解析:选B 三氧化二碳属于氧化物,A 项两种物质均为单质,C 项两种物质均为酸,D 项两种物质均为盐。
最新江苏专版高中化学必修一课时跟踪检测题(全册共169页附解析)目录课时跟踪检测(一)物质的分类与转化课时跟踪检测(二)物质的量课时跟踪检测(三)物质的聚集状态课时跟踪检测(四)物质的分散系课时跟踪检测(五)物质的分离与提纯课时跟踪检测(六)常见物质的检验课时跟踪检测(七)物质的量浓度课时跟踪检测(八)溶液的配制及分析课时跟踪检测(九)人类对原子结构的认识课时跟踪检测(十)氯气的生产原理及其性质课时跟踪检测(十一)氧化还原反应溴、碘的提取课时跟踪检测(十二)金属钠、碳酸钠的性质与应用课时跟踪检测(十三)离子反应镁的提取及应用课时跟踪检测(十四)铝及铝合金铝的氧化物与氢氧化物课时跟踪检测(十五)从铝土矿中提取铝课时跟踪检测(十六)从自然界获取铁和铜课时跟踪检测(十七)铁、铜及其化合物的应用课时跟踪检测(十八)含硅矿物与信息材料课时跟踪检测(十九)二氧化硫的性质和作用课时跟踪检测(二十)硫酸的制备和性质课时跟踪检测(二十一)硫和含硫化合物的相互转化课时跟踪检测(二十二)氮氧化物的产生及转化课时跟踪检测(二十三)氮肥的生产和使用课时跟踪检测(二十四)硝酸的性质专题质量检测(一)化学家眼中的物质世界专题质量检测(二)从海水中获得的化学物质专题质量检测(三)从矿物到基础材料专题质量检测(四)硫、氮和可持续发展课时跟踪检测(一) 物质的分类与转化一、单项选择题1.下列物质属于混合物的是( )①水银 ②空气 ③氯酸钾 ④五氧化二磷 ⑤糖水 ⑥硫粉 ⑦氨气 ⑧盐酸 A .①②⑤⑦ B .①②⑤⑧ C .②⑤⑧D .②③⑤解析:选C 盐酸是氯化氢气体的水溶液属于混合物;空气、糖水也都是混合物。
2.对下列物质分类全部正确的是( )①纯碱 ②食盐水 ③石灰水 ④NaOH ⑤液态氧 ⑥KClO 3 A .碱——①④ B .纯净物——③④⑤ C .盐——①⑥D .混合物——②⑤解析:选C ①纯碱是Na 2CO 3,是盐类,属于纯净物;②食盐水是NaCl 的水溶液,属于混合物;③石灰水是Ca(OH)2的水溶液,属于混合物;④NaOH 是碱类,属于纯净物;⑤液态氧是单质,属于纯净物;⑥KClO 3是盐类,属于纯净物。
课时跟踪检测(二十一)硫和含硫化合物的相互转化1.下列物质中的硫元素,既有氧化性,又有还原性的是( )A.H2S B.SO2C.SO3 D.H2SO4解析:选B SO2中S的化合价为+4价,处于中间价态,既有氧化性,又有还原性。
2.下列关于氢硫酸、亚硫酸、硫酸的叙述正确的是( )A.它们都是酸,因此彼此不发生反应B.只有亚硫酸可以露置在空气中,其他酸不可以C.鉴别三种酸溶液时,只要分别滴加BaCl2溶液即可D.它们都是二元酸,酸性H2S<H2SO3<H2SO4解析:选D 氢硫酸能与亚硫酸、浓硫酸反应,在空气中能被氧气氧化。
亚硫酸与氢硫酸、O2反应,但不与浓H2SO4反应,故亚硫酸不能露置在空气中;浓H2SO4具有吸水性,不能露置于空气中;向三种酸中加BaCl2溶液,只有H2SO4反应。
3.下列生成二氧化硫的反应中,反应物中的含硫物质被氧化的是( )A.硫在空气中燃烧B.铜片与浓硫酸共热C.红热的木炭与浓硫酸反应D.亚硫酸钠与稀硫酸反应解析:选A 含硫物质中元素化合价升高,才被氧化。
A项,单质硫被氧化;B项、C 项,浓H2SO4被还原;D项,不是氧化还原反应。
4.下列转化需要加入还原剂才能实现的是( )A.H2S―→SO2 B.H2SO4―→SO2C.S―→SO2 D.SO2-3―→SO2解析:选B 加入还原剂后,被还原的硫元素的化合价降低,A项,H2S―→SO2,化合价升高;B项,H2SO4―→SO2,化合价降低;C项,S―→SO2,化合价升高;D项,SO2-3―→SO2,化合价不变。
5.下列物质中,既不与亚硫酸反应又不与SO2反应的是( )A.H2S B.O2C.NaOH溶液 D.S解析:选D 亚硫酸、SO2可以氧化H2S,O2则可氧化亚硫酸、SO2,NaOH与亚硫酸、SO2反应生成Na2SO3和H2O,而S与亚硫酸、SO2均不发生反应。
6.能实现下列物质间直接转化的元素是( )单质――→+O 2氧化物――→+H 2O 酸或碱――→+NaOH 或HCl 盐A .硅B .硫C .铜D .铁解析:选B SiO 2、CuO 、Fe 3O 4均不与水反应生成对应的酸或碱,故A 、C 、D 均错。
专题4 硫、氮和可持续发展第一单元 含硫化合物的性质和应用第1课时 二氧化硫的性质和作用1.能证明SO 2有漂白性的是( )A .酸性KMnO 4溶液中通入SO 2后,紫色消失B .显红色的酚酞溶液中通入SO 2后,红色消失C .品红溶液中通入SO 2后,红色消失D .氯水中通入SO 2后,黄绿色消失2.SO 2和Cl 2都具有漂白作用,能使品红溶液褪色,若将等物质的量的SO 2、Cl 2混合后再通入品红与BaCl 2的混合溶液,能观察到的现象是( )①溶液很快褪色 ②溶液不褪色 ③出现沉淀④不出现沉淀A .①②B .①③C .②③D .②④3.下列试剂中能鉴别SO 2和CO 2的是( )A .湿润的石蕊试纸B .品红溶液C .澄清的石灰水D .HCl 溶液4.为了除去CO 2气体中的SO 2气体,下列对于仪器和药品的组合中合理的是( )仪器:①洗气瓶,②干燥管药品:③固态生石灰,④苏打溶液,⑤小苏打溶液A .①⑤B .②⑤C .①③D .①④5.将SO 2通到显红色的酚酞溶液中,发现红色消失,主要是因为SO 2( )A .有漂白性B .有还原性C .有氧化性D .溶于水后显酸性6.若向一潮湿的容器中通入SO 2和H 2S 气体共1 mol ,充分反应后所得氧化产物比还原产物多8 g ,则通入SO 2和H 2S 的物质的量之比为( )①1∶1 ②1∶2 ③1∶3 ④3∶2A .①③B .②③C .①②D .①④7.下列溶液中,不能用来区别SO 2和CO 2气体的是( )①石灰水 ②H 2S 溶液 ③硫酸酸化的KMnO 4溶液 ④溴水 ⑤酸化的Ba(NO 3)2 ⑥品红溶液A .①②③⑤B .②③④⑤C .只有①D .①③8.强热条件下,硫酸亚铁固体发生分解:2FeSO 4=====△Fe 2O 3+SO 2↑+SO 3↑,如将此反应生成的气体通入BaCl 2溶液中,则( )①析出BaSO 3沉淀 ②析出BaSO 4沉淀 ③逸出SO 3气体 ④逸出SO 2气体A .①②B .①④C .②④D .③④ 9.某学生课外活动小组利用右图所示装置分别进行如下实验:(1)向试管中注入某红色溶液,加热试管,溶液颜色逐渐变浅,冷却后恢复红色,则原溶液可能是______________溶液;加热时溶液由红色逐渐变浅的原因是_______________ ________________________________________________________________________。
二氧化硫的性质和应用一、选择题1.下列物质不属于“城市空气质量日报"报道的是( )A.SO2B.氮氧化合物C.CO2D.悬浮颗粒解析:SO2、氮的氧化物、悬浮颗粒均属于环境污染的方面。
CO2不属于引起环境污染的一个方面,只是含量的增多会导致温室效应.答案:C2.关于SO2的叙述中不正确的是()A.它可使石蕊试液褪色B.它与水作用生成H2SO3C.它能使溴水褪色D.等物质的量的Cl2和SO2通入品红溶液中,品红不褪色解析:SO2是酸性氧化物,溶于水生成亚硫酸SO2+H2O H2SO3,亚硫酸是中强酸,可使石蕊试液变红色,但不能使石蕊试液褪色,故A错误、B正确。
由于SO2中的硫元素呈+4价,具有还原性,能与Cl2、Br2发生氧化还原反应:SO2+X2+2H2O===H2SO4+2HX,故C、D均正确。
3.检验二氧化硫气体中是否混有二氧化碳气体,可采用的方法是( )A.通过品红溶液B.通过澄清石灰水C.先通过氢氧化钠溶液,再通过澄清石灰水D.先通过酸性高锰酸钾溶液,再通过澄清石灰水解析:二氧化硫和二氧化碳通入澄清石灰水都有沉淀生成,气体过量沉淀都消失,无法用澄清石灰水检验二氧化硫气体中是否混有二氧化碳;可先用酸性高锰酸钾除去二氧化硫后,再通入澄清石灰水,如果出现白色沉淀,则证明含二氧化碳。
答案:D4.下列反应中SO2作为氧化剂的是()A.SO2+NO2===SO3+NOB.SO2+Br2+2H2O===H2SO4+2HBrC.SO2+2H2S===3S↓+2H2OD.SO2+2Na2SO3+H2O===2NaHSO3解析: A和B项中,硫元素的化合价升高,SO2作还原剂,D项中的反应不是氧化还原反应。
5.以下四个装置中,你认为用于检验火柴头燃烧可产生SO2的是()解析:应外拉活塞使气体被吸入,进入试管的导气管伸到液面以下,使SO2与酸性KMnO4溶液充分接触发生反应。
答案: B6.下列有关说法正确的是()A.SO2和SO3均是酸性氧化物B.SO2的漂白原理和氯水的漂白原理相同C.在SO2+2H2S===3S↓+2H2O反应中,SO2作氧化剂,其具有很强的氧化性D.把某气体通入澄清的石灰水中,石灰水变浑浊,该气体一定是SO2解析:SO2的漂白是因为SO2能与有色物质化合生成无色物质,氯水的漂白原理利用HClO的强氧化性,B错;SO2在反应时既可表现出氧化性也可表现还原性,但其氧化性较弱,以还原性为主,C 错;能使澄清石灰水变浑浊的可能是CO2,也可能是SO2,D错.答案:A7.下列溶液中能够区别SO2和CO2气体的是()①澄清石灰水;②H2S溶液;③酸性KMnO4溶液;④氯水;⑤品红溶液A.①②③ B.②③④C.②③④⑤ D.全部解析:SO2和CO2均能使澄清石灰水先变浑浊再澄清,所以①不正确。
专题4 硫氮和可持续发展课时1 二氧化硫的主要性质和作用【基础梳理】1.下列关于SO2的说法中,不正确的是()A.SO2是酸性氧化物B.SO2是形成酸雨的主要污染物之一C.SO2与水反应生成H2SO4D.高温下SO2可被催化氧化生成SO32.下列措施不合理的是()A.用SO2漂白纸浆和草帽辫B.用硫酸清洗锅炉中的水垢C.高温下用焦炭还原SiO2制取粗硅D.用Na2S作沉淀剂,除去废水中的Cu2+和Hg2+3.下列变化不属于化学变化的是()A.SO2使品红溶液褪色B.氯水使有色布条褪色C.活性炭使红墨水褪色D.H2O2水溶液使染料褪色4.SO2溶于水所得溶液的性质为()A.有氧化性,无还原性,无酸性B.有氧化性,有还原性,有酸性C.有还原性,无氧化性,无酸性D.有还原性,无氧化性,有酸性5.现有以下几种措施:①对燃烧煤时产生的尾气进行除硫处理②少用原煤做燃料③燃煤时鼓入足量空气④开发清洁能源,其中能减少酸雨产生的措施是()A.①②③B.②③④C.①②④D.①③④6.SO2通入下列溶液中,溶液褪色或变浅,说明SO2具有漂白作用的组合是()①KMnO4(H+,aq)②溴水③碘水④氯水⑤Fe3+(aq)A.①⑤ B.②③C.全部D.都不是7.下列物质:①NaOH、②氯气、③空气、④氢硫酸、⑤Na2SO3、⑥Na2CO3,其中可与SO2在一定条件下发生反应的是()A.①②④⑤B.②④⑤⑥C.②③④⑤D.全部8.检验SO2气体中是否混有CO2气体,可采用的方法是()A.通过品红溶液B.通过澄清石灰水C.先通过NaOH溶液,再通过澄清石灰水D.先通过KMnO4酸性溶液,再通过澄清石灰水9.下列实验:①能使澄清石灰水变浑浊;②能使湿润的蓝色石蕊试纸变红;③能使品红褪色;④通入足量的NaOH溶液中,再滴加BaCl2溶液有白色沉淀生成,该沉淀溶于稀盐酸;⑤通入溴水中能使溴水褪色,且滴加Ba(NO3)2溶液有白色沉淀产生。
课时达标训练(二) 物质的量1.下列说法中正确的是( )A .1 mol H 2中含有6.02×1023个HB .1 mol 氧含有6.02×1023个O 2C .1 mol CaCl 2溶液里含有1 mol 离子D .1 mol H +中含有H +数为N A2.下列说法中正确的是( )A .硫酸的摩尔质量是98 gB .18 g 水中含有水分子数为N AC .O 2的摩尔质量等于其相对分子质量D .1 mol CO 的质量为28 g·mol -13.(2016·石家庄高一检测)a mol H 2SO 4中含有b 个氧原子,则阿伏加德罗常数可以表示为( )A.a 4b mol -1B.b 4amol -1 C.a b mol -1 D.b amol -1 4.下列各组物质中,含原子数最多的是( )A .0.4 mol NH 3B .4 ℃时5.4 mL 水C .10 g 氖气D .3.01×1023个硫酸分子5.O 2、SO 2、SO 3三者的质量比为2∶4∶5时,它们的物质的量之比为( )A .2∶4∶5B .1∶2∶3C .1∶1∶1D .2∶2∶36.设N A 为阿伏加德罗常数的值,下列说法不正确的是( )A .18 g 水中含有的氢原子数为2N AB .46 g 二氧化氮和46 g 四氧化二氮含有的原子数均为3N AC .2 mol 硝酸镁固体中含有的硝酸根离子数为4N AD .1 mol 氧中含有的氧原子数为2N A7.(1)含0.4 mol Al 3+的Al 2(SO 4)3中所含的SO 2-4的物质的量是________。
(2)已知16 g A 和20 g B 恰好完全反应生成0.04 mol C 和31.76 g D ,则C 的摩尔质量为__________。
8.(1)我国自主研制成功的第一台低温超导除铁器,2008年11月2日在北京通过了技术鉴定。
基础课时固基练(19) 二氧化硫的性质和应用1.下列说法中正确的是()A.硫是一种淡黄色的能溶于水的固体B.试管内壁上的硫黄可用二硫化碳清洗C.过量的硫跟铁反应生成Fe2S3,表现了硫单质的氧化性D.硫在空气中燃烧生成二氧化硫,硫在过量氧气中燃烧生成三氧化硫B[硫是一种淡黄色或黄色的固体,难溶于水,故A错误;硫易溶于二硫化碳,试管内壁上的硫黄可用二硫化碳清洗,故B正确;硫和铁反应时,硫得电子作氧化剂,但反应产物为FeS,与铁和硫的用量无关,故C错误;硫在空气中和在氧气中燃烧都只能生成二氧化硫,燃烧产物与氧气的用量多少无关,故D 错误。
]2.如图是收集气体的装置,由a端进气,能收集的气体是()A.CH4B.H2C.CO D.SO2D[CH4、H2密度小于空气的密度,若用该装置收集,应由b端进气,A、B项不符合题意;CO的相对分子质量为28,其密度与空气接近,不能使用排空气法收集,C项不符合题意;SO2的相对分子质量为64,其密度大于空气的密度,若用该装置收集,由a端进气,D项符合题意。
]3.下列变化不属于化学变化的是()A.SO2使品红溶液褪色B.氯水使有色布条褪色C.活性炭使红墨水褪色D.H2O2水溶液使染料褪色C[A、B、D项都是通过发生化学反应使有色物质褪色;而C项是通过活性炭的吸附作用使有色物质颜色褪去,为物理变化。
]4.银耳本身为淡黄色,某地出产一种雪耳,颜色洁白如雪,其制作过程如下:将银耳堆放在密封状况良好的塑料棚内,在棚的一端支一口锅,锅内放硫黄,加热使硫黄熔化并燃烧,两天左右雪耳就制成了。
雪耳炖不烂,且对人体有害,制作雪耳利用的是()A.硫的还原性B.二氧化硫的漂白性C.二氧化硫的还原性D.硫的漂白性B[硫黄燃烧生成的二氧化硫具有漂白性,使淡黄色银耳变成洁白如雪的雪耳。
]5.下列说法不正确的是()A.从性质的角度分类,SO2属于酸性氧化物B.从元素化合价的角度分类,SO2既可作氧化剂又可作还原剂C.从在水中是否发生电离的角度,SO2属于电解质D.从对大气及环境影响的角度,SO2是一种大气污染物C[SO2在水中不能电离,与水反应生成的H2SO3能电离。
课时达标训练(二十二)二氧化硫的性质和作用1.既能使潮湿的蓝色石蕊试纸变红,又能使品红溶液褪色,还能使溴水褪色的是() A.CO2B.H2SC.Cl2D.SO22.(2016·昆明高一检测)为除去CO2中混有的SO2和O2,下列试剂使用顺序正确的是()①饱和的Na2CO3溶液②饱和的NaHCO3溶液③浓硫酸④灼热的铜网⑤碱石灰A.①③④B.②③④C.②④③D.③④⑤3.SO2溶于水后,所得溶液的性质是()A.有氧化性,无还原性,无酸性B.有氧化性,有还原性,有酸性C.有还原性,无氧化性,无酸性D.有还原性,无氧化性,有酸性4.下列五种有色溶液与SO2作用,均能褪色,其实质相同的是()①品红溶液②酸性KMnO4溶液③溴水④滴有酚酞的NaOH溶液⑤淀粉碘溶液A.①④B.①②③C.②③⑤D.②③④5.在含有FeCl3和BaCl2的强酸性溶液中通入足量的SO2有白色沉淀生成。
由此得出的结论是()①白色沉淀是BaSO4②白色沉淀是BaSO3③白色沉淀是BaSO3和BaSO4的混合物④FeCl3被SO2还原为FeCl2A.①③B.②④C.②③D.①④6.下列装置可用于收集SO2并验证其某些化学性质,下列说法正确的是()致,即可确认无色气体中一定含有SO 2和CO 2气体。
方案甲:方案乙:请你评价上述两个方案是否严密并说明理由:方案甲:_____________________________________________。
方案乙:________________________________________。
8.如图是实验室制SO 2并验证SO 2某些性质的装置图,试回答:(1)⑥中发生的化学反应方程式为_____________________________。
(2)①中的实验现象为________________,证明SO 2是__________气体。
(3)②中品红溶液______,证明SO 2有_______性。
4.1.1 课时作业[ 对点训练 ]知识点 1 二氧化硫的性质和作用1.非法商贩在密闭容器中点燃硫黄对馒头进行熏制增白,食用这类馒头会大大损害肾、肝等器官。
这类对馒头增白的方法是利用了 () A.S的漂白性B.SO2的氧化性2的复原性D.SO2的漂白性C.SO【分析】利用了 SO2的漂白性使馒头增白。
【答案】 D2.相关二氧化硫的以下表达中,不正确的选项是 ()A.微溶于水,生成亚硫酸,溶液显酸性B.是大气的主要污染物之一C.能使品红溶液退色2漂白过的食品不可以食用D.用SO【分析】二氧化硫易溶于水, 1 体积水能够溶解40 体积的 SO2。
【答案】 A3.以下反响中 SO2作氧化剂的是 ()A.SO2+ NO2===SO3+NOB.SO2+ Br2+ 2H2O===H2SO4+2HBrC.3Zn+SO2+3H2SO4===3ZnSO4+ H2S↑+ 2H2OD.SO2+ Na2SO3+H2O===2NaHSO3【分析】 SO2作氧化剂,此中 S 元素的化合价应降低,只有 C 项切合题意。
A 项和 B 项中, S 元素的化合价高升, SO2作复原剂。
D 项中的反响是非氧化还原反响。
【答案】 C4 .飘尘是物质焚烧时产生的粒状飘荡物,颗粒很大,不易沉降。
它与空气中的 SO2和 O2接触时, SO2会部分转变为 SO3,使空气的酸度增添,环境污染更加严重。
此中飘尘所起的作用可能是 ()A.氧化剂B.复原剂C.催化剂 D.载体【分析】从题给信息能够看出反响物是 SO2和 O2,生成物质是 SO3。
SO2和 O2反响转变为 SO3需催化剂,所以飘尘可能起催化剂作用。
【答案】 C5 .2气体通入显红色的酚酞试液中,发现红色消逝,将SO主假如因为 SO2)(A.有漂白性B.有复原性C.有氧化性D.溶于水后溶液显酸性【答案】 D【点拨】SO2与水反响生成 H2 3,使溶液碱性减弱,红色消逝。
SO高温6.强热绿矾晶体,除结晶水蒸发外,还发生以下化学反响: 2FeSO4===== 2 3+SO2↑+SO3↑。
课时跟踪检测(十九)二氧化硫的性质和作用1.关于SO2的叙述中,正确的是()A.SO2是一种无色无味的气体B.SO2在空气中很容易被氧气氧化C.可以用排水法收集SO2气体D.相同条件下,SO2密度比空气大解析:选D SO2有刺激性气味,A项错误;SO2与O2不易反应,需要在一定条件下才可发生反应,B项错误;SO2易溶于水,不能用排水法收集,C项错误。
2.下列变化不属于化学变化的是()A.SO2使品红溶液褪色B.氯水使有色布条褪色C.活性炭使红墨水褪色D.H2O2水溶液使染料褪色解析:选C A、B、D都是通过发生化学反应使有色物质褪色。
而C是通过活性炭的吸附作用将有色物质吸附从而使颜色褪去,为物理变化。
3.下列关于SO2的说法中,不正确的是()A.SO2是硫及某些含硫化合物在空气中燃烧的产物B.SO2具有漂白性,可以使品红溶液褪色C.SO2与水反应生成H2SO4D.SO2是一种大气污染物,它主要来自于化石燃料的燃烧解析:选C SO2与H2O反应生成的是H2SO3,而不是H2SO4。
4.检验SO2中是否混有CO2气体,可采用的方法是()A.通过品红溶液B.先通过NaOH溶液,再通过澄清石灰水C.通过澄清石灰水D.先通过酸性KMnO4溶液,再通过澄清石灰水解析:选D A项检验的是SO2;B项不管是否混有CO2都不会产生白色沉淀;C项不管有没有CO2都会产生白色沉淀;D项酸性KMnO4溶液将SO2完全吸收,再通过澄清石灰水,若有白色沉淀,说明一定有CO2;若无沉淀,则无CO2。
5.下列说法正确的是()A.因为SO2具有漂白性,所以它能使品红溶液、溴水、酸性KMnO4溶液、石蕊溶液褪色B.能使品红褪色的不一定是SO2C.SO2、漂白粉、活性炭、Na2O2都能使红墨水褪色,其原理相同D.盐酸能使滴有酚酞的NaOH溶液褪色,所以盐酸也有漂白性解析:选B A项,SO2能使品红溶液褪色,利用了其漂白性,使溴水、高锰酸钾溶液褪色,利用其还原性,SO2不能使石蕊溶液褪色,错误;B项,使品红溶液褪色的可能是SO2、Cl2、H2O2、O3等,正确;C项,活性炭具有吸附性,SO2利用其和有色物质的结合,漂白粉和过氧化钠利用其氧化性,原理不同,错误;D项,是盐酸和NaOH发生中和反应,错误。
6.能与SO2气体起反应,但无沉淀产生的是()①溴水②Ba(OH)2溶液③石灰水④Na2CO3溶液⑤稀H2SO4⑥H2S⑦Na2SO3溶液A.①B.①④⑤C.④⑥⑦D.①④⑦解析:选D有关反应为①Br2+2H2O+SO2===2HBr+H2SO4②SO2+Ba(OH)2===BaSO3↓+H2O③SO2+Ca(OH)2===CaSO3↓+H2O④SO2+Na2CO3===Na2SO3+CO2⑤SO2+H2SO4―→不反应⑥SO2+2H2S===3S↓+2H2O⑦H2O+SO2+Na2SO3===2NaHSO3对照题意,符合条件的有①④⑦,故答案为D。
7.在含有FeCl3和BaCl2的强酸性溶液中通入足量的SO2有白色沉淀生成。
由此得出的结论是()①白色沉淀是BaSO4②白色沉淀是BaSO3③白色沉淀是BaSO3和BaSO4的混合物④FeCl3被SO2还原为FeCl2A.①③B.②④C.②③D.①④解析:选D强酸性条件下溶液中发生的反应为2Fe3++SO2+2H2O===2Fe2++SO2-4+4H+,Ba2++SO2-4===BaSO4↓,故①④正确。
8.下列装置可用于收集SO2并验证其某些化学性质,下列说法正确的是()242化物,能与NaOH反应,2NaOH+SO2===Na2SO3+H2O(或NaOH+SO2===NaHSO3),但无明显现象,C项错误;SO2不能漂白石蕊溶液,D项错误。
9.A、B是两种常温下有刺激性气味的气体,将A通入品红溶液中,品红溶液变为无色;将B通入品红溶液中,品红溶液也变为无色。
将A通入紫色石蕊溶液中,溶液变为红色;将B通入紫色石蕊溶液中,溶液先变红后褪色。
将A和B按1∶1的体积比充分混合,通入品红溶液中,品红溶液不褪色,通入紫色石蕊溶液中,溶液只变红不褪色。
试回答下列问题:(1)写出A、B的化学式:A________,B________。
(2)写出A与NaOH溶液反应的化学方程式:________________________________________________________________________,或________________________________________________________________________。
(3)写出B与NaOH溶液反应的离子方程式:__________________________________________________。
(4)加热通入A后变为无色的品红溶液,现象是__________________;加热通入B后变为无色的品红溶液,现象是________________________________________________________________________。
解析:具有漂白作用、能使品红溶液褪色的气体有Cl2、SO2、O3等。
A气体不能使紫色石蕊溶液褪色,但能使紫色石蕊溶液变红色,所以A为SO2;B气体使紫色石蕊溶液先变红后褪色,为Cl2;如果将Cl2与SO2等体积混合,通入溶液中,则发生下列反应:Cl2+SO2+2H2O===H2SO4+2HCl,生成的盐酸和硫酸都没有漂白作用,但它们能使紫色石蕊溶液变红色。
答案:(1)SO2Cl2(2)2NaOH+SO2===Na2SO3+H2ONaOH+SO2===NaHSO3(3)2OH-+Cl2===Cl-+ClO-+H2O(4)变为红色无明显变化10.某化学兴趣小组为了探究常温下某非金属氧化物形成的未知气体的成分,将气体通入澄清石灰水中,发现澄清石灰水变浑浊,持续通入发现浑浊又变澄清,由此该小组成员对气体的成分提出猜想。
[提出猜想]猜想1:该气体为CO2。
猜想2:该气体为SO2。
猜想3:_____________________________________________________。
为了验证猜测,该小组设计实验加以探究。
[实验探究]该小组同学按如图所示装置,将气体从a端通入。
(1)B中应该装下列________试剂(填编号)。
A.NaCl溶液B.酸性KMnO4溶液C.盐酸D.澄清石灰水(2)A中品红溶液的作用是____________________________________________。
(3)D中澄清石灰水的作用是_________________________________________。
通过该实验,该小组同学观察到以下三个实验现象:①A中品红溶液褪色②C中品红溶液不褪色③D中澄清石灰水变浑浊[得出结论](4)由上述现象,该小组同学确认该气体的成分为:_____________________________________________________________________________________________________。
解析:回忆学过的能使澄清石灰水先变浑浊又变澄清的气体,只有CO2和SO2,所以提出的猜想是:①气体为CO2;②气体为SO2;③气体为CO2和SO2的混合气体。
要验证气体的成分,必须先验证SO2是否存在,并除尽,再验证CO2气体的存在,因为SO2的存在对CO2的验证有干扰。
答案:气体为CO2和SO2的混合气体(1)B(2)验证混合气体中是否含有SO2(3)验证混合气体中是否含有CO2(4)CO2和SO2的混合气体1.SO2溶于水后,所得溶液的性质是()A.有氧化性,无还原性,无酸性B.有氧化性,有还原性,有酸性C.有还原性,无氧化性,无酸性D.有还原性,无氧化性,有酸性解析:选B SO2溶于水,与水反应生成H2SO3,H2SO3中S的化合价是+4价,处于中间价态,既有氧化性又有还原性;H2SO3属于二元弱酸,有酸性。
2.下列实验能证明SO2存在的是()①能使澄清石灰水变浑浊②能使湿润的蓝色石蕊试纸变红③能使品红溶液褪色④通入足量的NaOH溶液中,再滴加BaCl2溶液有白色沉淀生成,该沉淀溶于稀盐酸⑤通入溴水中能使溴水褪色,再滴加Ba(NO3)2溶液有白色沉淀生成A.①②③④⑤B.⑤C.③④⑤D.无解析:选B①、④CO2也能出现该现象;②HCl等也能出现该现象;③Cl2也能出现该现象。
3.下列五种有色溶液与SO2作用,均能褪色,其实质相同的是()①品红溶液②酸性KMnO4溶液③溴水④滴有酚酞的NaOH溶液⑤淀粉碘溶液A.①④B.①②③C.②③⑤D.②③④解析:选C SO2使品红溶液褪色,利用其漂白性;SO2使含酚酞的NaOH溶液褪色,利用其酸性氧化物的性质;SO2使KMnO4(H+)、溴水、淀粉碘溶液褪色,利用其还原性,三者实质相同。
4.下列实验报告记录的实验现象正确的是()解析:选C SO2溶于水生成H2SO3,溶液呈酸性,通入酚酞溶液中,溶液变无色。
通入品红溶液中,品红褪色;c中SO2被氯水氧化为SO2-4,生成硫酸钡白色沉淀,同时因Cl2的消耗,溶液变无色。
d中SO2与氢氧化钠反应生成Na2SO3,生成BaSO3白色沉淀。
5.如下图,在注射器中加入少量Na2SO3晶体,并吸入少量浓硫酸(以不接触纸条为准)。
则下列有关说法正确的是()A.湿润蓝色石蕊试纸先变红后褪色B.湿润品红试纸、蘸有酸性KMnO4溶液的滤纸均褪色证明SO2具有漂白性C.湿润淀粉-KI试纸未变蓝说明SO2不能将I-还原为I2D.实验后,可把注射器中的物质推入NaOH溶液,以减少环境污染解析:选D吸入的浓硫酸与Na2SO3反应,产生SO2气体。
SO2的酸性能使蓝色石蕊试纸变红,但SO2不能漂白酸碱指示剂,A项错误;SO2的漂白性使品红褪色,SO2的还原性使酸性KMnO4溶液褪色,B项错误;I-转化成I2是氧化过程,不是还原过程,C项错误。
6.下图是一检验气体性质的实验装置。
向装置中缓慢通入气体X,若关闭活塞K,则品红溶液无变化,而澄清石灰水变浑浊;若打开活塞K,则品红溶液褪色。
据此判断气体X 和洗气瓶内液体Y可能是()解析:选B CO和CO2不具有漂白性,A、C选项被排除。
B选项,当关闭活塞时SO2与NaHCO3溶液起反应生成CO2,使石灰水变浑浊,SO2被吸收,不能使品红褪色。
D选项,当关闭活塞时,Cl2与NaHSO3发生反应,NaHSO3被氧化成NaHSO4,不产生SO2,石灰水不变浑浊。
7.如下图,利用培养皿探究SO2的性质。
实验时向Na2SO3固体上滴几滴浓硫酸,立即用另一表面皿扣在上面。