刮板输送机司机岗位作业流程表
- 格式:docx
- 大小:21.47 KB
- 文档页数:3
刮板输送机司机操作规程范本第一章总则第一条为了确保刮板输送机的安全运行和保护司机的人身安全,制定本操作规程。
第二条本操作规程适用于刮板输送机司机的操作行为,司机必须严格遵守规程的各项要求并承担相应的责任。
第三条司机必须具备相关驾驶证和相关的专业知识,经过培训合格并取得相应的证明。
第四条司机在操作刮板输送机前,必须对设备进行检查,确保设备的正常运行状态。
第五条司机在操作过程中必须保持高度的注意力和敏锐的观察力,严禁疲劳驾驶。
第六条司机在发现设备故障或其他异常情况时,应立即停止操作并向相关部门报告,并采取相应的措施进行处理。
第七条司机应严格遵守安全操作规程,不得进行超速行驶或其他违章操作。
第八条司机应熟悉刮板输送机的结构和工作原理,并随时准备应对紧急情况。
第二章操作流程第九条司机在操作刮板输送机前,必须穿戴符合安全要求的工作服和个人防护用品。
第十条司机在上岗前必须对设备进行检查,包括检查电路、传动装置、刮板、导轨等部分,确保无故障并操作灵活。
第十一条司机根据工作要求,调整设备的工作速度和输送量,并在操作过程中随时监测设备的运行状态。
第十二条司机应严格遵守设备的安全操作规程,不得在运行中接触刮板和传动部分,以避免发生危险。
第十三条司机在操作过程中应密切配合相关工作人员的指挥,确保输送物料的安全和顺利。
第十四条司机在操作过程中应及时清理输送机的堆积物,避免积灰和积尘导致设备故障。
第十五条司机在操作过程中应随时注意设备的工作状态,并做到及时处理异常情况,确保设备的稳定运行。
第三章安全防护第十六条司机在操作过程中应时刻关注设备的安全保护装置,确保其正常运行。
第十七条司机在上岗前必须检查刮板输送机的安全防护装置和紧急停车装置的可靠性,确保在紧急情况下能够迅速停车。
第十八条司机在操作过程中应保持机舱内清洁,不得在机舱内乱放杂物或吸烟,以防发生火灾。
第十九条司机在操作刮板输送机时应注意安全距离,不得靠近可移动部件或跨越运输矿料的带式输送机。
刮板输送机司机操作规程一、概述刮板输送机是一种用于输送散装物料的固定式输送设备,由于其结构简单、使用方便等特点,被广泛应用于矿山、港口、建筑工地等场所。
为了确保刮板输送机的安全运行,保护设备的正常使用寿命,制定了刮板输送机司机操作规程,以指导司机正确操作设备。
二、前期准备1. 到岗前对设备进行检查,确保设备各部分完好,无松动、漏油、漏电等现象;2. 查看工作区域是否有杂物、障碍物等,确保工作环境安全;3. 穿戴必要的劳动保护用品,如安全帽、防护鞋、防护眼镜等;4. 熟悉刮板输送机的结构、工作原理以及操作要求。
三、操作流程1. 启动刮板输送机前,先确认附近没有人员,拉起报警标志,防止他人靠近;2. 检查设备的润滑情况,确保润滑油量充足;3. 撤掉输送机的安全标志、封堵物等,准备启动;4. 启动电机,逐步调整转速至正常工作值,检查电机和传动部分是否正常运转;5. 定时检查输送带的张紧度,保持适当的拉力,避免带跑偏或松弛;6. 检查部分传动装置的紧固情况,确保无松动;7. 通过观察温度表、压力表等指示装置,检查设备工作是否正常;8. 定期清理输送带上的堆积物,避免带跑偏或堵塞;9. 当设备堵塞时,切勿用手或脚去清理,应立即停机检查,排除故障后再启动;10. 在设备停机维修前,应按规定切断电源,做好停电记录,确保人员安全。
四、日常维护1. 定期清洗设备,除去积尘、污垢等;2. 检查输送带是否磨损、老化,及时更换;3. 定期检查设备的传动部分,清洗、润滑并更换磨损零部件;4. 检查电机、电气元件是否正常工作,如有异常应及时修理或更换;5. 定期检查设备的固定部位,确保无松动;6. 停机时,刮板输送机的转鼓应给予适当的防锈处理;7. 销售备件应定期清点,确保备件的可用性。
五、安全注意事项1. 操作过程中要保持注意力集中,严禁酗酒、吸烟等影响操作安全的行为;2. 严禁将手、头等部位伸入设备内部,以防发生夹伤、碰撞等意外事故;3. 严禁在设备运行中进行维修、检修等操作,应在停机状态下进行;4. 发现设备异常情况要及时上报,不得擅自处理;5. 临时停机时,应切断电源,然后进行维修等操作;6. 严禁在设备上作非法改装等操作,以免引起事故。
刮板输送司机操作规程模版第一章总则第一条为了规范刮板输送司机的操作行为,确保作业安全,保护设备,保护环境,提高生产效率,制定本操作规程。
第二条本操作规程适用于刮板输送司机。
第三条刮板输送司机应具备以下基本操作技能和知识:(一)熟悉刮板输送设备的结构和性能;(二)掌握刮板输送设备的操作方法和操作要领;(三)了解刮板输送设备的维护保养方法;(四)具备一定的安全生产知识。
第二章操作准备第四条刮板输送司机在开始操作之前,应进行相关的准备工作:(一)检查刮板输送设备的工作状态,确保无故障;(二)熟悉刮板输送设备的工作环境和作业区域;(三)了解作业任务和安全要求。
第五条刮板输送司机在操作前应穿戴好个人防护用品,并检查其完好性。
第六条刮板输送司机在操作前应进行设备的检查和试运行,确保设备正常工作。
第七条刮板输送司机在操作前应检查刮板输送设备是否有异常噪声、振动等不正常现象,如有异常情况应及时报告。
第八条刮板输送司机在操作前应将周围的杂物清理干净,确保作业区域安全。
第三章操作规程第九条刮板输送司机在操作过程中,应按照以下步骤进行操作:(一)调整刮板输送设备的工作参数,包括速度、夹角等;(二)启动刮板输送设备,正常运转;(三)根据作业要求,将物料装载到刮板输送设备上;(四)在作业过程中,要注意检查刮板输送设备的运行状态,如有异常情况应及时停机排查;(五)操作结束后,关闭刮板输送设备,清理作业区域。
第十条刮板输送司机在操作过程中应注意以下事项:(一)严禁将手或其他部位伸入刮板输送设备的工作区域;(二)严禁进行超负荷作业;(三)保持操作台整洁,放置物品整齐,并注意防滑;(四)发现异常情况应及时报告。
第四章安全生产第十一条刮板输送司机在操作过程中应遵守安全生产规定,确保自身安全和设备安全。
(一)严禁酒后驾驶,禁止吸烟;(二)严禁违章操作,如越过安全防护装置、私自调整设备参数等;(三)在作业过程中,要注意周围环境和人员的安全;(四)发现设备故障和安全隐患应及时报告,切勿擅自修复。
刮板输送机司机操作规程范本一、操作准备1. 确保刮板输送机及相关设备完好无损,无任何危险隐患;2. 检查工作区域是否整洁,确保没有杂物阻碍操作;3. 根据工作需求,选择合适的刮板输送机及输送速度;4. 穿戴工作服、安全鞋、安全帽等必要的个人防护装备;5. 确认机器上的安全保护装置完好;6. 检查刮板输送机的电源和控制系统是否正常工作。
二、操作流程1. 将刮板输送机开启前的刹车解除;2. 在启动前,确保附近人员已被告知并远离刮板输送机;3. 开启刮板输送机的电源,并启动控制系统;4. 确认刮板输送机的运行速度调整到合适的工作状态;5. 在操作台上观察刮板输送机的运行情况,确保运行正常;6. 注意观察刮板输送机上的相关指示灯及传感器的工作情况;7. 若发现异常情况,应立刻停止刮板输送机,检查并排除故障;8. 确保刮板输送机上的物料处于适当的高度,不超过设备的承载能力;9. 对于特殊材料的输送,需要根据操作规程进行相应的调整;10. 根据物料的输送量,合理调整刮板输送机的速度和运行状态;11. 定期清理刮板输送机上的积累物,预防堆积导致运行故障。
三、安全注意事项1. 在刮板输送机运行时,严禁将身体部位伸入机器内部;2. 禁止将物体投入刮板输送机内,避免堵塞或损坏设备;3. 严禁擅自更改刮板输送机的工作参数,必要时需经过相关人员许可;4. 在紧急情况下,应迅速切断刮板输送机的电源;5. 必要时,对刮板输送机的零部件进行定期检查和维护,确保设备正常运行;6. 及时上报刮板输送机的故障和问题,以便及时解决;7. 在使用过程中,严禁酒后驾驶或疲劳驾驶刮板输送机;8. 操作刮板输送机时,应保持专注,避免分心或使用手机等外部干扰因素。
四、应急处理1. 在刮板输送机出现故障或异常情况时,应立即停机;2. 切断刮板输送机的电源,确保安全;3. 通知相关维护人员或上级领导,上报故障情况;4. 在等待故障修复期间,临时采取其他措施,确保物料输送不受影响;5. 维修人员在修复刮板输送机时,应采取相应的安全措施,确保自身安全;6. 维修结束后,对刮板输送机进行测试和检查,确保设备正常运行;7. 维修记录应及时填写和归档,方便日后参考和查询。
煤矿刮板输送机职责及作业流程下载温馨提示:该文档是我店铺精心编制而成,希望大家下载以后,能够帮助大家解决实际的问题。
文档下载后可定制随意修改,请根据实际需要进行相应的调整和使用,谢谢!并且,本店铺为大家提供各种各样类型的实用资料,如教育随笔、日记赏析、句子摘抄、古诗大全、经典美文、话题作文、工作总结、词语解析、文案摘录、其他资料等等,如想了解不同资料格式和写法,敬请关注!Download tips: This document is carefully compiled by theeditor. I hope that after you download them,they can help yousolve practical problems. The document can be customized andmodified after downloading,please adjust and use it according toactual needs, thank you!In addition, our shop provides you with various types ofpractical materials,such as educational essays, diaryappreciation,sentence excerpts,ancient poems,classic articles,topic composition,work summary,word parsing,copy excerpts,other materials and so on,want to know different data formats andwriting methods,please pay attention!煤矿刮板输送机是煤矿生产中的一种重要设备,主要用于煤炭的输送。
刮板输送司机操作规程模版1.工作准备1.1检查车辆状况1.1.1检查车辆机械部分是否正常运转,如发动机、燃油系统、传动系统、液压系统等;1.1.2检查车辆电气部分是否正常运转,如仪表、灯光、音响等;1.1.3检查车辆刮板输送装置是否安装正常,且无漏油现象;1.1.4检查车辆刮板输送系统的电源线路是否正常;1.2确认所需工作任务1.2.1确认作业地点、施工要求和责任人;1.2.2预估所需工作时间和物料用量;1.3准备所需工具和备品备件1.3.1准备所需的工具和备品备件,如扳手、钳子、备用刮板等;1.3.2确保工具和备品备件的数量和质量足够完成工作;2.操作流程2.1上岗前准备2.1.1穿戴好个人防护装备,包括安全帽、工作服、安全手套、防滑鞋等;2.1.2了解施工现场的安全规定和工作要求;2.1.3检查车辆的刮板输送装置是否正常运转,如输送速度、输送宽度等;2.1.4检查车辆的保护装置是否完好,如防护罩、护板等;2.2进行输送作业2.2.1按照作业要求开启刮板输送装置,确保螺旋传动系统正常运转;2.2.2调整输送宽度和输送速度,保证物料正常输送;2.2.3定期检查刮板输送装置是否有异响、漏油等问题,如有问题及时停机检修;2.2.4根据需要调整刮板输送装置的升降高度,确保物料落入指定位置;2.2.5在输送过程中,注意观察物料的流动情况,确保不会堵塞或溢出;2.3完成作业2.3.1在作业结束后及时关闭刮板输送装置,断开电源;2.3.2清理工作台面和周围环境,整理工具和备品备件;2.3.3将刮板输送装置归位并进行保养和维修;3.安全操作要求3.1在操作刮板输送装置时,要佩戴好个人防护设备;3.2不得擅自调整刮板输送装置的工作参数,如输送速度和输送宽度;3.3在操作中要注意观察物料的流动情况,及时调整刮板输送装置的工作参数,以保证物料正常运输;3.4操作人员不得随意离开岗位,以免造成事故;3.5操作期间严禁与他人交谈或使用手机、耳机等分散注意力的设备;3.6在操作过程中,如发现刮板输送装置异常,应及时停机检查和维修,切勿强行继续工作;4.事故应急处理4.1在发生事故时,第一时间保护好自己的安全;4.3如发生火灾、爆炸等紧急情况,应立即按照现场安全预案进行处理;4.4事故发生后,应及时上报事故情况,并配合相关部门的调查和处理工作;5.后勤保障要求5.1在工作结束后,及时整理工作场地,清理车辆和工具;5.2检查并维护刮板输送装置,保证其安全性能;5.3及时报告和处理车辆故障,确保车辆的正常运转;5.4清点并妥善保管工具和备品备件,做到专人管理、专用存放;5.5配合领导的工作安排,完成其他与工作相关的任务。
综采二队刮板输送机司机(采煤)岗位作业流程标准安全确认表可能导致的后果1.接班时未进行隐患排查,未发现电机冷却系统损坏或未开启冷却系统,可能造成机械伤害事故。
2.作业地点顶板不完好,可能造成冒顶片帮事故。
3.溜子机尾处的防护板不完好,固定螺栓未紧固,可能造成机械伤害事故。
4.信号不灵敏不可靠,可能造成设备误启动运输事故。
5.润滑不良,转动不灵活,滚动轴承温度超高,可能造成灼烫事故。
6.螺栓.螺帽及其它连接零件缺失,可能造成机械伤害事故。
7.护链器,护板不完整,变形,运转时有卡碰现象,可能造成机械伤害事故。
8.溜槽及连接件开焊,中板和底板有漏洞,可能造成运输事故。
9.链条松紧不适,有卡阻现象,可能造成运输事故。
10.减速箱接合面松动,漏油,可能造成机械伤害事故。
11.喷雾装置不齐,喷嘴堵塞,出水不畅,可能造成刮板输送机机头煤尘堆积,导致煤尘爆炸事故。
12.工作面刮板缺失或E型螺栓松动,可能造成运输事故。
13.机头.机尾链轮组件磨损超限,振动异常,可能造成运输事故。
14.联轴器连接不牢靠,运转异响,可能造成运输事故。
15.刮板输送机运转中电机.减速器温度.声音异常,可能造成运输事故。
16.出煤量不均匀,存在压溜现象,可能造成运输事故。
17.刮板输送机未开空,停止刮板输送机运行,设备再启动时超负荷启动,可能造成运输事故。
18.刮板输送机与转载机搭接不合理,拉回煤现象严重,可能造成运输事故。
19.刮板输送机运行中处理卡堵在输送机上方的大块煤矸,可能造成运输事故。
20.停机后未及时闭锁刮板输送机或人员进入刮板输送机溜槽中作业时未闭锁刮板输送机,刮板输送机吴启动可能造成运输事故。
习惯性违章1.刮板输送机机尾防护板不完好。
2.刮板输送机带负荷启动。
3.与转载机搭接不合理,造成拉回煤。
4.输送机在运行状态中处理出现卡矸、卡大块煤时,不及时停机处理。
5.开机前未开喷雾或喷雾不完好。
刮板输送机司机操作流程一、岗位标准1、岗位职责:在安全的前提下,严格按照煤矿《三大规程》及安全技术措施,规范操作刮板机进行运煤作业,搞好设备维护保养,监护好刮板输送机的正常运行,确保刮板输送机运煤操作流程符合标准要求。
2、技能要求:岗位应知:一是熟知《煤矿安全规程》、《煤矿安全生产标准化管理体系》关于“采煤及机电运输”的规定要求;二是熟知《采煤工作面作业规程》;三是熟知刮板输送机司机的《岗位责任制》、《安全生产责任制》、《岗位操作规程》及《岗位作业流程标准》;四是清楚本岗位的“三违行为”标准。
岗位应会:能正确规范操作刮板输送机进行运煤作业,对使用的刮板输送机达到“三懂三会”要求:“三懂”即懂结构性能、懂工作原理、懂技术特征,“三会”即会操作、会维护、会排除一般故障。
3、安全要求:(1)安全资格:必须培训合格,持证上岗,新上岗人员必须在师傅的带领下,实习不少于4个月,经实习考核合格后方可独立上岗。
(2)安全操作:遵守安全规章制度,履行岗位安全生产职责,严格按照《煤矿安全规程》、《安全生产标准化管理体系》、《采煤工作面作业规程》、刮板输送机司机《岗位操作规程》及《岗位作业流程标准》,在安全前提下规范操作刮板输送机,进行运煤作业,并按要求进行维护保养,监护好设备的正常运行。
严禁违章作业,确保岗位作业安全。
(3)安全管理:在使用刮板输送机运煤作业过程中加强风险辨识和隐患排查,加强设备维护保养,发现风险异常变化、防控措施失效以及出现隐患时,必须先控风险除隐患,然后才可进行作业。
(4)应急须知:熟知本岗位工作中存在的安全风险及事故现场处置办法,熟知应急避险和自救互救知识,熟悉岗位工作地点的安全出口和避灾路线,会熟练使用使用消防器材、劳动保护及安全防护用品。
4、安全目标:操作规范、杜绝违章、动态达标、持续安全。
二、岗位主要操作设备概况本岗位使用的主要设备是山西忻州制造的SGZ764/400型刮板机,总装机功率为400KW,输送能力为800t/h,设计长度210m,供电电压1140V,刮板机是综采工艺重要组成部分,主要用于运输工作面煤炭。
刮板输送机的操作程序范本1. 检查设备安全状态:- 检查刮板输送机及其周围有无异常情况,包括异物、堆积物等;- 确保刮板输送机的运行环境符合操作要求,无明火、易燃物等危险因素。
2. 确认操作权限:- 操作员需持有相关岗位资格证书;- 仅授权操作员可以进行刮板输送机的操作。
3. 准备设备:- 确认刮板输送机的正常供电,并接通电源;- 检查输送带张紧装置、链条、链轮等关键部件的工作状态;- 清理输送带、链条的堆积物和尘垢。
4. 开启刮板输送机:- 按下刮板输送机的开关,启动整个系统;- 确认刮板输送机运行正常,无异常声音或浮动;- 检查输送带/链条纹波、磨损、松紧度等情况。
5. 运行刮板输送机:- 在确认无异常情况后,将物料放入刮板输送机的进料口;- 控制好进料速度,避免过大或过小;- 定期检查运行状态,确保刮板输送机的平稳运行。
6. 调整刮板输送机参数:- 根据物料的性质和输送距离,合理调整刮板输送机的输送速度;- 根据需要,调整刮板输送机的运行方向和转速。
7. 停止刮板输送机:- 当输送任务完成或需要暂时停止刮板输送机时,将刮板输送机停止;- 关闭刮板输送机上的电源开关,确保设备停止运行。
8. 维护和保养:- 定期对刮板输送机进行检查和保养,清除堆积物、尘垢等杂质;- 检查刮板输送机的关键部件,如传动装置、轴承等,进行润滑和维护。
9. 安全措施:- 操作人员必须穿戴好安全防护用具,如安全帽、防护服、安全鞋等;- 刮板输送机操作时,禁止随意触摸刮板、链条以及其他运动部件;- 在操作刮板输送机时,要保持专注,不要分心或草率行事。
10. 紧急情况处理:- 如刮板输送机出现异常情况或故障,立即停止设备运行;- 及时报告相关负责人,并按照紧急处理流程进行处置;- 在紧急情况处理完毕后,及时清理现场,恢复正常工作。
11. 记录和报告:- 完成刮板输送机操作后,应对相关操作进行记录,如启动、停止时间,运行状态等;- 及时向相关负责人汇报刮板输送机运行情况和异常状况。
刮板输送机司机职业危害岗位操作规程范本一、总则1.为保障刮板输送机司机的生命安全和身体健康,降低事故发生的风险,制定本操作规程。
二、注意事项1.刮板输送机司机必须佩戴合格的安全帽、防护眼镜、防护手套等个人防护装备。
2.刮板输送机司机应熟悉正常运行状态下的刮板输送机操作流程及常见故障排除方法,并遵守操作规程。
3.刮板输送机司机应做好车内卫生,保持车内整洁干净,禁止乱丢废弃物品。
4.刮板输送机司机在操作过程中应严格按照规定路线行驶,禁止擅自调整路线或开启新的运输通道。
三、操作规范1.刮板输送机司机应定期检查车辆的传动系统、润滑系统、制动系统等,确保其正常工作。
2.刮板输送机司机应掌握刮板输送机行车速度的合理控制,遵守相关法律法规,确保行车安全。
3.刮板输送机司机应在行车前认真检查车辆的制动器、轮胎、照明灯具等,并确保其完好无损。
4.刮板输送机司机在运输过程中应随时关注后方状况,确保不与其他车辆发生碰撞及事故。
5.刮板输送机司机应在运输前将相关的运输设备固定好,防止运输过程中发生松动或脱落现象。
6.刮板输送机司机在机器运行过程中,应时刻注意机器的工作状态,特别是拦料器和铲斗等设备的运行状态,确保机器不会发生卡料等故障。
7.刮板输送机司机在操纵机器时,应稳住方向盘,并注意机器的转弯半径及速度,确保安全行驶。
8.刮板输送机司机应熟悉紧急停机装置的位置和使用方法,一旦发生紧急情况,应及时按下紧急停机按钮,确保安全。
四、突发情况处理1.刮板输送机司机在发现任何机器异常情况时,应立即报告维修人员进行检查修理,并按照维修人员的指示操作。
2.刮板输送机司机在发生火灾、泄漏等突发情况时,应第一时间按下紧急停机按钮,并向现场负责人报告,采取适当的紧急救援措施。
五、紧急预案1.刮板输送机司机应随时保持通信联络畅通,确保与值班人员保持有效的联系。
2.刮板输送机司机在发生紧急情况时,应及时按下紧急报警按钮,并向现场领导报告,并配合现场领导做好应急处置。
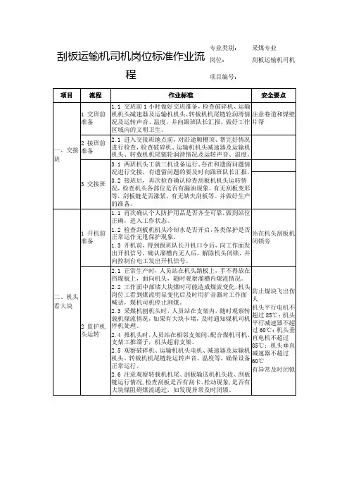
刮板输送机司机岗位作业标准项目作业程序动作标准安全要点班前准备执行《通用标准》的有关程序执行《通用标准》的有关要求执行《通用标准》的有关要求接班1 进入接班地点2 询问工作情况3 现场检查及试运行1.1准时到达刮板输送机机头现场交接班。
2.1向交班人员询问上班设备的运行情况,查看运行记录,看设备存在哪些问题及有关故障的处理情况。
3.1协同上班刮板输送机司机从机头至机尾对设备进行全面的检査。
3.2检査刮板输送机的机头电机、减速机、防护罩等是否完好,连接螺栓是否齐全紧固可靠。
3.3检查喇叭筒盖板是否齐全紧固,大链涨紧度是否适宜,变速箱油量和油质是否符合规定。
3.4检查信号、集中控制、操作系统是否灵敏可靠。
3.5检査刮板螺丝是否齐全、紧固,机头、机尾锚固装置是否牢靠,电机温度、减速机油量是否符合规定。
3.6检査液压联轴节液量是否符合规定,易熔合金油塞是否合格。
3.7检查煤挡板、铲煤板有无断缺变形和松动,溜槽有无错位,机头、机尾压溜柱打设是否牢固。
3.8检查喷雾供水装置和电机冷却装置是否齐全,效果良好。
3.9检查机头、机尾及电机上的浮煤、浮矸是否清净,运输机头与转载机尾搭接是否合理,运输机有无上串下滑现象。
3.10检查电源电缆、操作线是否吊挂整齐,有无挤压现象。
3.11设备的试运转:刮板输送机启动前,必须打开机对打信号,待有关人员离开其周围后,解除闭锁,点动启动按钮,无异常时,正常开车。
使其空转一周,并观察刮板运转情况,发生刮板刮底,跳动或刮板歪斜、短缺变形等问题时立即停机处理。
3.1.1检査时,刮板输送机必须闭锁,并设专人监护。
3.1.2严格执行谁闭锁谁打开原则。
3.6.1易熔合金油塞严禁使用别的金属、木制塞等代替。
刮板输送机司机岗位作业标准项目作业程序动作标准安全要点接班4 问题的处理5 履行手续3.12正常运转一段时间以后,司机应注意检査减速机、电机各部温度是否异常。
4.1交接双方将检査过程中发现的问题逐项记录,对还存在的遗留问题经验收员验收后,落实责任。
刮板输送机司机安全作业程序范本第一章总则第一条为了确保刮板输送机司机的人身安全和设备的安全运行,制定本安全作业程序。
第二条本程序适用于所有从事刮板输送机运行的司机,并包含了前期准备、操作过程、意外处理等方面的内容。
第三条刮板输送机司机在操作过程中必须严格遵守本程序的规定,同时要遵守国家相关法律法规和安全操作规程。
第四条企业要组织相关人员对刮板输送机司机进行安全教育培训,提高他们的安全意识和操作能力。
第二章前期准备第一节司机个人防护第五条刮板输送机司机在进行作业前,必须穿戴好相应的个人防护装备,包括安全帽、防护眼镜、耳塞、防护手套、防护鞋等。
第六条司机应检查个人防护装备是否完好,并及时更换损坏的装备。
第二节设备检查第七条刮板输送机司机在操作前必须对设备进行检查,包括但不限于以下内容:1. 检查设备的机械传动部分是否正常运转;2. 检查输送带的张紧和对齐是否合适;3. 检查输送带的保护罩是否完好,并及时修复或更换;4. 检查传感器和控制器的工作状态是否正常。
第八条如若发现设备存在故障或异常情况,刮板输送机司机应及时报告给相关部门,并按照工作指引进行修复。
第九条在检查过程中如发现任何可能导致事故的不安全因素,刮板输送机司机有权拒绝作业,并向相关部门提出整改要求。
第三节车辆检查第十条刮板输送机司机在使用车辆前必须对车辆进行检查,包括但不限于以下内容:1. 检查车辆的动力系统是否正常;2. 检查制动系统是否灵敏可靠;3. 检查灯光、信号装置和仪表盘的工作状态是否正常;4. 检查车辆的轮胎和悬挂系统是否良好;5. 检查车辆的消防器材和急救工具是否齐全。
第十一条如若发现车辆存在故障或异常情况,刮板输送机司机应及时报告给相关部门,并按照工作指引进行修复。
第十二条在检查过程中如发现任何可能导致事故的不安全因素,刮板输送机司机有权拒绝使用该车辆,并向相关部门提出整改要求。
第三章操作过程第一节刮板输送机的启动和停止第十三条刮板输送机司机在启动和停止设备时必须严格按照操作规程进行操作,并确保设备启动和停止的过程平稳无误。
刮板机司机操作规程模版第一章总则第一条为了保证刮板机的安全运行,提高工作效率,合理利用资源,保护环境,特制定本操作规程。
第二条本规程适用于刮板机司机,必须严格遵守。
第三条刮板机司机必须经过专业培训,并具备相应的驾驶证件。
第二章工作流程第四条刮板机司机在上班前,应熟悉本操作规程,并检查刮板机的工作状态。
第五条刮板机司机在工作前,应对周围环境进行检查,确保工作场地安全无障碍。
第六条刮板机司机在开机前,应按照操作指导书的要求进行相关操作,确保设备运行良好。
第七条刮板机司机必须熟悉刮板机的结构和工作原理,严格按照操作规程进行操作。
第八条刮板机司机应随时观察工作状态并检测设备性能,如发现异常情况应及时报告并采取相应措施。
第九条刮板机司机应及时清理刮板机周围的杂物和积水,确保工作环境整洁。
第十条刮板机司机应按照规定的路线和速度行驶,遵守交通规则,确保行车安全。
第十一条刮板机司机在刮运输过程中,应正确操作控制杆,保持稳定的行车状态。
第十二条刮板机司机在刮土运输过程中,应控制刮板机的刮土深度和速度,确保稳定的刮土效果。
第十三条刮板机司机应确保刮板机的工作时间和休息时间合理安排,避免超时工作。
第十四条刮板机司机应保持良好的工作状态,不得饮酒、吸烟或使用手机等影响工作安全的行为。
第十五条刮板机司机应定期进行设备保养和维修,确保刮板机的正常运行。
第三章安全注意事项第十六条刮板机司机在开机前,应检查刮板机的液压系统、动力系统、制动系统等,确保设备的正常运行。
第十七条刮板机司机在工作中应注意观察设备的工作状态,如发现异常情况,应及时采取相应措施并报告相关人员。
第十八条刮板机司机在行车过程中应保持适当的速度,根据路况和工作需要合理调整车速,避免急刹车或急加速。
第十九条刮板机司机在行车过程中应注意观察路面情况,如发现路面松软、坑洼或有障碍物等,应及时避让或停车处理。
第二十条刮板机司机在操作刮板机时,应保持稳定的操作手法,避免急停急启或急转弯等操作,防止设备失控。
刮板输送机司机安全作业程序一、工作职责刮板输送机司机负责输送机的正常运行,负责溜头附近及溜槽两侧当班洒下的浮煤清理。
二、工作程序刮板输送机司机进入工作地点应检查工作范围内的顶板支护、片帮情况,检查通讯、信号系统是否畅通,开停按钮是否灵敏,检查刮板、溜子搭接、连接及电气系统,开关等是否良好,确认一切正常后方可站在操作按钮前开机工作。
三、工作标准及考核1、运转前的检查工作。
(1)司机应检查传动装置,机头部及各部螺栓、垫圈、压板、顶丝、油堵、护罩、电机风叶是否齐全完整。
(2)检查刮板、溜子搭接、连结装置零件是否齐全,电气系统、开关等是否良好,电动机符合标准,接地良好。
(3)检查通讯、信号系统是否畅通,操作按钮是否灵活可靠。
(4)检查滚轮间有无杂物和卡扳现象。
(5)开动输送机,空负荷试运转一圈,细听各部声音是否正常,检查所有链条、刮板联结螺栓有无丢失或松动及弯曲变形过大等现象,发现问题及时处理。
没有按上述要求检查,每缺一项罚款10元,如因检查不到位而造成事故的罚款50元。
2、司机在运转中应注意(1)细听信号,信号不清不准操作运行,否则罚款20元。
(2)经常注意电机、减速箱的运转声音,发现异常,应立即停机检查,处理后方可重新开动,否则罚款20元。
(3)经常观察链子、连接环、托叉、护板等状态,发现问题及时处理,否则罚款20元。
(4)禁止链条倒转(检修时除外),除运煤外不准拉运其它物品,如确需输送机运大件时,必须采取有效措施,严禁拼设备,否则罚款50元。
(5)起动困难或负荷突然增大,应立即停机,不可强制起动,应找出原因,处理后方可开机,否则罚款50元。
(6)注意机器运转及煤流情况,有大块和杂物停机搬下,随时清理头尾部存煤,机器运转必须洒水,否则罚款20元。
(7)运转时人员不要靠近运转部位工作,正常运转要注意刮板弯曲,及时清理筛网,特别是拉运湿煤更要注意,否则罚款20元。
(8)注意观察电机、减速机温度,以手能持续放在上面为限。